钢结构框架梁柱的最不利组合内力计算(Final Version)
- 格式:xls
- 大小:64.50 KB
- 文档页数:2
内力组合计算书内力组合《抗震规范》第条规定如下。
截面抗震验算结构构件的地震作用效应和其他荷载效应的基本组合,应按下式计算:G GE Eh Ehk Ev Evk w w wkS S S S S γγγψγ=+++ ()式中:S ——结构构件内力组合的设计值,包括组合的弯矩、轴向力和剪力设计值;γG ——重力荷载分项系数,一般情况应采用,当重力荷载效应对构件承载能力有利时,不应大于;γEh 、γEv ——分别为水平、竖向地震作用分项系数,应按表采用;γw ——风荷载分项系数,应采用;s GE ——重力荷载代表值的效应,有吊车时尚应包括悬吊物重力标准值的效应;s Ehk ——水平地震作用标准值的效应,尚应乘以相应的增大系数或调整系数;s Evk ——竖向地震作用标准值的效应,尚应乘以相应的增大系数或调整系数;s wk ——风荷载标准值的效应;ψw ——风荷载组合值系数,一般结构取,风荷载起控制作用的高层建筑应采用。
注:本规范一般略去表示水平方向的下标。
表地震作用分项系数结构构件的截面抗震验算,应采用下列设计表达式:RE RS γ=式中:γRE ——承载力抗震调整系数,除另有规定外,应按表采用;R ——结构构件承载力设计值。
表承载力抗震调整系数当仅计算竖向地震作用时,各类结构构件承载力抗震调整系数均宜采用。
本次毕业设计,各截面不同内力的承载力抗震调整系数取值如下表结构安全等级设为二级,故结构重要性系数为0 1.0γ=根据《建筑结构荷载规范》和《建筑抗震设计规范》,组合三种工况:恒荷载控制下、活荷载控制下和有地震作用参加的组合。
其具体组合方法如下:恒荷载控制下:Gk Qk S 1.35S 1.40.7S =+? 活荷载控制下:Gk Qk S 1.2S 1.4S =+有地震作用参加的:Gk Qk Ehk S 1.2(S 0.5S ) 1.3S =+± Gk Qk Ehk S 1.0(S 0.5S ) 1.3S =+±对柱进行非抗震内力组合时,根据规范,对活载布置计算的荷载进行折减,折减系数由上而下分别为,,,,。
第三章框架内力计算3.1计算方法框架结构一般承担的荷载主要有恒载、使用活荷载、风荷载、地震作用,其中恒载、活荷载一般为竖向作用,风荷载、地震则为水平方向作用,手算多层多跨框架结构的内力(M、N、V)及侧移时,一般采用近似方法。
如求竖向荷载作用下的内力时,有分层法、弯矩分配法、迭代法等;求水平荷载作用下的内力时,有反弯点法、改进反弯点法(D值法)、迭代法等。
这些方法采用的假设不同,计算结果有所差异,但一般都能满足工程设计要求的精度。
本章主要介绍竖向荷载作用下无侧移框架的弯矩分配法和水平荷载作用下D值法的计算。
在计算各项荷载作用效应时,一般按标准值进行计算,以便于后面荷载效应的组合。
3.1.1竖向荷载作用下框架内力计算1.弯矩分配法在竖向荷载作用下较规则的框架产生的侧向位移很小,可忽略不计。
框架的内力采用无侧移的弯矩分配法进行简化计算。
具体方法是对整体框架按照结构力学的—般方法,计算出各节点的弯矩分配系数、计算各节点的不平衡弯矩,然用进行分配、传递,在工程设计中,每节点只分配两至三次即可满足精度要求。
相交于同一点的多个杆件中的某一杆件,其在该节点的弯矩分配系数的计算过程为:(1)确定各杆件在该节点的转动刚度杆件的转动刚度与杆件远端的约束形式有关,如图3-1:(a)杆件在节点A处的转动刚度(b )某节点各杆件弯矩分配系数图 3-1 A 节点弯矩分配系数(图中lEI i =)(2)计算弯矩分配系数μ∑∑∑∑===++=AAD AD AAC AC AAB ABADAC AAB SS S S S S S S S S μμμ,,1=++=∑AD AC ABAμμμμ(3)相交于一点杆件间的弯矩分配弯矩分配之前,还需先要求出节点的固端弯矩,这可查阅相关静力计算手册得到。
表3-1为常见荷载作用下杆件的固端弯矩。
在弯矩分配的过程中,一个循环可同时放松和固定多个节点(各个放松节点和固定节点间间隔布置,如图3-2),以加快收敛速度。
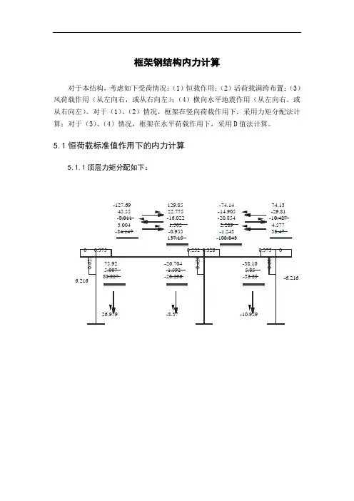
框架钢结构内力计算对于本结构,考虑如下受荷情况:(1)恒载作用;(2)活荷载满跨布置;(3)风荷载作用(从左向右,或从右向左);(4)横向水平地震作用(从左向右。
或从右向左)。
对于(1)、(2)情况,框架在竖向荷载作用下,采用力矩分配法计算;对于(3)、(4)情况,框架在水平荷载作用下,采用D值法计算。
5.1恒荷载标准值作用下的内力计算5.1.1顶层力矩分配如下:-127.6945.55-8.0113.004-84.147129.8522.775-16.0221.502-0.955137.1574.13-29.81-10.4274.57738.47-74.14-14.905-20.8542.289-1.243-108.843顶层-10.544-8.757三层5.1.3二层力矩分配如下:-11.212-9.203二层0.174.50.185.48.4760.1420.21500.326.265.39-193.8428.684-7.4521.297-171.311214.6814.342-14.9050.649-0.240214.526114.81-18.451-9.7092.08788.737-114.81-9.226-19.4181.044-0.313-142.72382.4253.72686.15142.455-27.815-0.449-28.264-26.5183.00-23.518底层-42.825-0.691-43.516-21.758-40.854.62-36.23-18.11453.7412.42955.85818.724-9.422-7.83928.99-28.99叠加可得到最终的梁端、柱端弯矩。
其次求各层梁的最大弯矩,由于各层梁的最大弯矩求法相同,故此处列举顶层梁AC做实例。
由力矩分配法已求得:第一个集中力处剪力同理在顶梁AC段,第二个集中荷载处,剪力变号,故此处弯矩最大。
同理可求得其它梁的最大弯矩及梁端剪力,列表如下:梁剪力表层号 4 3 2 1 AC跨69.98 117.48 114.67 115.3566.95 101.83 100.62 101.3019.35 38.39 37.18 37.86 16.45 23.45 23.77 24.45 -32.15 -39.99 -39.67 -38.99 -34.19 -55.64 -53.72 -53.04 -81.79 -119.08 -117.16 -116.48 -84.55 -133.30 -129.93 -129.25CD跨62.91 96.97 93.99 92.50 59.88 81.32 79.94 78.45 12.28 17.88 16.50 15.01 9.38 2.94 3.10 1.61 -38.22 -60.50 -60.34 -61.83 -41.26 -76.15 -74.39 -75.88(注:表中单位为kN)梁跨最大弯矩,柱轴力计算如下表:层号4 上146.14 220.49 117.42101.05 48.96 下154.23 228.57 125.503 上401.64 536.69 331.59137.85 65.51 下408.84 543.90 338.212 上647.40 843.20 537.07134.70 64.06 下654.60 850.40 544.271 上893.84 1147.53 744.036132.41 62.77 下907.62 1161.31 757.82柱的剪力可根据平衡方程求出。
框架柱最不利内力的概念
框架柱是指在建筑结构中起支撑和传递荷载作用的主要构件,也是建筑物内部的骨架。
这些柱子通常由混凝土、钢材或木材等材料制成,其设计和构造质量直接影响到建筑物的稳定性和安全性。
然而,框架柱也存在着一些不利因素,其中最不利的内力概念包括:
1. 弯矩:框架柱在遭受荷载时,会产生弯矩。
弯矩是指柱子上不同截面处的荷载引起的曲率差异,导致柱子发生弯曲。
弯矩的大小取决于柱子的几何形状、材料强度以及作用在柱子上的荷载。
过大的弯矩会导致柱子发生屈曲,从而影响整个建筑结构的稳定性。
2. 压力:框架柱在承受垂直荷载时会受到压力的作用。
过大的压力会使柱子变形,甚至发生压碎破坏。
因此,在设计和施工过程中,需要合理估计柱子的承压能力,并采取相应的加固措施来确保其不受过大的压力影响。
3. 剪力:框架柱在承受横向荷载时也会受到剪力的作用。
剪力是指柱子上不同截面处的荷载引起的切变应力差异,会导致柱子产生剪切变形。
过大的剪力会引起柱子的破坏,因此在设计和施工过程中需要考虑柱子的抗剪能力,并采取相应的措施来增强其抗剪性能。
除了上述内力概念,还有一些其他的不利因素也会影响框架柱的性能,例如地震力的作用、柱子与其他构件的连接方式等。
因此,在设计和施工过程中,需要综合考虑这些因素,确保框架柱的设计和施工符合相应的标准和规范,以确保建筑物的安全可靠性。
第六章 荷载组合及最不利内力确定6.1 基本组合公式6.1.1框架梁内力组合公式(1)梁端负弯矩组合: ①1.350.7 1.4GK QK M M +⨯②1.2 1.0 1.40.6 1.4GK QK WK M M M +⨯+⨯ ③1.20.7 1.4 1.0 1.4GK QK WK M M M +⨯+⨯ ④1.2 1.3GE EhK M M + (2)梁端正弯矩组合公式: ⑤1.0 1.0 1.4GK WK M M +⨯⑥1.0 1.3GE EhK M M +(3)梁跨中正弯矩组合公式: ⑦1.350.7 1.4GK QK M M +⨯⑧1.2 1.0 1.40.6 1.4GK QK WK M M M +⨯+⨯ ⑨1.20.7 1.4 1.0 1.4GK QK WK M M M +⨯+⨯ ⑩1.2 1.3GE EhK M M + (4)梁端剪力组合公式: 11) 1.350.7 1.4GK QK V V +⨯12) 1.2 1.0 1.40.6 1.4GK QK WK V V V +⨯+⨯ 13) 1.20.7 1.4 1.0 1.4GK QK WK V V V +⨯+⨯ 14) 1.2 1.3GE EhK V V +6.1.2框架柱内力组合公式(1)框架柱max M 组合公式: ①1.2 1.0 1.40.6 1.4GK QK WK M M M +⨯+⨯ ②1.20.7 1.4 1.0 1.4GK QK WK M M M +⨯+⨯ ③1.2 1.3GE EhK M M +(2)框架柱max N 组合公式: ④1.350.7 1.4GK QK N N +⨯⑤1.2 1.0 1.40.6 1.4GK QK WK N N N +⨯+⨯ ⑥1.20.7 1.4 1.0 1.4GK QK WK N N N +⨯+⨯ ⑦1.2 1.3GE EhK N N + (3)框架柱min N 组合公式: ⑧1.0 1.0 1.4GK WK N N +⨯⑨1.0 1.3GE EhK N N +6.2 梁的内力组合6.2.1梁端弯矩的调幅说明:考虑抗震需要,梁端应该先于柱端出现塑性绞,故对于竖向荷载下的梁端负弯矩进行调幅,调幅系数为0.8,并相应地增大跨中弯矩。
一、框架梁柱线刚度初估梁柱截面尺寸: ⑴、梁:493010104254103010604.2500250121,500250·1093.4780010373.1108.2,10373.165030012122300,2173273121(,650,65097512181(,7800mm I mm mm h b mmN l EI i C mm I I mmb mm ~ h ~b mm h mm mm ~l ~h mm l b ⨯=⨯⨯=⨯=⨯⨯=⨯⨯⨯==⨯=⨯⨯⨯=========次梁取级,混凝土用取)取)⑵、柱:混凝土用30C 级按层高确定截面尺寸:底层取mm H 71006504506000=++=,mmN i mmmm h b mm mm ~H ~b c ·10896.15400/100.3800121800800,355473201151(1144⨯=⨯⨯⨯=⨯=⨯==取)底层mm N i c ·10442.17100/100.38001211144⨯=⨯⨯⨯=取梁的线刚度值为基准值1,则柱为:846.3,底层柱为:925.2,见下图2:G 44444G G G 3333321G21212121H J K L H J K L H J K L H J K L HJKL1.03.8462.9251.03.8461.03.8461.03.8463.8463.8463.8461.03.8461.03.8461.01.03.8461.03.8461.03.8461.03.8461.01.01.01.01.02.9252.9252.9252.9253.8463.846二、荷载计算双向板板厚:mm h mm ~l ~h 100,785.97501401(===取) 1、恒荷载计算:(标准值)⑴、屋面恒载:屋10 3.44 KN/ m 2 100厚现浇混凝土屋面板 0.1×25=2.5 KN/ m 2 10厚水泥砂浆抹灰 0.01×20=0.2 KN/ m 2 合计: 6.14 KN/ m 2 ⑵、楼面恒载:楼10 0.7 KN/ m 2 结合层一道100厚现浇混凝土屋面板 0.1×25=2.5 KN/ m 210厚水泥砂浆抹灰 0.01×20=0.2 KN/ m 2 合计: 3.4 KN/ m 2 ⑶、梁自重:主梁mm mm h b 650300⨯=⨯主梁自重 25×0.3×(0.65-0.1)=4.125 KN/m 10厚水泥砂浆抹灰 0.01×(0.65-0.1+0.3) ×2×20=0.34KN/m合计: 4.465 KN/m 次梁自重 25×0.25×(0.5-0.1 )=2.5 KN/m 10厚水泥砂浆抹灰 0.01×(0.5-0.1+0.25)×2×20=0.26KN/m 合计: 2.76KN/m⑷、柱自重:mm mm h b 800800⨯=⨯柱自重 25×0.8×0.8=16KN/m 10厚水泥砂浆抹灰 0.01×0.8×4×20=0.64KN/m合计: 16.64KN/m⑸、外墙自重:粉煤灰轻渣空心砌块:自重取8.0 KN/ m3标准层 8×0.2×(5.4-0.65)=7.6KN/m 水刷石外墙面 5.4×0.5=2.7KN/m 水泥粉刷内墙面 (5.4-0.65)×0.36=1.71KN/m 合计: 12.01KN/m 底层 8×0.2×(7.1-0.65)=10.32KN/m 水刷石外墙面 6.0×0.5=3.0 KN/m 水泥粉刷内墙面 (6.0-0.65)×0.36=1.926 KN/m 合计: 15.246 KN/m ⑹、内墙自重:(同外墙)标准层 8×0.2×(5.4-0.65)=7.6 KN/m 水泥粉刷墙面 (5.4-0.65)×2×0.36=3.42 KN/m 合计: 11.02 KN/m 底层 8×0.2×(6-0.65)=8.56 KN/m图2. 梁、柱相对线刚度图水泥粉刷墙面 (6-0.65)×2×0.36=3.852 KN/m 合计: 12.412 KN/m 2、恒载作用下框架受力分析:板传到次梁以及次梁传到主梁的荷载按三角形和梯形进行传递,计算时折算为均布荷载。
77框架钢结构内力组合根据《建筑结构荷载规范》进行内力组合,考虑如下可能的组合方式: 1)可变荷载控制的组合:2) 永久荷载控制的组合:3)抗震组合:(选取最不利内力组合时考虑抗震调整系数0.75) 控制界面及最不利内力组合:对梁而言,控制界面在梁梁端和跨中,最不利内力组合为梁端最大正弯矩和最大负弯矩以及最大剪力,跨中的最大正弯矩。
柱为偏压构件,控制界面为柱的两端。
大偏压时弯矩越大越不利,小偏压时轴力越大越不利,考虑如下四种情况:(1) 及相应的N 、V ; (2) 及相应的M 、V ; (3) 及相应的M 、V ; (4)比较大或都较小。
梁内力组合如表6-1:由于本结构所选用的梁的尺寸都一样,故仅需验算受力较大的梁。
由以上的弯矩图可知本结构第一层的梁在各种荷载作用下受力最大,故仅需验算第一层的梁即可。
柱内力组合如表6-2:柱尺寸一层与二、三、四层尺寸不同,而三、四层柱与二层柱相比,二层受力大于三、四层柱,故仅需验算一层和二层柱即可。
梁截面内力恒载活载风载地震荷载A C 跨A端M-171.311-50.86810.462(-10.462)220.86(-220.86)-268.00(-285.57)-240.78(-270.07)-281.1238.27(-408.97) V115.3531.54-2.261(2.261)-48.243(48.243)180.70(184.48)166.21(172.49)186.6370.97(168.66)跨中M132.4138.560.738(-0.738)-12.357(12.357)213.50(212.26)197.71(195.65)216.54124.47(149.50) V-38.99-12.46-2.261(2.261)-48.243(48.243)-66.13(-62.33)-62.16(-55.83)-64.85-87.73(9.96)C端M-214.526-60.765-8.758(8.758)-189.207(189.207)-349.86(-335.15)-329.24(-304.72)-349.16-404.89(-21.75)7777(13.23 7) (283.3 3)V -75.88-19.54-3.794(3.794)-81.551(81.551)-121.60(-115.23)-104.89(-121.59)-121.59-156.60(8.54)(注:括号中的力为反方向的风荷载或地震荷载)表6-2.1 底层柱内力组合柱截面内力恒载活载风载地震荷载A 柱柱顶M86.15127.044-6.386(6.386)-108.18(108.18)135.88(146.61)120.94(132.65)142.81-15.77(195.18) N893.84203.48-5.591(5.591)-142.086(142.086)1352.78(1362.18)1264.19(1224.17)1406.09757.49(1034.56) V25.988.2-5.20(5.20)-106.6(106.6)38.29(47.02)31.93(45.60)43.11-76.86(131.01)777777底 4 (-19.371) (-423.60)(13.10) (-0.17) (394.25)N 757.82154.53-9.309(9.309)-236.421(236.421)1117.91(1133.55)1047.79(1031.99)1174.50521.07(982.09)V -10.98-3.30-5.60(5.60)-114.9(114.9)-22.5(-13.09)-24.25(-6.25)-18.06-123.39(100.66)(注:括号中的力为反方向的风荷载或地震荷载)柱截面内力恒载活载风载地震荷载A 柱柱顶M87.27727.386-5.865(5.865)-137.72(137.72)138.15(148.00)123.36(139.78)144.66-43.40(225.15) N647.40149.24-3.330(3.330)-93.843(93.843)983.02(988.61)918.47(927.80)1020.25558.32(741.31)777777(注:括号中的力为反方向的风荷载或地震荷载)77根据内力组合结果,选取结构最不利内力组合如下表:77。