卧式三相分离器工艺设计计算
- 格式:xls
- 大小:55.00 KB
- 文档页数:4
三相分离器工作原理、结构、工艺参数一、工作原理生产汇管来原油进入三相分离器,利用油、气、水密度的不同进行油、气、水三相初步分离。
1、预分离段从三相分离器进口来的油气由切向进入预分离器,利用离心力而不是机械的搅动来分离来液成为液体和气体,进行初步气、液两相旋流分离。
分离后的气体向上进入预分离器下伞和上伞,按折流方式先后与下伞、上伞壁碰撞,从而将气中带出的液体形成较大的液滴,重力使液滴进一步分离出来,经上、下伞碰撞分离后的气体则通过气连通管导入到三相生产分离器的分离沉降段上部。
分离后的液体通过预分离器向下导液管导入到三相分离器底部,经布液管从液面以下的水层向上喷出,进入到三相分离器预分离段进行油、水初步分离,主要分离出游离水。
布液管的作用:避免了气体对液体的扰动,保持了油水界面的稳定,有利于油水更好地分离。
2、分离沉降段经预分离段进行初步分离后的液体,沿水平方向向右移动进入分离沉降段。
这一段内有较大的沉降空间(分离沉降时间20分钟左右),其中部有两段聚结填料,有助于水中油滴和油中水滴的聚结,从而有促进油、水分离。
液体在水平移动过程中,密度较小的原油逐渐上浮,而密度较大的污水(主要是游离水)则向下沉入设备底部,同时使油气逐步分离开来。
气体则在分离沉降段上部空间内,沿水平方向向右运动进入到分气包,重力作用使气体中的液体沉降到三相分离器分离沉降段液面上。
3、集液段由于油、水密度的不同,使分离沉降段中的液体出现分层,水的密度较大在下层,油的密度较小在上层。
在下层的水则通过集液段底部的喇叭口,利用连通器原理向上溢流进入三相分离器水室,水室中的水通过出水口导出进入5000m3沉降罐。
在上层的油经集液段上部堰板溢流到导油汇管,进入到三相分离器的油室,油室中的油通过油出口导出进入热化学脱水器。
4、捕雾段气体经沉降分离段后进入到分气包,由于气体中仍夹有细小的液滴,在分气包中装有捕雾装置-丝网捕雾器,丝网捕雾器的丝网由圆形或扁形的耐腐蚀的金属丝编织而成,其脱除液沫工作原理是:夹带液沫的气体流经丝网时,与丝网相碰撞,液沫由于其表面张力,而在丝与丝的交叉接头处聚集。
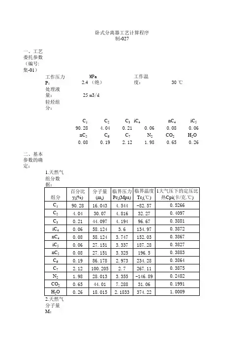
一、工艺委托参数(编号:集-01)工作压力P :2.4MPa(绝)工作温度:30℃处理液量:25m3/d 轻烃组分: C 1 C 2 C 3 iC 4 nC 4 iC 590.28 4.040.210.060.080.06nC 5 C 6 C 7 N 2 CO 2 H 2O0.080.192.121.980.650.26二、基本参数的确定:19.086083.天然气相对密度△g :0.6589594.临界压力Pc:4.572505Mpa5.临界温度T'c :-68.191℃ =204.809K6.对比压力Pr :Pr=P/Pc=0.5248767.对比温度Tr :Tr=T/T'c=1.479427卧式分离器工艺计算程序制-027M=∑y i m i =△g=M/28.964=Pc=∑Pc i y i =T'c=∑y i Tc i=8.压缩因子Z:Z=1+(0.34Tr-0.6)Pr=0.949099.1大气压下定压比热C0p:C0p i=∑y i Cp i=0.511623(卡/克.℃)C0p=C0p i M=9.764885(卡/克.℃)10.工程标准状态下气体密度ρgs:ρgs=1.205△g=0.794045kg/m311.分离条件下气体密度ρg:ρg=ρgs PT s/(P S TZ)=17.85911kg/m312.分离条件下气体动力粘度μg:x=2.57+0.2781△g+1063.6/T= 6.263487y=1.11+0.04x=1.360539c=2.415(7.77+0.1844△g)T1.5x10-4/(122.4+377.58△g+1.8T)=0.010966μg=cexp[x(ρg/1000)y]=0.011257mPa.s13.阿基米德准数Ar:Ar=d3(ρ1-ρg)gρg/μg2=1011.12414.油滴沉降状态处于过渡区,雷诺数Re:Re=0.153Ar0.714=21.3856215.液面高度与容器直径之比η:η=h/D=0.516.油滴匀速沉降速度ω0:ω0=μg Re/dρg=0.134803m/s17.容器长度与直径之比K1:3~518.分离器允许气体流速ωgh:ωgh=0.49(3~5)ω0/η=0.396321~0.660535m/s三、分离器外形尺寸的确定:1.处理液量Q1:25m3/d2.载荷波动系数β(1~2):13.集液面积与横截面积之比n2:n2=[(2η-1)(1-(2η-1)2)1/2+arcsin(2η-1)]/π+1/2=0.54.出油口高度与容器直径之比:0.15.出油口以下弓形面积与横截面积之比n1:0.0520446.油在分离器中的停留时间t:30min7.分离器直径D:D=[(Q1tβ)/(360πK1(n2-n1))]1/2=0.702467~0.544129m5.分离器实际外形尺寸:直径D= 1.2m长度L= 5.6m。
三相分离器现场工艺参数要求及故障原因判断浅析摘要:三相分离器是油田原油进行脱气、脱水、除砂的综合处理设备,该设备具有工艺简单、运行效率高、投资少、管理和维护方便的特点。
但随着投运时间的增长,常出现分离油或水不达标、假液位、阀门失灵或卡死等故障,影响生产的正常运行。
本文就现场常见故障进行解析,从而确保三相分离器的正常使用。
关键词:三相分离器;工艺参数;故障原因一、三相分离器结构及工作原理三相分离器按外形分立式分离器和卧式分离器两种,油田常用的为卧式三相分离器。
卧式三相分离器外部由油气水混合物进口、天然气出口、油出口及水出口四部分组成。
内部结构如图1-1所示。
图1-1 三相分离器内部结构示意图工作原理:油、气、水混合物进入一级捕雾器进行液、气分离,首先将大部分气体分离出来,通过气体导管进入二级捕雾器,与后期分离出的气体经气出口一起流出。
油水混合液(含少量气体)经布液板均匀进入分离区,再经整流器缓冲整流后进入沉降室沉降,依靠重力差完成油水分离。
水集中在底部,油集中在上部。
通过液位调节器控制油水界面,以达到所要求的油水分离效果。
分离后的油、水分别进入油室和水室经出油阀、出水阀自动排出。
二、三相分离器相关工艺参数1、适用范围:油气田原油脱水、脱气、除砂;原油密度小于930kg/m3。
2、运行关键因素:日常运行过程中,影响三相分离器运行效果的因素主要有加药浓度、加热温度、来液平稳度、油水界面高度以及系统气压。
3、工艺技术指标:工作温度≤60℃;进口原油含水率在8-99%之间;出口油含水率<0.5%;出口气中带液率≤0.05g/m3;出口水含油率≤150mg/L。
4、日处理能力计算:以HXS3.0×12.4-0.6Y型三相分离器为例,容积为87m3。
根据有效容积和滞留时间推算,在综合含水为50%时可处理量为50m3/h,日处理能力为1200m3/d。
三、常见故障分析与处理措施1、油水室液位过高原因分析:(1)系统工作压力过低(2)浮球阀卡死(3)来液过大(4)电动调节阀工作不正常。
4.1.2 三相分离器的设计计算三相分离器是UASB反应器的核心组成部分,三相分离器直接影响着UASB反应器的气、液、固的分离效果,也直接影响着后续构筑物的处理,对三相分离器进行合理的设计对于整个工艺有着重要的影响。
三相分离器的主要作用是将气体、液体、固体进行等三相加以分离,产生的沼气通过集气罩收集后排出反应器,并将处理水导入出水区,将固体颗粒导入反应区。
三相反应器由气体收集器和折流挡板组。
三相分离器的简图如图4—2所示。
图4—2三相分离器简图UASB升流式厌氧污泥床反应器污水处理工程设计规范(HJ2013—2012)有以下要求:①沉淀区表面负荷宜小于0.8 m3/( m2·h),沉淀区水深应大于1.0m;②进入沉淀区前,沉淀槽底缝隙中的流速≤2.0m/h;③沉淀器斜壁角度应在45°~60°之间;④出气管的直径应保证从集气室引出沼气;⑤三相分离器宜选用聚乙烯(HDPE)、碳钢、不锈钢等材料,如采用碳钢材质应进行防腐处理;在以上条件下,沉淀区的表面水力负荷为:q=Q/A1=9.17/(2×30)=0.153 m3/( m2·h)q<0.8 m3/( m2·h),符合设计要求。
由于UASB三相反应器的L=7.5m,宽B=4m;没个反应器中设置2个三相分离器,每个三相分离器的长度为:b=3.75m;上下三角形集气室斜面水平夹角为:θ=50°;UASB 反应器水面超高为:h1=0.5m ;上三角形顶深:h2=0.5m ;下三角形高度:h3=1.5m ;宽度为:d=4m ; 则下三角形集气室底部宽为:θtan 31h b =上式中:h1——为UASB 反应器超高;h2——为上三角顶深;h3——为下三角高度;b1——为下三角集气室底部宽度;则,b1=1.5/tan50°=1.26m相邻两个下三角之间的水平距离为:b2=b —2b1=3.75—2×1.26=1.23m则下三角回流缝的面积为:S1=b2·d=1.23×4=4.92m2下三角集气室之间污泥回流缝中混合液的上升流速计算公式为:111S Q V =式中:Q1——为反应器中废水的流量,m3/d;S1——为下三角回流缝的面积,m2。
设计参数(1)液体介质资料A.液体流量:53.00 m3/h ;B.油比重900.7 kg/m3;C.原油含水量:30.00 %D.原油发泡程度:有(有、无);E.原油动力粘度:0.75 Pa.s;F.水的动力粘度:4.5×10-4 Pa.s;G.水密度:1070.00 kg/m3H.气密度 3. 90 kg/m3I.气体流量4388.00 m3/hJ.气粘度 1.22×10-5Pa.SK.压缩因子Z 0.958L.是否有断塞流:无(有、无);M.设计处理余量50.00 %N 油相停留时间10.00 minO水相停留时间10.00 minP设计温度49.00 ℃Q操作温度38.00 ℃R设计压力3000.00 KPaS操作压力2000.00 KPaT最小长径比 2.50X最大长径比 5.00Y 控制粒径500.00 μm(2)气体介质资料A.气体处理量:4388.00 m3/h;B.标准状态下气体密度: 3. 90 kg/m3;C.操作条件下气体动力粘度: 1.22×10-5 Pa.s;(3)设计条件A.操作温度:38.00℃;B.设计温度49.00 ℃C.操作压力:2000.00 MPa;D.分离器型式:(立式、卧式、球形)卧式;E.分离器功能:(两相、三相)三相;F.分离后允许原油含水量:5~10 %(质量比);G.水中含油量: 1000 mg/L;H.缓冲时间:10.00 min;I.分离后气体带液量是否需要检测:不(需、不);J.分离器是否设有排液泵:设(设、不);K.控制仪表类型:气动(电动或气动)。
分离器工艺计算1分离器选型根据已知参数,此原油处理中固体杂质含量较少,位于陆路,占地面积因素要求较小,分离性能要求较高,存在乳状液,泡沫等因素,气液处理量较大,液量变化大,对缓冲性能要求高,气液比约20:1,设计分离温度49℃,鉴于以上因素,选择卧式三相分离器。
油量Qo 7.14
m3/min 水量Qw m3/min 气量Qg
0.5m3/min 选择水在分离器内停留时间tw
5min
选择油在分离器内停留时间to 1min
分离器长径比 b=L/D 3液体横截面占筒体截面的比例a
0.8分离器内液体占有体积V L =Qo×to+Qw×tw
7.14
m3
1.5590945m T/T长度 L
4.6772835
m
选取直径 D 1.6m 选取T/T长度 L 4.8m 气相有效长度Le=L-D 3.2m 液相有效长度Le=0.75L
2.4
m
三相分离器计算
第一步 初选分离器尺寸
1、给出油气水体积流量,单位m3/min 卧式罐通常为3~5,立式通常为3.5~5
3、选定分离器尺寸视气量决定,气量大可选0.5,气量小可选0.8通常相等
2、由VL=(πD 2/4)×a×bD=Qo×to+Qw×tw反推直径D
1.2、1.4、1.6、1.8、
2.0、2.2、2.4、2.6、2.8、
3.0、3.2、3.4、3.6、3.8、
4.0、),圆筒长度范围1.8-16.8m,增量0.8m(即1.8、2.6、3.4、4.2、
5.0、5.8、
6.6、
7.4、
8.2、
9.0、9.8、10.6、11.4、12.2、13.0、13.8、14.6、15.4、16.2、16.8)
3
4L V D a b π
⨯=∙∙
第二步 按各相所需面积选分离器尺寸。
卧式三相分离器⼯艺设计计算⼀、⼯艺委托参数:⼯作压⼒P'w:1.661Mpa ⼯作温度:18.5℃处理⽓量:352m 3/d原油密度:894.9kg/m 3油处理量:40m 3/d 停留时间:10min 含⽔率:10%⽔的密度:1013kg/m 3液体加热温度:℃⼊⼝:18.5 进⼝:18.5天然⽓组分:(Vi%) C 1C 2 C 3 iC 4 nC 4 iC 50.2850.1410.1580.0530.141 4.49 nC 5C 6 C 7 N 2 CO 2 H 2O 0.03440.07030.053000.065⼆、基本参数的确定:3.6603563.天然⽓相对密度△g:0.1263764.临界压⼒Pc:0.280427Mpa5.临界温度T'c:9.274789 ℃ =282.2748K 6.⼯作温度:t=18.5℃三相分离器⼯艺计算书M=∑y i m i =△g=M/28.964=Pc=∑Pc i y i =T'c=∑y i Tc i =Tw= t+273=291.5K7.⼯作压⼒Pw:P'w= 1.661MPaPw=P'w+0.1= 1.761Mpa(绝)8.对⽐压⼒Pr:Pr=Pw/Pc= 6.2797029.对⽐温度Tr:Tr=Tw/T'c= 1.03268210.压缩因⼦Z:(0≤Pr≤2;1.25≤Tr≤1.6)Z=1+(0.34Tr-0.6)Pr=-0.5629411.1⼤⽓压下定压⽐热C0p:C0p i=∑y i Cp i=0.021887(卡/克.℃)C0p=C0p i M=0.080113(卡/克.℃)12.标准状态下⼤⽓压Ps:Ps=0.1MPa13.标准状态下温度Ts:(To= 20℃或 0℃)To=0℃Ts=To+273=273K14.标准状态下空⽓密度ρa(Ts=20 ℃时取1.205;Ts=0 ℃时取1.293):ρa= 1.293kg/m315.标准状态下⽓体密度ρgs:ρgs=ρa△g=0.163404kg/m316.分离条件下⽓体密度ρg:ρg=ρgs PwT s/(P S TwZ)=-4.7872kg/m317.分离条件下⽓体动⼒粘度µg:x=2.57+0.2781△g+1063.6/Tw= 6.253859y=1.11+0.04x= 1.360154c=2.415(7.77+0.1844△g)Tw1.5x10-4/(122.4+377.58△g+1.8Tw)=0.01348112µg=cexp[x(ρg/1000)y]=#NUM!mPa.s 18.原油20℃时的密度ρ20:ρ20=894.9kg/m319.原油⼯作温度下的密度ρo:(0~50℃)§=1.828-0.00132ρ20=0.646732ρo=ρ20-§(t-20)=895.8701kg/m320.原油15℃时的密度ρ15:ρ15=ρ20-§(t-20)=898.1337kg/m321.阿基⽶德准数Ar:Ar=d3(ρo-ρg)gρg/µg2=#NUM!22.油滴沉降状态处于过渡区,雷诺数Re:Re=0.153Ar0.714=#NUM!23.液相截⾯⾼度与容器直径之⽐η:η=h/D=0.624.油滴匀速沉降速度ω0:ω0=µg Re/dρg=#NUM!m/s25.容器长度与直径之⽐L/D:3~526.分离器允许⽓体流速ωgh:ωgh=0.49(3~5)ω0/(1-η)=#NUM!~#NUM!m/s三、分离器外形尺⼨的确定:1.油处理量Qo:40m3/d2.原油含⽔率ηi:10%3.⽔的密度ρw:ρw=1013kg/m34.液体综合密度ρl:ρl=ρwηi+ρo(1-ηi)=907.5831kg/m35.液体处理量Q:Q=Q oρ20/(1000(1-ηi))=39.77333(t/d) /ρl=43.82335m3/d6.⽔处理量Qw:Q w=ηiQ=3.977333(t/d)/ ρw= 3.926292m3/d7.载荷波动系数β: 1.28.液相所占截⾯积与分离器横截⾯积之⽐n2:n2=[(2η-1)(1-(2η-1)2)1/2+arcsin(2η-1)]/π+1/2=0.626479.出油⼝⾼度与分离器直径之⽐η1:η1=0.110.出油⼝以下⼸形截⾯积与分离器横截⾯积之⽐n1:n1=[(2η1-1)(1-(2η1-1)2)1/2+arcsin(2η1-1)]/π+1/2=0.0520440111.液体在分离器中的停留时间t: t=10min12.分离器直径D:D=[(Qtβ)/(360π(L/D)(n2-n1))]1/3=0.646189~0.54501711m 13.分离器实际外形尺⼨:直径D= 1.4m长度L= 5.6m四、⽓体处理量核算:1.容器长度与直径之⽐K1:K1= L/D=42.分离器允许⽓体流速ωgh:ωgh= 0.49K1ω0/(1-η)=#NUM!3.分离器实际处理能⼒Q'gsQ'gs=67858D2(1-n2)ωghPwTs/(PsTwZ)=#NUM! >352m3/d 结论:满⾜要求五、⽹垫除雾器计算:1.⽓体处理量Qgs: Qgs=352m3/d2.分离条件下⽓体的实际处理量Q g:Q g=Q gs TwP s Z/(PwT s)=-12.015m3/d3.⽹垫除雾器的⽓体流速ωg:ωg=K[(ρo-ρg)/ρg]0.5=#NUM!m3/s4.⽹垫⾯积A:A=Q g/(86400ωg)=#NUM!m25.丝⽹单丝直径D0:0.00015m6.斯托克斯准数S t:S t=d2ρoωg/(18µg D0)=#NUM!7.单丝的捕集效率η:查图3-27η=0.788.捕雾效率E:0.989.⽹垫⽐表⾯积a:590m2/m310.除雾器⽹垫厚度H:H=-3πln(1-E)/(2aη)=0.040059m11.丝⽹除雾器直径 Ds:Ds=(4A/π)1/2=#NUM!m实际取值:Ds=m六、分离器进出⼝管确定:1.流动状态下⽓液混合体密度ρM:ρM=(ρ1Q+ρgQg)/(Q+Qg)=1252.214kg/m3 =78.1730091lb/ft32.常数C(⽆固体杂质为100,含有沙⼦为50~75):503.进⼝管流体冲刷腐蚀速度V e:Ve=C/ρm1/2= 1.72368m/s4.出⽓管⽓体流速V2: V2=15m/s5.出油⼝液体流速Vo Vo=1m/s6.出⽔⼝液体流速V w Vw=1m/s7.进⼝管直径确定d1:d1=103[4Qg/(πVe)]1/2=#NUM!mm8.出⽓管直径确定d2:d2=103[4Qg/(πV2)]1/2=#NUM!mm9.出油⼝直径确定do:do=103[4Qo/(πVo)]1/2=24.27885mm10.出⽔⼝直径确定d w:dw=103[4Qw/(πVw)]1/2=7.60658mm进⼝管径实际取值: DN=mm出⽓管径实际取值: DN=mm出液管径实际取值: DN=mm七、安全阀的计算:1.安全阀的安全泄放量W s:W s=Q gρg/24= 2.396596kg/h2.分离器设计压⼒P: P=0.4MPa3.安全阀出⼝侧压⼒(绝)P0:P0=0.1Mpa4.安全阀开启压⼒P z:Pz=P=0.4Mpa5.安全阀排放压⼒(绝)P d:Pd=1.1P+0.1=0.54Mpa6.⽓体绝热系数k:C pi0=∑y i C pi=0.021887C p0=C pi0M=0.080113查图2-27△C p=0.07C p=C p0+△C p=0.150113查图2-29C p-C v=2C v=C p-5=-1.84989k=C p/C v =-0.081157.临界条件:P0/P d=0.185185<(2/(k+1))k/(k-1)=1.06011458 条件判别:属于:临界状态8.⽓体特性系数C:C=520[k(2/(k+1))(k+1)/(k-1)]1/2=#NUM!9.安全阀额定泄放系数K:K=0.6510.安全阀排放⾯积A:A=W S/(7.6x10-2CKP d(M/ZTw)1/2=#NUM!mm211.安全阀数量 N:1个12.安全阀喉径d0:d0=(4A/(N*π))1/2=#NUM!mm结论:安全阀选⽤ A44Y-16C 公称直径 DN100 数量:1个⼋、热负荷确定:1.原油⼊⼝温度:18.5℃2.原油出⼝温度:18.5℃3.被加热原油质量流量W o:W o=ρoQo=1493.117kg/h4.被加热原油含⽔率η1:η1=30%5.被加热⽔的质量流量Ww:W W=W oη1/(1-η1)=639.9072kg/h6.原油⽐热C O(按出⼝温度t2计算):Co=(1.687+3.39x10-3t2)/[4.1868(ρ15)1/2]=0.440976kcal/kg*℃7.⽔的⽐热C w: C w=1kcal/kg*℃8.加热所需的热负荷QR:Q R=(C W W w+C o W o)(t2-t1)=0kcal/h=0kw实际取值: Q R=kw。
分离器计算根据《油气集输设计规范》P29卧式重力分离器直径D 按照下式进行计算0423310350.0Pw K K TZq K D v -⨯=式中: q v —标准参比条件下气体流量,m 3/h (P 0=0.101325MPa T 0=293K 条件下);2K —气体空间占有的面积分率,2K 取0.53K —气体空间占有的高度分率,3K 取0.54K —分离器长径比,K 4=L/D ;P ≤1.8MPa 时:K 4=3.0;1.8<P ≤3.5MPa 时:K 4=4.0;P >3.5MPa 时:K 4=5.0Z —气体压缩系数(压缩因子);T —操作温度,K ;P —操作压力(绝压),MPa ;D —分离器内径,m ;W 0—液滴沉降速度,(m/s );液滴直径68010m L d -=⨯;重力加速度2/8.9s m g = 4 4.0K =在操作条件下,由HYSYS 软件得知,压缩因子Z=0.9140气体的密度327.51/g kg m ρ=液体的密度3846.7/L kg m ρ=气体粘度51.22110Pa g μ-=⨯⋅标况下(P=101.325KPa,T=293K ),气体流量43q 1.33910/v m h =⨯处理装置考虑120%的弹性范围,气体流量43q 1.606810/v m h =⨯ 根据《油气集输设计规范》SY/T0010-96 第29页6.2.6-1式()f gd wg g L L ρρρ340-=0w -液滴在分离器中的沉降速度,m/s;L d -液滴直径,取60⨯10-6 ~100⨯10-6 mL ρ-液体的密度,3/kg mg ρ-气体在操作条件下的密度,3/kg mf-阻力系数,用下式计算阻力系数()()()()()63222549.88010846.727.5127.514Re 1011.297633 1.22110L L g gg gd f ρρρμ--⨯⨯⨯⨯-⨯-⋅===⨯⨯式中: Re —流体相对运动的雷诺数;μg —气体在操作条件下的粘度,Pa ·S得出2(Re )f 再查油气集输设计规范附录B 可得f 值,即 2.49f = ()()-660449.88010846.727.510.11183327.51 2.2L L g g gd w f ρρρ--⨯⨯⨯⨯-===⨯⨯m/s 分离器直径4-333v 2400.5 1.339103030.91400.350100.350100.50000.54 3.50.1296K q TZ D m K K Pw -⨯⨯⨯⨯=⨯=⨯⨯=⨯⨯⨯分离器长 40.50004 2.000L D K m =⨯=⨯=。
一、工艺委托参数:工作压力P'w: 1.661Mpa 工作温度:18.5℃处理气量:352m3/d 原油密度:894.9kg/m3油处理量:40m3/d 停留时间:10min含水率:10%水的密度:1013kg/m3液体加热温度:℃ 入口:18.5 进口:18.5天然气组分:(Vi%)C1 C2 C3 iC4 nC4 iC50.2850.1410.1580.0530.141 4.49nC5 C6 C7 N2 CO2 H2O0.03440.07030.053000.065二、基本参数的确定:1.天然气组分数三相分离器工艺计算书分子量M:3.6603563.天然气相对密度△g:0.1263764.临界压力Pc:0.280427Mpa 5.临界温度T'c:9.274789 ℃=282.2748K6.工作温度:t=18.5℃Tw= t+273=291.5K7.工作压力Pw:P'w= 1.661MPaPw=P'w+0.1= 1.761Mpa(绝)8.对比压力Pr:Pr=Pw/Pc= 6.2797029.对比温度Tr:Tr=Tw/T'c= 1.03268210.压缩因子Z:(0≤Pr≤2;1.25≤Tr≤1.6)Z=1+(0.34Tr-0.6)Pr=-0.5629411.1大气压下定压比热C0p:C0p i=∑y i Cp i=0.021887(卡/克.℃)M=∑y i m i=△g=M/28.964= Pc=∑Pc i y i= T'c=∑y i Tc i=C0p=C0p i M=0.080113(卡/克.℃)12.标准状态下大气压Ps:Ps=0.1MPa 13.标准状态下温度Ts:(To=20℃ 或0℃)To=0℃Ts=To+273=273K 14.标准状态下空气密度ρa(Ts=20℃时取1.205;Ts=0 ℃时取1.293):ρa= 1.293kg/m3 15.标准状态下气体密度ρgs:ρgs=ρa△g=0.163404kg/m3 16.分离条件下气体密度ρg:ρg=ρgsPwT s/(PSTwZ)=-4.7872kg/m3 17.分离条件下气体动力粘度μg:x=2.57+0.2781△+1063.6/gTw= 6.253859y=1.11+0.04x= 1.360154c=2.415(7.77+0.1844△)Tw1.5x1g0-4/(122.4+377.58△+1.8Tw)g=0.01348112μ=cexp[x(gρ/1000)y]g=#NUM!mPa.s18.原油20℃时的密度ρ:20ρ20=894.9kg/m319.原油工作温度下的密度ρo:(0~50℃) §=1.828-0.646732ρo=ρ20-§(t-20)=895.8701kg/m320.原油15℃时的密度ρ:15ρ15=ρ-§(t-2020)=898.1337kg/m321.阿基米德准数Ar:Ar=d3(ρ-ρg)gρo/μg2=#NUM!g22.油滴沉降状态处于过渡区,雷诺数Re:Re=0.153Ar0.714=#NUM!23.液相截面高度与容器直径之比η:η=h/D=0.624.油滴匀速沉降速度ω0:ω0=μRe/dρg=#NUM!m/sg25.容器长度与直径之比L/D:3~526.分离器允许气体流速ω:ghω=0.49(3gh~5)ω/(1-η)=#NUM!~#NUM!m/s三、分离器外形尺寸的确定:1.油处理量Qo:40m3/d2.原油含水率ηi:10%3.水的密度ρw: ρw=1013kg/m34.液体综合密度ρl:ρl=ρwηi+ρo(1-ηi)=907.5831kg/m35.液体处理量Q:Q=Q oρ20/(1000(1-ηi))=39.77333(t/d) /ρl=43.82335m3/d 6.水处理量Qw:Q w=ηiQ= 3.977333(t/d)/ρw= 3.926292m3/d 7.载荷波动系数β: 1.28.液相所占截面积与分离器横截面积之比n2:n2=[(2η-1)(1-(2η-1)2)1/2+arcsin(2η-1)]/π+1/2=0.626479.出油口高度与分离器直径之比η1:η1=0.110.出油口以下弓形截面积与分离器横截面积之比n1:n1=[(2η1-1)(1-(2η1-1)2)1/2+arcsin(2η1-1)]/π+1/2=0.05204401 11.液体在分离器中的停留时间t:t=10min12.分离器直径D:D=[(Qtβ)/(360π(L/D)(n2-n1))]1/3=0.646189~0.54501711m 13.分离器实际外形尺寸:直径D= 1.4m长度L= 5.6m四、气体处理量核算:1.容器长度与直径之比K1:K1= L/D=42.分离器允许气体流速ωgh:ωgh=0.49K1ω0/(1-η)=#NUM!3.分离器实际处理能力Q'gsQ'gs=67858D2(1-n2)ωghPwTs/(PsTwZ)=#NUM! >352m3/d结论:满足要求五、网垫除雾器计算:1.气体处理量Qgs: Qgs=352m3/d2.分离条件下气体的实际处理量Q g:Q g=Q gs TwPsZ/(PwT s)=-12.015m3/d3.网垫除雾器的气体流速ωg:ω=K[(ρo-gρg)/ρ]0.5=#NUM!m3/sg4.网垫面积A:A=Q g/(86400ωg)=#NUM!m25.丝网单丝直径D0:0.00015m6.斯托克斯准数S t:S t=d2ρoωg/(18μg D0)=#NUM!7.单丝的捕集效率η:查图3-27η=0.788.捕雾效率E:0.989.网垫比表面积a:590m2/m310.除雾器网垫厚度H:H=-3πln(1-E)/(2aη)=0.040059m11.丝网除雾器直径 Ds:Ds=(4A/π)1/2=#NUM!m实际取值:Ds=m六、分离器进出口管确定:1.流动状态下气液混合体密度ρM:ρ=(ρ1Q+MρgQg)/(Q+Qg)=1252.214kg/m3 =78.1730091lb/ft3 2.常数C(无固体杂质为100,含有沙子为50~75):503.进口管流体冲刷腐蚀速度V e:Ve=C/ρ1/2= 1.72368m/sm4.出气管气体流速V2:V2=15m/s5.出油口液体流速Vo Vo=1m/s6.出水口液体流速Vw=1m/s7.进口管直径确定d1:d1=103[4Qg/(πVe)]1/2=#NUM!mm8.出气管直径确定d2:d2=103[4Qg/(πV2)]1/2=#NUM!mm直径确定do:do=103[4Qo/(πVo)]1/2=24.27885mm10.出水口直径确定d w:dw=103[4Qw/(πVw)]1/2=7.60658mm进口管径实际取值:DN=mm出气管径实际取值:DN=mm出液管径实际取值:DN=mm 七、安全阀的计算:1.安全阀的安全泄放量W s:W s=Q gρ/24= 2.396596kg/hg2.分离器设计压力P:P=0.4MPa3.安全阀出口侧压力(绝)P0:P0=0.1Mpa开启压力P z:Pz=P=0.4Mpa 5.安全阀排放压力(绝)P d:Pd=1.1P+0.1=0.54Mpa6.气体绝热系数k:C pi0=∑y i C pi=0.021887C p0=C pi0M=0.080113查图2-27△C p=0.07C p=C p0+△C p=0.150113查图2-29C p-C v=2C v=C p-5=-1.84989k=C p/C v =-0.081157.临界条件:P0/P d=0.185185<(2/(k+1))k/(k-1)=1.06011458条件判别: 属于:临界状态8.气体特性系数C:C=520[k(2/(k+1))(k+1)/(k-1)]1/2=#NUM!9.安全阀额定泄放系数K:K=0.6510.安全阀排放面积A:A=W S/(7.6x10-2CKPd(M/ZTw)1/2=#NUM!mm2阀数量N:N=1个12.安全阀喉径d0:d0=(4A/(N*π))1/2=#NUM!mm结论:安全阀选用 A44Y-16C 公称直径DN100 数量:1个八、热负荷确定:1.原油入口温度:t1=18.5℃2.原油出口温度:t2=18.5℃3.被加热原油质量流量W o:W o=ρoQo=1493.117kg/h4.被加热原油含水率η1:η1=30%5.被加热水的质量流量Ww:W W=W oη1/(1-η1)=639.9072kg/h6.原油比热C O(按出口温度t2计算):Co=(1.687+3.39x10-3t2)/[4.1868(ρ15)1/2]=0.440976kcal/kg*℃7.水的比热C w: C w=1kcal/kg*℃8.加热所需的热负荷QR:Q R=(C W W w+C o W o)(t2-t1)=0kcal/h=0kw实际取值: Q R=kw。
三相分离器工作原理结构工艺设计参数一、工作原理:三相分离器的工作原理基于液体的不同密度。
具体来说,当混合液体经过分离器后,由于密度的差异,沉降速度不同的各相会自发地分离。
在三相分离器中,通常会分为上部清液相、中间重液相和下部轻液相三个部分。
其中,上部清液相是最轻的,中间重液相的密度适中,而下部轻液相是最重的。
三相分离器会通过不同的结构和设计参数来促进液相的分离。
二、结构设计:1.进料管:将混合液体引入分离器。
2.表面波纹板:用于增加表面积,增强沉降效果。
它会使液体在分离器内形成由上至下的流动和沉降路径。
3.溢流管:用于收集最轻的上部清液相,并排出分离器。
4.下排液管:用于排出最重的下部轻液相。
三、工艺设计参数:1.载体管道尺寸:用于控制液体通过分离器的流速和液位高度,需根据工作要求和液体性质确定。
2.表面波纹板形式:可选择平板、U型板、V型板等形式,根据实际工况选择合适的波纹板形式。
3.表面波纹板的倾角:倾角越大,波纹板上的液体层厚度越大,分离效果越好,但也会增加液体的持留时间,需根据具体要求进行调整。
4.斜板长度:斜板长度越长,分离效果越好,但也会导致设备占地面积增加,需根据实际情况进行设计。
5.出口设计:要保证各相的顺利排出,避免相互干扰。
6.液位控制:采用自动控制系统,可根据液位高度调整溢流管和下排液管的开启程度,从而控制三相液体的分离效果。
总之,三相分离器通过利用液体的不同密度,采用适当的结构和工艺设计参数,实现混合液体中的不同相的分离。
在实际运行中,需根据具体工况和要求,选取合适的设备结构和参数,以实现高效、稳定的物料分离过程。
分离器工艺计算范文分离器是化工生产过程中常用的设备,用于将混合物中的不同组分分离出来。
分离器的工艺计算主要包括流量计算、压力计算、温度计算以及物料平衡计算等。
一、流量计算在分离器中,液相和气相的流量是需要计算的重要参数。
根据实际情况,可以使用不同的流量计算方法,如质量流量和体积流量。
1.质量流量计算质量流量是单位时间内通过分离器的物料总质量。
可以根据物料的密度和流量速度计算得出。
质量流量(kg/s)=流量速度(m/s)×密度(kg/m³)×流道截面积(m²)2.体积流量计算体积流量是单位时间内通过分离器的物料体积。
体积流量(m³/s)=流量速度(m/s)×流道截面积(m²)二、压力计算在分离过程中,液相和气相的压力是需要计算和控制的重要参数。
1.气相体积与压缩因子的计算气相压力计算需要考虑气相体积与压缩因子的关系,一般使用理想气体状态方程来计算。
PV=ZnRT其中,P为气相压力,V为气相体积,Z为压缩因子,n为物质的摩尔数,R为气体常数,T为温度。
根据实际情况,可以通过测量或根据物质的物性数据来确定压缩因子。
2.液相压力计算液相压力一般通过液位高度来计算,可以使用水柱压力计算公式。
P=ρgh其中,P为液相压力,ρ为液相密度,g为重力加速度,h为液位高度。
三、温度计算温度是分离过程中需要精确控制的参数之一,在分离器中,根据系统的要求和物料的性质来进行合理的温度计算。
1.热量计算根据质量平衡和能量平衡,可以计算出分离器进出口物料的热量。
Q=mCΔT其中,Q为热量,m为物料质量,C为物料的比热容,ΔT为温度差。
2.热平衡计算在分离过程中,通常需要对系统进行热平衡计算,以确定合适的温度控制策略。
热平衡计算通常包括热量输入和热量输出的计算。
四、物料平衡计算物料平衡计算是分离器工艺计算中的核心内容之一,通过对分离器进出口物料的质量或体积进行平衡计算,判断分离效果。
卧式三相计量分离器水堰板(管)的设计计算卧式三相计量分离器水堰板(管)的设计计算大庆油田设计院工程师潘兆柏理论和实践都证明,当油田进入高含水时期,采用三相计量分离器对单口油井进行计量是十分有效的.但要想获得理想的分离效果,就必须控制好分离器酊压力和界面,,本文简单介绍了用水堰板(管)间接控制卧式三相计量分离器油水界面的原理及其设计计算方法.一,工作原理图1是一种间接控制分离器内油水界面的卧式三相计量分离器.分离器内设有油槽和水堰板,油槽的上游一侧可看成是油堰板.进入分离器内的油气水混合物经分离沉降段分离后,油从油堰板上溢流入油槽,油槽中的油液位由液面控制机构控制,并操纵排油阀排放油液j水从油槽下面流过井经水堰板上溢流入水堰板下游,水位也由液面控制器控制,并操纵排术阀门排水.这种分离器不需用界面控制仪直接控制油水界面,而是通过对水位的控制河接控制了油水界面.分离器进行排油,排水时,对其工作状态干扰很小.从图i可以看出,分离器的油堰高度决定了沉降段的澈位,而影响油水界面位置的因素有两个t油水的密度和水糟内水位的高度.当油水密度确定后,不屙高度的浊,水堰板,可控制不同高度的油水界面,即"油垫层"的厚度.三相分离器的关键是使水堰板的高度尽量低于油堰板的高度,使"油垫层"达到适当的厚度,以维持足够的停留时间.但是,如果水堰板太低,且密度差没有预想的那么大,那么"油垫层的厚度将增加到某一点,使油从油槽下面或从排水口排出.人口气体控制阔油慌量计图i固定水堰扳控制油水界面的三相分离器柚广0—气f承流量计固2可调水堰管控制油水幂面的三相分离器牡油田地面工程(OsE)第9毒第2辩(ts~o.4)●●●'●图1所示的分离器中,水堰板时高度是固定的,当油的密度确定后,油水界面的高度就确定了.但在分离器的应用中,希望能够根据油井的不同生产时期或油井产液的含东变化,油水界面的高度可以进行调整所以,将高度固定的水堰板设计成为高度可调整的水堰管.图2所示为高度可调的水堰管控制油水界面的三相计量分离器. 二,水堰板(管)的计算1.固定水麟鹩jl鹰在确定卧式三相计量分离器的尺寸计算中,依据液体的处理量和停留时间以及一定尺寸的水滴从油中沉降出来的约束条件可以计算出"油垫层的厚度,再以油垫层厚度为约束条件,可以计黜分离器的直径(有关分离器尺寸计算本文不做叙述).知道了分离器的直径和油垫层的厚度,确定了油气界面后即可计算出水堰板莳高度.参照图3可以推导出固定水堰板高度的计算公式.固3三相分离器油槽,水堰结构示意固以图3中A点为分离器的底,以A点的压力建立辱式.p.+lp=_ip则=一.鲁水堰板与油堰板的高度差为△,则t△茑(.+1)一.2△h=h一)(1)(2)式中t一"油垫层"的厚度,即油气界面至油水界面的高度I一油界面自犏度,h:——水堰扳的高度,△h——水堰板与油堰板的高度差,p.——纯油密度,一纯水密度.由公式(2)得到了水堰与油堰的高度差后,即可根据油堰高度确定出水堰板的高度.在卧式分离器的设计中,油堰高度一般在分离器直径的6G~75之问变化,最常用的高度是直径的50o2."afN木曩■的一蔓jl度参看图4,假定分离器沉降段充满了原油,可确定出水槽I的最低水位.这时油水界面将在容器下部内壁处,但没有油进入水槽,由此可建立等式:~'…一~警【0s第誉第期(19go??警R:2【.=R:p式中::一~分离器沉降段充满原油时,水R:——分离器沉降段内油液位高度jp——纯油的相对密度.当最低水位确定之后,则在最低水位的基础上,每增加~个增量△,,可求得油水界面高度的增量△h:..仍然以分离器三相分离器油榜,可调水堰管结构示意图(4)=+等由式(3)知,R::;.一h=0则h~,t---堕I-P(s)显然,不同密度的原油,水位高度的变化,所引起的油水界面的高度变化量是不同的.使用(5)式可p.k得出表1.油水界膏的变化量裹1原油的相对密度o.60o.66o70o.75o.80o.85o.9o釜25293.34.o5o6.710这样,知道了最低水位,也知道了油水界面的高度变化置,就可根据原油的密度计算出可调水堰管的调节范围.通常,水槽内水位的可调极限为,当分离器沉降段内全部是原油时,水堰管内不能流出油;而当沉降段内全部是水时,油槽内不能进水.例t个内径200cm的卧式三相计量分离器,其油堰高为lOOcm,原油的相对密度为0.05,试确定不同水位时油水界面的高度.用式(3)确定最低水位:ii=:p=100x0.85=85(cm)由表1知,相对密度为0.85的原油,当水位高度改变lcm时,抽水界面的高度将改变6.7cmo在最低水位为85cm~,油水界面的高度为0,水位从8Scm起每增高lcm,油水界面的高度将升高6.7cms这样可列出表2.(下转S顿)5Ij由田地面工程(0sE)第9卷第0期(1g$o.4)●●动,运转,停位等参数均可在屏幕上显示.4,采用了检查方便,更换容易的密封结构,便于维修和更换密封环.并设有检查内漏的装置,便于检测和监视阀的运转情况(检测对位精度,查清内漏原因,检查密封环的密封性能).5密封环的预紧力采用碟形弹簧,并用方法兰连接来油管线,使阀体体积为最小.? 6电动执行器采用了高效率的谐波减速器和光一电控制电路,整体为内包,防爆型.结构紧凑,故障极少,传动力矩犬且系列化,外型美观,体积小..7,设有电路自动保护装置.当电路发生过载,断相,短路等不正常情况时,可起到保护电器设备的作用,提高了八通阀运行的可靠性o8,阀体可通过各种材质前清蜡球,能用于原油不加热集输流程.三,结语经过室内磨损试验,密封性能试验以及经过三年的现场运行试验(阀总扭矩螅溯试,密封环密封效果与寿命谊验,选井点就地手控选井对位试验和用微机遥控自动选井试验等)表明,Pg16Dg80新型电动八通阀运行可靠,对位准确,密封性很好,完全可设在计量站用于井口自动化计量,以提高油井管理的自动化水平.(收稿日期1989年明27日)(上接S4页)油水界面高度随水位高度的壅化裹2永槽术拉高度(cm)『858688l90929496l.8Ilo0油水界面高度(cIn)l0J6.720l33.3l6.760l8B_7loo由表2可看出,当水位高达到lOOcm,与油堰高度相同时,油垫层厚度为0,沉降段将充满水,若再提高水槽内的水位,水将进入油槽.因此,水堰管的可调高度是从85cm到lOOcm,其范围为15cm.实际设计中,可调高度的上限应低于lOOcm,而下限应高于85cm,以避免水堰管入口进油.固定水堰板和可调水堰管控制油水界面的方法,回样可以应用于立式三相计置分离器.(收藕日期l9e9年n月28日)●靳曲田地面工程(osE)第9眷第2期(1090.4)。
卧式重力式分离器的设计(1)气体在卧式分离器中的允许速度。
在卧式分离器中,气流主流方向和液滴沉降方向互相垂直,要使气流中的液滴在气体通过分离器的过程中能沉降下来的必要条件是:液滴沉降至集液部分液面所需的时间应小于液滴随气流流过重力沉降部分所需的时间,即:或(2—24)式中He——重力沉降有效长度,m,即入口分流器至气体出口的水平距离,一般为分离器圆筒部分长度的0.6 ~ 0.8倍;vg——气体在工作状态下的流速,m/s;h——液滴沉降高度,m,对卧式分离器一般h为直径的1/2;Wo——直径为100μm液滴沉降速度,m/s。
对卧式分离器气体的允许速度vg为:(2—25)(2)分离器处理能力计算。
考虑卧式分离器内最高液位占直径的一半,得:(2—26)(2—27)考虑分离器载荷波动系数,同时将操作条件下的气量Q(m3/s)用工程标准状态表示,式(2—26)可表示为:(2—28)式中vg——允许气体流速,m/s;β——载荷波动系数,取1.5 ~ 2。
其余的符号同式(2—15)。
(3)液体停留时间。
a.分离器液体通过量:(2—29)式中QL——分离器液体通过量,m3/min;G——分离器液体通过量,t/d;ρL——液体密度,t/m3。
b.液体在分离器中的停留时间。
一般卧式分离器的最高液面控制在直径的1/2处。
(2—30)式中t——液体在分离器中的停留时间表,min;其余符号同上。
(4)分离器其它尺寸的确定(图2—18)。
a.长径比。
卧式分离器圆筒部分的长度与直径之比一般取3 ~ 5。
即:L / D = 3 ~ 5(2—31)b.入口分离段L1:由入口听形式确定,但不(2—30)小于1m。
c.沉降分离段L2:按结构要求定,但不小于2D。
d.除雾分离段L3:由除雾器结构、布置定。
其支承板至液面的距离不应小于D/2。
丝网捕雾器顶面至气体出口管中心线的距离不应小于0.4m。
液体储存段:由液体在分离器内停留时间确定,停留时间不应少于,通常。
联合站设计计算书1 主要设备的选取1。
1 三相分离器的选取与计算预选规格30009000φ⨯卧式三相分离器。
分离器内操作压力0.9MP a,温度29℃。
校核计算(1) 由液体处理量确定其台数该规格分离器圆筒部分长度为9m ,有效长度取其0.8倍,即le=9×0。
8=7.2m。
设气液界面控制在中心处,且0w A A =,由于D=3m ,则有:220 3.53342w D A A m π===⨯单台分离器原油处理量为:1440o V Q tβ= 式中 o Q —-原油处理量, 3/m d ;V ——分离器集液部分体积,m3;其计算为33.5337.225.434o e V A L m ==⨯=;β——载波系数,取为1。
5;t ——原油停留时间,参照《油气集输》取20m in 。
则有3144025.4341220.832/1.520o Q m d ⨯==⨯ 所需三相分离器台数为:02962.77 2.431220.832Q n Q === 取n=3台实际停留时间为:144020.0min V t Q β== 分离器不设备用,当一台检修时,原油在三相分离器中的停留时间为:01440144025.43430.0min /1.5 1.51220.832/1.5V t Q β⨯===⨯ 根据《油气集输设计技术手册》可知,三相分离器中原油停留时间一般在5—30min 内,故所选用的30009000φ⨯卧式三相分离器满足设计要求。
(2) 校核气体处理量I 计算天然气的压缩因子由《油气集输》知在0.51(0.7808)≤∆≤∆=时,其临界压力和温度为:g 4.8920.405c p =-∆4.8920.4050.78084.61MPa =-⨯=g 94.72170.75c T =+∆94.72170.750.7808228.04k=+⨯= 由《油气集输》知,视对比压力和温度分别为:1.00.224.58r c p P p === 302 1.32228.04r c T T T === 式中,02r p ≤≤,1.25 1.6r T ≤≤,所以由《油气集输》的Gopal 计算式可得天然气的压缩因子:(0.52220.8511)0.0364 1.0490r r r Z P T T =--+0.22(0.5222 1.220.8511)0.0364 1.32 1.0490=⨯⨯--⨯+0.9654=I I 气体允许流速计算公式选自《油气集输》g W = (3—10)式中 k ——系数,按《油气集输》选取k =0。
一、工艺委托参数:工作压力P'w:1.661Mpa 工作温度:18.5℃处理气量:352m 3/d原油密度:894.9kg/m 3油处理量:40m 3/d 停留时间:10min 含水率:10%水的密度:1013kg/m 3液体加热温度:℃ 入口:18.5 进口:18.5天然气组分:(Vi%) C 1C 2 C 3 iC 4 nC 4 iC 50.2850.1410.1580.0530.141 4.49 nC 5C 6 C 7 N 2 CO 2 H 2O 0.03440.07030.053000.065二、基本参数的确定:3.6603563.天然气相对密度△g:0.1263764.临界压力Pc:0.280427Mpa5.临界温度T'c:9.274789 ℃ =282.2748K 6.工作温度:t=18.5℃三相分离器工艺计算书M=∑y i m i =△g=M/28.964=Pc=∑Pc i y i =T'c=∑y i Tc i =Tw= t+273=291.5K7.工作压力Pw:P'w= 1.661MPaPw=P'w+0.1= 1.761Mpa(绝)8.对比压力Pr:Pr=Pw/Pc= 6.2797029.对比温度Tr:Tr=Tw/T'c= 1.03268210.压缩因子Z:(0≤Pr≤2;1.25≤Tr≤1.6)Z=1+(0.34Tr-0.6)Pr=-0.5629411.1大气压下定压比热C0p:C0p i=∑y i Cp i=0.021887(卡/克.℃)C0p=C0p i M=0.080113(卡/克.℃)12.标准状态下大气压Ps:Ps=0.1MPa13.标准状态下温度Ts:(To= 20℃ 或 0℃)To=0℃Ts=To+273=273K14.标准状态下空气密度ρa(Ts=20 ℃时取1.205;Ts=0 ℃时取1.293):ρa= 1.293kg/m315.标准状态下气体密度ρgs:ρgs=ρa△g=0.163404kg/m316.分离条件下气体密度ρg:ρg=ρgs PwT s/(P S TwZ)=-4.7872kg/m317.分离条件下气体动力粘度μg:x=2.57+0.2781△g+1063.6/Tw= 6.253859y=1.11+0.04x= 1.360154c=2.415(7.77+0.1844△g)Tw1.5x10-4/(122.4+377.58△g+1.8Tw)=0.01348112μg=cexp[x(ρg/1000)y]=#NUM!mPa.s18.原油20℃时的密度ρ20:ρ20=894.9kg/m319.原油工作温度下的密度ρo:(0~50℃)§=1.828-0.00132ρ20=0.646732ρo=ρ20-§(t-20)=895.8701kg/m320.原油15℃时的密度ρ15:ρ15=ρ20-§(t-20)=898.1337kg/m321.阿基米德准数Ar:Ar=d3(ρo-ρg)gρg/μg2=#NUM!22.油滴沉降状态处于过渡区,雷诺数Re:Re=0.153Ar0.714=#NUM!23.液相截面高度与容器直径之比η:η=h/D=0.624.油滴匀速沉降速度ω0:ω0=μg Re/dρg=#NUM!m/s25.容器长度与直径之比L/D:3~526.分离器允许气体流速ωgh:ωgh=0.49(3~5)ω0/(1-η)=#NUM!~#NUM!m/s三、分离器外形尺寸的确定:1.油处理量Qo:40m3/d2.原油含水率ηi:10%3.水的密度ρw:ρw=1013kg/m34.液体综合密度ρl:ρl=ρwηi+ρo(1-ηi)=907.5831kg/m35.液体处理量Q:Q=Q oρ20/(1000(1-ηi))=39.77333(t/d) /ρl=43.82335m3/d6.水处理量Qw:Q w=ηiQ=3.977333(t/d)/ ρw= 3.926292m3/d7.载荷波动系数β: 1.28.液相所占截面积与分离器横截面积之比n2:n2=[(2η-1)(1-(2η-1)2)1/2+arcsin(2η-1)]/π+1/2=0.626479.出油口高度与分离器直径之比η1:η1=0.110.出油口以下弓形截面积与分离器横截面积之比n1:n1=[(2η1-1)(1-(2η1-1)2)1/2+arcsin(2η1-1)]/π+1/2=0.0520440111.液体在分离器中的停留时间t: t=10min12.分离器直径D:D=[(Qtβ)/(360π(L/D)(n2-n1))]1/3=0.646189~0.54501711m13.分离器实际外形尺寸:直径D= 1.4m长度L= 5.6m四、气体处理量核算:1.容器长度与直径之比K1:K1= L/D=42.分离器允许气体流速ωgh:ωgh= 0.49K1ω0/(1-η)=#NUM!3.分离器实际处理能力Q'gsQ'gs=67858D2(1-n2)ωghPwTs/(PsTwZ)=#NUM! >352m3/d结论:满足要求五、网垫除雾器计算:1.气体处理量Qgs: Qgs=352m3/d2.分离条件下气体的实际处理量Q g:Q g=Q gs TwP s Z/(PwT s)=-12.015m3/d3.网垫除雾器的气体流速ωg:ωg=K[(ρo-ρg)/ρg]0.5=#NUM!m3/s4.网垫面积A:A=Q g/(86400ωg)=#NUM!m25.丝网单丝直径D0:0.00015m6.斯托克斯准数S t:S t=d2ρoωg/(18μg D0)=#NUM!7.单丝的捕集效率η:查图3-27η=0.788.捕雾效率E:0.989.网垫比表面积a:590m2/m310.除雾器网垫厚度H:H=-3πln(1-E)/(2aη)=0.040059m11.丝网除雾器直径 Ds:Ds=(4A/π)1/2=#NUM!m实际取值:Ds=m六、分离器进出口管确定:1.流动状态下气液混合体密度ρM:ρM=(ρ1Q+ρgQg)/(Q+Qg)=1252.214kg/m3 =78.1730091lb/ft32.常数C(无固体杂质为100,含有沙子为50~75):503.进口管流体冲刷腐蚀速度V e:Ve=C/ρm1/2= 1.72368m/s4.出气管气体流速V2: V2=15m/s5.出油口液体流速Vo Vo=1m/s6.出水口液体流速V w Vw=1m/s7.进口管直径确定d1:d1=103[4Qg/(πVe)]1/2=#NUM!mm8.出气管直径确定d2:d2=103[4Qg/(πV2)]1/2=#NUM!mm9.出油口直径确定do:do=103[4Qo/(πVo)]1/2=24.27885mm10.出水口直径确定d w:dw=103[4Qw/(πVw)]1/2=7.60658mm进口管径实际取值: DN=mm出气管径实际取值: DN=mm出液管径实际取值: DN=mm七、安全阀的计算:1.安全阀的安全泄放量W s:W s=Q gρg/24= 2.396596kg/h2.分离器设计压力P: P=0.4MPa3.安全阀出口侧压力(绝)P0:P0=0.1Mpa4.安全阀开启压力P z:Pz=P=0.4Mpa5.安全阀排放压力(绝)P d:Pd=1.1P+0.1=0.54Mpa6.气体绝热系数k:C pi0=∑y i C pi=0.021887C p0=C pi0M=0.080113查图2-27△C p=0.07C p=C p0+△C p=0.150113查图2-29C p-C v=2C v=C p-5=-1.84989k=C p/C v =-0.081157.临界条件:P0/P d=0.185185<(2/(k+1))k/(k-1)=1.06011458 条件判别: 属于:临界状态8.气体特性系数C:C=520[k(2/(k+1))(k+1)/(k-1)]1/2=#NUM!9.安全阀额定泄放系数K:K=0.6510.安全阀排放面积A:A=W S/(7.6x10-2CKP d(M/ZTw)1/2=#NUM!mm211.安全阀数量 N:1个12.安全阀喉径d0:d0=(4A/(N*π))1/2=#NUM!mm结论:安全阀选用 A44Y-16C 公称直径 DN100 数 量:1个八、热负荷确定:1.原油入口温度:18.5℃2.原油出口温度:18.5℃3.被加热原油质量流量W o:W o=ρoQo=1493.117kg/h4.被加热原油含水率η1:η1=30%5.被加热水的质量流量Ww:W W=W oη1/(1-η1)=639.9072kg/h6.原油比热C O(按出口温度t2计算):Co=(1.687+3.39x10-3t2)/[4.1868(ρ15)1/2]=0.440976kcal/kg*℃7.水的比热C w: C w=1kcal/kg*℃8.加热所需的热负荷QR:Q R=(C W W w+C o W o)(t2-t1)=0kcal/h=0kw实际取值: Q R=kw。