例六 双作用气缸连续往复运动控制
- 格式:doc
- 大小:1.43 MB
- 文档页数:26
工业机器人PLC控制实例练习例一控制传送带一个由电气启动的传送带,在传送带的起点有两个按钮开关:用于START的S1和STOP的S2。
在传送带的尾部也有两个按钮开关:用于START的S3和STOP的S4。
可以从任何一端起动或停止传送带。
另外,当传送带上的物件到达末端时,传感器S5使传送带停机。
(一)PLC接线符号地址绝对地址类据类型说明S1 I0.0 BOOL 起点启动按钮S2 I0.1 BOOL 起点停机按钮S3 I0.2 BOOL 尾部启动按钮S4 I0.3 BOOL 尾部停机按钮S5 I0.4 BOOL 末端传感器MOTOR_ON Q0.0 BOOL 电机(三)梯形图程序思考题:如下的程序有什么不足之处?应如何改正?符号地址绝对地址类据类型说明S1 I0.0 BOOL 起点启动按钮S2 I0.1 BOOL 起点停机按钮S3 I0.2 BOOL 尾部启动按钮S4 I0.3 BOOL 尾部停机按钮S5 I0.4 BOOL 末端传感器MOTOR_ON Q0.0 BOOL 电机例二优先程序优先程序执行时,能在多个输入信号中仅接收最先一个输入信号作出反映,其后的输入信号不接收。
此原则常用于抢答器中。
例三灯泡控制程序一盏灯泡由一个按钮来控制,已知第一次按下按钮,灯泡亮,第二次按下按钮,灯光灭。
(一)PLC接线图(二)定义符号地址符号地址绝对地址类据类型说明S0 I0.0 BOOL 按钮L0 Q0.0 BOOL 灯泡M0 M0.0 BOOL 标标位(二)梯形图程序例四双作用气缸连续往复运动控制按启动按钮双作用气缸连续往复运动,按停止按钮,停止运动。
(一)气控回路(二)PLC接线(三)定义符号地址符号地址绝对地址类据类型说明S0 I0.0 BOOL 启动按钮S1 I0.1 BOOL 停止按钮1S1 I0.2 BOOL 位置传感器1S2 I0.3 BOOL 位置传感器1Y1 Q0.0 BOOL 换向阀电磁线圈1Y2 Q0.1 BOOL 换向阀电磁线圈M0 M0.0 BOOL 启动线圈(四)梯形图程序练习:编制双控灯控制程序,要求开关K1或K2任意一个开关的开和关的操作均可以控制灯L的亮和灭。
神威气动 文档标题:双作用气缸工作原理一、双作用气缸工作原理的介绍:引导活塞在缸内进行直线往复运动的圆筒形金属机件。
空气在发动机气缸中通过膨胀将热能转化为机械能;气体在压缩机气缸中接受活塞压缩而提高压力。
涡轮机、旋转活塞式发动机等的壳体通常也称“气缸”。
气缸的应用领域:印刷(张力控制)、半导体(点焊机、芯片研磨)、自动化控制、机器人等等。
二、气缸种类:①单作用气缸:仅一端有活塞杆,从活塞一侧供气聚能产生气压,气压推动活塞产生推力伸出,靠弹簧或自重返回。
②双作用气缸:从活塞两侧交替供气,在一个或两个方向输出力。
③膜片式气缸:用膜片代替活塞,只在一个方向输出力,用弹簧复位。
它的密封性能好,但行程短。
④冲击气缸:这是一种新型元件。
它把压缩气体的压力能转换为活塞高速(10~20米/秒)运动的动能,借以做功。
⑤无杆气缸:没有活塞杆的气缸的总称。
有磁性气缸,缆索气缸两大类。
做往复摆动的气缸称摆动气缸,由叶片将内腔分隔为二,向两腔交替供气,输出轴做摆动运动,摆动角小于280°。
此外,还有回转气缸、气液阻尼缸和步进气缸等。
三、气缸结构:气缸是由缸筒、端盖、活塞、活塞杆和密封件等组成,其内部结构如图所示:2:端盖端盖上设有进排气通口,有的还在端盖内设有缓冲机构。
杆侧端盖上设有密封圈和防尘圈,以防止从活塞杆处向外漏气和防止外部灰尘混入缸内。
杆侧端盖上设有导向套,以提高气缸的导向精度,承受活塞杆上少量的横向负载,减小活塞杆伸出时的下弯量,延长气缸使用寿命。
导向套通常使用烧结含油合金、前倾铜铸件。
端盖过去常用可锻铸铁,为减轻重量并防锈,常使用铝合金压铸,微型缸有使用黄铜材料的。
3:活塞活塞是气缸中的受压力零件。
为防止活塞左右两腔相互窜气,设有活塞密封圈。
活塞上的耐磨环可提高气缸的导向性,减少活塞密封圈的磨耗,减少摩擦阻力。
耐磨环长使用聚氨酯、聚四氟乙烯、夹布合成树脂等材料。
活塞的宽度由密封圈尺寸和必要的滑动部分长度来决定。
双作用气缸速度控制双作用气缸是工业领域中常见的一种执行元件,它具有多种应用场景。
而双作用气缸的速度控制则是实现气缸动作精确控制的关键。
本文将就双作用气缸速度控制的原理、方法和应用进行详细介绍。
一、双作用气缸速度控制的原理双作用气缸的速度控制是通过控制气源进出口的流量来实现的。
当气源流入气缸时,气缸的活塞运动受到气源的推动力,从而实现工作。
而当气源流出气缸时,活塞受到负载力的作用,从而实现回程。
因此,通过控制气源流入和流出的流量,可以实现气缸的速度控制。
1. 阀门控制法:通过调节进气和出气阀门的开度来控制气源的流量,从而控制气缸的速度。
这种方法简单易行,但是对于较大的气缸和复杂的工作环境,需要较为精确的控制时,阀门控制法的精度和效果就有限了。
2. 节流控制法:通过在气缸进气或出气口设置节流阀来控制气源的流量,从而控制气缸的速度。
节流阀的开度可以通过手动或自动控制,可以实现较为精确的速度控制。
但是,节流控制法在实际应用中需要根据具体情况不断调试和优化,以确保气缸的速度控制稳定可靠。
3. 气源压力控制法:通过控制气源的压力来实现气缸的速度控制。
当气源压力较高时,气缸的速度较快;当气源压力较低时,气缸的速度较慢。
这种方法的优点是简单易行,但是对于较大的气缸和复杂的工作环境,需要较为精确的控制时,气源压力控制法的精度和效果也有限。
三、双作用气缸速度控制的应用双作用气缸速度控制广泛应用于各个工业领域,特别是需要精确控制的自动化生产线上。
以下是几个常见的应用场景:1. 机械加工:在机床上,双作用气缸的速度控制可以实现工件的定位、夹紧和放置等动作,从而实现高效自动化的加工过程。
2. 输送系统:在物流行业中,双作用气缸的速度控制可以实现货物的输送、分拣和堆垛等动作,从而提高物流效率和准确性。
3. 汽车制造:在汽车生产线上,双作用气缸的速度控制可以实现车身焊接、装配和喷漆等工序,从而实现高效率和高质量的汽车生产。
4. 包装行业:在包装生产线上,双作用气缸的速度控制可以实现产品的装箱、封箱和标签贴附等动作,从而提高包装效率和质量。
液压传动与气动技术课程教案-双作用气缸自动往返运动一、教学目标1. 理解液压传动与气动技术的基本概念。
2. 掌握双作用气缸的工作原理及其自动往返运动的特点。
3. 学会使用双作用气缸进行自动化控制。
二、教学内容1. 液压传动与气动技术概述液压传动的定义及其优点气动技术的定义及其优点2. 双作用气缸的结构与工作原理双作用气缸的结构组成双作用气缸的工作原理及其自动往返运动3. 双作用气缸的自动往返运动控制控制原理及方法控制元件的选择与使用4. 实例分析:双作用气缸在工业自动化中的应用实例一:双作用气缸在机械手中的应用实例二:双作用气缸在物料搬运中的应用5. 练习与思考分析双作用气缸自动往返运动控制系统的组成设计一个简单的双作用气缸自动往返运动控制系统三、教学方法1. 讲授法:讲解液压传动与气动技术的基本概念、原理和方法。
2. 演示法:展示双作用气缸自动往返运动的工作原理和应用实例。
3. 实践操作法:引导学生动手搭建双作用气缸自动往返运动控制系统,并进行实际操作。
4. 讨论法:组织学生针对实例进行分析讨论,提高学生解决问题的能力。
四、教学准备1. 教学课件:液压传动与气动技术的基本概念、原理和方法。
2. 实物模型:双作用气缸及其自动往返运动控制系统。
3. 实验设备:双作用气缸自动往返运动控制实验装置。
4. 参考资料:相关教材、论文和案例。
五、教学过程1. 导入:简要介绍液压传动与气动技术的基本概念,引发学生兴趣。
2. 讲解:详细讲解液压传动与气动技术的原理和方法,重点讲解双作用气缸的结构、工作原理及其自动往返运动。
3. 演示:展示双作用气缸自动往返运动的实物模型,让学生直观地了解其工作原理。
4. 实践:引导学生动手搭建双作用气缸自动往返运动控制系统,并进行实际操作。
5. 讨论:组织学生针对实例进行分析讨论,引导学生运用所学知识解决实际问题。
6. 总结:对本节课的主要内容进行总结,强调重点和难点。
7. 作业:布置练习题,巩固所学知识。
叙述双作用气缸的工作原理
双作用气缸是一种具有特殊作用的气缸,它可以实现推动和拉动的双重功能。
它可以通过检查和控制电磁阀的排放和进入的流体,来控制气缸的位置和方向,从而达到拉动和推动的效果。
双作用气缸的工作原理是:当电磁阀放出流体时,气缸就会向一个方向移动,当电磁阀放出另一侧的流体时,气缸就会向相反的方向移动。
气缸的位置和方向可以通过控制流体进出气缸的电磁阀来控制。
双作用气缸可以用来控制各种机械设备的运动,它们可以实现推动和拉动的双重功能,并根据需要控制设备的往复运动,从而使设备可以更有效地完成操作。
液压传动与气动技术课程教案-双作用气缸自动往返运动一、教学目标1. 让学生了解双作用气缸的结构和工作原理。
2. 使学生掌握双作用气缸的自动往返运动实现方法。
3. 培养学生分析问题和解决问题的能力。
二、教学内容1. 双作用气缸的结构和工作原理。
2. 双作用气缸自动往返运动的实现方法。
3. 实际应用案例分析。
三、教学方法1. 采用讲授法,讲解双作用气缸的结构、工作原理和自动往返运动实现方法。
2. 利用示教设备进行现场演示,让学生更直观地理解双作用气缸的工作过程。
3. 开展小组讨论,分析实际应用案例,提高学生的实际操作能力。
四、教学步骤1. 引入话题:介绍液压传动与气动技术在工业生产中的应用,引导学生关注双作用气缸。
2. 讲解双作用气缸的结构:讲解气缸的组成部分,如气缸体、活塞、密封件等。
3. 讲解双作用气缸的工作原理:讲解气缸在压缩空气作用下的工作过程,包括吸气、压缩、排气等阶段。
4. 讲解双作用气缸自动往返运动实现方法:介绍采用控制气源压力、改变气缸内部结构等方法实现自动往返运动。
5. 分析实际应用案例:以实际生产中的双作用气缸应用为例,分析其工作原理和优点。
五、教学评价1. 课堂问答:检查学生对双作用气缸结构、工作原理和自动往返运动实现方法的理解。
2. 小组讨论:评估学生在实际应用案例分析中的表现,培养学生的动手能力和团队协作精神。
3. 课后作业:布置相关题目,巩固学生对双作用气缸知识的学习。
六、教学活动1. 示范操作:教师演示双作用气缸的自动往返运动,让学生观察并记录关键步骤。
2. 学生实操:学生在教师的指导下,分组进行双作用气缸的自动往返运动操作,亲身体验并理解其工作原理。
3. 问题解决:学生分组讨论在操作过程中遇到的问题,教师提供指导,共同寻找解决方案。
七、课程作业1. 设计任务:学生分组设计一个简单的双作用气缸自动往返运动系统,包括气缸选择、控制逻辑等。
3. 演示准备:学生准备PPT或实物演示,用于课堂展示和讨论。
双作用气缸的工作原理气缸的工作过程可以分为四个阶段:进气压力阶段、工作推力阶段、排气阶段和复位阶段。
1.进气压力阶段:在正向工作室内,气源通过进气口进入缸筒。
进气压力通过进气口和阀门调节,进入缸筒时推动活塞向反向工作室移动。
这个阶段是通过调节进气压力来控制气缸工作的重要阶段。
2.工作推力阶段:当活塞到达缸筒末端时,进气口关闭,此时进气压力在缸筒内形成高压气体。
该高压气体推动活塞从缸筒的一个末端移动到另一个末端。
由于活塞杆与活塞连接,所以活塞杆也会随之移动,完成工作任务。
这个阶段是气缸产生工作推力的阶段。
3.排气阶段:当活塞到达反向工作室末端时,排气口打开,压缩气体通过排气口排出,同时活塞开始移动回到缸筒初始位置。
在排气阶段,通过排气口的设置可以调节排气速度和控制气缸的工作速度。
4.复位阶段:当活塞回到缸筒初始位置时,进气口重新打开,气体重新进入缸筒。
这个阶段为下一次工作循环做好准备。
1.工作推力大且稳定:在气源供给的情况下,双作用气缸能够产生较大的推力,推力稳定且输出力矩高。
2.工作反应快速:双作用气缸可以迅速响应控制信号,并立即产生工作推力,工作时间短。
3.构造简单:双作用气缸的结构相对简单,易于制造和维修,成本较低。
4.使用灵活多样:双作用气缸可以与各种气动元件相结合,实现各种复杂的功能。
1.生产设备中:双作用气缸广泛应用于冲压机、注塑机、压力机、包装机等各类生产设备中,用于进行压力、注塑、包装等工艺操作。
2.机械制造中:双作用气缸在机械制造中被广泛应用于车床、铣床、磨床等机床中,用于定位、夹紧、升降等工作。
3.自动化装置中:双作用气缸在自动化装置中常常被用来实现物料输送、工件夹持、产品分拣、机械臂操作等工作。
总之,双作用气缸通过进气压力的控制和活塞的运动来产生工作推力,实现各种工作任务。
它具有工作推力大、工作反应快速、构造简单和使用灵活等特点,广泛运用于各个领域,成为现代工业中不可或缺的气动执行器。
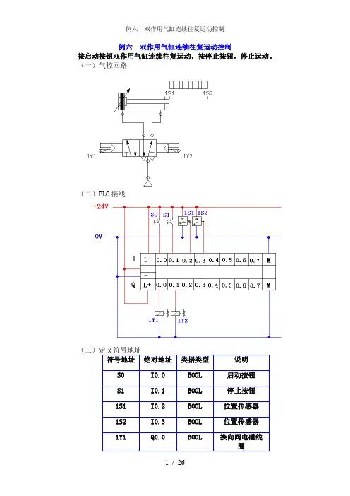
例六双作用气缸连续往复运动控制按启动按钮双作用气缸连续往复运动,按停止按钮,停止运动。
(一)气控回路(二)PLC接线符号地址绝对地址类据类型说明S0 I0.0 BOOL 启动按钮S1 I0.1 BOOL 停止按钮1S1 I0.2 BOOL 位置传感器1S2 I0.3 BOOL 位置传感器1Y1 Q0.0 BOOL 换向阀电磁线圈1Y2 Q0.1 BOOL 换向阀电磁线圈M0 M0.0 BOOL 启动线圈(四)梯形图程序练习:编制电动机点动和连续运转控制程序。
输入端控制触点控制功能输出端执行器件实现功能I0.0 停止按钮(常开) 停止Q0.0 KM1 控制电动机电源I0.1 点动按钮(常开) 点动Q0.1 保护指示灯当保护动作时闪亮I0.2 连续运转按钮(常开)连续运转启动I0.3 热继电器触点(常闭) 过载保护动作使得电机停止参考程序:(一)定义符号地址(二)LAD程序练习:编制双控灯控制程序,要求开关K1或K2任意一个开关的开和关的操作均可以控制灯L的亮和灭。
完成后可再编制三控灯。
参考程序程序1:4. RS触发器S R Q0 0 -0 1 01 0 11 1 0R S Q0 0 -0 1 11 0 01 1 1在逻辑串中,影响右边的逻辑操作结果。
例一控制传送带一个由电气启动的传送带,在传送带的起点有两个按钮开关:用于START的S1和STOP的S2。
在传送带的尾部也有两个按钮开关:用于START的S3和STOP的S4。
可以从任何一端起动或停止传送带。
另外,当传送带上的物件到达末端时,传感器S5使传送带停机。
(一)PLC接线(二)定义符号地址符号地址绝对地址类据类型说明S1 I0.0 BOOL 起点启动按钮S2 I0.1 BOOL 起点停机按钮S3 I0.2 BOOL 尾部启动按钮S4 I0.3 BOOL 尾部停机按钮S5 I0.4 BOOL 末端传感器MOTOR_ON Q0.0 BOOL 电机(一)梯形图程序思考题:如下的程序有什么不足之处?应如何改正?例二双缸顺序动作控制程序设计程序,使两个气缸顺序动作,其顺序为:A1B1B0A0。
双作用气缸双作用气缸是一种常见的液压控制元件,它能够根据外部信号控制活塞的运动,实现工作机构的连续往复运动。
下面我将介绍双作用气缸的工作原理、结构以及应用。
首先是双作用气缸的工作原理。
双作用气缸由气缸筒、活塞、活塞杆、密封件以及进、出口管路组成。
当液压油从进口口进入气缸筒时,压力将作用在活塞的某一侧。
同时,另一侧的液压油被排出,使其中空腔与外界相通。
当液压油从出口口进入气缸筒时,压力将作用在活塞的另一侧。
同时,另一侧的液压油被排出。
通过控制进、出口口的开关来控制液压油的进出,从而控制活塞的正、反向运动。
接下来是双作用气缸的结构。
双作用气缸通常由两个气缸端盖、两个密封件、一个活塞杆和一个活塞组成。
气缸筒一般由钢材制成,耐压性能较好。
活塞通常由钢材制成,使得气缸具有较好的耐磨性能。
同时,活塞杆的材料应具有一定的韧性和耐压性,以承受工作过程中的大扭矩和弯曲力。
密封件通常由氟橡胶或硅胶制成,以保证气缸内的液压油不会泄漏。
最后是双作用气缸的应用。
双作用气缸广泛应用于机械、冶金、建筑、化工等领域。
在机械领域,双作用气缸常用于工件夹紧、切削、压力和定位等工艺中。
在冶金领域,双作用气缸可用于冲击设备、千斤顶和压力机等各种设备中。
在建筑领域,双作用气缸可用于千斤顶、液压缸和油缸等设备中。
在化工领域,双作用气缸可用于液压泵站、液压系统和液压控制阀等设备中。
总结来说,双作用气缸是一种常见的液压控制元件,它通过控制进、出口口的开关来控制活塞的运动,实现工作机构的连续往复运动。
双作用气缸结构简单、可靠性高,广泛应用于机械、冶金、建筑、化工等领域。
神威气动 文档标题:双作用气缸原理图一、双作用气缸原理图的介绍:引导活塞在缸内进行直线往复运动的圆筒形金属机件。
空气在发动机气缸中通过膨胀将热能转化为机械能;气体在压缩机气缸中接受活塞压缩而提高压力。
涡轮机、旋转活塞式发动机等的壳体通常也称“气缸”。
气缸的应用领域:印刷(张力控制)、半导体(点焊机、芯片研磨)、自动化控制、机器人等等。
二、气缸种类:①单作用气缸:仅一端有活塞杆,从活塞一侧供气聚能产生气压,气压推动活塞产生推力伸出,靠弹簧或自重返回。
②双作用气缸:从活塞两侧交替供气,在一个或两个方向输出力。
③膜片式气缸:用膜片代替活塞,只在一个方向输出力,用弹簧复位。
它的密封性能好,但行程短。
④冲击气缸:这是一种新型元件。
它把压缩气体的压力能转换为活塞高速(10~20米/秒)运动的动能,借以做功。
⑤无杆气缸:没有活塞杆的气缸的总称。
有磁性气缸,缆索气缸两大类。
做往复摆动的气缸称摆动气缸,由叶片将内腔分隔为二,向两腔交替供气,输出轴做摆动运动,摆动角小于280°。
此外,还有回转气缸、气液阻尼缸和步进气缸等。
三、气缸结构:气缸是由缸筒、端盖、活塞、活塞杆和密封件等组成,其内部结构如图所示:2:端盖端盖上设有进排气通口,有的还在端盖内设有缓冲机构。
杆侧端盖上设有密封圈和防尘圈,以防止从活塞杆处向外漏气和防止外部灰尘混入缸内。
杆侧端盖上设有导向套,以提高气缸的导向精度,承受活塞杆上少量的横向负载,减小活塞杆伸出时的下弯量,延长气缸使用寿命。
导向套通常使用烧结含油合金、前倾铜铸件。
端盖过去常用可锻铸铁,为减轻重量并防锈,常使用铝合金压铸,微型缸有使用黄铜材料的。
3:活塞活塞是气缸中的受压力零件。
为防止活塞左右两腔相互窜气,设有活塞密封圈。
活塞上的耐磨环可提高气缸的导向性,减少活塞密封圈的磨耗,减少摩擦阻力。
耐磨环长使用聚氨酯、聚四氟乙烯、夹布合成树脂等材料。
活塞的宽度由密封圈尺寸和必要的滑动部分长度来决定。
项目8 双作用气缸自动往返运动控制(传感器控制)
磁电式接近开关:
当该开关接近磁场时,开关触点闭合,气缸活塞上附有永久磁环,可用于驱动磁电式接近开关内部舌簧管工人作。
注:该磁电式接近开关必须串联一负载同时使用,切勿直接加电源。
一、项目要求:
1、画出气动的和电气的线路图
2、组成气动的和电气的回路并运行
3、检查运行过程 二、操作说明:
1、按下一个按钮开关,气缸活塞杆往返运动。
2、按下另一个开关则停止运行。
三、气动回路图:
四、气动设备元件表:
标号 元件名称 1.0 双作用气缸 1.1
双电控2位5通阀
五、电气控制回路图:
咨讯
首先给学生讲解传感器的原理及如何使用。
明确任务要求,让学生自己理解,设计气动回路图。
然后再动手实践,分析自己设计的电气控制回路图是否正确。
1B11B2
42
5
1
3
1Y1
1Y2
1.0
1.1
K2K3
K1S1+24V
1B21B1。
例六双作用气缸连续往复运动控制
按启动按钮双作用气缸连续往复运动,按停止按钮,停止运动。
(一)气控回路
(二)PLC接线
练习:编制电动机点动和连续运转控制程序。
(一)定义符号地址
练习:编制双控灯控制程序,要求开关K1或K2任意一个开关的开和关的操作均可以控制灯L的亮和灭。
完成后可再编制三控灯。
参考程序
程序1:
4. RS触发器
在
逻
辑串中,影响右边的逻辑操作结果。
例一控制传送带
一个由电气启动的传送带,在传送带的起点有两个按钮开关:用于START的S1和STOP的S2。
在传送带的尾部也有两个按钮开关:用于START的S3和STOP的S4。
可以从任何一端起动或停止传送带。
另外,当传送带上的物件到达末端时,传感器S5使传送带停机。
(一)PLC接线
思考题:
如下的程序有什么不足之处?应如何改正?
例二双缸顺序动作控制程序
设计程序,使两个气缸顺序动作,其顺序为:A1B1B0A0。
(一)气控回路
(二)位移-步骤图
1 2 3 4 5=1
1
A
1
B
(三)I型障碍信号分析
(四)PLC接线
(五)定义符号地址
(六)梯形图程序
RLO上升沿检测指令识别RLO从0至1(上升沿)的信号变化,并且在操
作之后以RLO=1表示这一变化。
用边沿存储位比较RLO的现在的信号状态与该地址上周期的信号状态,如果操作之前地址的信号状态是0,并且现在RLO=1,那么操作之后,RLO将为1(脉冲),所有其它的情况为0。
在该操作之前,RLO存储于地址中。
RLO下降沿检测指令识别RLO从1至0(下降沿)的信号变化,并且在操作之后以RLO=1表示这一变化。
用边沿存储位比较RLO的现在的信号状态与该地址上周期的信号状态,如果操作之前地址的信号状态是1,并且现在RLO=0,那么操作之后,RLO将为1(脉冲),所有其它的情况为0。
在该操作之前,RLO存储于地址中。
如果RLO在相邻的两个扫描周期中相同(全为1或0),那么FP或FN语句把RLO位清0。
6.地址上升沿、下降沿检测指令
地址上升沿检测指令将<位地址1>的信号状态与存储在<位地址2>中的先前信号状态检查时的信号状态比较。
如果有从0至1的变化的话,输出Q 为1,否则为0。
地址下降沿检测指令将<位地址1>的信号状态与存储在<位地址2>中的先前信号状态检查时的信号状态比较。
如果有从1至0的变化的话,输出Q 为1,否则为0。
在梯形图中,地址跳变沿检测方块和RS触发器方块可被看作一个特殊常开触点。
该常开触点的特性:若方块的Q为1,触点闭合;若Q为0,则触点断开。
7.对RLO的直接操作指令
例一检测传送带的方向
装备有两个光电传感器(PEB1和PEB2)的传送带,该设计能够检测传送带上物件的运动方向,并通过左右两端的指示灯(LEFT灯和RIGHT灯)显示。
(一)PLC接线
(二)定义符号地址
(三)梯形图程序
例三传送带定位控制
一电动机带动一个传送带运动,要求移动传送带向前或向后到达某一确
定的位置,其结构示意图如下,为了正确定位该传送带,有时需要按下
向后(REV)或向前(FWD)按钮进行手动调整。
梯形图程序:
一旦有按钮按下,立即驱动输出,电动机运转一个扫描周期。
这也意味
着按钮时间长短与电动机驱动的时间没有关系。
练习:第一次按按钮指示灯亮,第二次按按钮指示灯闪亮,第三次按下按钮指示灯灭,如此循环,试编写其PLC控制的LAD程序。
4.2.2 定时器指令
定时器可以提供等待时间或监控时间,定时器还可产生一定宽度的脉冲,
亦可测量时间。
定时器是一种由位和字组成的复合单元,定时器的触点
由位表示,其定时时间值存储在字存储器中。
脉冲定时器(SP)
扩展脉冲定时器(SE)
定时器的种类接通延时定时器(SD)
保持型接通延时定时器(SS)
关断延时定时器(SF)
1. 定时器组成
在CPU的存储器中留出了定时器区域,该区域用于存储定时器的定
时时间值。
每个定时器为2Byte,称为定时字。
在S7-300中,定时
器区为512Byte,因此最多允许使用256个定时器。
S7中定时时间由
时基和定时值两部分组成,定时时间等于时基与定时值的乘积。
当 定时器运行时,定时值不断减1,直至减到0,减到0表示定时时间 到。
定时时间到后会引起定时器触点的动作。
定时器的第0到第11位存放二进制格式的定时值,第12,13位存放二进制格式的时基。
时基与定时范围
为累加器1装入定时时间值的表示方法: (1) L W #16#
wxyz 其中,w,x,y,z 均为十进制数;
w=时基,取值0,1,2,3,分别表示时基为:10ms,100ms,1s,10s ; xyz=定时值,取值范围:1到999。
(2) L S5T #aH_bbM_ccS_dddMS
2.定时器启动与运行
PLC 中的定时器相当于时间继电器。
在使用时间继电器时,要为其设置
定时时间,当时间继电器的线圈通电后,时间继电器被启动。
若定时时 间到,继电器的触点动作。
当时间继电器的线圈断电时,也将引起其触 点的动作。
该触点可以在控制线路中,控制其它继电器。
3.
各种定时器的工作特点:
4.定时器的梯形图方块指令
5.
例一脉冲发生器
用定时器可构成脉冲发生器,这里用了两个定时器产生频率占空比均可设置的脉冲信号。
如下图的脉冲发生器的时序图,当输入I0.0为1时,输出Q0.0 为1或0交替进行,脉冲信号的周期为3s,脉冲宽度为1s。
梯形图程序:
例四电动机顺序启动控制程序
有三台电动机M1、M2、M3,按下启动按钮后M1启动,延时5s后M2启动,再延时16s后M3启动。
(一)PLC接线
(二)定义符号地址
(三)梯形图程序
例五分段传送带的电动机按制程序
为了节省能源的损耗,可使用PLC来启动和停止分段传送带的驱动电动机,
使那些只载有物体的传送带运转,没有载物的传送带停止运行。
金属板正在传送带上输送,其位置由相应的传感器检测。
传感器安放在两段传送带相邻近的地方,一旦金属板进入传感器的检测范围,PLC便发出相应的输出信号,使后一段传送带的电动机投入工作;当金属板被送出检测范围时,PLC内部定时器立即开始计时,在达到预定的延时时间后,前一段传送带电动机便停止运行。
(一)PLC接线
(二)定义符号地址
(三)梯形图程序
习题:
(1)有4个答题人,出题人提出问题,答题人按动按钮开关抢答,只有最早按动按钮的人有输出。
出题人按复位按钮,引出下一个问题,试编写PLC梯形图程序。
(2)若传送带上30s内无产品通过,检测器下的检测点则报警,试编写
其梯形图程序。
(3)试编写PLC梯形图程序具备下述功能:
(a)按钮接通后A灯先亮,过5s后B灯亮;
(b)B灯亮5s后,自动关闭;
(c)B灯灭5s后,A灯关闭。
(4)如下图(a)A,B,C三条传输皮带,分别受M1,M2,M3三个电动机拖动;图(b)是此三条传输皮带运转的时序图。
编写一个用PLC控制它们运转的梯形图程序。
要求它们按A-B-C顺序启动,而后按C-B-A的顺序停止。
(5)十字路口的交通指挥信号灯布置如下图:
一、控制要求
(1)信号灯系统由一个启动开关控制,当启动开关接通时,该信号灯系统开始工作,当启动开关关断时,所有信号灯都熄灭。
(2)南北绿灯和东西绿灯不能同时亮。
如果同时亮应关闭信号灯系统,并立刻报警。
(3)南北红灯亮维持25s。
在南北红灯亮的同时东西绿灯也亮,并维持20s。
到20s时,东西绿灯闪亮,闪亮3s后熄灭,此时,东西黄
灯亮,并维持2s。
到2s时,东西黄灯熄灭,东西红灯亮。
同时,
南北红灯熄灭,南北绿灯亮。
(4)东西红灯亮维持30s。
南北绿灯亮维持25s,然后闪亮3s后熄灭。
同时南北黄灯亮,维持2s后熄灭,这时南北红灯亮,东西绿灯亮。
(5)以上南北、东西信号灯周而复始地交替工作状态,指挥着十字路口的交通,其时序如下所示。
二、PLC接线
三、定义符号地址
四、梯形图程序
(6)PLC控制的气缸延时控制回路,当气缸的活塞伸出到位停留5s后再返回,退回到位停留3s再伸出,如此往复运动。
(一)气控回路
(二)PLC接线
(三)定义符号地址。