矩形盖板边沟及排水沟施工技术交底
- 格式:doc
- 大小:107.96 KB
- 文档页数:5
一、会议目的为确保边沟施工过程中施工人员的人身安全,预防事故发生,提高施工质量,特召开本次安全技术交底会议。
二、会议时间[填写会议具体时间]三、会议地点[填写会议具体地点]四、参会人员1. 施工单位项目经理、技术负责人、安全员;2. 施工班组全体成员;3. 施工现场监理人员。
五、交底内容1. 施工现场概况(1)施工范围:[填写施工范围](2)施工内容:[填写施工内容](3)施工期限:[填写施工期限]2. 施工安全注意事项(1)施工现场安全措施1)施工前,应对施工现场进行全面检查,确保现场安全设施完善;2)施工现场应设置明显的警示标志,如:警示灯、警示牌等;3)施工区域应设置隔离设施,防止无关人员进入;4)施工现场应设置临时安全通道,方便人员通行。
(2)施工人员安全措施1)施工人员应佩戴安全帽、安全带等个人防护用品;2)施工人员应遵守施工现场各项规章制度,服从管理;3)施工人员应掌握相关安全知识,提高安全意识;4)施工人员应定期进行安全培训,提高安全操作技能。
3. 施工过程中常见安全隐患及预防措施(1)坍塌事故1)预防措施:加强边坡稳定性监测,严格控制边坡坡度,确保边坡安全;2)发生坍塌事故时,应立即停止施工,撤离现场,并向上级报告。
(2)触电事故1)预防措施:施工现场应设置可靠的接地装置,确保电气设备安全运行;2)施工人员应遵守用电安全规程,防止触电事故发生。
(3)高处坠落事故1)预防措施:加强高处作业安全防护,确保施工人员在高处作业时安全;2)发生高处坠落事故时,应立即采取措施,防止事故扩大。
4. 施工质量要求(1)严格按照设计要求施工,确保施工质量;(2)加强施工过程中的质量控制,确保工程质量;(3)做好施工记录,确保施工过程可追溯。
六、会议要求1. 施工单位项目经理、技术负责人、安全员要高度重视施工安全,加强施工现场管理;2. 施工班组全体成员要认真学习本次安全技术交底内容,提高安全意识;3. 施工现场监理人员要加强对施工现场的监督检查,确保施工安全。
一、交底日期:____年__月__日二、施工单位:____有限公司三、分项工程名称:矩形边沟施工四、交底提要:为确保矩形边沟施工过程中的安全,提高施工质量,现将有关安全技术要求进行交底,请各参建单位认真执行。
五、交底内容:1. 施工人员安全要求(1)所有施工人员必须经过岗前培训,了解本工程的安全技术要求,掌握安全操作规程。
(2)施工人员应佩戴好安全帽、安全带、防护眼镜等个人防护用品。
(3)施工过程中,严格遵守操作规程,不得擅自更改施工工艺。
2. 施工现场安全要求(1)施工现场应设置明显的安全警示标志,提醒施工人员注意安全。
(2)施工场地应保持整洁,确保通道畅通,不得堆放杂物。
(3)施工机械应定期检查、维护,确保安全可靠。
3. 施工过程安全要求(1)施工前,对施工现场进行勘察,确保地质条件符合施工要求。
(2)施工过程中,密切关注地质变化,发现异常情况立即停止施工,并报告相关部门。
(3)施工过程中,严格按照设计图纸进行施工,确保施工质量。
4. 边沟施工技术要求(1)根据设计图纸要求,确定边沟尺寸、坡度和排水系统。
(2)施工前,对沟槽进行清理,确保沟槽尺寸符合设计要求。
(3)沟槽开挖过程中,应采取分层开挖、分段施工的方式,确保施工安全。
(4)沟槽开挖过程中,应注意保护地下管线、电缆等设施。
(5)沟槽回填时,应采用分层压实、分层回填的方式,确保回填质量。
5. 边沟防水要求(1)边沟防水材料应符合设计要求,确保防水效果。
(2)施工过程中,严格按防水施工工艺进行操作,确保防水质量。
(3)防水层施工完成后,应及时进行验收,发现问题及时整改。
六、施工质量控制要求1. 施工过程中,严格执行国家及行业有关标准和规范。
2. 施工过程中,加强材料、设备、工艺等环节的质量控制。
3. 施工完成后,进行质量验收,确保工程质量。
七、总结本次安全技术交底旨在提高矩形边沟施工过程中的安全意识和质量意识,确保施工顺利进行。
请各参建单位认真执行,共同保障工程安全、优质、高效完成。
一、交底对象全体参与边沟盖板施工的施工人员、管理人员及监理人员。
二、交底时间[具体日期]三、交底地点[具体地点]四、交底内容1. 施工背景及目的为确保边沟盖板施工过程中的安全,提高施工质量,特进行安全技术交底。
2. 施工要求(1)严格按照国家及行业有关规定、标准进行施工作业。
(2)施工前,应对施工现场进行详细勘察,了解周边环境,确保施工安全。
(3)施工过程中,加强现场管理,确保施工人员的人身安全。
3. 安全技术措施(1)施工人员需穿戴好个人防护用品,如安全帽、安全带、防尘口罩等。
(2)施工过程中,必须遵循“三同时”原则,即施工、防护、管理同时进行。
(3)施工区域应设置明显的警示标志,确保过往行人、车辆的安全。
(4)施工机械操作人员必须取得相应操作资格证书,熟悉机械性能,确保操作安全。
(5)施工过程中,应避免交叉作业,确保施工人员的人身安全。
4. 施工注意事项(1)施工前,应对施工人员进行安全技术培训,提高施工人员的安全意识。
(2)施工过程中,应密切注意施工环境变化,发现安全隐患及时上报,并采取措施予以消除。
(3)施工过程中,应严格按照施工图纸进行施工,确保施工质量。
(4)施工结束后,应对施工现场进行清理,确保环境卫生。
5. 应急措施(1)发生安全事故时,立即停止施工,启动应急预案。
(2)组织施工人员迅速撤离危险区域,确保人员安全。
(3)及时上报事故情况,积极配合相关部门进行调查处理。
五、交底要求1. 施工人员应认真学习本交底内容,确保掌握施工安全知识。
2. 施工过程中,严格遵守安全技术措施,确保施工安全。
3. 施工管理人员应加强现场巡查,及时发现并消除安全隐患。
4. 监理人员应严格按照规定进行监理,确保施工质量。
六、交底人[交底人姓名]七、审核人[审核人姓名]八、备注1. 本交底适用于边沟盖板施工全过程。
2. 施工过程中如有变更,应及时调整本交底内容。
3. 本交底自[具体日期]起生效,至边沟盖板施工完成止。
公路混凝土排水沟及盖板施工方案施工方案:混凝土排水沟及盖板施工技术工程简介:本标段共有矩形边沟5745米,均设在五十铺大街左右侧。
沟身混凝土强度为C20(总方量2832m3),盖板混凝土强度为C25(总方量671m3)。
施工工艺及流程:1.矩形排水沟施工工艺及流程:施工准备测量放线沟槽开挖、报验,混凝土浇筑设置沉降缝混凝土养护,安装盖板验收。
2.沟盖板预制安装施工工艺及流程:施工准备场地硬化找平模板制安钢筋制安,混凝土浇注覆盖养生取板安装验收。
施工准备:1.技术准备:①技术主管组织有关人员进行图纸会审,复核设计图及工程数量,做好导线复测工作和水准复测工作。
②根据控制测量结果放出水沟中桩及边桩,每25米做一个高程控制桩,标记沟槽开挖深度。
③对所有参加施工人员进行施工安全交底和技术交底。
2.试验准备:①水泥混凝土应有标养试块和现场同条件准养护试块。
②检测进场的砂、水泥等材料是否合格,并按检验批次提供检测报告,通过试验确定混凝土配合比指导现场施工。
3.材料准备:矩形排水沟沟身所用材料为普通水泥混凝土,砂石水泥等原材应及时进场。
盖板为C25钢筋混凝土盖板,采用有合格证并复检符合要求的钢筋,检测不合格的材料及时清除出场。
4.机械准备:设备进场之前需进行检验并确保机械检验合格,操作人员需有操作证并进行安全教育。
5.现场准备:①、作好施工现场的“三通一平”工作,保证进场后可立即投入施工。
②、查明基底管线分布情况并完成迁改或采取可靠的保护措施。
现浇混凝土排水沟施工方法:矩形排水沟均为混凝土预制盖板排水沟,沟身采用C20混凝土,盖板采用C25混凝土,水沟侧壁厚度为16cm,水沟底厚度为8cm。
沟槽开挖时,分段施工,每25米一段放出水沟边桩及中桩。
开挖至距设计尺寸10~15cm时,改以人工挖掘。
人工修整至设计尺寸,不能扰动沟底及坡面原土层,不允许超挖。
2、钢筋加工前应清理表面锈蚀、油污等杂物,钢筋加工后应进行自检、互检,确保尺寸、数量、位置符合设计要求。
边沟施工安全技术交底施工单位:未提供施工部位:未提供交底内容:一、边沟施工过程注意事项1.进入施工现场的人员必须正确佩戴合格的安全帽,并系好下颚带,锁好带扣。
不得穿拖鞋上班,也不得在酒后作业。
2.新进场的作业人员必须首先参加入场安全教育培训,并在考试合格后方可上岗。
未经教育培训或考试不合格者,不得上岗作业。
3.从事特种作业的人员必须持证上岗,严禁无证操作,并禁止操作与自己无关的机械设备。
4.严禁工人在边沟边上嬉戏打闹,也严禁翻越或拆除边沟的临边防护。
5.夜间施工必须具备充足的照明条件,严禁在现场生火取暖,夜间施工工人应配备反光背心。
6.建筑材料和构件要堆放整齐稳妥,不得过高。
7.危险区域必须有明显标志,并采取防护措施。
夜间要设红灯示警。
8.任何人不得向下或向上乱丢材料、物品、垃圾、工具等。
不得随意开动一切机械。
操作时思想要集中,不得开玩笑或做私活。
施工单位:XXX施工部位:大邑至新津快速通道建设项目交底内容:一、机械作业1.施工前应全面检查机械,发现问题及时解决。
检查后要进行试运转,严禁带病作业。
机械操作必须遵守安全技术操作要求,由专人操作,并加强机械的维护保养,保证机械各项设备和零部件的正常使用。
2.挖掘机及吊车工作时,必须有专人指挥,并且在其工作范围内不得站人。
3.手推车装运物料时,应注意平稳,掌握重心,不得猛跑或撒把溜放。
4.工具用好后要随时装入工具袋。
5.在操作中,应坚守工作岗位,严禁酒后操作。
6.特殊工种(电工、焊工、各种机动车辆司机等)必须经过有关部门专业培训考试合格后,方可独立操作。
7.施工现场禁止穿拖鞋、高跟鞋、赤脚和易滑、带钉的鞋和赤膊操作。
二、用电安全1.现场施工用电应采用TN-S系统,做到“三级配电、二级保护”。
每台电气设备应用各自的开关箱,严禁用同一开关箱直接控制二台及二台以上的用电设备(含插座)。
全部供电线路必须有系统的架设,从配电箱接出的照明、电动小工具线路应采用电缆离地架设。
边沟工程技术交底方案一、前言边沟是指道路两侧的排水设施,主要用于收集和排除道路两侧的雨水和污水。
边沟工程是道路工程中重要的一部分,对道路的排水和保护起着至关重要的作用。
边沟工程的施工需要严格按照规范进行,本文将对边沟工程的技术交底方案进行详细的阐述,以确保施工质量和安全。
二、边沟工程的施工前准备1. 人员准备:施工前需进行必要的人员配置,包括施工队长、技术员、操作工等,确保施工人员具备相关的技术和安全知识。
2. 设备准备:需要准备好边沟施工所需的设备和工具,包括挖掘机、卡车、测量仪器、手工具等。
3. 材料准备:需要准备好边沟施工所需的材料,包括水泥、砂石、水泥搅拌机等。
三、边沟工程的施工过程1. 现场勘察:在施工前需要对边沟工程的施工现场进行勘察,确认边沟的位置、长度、宽度等,并对现场的地形和地势进行合理的分析,为后续的工作提供基础数据。
2. 边沟标线:根据勘察的结果,对边沟的位置、长度和宽度进行标线,确保施工的准确性和规范性。
3. 边沟挖掘:根据标线的位置,使用挖掘机进行边沟的挖掘工作,确保边沟的深度、宽度和斜度符合设计要求。
4. 边沟排水:在挖掘完成后,需对边沟进行清理和排水处理,确保边沟内没有多余的积水和杂物。
5. 边沟支护:在边沟挖掘完成后,需对边沟的侧壁进行支护,使用专用的支护材料和工艺进行支护,确保边沟的侧壁不会发生坍塌。
6. 边沟填筑:在边沟的支护工作完成后,需对边沟进行填筑,使用适当的材料和工艺进行填筑,确保边沟的结构稳固和坚实。
7. 表面修整:在填筑完成后,需对边沟进行表面的修整和整齐,确保边沟的美观和通畅。
8. 检查验收:施工完成后需对边沟进行检查验收,并确认边沟的质量和安全符合相关规范和要求。
四、施工安全和质量控制1. 施工安全:在施工过程中需严格遵守施工安全要求,保证施工人员的安全和施工现场的安全。
同时需对施工现场进行必要的安全防护和标示,确保施工过程中的安全。
2. 施工质量:在施工过程中需严格遵守相关的施工规范和要求,确保施工质量达到设计要求,同时需对施工过程进行严格的质量控制和检验,确保施工的质量和可靠性。
边沟盖板技术交底一、概述边沟盖板在道路建设中是一种非常重要的设施,用于覆盖道路边沟,保护道路边坡的稳定。
为了能够正确、安全地完成边沟盖板的安装工作,我们需要对边沟盖板的技术规范有一个正确的理解。
本文将对边沟盖板的技术要求、安装流程、常见问题及解决方法进行交底。
二、技术要求1. 材质要求:边沟盖板的材质应选用符合国家标准、具有耐腐蚀、耐磨损等优点的材料,通常为镀锌钢板或不锈钢板。
2. 尺寸要求:边沟盖板的尺寸应符合设计要求,边缘应有加强结构,以增加其稳定性和承载力。
3. 表面要求:边沟盖板的表面应平整、光滑、无毛刺,无任何凹凸不平的情况。
4. 承载能力要求:边沟盖板应具有足够的承载能力,以满足设计荷载的要求。
三、安装流程1. 施工准备:1)检查制定的安装图纸是否符合实际情况,确定安装位置和数量;2)清理安装区域,保持安装区域的干净整洁。
2. 安装前的处理:1)检查边沟盖板的尺寸、材质、表面情况是否符合要求;2)将边沟盖板按照图纸要求摆放在安装位置上,确定盖板横向、纵向位置;3)检查边沟盖板与周边石材、沥青路面的高度差异,用高度差调节垫块调整高度,并使四周灰土和石料垫齐,以达到安装后表面平整、高度一致。
3. 安装:1)对边沟盖板焊接接头处进行处理,焊接时应注意焊缝连接牢固、焊接完整,不得出现残损、开裂或夹杂等问题;2)将边沟盖板固定在预留的洞口上,用橡胶锤轻轻敲打盖板,使其与周围石材、沥青路面的高度相平,固定螺栓紧固固定。
4. 施工完毕:检查边沟盖板安装效果,确定安装是否牢固、平整,是否符合设计要求,确认无误后,方可移交下一步工作。
四、常见问题及解决方法1. 安装位置不准,安装后表面高度不平整。
解决方法:检查安装前的处理是否正确,如有高度差异,则应调节垫块,使其高度一致。
2. 焊接不牢固,或焊缝没有处理好。
解决方法:做好焊接前的准备工作,确定焊接处氧化层清理干净,焊接后及时对接缝处进行处理,保证焊接质量。
边沟施工技术交底边沟施工是农田水利工程中非常重要的一环,也是农民朋友经常涉及的问题。
下面将对边沟施工技术进行交底。
边沟的基本概念边沟,又称源头沟,是将溪流、河流发源处的附属水体和雨水快速集中排放,防止水流侵蚀农作物和土地,保障农田的安全生产。
边沟的规划和设计应该考虑到地形、地貌和地势条件。
同时,在施工过程中,要注意沟底铺底、排水口等等的细节处理。
施工要点1.边沟的开挖1.1 确定开挖范围在进行边沟施工之前,首先要做的是确定边沟开挖的范围和宽度。
这个范围要根据具体的情况进行估算,包括地形、地貌、排水量等等因素进行考虑。
1.2 开挖沟道并平整确定开挖范围之后,就可以进行沟道的开挖了。
在进行边沟开挖之后,必须保证边沟两侧的高度相等,并且沟底平整。
在进行这个过程中,应该根据地势、土质和工程难度等因素考虑挖掘的深度和范围。
2.边沟的混凝土浇筑2.1 预先准备在进行边沟混凝土浇筑之前,应首先准备好所有要用到的材料和工具,包括混凝土原料、水泥、细沙、石子、水泵、搅拌机等等。
2.2 施工流程首先,将所有原料按照一定的比例混合在一起。
然后将混好的料运输到需要注入混凝土的位置,利用水泵将混合好的料泵入边沟中,再利用搅拌机进行振动压实。
当浇筑好的混凝土表面变平均后就可以停止作业了。
2.3 浇筑注意事项在进行边沟混凝土浇筑时,需要注意以下细节处理:•浇筑时要把混凝土泵过去,每次泵料的时间不要太长,以免出现漏泵现象。
•如果已经进行了一些浇筑,则沟槽中的混凝土需要与已浇筑的混凝土紧密结合。
•浇筑时,混凝土的浓度应该根据环境温度、湿度、流速等不同因素进行调整,以保证浇筑的混凝土质量。
3.边沟排水口的设置3.1 排水口的基本情况边沟中的排水口是非常重要的,因为它可以起到排水和溢洪的效果。
排水口的设置必须考虑到地形、水流和水量等方面的因素。
排水口的数量和大小要根据具体情况确定,不能过多,也不能过少。
3.2 排水口的位置和方向排水口的位置应该选择在水流汇合、坡度变化、路口或者拐角等地方,同时也需要考虑到排水口的排放方向,是直接向外排放,还是通过其他方式进行处理。
排水沟、盖板边沟施工方案编制:审核:批准:上海警通建设(集团)有限公司2015年5月2日排水沟、盖板边沟施工技术方案一、工程概况国道344线青石嘴至泾源段公路泾河源镇至老龙潭连接线工程,为旧路加宽,旧路为三级公路,路基宽度为8。
5m,其中路面宽7m,两侧设置75cm土路肩,为沥青砼结构,近年来随着泾源县经济建设和旅游产业的大力发展,行驶于该路段的交通量逐年增多,旧路已经无法满足相应的交通需求。
路线采用旧路加宽方式布设,起点位于泾河源镇泾源县第二中学附近,沿旧路右侧布设,在K0+775。
7处跨越泾河,之后按左侧加宽方式沿旧路布设,终点K6+051.78止于老龙潭六盘山国家森林公园门口处。
A、B线110m,主线盖板边沟2824m,排水沟、盖板边沟主要工程量:主线排水沟913m,,A、B线612m,排水沟C25砼预制184。
14 m3、盖板边沟C25砼预制738。
74m3,C25砼现浇1477.48m3.二、施工准备2.1、施工技术准备2.1.1、小型预制构件原材料试验及砼配合比1、水泥:选用固原六盘山水泥厂生产的P.O42.5R水泥。
2、砂:固原黑城砂场,能够供应满足施工要求的机制砂。
3、碎石:三关口料场产(5-10)mm、(10—20)mm级配砾石,满足施工要求。
170 kg/m3;粉煤灰80 kg/m3;外加剂8。
32 kg/m3。
2。
2、试验室、砼拌和站项目部临时试验室已建立,检测设备齐全,各种检测仪器已校正,测试正常。
试验检测人员已到位.砼拌和采用20m3/h的JW—350混凝土拌和机,已安装计量调试校正完毕,设备完好,水泥储备能力为200t。
2。
3、工程临时用电全线电力供应充足,施工用电可以保证,我项目部已与地方电力部门协商,在拌和站及预制场架设各设一台315KVA变压器。
2.4、施工便道本合同段主线与国道344龙潭连接线相毗邻,主线施工便道已贯通.三、工期安排小型预制构件计划工期:2015年4月28日—2015年6月10日四、人员机械安排1、人员方面小型预制构件投入的主要人员施工总调度及技术负责人:漆明强现场安全员:杨文建现场试验负责人: 张琴琴现场质量检测员:冯明礼现场工区负责人:兰春辉现场技术员:冯宝俊施工人员: 15人2、机械设备方面我项目部小型预制场设于路线起点建辉建材公司,砼拌和采用拌和机集中拌和,预制采用专用预制构件模具和振动台及小型振捣棒。
技术交底书交底内容:一、 准备工作1、 现场准备:施工场地平整,施工便道通畅,保证水、电现场使用。
2、 材料准备:所需材料已经进场并检验合格,周转材料如模板、钢管、 卡具等备齐,各作业班组根据作业内容的不同,分配相应作业人员。
3、 沟槽开挖前,应做好排水设施,安全防护设施。
沟槽开挖后应及时 进行立模浇筑施工,并做好安全防护设施,防止塌方。
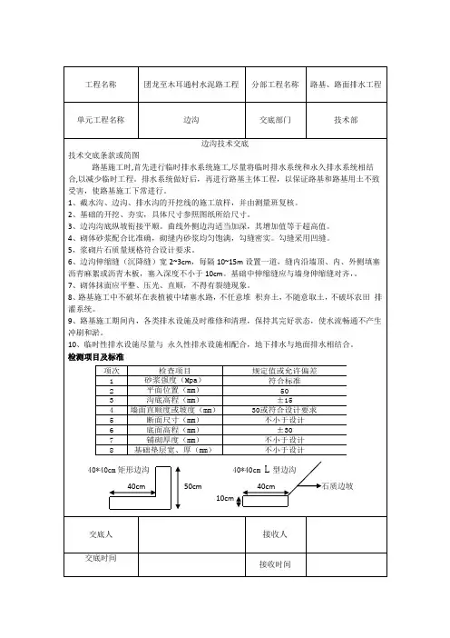
二、 施工流程及操作要点1、 施工范围矩形侧边沟具体里程段落见附表,边沟深度为0.6m ,宽度为0.6m ,边 沟壁厚0.25m,边沟底厚0.25m,下设10cm 砂砾垫层。
均采用C30混凝土浇 筑,每隔10m 设一道沉降缝,缝宽2cm 缝内用沥青麻筋填塞并保证不渗 漏水。
2、 施工程序及技术要点(一) 、施工放样(1) 放出边沟边线,检查路基宽度。
(2) 放样断面距离按10m 控制。
(二) 、边沟施工第一步:现浇沟底(1)进场后先根据技术交底的“边沟中线高程”进行清沟,高挖低填, 基坑平整完成后用小型夯机夯实后直立模板。
边沟设计宽度见水沟尺寸, 为了保证支模方便,清沟时侧沟两侧各加宽 30cm2014-05-12做出记录。
施工缝的平面应与结构的轴线相垂直4、路堑边沟尺寸允许偏差及检验标准三、安全文明施工要求及措施1、机具、材料、弃土等应堆放在基坑边坡四周 1.5m以外。
2、配齐配足劳动安全防护用品,确保安全防护。
进入施工现场必须戴好安全帽。
3、应定期检查用电安全,及时消除隐患。
施工现场使用统一的标准配电箱。
严格做到三级配电二级漏电保护。
施工电器设备的保护接地、接零措施必须严格按照规定实施。
4、工地现场施工材料必须堆放整齐,统一标识清楚。
四、质量标准1、边沟施工前,要先检查其与测设中线的相对位置、沟底高程、边沟宽度。
2、浇筑混凝土前,要严格检查模板的牢固性。
3、每次灌注混凝土前要将混凝土接茬部位凿毛并保持湿润,并将残碴、杂物和积水清除干净。
4、模板必须加固牢靠结实,保证水沟线条平顺。
排水沟、盖板边沟施工方案施工队伍由一名项目经理、一名技术负责人、一名安全负责人、六名班组长、六名机械操作工、三十名普通工人组成。
所有人员必须持有相关证书和资格。
2、机械方面:施工需要的机械有混凝土拌和机、挖掘机、推土机、装载机、压路机、起重机等。
所有机械必须经过检查和维护,确保正常使用。
五、施工工艺5.1、排水沟施工工艺1)清理基底:清理排水沟基底,确保基底平整、干燥、无杂物。
2)制作预制构件:按照设计要求,制作预制构件,采用C25砼浇筑,预制构件应符合设计要求和质量标准。
3)预制构件安装:将预制构件按照设计要求安装在基底上,并进行调整,确保预制构件之间的间隙均匀。
4)现浇砼施工:在预制构件之间浇筑C25砼,确保砼浇筑均匀、密实。
5)砼养护:对已浇筑的砼进行养护,确保砼强度和质量。
5.2、盖板边沟施工工艺1)清理基底:清理盖板边沟基底,确保基底平整、干燥、无杂物。
2)制作预制构件:按照设计要求,制作预制构件,采用C25砼浇筑,预制构件应符合设计要求和质量标准。
3)预制构件安装:将预制构件按照设计要求安装在基底上,并进行调整,确保预制构件之间的间隙均匀。
4)现浇砼施工:在预制构件之间浇筑C25砼,确保砼浇筑均匀、密实。
5)安装盖板:在预制构件之间安装盖板,确保盖板之间的间隙均匀。
6)砼养护:对已浇筑的砼进行养护,确保砼强度和质量。
六、安全措施6.1、施工现场应设置安全警示标志,施工区域应围挡围护,保证施工区域安全。
6.2、施工人员应穿戴好安全防护用品,如安全帽、安全鞋、手套等。
6.3、机械操作人员必须持有相关证书,严格按照操作规程操作机械。
6.4、施工现场应设置消防器材,确保施工现场消防安全。
6.5、施工过程中应严格遵守相关法律法规和安全操作规程,确保施工过程中的安全。
1、制定详细的施工计划,合理安排施工进度和工序,确保施工有序进行。
2、加强对材料和设备的管理,确保供应及时、质量可靠。
3、采用先进的施工技术和设备,提高施工效率。
一、交底目的为确保水沟边沟施工过程中的安全,提高施工人员的安全意识,规范施工操作,特进行本次安全技术交底。
二、交底内容1. 施工人员安全培训(1)施工人员必须经过专业培训,取得相关资格证书后,方可上岗作业。
(2)施工人员应熟悉本工程的安全操作规程和注意事项,掌握安全防护措施。
2. 施工现场安全管理(1)施工现场应设置明显的安全警示标志,提醒施工人员注意安全。
(2)施工现场应保持整洁,严禁乱堆乱放,确保施工通道畅通。
(3)施工现场应设置安全防护设施,如安全网、防护栏、安全绳等。
3. 施工机械及工具安全管理(1)施工机械及工具必须符合国家标准,确保其安全性能。
(2)施工机械及工具应定期检查、维护,发现隐患及时排除。
(3)操作人员应熟练掌握施工机械及工具的使用方法,确保操作安全。
4. 施工过程中安全注意事项(1)施工人员应严格遵守操作规程,严禁违规操作。
(2)施工过程中,应保持安全距离,避免相互碰撞。
(3)施工过程中,应做好防滑、防坠落、防触电等安全措施。
(4)施工过程中,应密切关注天气变化,遇恶劣天气及时停工。
5. 应急预案(1)发生安全事故时,施工人员应立即停止作业,并报告现场负责人。
(2)现场负责人应迅速组织救援,同时向上级部门报告。
(3)事故发生后,应立即采取措施,防止事故扩大。
三、施工技术要求1. 水沟边沟设计应符合国家标准,确保其排水功能。
2. 施工前,应进行现场勘察,了解地形、地质条件,制定合理的施工方案。
3. 施工过程中,应严格按照设计图纸进行施工,确保施工质量。
4. 施工过程中,应做好排水、防渗、加固等工作,确保工程安全。
5. 施工完成后,应进行验收,确保工程符合设计要求。
四、交底要求1. 施工单位应将本次安全技术交底内容传达到每位施工人员。
2. 施工人员应认真学习并掌握安全技术交底内容,提高安全意识。
3. 施工单位应定期对施工人员进行安全技术培训,确保其安全技能。
4. 施工单位应加强对施工现场的安全管理,确保施工安全。
单位:第 1 页共9 页
编制者:审核者:批准人:
接收单位:接收负责人:
单位:第2页共9 页
编制者:审核者:批准人:
接收单位:接收负责人:
单位:第 3 页共9 页
主送单位三工区工程部编号
工程名称K6段路基盖板边沟日期2018.4.9
内容:
表1
二、边沟设计图
盖板边沟设计图
编制者:审核者:批准人:
接收单位:接收负责人:
技术交底书
单位:第 4 页共9 页
主送单位三工区工程部编号
工程名称K6段路基盖板边沟日期2018.4.9
内容:
矩形排水沟设计图
编制者:审核者:批准人:
技术交底书
单位:第5页共9 页
编制者:审核者:批准人:
技术交底书
单位:第6页共9 页
编制者:审核者:批准人:
技术交底书
单位:第7 页共9 页
编制者:审核者:批准人:
技术交底书
单位:第8 页共9 页
编制者:审核者:批准人:
技术交底书
单位:第9 页共9 页
编制者:审核者:批准人:
[文档可能无法思考全面,请浏览后下载,另外祝您生活愉快,工作顺利,万事如意!]。
施工技术交底
ZT16 编码:2016-
设完成后上报专业监理工程师,经现场验收合格后进行混凝土浇筑。
(4)边沟/排水沟底板砼浇筑
施工图纸设计断面尺寸为 1.1m×1.11m,边沟/排水沟底板采用C20混凝土浇筑,坍落度宜控制在14~16mm,浇筑时应该设溜槽使混凝土由砼运输车缓慢流入模板内,减小混凝土对模板的冲击;混凝土振捣时,要振捣均匀,振动棒应保持与模板10~20cm 间距,避免振捣棒接触模板使模板变形,浇筑过程中侧墙位置需预留接茬钢筋,钢筋采用Φ20直径螺纹钢,长50cm,每侧边墙预埋两道,间距50cm交错布置。
混凝土浇筑振捣完成后派专人进行收面。
(5)边沟/排水沟侧墙模板支设
边沟/排水沟底板砼浇筑完成后,在底板上弹出边沟/排水沟侧墙的内外边线,并及时对侧墙位置进行凿毛及清理,然后方可沿边线支设模板,侧墙模板采用厂制定型钢模板,用对拉螺栓固定,同时在内侧设置斜撑加固,具体断面尺寸如下图:
(6)边沟/排水沟侧墙砼浇筑
边沟/排水沟侧墙采用C20混凝土浇筑,坍落度宜控制在14~16mm,具体尺寸见上图,浇筑时应该设溜槽使混凝土由砼运输车缓慢流入模板内,减小混凝土对模板的冲击;混凝土振捣时,要振捣均匀,严禁漏振过振现象,振动棒不宜距模板太近,避免振捣棒接触模板使模板变形,振捣完成后派专人对侧墙顶进行收面。
侧墙浇筑时要确保盖板预留台阶的位置。
(7)折模养生
边沟/排水沟混凝土浇筑施工完成后应立即用土工布进行覆盖洒水养护,在第2天后即可拆除模板进行养生,养生采用土工布覆盖湿润养生;一般养生周期为7天。
(8)沟槽回填
边沟/排水沟两侧沟槽待边沟砼养护完成后需及时进行分层对称回填处理,回填材料利用开挖出的粒径均匀的合格石渣,小型柴油夯机夯实。
2.2预制钢筋混凝土盖板
2.2.1施工流程
钢筋混凝土预制盖板模板支设混凝土浇筑拆模养生
2.2.2施工方法
(1)钢筋制作与绑扎
钢筋制作按照施工图纸设计下料,N1单根长为41cm、N2单根长62cm,钢筋采用Ф12;下料完成后采用运输车运至现场进行钢筋网片绑扎,钢筋两侧保护层为4cm,用预制垫块进行趁垫。
路堑边沟盖板钢筋如下图:
(2)模板支设
模板采用硬质定型模具,模板数量为600套,模板型式如下图:
(3)混凝土浇筑
在预制盖板混凝土设计强度为C25,坍落度宜控制在14~16mm,浇筑前应向总监办报验,钢筋、模板经专业监理工程师验收,且合格后进行混凝土浇筑;浇筑时应先把模板内清扫干净,涂刷脱模剂,砼运输车到现场后直接卸入模板内,模板内多/缺部分,用人工进行减/添,然后用振捣棒进行振捣密实,最后人工收面。
(4)拆模养生
在混凝土浇筑完成第二天且砼强度达到设计强度的70%,方可进行模板拆除工作,模板拆除时应轻缓进行,避免发生棱角掉落现象;模板拆除后及时用土工布及时覆盖并洒水养生,养生周期一般为7天。
2.2.3盖板运输及安装
根据现场实际施工进度,边沟盖板需及时进行安装,预制钢筋混凝土边沟盖板安装采用15t运输车运至现场,人工配合装卸及安装,人工进行调整,在安装边沟Ⅰ型盖板时应先在边沟壁上垫1cm厚M10砂浆进行调平,为防止盖板左右晃动影响整体质量,盖板安装完成后,两侧空隙采用干硬性砂浆进行塞缝处理。
二、注意事项
(1)水沟线型顺畅,排水通畅,纵坡均匀。
本交底书一式两份交底人一份被交底人一份。