【通用】通讯详解RS232与RS485.ppt
- 格式:ppt
- 大小:4.84 MB
- 文档页数:29
RS232电平 RS485电平 RS422电平图文详解232电平或者说串口电平,有的甚至说计算机电平,所有的这些说法,指得都是计算机9针串口(RS232)得电平,采用负逻辑,-15v ~ -3v 代表1+3v ~ +15v 代表0RS485电平和RS422电平由于两者均采用差分传输(平衡传输)的方式,所以他们的电平方式,一般有两个引脚 A,B发送端 AB间的电压差+2 ~+6v 1-2 ~-6v 0接收端 AB间的电压差大于+200mv 1小于-200mv 0定义逻辑1为B>A的状态定义逻辑0为A>B的状态AB之间的电压差不小于200mv一对一的接头的情况下RS232 可做到双向传输,全双工通讯最高传输速率 20kbps422 只能做到单向传输,半双工通讯,最高传输速率10Mbps485 双向传输,半双工通讯, 最高传输速率10MbpsRS232与RS485同为异步数据传输方式,都是用于数字信号的传输,仅仅是传输的方法不同。
以传输一个8位二进制数值“01001000”为例1.由于RS232采用三线制传输分别为TXD\RXD\GND,其中TXD为发送信号,RXD为接收信号。
在RS232中任何一条信号线的电压均为负逻辑关系。
即:逻辑“1”,为信号线对GND电压为-5—-15V;逻辑“0”,为信号线对GND电压为 +5—+15V。
理论上说,当要发送“01001000”这个数据时,在TXD信号线上应该测量到的波形为之所以说是理论上,是因为在异步数据传输时,要增加起始位、校验位、结束位。
但基本方式就是这样。
2.RS422采用4线传输方式,差分传输,发送数据线为T+\T-,接收数据线为R+\R-。
在RS422总线中:数据“1”以两线间的电压差为+2V至+6V表示;数据“0”以两线间的电压差为-2至-6V表示。
理论上说,当要发送“01001000”这个数据时,在T+/T-直接的差值在信号线上应该测量到的波形为也就是说,RS232的数据是TXD与GND之间的电压代表数据,而RS422的数据时T+与T-之间的电压代表数据。
串口通信RS232和RS485简介PLC与控制设备之间的通信基本上都是基于串行通信接口,采用其对应的通信协议进行控制的,而对于串行通信接口,常用的包括RS232、RS422、RS485。
一、RS232串行通信接口RS-232接口符合美国电子工业联盟(EIA)制定的串行数据通信的接口标准,被广泛用于计算机串行接口外设连接,有些老式PC机上就配置有RS232接口。
RS232的工作方式是单端工作方式,这是一种不平衡的传输方式,收发端信号的逻辑电平都是相对于信号地而言的,RS232最初是DET(数字终端设备)和DCE(数据通信设备)一对一通信,也就是点对点,一般是用于全双工传送,当然也可以用于半双工传送。
此外,RS232是负逻辑,逻辑电平是±5~±15V,传输距离短,只有15米,实际应用可以达到50米,但是再长的距离就须加调制了。
最初RS232标准物理接口是25个引脚的,因为常用的是9个引脚,后来就基本采用DB9连接器了,RS232的DB9连接器的引脚定义见下图:在DB9的9个引脚中,并不是所有的信号端都使用的,比如说RTS/CTS只有在半双工方式中作发送和接收时的切换用,而在全双工方式中,因配置双向通道所以不需要。
一般来说,在全双工方式中RS232标准接线只要三条线就足够了,两根数据信号线TXD/RXD,一根信号地线GND。
双方连接的方式是将TXD和RXD交叉连接,信号地直接相接,然后将各自的RTS/CTS,DSR/DTR短接,将DCD和RI悬空就可以。
二、RS485串行通信接口1、概况为改进RS232通信距离短、速率低的缺点,1983年,RS-485通讯接口被电子工业协会(Electronics Industries Association EIA)批准为一种通讯接口标准。
使用RS-485作为物理层的常用标准协议主要有工业HART总线、modbus协议、Profibus DP等等。
RS232与RS485的电气特性说明2008-10-08 09:21一、什么是RS-232 接口?(1) RS-232 的历史和作用在串行通讯时,要求通讯双方都采用一个标准接口,使不同的设备可以方便地连接起来进行通讯。
RS-232-C接口(又称EIA RS-232-C)是目前最常用的一种串行通讯接口。
(“RS-232-C”中的“-C”只不过表示RS-232的版本,所以与“RS-232”简称是一样的)它是在1970 年由美国电子工业协会(EIA)联合贝尔系统、调制解调器厂家及计算机终端生产厂家共同制定的用于串行通讯的标准。
它的全名是"数据终端设备(DTE)和数据通讯设备(DCE)之间串行二进制数据交换接口技术标准"该标准规定采用一个25 个脚的DB-25 连接器,对连接器的每个引脚的信号内容加以规定,还对各种信号的电平加以规定。
后来IBM的PC 机将RS-232 简化成了DB-9 连接器,从而成为事实标准。
而工业控制的RS-232 口一般只使用RXD、TXD、GND 三条线。
(2)RS-232 接口的电气特性在RS-232-C 中任何一条信号线的电压均为负逻辑关系。
即:逻辑"1"为-3 到-15V;逻辑"0"为+3 到+15V 。
RS-232-C 最常用的9 条引线的信号内容如下所示:定义DCD RXD TXD DTR GND DSR RTS CTS RIDB-9 1 2 3 4 5 6 7 8 9DB-258 3 2 20 7 6 4 5 22(3) RS-232 接口的物理结构RS-232-C 接口连接器一般使用型号为DB-9 插头座,通常插头在DCE端,插座在DTE端。
PC 机的RS-232 口为9 芯针插座。
而波士RS-232/RS-485转换器的RS-232 为DB-9 孔插头。
一些设备与PC 机连接的RS-232 接口,因为不使用对方的传送控制信号,只需三条接口线,即"发送数据TXD"、"接收数据RXD"和"信号地GND"。
RS232和 RS485讲解一、计算机常见通讯接口随着计算机系统的应用和微机网络的发展,通信功能越来越显的重要。
这里所说的通信是只计算机与外界的信息交换。
因此,通信既包括计算机与外部设备之间,也包括计算机和计算机之间的信息交换。
由于串行通信是在一根传输线上一位一位的传送信息,所用的传输线少,并且可以借助现成的电话网进行信息传送,因此,特别适合于远距离传输。
对于那些与计算机相距不远的人-机交换设备和串行存储的外部设备如终端、打印机、逻辑分析仪、磁盘等,采用串行方式交换数据也很普遍。
在实时控制和管理方面,采用多台微机处理机组成分级分布控制系统中,各CPU之间的通信一般都是串行方式。
所以串行接口是微机应用系统常用的接口。
许多外设和计算机按串行方式进行通信,这里所说的串行方式,是指外设与接口电路之间的信息传送方式,实际上,CPU与接口之间仍按并行方式工作。
1 串行通信的概念图1-1所谓“串行通信”是指外设和计算机间使用一根数据信号线(另外需要地线,可能还需要控制线),数据在一根数据信号线上一位一位地进行传输,每一位数据都占据一个固定的时间长度。
如图1-1所示。
这种通信方式使用的数据线少,在远距离通信中可以节约通信成本,当然,其传输速度比并行传输慢。
由于CPU与接口之间按并行方式传输,接口与外设之间按串行方式传输,因此,在串行接口中,必须要有“接收移位寄存器”(串→并)和“发送移位寄存器”(并→串)。
典型的串行接口的结构如1-2所示。
图1-2在数据输入过程中,数据1位1位地从外设进入接口的“接收移位寄存器”,当“接收移位寄存器”中已接收完1个字符的各位后,数据就从“接收移位寄存器”进入“数据输入寄存器”。
CPU从“数据输入寄存器”中读取接收到的字符。
(并行读取,即D7~D0同时被读至累加器中)。
“接收移位寄存器”的移位速度由“接收时钟”确定。
在数据输出过程中,CPU把要输出的字符(并行地)送入“数据输出寄存器”,“数据输出寄存器”的内容传输到“发送移位寄存器”,然后由“发送移位寄存器”移位,把数据1位1位地送到外设。
1 数据通信所谓数据通信,就是从数据源产生的数据,经过硬件线路或软件线路的连接(统称信道),按照一定的通信规程(协议),形成数据流传到另一方的过程。
计算机与各种用途的终端之间,以及计算机相互之间,都需要数据通信,遥测、遥信、遥控、自控、雷达等等都需要数据处理与传输,也都离不开数据通信。
2 RS-232接口介绍目前RS-232是PC机与通信工业中应用最广泛的一种串行接口。
RS-232被定义为一种在低速率串行通讯中增加通讯距离的单端标准。
在数据通信领域中包括各种终端和计算机端口在内的设备称作数据终端设备,即DTE。
与之相比,调制解调器和其他通信设备,则称作数据通信设备,即DCE。
数据终端设备和数据通信设备之间的分界是连接它们的插件,而对这一分界的说明,则是从:物理、电气以及逻辑上进行数据交换的规则,它是由接口标准规定的。
最常用的EIA RS-232标准,EIA标准的很多内容以被其他许多标准化组织所采纳。
RS-232C是1969年EIA提出的建议标准(Recommend Standard),232则表示一个具体通信标准的识别号码,后缀C表明此标准最后的修订版本。
RS-232C标准适用于数据终端设备与数据通信设备之间、速率范围从0到20000b/s 的串行数据传输。
此标准限制数据终端设备和数据通信设备之间的电缆长度为15m,RS-232C标准的另一部分是规定用电缆接头作为数据终端设备和数据通信设备的接插件,这就是熟知的DB-25接插件。
电缆两端都装备有“凸形”插头,通常它被设计成能插到调制解调的DB-25凹形插座上。
后来IBM的PC机将RS-232简化成了DB-9连接器,从而成为事实标准。
而工业控制的RS-232口一般只使用RXD、TXD、GND三条线。
波仕电子对RS-232的通信距离标准进行了改进,增加到了500-1000米,并且提交到了EIA,见波仕的EX232产品。
RS-232采取不平衡传输方式,即所谓单端通讯。
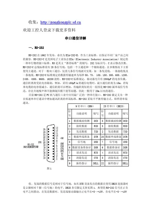
收集:欢迎工控人登录下载更多资料串口通信详解一、RS-232RS-232在1962年发布,命名为EIA-232-E,作为工业标准,以保证不同厂家产品之间的兼容。
RS-232-C 是美国电子工业协会EIA(Electronic Industry Association)制定的一种串行物理接口标准。
RS 是英文“推荐标准”的缩写,232为标识号,C 表示修改次数。
RS-232-C 总线标准设有25条信号线,包括一个主通道和一个辅助通道。
在多数情况下主要使用主通道,对于一般双工通信,仅需几条信号线就可实现,如一条发送线、一条接收线及一条地线。
RS-232-C 标准规定的数据传输速率为每秒50、75、 100、150、300、600、1200、2400、4800、9600、19200波特。
RS-232-C 标准规定,驱动器允许有2500pF 的电容负载,通信距离将受此电容限制,例如,采用150pF/m 的通信电缆时,最大通信距离为15m;若每米电缆的电容量减小,通信距离可以增加。
传输距离短的另一原因是RS-232属单端信号传送,存在共地噪声和不能抑制共模干扰等问题,因此一般用于20m 以内的通信。
目前RS-232是PC 机与通信工业中应用最广泛的一种串行接口。
RS-232被定义为一种在低速率串行通讯中增加通讯距离的单端标准。
RS-232采取不平衡传输方式,即所谓单端通讯。
图1收、发端的数据信号是相对于信号地,如从DTE 设备发出的数据在使用DB25连接器时是2脚相对7脚(信号地)的电平,DB25各引脚定义参见图1。
典型的RS-232信号在正负电平之间摆动,在发送数据时,发送端驱动器输出正电平在+5~+15V,负电平在-5~-15V电平。
当无数据传输时,线上为TTL,从开始传送数据到结束,线上电平从TTL电平到RS-232电平再返回TTL电平。
接收器典型的工作电平在+3~+12V与-3~-12V。
由于发送电平与接收电平的差仅为2V至3V左右,所以其共模抑制能力差,再加上双绞线上的分布电容,其传送距离最大为约15米,最高速率为20kb/s。
串口通信详解一、RS-232RS-232在1962年发布,命名为EIA-232-E ,作为工业标准,以保证不同厂家产品之间的兼容。
RS-232-C 是美国电子工业协会EIA (Electronic Industry Association )制定的一种串行物理接口标准。
RS 是英文“推荐标准”的缩写,232为标识号,C 表示修改次数。
RS-232-C 总线标准设有25条信号线,包括一个主通道和一个辅助通道。
在多数情况下主要使用主通道,对于一般双工通信,仅需几条信号线就可实现,如一条发送线、一条接收线及一条地线。
RS-232-C 标准规定的数据传输速率为每秒50、75、 100、150、300、600、1200、2400、4800、9600、19200波特。
RS-232-C 标准规定,驱动器允许有2500pF 的电容负载,通信距离将受此电容限制,例如,采用150pF/m 的通信电缆时,最大通信距离为15m ;若每米电缆的电容量减小,通信距离可以增加。
传输距离短的另一原因是RS-232属单端信号传送,存在共地噪声和不能抑制共模干扰等问题,因此一般用于20m 以内的通信。
目前RS-232是PC 机与通信工业中应用最广泛的一种串行接口。
RS-232被定义为一种在低速率串行通讯中增加通讯距离的单端标准。
RS-232采取不平衡传输方式,即所谓单端通讯。
图1收、发端的数据信号是相对于信号地,如从DTE 设备发出的数据在使用DB25连接器时是2脚相对7脚(信号地)的电平,DB25各引脚定义参见图1。
典型的RS-232信号在正负电平之间摆动,在发送数据时,发送端驱动器输出正电平在+5~+15V ,负电平在-5~-15V 电平。
当无数据传输时,线上为TTL ,从开始传送数据到结束,线上电平从TTL 电平到RS-232电平再返回TTL 电平。
接收器典型的工作电平在+3~+12V 与-3~-12V 。
由于发送电平与接收电平的差仅为2V 至3V 左右,所以其共模抑制能力差,再加上双绞9针串口(DB9) 25针串口(DB25)针号 功能说明 缩写 针号功能说明 缩写1 数据载波检测 DCD 8 数据载波检测 DCD2 接收数据 RXD3 接收数据 RXD 3 发送数据 TXD 2发送数据TXD4 数据终端准备 DTR 20 数据终端准备 DTR 5信号地GND 7 信号地 GND 6 数据设备准备好 DSR 6 数据准备好 DSR 7 请求发送 RTS 4 请求发送 RTS 8清除发送 CTS5清除发送 CTS 9振铃指示DELL 22振铃指示DELL线上的分布电容,其传送距离最大为约15米,最高速率为20kb/s。
从接线上1.RS232是三线制,RS485是两线制;2.从传输距离上,RS232只能传输15米,RS485最远可以传输1200米;3.从速率上,RS232是全双工传输,RS485是半双工传输;4.从协议层上,RS232只支持点对点通讯(1:1),RS485支持总线形式通讯(1: N);一、什么是RS-232 接口?(1) RS-232 的历史和作用在串行通讯时,要求通讯双方都采用一个标准接口,使不同的设备可以方便地连接起来进行通讯。
RS-232-C接口(又称EIA RS-232-C)是目前最常用的一种串行通讯接口。
(“RS-232-C”中的“-C”只不过表示RS-232的版本,所以与“RS-232”简称是一样的)它是在1970 年由美国电子工业协会(EIA)联合贝尔系统、调制解调器厂家及计算机终端生产厂家共同制定的用于串行通讯的标准。
它的全名是"数据终端设备(DTE)和数据通讯设备(DCE)之间串行二进制数据交换接口技术标准"该标准规定采用一个25 个脚的DB-25 连接器,对连接器的每个引脚的信号内容加以规定,还对各种信号的电平加以规定。
后来IBM的PC 机将RS-232 简化成了DB-9 连接器,从而成为事实标准。
而工业控制的RS-232 口一般只使用RXD、TXD、GND 三条线。
(2)RS-232 接口的电气特性在RS-232-C 中任何一条信号线的电压均为负逻辑关系。
即:逻辑"1"为-3 到-15V;逻辑"0"为+3 到+15V 。
RS-232-C 最常用的9 条引线的信号内容如下所示DB-9 1 2 3 4 5 6 7 8 9DB-25 8 3 2 20 7 6 4 5 22定义DCD RXD TXD DTR GND DSR RTS CTS RI(3) RS-232 接口的物理结构RS-232-C 接口连接器一般使用型号为DB-9 插头座,通常插头在DCE端,插座在DTE端.PC 机的RS-232 口为9 芯针插座。
一、什么是RS-232 接口?(1) RS-232 的历史和作用在串行通讯时,要求通讯双方都采用一个标准接口,使不同的设备可以方便地连接起来进行通讯。
RS-232-C接口(又称EIA RS-232-C)是目前最常用的一种串行通讯接口。
(“RS-232-C”中的“-C”只不过表示RS-232的版本,所以与“RS-232”简称是一样的)它是在1970 年由美国电子工业协会(EIA)联合贝尔系统、调制解调器厂家及计算机终端生产厂家共同制定的用于串行通讯的标准。
它的全名是"数据终端设备(DTE)和数据通讯设备(DCE)之间串行二进制数据交换接口技术标准"该标准规定采用一个25 个脚的DB-25 连接器,对连接器的每个引脚的信号内容加以规定,还对各种信号的电平加以规定。
后来IBM的PC 机将RS-232 简化成了DB-9 连接器,从而成为事实标准。
而工业控制的RS-232 口一般只使用RXD、TXD、GND 三条线。
(2)RS-232 接口的电气特性在RS-232-C 中任何一条信号线的电压均为负逻辑关系。
即:逻辑"1"为-3 到-15V;逻辑"0"为+3 到+15V 。
RS-232-C 最常用的9 条引线的信号内容如下所示DB-9 1 2 3 4 5 6 7 8 9DB-25 8 3 2 20 7 6 4 5 22定义DCD RXD TXD DTR GND DSR RTS CTS RI(3) RS-232 接口的物理结构RS-232-C 接口连接器一般使用型号为DB-9 插头座,通常插头在DCE端,插座在DTE端.PC 机的RS-232 口为9 芯针插座。
而波士RS-232/RS-485转换器的RS-232为DB-9 孔插头。
一些设备与PC 机连接的RS-232 接口,因为不使用对方的传送控制信号,只需三条接口线,即"发送数据TXD"、"接收数据RXD"和"信号地GND "。