抽芯式双金属温度计
- 格式:docx
- 大小:32.13 KB
- 文档页数:3
双金属温度计技术规格书嘿,咱今儿就来唠唠双金属温度计技术规格书这档子事儿。
你说啥是双金属温度计呀?简单来讲,它就像是个超级敏感的温度小侦探!它能精确地测量出各种温度,从冷冰冰的低温到热辣辣的高温,它都能给你摸得透透的。
这双金属温度计啊,可有着不少讲究呢!先说说它的测量范围吧,那可不能含糊,得能覆盖咱平常可能遇到的各种温度情况,不然要它干啥呢?就好比你去买鞋,总不能买双小得塞不进去脚的吧!然后就是它的精度啦,这可是关键啊!要是测个温度都没准头,那不就跟瞎猜差不多了嘛!咱得要那种能准确到小数点后几位的,这样心里才踏实呀!还有哦,它的响应时间也很重要呢!总不能等半天温度才显示出来吧,那多耽误事儿呀!就像你饿了等饭吃,等半天不上桌,那不得急死个人呀!再就是稳定性,可不能今天测一个样儿,明天又变了,那可不行,得像咱老祖宗传下来的宝贝一样稳稳当当的。
双金属温度计的结构呢,也得好好说道说道。
那探头就像是它的眼睛,得灵敏地感受温度的变化。
然后那表盘或者显示屏,就像是它的嘴巴,得清清楚楚地把温度告诉咱呀!还有那连接的部分,也得结实牢固,不能随随便便就出问题。
它的材质也不能马虎呀!得能经得住各种环境的考验,不管是潮湿的呀,还是高温的呀,都得稳稳当当的。
这就好比战士上战场,没有好装备怎么行呢?而且呀,好的材质还能让它的使用寿命更长呢,咱可不想三天两头就换一个温度计吧!咱再想想,双金属温度计在不同的领域都大有用处呢!在工业上,那可是把关温度的重要角色,稍有偏差可能就会影响产品质量。
在日常生活中,咱也能拿它来测测家里的温度呀,看看是不是该开空调或者暖气啦。
你说这双金属温度计是不是很神奇呀?它就像一个默默工作的小卫士,为我们的生活和工作保驾护航。
咱可得好好了解它的技术规格,选一个最合适的,让它发挥出最大的作用呀!难道不是吗?总之呢,双金属温度计虽然看起来小小的一个,但它的技术规格可一点儿都不简单。
咱得认真对待,选对了才能让它更好地为咱服务呀!这可不是开玩笑的事儿哟!。
WSS、WSSX系列WSS, WSSX Series工业双金属温度计Industrial double metal thermometer说明书Manual上海辰心仪表有限公司Shanghai Chenxin Instruments Co.,Ltd一、用途双金属温度计是一种适合测量中、低温的现场检测工业仪表。
可用来直接测量气体、液体和蒸汽的温度。
带电接点双金属温度计,并能在工作温度超过给定值时,自动发出控制信号切断电源或报警。
双金属温度计具有无汞害、易读数、坚固和耐振等优点,可代替工业玻璃水银温度计广泛适用于工业和科研部门。
双金属温度计分为普通型、户外型、防腐型三种。
普通型外壳用铁皮电镀,保护管用不锈钢,适用于室内一般场合使用。
户外型外壳用铝金制造,保护管,连接柱均采用不锈钢,密封性较好,适用于室内外,一般耐腐蚀场所。
防腐型外壳采用全不锈钢,保护管、连接柱可用钼二钛材料,连接部分均采用密封胶,可适用于多数腐蚀介质、气体的测量。
二、结构原理双金属温度计感温元件采用多圈直螺旋形双金属片。
一端固定,另一端(自由端)连接在芯轴上,轴向型温度计指针直接装在芯轴上。
径向型结构指示针通过转角弹簧与芯轴连接。
当温度变化时,感温元件自由端旋转,经芯轴传动指针在刻度盘上指示被测介质温度的变化值。
电接点温度计,指针上装有动接点,固定接点装在设业指针上指针触头随温度变化旋转,当温度达到或超过设定值时,接点闭合发出信号,以达自动控制和报警的目的。
三、主要技术参数1、温度计为轴向型、径向型、135°三种型式。
2、温度计的精度等级为1级、1.5级。
3、温度计的测量范围见表一。
4、温度计的时间常数不超过40S。
5、保护管的材料为1Cr18Ni9Ti不锈钢和钼二钛,其所能承受的分称压力为6.4MaP。
6、温度计分普通型、户外型、防腐型三种型式。
7、温度计的接点为上、下限,单限,双上限(全部常开)。
8、接点额定功率:10VA(无感负载)。
双金属温度计型号及代表意义是什么双金属温度计是一种常见的温度测量仪器,它利用不同膨胀系数的两种金属片的热膨胀特性来测量温度。
不同的双金属温度计型号代表着不同的特点和应用领域。
下面将介绍一些常见的双金属温度计型号及其代表意义。
一、B型双金属温度计:B型双金属温度计是一种高精度的温度测量仪器,其特点是具有较高的灵敏度和稳定性。
它适用于对温度变化要求较高的场合,如实验室、科研等领域。
B型双金属温度计的代表意义是高精度测量和稳定性。
二、E型双金属温度计:E型双金属温度计是一种适用于较高温度范围的温度测量仪器,其特点是具有较高的耐热性和抗腐蚀性。
它适用于高温工艺、冶金等领域。
E型双金属温度计的代表意义是耐高温和抗腐蚀。
三、K型双金属温度计:K型双金属温度计是一种广泛应用于工业领域的温度测量仪器,其特点是具有较高的测量范围和较低的成本。
K型双金属温度计适用于一般工业场合,如化工、制药、食品等领域。
K型双金属温度计的代表意义是广泛应用和经济实用。
四、T型双金属温度计:T型双金属温度计是一种适用于低温环境的温度测量仪器,其特点是具有较低的测量范围和较高的精度。
T型双金属温度计适用于低温实验、冷链物流等领域。
T型双金属温度计的代表意义是低温测量和高精度。
需要注意的是,以上介绍的双金属温度计型号及其代表意义只是一部分常见的型号,实际应用中还有其他型号的双金属温度计,每种型号都有其特定的应用领域和代表意义。
总结起来,双金属温度计的型号代表着其特点和应用领域。
常见的双金属温度计型号包括B型、E型、K型和T型等,它们分别代表着高精度测量和稳定性、耐高温和抗腐蚀、广泛应用和经济实用、低温测量和高精度等特点。
希望以上信息能够帮助您了解双金属温度计的型号及其代表意义。
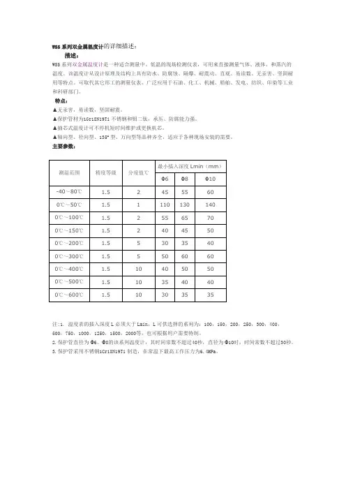
WSS系列双金属温度计的详细描述:描述:WSS系列双金属温度计是一种适合测量中、低温的现场检测仪表,可用来直接测量气体、液体、和蒸汽的温度。
该温度计从设计原理及结构上具有防水、防腐蚀、隔爆、耐震动、直观、易读数、无汞害、坚固耐用等特点。
可取代其它形工的测量仪表,广泛应用于石油、化工、机械、船舶、发电、纺织、印染等工业和科研部门。
特点:▲无汞害,易读数,坚固耐震。
▲保护管材为1Gr18Ni9Ti不锈钢和钼二钛,承压、防腐能力强。
▲抽芯式温度计可不停机短时间维护或更换机芯。
▲轴向型、径向型、135º型、万向型等品种齐全,适应于各种现场安装的需要。
主要参数:最小插入深度Lmin(mm)测温范围精度等级分度值℃Φ6 Φ8 Φ10-40~80℃ 1.5 2 45 55 600℃~50℃ 1.5 1 110 130 1400℃~100℃ 1.5 2 55 65 700℃~150℃ 1.5 2 40 45 500℃~200℃ 1.5 5 30 35 400℃~300℃ 1.5 5 50 60 600℃~400℃ 1.5 10 40 50 500℃~500℃ 1.5 10 35 40 400℃~600℃ 1.5 10 30 35 35注:1. 温度表的插入深度L必须大于Lmin,L可供选择的系列为:100,150,200,250,300,400,500,750,1000,1250,1500,2000等,也可根据用户需要特制。
2.保护管直径为Φ6、Φ8的该系列温度计,其时间常数不超过40秒,直径为Φ10时,时间常数不超过30秒。
3.保护管采用不锈钢1Cr18Ni9Ti制造,在常温下最高工作压力为6.4MPa。
选型方法:型号类别表头直径位置特征安装方式防护形式说明WSS- 双金属温度计X- 带电接点3 Ф604 Ф1005 Ф1500 轴向型(直型)1 径向型(角型)2 135º型(钝角型)8 万向型(可调角型)0 无固定装置1 可动外螺纹2 可动内螺纹3 固定螺纹4 固定法兰5 卡套螺纹6 卡套法兰无未标注普通型W防护型F防腐型B隔爆型M上下限(电接点位式调节)N双上限(电接点位式调节)P双下限(电接点位式调节)WSS- X 5 2 3 M典型型号选型。
双金属温度计的使用433人阅读| 0条评论发布于:2011-8-24 1:39:00写这个博客前偶纠结了半天,到底是写使用维护呢,还是写使用维修。
使用维护双金属温度计在安装后除了打扫卫生张贴标签外还真没有可维护的工作,使用维修双金属温度计在日常使用中出现故障貌似只校准不维修(不能或者懒得维修)可是双金属温度计又是现场检测温度最常用的仪表,于是偶还是写下几点心得以作过去工作的总结。
在工业生产中现场测温应用最为广泛的就是双金属温度计,这个是除压力表外应用最为广泛的现场指示仪表。
根据现场使用环境和北侧介质特性其型号和安装方式有多种。
最常见的表头方式是万向型(表头能够在一定角度范围内选择),这种温度计由于表盘能够调整角度,对现场安装(不用在安装时考虑表头的方向)和工艺人员巡检记录(可以调整表头指向便于观察读数)带来很大方便性。
因为工艺生产被测介质的高温高压性其应用最为广泛的安装方式是可动外螺纹安装,这个通过对工艺管线设备开口焊接双金属嘴子(连接头)然后通过螺纹连接,通过双金属垫片密封来进行安装。
根据现场工艺开工情况及介质腐蚀性选择保护套管的材质和更换方式,最常见的保护套管是316L型不锈钢材质,如果现场测温要求较高那么可以选择在线更换抽芯式温度计,可以在不影响装置生产的情况下在线更换双金属温度计。
双金属温度计除以上选型外在安装前要注意的两个指标就是插入深度和测量范围,插入深度基本要根据工艺管线或设备通径大小来选择,工艺管线基本上要求是过中间线因为工艺管线的双金属嘴子大都是逆着介质流向焊接所以在选用插入深度时要大于管线内径,如果双金属连接头外露管线较长还要把其长度加入到插入深度内,只有双金属测温部分处在介质的中心线附近其测温准确性才高。
测量范围要根据工艺介质的温度变化范围来选择,其最理想的情况就是正常温度指示处于表盘的中心位置,即量程选择为被测温度的3倍,但现实中双金属温度计基本上都是50度的倍数,因此在选用时要选用时要最靠近量程的温度计。
双金属温度计的原理及安装方式双金属温度计工作原理双金属温度计的是利用二种不同温度膨胀系数的金属,一端焊接在固定点,另一端当温度变化时扭曲变形,将其转换成指针偏转角度,指示温度。
抽芯式是指双金属感温元件可以从外保护管内抽出更换,是使用广泛的现场指示温度计。
双金属温度计为提高测温灵敏度,通常将金属片制成螺旋卷形状。
当多层金属片的温度更改时,各层金属膨胀或收缩量不等,使得螺旋卷卷起或松开。
由于螺旋卷的一端固定而另一端和一可以自由转动的指针相连,因此,当双金属片感受到温度变化时,指针即可在一圆形分度标尺上指示出温度来。
这种仪表的测温范围是—80~500℃,允许误差均为标尺两程的1%左右。
按双金属温度计指针盘与保护管的连接方向可以把双金属温度计分成轴向型、径向型、135°向型和万向型四种。
1、径向型双金属温度计:指针盘与保护管平行连接;2、135°向型双金属温度计:指针盘与保护管成135°连接;3、万向型双金属温度计:指针盘与保护管连接角度可任意调整;4、轴向型双金属温度计:指针盘与保护管垂直连接双金属温度计的性能如何?双金属温度计把两种线膨胀系数不同的金属组合在一起,一端固定,当温度变化时,两种金属热膨胀不同,带动指针偏转以指示温度,这就是双金属片温度计。
测温范围为—80~600C,它适用于工业上精度要求不高时的温度测量。
双金属片作为一种感温元件也可用于温度自动掌控。
双金属温度计的优点在于响应速度快、体积小、线性度好、较稳定,国外有些产品还具备高温工作性能。
双金属温度计的热电势大小仅与热电极材质的热电性质和两端温度差有关。
接受同一种匀质导体或半导体构成回路,都不会产生热电势。
热电偶两个接点温度T,T0,若T=T0,热电偶的热电势为零。
中心温度定律为订立热电偶分度表奠定了基础。
很多年来,科学家们试图讨论能否用函数关系式甚至用分段函数来表达热电偶的热端(测量端)温度与热电偶回路所产生的热电势之间的关系,最后没能成功。
双金属温度计的工作原理
双金属温度计是一种利用双金属片热膨胀原理测量温度的仪器。
其工作原理如下:
1. 双金属片:双金属温度计由两种不同热膨胀系数的金属片叠合而成。
通常使用由镍和铁合金组成的双金属片,这两种金属在温度变化时具有不同的热膨胀特性。
2. 热膨胀:当温度升高时,镍片的热膨胀系数大于铁片,导致双金属片整体弯曲,镍片位于外侧,铁片位于内侧。
相反,当温度降低时,镍片的热膨胀系数小于铁片,导致双金属片反向弯曲。
3. 弯曲后的传导:双金属片的弯曲状态会影响到它的电阻情况。
当双金属片弯曲时,其中一种金属片被拉伸,另一种金属片被压缩,从而改变了双金属片的电阻。
这样的电阻变化可以通过电路连接进行测量。
4. 温度测量:根据受温度影响而产生的双金属片的弯曲程度,可以通过测量其电阻变化来推算出温度的变化情况。
一般情况下,温度与电阻的关系可以通过校准得到的曲线来进行读取和转换。
总之,双金属温度计的工作原理是利用双金属片在温度变化时因热膨胀系数不同而导致的弯曲来测量温度,通过测量双金属片的电阻变化来间接反映温度变化的原理。
双金属温度计的特点及其检定方法研究双金属温度计是一种常用的温度测量设备,具有许多特点和优点,并且在工业、化工、石油、冶金等领域有着广泛的应用。
本文将对双金属温度计的特点以及其检定方法进行研究。
一、双金属温度计的特点1. 高精度:双金属温度计具有高精度的特点,可以满足高精度温度测量的需求。
其测量范围通常在-200℃至500℃之间,精度可达到0.5℃以上。
2. 耐压性强:双金属温度计能够在较高的压力下正常工作,因此适用于高压环境下的温度测量。
3. 耐腐蚀性好:双金属温度计的外壳材质通常选择不锈钢或合金材料制成,具有良好的耐腐蚀性,适合在腐蚀性介质中进行温度测量。
4. 反应速度快:双金属温度计的反应速度较快,能够快速准确地反映出被测物体的温度变化,适用于需要对温度变化进行及时监测的场合。
5. 结构简单:双金属温度计的结构相对简单,维护和使用便捷,且成本较低,适用于工业现场的大规模使用。
二、双金属温度计的检定方法研究双金属温度计的准确性对于工业生产过程的控制具有重要意义,因此对其进行定期的检定和校准至关重要。
下面将介绍双金属温度计的检定方法。
1. 外观检查首先进行外观检查,包括外壳、连接接头、指针和刻度盘等部分的检查,确保外观完整无损。
2. 工作原理检查检查双金属温度计的工作原理是否正常,包括双金属片的材质、连接方式等,确保其工作原理符合要求。
3. 温度测量检查使用标准温度计对双金属温度计进行比对测量,检查其测量准确性和稳定性。
4. 机械性能检查检查双金属温度计的机械性能,包括指针的活动性、调节手柄的灵活性等。
5. 校准调整根据检定结果对双金属温度计进行校准调整,确保其测量结果符合要求。
双金属温度计原理
双金属温度计是一种常用的温度测量仪器,其原理基于热膨胀的特性。
它由两种不同膨胀系数的金属条组成,通常是由铁和常用合金制成。
这两个金属条通过焊接或紧固在一起,形成一条螺旋状的双金属片。
当温度发生变化时,双金属片的两个金属条会因为具有不同的热膨胀系数而展开或收缩。
由于金属的热膨胀系数不同,双金属片会因温度的升高或降低而产生曲线形变。
这种形变会被传递到温度计的指针或电子传感器上,从而可以根据指针或传感器的位置来测量温度。
具体而言,当温度升高时,金属条的热膨胀系数较大的那一侧会膨胀得更快,导致双金属片向外展开。
相反,当温度降低时,热膨胀系数较小的一侧会先收缩,使双金属片向内收缩。
通过与一个已知温度相关的刻度盘或电子读数设备相连,我们可以准确测量出温度变化。
双金属温度计的优点是简单、可靠而且经济实惠。
它广泛应用于各个领域,如低温仓库、加热设备、空调系统和汽车工业等。
然而,需要注意的是,双金属温度计的精度相对较低,通常在±1℃左右。
因此,在对温度要求较高的场合,可能需要使用
其他更为精确的温度测量方法。
双金属温度计安装注意事项
双金属温度计是一种常用于测量温度的设备,其安装质量直接影响测量的准确性和稳定性。
以下是安装双金属温度计时需要注意的一些事项:
1. 安装位置选择:
选择合适的安装位置,确保双金属温度计暴露在需要测量的环境中。
避免安装在受到直射阳光、高温、潮湿等影响的地方。
2. 防护套管:
如果可能的话,使用防护套管来保护双金属温度计,特别是在有腐蚀性或脏污的环境中,以延长其使用寿命。
3. 固定支架:
使用适当的固定支架将双金属温度计安装牢固,确保它不会受到振动或外部干扰。
4. 正确的插入深度:
将双金属温度计的探头插入到被测介质中的正确深度。
插入深度不足或过深都可能影响温度测量的准确性。
5. 避免弯曲和拉伸:
避免过度弯曲或拉伸双金属温度计的连接线,以免影响其灵敏度和准确性。
6. 电缆保护:
对于带有连接电缆的双金属温度计,应采取措施防止电缆受到损坏,例如使用电缆护套或安装在电缆槽中。
7. 环境温度影响:
在安装过程中考虑环境温度对双金属温度计的影响,特别是在极端温度环境
下,可能需要采取陶瓷套管等措施进行保护。
8. 定期检查和校准:
定期检查双金属温度计的状态,确保连接良好,没有损坏。
定期校准以确保测量的准确性。
在安装双金属温度计之前,最好参考制造商提供的安装说明和操作手册,以确保按照正确的步骤进行安装。
双金属温度计量程范围
双金属温度计是一种常用的温度测量仪器,其量程范围取决于其设计和制造的具体规格。
一般来说,双金属温度计的量程范围可以从非常低的温度到相当高的温度。
具体的量程范围取决于双金属温度计的设计和制造,以及用户的需求。
在一般工业应用中,双金属温度计的量程范围可以覆盖从零下几十摄氏度到数百摄氏度甚至更高的温度范围。
例如,常见的双金属温度计可以覆盖从-50摄氏度到+500摄氏度的温度范围。
当然,也有一些特殊设计的双金属温度计,其量程范围可以覆盖更广泛的温度范围,如极低温度或极高温度环境下的测量。
此外,对于特定行业和特殊需求,还可以定制设计量程范围更广的双金属温度计,以满足特定的温度测量要求。
总的来说,双金属温度计可以根据需要设计和制造不同量程范围的产品,以适用于不同的温度测量场景。
型号选型表示:主要型号表示:轴向型双金属温度计径向型双金属温度计135°向型双金属温度计万向型双金属温度计1 概述采用双金属温度计与热电阻(偶)一体化的方式,既满足了现场测温的需求,又满足了远距离传输热电阻(偶)信号的需求,可用来直接测量各种生产过程中的-80℃~500℃范围内的液体和气体介质以及固体表面温度并远传信号。
安装型式与双金属温度计相同。
2 结构原理热电阻(偶)双金属一体化温度计是将铠装热电阻(偶)安装在双金属温度计的保护管内,来完成现场测温和远传热电阻(偶)信号的双重目的。
3 主要技术指标1)执行标准:JB/T8803-1998,GB3836.2-2000;2)公称直径(mm):φ60、φ100、φ150;3)热响应时间:≤40s;4)防护等级:IP55;5)角度调整误差:角度调整误差应不超过其量程的1.0%;6)回差:温度计回差应不大于允许基本误差的绝对值;7)重复性:温度计重复性数值应不大于允许基本误差绝对值的1/2 ;8)基本误差注:表中t为工作温度。
9)使用温度范围: -80℃~500℃10)双金属温度计保护管浸入被测介质中的长度必须大于感温元件的长度,一般浸入长度大于100mm,保护管最小外径ф10mm。
4 型号及规格选型举例:(1)WSSP-413d:Pt100远传,表头直径Φ100mm,径向结构,固定螺纹安装,隔爆型ExdIIBT4;5 外形尺寸6 使用和维护1)双金属温度计保护管浸入被测介质中的长度必须大于感温元件的长度,一般浸入长度大于100mm,0~50℃量程的浸入长度大于150mm,以保证测量的准确性;2)双金属温度计在保管、使用安装及运输中,应避免碰撞保护管,切勿使保护管弯曲变形及将表壳当扳手使用;3)各类双金属温度计不宜用于测量敞开容器内介质温度,带接点温度计,不宜在工作振动较大场合的控制回路中使用;4)双金属温度计在正常使用情况下,应定期检验。
一般以每隔6个月检验一次为。
双金属温度计原理
双金属温度计原理图之双金属感应片:
双金属温度计原理是应用热膨胀原理测温的,属于固体膨胀式温度计。
双金属温度计基于固体受热膨胀原理,测量温度通常是把两片膨胀系数差异相对很大的金属片叠焊在一起,构成双金属感温元件.当温度变化时,因双金属片的两种不同材料的线膨胀系数差异相对很大儿产生不同的膨胀和收缩,导致双金属片产生弯曲变形.根据不同的变形的量而产生不同的转动量,转动的量带动连接的转轴,转轴带动另一端的指示针,这样指示指针就可以指在正确的读数上,指示出了温度.
双金属温度计原理图一(双金属片受热原理图)见下:
根据双金属温度计原理,双金属温度计的感温元件的形状又可以分为有平面螺旋型和直线螺旋型两大类。
双金属温度计原理图二(双金属感应片形状图)
直线螺旋形平面螺旋形
根据双金属温度计的原理,双金属温度计的工作结构见下图:
双金属温度计原理图三(双金属温度计分解图)
双金属温度计的测量温度范围大致为:-80℃到550℃,但是极低和极高温度的精度不高。
双金属温度计的原理决定了双金属温度计的抗震性好,读数方便,广泛适用于在各种工业生产和设备中。
一、双金属远传温度计简介:
双金属远传温度计(双金属指示热电阻 ( 偶 ))是具有现场指示和远传显示功能的一体化温度测量仪表,可用来直接测量气体、液体和物质的温度。
仪表可现场清晰地看到指示值,又可把信号远传到控制室。
传到控制室的信号有 Pt100 热电阻信号,K、 E 型和 J 型热电偶信号,也有经过变送为 4-20mA 的标准信号,起到了一表两用的作用。
二、双金属远传温度计参数
性能:
1、具有测温探头小,灵敏度高、线性刻度、寿命长等特点。
2、具有远传输出电阻信号(PT100),抗震性,耐腐蚀性及大功率开关信号等多种功能。
3、结构形式与国际同类产品相同,可替代进口。
技术参数:
1、测温范围 -40~600℃
2、环境温度 -10~55℃
3、相对湿度≤95%
4、精度等级 1.5级
5、时间常数≤60S
6、探头耐压≤6Mpa
7、探头直径:φ8-10mm、可动外螺纹:M27*2
8、热电阻PT100(单路、双路输出)或4-20mA电流输出
9、防护等级:IP55
三、远传双金属温度计的型号与规格
型号:WTYY-1020/1030/1021/1031。
双金属温度计技术要求
双金属温度计是一种常见的温度测量设备,它的工作原理是基于两种不同膨胀系数的金属叠合在一起,在温度变化时产生弯曲,通过测量弯曲量来确定温度。
双金属温度计的技术要求包括以下几个方面:
1. 准确性:双金属温度计的测量准确性是关键,应满足特定的测量要求,通常需要校准并具有一定的测量误差范围。
2. 灵敏度:温度计的灵敏度取决于双金属膨胀系数的差异和金属的厚度,越大的差异和薄度将产生更大的弯曲量,从而提高了灵敏度。
3. 线性:温度计输出信号与温度的关系应为线性,即在温度范围内,输出信号应随温度的变化呈线性关系。
4. 响应时间:温度计的响应时间应尽可能短,能够及时反映温度的变化。
5. 耐压性能:双金属温度计需要具有一定的耐压能力,以适应不同工作条件下的压力变化。
6. 耐腐蚀性能:双金属温度计的材料应具有抗腐蚀性能,能够适应潮湿、酸碱等恶劣环境下的工作。
7. 结构稳定性:双金属温度计的结构应具有一定的稳定性,能
够在长时间使用过程中保持良好的性能。
8. 寿命:双金属温度计的设计应具备较长的使用寿命,能够稳定地工作并保持准确性。
以上是双金属温度计的一些常见技术要求,根据具体应用需求,技术要求可能会有所不同。
双金属温度计是靠哪个部位感温的双金属温度计是一种常见的温度测量设备,它通常用于在工业、医疗、实验室等领域进行温度测量。
那么,双金属温度计是靠哪个部位感温的呢?在本篇文章中,我们将深入探讨双金属温度计的工作原理,回答这个问题。
双金属温度计的结构双金属温度计是由两个不同膨胀系数的金属片叠在一起形成的,一般来说,这两种金属的膨胀系数相差较大,通常为铁-铬或铁-镍两种金属。
双金属温度计的结构如下图所示:--------------------/ | |/ | |/ --------------------/--------------------------其中,上下两个金层分别由不同的金属制成。
当两个金属受到热膨胀作用时,由于两种金属的膨胀系数不同,导致两个金属在不同的温度下会产生不同的膨胀量,从而形成了一个弯曲的双金属片。
工作原理双金属片受到的热膨胀作用越大,其弯曲的程度就越大。
当将双金属温度计用来测量温度时,只需要将其与待测物体接触,双金属片就会受到该物体的热膨胀作用,从而弯曲。
在弯曲过程中,双金属片与基底板之间的接触面积发生变化,这种变化可以转换成与温度相关的信号输出。
通常情况下,双金属片的两端均固定在基底板上,一端固定不动,另一端连接了一个游标,游标的位置随着双金属片的弯曲而发生变化。
游标的位置变化可以通过一个观察窗口来观察。
双金属温度计的感温部位根据上面的描述,可以看出双金属温度计是通过双金属片的膨胀变形来进行温度测量的。
而双金属片所处的位置就是感温部位。
当双金属片与待测物体接触时,待测物体的温度会作用于双金属片,从而导致双金属片发生变形,该变形的程度与待测物体的温度成正比。
因此,双金属温度计的感温部位就是双金属片所处的位置。
双金属温度计的感温部位通常是其末端,也就是与待测物体接触的部位。
这个部位需要与待测物体紧密接触,以确保感温的精度和准确性。
总结双金属温度计是一种通过双金属片的热膨胀变形来进行温度测量的设备。
型号选型表示:列号WSS 双金属温度计表盘公称直径3Φ60 4Φ100 5Φ150表盘形式0 轴向(直型)指针盘与保护管垂直连接。
1 径向(角型)指针盘与保护管平行连接2 135°向(钝角型)指针盘与保护管成135°连接8 万向(可调角型)指针盘与保护管连接角度可任意调整安装固定形式0 无固定装置1 可动外螺纹2 可动内螺纹3 固定螺纹4 固定法兰5 卡套螺纹6 卡套法兰保护形式- 普通型W 防护型F 防腐型主要型号表示:一、表盘直径Φ60mm WSS-301 WSS-302 WSS-303 WSS-304WSS-311 WSS-312 WSS-313 WSS-314WSS-381 WSS-382 WSS-383 WSS-384WSS-351 WSS-352 WSS-353 WSS-354WSS-361 WSS-362 WSS-363 WSS-364WSS-371 WSS-372 WSS-373 WSS-374 二、表盘直径Φ100mmWSS-401 WSS-402 WSS-403WSS-404WSS-411 WSS-412 WSS-413WSS-414WSS-481 WSS-482 WSS-483WSS-484WSS-451 WSS-452 WSS-453WSS-454WSS-461 WSS-462 WSS-463WSS-464WSS-471 WSS-472 WSS-473WSS-474三、表盘直径Φ150mmWSS-501 WSS-502 WSS-503WSS-504WSS-511 WSS-512 WSS-513WSS-514WSS-581 WSS-582 WSS-583WSS-584WSS-551 WSS-552 WSS-553WSS-554WSS-561 WSS-562 WSS-563WSS-564WSS-571 WSS-572 WSS-573WSS-574轴向型双金属温度计型号 测温范围 精度等级 保护管材料 规格 安装固定形式DLWSS-330 -80~+40-40~+80 0~50 0~100 0~1500~2000~3001.51Cr18Ni9Ti 304 316316L哈氏C-276 套四氟防腐蚀 Φ60 75100150200300 400 500750100015002000 无固定装置 WSS-440 Φ100 WSS-500 Φ150 WSS-301 Φ60 可动外螺纹 WSS-401 Φ100 WSS-501 Φ150WSS-302 Φ60 可动内螺纹WSS-402Φ100 WSS-502 Φ150WSS-303 Φ60 固定螺纹WSS-403 Φ100 WSS-503 Φ150WSS-304Φ60固定法兰WSS-404 Φ100 WSS-504 Φ150 WSS-305 Φ60卡套螺纹 WSS-405 Φ100 WSS-505 Φ150 WSS-306 Φ60 WSS-406 Φ100 卡套法兰 WSS-506Φ150径向型双金属温度计型号测温范围 精度等级 保护管材料规格 安装固定形式DLWSS-310 -80~+40 -40~+80 0~501.5 1Cr18Ni9Ti 304 316 Φ60 75100 150无固定装置WSS-410 Φ100 WSS-510 Φ150WSS-311 0~100 0~150 0~2000~3000~4000~500 316L 哈氏C-276 套四氟防腐蚀 Φ60 200300 4005007501000 1500 2000可动外螺纹 WSS-411 Φ100 WSS-511 Φ150 WSS-312Φ60可动内螺纹 WSS-412 Φ100 WSS-512 Φ150 WSS-313 Φ60 固定螺纹WSS-413 Φ100 WSS-513 Φ150 WSS-314 Φ60 固定法兰 WSS-414 Φ100 WSS-514 Φ150 WSS-315 Φ60 卡套螺纹 WSS-415 Φ100 WSS-515 Φ150 WSS-316 Φ60 WSS-416 Φ100 卡套法兰 WSS-516Φ150135°向型双金属温度计型号 测温范围 精度等级 保护管材料 规格 安装固定形式 D LWSS-420 -80~+40 -40~+80 0~500~1000~1500~2000~300 0~400 0~500 1.51Cr18Ni9Ti304316316L 哈氏C-276 套四氟防腐蚀Φ100 75100 150200 300400 500750 1000 15002000 无固定装置WSS-520 Φ150WSS-421Φ100 可动外螺纹WSS-521 Φ150 WSS-422 Φ100 可动内螺纹 WSS-522 Φ150 WSS-423Φ100 固定螺纹WSS-523Φ150WSS-424 Φ100固定法兰WSS-524 Φ150 WSS-425 Φ100 卡套螺纹 WSS-525 Φ150WSS-426 Φ100 卡套法兰WSS-526Φ150万向型双金属温度计型号测温范围精度等级保护管材料规格安装固定形式D LWSS-480-80~+40-40~+800~500~1000~150 0~200 0~300 0~400 0~500 1.51Cr18Ni9Ti304316316L哈氏C-276套四氟防腐蚀Φ10075100150200300400500750100015002000无固定装置WSS-580 Φ150WSS-481 Φ100可动外螺纹WSS-581 Φ150WSS-482 Φ100可动内螺纹WSS-582 Φ150WSS-483 Φ100固定螺纹WSS-583 Φ150WSS-484 Φ100固定法兰WSS-584 Φ150WSS-485 Φ100卡套螺纹WSS-585 Φ150WSS-486 Φ100卡套法兰WSS-586 Φ1501 概述采用双金属温度计与热电阻(偶)一体化的方式,既满足了现场测温的需求,又满足了远距离传输热电阻(偶)信号的需求,可用来直接测量各种生产过程中的-80℃~500℃范围内的液体和气体介质以及固体表面温度并远传信号。
抽芯式双金属温度计是一种测量中低温度的现场检测仪表。
可以直接测量各种生产过程中的-80℃-+500℃范围内液体蒸汽和气体介质温度。
抽芯式双金属温度度表头和感温元件连成一体,外保护管通过抽芯接头可以随时拆卸下来,当需要更换新的温度计时只要把表头部分从固定于设备上的外保护管中抽出来换上另一个新的温度计即可,更换新温度计只要两、三分钟就可完成,不需停机更换。
双金属温度计是把感温元件的头部用氩弧焊固定于保护管的底部,当温度计失灵、发生故障、损坏、或发生其他状况时,只有中断生产才能更换新表。
而抽芯式双金属温度计,把表头和感温元件连成一体,把外保护管和连接件连成又一体,当需要更换新表时只要把表头部分从固定于设备上的外保护管中抽出来换上另一个新表头即可。
更换新表只要用两、三分钟就可完成,不需停机更换。
目前,国内外一般使用的双金属温度计如果需要开机不停产更换新表必须另加外套管。
这样由于用了两个套管,大大增加了温度响应时间,降低了灵敏度,并由于用了两个套管,增加了使用单位经济负担。
抽芯式双金属温度计特点:现场显示温度,直观方便;安全可靠,使用寿命长;抽芯式温度计可不停机短时间维护或更换机芯。
轴向型、径向型、万向型等品种齐全,适应于各种现场安装的需要。
抽芯式双金属温度计工作原理:双金属温度计是基于绕制成环性弯曲状的双金属片组成。
一端受热膨胀时,带动指针旋转,工作仪表便显示出热电势所应的温度值。
安徽皖控自动化仪表有限公司成立于2012年,是专业从事工业自动化仪表研究开发、制造的专业厂家之一,注册资金5510万元。
自公司成立以来被评为高新技术企业、规模企业、成立有滁州市工业在线检测仪表工程技术研研究中心、获得青年文明号、民营科技企业的称号,市认定企业技术中心证书、高新技术产品认证证书、市科技进步奖。
展望未来,安徽皖控自动化仪表有限公司将会不断创新,通过提供具有国际水准的优质产品和卓越的服务为客户创造价值,在发展成为国内过程自动化仪表行业顶级企业的同时,促进中国自动化技
术的应用与发展水平,为推动中国社会工业化的进程不断努力!。