钢构件组装检查记录(焊接连接制作组装)
- 格式:docx
- 大小:19.79 KB
- 文档页数:2
钢结构(钢构件焊接)分项工程检验批质量验收记录工程名称分项工程名称避雷标志针项目经理施工单位验收部位 A 楼顶层监理单位施工执行标准名称及编号分包单位《钢结构工程施工质量验收规范》 (GB50205-2001 )分包项目经理主控项目12345678123456质量验收规范的规定施工单位自检记录合格合格合格合格合格合格合格合格合格合格合格合格合格完整完整焊接材料进场焊接材料复验条)材料匹配条)焊工证书焊接工艺评定条)内部缺陷(5.2。
4 条)组合焊缝尺寸焊缝表面缺陷条)焊接材料进场条)预热和后热处理条)焊缝外观质量条)焊缝尺寸偏差条)凹形角焊缝条)焊缝感观条)(4。
3.1 条)(4.3 。
2(5.2 。
1(5.2.2 条)(5.2 。
3(5.2.5 条)(5.2 。
6(4.3 。
4(5.2.7(5 。
2.8(5.2 。
9(5.2 。
10(5 。
2 。
11施工操作依据质量检查记录(质量证明文件)专业工长(施工员)施工班组长监理(建设)单位验收记录施工单位检查结果评定项目专业质量检查员:项目专业技术负责人:年月日一般项目专业监理工程师:(建设单位项目专业技术负责人)年 月 日监理(建设) 单位验收结论钢结构(焊钉焊接)分项工程检验批质量验收记录(GB50205—2001)表 J.O 。
2 编号: 010902/020402□□□分项工程名称 验收部位 总监理工程师专业工长 (施工员)分包项目经理质量验收规范的规定1 焊接材料进场。
2 焊接材料复验.3 焊接工艺评定.4 焊后弯曲试验。
焊钉和瓷环尺寸。
条)焊缝外观质量。
施 工 操 作 依 据质量检查记录(质量证明文件)施工单位检查 结 果 评 定监理(建设) 单位验收结论钢结构(普通紧固件连接)分项工程检验批质量验收记录工程名称施工单位监理单位施工执行标准 名称及编号分包单位(4。
3.1 条)(4。
3。
2 条)(5.3.1 条)(5。
3.2 条)施工班组长监理(建设)单位验收记录专业监理工程师:(建设单位项目专业技术负责人)(4 。
施工检查记录表钢构001 工程名称及部位:年月日项目负责人:班长:质检员:零部件切割加工施工检查记录表工程名称及部位:年月日钢构002项目负责人:班长:质检员:钢构件组装、焊接H型钢施工检查记录表工程名称及部位:年月日钢构003项目负责人:班长:质检员:焊接连接制作组装质量施工检查记录表工程名称及部位:年月日钢构004项目负责人:班长:质检员:单层钢柱制作外形尺寸施工检查记录表工程名称及部位:年月日钢构005项目负责人:班长:质检员:钢桁架制作外形尺寸施工检查记录表工程名称及部位:年月日钢构006项目负责人:班长:质检员:焊接实腹梁外形尺寸施工检查记录表工程名称及部位:年月日钢构007项目负责人:班长:质检员:多节钢柱制作外形尺寸施工检查记录表工程名称及部位:年月日钢构008项目负责人:班长:质检员:钢平台、钢梯和防护栏杆外型尺寸施工检查记录表工程名称及部位:年月日钢构009项目负责人:班长:质检员:墙架、檩条、支撑系统外型尺寸施工检查记录表工程名称及部位:年月日钢构010项目负责人:班长:质检员:压型金属板制作施工检查记录表工程名称及部位:年月日钢构011项目负责人:班长:质检员:构件焊接施工检查记录表工程名称及部位:年月日钢构012项目负责人: 班长: 质检员:构件涂装隐蔽工程 施工检查记录表工程名称及部位: 年 月 日钢构013项目负责人:班长:质检员:钢构件预拼装施工检查记录表工程名称及部位:年月日钢构014项目负责人:班长:质检员:主体结构安装施工检查记录表工程名称及部位:年月日钢构015项目负责人:班长:质检员:多层及高层钢结构中构件安装检查记录表工程名称及部位:年月日钢构016项目负责人:班长:质检员:钢结构普通紧固件连接施工检查记录工程名称及部位:年月日钢构017项目负责人:班长:质检员:高强度螺栓连接施工检查记录工程名称及部位:年月日钢构018项目负责人:班长:质检员:钢平台、钢梯和防护栏杆安装施工检查记录表工程名称及部位:年月日钢构019项目负责人:班长:质检员:墙架、檩条等次要构件安装施工检查记录表工程名称及部位:年月日钢构020项目负责人:班长:质检员:压型金属板安装施工检查记录表工程名称及部位:年月日钢构021项目负责人:班长:质检员:钢管构件制作外形尺寸施工检查记录表工程名称及部位:年月日钢构022项目负责人:班长:质检员:金属门窗(涂色镀锌钢板门窗)安装施工检查记录表工程名称及部位:年月日钢构023项目负责人:班长:质检员:特种门安装施工检查记录表工程名称及部位:年月日钢构024项目负责人:班长:质检员:。
施工检查记录表钢构001 工程名称及部位:年月日项目负责人:班长:质检员:零部件切割加工施工检查记录表工程名称及部位:年月日钢构002项目负责人:班长:质检员:钢构件组装、焊接H型钢施工检查记录表工程名称及部位:年月日钢构003项目负责人:班长:质检员:焊接连接制作组装质量施工检查记录表工程名称及部位:年月日钢构004项目负责人:班长:质检员:单层钢柱制作外形尺寸施工检查记录表工程名称及部位:年月日钢构005项目负责人:班长:质检员:钢桁架制作外形尺寸施工检查记录表工程名称及部位:年月日钢构006项目负责人:班长:质检员:焊接实腹梁外形尺寸施工检查记录表工程名称及部位:年月日钢构007项目负责人:班长:质检员:多节钢柱制作外形尺寸施工检查记录表工程名称及部位:年月日钢构008项目负责人:班长:质检员:钢平台、钢梯和防护栏杆外型尺寸施工检查记录表工程名称及部位:年月日钢构009项目负责人:班长:质检员:墙架、檩条、支撑系统外型尺寸施工检查记录表工程名称及部位:年月日钢构010项目负责人:班长:质检员:压型金属板制作施工检查记录表工程名称及部位:年月日钢构011项目负责人:班长:质检员:构件焊接施工检查记录表工程名称及部位:年月日钢构012项目负责人:班长:质检员:构件涂装隐蔽工程施工检查记录表工程名称及部位:年月日钢构013项目负责人:班长:质检员:钢构件预拼装施工检查记录表工程名称及部位:年月日钢构014项目负责人:班长:质检员:主体结构安装施工检查记录表工程名称及部位:年月日钢构015项目负责人:班长:质检员:多层及高层钢结构中构件安装检查记录表工程名称及部位:年月日钢构016项目负责人:班长:质检员:钢结构普通紧固件连接施工检查记录工程名称及部位:年月日钢构017项目负责人:班长:质检员:高强度螺栓连接施工检查记录工程名称及部位:年月日钢构018项目负责人:班长:质检员:钢平台、钢梯和防护栏杆安装施工检查记录表工程名称及部位:年月日钢构019项目负责人:班长:质检员:墙架、檩条等次要构件安装施工检查记录表工程名称及部位:年月日钢构020项目负责人:班长:质检员:压型金属板安装施工检查记录表工程名称及部位:年月日钢构021项目负责人:班长:质检员:钢管构件制作外形尺寸施工检查记录表工程名称及部位:年月日钢构022项目负责人:班长:质检员:金属门窗(涂色镀锌钢板门窗)安装施工检查记录表工程名称及部位:年月日钢构023项目负责人:班长:质检员:特种门安装施工检查记录表工程名称及部位:年月日钢构024项目负责人:班长:质检员:。
钢构件检验批质量验收记录日期:xxxx年xx月xx日施工单位:xxxx公司监理单位:xxxx公司检验单位:xxxx检验有限公司一、检验目的和依据为确保施工过程中钢构件的质量符合设计和施工规范要求,特进行质量验收检验。
本次检验依据以下文件进行:1.《钢结构工程施工及质量验收规范》2.《钢结构工程质量验收标准》3.《钢结构工程施工图》4.《钢结构施工方案》二、检验内容和方法1.检验内容包括但不限于:a)钢构件的制造工艺、焊缝质量、尺寸精度等;b)钢构件的材料、表面处理、防腐涂装等;c)钢构件的连接方式、连接质量等。
2.检验方法:a)视觉检查:通过目测和放大镜等方法,检查钢构件的表面质量、瑕疵等;b)测量检查:通过量具和测量仪器,测量钢构件的尺寸精度、焊缝几何尺寸等;c)物理性能测试:对钢构件的材料进行拉伸试验、冲击试验等;d)化学成分分析:对钢构件的材料进行化学成分分析,检验其合格性;e)厚度测量:使用探伤仪等设备,检测钢构件的防腐涂层和涂装厚度。
三、检验结果和评定1.钢构件的制造工艺、焊缝质量和尺寸精度等全部符合设计和施工规范要求。
2.钢构件的材料合格,并进行了表面处理和防腐涂装工作,防腐涂层厚度均符合要求。
3.钢构件的连接方式和连接质量均符合设计和施工规范要求。
四、存在的问题和改进措施1.部分钢构件表面存在轻微划痕和氧化现象,需要进行维护工作,保证表面不受腐蚀影响。
2.部分焊缝在非关键位置存在焊道宽度过大的情况,需要进行修整,以提高焊缝的美观度和强度。
3.部分钢构件尺寸精度略有偏差,需要在安装过程中进行调整和修正,以保证整体施工精度。
五、验收结论和意见根据钢构件的质量验收检验结果和存在问题,对施工单位提出以下意见:1.加强钢构件的表面维护工作,保证其在使用过程中不受腐蚀影响。
2.在焊接工作过程中,严格控制焊缝的宽度,提高焊缝的质量和美观度。
3.在制造和安装过程中,加强尺寸精度的控制,保证钢构件在施工中的稳定性和精度要求。
钢结构施⼯检查记录表施⼯检查记录表
钢构001 ⼯程名称及部位: 年⽉⽇
项⽬负责⼈: 班长: 质检员:
零部件切割加⼯施⼯检杳记录表
⼯程名称及部位: 年⽉⽇钢构002
项⽬负责⼈: 班长: 质检员:
钢构件组装、焊接H型钢施⼯检查记录表
⼯程名称及部位:年⽉⽇钢构003
实测点,其中合格点,点合格率
项⽬负责⼈:班长:质检员:
焊接连接制作组装质量施⼯检查记录表
⼯程名称及部位:年⽉⽇钢构004
实测点,其中合格点,点合格率
项⽬负责⼈: 班长: 质检员:
单层钢柱制作外形尺⼨施⼯检查记录表
项⽬负责⼈: 班长: 质检员:
⼯程名称及部位:
钢构005
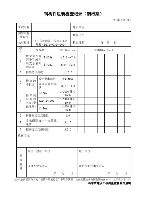
钢桁架制作外形尺⼨施⼯检查记录表
⼯程名称及部位:年⽉⽇钢构006
实测点,其中合格点,点合格率%
项⽬负责⼈: 班长: 质检员:
焊接实腹梁外形尺⼨施⼯检杳记录表
⼯程名称及部位:年⽉⽇钢构007。
工程名称维生药业环保厌氧升级改造项目自检部位厌氧罐壁板自检项目组装焊接操作日期2011.7.12 完成日期2011.7.12班组自检内容:1,6号罐第13层壁板环焊缝、立焊缝。
2.5号罐第13层壁板环焊缝、立焊缝。
3,6号罐第14层壁板卷板、运板、围板、立焊缝段焊、13层壁板顶升。
班组自检意见:1. 6号罐第13层壁板环焊缝、立焊缝焊接,罐体焊接必须先焊罐内环焊缝和立焊缝后焊接外焊缝,以减少热效应力,避免出现焊缝损伤。
2,罐内取样管必须焊接连接平直。
3,罐内顶升筋板处必须打磨清理平整,拆除筋板的损伤,必须修补好。
复查意见:严格按照班组意见施工。
复查人:复查日期:施工单位建设单位自检人班组长技术负责人现场复查人员山东省建设工程质量监督总站监制工程名称维生药业环保厌氧升级改造项目自检部位厌氧罐壁板自检项目组装焊接操作日期2011.7.13 完成日期2011.7.13班组自检内容:1,6号罐第14层壁板环焊缝、立焊缝。
2.5号罐第14层壁板环焊缝、立焊缝。
3,6号罐第15层壁板卷板、运板、围板、立焊缝段焊、14层壁板顶升。
班组自检意见:氧气、乙炔瓶脱漆严重,安保部要求更换合格气瓶,已联系厂家及时更换。
复查意见:限期更换气瓶,达到合格要求。
复查人:复查日期:施工单位建设单位自检人班组长技术负责人现场复查人员山东省建设工程质量监督总站监制工程名称维生药业环保厌氧升级改造项目自检部位厌氧罐壁板自检项目组装焊接操作日期2011.7.14 完成日期2011.7.14班组自检内容:1,6号罐第15层壁板环焊缝、立焊缝。
2.5号罐第15层壁板环焊缝、立焊缝。
3,6号罐第16层壁板卷板、运板、围板、立焊缝段焊、15层壁板顶升。
班组自检意见:安保部要求增加施工揽风绳,已联系安装公司马经理采购落实。
复查意见:抓紧落实揽风绳问题。
复查人:复查日期:施工单位建设单位自检人班组长技术负责人现场复查人员山东省建设工程质量监督总站监制工程名称维生药业环保厌氧升级改造项目自检部位厌氧罐壁板自检项目组装焊接操作日期2011.7.15 完成日期2011.7.15班组自检内容:1,6号罐第16层壁板环焊缝、立焊缝。
引言:钢结构是建筑领域中常用的结构材料,其质量对建筑物的安全和稳定性至关重要。
因此,进行钢结构质量检验是保证建筑质量的重要环节。
本文将详细介绍钢结构质量检验记录的内容和要点。
概述:钢结构质量检验记录是记录钢结构施工过程中各项质量检验工作和结果的文件。
通过记录质量检验过程和结果,可以确保钢结构的设计、制造和安装符合相关标准和规范,并且满足建筑使用的要求。
正文内容:一、钢材质量检验记录1.钢材进场检验验收证明及检验报告的合格证明文件记录钢材标识、规格、批号等基本信息的记录钢材外观质量检验结果的记录钢材化学成分和机械性能检验结果的记录2.钢材加工过程质量检验压力加工设备的合格证明文件和检验报告的记录加工工艺和参数的记录加工完成后钢材的几何尺寸、表面质量等检验结果的记录对加工不合格的钢材的处理记录3.钢材出场检验钢材出厂合格证明文件和检验报告的记录钢材尺寸、重量等基本信息的记录钢材外观质量、化学成分和机械性能等检验结果的记录钢材出场时的保护措施记录二、焊接工艺质量检验记录1.焊工合格证明文件和焊接工艺评定文件的记录2.焊接工艺参数和焊接设备的记录3.焊接前的准备工作检查记录4.焊接工作过程的检验记录5.焊缝外观质量和焊缝性能检验结果的记录三、钢结构安装质量检验记录1.安装前的准备工作检查记录2.钢件与基础之间的垫铁、铺垫材料等检验记录3.钢构件吊装、定位和校直的检验记录4.钢构件连接的质量检验记录5.安装完成后的检验记录,包括外观质量、尺寸、平整度等方面的检验结果四、防腐、防火和防雷设施质量检验记录1.防腐层涂装工艺和材料的检验记录2.防火涂层工艺和材料的检验记录3.防雷装置的检验记录,包括接地装置、避雷针等4.防腐、防火和防雷设施的施工过程检验记录5.完工后的防腐、防火和防雷设施的检验记录,包括外观质量和性能等方面的检验结果五、其他质量检验记录1.设备安装和调试的质量检验记录2.管道安装和试压的质量检验记录3.钢结构抗震设防的质量检验记录4.玻璃幕墙或外墙保温等外部附件的质量检验记录5.钢结构整体验收记录,包括各项检测结果、验收评定和意见等内容总结:钢结构质量检验记录是保证钢结构建筑质量的重要手段之一。