土方工程施工说明书及附图(施工工艺及质量保证措施和有关试验要求,施工进度工期计划等)
- 格式:docx
- 大小:40.40 KB
- 文档页数:8
水利施工组织设计范文施工组织设计1.投标人编制施工组织设计时应采用文字并结合图表形式说明工程的施工组织、施工方法、技术组织措施,同时应对关键工序、复杂环节重点提出相应技术措施等,如冬雨季施工技术、减少噪音、降低环境污染、地下管线及其它地上地下设施的保护加固措施等。
施工组织设计还应结合工程特点提出切实可行的工程质量、工程进度、安全生产、防汛度汛、文明施工、水土保持、环境保护管理方案。
施工组织设计应附的文字说明及附图见下表(不限于,仅供参考):注:安全生产保证方案至少应包括以下三部分内容:(1)建立以安全生产责任制为核心的保证体系,包括组织体系、制度体系和安全生产目标等;(2)明确工程安全生产重点部位和关键环节,提出有针对性安全技术措施;(3)施工现场实体防护投入,包括费用和主要防护设施等。
2.施工组织设计除采用文字表述外应附下列图表,图表及格式要求附后。
附件一:拟投入本标段的主要施工设备表附件二:拟投入本标段的试验和检测仪器设备表附件三:拟投入本标段的劳动力计划表附件四:计划开工日期、完工日期和施工进度网络图附件五:施工总平面图附件六:临时用地表目录第一章编制依据及原则 0第二章工程概况 (2)第三章工程特点、重点和难点 (4)第四章施工管理组织机构及职责 (5)第五章质量保证体系与保证措施 (13)第六章施工方案和技术措施 (22)第七章拟投入的主要施工机械、设备计划.. 76 第八章安全管理体系及措施 (80)第九章确保各工期的技术组织措施及进度计划84 第十章水土保持及环境保护措施 (88)第十一章文明施工体系及措施 (92)第十二章施工导流、度汛安全保证措施 (98)第十三章冬雨季施工措施 (104)第一章编制依据及原则一、编制依据1、业主提供的《金安区2016年度21座小(2)型水库除险加固工程施工标》招标文件。
2、《金安区2016年度21座小(2)型水库除险加固工程施工标1标段》工程量清单。
土方工程作业指导书一般规定:土石方工程应合理选择施工方案,编制、审批、实施符合九九定额精神,尽量采用新技术和机械化施工。
施工中如发现有文物或古墓等应妥善保护,并应立即报请当地有关部门处理后,方可继续施工。
在敷设有地上或地下管道、光缆、电缆、电线的地段施工进行土方施工时,应事先取得管理部门的书面同意,施工时应采取措施,以防损坏。
土石方工程应在定位放线后,方可施工。
土方工程施工应进行土方平衡计算,按照土方运距最短、运程合理和各个工程项目的施工顺序做好调配,减少重复搬运。
1、场地平整1.1、操作方法:关键是测量,随干随测,最终测量作好书面记录。
实地测点标识,作为检查、交验的依据。
填方应选用符合要求的土料,边坡施工应按填土压实标准进行水平分层回填压实。
平整场地后,表面逐点检查,检查点的间距不宜大于20M。
1.2.质量要求及标准:1.2.1.平整场地:平整区域的坡度与设计相差不应超过0.1%,排水沟坡度与设计要求相差不超过0.05%,设计无要求时,向排水沟方向作不小于2%的坡度。
1.2.2.场地平整的允许偏差:1.2.2.1.表面标高:人工清理±30MM,机械清理:±50MM;1.2.2.2.长度、宽度(由设计中心向两边量)不应偏小;1.2.2.3.边坡坡度人工施工表面平整,不应偏陡,机械施工基本成型,不应偏陡;1.2.2.4.地面、路面下的地基:水平标高0~-50MM,平整度≤20MM。
1.3、质量检验方法:用水准仪及2m检查尺检查。
1.4、质量通病的预防措施:1.4.1、场地积水预防措施:1.4.1.1、平整前,对整个场地进行系统设计,本着先地下后地上的原则,做排水设施,使整个场地水流畅通;1.4.1.2、填土应认真分层回填辗压,相对密实度不低于85%;1.4.1.3、做好测量复核工作,避免出现标高误差。
1.4.2、填方边坡塌方预防措施:1.4.2.1、根据填方高度,土的种类和工程重要性按设计规定放坡,当填方高度在10m内,宜采用1:1.5,高度超过10m,可作成折线形,上部为1:1.5,下部采用1:1.75;1.4.2.2、土料符合要求,不良土质可随即进行坡面防护,保证边缘部位的压实质量,对要求边坡整平拍实的,可以宽填0.2m;1.4.2.3、在边坡上下部作好排水沟,避免在影响边坡稳定的范围内积水。
基坑支护、地基加固工程施工说明书及附图(施工工艺及质量保证措施和有关试验要求,施工进度工期计划等)方案一、本工程基坑土方开挖应采用不破坏地基土质状况的施工方法。
即采用中小型挖掘机配合人工操作,如果扰动了地质原结构的状态,使土质变软、变松或流动,不宜作基础时,这部分软弱土应予清除,回填符合技术要求的材料。
基坑土方工程完成后,必须进行验槽,验收合格并征得项目监理同意,方可进行基础施工。
1、基坑开挖:本项目基坑边坡为临时使用,根据设计,挖方边坡坡度为1:1。
2、支撑和防护:开挖中,应随时注意支护,防止滑坡、塌方伤人,支撑物采用钢模加钢架杆的形式,需等到永久回填后方可拆除。
如果项目监理认为需要,可继续保留。
挖掘时,必须提供足够的保护性屏障及适当的警示标和旗帜。
3、地基加固:清除地表填土、基底上的树墩、主根及坑穴中的积水、淤泥和杂物等。
当基底为耕植土或松土时,应将基底充分夯实或碾压密实;根据本标段实际,压实机械选用蛙式打夯机;当基底有淤泥时,应根据不同情况采用排水疏干,挖除淤泥或抛填块石、砂、砾、矿渣等方法进行处理;当基底遇有地下水或滞水时,必须设置排水措施,以保证正常施工。
地基加固每层铺土厚度和压实遍数视土的性质、设计要求的压实系数和使用的压(夯)实机具性能而定,一般应进行现场碾(夯)压试验确定,图5—1为压实机械和工具每层铺土厚度和所需的碾压(夯)遍数的参考数。
填土每层的铺土厚度和压实遍数图5—14、施工进度计划2015年10月20日至2015年12月19日前完成基坑支护、地基加固工程施工,总工期60天(日历天数)。
5、质量保证措施建立质量控制与管理体系,设置各级质量管理机构,配备专业管理与工作人员和专业设备及器材,积极配合和协助监理及业主对本标基坑支护、地基加固工程的质量控制和监督。
对参加本标基坑支护、地基加固工程施工的所有人员进行强化质量意识的教育,将质量控制与管理贯彻到每个班组及每个工作面。
认真学习和理解技术规范、设计图纸和文件,充分领会设计意图,严格按照设计图纸和规范施工。
土石方工程施工说明模板1.工程概述本土石方工程位于XX地区,总面积约XXX平方米。
本工程的主要目的是进行土石方开挖、填筑和整平,以满足工程项目的地基要求。
2.施工方案本土石方工程的施工方案如下:2.1开挖2.1.1确定开挖范围和深度,并进行标志和警示;2.1.2使用适当的工具和机械设备,进行土石方开挖;2.1.3在挖掘的过程中,必要时使用支护措施,以确保工程的安全和稳定;2.1.4根据设计要求,处理挖掘出的土石方材料,将可回填材料留存备用,不适用的材料进行合理的处置。
2.2填筑2.2.1根据设计要求,选择合适的填筑材料,进行土石方的填筑;2.2.2在填筑的过程中,分层进行填充,每层压实密实,并注意松土和排气;2.2.3在填筑完成后,必要时使用机械设备进行整平和压实。
2.3防止水分渗透2.3.1在填筑完成后,进行必要的防渗处理,以防止水分渗透;2.3.2使用防渗材料,如土工膜、土工布等,进行防渗处理;2.3.3对于特别需要防止水分渗透的区域,进行特殊处理,以提高土石方工程的稳定性和耐久性。
2.4检测和监测2.4.1在施工过程中,进行必要的检测和监测,以保证土石方工程符合设计要求;2.4.2根据设计要求,进行土石方工程的压实测试和抗渗试验,确保工程质量。
3.施工顺序本土石方工程的施工顺序如下:3.1施工准备3.1.1搭建施工临时工地,并进行标志和警示;3.1.2准备所需的施工机械、设备和工具;3.1.3安排施工人员,确保工程的顺利进行。
3.2土石方开挖3.2.1根据设计要求,确定开挖范围和深度;3.2.2进行土石方开挖,并处理挖掘出的土石方材料;3.2.3在开挖的过程中,采取必要的支护措施,确保工程的安全和稳定。
3.3土石方填筑3.3.1根据设计要求,选择合适的填筑材料,进行土石方的填筑;3.3.2分层进行填充,每层压实密实,并注意松土和排气;3.3.3使用机械设备进行整平和压实。
3.4防止水分渗透3.4.1进行必要的防渗处理,使用防渗材料,如土工膜、土工布等;3.4.2对于特别需要防止水分渗透的区域,进行特殊处理。
第1篇一、工程概况本工程位于我国某城市,主要建设内容包括土方开挖、土方回填、地基处理等。
工程总土方量约为XXX立方米,施工周期为XXX天。
为确保工程顺利进行,特制定本施工说明书。
二、施工准备1. 人员组织:成立土方工程项目部,明确项目经理、技术负责人、施工负责人等岗位,确保施工过程中的协调与指挥。
2. 机械设备:根据工程需求,配备挖掘机、推土机、装载机、运输车等机械设备,并确保其正常运行。
3. 材料供应:提前采购土石料、水泥、砂石等施工材料,确保施工过程中材料供应充足。
4. 施工场地:对施工场地进行清理,确保场地平整、排水畅通。
三、施工工艺1. 土方开挖(1)开挖前,根据设计图纸和现场实际情况,编制开挖方案,明确开挖顺序、深度、宽度等参数。
(2)采用挖掘机进行土方开挖,人工配合修整断面,确保开挖尺寸准确。
(3)开挖过程中,注意边坡稳定,防止塌方。
2. 土方回填(1)回填前,对回填土进行筛选,确保土质符合设计要求。
(2)采用推土机进行土方回填,人工配合修整断面,确保回填土密实。
(3)回填过程中,注意排水,防止积水。
3. 地基处理(1)根据设计要求,对地基进行压实处理,确保地基承载力。
(2)采用振动压实机或夯实机进行地基压实,人工配合修整。
四、质量保证措施1. 严格执行国家相关标准和规范,确保工程质量。
2. 施工过程中,加强过程控制,对关键工序进行验收,确保工程质量。
3. 做好施工记录,为工程验收提供依据。
五、安全文明施工1. 施工现场设置安全警示标志,加强安全教育,提高施工人员安全意识。
2. 严格执行安全操作规程,确保施工安全。
3. 加强文明施工管理,保持施工现场整洁,减少对周边环境的影响。
六、进度控制1. 制定施工进度计划,明确各阶段施工任务和时间节点。
2. 加强施工进度管理,确保工程按计划推进。
3. 及时协调解决施工过程中出现的问题,确保工程进度不受影响。
七、验收与移交1. 施工完成后,组织相关单位进行验收,确保工程质量达到设计要求。
索须河河道治理生态提升工程II标施工组织设计施工组织设计编制采纳文字并结合图表形式说明工程的施工组织、施工方法、技术组织措施,同时对关键工序、复杂环节重点提出相应技术措施,还结合本工程特点提出切实可行的工程质量、工程进度、安全生产、拦洪度汛、文明施工、水土保持、环境爱护治理方案。
施工组织设计附的文第一章工程说明1.1总体简介1.2工程概况郑州市索须河花王桥~中州大道生态提升工程位于郑州市惠济区,按照《郑州都市区生态水系全面提升规划》(以下简称《提升规划》)中索须河提升工程规划措施进行。
本工程在满足防洪除涝的同时,利用较好的水源条件,综合利用河岸空间,通过扩大河道水面、堤岸绿化等工程,挖掘水温化内涵,重塑河道形象。
作为郑州市水生态文明示范市建设先行试点,为建成区河道生态环境提升起到借鉴与示范意义。
本次索须河花王桥至中州大道生态提升工程具体范畴为:花王桥(桩号12+140)至中州大道(16+060),全场3.92km的河道。
两岸至现有河道蓝线(宽约200-270m)。
工程要紧内容为:河流形状调整工程、堤防改造工程、拦蓄水建筑物工程、生态修复及设施配套等。
1.3气象、水文(一)气象特点工程区属于温带大陆性气候,冷暖气团交替频繁,春、夏、秋、冬四季分明。
冬季漫长而干冷,雨雪稀少,春季干燥少雨,冷暖多变大风多,夏季比较炎热,降水高度集中,秋季气候凉快,时刻短促,具有明显的大陆性气候特点。
郑州市多年平均气温在14.2~14.6℃,以1月最低,7月最高,具有明显的大陆性气候特点。
极端最高气温为43℃,极端最低气温为零下17.9℃。
多年平均风速为2.8~3.2m/s,最大平均风速为18~22m/s,冬季盛行偏西北风,夏季盛行偏南风,春秋季则交替显现。
年平均降水量为640mm,降水不仅年内分布不均,年际间分布也专门不均衡。
6月~9月间由于强大的季风操纵,高温、高湿雨量集中,降水量290~390mm,占全年总雨量的50~56%;12月~2月间受干冷的大陆性气团操纵,空气干燥,雨雪稀少,降雨量只有20~33mm,占全年降雨量的4~5%;有时秋季会显现连阴雨。
土方工程施工方案及技术措施土方工程是建筑施工的重要环节之一,对于项目的成功实施和质量保障起着至关重要的作用。
下面将介绍土方工程施工方案及技术措施。
一、施工方案:(一)前期准备:了解施工现场地质情况,制定合理的排水方案和水源计划,清理施工现场,确保施工区域的安全。
确定土方开挖的深度和宽度,制定开挖顺序和方法。
制定施工进度计划,确保施工的高效进行。
(二)土方开挖:根据施工现场的土质情况选择合适的机械设备进行土方开挖。
在施工过程中,严格按照设计要求进行开挖,确保开挖的准确度和平整度。
对于边坡较高的区域,采取分层开挖的方法,保证施工安全。
(三)土方回填:施工完成后,对开挖的土方进行回填,采用合适的机械设备和施工方法进行回填。
回填的土方要进行夯实,以保证回填后的土体具有一定的稳定性和承载能力。
对于回填土方的厚度和均匀度要求进行检查,确保质量合格。
(四)边坡处理:土方开挖后,需要对边坡进行处理,以提高边坡的稳定性和承载能力。
根据施工现场的具体情况,采取钢筋混凝土护坡、石方护坡、植被护坡等措施,确保边坡的安全稳定。
(五)支护结构:对于需要支护的土方工程,根据设计要求选择合适的支护结构。
采用钢支撑、混凝土墙、爆破法支护等方式进行支护,确保土方工程的稳定和安全。
二、技术措施:(一)地质勘察:在施工前进行地质勘察,了解施工现场的地质条件。
根据地质勘察结果制定施工方案,选择合适的施工措施和技术措施,确保施工的安全和质量。
(二)排水措施:在土方开挖过程中,采取合理的排水措施,保持施工现场的干燥。
对于水源较多的地区,采取建设排水沟、设置抽水设备等措施,确保施工的顺利进行。
(三)土方开挖技术:根据土方的类型和土质情况选择合适的机械设备进行土方开挖。
加强施工人员的培训,掌握土方开挖的技术要点,确保开挖的精度和质量。
(四)土方回填技术:对于土方的回填,采用遵循施工规范的方法进行回填,并进行夯实。
对于回填土方的厚度和均匀度进行检查,确保质量合格。
前言本作业指导书依据《建筑地基基础工程施工质量验收规范》(GB 50202-2018)内容及本场生产技术装备和制造工艺的变化,修订并编制本《施工作业指导书》,以指导土方工程施工。
本指导书分发部门:工程部、安质部、试验室、机物部、各班组。
目录一、适用范围 (1)二、施工准备 (1)三、施工工艺 (1)四、施工测量 (2)五、验收标准 (2)1.验收标准 (2)2.验收程序 (3)六、质量控制及检验 (3)1.土方开挖准备 (3)2.土方开挖 (4)3.土方开挖工程质量验收标准 (4)4.验收人员 (4)七、安全及环保要求 (5)1.安全要求 (5)2.文明施工、环境保护措施 (9)土方工程施工作业指导书一、适用范围适用于新建中铁XXX局集团有限公司XXX项目土方工程施工。
二、施工准备由于该工程开挖时,空余面积较少。
围栏底部用方砖砌筑尺寸为240×300mm的拦水坝,砌筑后抹上15mm厚的强度不低于M10的水泥砂浆。
基坑内采用明沟与集水井相结合进行降水,其方法为:在基坑内沿围护内侧统设300*300/500mm的碎石排水盲沟一圈;并在每间隔30m左右设置内径1m、深度为1m的集水井,并内设泥浆泵。
施工时四周排水沟形成一圈,环绕基础的排水沟,并与集水井连通,由排水沟、集水井,泥浆泵组成一个简易的降水系统。
排水沟的坡度按1%设置,基坑开挖达到设计标高后需及时浇筑垫层,利用抬高的垫层与基底的高差形成一个垫层和。
使整个基坑保持干燥满足该地下室的施工要求。
基坑开挖时将地面附加荷载减到最小,严禁在坑边堆载或通行重载车。
开挖下层土时,保护上层支护的边坡,不得碰撞排水结构和支护结构。
土方开挖以后及时施工支护结构,尽量减少土体变形,保证基坑安全。
每次每段开挖长度不大于8米。
及时检查现场的排水系统,做好基坑周围地表水及基坑内积水的排汇和疏导,防止基坑暴露时间过长或被雨水浸泡。
三、施工工艺开挖准备→开挖边线确定→开挖标高控制→土方开挖施工管理→土方开挖分层控制→基坑底修整四、施工测量本工程基坑面积大,对轴线的布设和量测及桩位的测放带来一定的难度,需要充分利用高精度电子全站仪进行测量放线,钢尺作为辅助;开挖深度超深,传递标高时,利用吊钢尺配合水准仪法测定,全站仪测高程复测;工程施工周期长,现场影响测量点位稳定因素多,要充分保护好测量控制点,以业主提供的高程水准点为基础,要在离基坑外布置基准点,场内布设一些临时点,以方便测量放线。
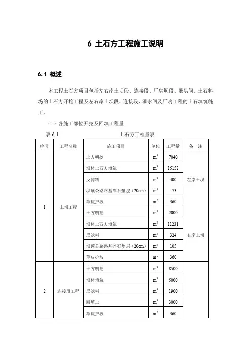
6 土石方工程施工说明6.1 概述本工程土石方项目包括左右岸土坝段、连接段、厂房坝段、泄洪闸、土石料场的土石方开挖工程及左右岸土坝段、连接段、泄水闸及厂房工程的土石填筑施工。
(1)各施工部位开挖及回填工程量表6-1 土石方工程量表(2)施工条件本工程坝址左、右岸均有公路相连,对外交通十分便利。
坝址距乳源县桂头镇约4km,在桂头镇有通往乳源县城、韶关市和乐昌市的公路,距离分别为31km、29km、26km,对外交通以公路为主。
坝址上、下游河床有大量砂砾料,已调查的三个砂砾料场资料表明,砂含泥量含偏大,砂的平均粒径偏小,砾料干松密度偏小,含泥量偏大,其余指标均满足规范要求。
坝址上、下游调查土料场三个,总储量共46.3万m3,质量和数量满足要求。
坝址下游左岸调查石料场两个,分别位于左岸下游约1.8km的白土螺村、左岸上游约4~5km灯盏窝附近,有效储量58.94万m3,质量和数量满足要求。
生产及生活用水可直接取自武江。
施工期间用电拟由附近接入。
(3)工程地质简述工程区地处武江中游,河流近SN走向,较顺直地流经本区,地势总体呈北高南低。
两岸相间发育二级河流阶地,一级为河流冲积堆积地,地面高程75~85m;二级为侵蚀堆积阶地,地面高程85~95m。
其中一级阶地沿两岸呈宽广平台(如杨溪一带)或条带状(如七星墩一带)分布。
工程区出露地层以古生界泥盆系和石炭系为主,岩层总体走向作北东至北北东向展布,第四系地层广泛发育,主要为河流冲积和残坡积。
6.2 施工布置(1)施工道路:工程开挖及填筑施工的对外交通道路,可直接利用两岸已有的等级公路;施工区内的临时施工道路,根据施工进度要求,可修建通往开挖及回填区临时施工道路,路面为泥石结构。
(2)风、水、电布置:施工用风:由于主体工程基础开挖为土方开挖,一、二期开挖施工时,仅在石料场布置固定式空压机站,坝址施工部位设移动式空压机。
施工用水:通过施工总布置的供水系统进行现场施工供水。
土方工程施工方案及工艺方法目标:本文档旨在提供土方工程施工方案及工艺方法,确保项目顺利进行。
施工方案:1. 施工准备- 开展项目前的必要调研和勘测工作,明确施工范围和需要的土方量。
- 确定施工队伍和人员配置,确保具备必要的技能与经验。
- 获取合适的施工设备和机械,保证施工的效率和质量。
2. 施工过程- 根据勘测和设计要求,进行土方开挖、运输和填筑工作。
- 采取适当的土方开挖和运输方式,确保土方的平整度和堆放方式符合设计要求。
- 进行土方填筑,保证土方的紧实度和平整度。
- 在施工过程中,及时进行检查和调整,确保施工质量和进度的控制。
3. 施工安全- 严格遵守施工现场安全规范,确保工人和设备的安全。
- 定期进行施工设备的检修和维护,确保设备的正常运行。
- 在施工过程中,注意对周围环境的保护,避免对生态和环境造成损害。
工艺方法:1. 土方开挖- 根据设计图纸和勘测数据,确定土方开挖的范围和深度。
- 使用适当的挖掘机械和工具进行土方开挖,确保开挖的深度和斜坡的坡度符合要求。
- 在开挖过程中,及时处理边坡垮塌等安全问题,保障施工人员和设备的安全。
2. 土方运输- 配备合适的运输车辆和设备,进行土方的运输工作。
- 根据工地实际情况,选择最合适的路线和运输方式,确保土方的及时运输。
- 在运输过程中,注意土方的遗撒和堆放,避免对周围环境和道路交通造成影响。
3. 土方填筑- 根据设计要求和土方质量进行土方的填筑工作。
- 使用合适的填筑机械和工具,保持填筑面的均匀和平整。
- 在填筑过程中,注意土方的紧实度和压实控制,确保填筑的质量。
请注意:本文档总结了常见的土方工程施工方案及工艺方法,但具体的施工方案和工艺应根据实际情况和设计要求进行调整和制定。
土方工程施工规范要求土方工程施工说明书及附图(施工工艺及质量保证措施和有关试验要求,施工进度工期计划等)方案一本工程项目土方工程内容包括:土方开挖、夯填土方、回填土方、10%水泥土垫层等。
工程施工特点:砂砾土方工程量较大,管线较长,需合理安排、精心施工,确保工程进度、施工质量和施工安全。
1、施工程序本标段土方总体施工程序是先管道基础开挖,待管道安装后再进行夯填土方、回填土方、其次镇墩基础开挖、10%水泥土垫层夯填,待镇墩砼浇筑完成并验收合格后再进行土方回填。
开挖采用小型反铲挖掘机、人工配合修整断面,填筑压实选用蛙式打夯机。
回填采用推土机,人工修整时应采用横断面模具挂双线,水准仪配合,力求开挖尺寸精准,开挖出的料渣堆放在现场监理工程师指定的区域。
施工程序见图 4-1。
场地清理测量放线开挖、修整夯实基础土方回填土方阶段验收进入下一作业循图 4-1土方工程施工程序图2、测量放线测量放线是本项目施工的一个关键环节,测量前要对图纸上的高程、尺寸进行校对,并编制测放计划报监理工程师审批。
测量工作严格遵守《水利水电工程施工测量规范》(SDJ89-93)及有关规定,为保证测量质量及快速完成此项工作,施工前的复测利用全站仪和红外线测距仪配合进行,测量成果经监理工程师审核后,作为土方工程施工的依据。
3、施工进度计划2015 年 10 月 1 日至 2015年 11月 15 日,土方工程施工总工期45 天(日历天数),高峰施工强度 3.4 万 m3/月。
4、施工方法⑴施工技术文件编制和报批土方明挖、填筑施工前,按施工图纸和技术条款的规定,提交施工措施计划,报送监理工程师审批。
施工措施主要包括以下内容:开挖、填筑放样剖面资料、开挖、填筑施工平面和剖面布置图、施工设备配置和劳动力安排、边坡保护及加固措施、质量与安全保证措施、排水措施、施工进度计划等主要内容。
⑵施工方法①场地清理采用柳州 D50 装载机辅以人工清理工程区域内地表杂草、垃圾、废渣及监理工程师指明的其它有碍物。
土石方工程施工说明一、引言土石方工程是指在土地开发、基础建设等项目中,对土地进行开挖、填筑、平整等一系列工作的总称。
它在土地利用和施工工艺方面起着非常重要的作用。
本文将详细介绍土石方工程施工的基本流程、施工要求以及注意事项。
二、施工准备1. 施工前环境调查与勘测在开始土石方工程之前,需要对施工现场进行环境调查和勘测。
这包括地质勘察、水文勘察以及土壤试验等工作,以获取施工所需的基本信息。
2. 施工组织设计根据施工现场的具体情况,制定详细的施工方案,包括施工流程、施工工序、工期安排等,以确保施工工作的有序进行。
3. 施工机具和设备准备根据工程的规模和施工方案确定所需的施工机具和设备,并进行相应的采购和调配工作。
同时,要进行必要的设备保养和维修,确保施工过程中设备的正常运行。
三、施工流程1. 地面清理根据施工方案,对施工现场进行地面清理工作,包括清除杂草、废弃物等,使施工现场变得整洁。
2. 土方开挖根据设计图纸和施工方案,对需要开挖的土壤进行定点开挖。
在开挖过程中,要注意控制开挖深度和坡度,严禁破坏周边的地质环境。
3. 土方填筑根据开挖的土壤质量以及设计要求,进行土方填筑工作。
在填筑过程中,要保证填筑层的均匀性和稳定性,采取必要的加固措施,防止填筑层发生变形和沉降。
4. 土方压实进行土方填筑后,要进行相应的土方压实工作,以提高填筑层的强度和稳定性。
根据土壤的性质和厚度,选择合适的压实机械进行压实。
5. 土方表面整平经过土方填筑和压实后,对填筑层进行整平工作,保证其表面平整和水平度符合设计要求。
可采用推土机、平板振动机等设备进行整平。
四、施工要求1. 施工质量土石方工程施工的质量直接关系到工程的使用寿命和安全性。
在施工过程中,要严格按照设计要求进行施工,保证填筑层的稳定性和整体性。
2. 施工安全在土石方工程施工中,要重视施工安全问题。
施工现场必须设置明显的安全标识和隔离措施;施工人员必须佩戴个人防护装备,并接受必要的安全培训。
土方施工工程施工方案及技术措施要求第一节、土方施工技术要求一、施工要求1、土方机械开挖施工流程:清理场地内杂物垃圾等――确定开挖的顺序和坡度――场地放线――分段分层平均开挖――场地内平衡及预留回填土方(好土),多余土方外运处理――修边和清底――现场验收。
2、土方机械回填施工流程:确定回填区域和标高――基层清理――检验土质――分层铺土――分层碾压密实――检验密实度――修整找平――现场验收。
3、场地平整流程:清理场地内杂物、垃圾、苗木等——清除表面浮土——场地平整——碾压密实——现场验收。
二、施工程序1、土方开挖土方开挖的工作量较大,并且南、东两侧大放坡开挖会超出红线,本次开挖范围位于项目用地南侧。
基坑开挖面积57485 平方米,开挖线周长1204米。
本基坑北侧为后期开发用地,东侧为一边坡,南侧和西侧临近道路。
2、工作内容(1)场地内土方放线及标高测量、基坑边线放线及标高测量;(2)基坑区域的土石方开挖、无基坑区域的土方回填分层夯实、红线外土方分层回填夯实;(3)地面的构筑物、旧厂房的混凝土基面破除;场地原有混凝土基面破除、转运或外运(包含不仅于旧厂房楼地面、道路及旧基础等);(4)树木砍伐、树木杂草等清理外运;清除场地内杂草、树木(树茎200mm以上大树需砍伐且树根彻底清理干净)、树根清除、建筑垃圾外运等;(5)土石方开挖后在场地内标高平衡运输;(6)多余土方开挖后场地外运输;(7)红线内无基坑区域的土方回填及分层夯实;(8)红线外土方分层回填及夯实;(9)土方运输临时道路修整、运输道路清洗;三、施工管理要求1、土方工程施工前应将施工区域内的地下、地上障碍物清除和处理完毕。
2、土方施工场地的定位控制线(桩)、标准水平桩及基槽的灰线尺寸进行严格复核并验收。
3、土方工程施工前安排土方运输车的行走路线及弃土场,外运土方及杂草灌木的弃土场由承包人自行解决。
4、夜间施工时,配足够的照明设施,在危险地段应设置明显标志,并合理安排开挖顺序,防止错挖或超挖。
第1篇一、工程概况本工程位于【具体地理位置】,占地面积【具体面积】,总建筑面积【具体面积】。
土方工程是本工程的重要组成部分,主要包括土方开挖、填筑、平整、压实等施工内容。
为确保土方工程施工质量、安全、进度,特制定本说明书。
二、施工准备1. 人员准备施工单位应组织专业技术人员进行施工方案的编制、施工图纸的会审、施工组织设计的制定等工作。
施工队伍应具备相应的资质和经验,施工人员应经过专业培训,掌握土方工程施工技术。
2. 材料准备土方工程施工所需材料包括:土方、砂石、水泥、钢筋、模板、水泥砂浆、防水材料等。
施工材料应满足设计要求,质量符合国家标准。
3. 机械设备准备土方工程施工所需机械设备包括:挖掘机、推土机、压路机、洒水车、自卸汽车等。
机械设备应满足施工需求,并定期进行维护保养。
4. 施工场地准备施工场地应平整、排水良好,满足施工要求。
施工现场应设置安全警示标志、临时道路、临时设施等。
三、施工工艺1. 土方开挖土方开挖应按照设计图纸进行,采用挖掘机、人工配合的方式进行。
开挖过程中,应确保开挖深度、宽度、边坡坡度等符合设计要求。
(1)挖掘机开挖:挖掘机应根据开挖深度、宽度、边坡坡度等因素选择合适的挖掘机型号。
挖掘机开挖时应保持平稳,避免破坏边坡。
(2)人工开挖:人工开挖适用于小面积、浅层土方开挖。
开挖过程中,应保持边坡稳定,避免塌方。
2. 土方填筑土方填筑应按照设计要求进行,采用推土机、自卸汽车等进行。
填筑过程中,应确保填筑厚度、密实度等符合设计要求。
(1)推土机填筑:推土机应根据填筑厚度、密实度等因素选择合适的型号。
推土机填筑时应保持平稳,避免产生土体变形。
(2)自卸汽车填筑:自卸汽车应根据填筑厚度、密实度等因素选择合适的车型。
自卸汽车填筑时应保持平稳,避免产生土体变形。
3. 土方平整土方平整应采用压路机进行,确保土方表面平整、密实。
平整过程中,应按照设计要求进行,确保坡度、排水等符合要求。
4. 土方压实土方压实应采用压路机进行,确保土方密实度达到设计要求。
第1篇一、工程概况1. 工程名称:XX项目土方工程2. 工程地点:XX市XX区XX路XX号3. 工程规模:占地面积XX平方米,土方开挖量约XX立方米,土方回填量约XX立方米。
4. 工程内容:包括土方开挖、运输、回填、压实等。
5. 施工单位:XX建筑工程有限公司6. 施工时间:2023年X月X日至2023年X月X日二、施工依据1. 国家及地方相关施工规范和标准2. 工程设计图纸及相关资料3. 施工合同及相关文件三、施工组织机构1. 施工项目经理:负责整个工程的施工组织、协调和管理。
2. 技术负责人:负责施工技术方案的编制、施工过程中的技术指导和质量控制。
3. 质量负责人:负责工程质量的管理和监督。
4. 安全负责人:负责施工现场的安全管理。
四、施工工艺流程1. 土方开挖2. 土方运输3. 土方回填4. 土方压实5. 施工测量及验收五、施工方法及措施1. 土方开挖- 采用挖掘机进行开挖,人工配合清理。
- 开挖过程中,应确保边坡稳定,防止坍塌。
- 开挖至设计标高后,进行表面平整处理。
2. 土方运输- 采用自卸汽车运输,确保运输车辆符合安全要求。
- 运输过程中,注意交通安全,避免污染环境。
3. 土方回填- 采用自卸汽车运输土方至回填区域。
- 回填前,先对回填区域进行平整处理。
- 回填分层进行,每层厚度控制在20cm左右。
- 回填过程中,注意排水,防止积水。
4. 土方压实- 采用振动板或压路机进行压实,确保压实度达到设计要求。
- 压实过程中,注意轮迹重叠,确保压实均匀。
5. 施工测量及验收- 施工过程中,定期进行测量,确保施工精度。
- 工程完成后,进行验收,确保工程质量。
六、质量控制措施1. 材料控制- 选用符合设计要求的土方材料,确保质量。
- 对进场材料进行检验,合格后方可使用。
2. 施工过程控制- 严格按照施工工艺流程进行施工,确保施工质量。
- 加强施工过程中的监督检查,发现问题及时整改。
3. 质量检验- 施工过程中,定期进行质量检验,确保工程质量。
可编辑修改精选全文完整版土方工程施工说明书及附图污水沟槽土方开挖施工说明一、土方施工说明基坑开挖时应严格遵守“分层开挖,先撑后挖,严禁超挖"的原则。
为更好地控制基坑开挖过程的围护体变形并确保基坑安全,本基坑工程土方开挖和支撑的施工工序应根据分区、分块、对称、平衡的原则制定,均衡分层的进行,施工应制定有序合理的开挖方案,严禁超挖,同时在施工过程中尽可能缩短围护体无支撑暴露时间。
支护施工前应对支护范围管网进行详细调查,必要时增加物探等措施,确保现状管线安全并预留需接入管线洞口,开挖至现状管线附近应对现状管线进行必要的支撑保护。
若现状管线需保通,则应编制专项施工方案。
一道撑的钢板桩基坑开挖支护顺序为:放线定位一施工拉森钢板桩-开挖至第一道支撑设计标高以下0.5m施工第一道腰梁及支撑-开挖至坑底设计标高以下0.5m(要求挖至原状土层)一施工基坑内管道基础并开始分层回填-基坑回填至第一道支撑位置、拆除第一道支撑、回填完毕拔除钢板桩并灌水泥浆充填。
二道支撑钢板桩基坑开挖支护顺序为:放线定位一施工拉森钢板桩-开挖至第一道支撑设计标高以下0.5m施工第一道腰梁及支撑-开挖至第二道支撑设计标高以下05m施工第二道腰梁及支撑-开控至坑底设计标高(要求挖至原状十层)-施工基坑内管道基础并开始分层回填-基坑回填至第二道支撑位置-拆除第二道支撑-基坑回填至第一道支撑位置-拆除第一道支撑-回填完毕一拔除钢板桩并灌水泥浆充填。
二、沟槽开挖技术措施1、本工程钢板桩基坑采用集水明排抽取坑内积水的方法,以便基坑内土体疏干,从而达到使基坑安全、顺利施工的目的。
施工时注重信息化施工根据监测数据及时进行基坑安全性评估,避免因基坑变形过大而影响到周边环境的安全。
2、水导排基坑外侧地面设置挡水墙,防止地表水流入基坑。
基坑开挖至坑底标高且至原状土层后,在基坑底设集水坑进行导排。
3、施工严格控制地下水位保持坑底干槽作业。
集水坑排水注意滤网选择,排水前应进行试抽水防止大量抽走地基土的粉细粒。
土方施工工程施工组织方案和技术措施要求一、工程概况本工程是一项土方施工工程,位于XX地区,总用地面积为XX平方米。
本工程的主要工作内容包括挖土、运输、填土和夯实等土方工程。
二、施工组织方案2.1施工队伍组织根据本工程需求,将组建一支熟练的施工队伍,施工队伍由工程经理、技术人员和作业人员组成。
其中,工程经理负责整个工程的组织协调和施工质量的控制,技术人员负责现场技术指导,作业人员负责具体的施工操作。
2.2设备配置和安排根据本工程的需求,适当配置工程机械设备,包括挖掘机、推土机、自卸车等。
工程机械设备应具备相应的质量合格证书,并经过定期的维护、保养和检查,确保设备的运行正常和施工效率的提高。
2.3施工时间安排根据工程量和施工队伍的组织情况,合理安排施工时间表。
施工时间按照天、周或月进行划分,确保工程的顺利进行和按时完工。
2.4施工现场布置根据工程要求,设置临时办公室和生活区,为施工队伍提供良好的工作和生活条件。
施工现场应合理划分出施工区域和安全区域,设置警示标志和警戒线,以确保施工场地的安全。
3.1施工前期准备工作施工前,进行现场勘察和测量,对土方工程的地质情况和土质性质进行分析和评估。
根据现场的实际情况,制定相应的施工计划和施工方案,并确保施工队伍人员具备相应的技术知识和操作技能。
3.2土方施工操作技术在进行土方施工时,根据土质的不同,采取相应的施工工艺和措施。
对于较硬的土质,可采用爆破或机械开挖的方式;对于软弱土质,采用抽水和加固的措施,确保施工的安全和质量。
3.3施工质量控制在土方施工过程中,进行定期的施工质量检查和验收,确保施工质量符合相关标准和规范要求。
对于质量不符合要求的施工工程,必须及时进行整改和修复。
3.4环境保护和安全措施在进行土方施工时,采取相应的环境保护措施,以减少土地破坏和土壤污染。
同时,对施工现场进行安全监督和控制,确保施工人员的人身安全。
四、施工组织方案和技术措施的实施和监督4.1实施工程计划按照施工组织方案和技术措施的要求,严格执行施工计划,确保工程按时、按质量进行。
土方工程施工说明书及附图(施工工艺及质量保证措施和有关试验要求,施工进度工期计划等)方案一本工程项目土方工程内容包括:土方开挖、夯填土方、回填土方、10%水泥土垫层等。
工程施工特点:砂砾土方工程量较大,管线较长,需合理安排、精心施工,确保工程进度、施工质量和施工安全。
1、施工程序本标段土方总体施工程序是先管道基础开挖,待管道安装后再进行夯填土方、回填土方、其次镇墩基础开挖、10%水泥土垫层夯填,待镇墩砼浇筑完成并验收合格后再进行土方回填。
开挖采用小型反铲挖掘机、人工配合修整断面,填筑压实选用蛙式打夯机。
回填采用推土机,人工修整时应采用横断面模具挂双线,水准仪配合,力求开挖尺寸精准,开挖出的料渣堆放在现场监理工程师指定的区域。
施工程序见图4-1。
图4-1 土方工程施工程序图2、测量放线测量放线是本项目施工的一个关键环节,测量前要对图纸上的高程、尺寸进行校对,并编制测放计划报监理工程师审批。
测量工作严格遵守《水利水电工程施工测量规范》(SDJ89-93)及有关规定,为保证测量质量及快速完成此项工作,施工前的复测利用全站仪和红外线测距仪配合进行,测量成果经监理工程师审核后,作为土方工程施工的依据。
3、施工进度计划2015年10月1日至2015年11月15日,土方工程施工总工期45天(日历天数),高峰施工强度3.4万m3/月。
4、施工方法⑴施工技术文件编制和报批土方明挖、填筑施工前,按施工图纸和技术条款的规定,提交施工措施计划,报送监理工程师审批。
施工措施主要包括以下内容:开挖、填筑放样剖面资料、开挖、填筑施工平面和剖面布置图、施工设备配置和劳动力安排、边坡保护及加固措施、质量与安全保证措施、排水措施、施工进度计划等主要内容。
⑵施工方法①场地清理采用柳州D50装载机辅以人工清理工程区域内地表杂草、垃圾、废渣及监理工程师指明的其它有碍物。
管线工程场地的清理延伸至离施工图所示最大开挖边线或建筑物基础边线(或填筑坡脚线)外侧至少5m。
场地清理范围内,清理获得的有价值的材料按监理工程师的指示将其运至指定地点堆放;无价值的可燃物,尽快将其安全焚毁;凡属无法烧尽或严重影响环境的清除物,按监理工程师指定的地区进行掩埋。
掩埋物不得妨碍自然排水或污染江川。
②施工排水和边坡处理边坡及基础开挖前,提前做好排水设施。
按施工图纸和监理工程师的指示,在边坡及基础大规模开挖前先开挖好边坡上部的山坡截水沟,以防止雨水漫流冲刷边坡及蔓延基础。
在坡脚及施工场地周边和道路的坡脚,设置排水沟槽和必要的排水设施,以及时排除坡底及基础积水,保护边坡及基础的稳定。
对可能引起的滑坡和崩塌体应及时采取预防性保护措施;在施工前,仔细检查边坡的稳定性,如遇有泥石、崩塌体等,采用人工进行危岩处理、边坡削坡和设置临时锚杆、插筋加固,以保证施工安全。
③岸坡开挖:岸坡开挖应沿等高线自上而下、分层、分段、依次进行。
开挖采用挖掘机挖坯,人工挂双线修坡,自卸汽车运输,一次成型,一次到位。
在岸坡下部设有排水沟时,应边修坡边排水,以保护坡面不被冲刷和在影响边坡稳定的范围内积水。
④基础开挖:1)首先设置排水设施,防止地面水流入槽内,以免边坡塌方或基土被破坏。
2)在地质条件良好,土质均匀且地下水位较低时,挖方深度在5m以内不加支撑的边坡的最陡坡度应符合图4—2规定。
深度在5m内的基础边坡的最陡坡度图4—24)为了不破坏基底土的结构,机械开挖时应在基底标高以上预留一层用人工进行清理。
5) 基础开挖过程中,应对土质情况、地下水位和标高等的变化经常检查,作好原始记录及绘出断面图。
如发现基底土质与设计不符合时,需经有关人员研究处理,并作出隐蔽工程记录。
⑤土方填筑及10%水泥土垫层:首先挖弃表层腐质土使其表面达到新鲜,装载机上料,汽车运进,对10%水泥土垫层要进行试验分析和配比,以求达到设计干密度。
压实机械选择:为满足设计标准,施工机械选择蛙式打夯机。
碾压试验:由于填筑料及10%水泥土垫层的特性,只有通过碾压试验才能正确的选定施工参数,既核实填筑料的设计标准(最优含水量、干密度、相对干密度),10%水泥土垫层的实际配比,最大限度满足设计、施工标准、保证施工质量;选择相应的施工碾压参数,为施工提供依据;研究填筑料的施工工艺与措施。
碾压试验场地选择在料场附近,场地地势平坦,坚实,长度50m并满足错车转向的宽度10m。
试验采用逐渐收敛法进行,既分批分次采用经调配固定填筑料的含水量,铺料厚度、碾压遍数进行碾压试验,然后再依此改变铺料厚度、碾压遍数。
直到达到碾压最优含水量、干密度及相对密度为止,以确定填筑料碾压的最佳铺料厚度和碾压遍数。
在试验过程中,必须边试验边整理资料,及时分析,以便研究所选参数的合理性,试验完成后及时编写试验报告。
在试验报告中,提出如下结论:填筑料压实参数,最优含水量及控制范围,铺料厚度,碾压遍数,碾压设备,上下层的衔接及施工处理措施等。
管线填筑:首先依据试验确定铺土厚度,碾压遍数,填筑料最优含水量等。
采用推土机上料摊平,蛙式打夯机夯填。
每层铺料厚度不得超过25cm,各层厚度用水准仪测量控制。
压实作业严格按照规范要求采用进退错距法压实,每次搭接宽度必须保证,不得出现漏压现象。
并且每层压实后,按规范测样,合格后再行二层铺筑碾压。
⑥土方回填:首先剥除杂物使其表面达到新鲜,推土机配合人工进行回填,对回填后的土方要进行干密度取样化验,确保达到设计值。
C.施工安全措施在危险地带设置明显、醒目的标志和安装防护栏、防护网,按施工安全规程要求设置警报系统;夜间施工时,根据技术条款规定设置足够的照明设施。
D、开挖料的利用及弃碴处理明挖土料中的可利用料按监理指定的位置堆存,无用料运至弃碴场。
有、无用料按规划作到分区、分层有序堆放。
在沟内弃土时,应防止山洪造成泥石流或引起河道堵塞。
5 施工设备配置与劳动力计划⑴施工设备配置砂砾土明挖主要施工机械设备详见图4-3。
土方开挖主要施工机械设备表图4-3⑵劳动力计划本标土方工程高峰期施工人数30人。
其中,管理人员2人,机械工和司机5人。
6 质量和安全保证措施建立质量控制与管理体系,设置各级质量管理机构,配备专业管理与工作人员和专业设备及器材,积极配合和协助监理及业主对本标砂砾土开挖工程的质量控制和监督。
对参加本标开挖工程施工的所有人员进行强化质量意识的教育,将质量控制与管理贯彻到每个班组及每个工作面。
认真学习和理解技术规范、设计图纸和文件,充分领会设计意图,严格按照设计图纸和规范施工。
加强施工机械设备的管理;对施工机械操作人员进行培训、教育,持证上岗,以确保施工机械的生产率和施工质量。
方案二、根据现场和业主提供资料,本工程土石方以挖方为主,其中有90535.93m3的石方和17000m3的淤泥,其余全部是三类土。
土石方调配如下:填方①区和填方③区的土方由挖方①区供应,填方②区的土方由挖方②区供应,多余的土方、石方和淤泥等全部外运。
1、开挖施工(1)开挖方法采用挖掘机或装载机开挖配合自卸汽车运输,开挖自上而下,先将山上的树木、植物及树根等杂物清除运弃,再将挖出来的土方回填到相邻的填方区,多余的土方运至业主指定的弃土地点。
由于本工程以弃方为主,故填土与弃土同步进行。
(2)开挖标高控制待挖至接近地面设计标高时,要加强测量,其方法如下:在挖方区边界根据方格桩设置高程控制桩,并在控制桩上挂线,挂线时要预留一定的碾压下沉量3cm~5cm,使其碾压后的高程正好与设计高程一致。
2、填筑施工2.1、通则土石方填筑前,先对需填场地进行测量放样,清除表土及不适宜材料。
按规范要求清理现场并定好控制桩位后,经监理工程师同意方可进行填筑作业。
当在斜坡上填筑时,其原坡陡于1:5时,原地面应挖成台阶,台阶应有不小于1m的宽度,并且应与所用的挖土和压实设备相适用,所挖台阶向内侧倾斜2%,砂性土可不挖台阶,但应将原地面以下20~30cm 的土翻松,再同新填土料一起重新压实。
路基填筑采用全断面水平分层填筑。
其工艺流程如下所示:施工准备→基底处理→分层填筑摊铺整平→洒水或翻晒→机械碾压→面层修整→检验签证。
2.2、施工准备填方材料的试验:在填筑施工前,填方材料按规范要求取样,按《公路土工试验规程》(JTJ051-93)规定的方法进行颗粒分析、含水量与密实度、液限和塑限、有机质含量、承载比(CBR)试验和击实试验。
2.3、基底处理在土方工程施工前,由测量人员根据设计图纸,放出分界线,原地面的树墩及主根用挖掘机挖除,并把地面上的长草或植物割除,清除地面上的建筑垃圾,把它们堆放在指定的地方,由自卸汽车运到场外。
在存在沟塘、淤泥质土等不良地质情况的局部区域,不能直接回填,须根据设计图纸和现场勘察确定它们的具体位置,并做好标志,按要求进行处理。
沟塘处理:先用潜水泵把沟塘里的水抽干,并排到临时排水沟,再用挖掘机在沟塘边挖除沟塘里的淤泥,淤泥由自卸汽车运到指定的淤泥堆放处。
待淤泥挖除后,用挖掘机把池塘边开挖成1: 2(高度为50cm,宽度为100cm)台阶式边坡。
2.4、分层填筑在底层土处理经监理工程师检查合格签证后,按断面全宽分层填筑,由最低处填起,填土压实前松铺厚度不大于30cm,且不小于10cm。
2.5、摊铺整平自卸汽车从挖方区把土方运至填土区,由推土机把卸下的土摊平。
推土时推土机不能碰撞控制桩,机械无法平整的地方由人工平整。
推土机行走路线如下图所示:2.6、洒水和晒干根据现场测定的填料含水量,与最佳含水量对照,超出±2%时,需对填料进行洒水或晒干处理。
对含水量偏低的填料采取洒水翻拌;对含水量偏高的采取翻松晾晒。
再次测定含水量合格后,整平碾压。
总之,填料含水量应控制在最佳含水量±2%以内。
2.7、碾压本工程主要采用振动压路机进行碾压施工,碾压时,振动压路机从低到高,从边到中,适当重叠碾压。
为防止漏压,碾压时横向接头的轮迹重叠宽度为15cm~25cm,每块连接处的重叠碾压宽度为lm~1.5m,碾压时振动压路机不能碰撞高程控制桩,压路机碾压不到的地方采用蛙式打夯机或人工夯实。
压路机的行走路线碾压时先轻后重,速度适中。
先用压路机预压一遍,以提高压实层上部的压实度,然后用推土机修平后再碾压,以防止高低不平影响碾压效果。
为保证碾压的均匀性,碾压速度不能太快,先快后慢,行驶速度控制在2km/h以内。
碾压遍数需根据压实度要求、分层厚度、回填土的土质含水量、碾压机械等情况来确定,一般为6~8遍。
可在施工初期通过碾压试验段来确定,并作为以后碾压施工的依据。
碾压到规定遍数后,工地试验人员及时检查土的压实度,若尚未达到压实度要求,需要继续碾压,直至达到规定的压实度并经监理工程师认可才能填筑上层土方。
碾压时施工人员随时观察土石方的碾压情况,若在碾压过程中出现受压下陷、去压回弹等不正常现象,停止碾压,待经处理后再重新碾压。