建筑施工临时支撑结构技术规范JGJ300-2013计算书样本-有剪刀撑
- 格式:pdf
- 大小:220.68 KB
- 文档页数:14
JGJ300-2013《筑施工临时支撑结构技术规范》模板支架工程施工方案计算实例目录
一、编制依据 (1)
二、工程参数 (1)
三、模板面板验算 (2)
四、次楞方木验算 (3)
五、主楞验算 (5)
六、扣件抗滑移验算 (7)
七、风荷载计算 (7)
八、立杆稳定性验算 (8)
九、立杆底地基承载力验算 (10)
十、架体抗倾覆验算 (11)
一、编制依据
1、工程施工图纸及现场概况
2、《建筑施工安全技术统一规范》GB50870-2013
3、《建筑施工临时支撑结构技术规范》JGJ300-2013
4、《混凝土结构工程施工规范》GB50666-2011
5、《建筑施工扣件式钢管脚手架安全技术规范》JGJ130-2011
6、《建筑施工模板安全技术规范》JGJ162-2008
7、《建筑结构荷载规范》GB50009-2012
8、《钢结构设计规范》GB50017-2003
9、《冷弯薄壁型钢结构技术规范》GB50018-2002
10、《木结构设计规范》GB50005-2003
11、《混凝土模板用胶合板》GB/T17656-2008
12、《危险性较大的分部分项工程安全管理办法》建质[2009]87 号
13、《建设工程高大模板支撑系统施工安全监督管理导则》建质[2009]254 号
二、工程参数。
附件一、中间跨架体计算编制依据1、工程施工图纸及现场概况2、《建筑施工脚手架安全技术统一标准》GB51210-20163、《混凝土结构工程施工规范》GB50666-20114、《建筑施工临时支撑结构技术规范》JGJ300-20135、《建筑施工承插型盘扣式钢管支架安全技术规程》JGJ231-20106、《建筑施工模板安全技术规范》JGJ162-20087、《建筑结构荷载规范》GB50009-20128、《混凝土结构设计规范》GB50010-2010(2015年版)9、《钢结构设计标准》GB50017-201710、《冷弯薄壁型钢结构技术规范》GB50018-200211、《木结构设计规范》GB50005-201712、《混凝土模板用胶合板》GB/T17656-201813、《危险性较大的分部分项工程安全管理规定》住建部令第37号14、《建设工程高大模板支撑系统施工安全监督管理导则》建质[2009]254 号一、工程参数二、箱梁翼板模板面板验算面板采用木胶合板,厚度为15mm ,取主楞间距1.5m的面板作为计算宽度。
面板的截面抵抗矩W= 1500×15×15/6=56250mm3;截面惯性矩I= 1500×15×15×15/12=421875mm4;(一)强度验算1、面板按三跨连续梁计算,其计算跨度取支承面板的次楞间距,L=0.3m。
2、荷载计算取均布荷载或集中荷载两种作用效应考虑,计算结果取其大值。
均布线荷载设计值为:q1=1.1×[1.2×(24×0.4+1.5×0.4+0.3)+1.4×3]×1.5=27.720kN/mq1=1.1×[1.35×(24×0.4+1.5×0.4+0.3)+1.4×0.7×3]×1.5= 28.240kN/m根据以上两者比较应取q1= 28.240kN/m作为设计依据。
悬挑支撑结构计算书一、计算依据1、《建筑结构荷载规范》GB50009-20122、《钢结构设计规范》GB50017-20033、《建筑施工临时支撑结构技术规范》JGJ300-20134、《建筑施工扣件式钢管脚手架安全技术规范》JGJ130-2011二、计算参数及施工简图(图1)立面图1(图2)立面图2三、悬挑部分竖向荷载验算架体按三角形架体每单位横截面面积上的自重值为计算基本单元,包括扣件、钢管下式中的w g为钢管自重标准值。
对于悬挑支撑结构横断面单位平米自重值为:g={[2(l a+l b+h)+(l a2+h2)0.5+(l b2+h2)0.5](w g+18.4/6)+2×13.2+1×14.6}/(l a h)=((2×(0.9+0.9+0.5)+(0.92+0.52)0.5+(0.92+0.52)0.5)×(2.43+18.4/6)+2×13.2+1×1 4.6)/(0.9×0.5)=172.451N/m2自重荷载标准值G=B t H t g k/(2l a l b)=2×2.4×172.451/(2×0.9×0.9)=510.966 N/m2p t=1.2(G+G1+G3)+1.4Q=1.2×(510.966/1000+2+0.35)+1.4×2=6.233 kN/m2≤p t,max=29.25kN/m2满足要求四、落地部分稳定验算1、悬挑部分竖向荷载引起的附加轴力n t=2Bt/la=2×2/0.9=4.444根据nt查JGJ300-2013表6.1.2得ηt=0.717N t=ηt p t l a B t=0.717×6.233×0.9×2=8.041kN2、落地部分长细比验算为方便计算立杆计算长度l0,按规范《建筑施工扣件式钢管脚手架安全技术规范》(JGJ130-2011)中的公式5.4.6-1和5.4.6-1进行计算。
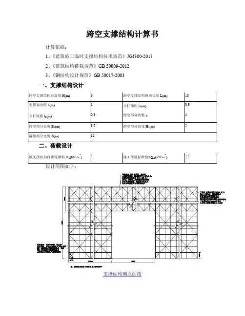
跨空支撑结构计算书计算依据:1、《建筑施工临时支撑结构技术规范》JGJ300-20132、《建筑结构荷载规范》GB 50009-20123、《钢结构设计规范》GB 50017-2003一、支撑结构设计二、荷载设计设计简图如下:支撑结构侧立面图三、跨空部分竖向荷载验算跨空部分架体自重标准值G取0.942kN/m2跨空部分竖向荷载设计值Ps=max[1.2(G+G1)+1.4×Q1k,1.35(G+G1)+1.4×0.9×Q1k]=max[1.2×(0.942+5.88)+1.4×0.6,1.35×(0.942+5.88)+1.4×0.9×0.6]=9.966kN/m2 Ps≤p s,max=12kN/m2符合要求!四、落地部分立杆稳定性验算立杆抗压强度设计值[f](N/mm2) 205 支架自重标准值q(kN/m) 0.15立杆弹性模量(N/mm2) 206000 立杆截面惯性矩(cm4) 10.78竖向斜杆设置无剪刀撑设置有扫地杆高度h1(mm) 200 悬臂长度h2(mm)200竖向剪刀撑纵距跨数n1(跨) 3 竖向剪刀撑横距跨数n2(跨) 3高度修正系数 1 节点转动刚度(kN·m/rad) 35附加轴力系数ηs0.31、长细比验算根据《建筑施工临时支撑结构技术规范》JGJ300-2013条文说明4.1.3条,构件的允许长细比计算时构件的长度取节点间钢管的长度l0=h=900mmλ=l0/i=900/15.9=56.604≤[λ]=180满足要求!2、立杆稳定性验算立杆计算长度:l0=βHβaμh=1×1.009×1.625×900=1475mmμ ----立杆计算长度系数,按规范附录B表B-3取值K----有剪刀撑框架式支撑结构的刚度比,K=EI/(hk)+ l y/(6h)=206000×10.78×104/(900×35×106)+600/(6×900)=0.816βa----扫地杆高度与悬臂长度修正系数,按规范附录B表B-5取值α----扫地杆高度h1与步距h之比与悬臂长度h2与步距h之比的较大值,α=max(h1/h,h2/h)= max(200/900,200/900)=0.222αx----单元框架x向跨距与步距h之比,αx= l x/h=900/900=1βH----高度修正系数λ=l0/i=1475/15.9=92.767,查表得,φ=0.648由跨空部分引起的附加轴力N s=ηs p s l a B s=0.3×9.966×0.6×4.5=8.072kN不考虑风荷载靠近跨空端最不利架体自重标准值G2=q×H=0.15×18.6=2.79kNN=max[1.2(N s+G1×l a×l b+G2)+1.4×Q1k,1.35(N s+G1×l a×l b+G2)+1.4×0.9×Q1k]=max[1.2×(8.072+5.88×0.6×0.9+2.79)+1.4×0.6,1.35×(8.072+5.88×0.6×0.9+2.79)+1.4×0 .9×0.6]=19.707kNf=N/(φA)=19706.513/(0.648×424)=71.725N/mm2≤[f]=205N/mm2满足要求!考虑风荷载M w=γQωk l a h2/10=1.4×0.721×0.6×0.92/10=0.049kN·mN wK=n waωk l a H2/(2B)=3×0.721×0.6×18.62/(2×10)=22.456kNn wa----单元框架的纵向跨数;n wa= n1=3N w=N=19.707kNf=(N w+φcγQ N wK)/(φA)+ M w/(W(1-1.1φ(N w+φcγQ N wK)/N E′))=(19706.513+0.9×1.4×22455.572)/(0.648×424)+0.04 9×106/(4.49×103×(1-1.1×0.648×(19706.513+0.9×1.4×22455.572)/100069.696))=191.312 N/mm2≤[f]=205N/mm2满足要求!N E′----立杆的欧拉临界力(N),N E′=π2EA/λ2=3.142×206000×424/92.7672=100069.696N五、高宽比验算根据《建筑施工临时支撑结构技术规范》JGJ300-2013 第5.1.8:支撑结构高宽比应小于或等于3H/B=18.6/10=1.86≤3满足要求!六、支撑结构抗倾覆验算根据《建筑施工临时支撑结构技术规范》JGJ300-2013中第4.5.1条条文说明,由风荷载产生的倾覆力矩:M ov1=γ0γQψcωk LH2/2=1×1.4×0.9×0.721×6.4×18.62/2=1006.01kN·m由跨空部分产生的倾覆力矩:M ov2=γ0(γG(G+G1)+γQψc Q1k)L(B s/2)2/2=1×(1.35×(0.942+5.88)+1.4×0.9×0.6)×6.4×(4.5/2)2/2=161.444kN•m 由支撑架构自重产生的抗倾覆力矩:M r=γG g k LHB/2=0.9×2.778×6.4×18.6×10/2=1488kN·m式中:g k--支撑结构自重标准值与受风面积的比值,g k=G k/LH=qHBL/(l a l b)/LH=0.15×18.6×10×6.4/(0.6×0.9)/(6.4×18.6)=2.778kN/m2M r=1488kN·m≥(M ov1+M ov2)=(1006.01+161.444)=1167.454kN·m满足要求!七、立杆支承面承载力验算11、受冲切承载力计算根据《混凝土结构设计规范》GB50010-2010第6.5.1条规定,见下表可得:βh=1,f t=1.115N/mm2,η=1,h0=h-20=230mm,u m =2[(a+h0)+(b+h0)]=1520mmF=(0.7βh f t+0.25σpc,)ηu m h0=(0.7×1×1.115+0.25×0)×1×1520×230/1000=272.863kN≥F1=19.707kNm满足要求!2、局部受压承载力计算根据《混凝土结构设计规范》GB50010-2010第6.6.1条规定,见下表可得:f c=11.154N/mm2,βc=1,βl=(A b/A l)1/2=[(a+2b)×(b+2b)/(ab)]1/2=[(400)×(300)/(200×100)]1/2=2.449,A ln=ab=20000mm2F=1.35βcβl f c A ln=1.35×1×2.449×11.154×20000/1000=737.683kN≥F1=19.707kN满足要求!。
1、建筑施工企业不得招用未满()周岁的未成年人,国家另有规定除外。
A.15B.16C.17D.18答案:B2、()是我国第一部规范建设工程安全生产的行政法规,标志着我国建设工程安全生产管理进入了法制化、规范化发展的新时期。
A.《建设工程安全生产管理条例》B.《安全生产许可证条例》C.《建筑法》D.《安全生产法》答案:A3、生产经营单位作出涉及安全生产的经营决策,应当听取()及安全生产管理人员的意见。
A.安全生产管理机构B.项目管理机构C.质量技术管理机构D.工程管理机构答案:A4、生产经营单位的()依法组织职工参加本单位安全生产工作的民主管理和民主监督。
A.工会B.董事会C.安全部门D.上级部门答案:A5、订立和变更劳动合同,应当遵循()的原则。
A.以人为本、B.实事求是C.公平、公正D.实事求是、科学严谨答案:D6、职业病防治工作坚持()的方针。
A.预防为主,防治结合B.预防为主,综合治理C.预防为主,防消结合D.治理为主,防治结合答案:A7、根据《职业病分类和目录》,下列哪些属于职业病。
()A.矽肺B.感冒C.发烧D.咳嗽答案:A8、生产经营单位与从业人员订立的劳动合同,应当载明有关保障从业人员劳动安全和()的事项。
A.事故应急措施B.防止职业危害9、环境保护坚持保护优先、预防为主、综合治理、()、损害担责的原则。
A.政府为主B.企业为主C.公众参与D.部门配合答案:C10、建立劳动关系,应当订立()。
A.口头劳动合同B.书面劳动合同C.书面或者口头劳动合同D.口头劳动协议答案:B11、分包单位应当服从总承包单位的安全生产管理,分包单位不服从管理导致生产安全事故的,分包单位承担( )责任。
A.全部B.连带C.主要D.部分答案:C12、依照《安全生产法》规定,生产经营单位必须保证上岗的从业人员都经过(),否则,生产经营单位要承担法律责任。
A.安全意识教育B.安全技术培训C.安全作业培训D.安全生产教育和培训答案:D13、建筑设计单位和建筑施工企业对建设单位违反法律、行政法规和建筑工程质量、安全标准,提出的降低工程质量安全的要求,()。
JGJ300-2013《筑施工临时支撑结构技术规范》模板支架工程施工方案计算实例目录
一、编制依据 (1)
二、工程参数 (1)
三、模板面板验算 (2)
四、次楞方木验算 (3)
五、主楞验算 (5)
六、扣件抗滑移验算 (7)
七、风荷载计算 (7)
八、立杆稳定性验算 (8)
九、立杆底地基承载力验算 (10)
十、架体抗倾覆验算 (11)
一、编制依据
1、工程施工图纸及现场概况
2、《建筑施工安全技术统一规范》GB50870-2013
3、《建筑施工临时支撑结构技术规范》JGJ300-2013
4、《混凝土结构工程施工规范》GB50666-2011
5、《建筑施工扣件式钢管脚手架安全技术规范》JGJ130-2011
6、《建筑施工模板安全技术规范》JGJ162-2008
7、《建筑结构荷载规范》GB50009-2012
8、《钢结构设计规范》GB50017-2003
9、《冷弯薄壁型钢结构技术规范》GB50018-2002
10、《木结构设计规范》GB50005-2003
11、《混凝土模板用胶合板》GB/T17656-2008
12、《危险性较大的分部分项工程安全管理办法》建质[2009]87 号
13、《建设工程高大模板支撑系统施工安全监督管理导则》建质[2009]254 号
二、工程参数。
梁模板(扣件钢管架支撑)计算书计算依据:《建筑施工模板安全技术规范》(JGJ162-2008)《建筑施工临时支撑结构技术规范》(JGJ300-2013)《混凝土结构工程施工规范》(GB50666-2011)《建筑结构荷载规范》(GB 50009-2012)《混凝土结构设计规范》(GB50010-2010)《钢结构设计规范》(GB 50017-2003)一、参数信息梁段:L1。
1.模板构造及支撑参数(一) 构造参数梁截面宽度(m) 0.8 梁截面高度(m) 0.8 楼层高度(m) 5 结构表面要求 隐藏立杆沿梁跨度方向间距(m)1 立杆步距(m) 1.2混凝土楼板厚度(mm)220板底承重立杆纵向间距(m)1.2 横向间距(m) 1.2梁底承重立杆根数 2 梁底两侧立杆间距(m)0.4梁底承重立杆间距(mm) 400(二) 支撑参数梁底支撑钢管(mm) Φ48×3.5钢管钢材品种 钢材Q235钢(>16-40)钢管弹性模量(N/mm2)206000钢管屈服强度(N/mm2) 235钢管抗拉/抗压/抗弯强度设计值(N/mm2)205钢管抗剪强度设计值(N/mm2) 120钢管端面承压强度设计值(N/mm2)3252.荷载参数新浇筑砼自重标准值(kN/m3) 24钢筋自重标准值(kN/m3)1.5砼对模板侧压力标准值(kN/m2) 19.2梁侧模板自重标准值(kN/m2)0.3梁底模板自重标准值(kN/m2) 0.25 3.梁侧模板参数加固楞搭设形式:主楞横向次楞竖向设置;(一) 面板参数面板材料 克隆(平行方向)18mm厚覆面木胶合板面板厚度(mm) 18抗弯设计值(N/mm2) 29 弹性模量(N/mm2)11500 (二) 主楞参数主楞材料 2根Ф48×3.5钢管 主楞间距(mm) 100,400 钢材品种 钢材Q235钢(>16-40)弹性模量(N/mm2) 206000屈服强度(N/mm2)235 抗拉/抗压/抗弯强度设计值(N/mm2)205抗剪强度设计值(N/mm2) 120端面承压强度设计值(N/mm2)325(三) 次楞参数次楞材料 1根60×90矩形木楞次楞间距(mm) 400木材品种 太平洋海岸黄柏 弹性模量(N/mm2) 10000抗压强度设计值(N/mm2) 13抗弯强度设计值(N/mm2)15抗剪强度设计值(N/mm2) 1.6(四) 加固楞支拉参数支拉方式 采用穿梁螺栓支拉螺栓直径 M14 螺栓水平间距(mm) 800螺栓竖向间距(mm) 100,400 4.梁底模板参数搭设形式为:2层梁上顺下横混合承重;(一) 面板参数面板材料 克隆(平行方向)18mm厚覆面木胶合板厚度(mm) 18抗弯设计值(N/mm2) 29 弹性模量(N/mm2)11500 (二) 第一层支撑梁参数材料 1根□60×40×2.5矩形钢管根数 4钢材品种 钢材Q235钢(>16-40)弹性模量(N/mm2) 206000屈服强度(N/mm2)235 抗拉/抗压/抗弯强度设计值(N/mm2)205抗剪强度设计值(N/mm2) 120端面承压强度设计值(N/mm2)325二、梁侧模板面板的计算面板为受弯结构,需要验算其抗弯强度和刚度。
跨空支撑结构计算书计算依据:1、《建筑施工临时支撑结构技术规范》JGJ300-20132、《建筑结构荷载规范》GB 50009-20123、《钢结构设计规范》GB 50017-2003一、支撑结构设计支撑结构侧立面图三、跨空部分竖向荷载验算G=[(2H s /h)(l b 2+h 2)0.5+H s +l a +l b ]×0.031/(l a ×l b )=[(2×5/1) ×(0.92+12)0.5+5+0.9+0.9]×0.031/(0.9×0.9)=0.78kN/m 2 跨空部分竖向荷载设计值Ps=max[1.2(G+G 1)+1.4×Q 1k ,1.35(G+G 1)+1.4×0.9×Q 1k ]=max[1.2×(0.78+2)+1.4×2.5,1.35×(0.78+2)+1.4×0.9×2.5]=6.903kN/m 2 Ps≤p s,max =22kN/m 2 符合要求!四、落地部分立杆稳定性验算钢管截面类型(mm) Φ48×2.8 钢管计算截面类型(mm) Φ48×2.8 钢材等级Q235 立杆截面面积A(mm 2) 398 立杆截面回转半径i(mm) 16 立杆截面抵抗矩W(cm 3) 4.25 立杆抗压强度设计值[f](N/mm 2) 205 支架自重标准值q(kN/m) 0.15 立杆弹性模量(N/mm 2) 206000 立杆截面惯性矩(cm 4) 10.19 竖向斜杆设置 无 剪刀撑设置 有 扫地杆高度h 1(mm)200 悬臂长度h 2(mm )200 竖向剪刀撑纵距跨数n 1(跨) 3 竖向剪刀撑横距跨数n 2(跨) 3 高度修正系数 1 节点转动刚度(kN·m/rad)35附加轴力系数ηs0.451、长细比验算根据《建筑施工临时支撑结构技术规范》JGJ300-2013条文说明4.1.3条,构件的允许长细比计算时构件的长度取节点间钢管的长度 l 0=h=1000mmλ=l 0/i=1000/16=62.5≤[λ]=180 满足要求!2、立杆稳定性验算立杆计算长度:l0=βHβaμh=1×1×1.515×1000=1515mmμ ----立杆计算长度系数,按规范附录B表B-3取值K----有剪刀撑框架式支撑结构的刚度比,K=EI/(hk)+ l y/(6h)=206000×10.19×104/(1000×35×106)+900/(6×1000)=0.75βa----扫地杆高度与悬臂长度修正系数,按规范附录B表B-5取值α----扫地杆高度h1与步距h之比与悬臂长度h2与步距h之比的较大值,α=max(h1/h,h2/h)= max(200/1000,200/1000)=0.2αx----单元框架x向跨距与步距h之比,αx= l x/h=900/1000=0.9βH----高度修正系数λ=l0/i=1515/16=94.688,查表得,φ=0.634由跨空部分引起的附加轴力N s=ηs p s l a B s=0.45×6.903×0.9×3.6=10.065kN不考虑风荷载靠近跨空端最不利架体自重标准值G2=q×H=0.15×6=0.9kNN=max[1.2(N s+G1×l a×l b+G2)+1.4×Q1k,1.35(N s+G1×l a×l b+G2)+1.4×0.9×Q1k]=max[1.2×(10.065+2×0.9×0.9+0.9)+1.4×2.5,1.35×(10.065+2×0.9×0.9+0.9)+1.4×0.9×2.5 ]=20.14kNf=N/(φA)=20139.546/(0.634×398)=79.814N/mm2≤[f]=205N/mm2满足要求!五、高宽比验算根据《建筑施工临时支撑结构技术规范》JGJ300-2013 第5.1.8:支撑结构高宽比应小于或等于3H/B=6/10=0.6≤3满足要求!六、支撑结构抗倾覆验算根据《建筑施工临时支撑结构技术规范》JGJ300-2013中第4.5.1条条文说明,由风荷载产生的倾覆力矩:M ov1=γ0γQψcωk LH2/2=1×1.4×0.9×0.768×10×62/2=174.182kN·m由跨空部分产生的倾覆力矩:M ov2=γ0(γG(G+G1)+γQψc Q1k)L(B s/2)2/2=1×(1.35×(0.78+2)+1.4×0.9×2.5)×10×(3.6/2)2/2=111.829kN•m 由支撑架构自重产生的抗倾覆力矩:M r=γG g k LHB/2=0.9×1.852×10×6×10/2=500kN·m式中:g k--支撑结构自重标准值与受风面积的比值,g k=G k/LH=qHBL/(l a l b)/LH=0.15×6×10×10/(0.9×0.9)/(10×6)=1.852kN/m2M r=500kN·m≥(M ov1+M ov2)=(174.182+111.829)=286.011kN·m满足要求!七、立杆支承面承载力验算11、受冲切承载力计算根据《混凝土结构设计规范》GB50010-2010第6.5.1条规定,见下表h t0u m =2[(a+h0)+(b+h0)]=1320mmF=(0.7βh f t+0.25σpc,)ηu m h0=(0.7×1×1.001+0.25×0)×1×1320×180/1000=166.486kN≥F1=20.14kNm满足要求!2、局部受压承载力计算根据《混凝土结构设计规范》GB50010-2010第6.6.1条规定,见下表c cβl=(A b/A l)1/2=[(a+2b)×(b+2b)/(ab)]1/2=[(400)×(300)/(200×100)]1/2=2.449,A ln=ab=20000mm2F=1.35βcβl f c A ln=1.35×1×2.449×10.01×20000/1000=662.024kN≥F1=20.14kN满足要求!。
悬挑支撑结构计算书计算依据:1、《建筑施工临时支撑结构技术规范》JGJ300-20132、《建筑结构荷载规范》GB 50009-20123、《钢结构设计规范》GB 50017-2003一、支撑结构设计二、荷载设计设计简图如下:支撑结构侧立面图三、悬挑部分竖向荷载验算悬挑部分竖向荷载限值pt,max(kN/m2) 22n为悬挑部分的步数和跨数则取l a为计算单元,悬挑部分靠近平衡部分的最大自重线荷载标准值为:Q ={(l b+l a)∑n+(h2+l b2)0.5∑(n-1)+(B t2+H t2)0.5+[(l a2+l b2+h2)0.5+(l a2+l b2)0.5](L/l a)取整/2}×0.033={(1.6+1.6)∑1+(1.52+1.62)0.5∑(1-1)+(1.62+1.52)0.5+[(1.62+1.62+1.52)0.5+(1.62+1.62)0.5](13/1.6)取整/2}×0.033=0.843kN/m悬挑部分远离平衡部分的最小自重线荷载值为0根据弯矩等效,等效均布线荷载标准值q为:1/6QB t2=1/2qB t2q=Q/3=0.843/3=0.281kN/m等效悬挑部分架体自重标准值G=q/l a=0.281/1.6=0.176kN/m2悬挑部分竖向荷载设计值Pt=max[1.2(G+G1)+1.4×Q1k,1.35(G+G1)+1.4×0.9×Q1k]=max[1.2×(0.176+3)+1.4×2.5,1.35×(0.176+3)+1.4×0.9×2.5]=7.438kN/m2 Pt≤p t,max=22kN/m2符合要求!四、落地部分立杆稳定性验算1、长细比验算根据《建筑施工临时支撑结构技术规范》JGJ300-2013条文说明4.1.3条,构件的允许长细比计算时构件的长度取节点间钢管的长度l0=h=1500mmλ=l0/i=1500/15.9=94.34≤[λ]=180满足要求!2、立杆稳定性验算立杆计算长度:l0=βHβaμh=1.11×1×1.58×1500=2631mmμ ----立杆计算长度系数,按规范附录B表B-3取值K----有剪刀撑框架式支撑结构的刚度比,K=EI/(hk)+l y/(6h)=206000×10.78×104/(1500×35×106)+1600/(6×1500)=0.601βa----扫地杆高度与悬臂长度修正系数,按规范附录B表B-5取值α----扫地杆高度h1与步距h之比与悬臂长度h2与步距h之比的较大值,α=max(h1/h,h2/ h)= max(200/1500,200/1500)=0.133αx----单元框架x向跨距与步距h之比,αx= l x/h=1600/1500=1.067βH----高度修正系数λ=l0/i=2631/15.9=165.472,查表得,φ=0.259由悬挑部分引起的附加轴力N t=ηt p t l a B t=0.45×7.438×1.6×1.6=8.568kN不考虑风荷载靠近悬挑端最不利架体自重标准值G2=q×H=0.15×9=1.35kNN=max[1.2(N t+G1×l a×l b+G2)+1.4×Q1k,1.35(N t+G1×l a×l b+G2)+1.4×0.9×Q1k]=max[1.2×(8.568+3×1.6×1.6+1.35)+1.4×2.5,1.35×(8.568+3×1.6×1.6+1.35)+1.4×0.9×2.5 ]=26.907kNf= N/(φA)=26907.456/(0.259×424)=245.023N/mm2>[f]=205N/mm2不满足要求,调整立杆纵横向间距、步距!考虑风荷载M w=γQωk l a h2/10=1.4×0.32×1.6×1.52/10=0.161kN·mN wK=n waωk l a H2/(2B)=3×0.32×1.6×92/(2×18)=3.456kNn wa----单元框架的纵向跨数;n wa= n1=3N w=N=26.907kNf=(N w+φcγQ N wK)/(φA)+M w/(W(1-1.1φ(N w+φcγQ N wK)/N E′))=(26907.456+0.9×1.4×3456)/(0.259×424)+0.161×106 /(4.49×103×(1-1.1×0.259×(26907.456+0.9×1.4×3456)/31451.758))=334.786N/mm2>[f]=205N/mm2不满足要求,调整立杆纵横向间距、步距!N E′----立杆的欧拉临界力(N),N E′=π2EA/λ2=3.142×206000×424/165.4722=31451.758N 五、支撑结构抗倾覆验算根据《建筑施工临时支撑结构技术规范》JGJ300-2013中第4.5.1条条文说明,由风荷载产生的倾覆力矩:M ov1=γ0γQψcωk LH2/2=1×1.4×0.9×0.32×13×92/2=212.285kN·m由悬挑部分产生的倾覆力矩:M ov2=γ0(γG(G+G1)+γQψc Q1k)LB t2/2=1×(1.35×(0.176+3)+1.4×0.9×2.5)×13×1.62/2=123.762kN•m 由支撑架构自重产生的抗倾覆力矩:M r=γG g k LHB/2=0.9×1.055×13×9×18/2=999.527kN·m式中:g k--支撑结构自重标准值与受风面积的比值,g k=G k/LH=qHBL/(l a l b)/LH=0.15×9×18×13/(1.6×1.6)/(13×9)=1.055kN/m2M r=999.527kN·m≥(M ov1+M ov2)=(212.285+123.762)=336.046kN·m满足要求!六、立杆支承面承载力验算F1=N=26.907kN1、受冲切承载力计算根据《混凝土结构设计规范》GB50010-2010第6.5.1条规定,见下表可得:βh=1,f t=1.001N/mm2,η=1,h0=h-20=100mm,u m =2[(a+h0)+(b+h0)]=1000mmF=(0.7βh f t+0.25σpc,m)ηu m h0=(0.7×1×1.001+0.25×0)×1×1000×100/1000=70.07kN≥F1=2 6.907kN满足要求!2、局部受压承载力计算根据《混凝土结构设计规范》GB50010-2010第6.6.1条规定,见下表可得:f c=10.01N/mm2,βc=1,βl=(A b/A l)1/2=[(a+2b)×(b+2b)/(ab)]1/2=[(400)×(300)/(200×100)]1/2=2.449,A ln=ab=2000 0mm2F=1.35βcβl f c A ln=1.35×1×2.449×10.01×20000/1000=662.024kN≥F1=26.907kN满足要求!。
地下室临时支撑设计计算书计算依据:1、《钢结构设计标准》GB50017-20172、《建筑结构荷载规范》GB 50009-20123、《建筑结构可靠性设计统一标准》GB50068-20184、《建筑施工临时支撑结构技术规范》JGJ300-20135、《混凝土结构设计规范》GB50010-20106、《混凝土工程模板与支架技术》杜荣军编著一、参数信息1、基本参数2、荷载参数3、楼板参数(1)地下室顶板:(2)地下室底板:二、设计简图钢管支撑立面图三、荷载计算工况:覆土前结构板及回顶架体共同所受总荷载设计值(覆土前考虑荷载动力系数):Q1=γ0[γG[G1k×(h0+h d)+G2k×H d]+γQγL(K×9.8×T1/S1)]=1×[1.3×[25.1×(0.35+0.35)+0.15×3.35]+1.5×1×(1.1×9.8×60/15)]=88.174kN/m2四、顶板承载力验算1、顶板设计承载力计算(1)地下室顶板顶板厚度h0(mm) 350 砼强度等级C35临时道路部位顶板最小设计活荷25 Q1k是否为设计消防车活荷载是地下室顶板设计承载力:F min =γ0×[1.3×(G 1k ×h 0+h s ×γ)+1.5×γL ×Q 1k ×ks]=1×[1.3×(25.1×0.35+1.5×18)+1.5×1×25×0.8]=76.52kN/m 2(2)地下室底板2、顶板实际承载力复核由荷载计算章节可知:覆土前总荷载设计值为Q 1=88.174kN/m 2Q 总=Q 1=88.174kN/m 2楼板荷载分配按各层楼板刚度进行分配,简化为相应龄期下的弹性模量进行分配,刚度大的楼层荷载分摊多。
主次梁交接处模板支架(扣件式)计算书计算依据:1、《建筑施工临时支撑结构技术规范》JGJ300-20132、《混凝土结构设计规范》GB50010-20103、《建筑结构荷载规范》GB 50009-20124、《钢结构设计规范》GB 50017-2003一、主次梁交接处模板支架平面图平面图二、基本参数钢管类型 Ф48×3.5 立柱截面面积A(mm 2) 489 回转半径i(mm)15.8 立柱截面抵抗矩W(cm 3) 5.08 抗压强度设计值f(N/mm 2) 205 支架自重标准值q(kN/m) 0.15 水平杆钢管类型Ф48×3.5 竖向剪刀撑纵距跨数n1(跨) 3 竖向剪刀撑横距跨数n2(跨) 3 节点转动刚度(kN·m/rad) 20 扫地杆高度h1(mm) 200 高度修正系数1悬臂长度h 22001、长细比验算立杆计算长度:l 0=βH βa μh=1×1×1.352×1500=2027.74mm μ ----立杆计算长度系数,按规范附录B 表B-3取值K----有剪刀撑框架式支撑结构的刚度比,K=EI/(hk)+ l y/(6h)=206000×15.8×104/(1500×20×106)+900/(6×1500)=1.185βa----扫地杆高度与悬臂长度修正系数,按规范附录B表B-5取值α----扫地杆高度h1与步距h之比与悬臂长度h2与步距h之比的较大值,α=max (h1/h,h2/h)= max(200/1500,200/1500)=0.133αx----单元框架x向跨距与步距h之比,αx= l x/h=1000/1500=0.667βH----高度修正系数λ=l0/i=2027.74/15.8=128.338≤[λ]=180长细比满足要求!共用立杆稳定性验算:受力最大的共用立杆N max=max(N1,N2,N3,N4)=N1=10.53kN共用立杆1受力最大。
JGJ300-2013《筑施工临时支撑结构技术规范》模板支架工程施工方案计算实例目录
一、编制依据 (1)
二、工程参数 (1)
三、模板面板验算 (2)
四、次楞方木验算 (3)
五、主楞验算 (5)
六、扣件抗滑移验算 (7)
七、风荷载计算 (7)
八、立杆稳定性验算 (8)
九、立杆底地基承载力验算 (10)
十、架体抗倾覆验算 (11)
一、编制依据
1、工程施工图纸及现场概况
2、《建筑施工安全技术统一规范》GB50870-2013
3、《建筑施工临时支撑结构技术规范》JGJ300-2013
4、《混凝土结构工程施工规范》GB50666-2011
5、《建筑施工扣件式钢管脚手架安全技术规范》JGJ130-2011
6、《建筑施工模板安全技术规范》JGJ162-2008
7、《建筑结构荷载规范》GB50009-2012
8、《钢结构设计规范》GB50017-2003
9、《冷弯薄壁型钢结构技术规范》GB50018-2002
10、《木结构设计规范》GB50005-2003
11、《混凝土模板用胶合板》GB/T17656-2008
12、《危险性较大的分部分项工程安全管理办法》建质[2009]87 号
13、《建设工程高大模板支撑系统施工安全监督管理导则》建质[2009]254 号
二、工程参数。
模板支撑体系计算书计算依据:1、《建筑施工模板安全技术规范》JGJ162-20082、《建筑施工扣件式钢管脚手架安全技术规范》JGJ 130-20113、《混凝土结构设计规范》GB 50010-20104、《建筑结构荷载规范》GB 50009-20125、《钢结构设计规范》GB 50017-2003一、工程属性新浇混凝土梁名称KL1 混凝土梁截面尺寸(mm×mm) 300×900 模板支架高度H(m) 31.2 模板支架横向长度B(m) 20模板支架纵向长度L(m) 10.15 梁侧楼板厚度(mm) 120二、荷载设计模板及其支架自重标准值G1k(kN/m2) 面板0.1 面板及小梁0.3 楼板模板0.5 模板及其支架0.75新浇筑混凝土自重标准值G2k(kN/m3) 24混凝土梁钢筋自重标准值G3k(kN/m3) 1.5 混凝土板钢筋自重标准值G3k(kN/m3) 1.1 当计算支架立柱及其他支承结构构件时Q1k(kN/m2)1对水平面模板取值Q2k(kN/m2) 2风荷载标准值ωk(kN/m2) 基本风压ω0(kN/m2) 0.35非自定义:0.29 地基粗糙程度C类(有密集建筑群市区)模板支架顶部距地24面高度(m)风压高度变化系数0.796μz风荷载体型系数μs 1.04三、模板体系设计新浇混凝土梁支撑方式梁两侧有板,梁底小梁平行梁跨方向梁跨度方向立柱间距l a(mm) 1000梁两侧立柱横向间距l b(mm) 1000步距h(mm) 1500新浇混凝土楼板立柱间距l'a(mm)、l'b(mm) 1000、1000混凝土梁距梁两侧立柱中的位置居中梁左侧立柱距梁中心线距离(mm) 500梁底增加立柱根数 2梁底增加立柱布置方式按梁两侧立柱间距均分梁底增加立柱依次距梁左侧立柱距离(mm) 333,667梁底支撑小梁最大悬挑长度(mm) 300梁底支撑小梁根数 4梁底支撑小梁间距100每纵距内附加梁底支撑主梁根数 1结构表面的要求结构表面隐蔽模板及支架计算依据《建筑施工模板安全技术规范》JGJ162-2008 设计简图如下:平面图立面图四、面板验算面板类型覆面木胶合板面板厚度t(mm) 14面板抗弯强度设计值[f](N/mm2) 15 面板抗剪强度设计值[τ](N/mm2) 1.5面板弹性模量E(N/mm2) 5400取单位宽度b=1000mm,按三等跨连续梁计算:W=bh2/6=1000×14×14/6=32666.667mm3,I=bh3/12=1000×14×14×14/12=228666.667mm4q1=0.9×max[1.2(G1k+(G2k+G3k)×h)+1.4Q2k,1.35(G1k+(G2k+G3k)×h)+1.4ψc Q2k]×b=0.9×max[1.2×( 0.1+(24+1.5)×0.9)+1.4×2,1.35×(0.1+(24+1.5)×0.9)+1.4×0.7×2]×1=29.77kN/mq1静=0.9×1.35×[G1k+(G2k+G3k)×h]×b=0.9×1.35×[0.1+(24+1.5)×0.9]×1=28.006kN/mq1活=0.9×1.4×0.7×Q2k×b=0.9×1.4×0.7×2×1=1.764kN/mq2=[1×(G1k+(G2k+G3k)×h)]×b=[1×(0.1+(24+1.5)×0.9)]×1=23.05kN/m计算简图如下:1、强度验算M max=0.1q1静L2+0.117q1活L2=0.1×28.006×0.12+0.117×1.764×0.12=0.03kN·mσ=M max/W=0.03×106/32666.667=0.92N/mm2≤[f]=15N/mm2满足要求!2、挠度验算νmax=0.677q2L4/(100EI)=0.677×23.05×1004/(100×5400×228666.667)=0.013mm≤[ν]=L/250=10 0/250=0.4mm满足要求!3、支座反力计算设计值(承载能力极限状态)R1=R4=0.4q1静L+0.45q1活L=0.4×28.006×0.1+0.45×1.764×0.1=1.2kNR2=R3=1.1q1静L+1.2q1活L=1.1×28.006×0.1+1.2×1.764×0.1=3.292kN标准值(正常使用极限状态)R1'=R4'=0.4q2L=0.4×23.05×0.1=0.922kNR2'=R3'=1.1q2L=1.1×23.05×0.1=2.536kN五、小梁验算小梁类型方木小梁截面类型(mm) 40×70小梁抗弯强度设计值[f](N/mm2) 11.44 小梁抗剪强度设计值[τ](N/mm2) 1.232小梁截面抵抗矩W(cm3) 32.667 小梁弹性模量E(N/mm2) 7040小梁截面惯性矩I(cm4) 114.333 小梁计算方式简支梁承载能力极限状态:梁底面板传递给左边小梁线荷载:q1左=R1/b=1.2/1=1.2kN/m梁底面板传递给中间小梁最大线荷载:q1中=Max[R2,R3]/b = Max[3.292,3.292]/1=3.292kN/m梁底面板传递给右边小梁线荷载:q1右=R4/b=1.2/1=1.2kN/m小梁自重:q2=0.9×1.35×(0.3-0.1)×0.3/3 =0.024kN/m梁左侧模板传递给左边小梁荷载q3左=0.9×1.35×0.5×(0.9-0.12)=0.474kN/m梁右侧模板传递给右边小梁荷载q3右=0.9×1.35×0.5×(0.9-0.12)=0.474kN/m梁左侧楼板传递给左边小梁荷载q4左=0.9×Max[1.2×(0.5+(24+1.1)×0.12)+1.4×2,1.35×(0.5+(24 +1.1)×0.12)+1.4×0.7×2]×(0.5-0.3/2)/2×1=1.105kN/m梁右侧楼板传递给右边小梁荷载q4右=0.9×Max[1.2×(0.5+(24+1.1)×0.12)+1.4×2,1.35×(0.5+(24 +1.1)×0.12)+1.4×0.7×2]×((1-0.5)-0.3/2)/2×1=1.105kN/m左侧小梁荷载q左=q1左+q2+q3左+q4左 =1.2+0.024+0.474+1.105=2.803kN/m中间小梁荷载q中= q1中+ q2=3.292+0.024=3.317kN/m右侧小梁荷载q右=q1右+q2+q3右+q4右 =1.2+0.024+0.474+1.105=2.803kN/m小梁最大荷载q=Max[q左,q中,q右]=Max[2.803,3.317,2.803]=3.317kN/m正常使用极限状态:梁底面板传递给左边小梁线荷载:q1左'=R1'/b=0.922/1=0.922kN/m梁底面板传递给中间小梁最大线荷载:q1中'=Max[R2',R3']/b = Max[2.536,2.536]/1=2.536kN/m梁底面板传递给右边小梁线荷载:q1右'=R4'/b=0.922/1=0.922kN/m小梁自重:q2'=1×(0.3-0.1)×0.3/3 =0.02kN/m梁左侧模板传递给左边小梁荷载q3左'=1×0.5×(0.9-0.12)=0.39kN/m梁右侧模板传递给右边小梁荷载q3右'=1×0.5×(0.9-0.12)=0.39kN/m梁左侧楼板传递给左边小梁荷载q4左'=[1×(0.5+(24+1.1)×0.12)]×(0.5-0.3/2)/2×1=0.615kN/m梁右侧楼板传递给右边小梁荷载q4右'=[1×(0.5+(24+1.1)×0.12)]×((1-0.5)-0.3/2)/2×1=0.615kN/m 左侧小梁荷载q左'=q1左'+q2'+q3左'+q4左'=0.922+0.02+0.39+0.615=1.947kN/m中间小梁荷载q中'= q1中'+ q2'=2.536+0.02=2.556kN/m右侧小梁荷载q右'=q1右'+q2'+q3右'+q4右' =0.922+0.02+0.39+0.615=1.947kN/m小梁最大荷载q'=Max[q左',q中',q右']=Max[1.947,2.556,1.947]=2.556kN/m为简化计算,按简支梁和悬臂梁分别计算,如下图:1、抗弯验算M max=max[0.125ql12,0.5ql22]=max[0.125×3.317×0.52,0.5×3.317×0.32]=0.149kN·m σ=M max/W=0.149×106/32667=4.569N/mm2≤[f]=11.44N/mm2满足要求!2、抗剪验算V max=max[0.5ql1,ql2]=max[0.5×3.317×0.5,3.317×0.3]=0.995kNτmax=3V max/(2bh0)=3×0.995×1000/(2×40×70)=0.533N/mm2≤[τ]=1.232N/mm2满足要求!3、挠度验算ν1=5q'l14/(384EI)=5×2.556×5004/(384×7040×114.333×104)=0.258mm≤[ν]=l1/250=500/250=2 mmν2=q'l24/(8EI)=2.556×3004/(8×7040×114.333×104)=0.322mm≤[ν]=2l2/250=2×300/250=2.4m m满足要求!4、支座反力计算承载能力极限状态R max=[qL1,0.5qL1+qL2]=max[3.317×0.5,0.5×3.317×0.5+3.317×0.3]=1.824kN同理可得:梁底支撑小梁所受最大支座反力依次为R1=1.542kN,R2=1.824kN,R3=1.824kN,R4=1.542kN 正常使用极限状态R max'=[q'L1,0.5q'L1+q'L2]=max[2.556×0.5,0.5×2.556×0.5+2.556×0.3]=1.406kN同理可得:梁底支撑小梁所受最大支座反力依次为R1'=1.071kN,R2'=1.406kN,R3'=1.406kN,R4'=1.071kN 六、主梁验算主梁类型钢管主梁截面类型(mm) Φ48×2.7主梁计算截面类型(mm) Φ48×2.7主梁抗弯强度设计值[f](N/mm2) 205主梁抗剪强度设计值[τ](N/mm2) 125 主梁截面抵抗矩W(cm3) 4.12主梁弹性模量E(N/mm2) 206000 主梁截面惯性矩I(cm4) 9.891、抗弯验算主梁弯矩图(kN·m)σ=M max/W=0.141×106/4120=34.284N/mm2≤[f]=205N/mm2满足要求!2、抗剪验算主梁剪力图(kN)V max=3.366kNτmax=2V max/A=2×3.366×1000/384=17.532N/mm2≤[τ]=125N/mm2满足要求!3、挠度验算主梁变形图(mm)νmax=0.056mm≤[ν]=L/250=334/250=1.336mm满足要求!4、支座反力计算承载能力极限状态支座反力依次为R1=0.295kN,R2=3.661kN,R3=3.661kN,R4=0.295kN正常使用极限状态支座反力依次为R1'=0.224kN,R2'=2.701kN,R3'=2.701kN,R4'=0.224kN七、2号主梁验算主梁类型钢管主梁截面类型(mm) Φ48×2.7主梁计算截面类型(mm) Φ48×2.7主梁抗弯强度设计值[f](N/mm2) 205主梁抗剪强度设计值[τ](N/mm2) 125 主梁截面抵抗矩W(cm3) 4.12主梁弹性模量E(N/mm2) 206000 主梁截面惯性矩I(cm4) 9.89主梁计算方式三等跨连续梁可调托座内主梁根数 1P=max[R2,R3]=Max[3.661,3.661]=3.661kN,P'=max[R2',R3']=Max[2.701,2.701]=2.701k N1、抗弯验算2号主梁弯矩图(kN·m)σ=M max/W=0.641×106/4120=155.509N/mm2≤[f]=205N/mm2满足要求!2、抗剪验算2号主梁剪力图(kN)V max=2.38kNτmax=2V max/A=2×2.38×1000/384=12.394N/mm2≤[τ]=125N/mm2满足要求!3、挠度验算2号主梁变形图(mm)νmax=1.533mm≤[ν]=L/250=1000/250=4mm满足要求!4、支座反力计算极限承载能力状态支座反力依次为R1=4.942kN,R2=7.871kN,R3=7.871kN,R4=4.942kN立柱所受主梁支座反力依次为R2=7.871/1=7.871kN,R3=7.871/1=7.871kN八、纵向水平钢管验算钢管截面类型(mm) Φ48×2.7钢管计算截面类型(mm) Φ48×2.7钢管截面面积A(mm2) 384 钢管截面回转半径i(mm) 16钢管弹性模量E(N/mm2) 206000 钢管截面惯性矩I(cm4) 9.89钢管截面抵抗矩W(cm3) 4.12 钢管抗弯强度设计值[f](N/mm2) 205钢管抗剪强度设计值[τ](N/mm2) 125P=max[R1,R4]=0.295kN,P'=max[R1',R4']=0.224kN计算简图如下:1、抗弯验算纵向水平钢管弯矩图(kN·m)σ=M max/W=0.052×106/4120=12.531N/mm2≤[f]=205N/mm2满足要求!2、抗剪验算纵向水平钢管剪力图(kN)V max=0.192kNτmax=2V max/A=2×0.192×1000/384=0.999N/mm2≤[τ]=125N/mm2满足要求!3、挠度验算纵向水平钢管变形图(mm)νmax=0.127mm≤[ν]=L/250=1000/250=4mm满足要求!4、支座反力计算支座反力依次为R1=0.398kN,R2=0.634kN,R3=0.634kN,R4=0.398kN同理可得:两侧立柱所受支座反力依次为R1=0.634kN,R4=0.634kN九、可调托座验算荷载传递至立柱方式可调托座2 可调托座承载力容许值[N](kN) 30扣件抗滑移折减系数k c 11、扣件抗滑移验算两侧立柱最大受力N=max[R1,R4]=max[0.634,0.634]=0.634kN≤1×8=8kN单扣件在扭矩达到40~65N·m且无质量缺陷的情况下,单扣件能满足要求!2、可调托座验算可调托座最大受力N=max[R2,R3]=7.871kN≤[N]=30kN满足要求!十、立柱验算立柱钢管截面类型(mm) Φ48×2.7立柱钢管计算截面类型(mm) Φ48×2.7钢材等级Q235 立柱截面面积A(mm2) 384回转半径i(mm) 16 立柱截面抵抗矩W(cm3) 4.12抗压强度设计值[f](N/mm2) 205 支架自重标准值q(kN/m) 0.151、长细比验算l0=h=1500mmλ=l0/i=1500/16=93.75≤[λ]=150长细比满足要求!查表得,φ=0.6412、风荷载计算M w=0.9×φc×1.4×ωk×l a×h2/10=0.9×0.9×1.4×0.29×1×1.52/10=0.074kN·m3、稳定性计算根据《建筑施工模板安全技术规范》JGJ162-2008,荷载设计值q1有所不同:1)面板验算q1=0.9×[1.2×(0.1+(24+1.5)×0.9)+1.4×0.9×2]×1=27.162kN/m2)小梁验算q1=max{1.098+0.9×1.2×[(0.3-0.1)×0.3/3+0.5×(0.9-0.12)]+0.9×[1.2×(0.5+(24+1.1)×0.12)+1.4×0.9×1]×max[0.5-0.3/2,(1-0.5)-0.3/2]/2×1,3.01+0.9×1.2×(0.3-0.1)×0.3/3}=3.032kN/m 同上四~八计算过程,可得:R1=0.574kN,R2=7.003kN,R3=7.003kN,R4=0.574kN立柱最大受力N w=max[R1+N边1,R2,R3,R4+N边2]+0.9×1.2×0.15×(31.2-0.9)+M w/l b=max[0.57 4+0.9×[1.2×(0.5+(24+1.1)×0.12)+1.4×0.9×1]×(1+0.5-0.3/2)/2×1,7.003,7.003,0.574+0.9×[1.2×(0.5+(24+1.1)×0.12)+1.4×0.9×1]×(1+1-0.5-0.3/2)/2×1]+4.909+0.074/1=11.985kNf=N/(φA)+M w/W=11985.215/(0.641×384)+0.074×106/4120=66.653N/mm2≤[f]=205N/mm2 满足要求!十一、高宽比验算根据《建筑施工扣件式钢管脚手架安全技术规范》JGJ130-2011第6.9.7:支架高宽比不应大于3H/B=31.2/20=1.56<3满足要求,不需要进行抗倾覆验算!十二、立柱支承面承载力验算支撑层楼板厚度h(mm) 120 混凝土强度等级C30 混凝土的龄期(天) 14 混凝土的实测抗压强度f c(N/mm2) 7.488 混凝土的实测抗拉强度f t(N/mm2) 0.858 立柱垫板长a(mm) 100 立柱垫板宽b(mm) 450F1=N=11.985kN1、受冲切承载力计算根据《混凝土结构设计规范》GB50010-2010第6.5.1条规定,见下表公式参数剖析F l≤(0.7βh f t+0.25σpc,m)ηu m h0F1局部荷载设计值或集中反力设计值βh截面高度影响系数:当h≤800mm时,取βh=1.0;当h≥2000mm时,取βh=0.9;中间线性插入取用。
板模板工程施工方案计算书工 程 名 称: 演示工程 施 工 单 位: 某建设集团 编 制 人: 张## 日 期:目录一、编制依据 (1)二、工程参数 (1)三、模板面板验算 (2)四、次楞方木验算 (3)五、主楞验算 (5)六、扣件抗滑移验算 (7)七、风荷载计算 (7)八、立杆稳定性验算 (8)九、立杆底地基承载力验算 (10)十、架体抗倾覆验算 (11)一、 编制依据1、工程施工图纸及现场概况2、《建筑施工安全技术统一规范》GB50870-20133、《建筑施工临时支撑结构技术规范》JGJ300-20134、《混凝土结构工程施工规范》GB50666-20115、《建筑施工扣件式钢管脚手架安全技术规范》JGJ130-20116、《建筑施工模板安全技术规范》JGJ162-20087、《建筑结构荷载规范》GB50009-20128、《钢结构设计规范》GB50017-20039、《冷弯薄壁型钢结构技术规范》GB50018-200210、《木结构设计规范》GB50005-200311、《混凝土模板用胶合板》GB/T17656-200812、《危险性较大的分部分项工程安全管理办法》建质[2009]87号13、《建设工程高大模板支撑系统施工安全监督管理导则》建质[2009]254 号二、 工程参数楼板模板支架参数建筑施工危险等级 Ⅰ级 危险等级系数:支撑结构 1.1 水平杆件 1 砼楼板厚度 0.3m 支架高度 8m立杆纵距 0.9m 立杆横距 0.9m 水平杆最大步距 1.5m 顶步步距 1.2m立杆顶伸出长度a 0.5m 扫地杆高度 0.2m 钢管类型 φ48×3.0mm面板 木胶合板 厚度:15mm次楞 方木50mm×80mm,间距0.3m主楞 双钢管依据JGJ300-2013规范要求,采用有剪刀撑框架式支撑结构,剪刀撑剪刀撑宽度:纵距方向6跨,横距方向6跨支撑结构与既有结构连接情况 支撑结构与既有结构通过连墙件可靠连接荷载参数新浇砼自重 24kN/m3钢筋自重 1.1kN/m3永久荷载面板次楞自重 0.3kN/m2支架自重 0.136kN/m面板与次楞 主楞 立杆施工人员及设备荷载 2.5kN/m2 2.5kN 2.5kN/m2 2.5kN/m2可变荷载泵送砼或不均匀堆载等因素产生的附加水平荷载竖向永久荷载标准值的2%风荷载 广东广州市,基本风压:0.3kN/m2三、 模板面板验算面板采用木胶合板,厚度为15mm ,取主楞间距0.9m的面板作为计算宽度。
面板的截面抵抗矩W= 900×15×15/6=33750mm3;截面惯性矩I= 900×15×15×15/12=253125mm4;(一)强度验算1、面板按三跨连续梁计算,其计算跨度取支承面板的次楞间距,L=0.3m。
2、荷载计算取均布荷载或集中荷载两种作用效应考虑,计算结果取其大值。
均布线荷载设计值为:q1=[1.2×(24×0.3+1.1×0.3+0.3)+1.4×2.5]×0.9=11.606kN/mq1=[1.35×(24×0.3+1.1×0.3+0.3)+1.4×0.7×2.5]×0.9= 11.718kN/m根据以上两者比较应取q1= 11.718kN/m作为设计依据。
集中荷载设计值:模板自重线荷载设计值q2=1.2×0.9×0.3=0.324 kN/m跨中集中荷载设计值P=1.4×2.5= 3.500kN3、强度验算施工荷载为均布线荷载:M 1=0.1q 1l 2=0.1× 11.718×0.32=0.105kN·m 施工荷载为集中荷载:M 2=0.08q 2l 2+0.213Pl=0.08× 0.324×0.32+0.213× 3.500×0.3=0.226kN·m 取M max =0.226KN·m验算强度。
面板抗弯强度设计值f=12.5N/mm 2; M max 0.226×106σ=W=33750=6.70N/mm 2 < f=12.5N/mm 2面板强度满足要求! (二)挠度验算挠度验算时,荷载效应组合取永久荷载+施工均布荷载,分项系数均取1.0。
q = 0.9×(24×0.3+1.1×0.3+0.3+2.5)=9.297kN/m; 面板最大容许挠度值: 300/400=0.8mm; 面板弹性模量: E = 4500N/mm 2; 0.677ql 4 0.677×9.297×3004 ν=100EI=100×4500×253125=0.45mm < 0.8mm满足要求!四、 次楞方木验算次楞采用方木,宽度50mm,高度80mm,间距0.3m,截面抵抗矩W和截面惯性矩I分别为: 截面抵抗矩 W =50×80×80/6=53333mm 3; 截面惯性矩 I =50×80×80×80/12=2133333mm 4; (一)抗弯强度验算1、次楞按三跨连续梁计算,其计算跨度取立杆横距,L=0.9m 。
2、荷载计算取均布荷载或集中荷载两种作用效应考虑,计算结果取其大值。
均布线荷载设计值为:q1=[1.2×(24×0.3+1.1×0.3+0.3)+1.4×2.5]×0.3=3.869kN/mq1=[1.35×(24×0.3+1.1×0.3+0.3)+1.4×0.7×2.5]×0.3= 3.906kN/m 根据以上两者比较应取q1= 3.906kN/m作为设计依据。
集中荷载设计值:模板自重线荷载设计值q2=1.2×0.3×0.3=0.108kN/m跨中集中荷载设计值P=1.4×2.5= 3.500kN3、强度验算施工荷载为均布线荷载:M1= 0.1q1l2=0.1×3.906×0.92=0.316kN·m施工荷载为集中荷载:M2= 0.08q2l2+0.213Pl=0.08×0.108×0.92+0.213×3.500×0.9=0.678kN·m取Mmax=0.678kN·m验算强度。
木材抗弯强度设计值f=17N/mm2;Mmax 0.678×106σ=W =53333=12.71N/mm2 < f=17N/mm2次楞抗弯强度满足要求! (二)抗剪强度验算施工荷载为均布线荷载时:V1=0.6q1l=0.6×3.906×0.9=2.109kN施工荷载为集中荷载:V2= 0.6q2l+0.65P=0.6×0.108×0.9+0.65×3.500=2.333kN取V=2.333kN验算强度。
木材抗剪强度设计值fv=1.6N/mm 2; 抗剪强度按下式计算:3V 3×2.333×103 τ=2bh=2×50×80= 0.875N/mm 2 < fv=1.6N/mm 2次楞抗剪强度满足要求! (三)挠度验算挠度验算时,荷载效应组合取永久荷载+施工均布荷载,分项系数均取1.0。
q = 0.3×(24×0.3+1.1×0.3+0.3+2.5)=3.099kN/m 次楞最大容许挠度值:900/250=3.6mm; 次楞弹性模量: E = 10000N/mm 2; 0.677ql 4 0.677×3.099×900.04ν=100EI=100×10000×2133333=0.65mm < 3.6mm满足要求!五、 主楞验算主楞采用:双钢管,截面抵拒矩W=8.98cm 3,截面惯性矩I=21.56cm 4 (一)强度验算当进行主楞强度验算时,施工人员及设备均布荷载取2.5kN/mm 2。
首先计算次楞作用在主楞上的集中力P。
作用在次楞上的均布线荷载设计值为:q 11= [1.2×(24×0.3+1.1×0.3+0.3)+1.4×2.5]×0.3=3.869kN/m q 12= [1.35×(24×0.3+1.1×0.3+0.3)+1.4×0.7×2.5]×0.3= 3.906kN/m 根据以上两者比较应取q 1= 3.906kN/m 作为设计依据。
次楞最大支座力=1.1q 1l=1.1×3.906×0.9=3.867kN。
次楞作用集中荷载P=3.867kN,进行最不利荷载布置如下图:9009009003.87 3.87 3.87 3.87 3.87 3.87 3.87 3.87 3.87计算简图(kN)-0.899-0.899弯矩图(kN·m)最大弯矩 Mmax=1.102kN·m;主楞的抗弯强度设计值f=205N/mm2;Mmax 1.102×106σ=W =8.98×103=122.717N/mm2 < 205N/mm2主楞抗弯强度满足要求!(二)挠度验算挠度验算时,荷载效应组合取永久荷载+施工均布荷载,分项系数均取1.0。
首先计算次楞作用在主楞上的集中荷载P。
作用在次楞上的均布线荷载设计值为:q = 0.3×(24×0.3+1.1×0.3+0.3+2.5)=3.099kN/m次楞最大支座力=1.1q1l=1.1×3.099×0.9=3.068kN。
以此值作为次楞作用在主楞上的集中荷载P,经计算,主梁最大变形值V=1.085mm。
主梁的最大容许挠度值:900/150=6.0mm,最大变形 V max =1.085mm < 6.0mm 满足要求!六、 扣件抗滑移验算水平杆传给立杆荷载设计值R=12.826kN,由于采用顶托,不需要进行扣件抗滑移的计算。
七、 风荷载计算1.风荷载标准值风荷载标准值应按下式计算:ωk =µs µz ω0ω0---基本风压,按广东广州市10年一遇风压值采用,ω0=0.3kN/m 2。