2010二级福建省建造师《建筑工程实务》(必备资料)
- 格式:rtf
- 大小:80.40 KB
- 文档页数:3
建筑工程实务重点复习资料一、工程施工组织设计1、施工组织设计的目的2、施工组织设计的基本原则3、施工组织设计的内容和步骤4、施工组织设计中的资源管理和费用控制5、施工组织设计中的安全生产管理二、工程项目管理1、工程项目管理的定义和目的2、工程项目管理的基本原则3、工程项目管理的内容和步骤4、工程项目管理中的质量控制和进度管理5、工程项目管理中的合同管理和成本控制三、施工质量控制1、施工质量控制的目的和意义2、施工质量控制的基本原则3、施工质量控制的内容和步骤4、施工质量控制中的验收和评估5、施工质量控制中的质量监督与检测四、施工安全管理1、施工安全管理的目的和意义2、施工安全管理的基本原则3、施工安全管理的内容和步骤4、施工安全管理中的风险评估和防范措施5、施工安全管理中的事故处理和应急预案五、工程监理1、工程监理的定义和作用2、工程监理的基本职责和权限3、工程监理的质量控制和进度控制4、工程监理中的合同管理和变更管理5、工程监理中的安全管理和环境保护六、施工法规和标准1、建筑施工法规的体系和层次2、建筑施工法规的适用范围和内容3、建筑施工法规的实施和监督4、建筑施工标准的分类和级别5、建筑施工标准的制定和应用七、施工工艺与工法1、常见的施工工艺和工法2、施工工艺和工法选择的依据3、施工工艺和工法的步骤和要点4、施工工艺和工法的技术要求和控制措施5、施工工艺和工法的改进和创新八、工程变更和索赔1、工程变更管理的要点和原则2、工程变更款项的计算和支付3、工程索赔的途径和条件4、工程索赔的申请和处理流程5、工程索赔的争议解决和调解九、施工设备与机械1、施工设备和机械的分类和用途2、施工设备和机械的选择和配置3、施工设备和机械的操作和维护4、施工设备和机械的故障排除和维修5、施工设备和机械的安全使用和管理十、工程文件管理1、工程文件的分类和组织结构2、工程文件的编制和审核3、工程文件的传递和保存4、工程文件的查阅和使用5、工程文件的管理和更新十一、施工现场管理1、施工现场管理的目的和职责2、施工现场管理的基本原则和要求3、施工现场管理中的人员安排和班组管理4、施工现场管理中的材料和设备管理5、施工现场管理中的卫生和环境保护。
2010年二级建造师考试《建筑工程管理与实务》真题及答案解析一、单项选择题(共20分题,每题1分,每题的备选项中,只有1个最符合题意)1.普通钢筋混凝土结构用钢的主要品种是()。
A.热轧钢筋B.热处理钢筋C.钢丝D.钢绞线【答案】A【解析】钢筋混凝土结构用钢主要品种有热轧钢筋、预应力混凝土用热处理钢筋、预应力混凝土用钢丝和钢绞线等热轧钢筋是建筑工程中用量最大的钢材品种之一,主要用于钢筋混凝土结构和预应力钢筋混凝土结构的配筋。
2.在钢筋混凝土梁中,箍筋的主要作用是()。
A.承受由于弯矩作用而产生的拉力B.承受由于弯矩作用而产生的压力C.承受剪力D.承受因混凝土收缩和温度变化产生的压力【答案】C【解析】箍筋主要是承担剪力的,在结构还能固定受力钢筋的位置,以便绑扎成钢筋骨架。
3.某住宅建筑,地上层数为八层,建筑高度为24.300m,该住宅属()。
A.低层住宅B.多层住宅C.中高层住宅D.高层住宅【答案】C【解析】住宅建筑按层数分类:一层至三层为低层住宅,四层至六层为多层住宅,七层至九层为中高层住宅,十层及十层以上为高层住宅,除住宅建筑之外的民用建筑高度不大于24m者为单层和多层建筑。
大于24m者为高层建筑(不包括高度大于24m的单层公共建筑)。
4.某实行建筑高度控制区内房层,室外地面标高为-0.300m,屋面面层标高为18.00m,女儿墙顶点标高为19.100m,突出屋面的冰箱间顶面为该建筑的最高点,其标高为21.300m,该房屋的建筑高度是()m。
A.18.300B.19.100C.19.400D.21.600【答案】D【解析】实行建筑高度控制区内建筑高度,应按建筑物室外地面至建筑物和构筑物最高点的高度计算。
则该房屋的建筑高度为=21.30-(-0.300)=21.600m5.建筑钢材拉伸试验测的各项指标中,不包括()。
A.屈服强度B.疲劳强度C.抗拉强度D.伸长率【答案】B【解析】反映建筑钢材拉伸性能的指标包括屈服强度,抗拉强度和伸长率。
2010 年二级建造师考试《建筑工程》真题及答案解析2010-11-3 16:12 【大中小】【打印】【我要纠错】一、单项选择题(共20 分题,每题 1 分,每题的备选项中,只有 1 个最符合题意)1. 普通钢筋混凝土结构用钢的主要品种是()。
A.热轧钢筋B.热处理钢筋C.钢丝D.钢绞线【答案】 A【解析】钢筋混凝土结构用钢主要品种有热轧钢筋、预应力混凝土用热处理钢筋、预应力混凝土用钢丝和钢绞线等热轧钢筋是建筑工程中用量最大的钢材品种之一,主要用于钢筋混凝土结构和预应力钢筋混凝土结构的配筋。
2. 在钢筋混凝土梁中,箍筋的主要作用是()。
A.承受由于弯矩作用而产生的拉力B.承受由于弯矩作用而产生的压力C.承受剪力D.承受因混凝土收缩和温度变化产生的压力【答案】 C【解析】箍筋主要是承担剪力的,在结构还能固定受力钢筋的位置,以便绑扎成钢筋骨架。
3. 某住宅建筑,地上层数为八层,建筑高度为24.300m, 该住宅属()。
A.低层住宅B.多层住宅C.中高层住宅D .高层住宅【答案】 C【解析】住宅建筑按层数分类:一层至三层为低层住宅,四层至六层为多层住宅,七层至九层为中高层住宅,十层及十层以上为高层住宅,除住宅建筑之外的民用建筑高度不大于24m 者为单层和多层建筑。
大于24m 者为高层建筑(不包括高度大于24m 的单层公共建筑)。
4. 某实行建筑高度控制区内房层,室外地面标高为-0.300m ,屋面面层标高为18.00m ,女儿墙顶点标高为19.100m ,突出屋面的冰箱间顶面为该建筑的最高点,其标高为21.300m ,该房屋的建筑高度是()m 。
A.18.300B.19.1002010-11-3 16:12 【大中小】【打印】【我要纠错】一、单项选择题(共20 分题,每题 1 分,每题的备选项中,只有 1 个最符合题意)1. 普通钢筋混凝土结构用钢的主要品种是()。
A.热轧钢筋B.热处理钢筋C.钢丝D.钢绞线【答案】 A【解析】钢筋混凝土结构用钢主要品种有热轧钢筋、预应力混凝土用热处理钢筋、预应力混凝土用钢丝和钢绞线等热轧钢筋是建筑工程中用量最大的钢材品种之一,主要用于钢筋混凝土结构和预应力钢筋混凝土结构的配筋。
2010年二级建造师考试(福建)《建筑工程管理与实务》真题及答案解析【完整版】一、单项选择题(共20题,每题1分。
每题的备选项中,只有1个最符合题意)1.砖基础施工过程中,当设计无要求时,基础墙的防潮层位置应设置在室内地面标高()砖处。
A.以下一皮B.以上一皮C.以下二皮D.以上二皮【答案】A【解析】基础墙的防潮层,当设计无具体要求,宜用1∶2水泥砂浆加适量防水剂铺设,其厚度宜为20mm。
防潮层位置宜在室内地面标高以下一皮砖处。
2.有一简支梁,受力如图1所示,支座A的反力R A是()kN。
图1A.1/4B.1/2C.3/4D.1【答案】A【解析】一般平面力系的平衡条件还要加上力矩的平衡,即作用在物体上的力对某点取矩时,顺时针力矩之和等于反时针力矩之和。
作用在梁上的力,对B点取矩,则R A×(3+1)=P×1,计算得出:R A=P/4,即(1/4)kN。
3.当施工期间最高气温在30℃以内时,搅拌好的水泥砂浆最长应在()h内使用完毕。
A.2B.3C.4D.5【答案】B【解析】现场拌制的砂浆应随拌随用,拌制的砂浆应在3h内使用完毕;当施工期间最高气温超过30℃时,应在2h内使用完毕。
预拌砂浆及蒸压加气混凝土砌块专用砂浆的使用时间应按照厂家提供的说明书确定。
4.钢筋混凝土悬挑雨篷板,其受力主筋应配置在板的()。
A.两侧B.中间C.上部D.下部【答案】C【解析】受力钢筋沿板的跨度方向设置,位于受拉区,承受由弯矩作用产生的拉力,其数量由计算确定,并满足构造要求。
根据题干,提问的是悬挑板的受力钢筋位置。
悬臂板在支座处产生负弯矩,也就是说,支座处上部是受拉区,故受力钢筋应布置在板的上部。
说明:根据最新版考试教材,该知识点已删除。
5.钢筋混凝土结构中,板、次梁与主梁交叉处,当无圈梁或垫梁时,钢筋安装位置正确的是()。
A.板钢筋在上,次梁钢筋居中,主梁钢筋在下B.板钢筋在下,次梁钢筋居中,主梁钢筋在上C.次梁钢筋在上,板钢筋居中,主梁钢筋在下D.次梁钢筋在下,板钢筋居中,主梁钢筋在上【答案】A【解析】连续梁、板的上部钢筋接头位置宜设置在跨中1/3跨度范围内,下部钢筋接头位置宜设置在梁端1/3跨度范围内。
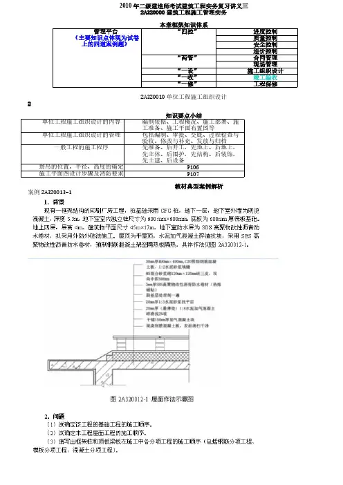
案例2A320013-1案例2A320015案例2A320015-2背景与问题隐藏分析与答案月),假定各项工作均匀施工。
在施工中发生了如下事件:(2)该网络计划的关键路线为:①→②→④→⑤→⑧→⑨→⑩和①→③→⑤→⑧→⑨→⑩2.总工期为:3+4+5+4+1=17月3.事件一工期索赔不成立,因为此事件为施工单位责任。
事件二工期索赔成立,因为此事件为非施工单位责任,并且在关键线路上,可索赔工期10天。
事件三工期索赔成立,因为此事件属不可抗力,可索赔工期3天。
事件四因为H工作有2个月的总时差(TF H=17-15=2个月),所以能索赔工期1个月(3-2=1)3.事件一工期索赔不成立,因为此事件为施工单位责任。
事件二工期索赔成立,因为此事件为非施工单位责任,并且在关键线路上,可索赔工期10天。
事件三工期索赔成立,因为此事件属不可抗力,可索赔工期3天。
事件四因为H工作有2个月的总时差(TF H=17-15=2个月),所以能索赔工期1个月(3-2=1)与索赔案例结合(与教材P203~P205相结合)案例2A320061-1案例2A320061-209考题背景资料某办公楼工程,建筑面积5500m2,框架结构,独立柱基础,上设承台梁,独立柱基础埋深为1.5m,地质勘察报告中地基基础持力层为中砂层,基础施工钢材由建设单位供应。
基础工程施工分为两个施工流水段,组织流水施工,根据工期要求编制了工程基础项目的施工进度计划,并绘出施工双代号网络计划图,如下图所示:在工程施工中发生如下事件:事件一:土方2施工中,开挖后发现局部基础地基持力层为软弱层需处理,工期延误6天。
事件二:承台梁1施工中,因施工用钢材未按时进场,工期延期3天。
事件三:基础2施工时,因施工总承包单位原因造成工程质量事故,返工致使工期延期5天。
问题:1.指出基础工程网络计划的关键线路,写出该基础工程计划工期。
2.针对本案例上述各事件,施工总承包单位是否可以提出工期索赔,并分别说明理由。
2010年真题解析(jiě xī)一、单项选择题(共20题,每题1分。
每题的备选项中,只有1个最符合(fúhé)题意)1、普通(pǔtōng)钢筋(gāngjīn)混凝土结构用钢的主要(zhǔyào)品种是()A、热轧钢筋B、热处理钢筋C、钢丝D、钢绞线【答案】A2、在钢筋混凝土梁中,箍筋的主要作用是()A、承受由于弯矩作用而产生的拉力B、承受由于弯矩作用而产生的压力C、承受剪力D、承受因混凝土收缩和温度变化产生的应力【答案】C3、某住宅建筑,地上层数为八层,建筑高度为24.300m,该住宅属()。
A、低层住宅B、多层住宅C、中高层住宅D、高层住宅【答案】C4、某实行建筑高度控制区内房屋,室外地面标高为-0.300m,屋面面层标高为18.000m,女儿墙顶点标高为19.100m,突出屋面的水箱间顶面为该建筑的最高点,其标高为21.300m。
该房屋的建筑高度是()m。
A、18.300B、19.100C、19.400D、21.600【答案】D5、建筑钢材拉伸试验测得的各项指标中,不包括()。
A、屈服强度B、疲劳强度C、抗拉强度D、伸长率【答案】B6、砌体结构墙、柱高厚比验算,是为了保证墙、柱满足()要求。
A、受压承载力B、受剪承载力C、局部受压承载力D、稳定性【答案(dáàn)】D7、测定(cèdìng)混凝土立方体抗压强度(kànɡ yā qiánɡ dù)所采用的标准试件,其养护龄期是()A、7天B、14天C、21天D、28天【答案(dáàn)】D8、工程(gōngchéng)测量用水准仪的主要功能是()A、直接测量待定点的高程B、测量两个方向之间的水平夹角C、测量两点间的高差D、直接测量竖直角【答案】C9、对某一施工现场进行高程测设,M点为水准点,已知高程为12.000m,N点为待测点,安置水准仪于M、N之间,先在M点立尺,读得后视读数为4.500m,然后在N点立尺,读得前视读数为3.500m。
2010年二级建造师考试《建筑工程》真题及答案解析一、单项选择题(共20分题,每题1分,每题的备选项中,只有1个最符合题意)1.普通钢筋混凝土结构用钢的主要品种是()。
A.热轧钢筋B.热处理钢筋C.钢丝D.钢绞线【答案】A【解析】钢筋混凝土结构用钢主要品种有热轧钢筋、预应力混凝土用热处理钢筋、预应力混凝土用钢丝和钢绞线等热轧钢筋是建筑工程中用量最大的钢材品种之一,主要用于钢筋混凝土结构和预应力钢筋混凝土结构的配筋。
2.在钢筋混凝土梁中,箍筋的主要作用是()。
A.承受由于弯矩作用而产生的拉力B.承受由于弯矩作用而产生的压力C.承受剪力D.承受因混凝土收缩和温度变化产生的压力【答案】C【解析】箍筋主要是承担剪力的,在结构还能固定受力钢筋的位置,以便绑扎成钢筋骨架。
3.某住宅建筑,地上层数为八层,建筑高度为24.300m,该住宅属()。
A.低层住宅B.多层住宅C.中高层住宅D.高层住宅【答案】C【解析】住宅建筑按层数分类:一层至三层为低层住宅,四层至六层为多层住宅,七层至九层为中高层住宅,十层及十层以上为高层住宅,除住宅建筑之外的民用建筑高度不大于24m者为单层和多层建筑。
大于24m者为高层建筑(不包括高度大于24m的单层公共建筑)。
4.某实行建筑高度控制区内房层,室外地面标高为-0.300m,屋面面层标高为18.00m,女儿墙顶点标高为19.100m,突出屋面的水箱间顶面为该建筑的最高点,其标高为21.300m,该房屋的建筑高度是()m。
A.18.300B.19.100C.19.400D.21.600【答案】D【解析】实行建筑高度控制区内建筑高度,应按建筑物室外地面至建筑物和构筑物最高点的高度计算。
则该房屋的建筑高度为=21.30-(-0.300)=21.600m5.建筑钢材拉伸试验测的各项指标中,不包括()。
A.屈服强度B.疲劳强度C.抗拉强度D.伸长率【答案】B【解析】反映建筑钢材拉伸性能的指标包括屈服强度,抗拉强度和伸长率。
2010年二级建造师考试《建筑工程》真题及答案解析一、单项选择题(共20分题,每题1分,每题的备选项中,只有1个最符合题意)1.普通钢筋混凝土结构用钢的主要品种是()。
A.热轧钢筋B.热处理钢筋C.钢丝D.钢绞线【答案】A【解析】钢筋混凝土结构用钢主要品种有热轧钢筋、预应力混凝土用热处理钢筋、预应力混凝土用钢丝和钢绞线等热轧钢筋是建筑工程中用量最大的钢材品种之一,主要用于钢筋混凝土结构和预应力钢筋混凝土结构的配筋。
2.在钢筋混凝土梁中,箍筋的主要作用是()。
A.承受由于弯矩作用而产生的拉力B.承受由于弯矩作用而产生的压力C.承受剪力D.承受因混凝土收缩和温度变化产生的压力【答案】C【解析】箍筋主要是承担剪力的,在结构还能固定受力钢筋的位置,以便绑扎成钢筋骨架。
3.某住宅建筑,地上层数为八层,建筑高度为24.300m,该住宅属()。
A.低层住宅B.多层住宅C.中高层住宅D.高层住宅【答案】C【解析】住宅建筑按层数分类:一层至三层为低层住宅,四层至六层为多层住宅,七层至九层为中高层住宅,十层及十层以上为高层住宅,除住宅建筑之外的民用建筑高度不大于24m者为单层和多层建筑。
大于24m者为高层建筑(不包括高度大于24m的单层公共建筑)。
4.某实行建筑高度控制区内房层,室外地面标高为-0.300m,屋面面层标高为18.00m,女儿墙顶点标高为19.100m,突出屋面的冰箱间顶面为该建筑的最高点,其标高为21.300m,该房屋的建筑高度是()m。
A.18.300B.19.100C.19.400D.21.600【答案】D【解析】实行建筑高度控制区内建筑高度,应按建筑物室外地面至建筑物和构筑物最高点的高度计算。
则该房屋的建筑高度为=21.30-(-0.300)=21.600m5.建筑钢材拉伸试验测的各项指标中,不包括()。
A.屈服强度B.疲劳强度C.抗拉强度D.伸长率【答案】B【解析】反映建筑钢材拉伸性能的指标包括屈服强度,抗拉强度和伸长率。
2010年二级建造师(福建)考试《建设工程法规及相关知识》真题及答案解析【完整版】一、单项选择题(共60题,每题1分。
每题的备选项中,只有1个最符合题意)1.下列关于不动产登记的效力表述中,正确的是()。
A.没有进行转移登记,房屋买卖合同不生效B.导致不能进行房屋转移登记的房屋买卖合同一方当事人,应当承担违约责任C.未办理预告登记就不能办理房屋转移登记D.预告登记不影响处分房屋的权利【答案】B【解析】物权变动的基础往往是合同关系,如买卖合同导致物权的转让。
《物权法》第九条规定,不动产物权的设立、变更、转让和消灭,经依法登记,发生效力;未经登记,不发生效力,但法律另有规定的除外。
第十五条规定,当事人之间订立有关设立、变更、转让和消灭不动产物权的合同,除法律另有规定或者合同另有约定外,自合同成立时生效;未办理物权登记的,不影响合同效力。
第二十条规定,当事人签订买卖房屋或者其他不动产物权的协议,为保障将来实现物权,按照约定可以向登记机构申请预告登记。
预告登记后,未经预告登记的权利人同意,处分该不动产的,不发生物权的效力。
2.对于下列规范性文件效力的比较,正确的选项是()。
A.宪法>法律>行政规章>行政法规B.法律>行政法规>部门规章>地方性法规C.国际条约>宪法>行政规章>地方性法规D.宪法>法律>行政法规>行政规章【答案】D【解析】在我国法律体系中,宪法是具有最高法律效力的根本大法,具有最高的法律效力。
法律的效力是仅次于宪法而高于其他法的形式。
行政法规的法律地位和法律效力仅次于宪法和法律,高于地方性法规和部门规章。
地方性法规的效力,高于本级和下级地方政府规章。
3.按照合同约定,建设单位应于2007年7月10日向施工单位支付工程价款,然而一直没有支付。
2009年6月10日施工单位提起诉讼,要求建设单位支付全部价款及相应利息。
该诉讼行为导致诉讼时效()。
A.中止B.中断C.终止D.失效【答案】B【解析】根据《民法总则》第一百九十五条的规定,诉讼时效因权利人提起诉讼或者申请仲裁而中断。
2010年二级建造师考试《建筑工程管理与实务》真题及答案解析一、单项选择题(共20分题,每题1分,每题的备选项中,只有1个最符合题意)1.普通钢筋混凝土结构用钢的主要品种是()。
A.热轧钢筋B.热处理钢筋C.钢丝D.钢绞线【答案】A【解析】钢筋混凝土结构用钢主要品种有热轧钢筋、预应力混凝土用热处理钢筋、预应力混凝土用钢丝和钢绞线等热轧钢筋是建筑工程中用量最大的钢材品种之一,主要用于钢筋混凝土结构和预应力钢筋混凝土结构的配筋。
2.在钢筋混凝土梁中,箍筋的主要作用是()。
A.承受由于弯矩作用而产生的拉力B.承受由于弯矩作用而产生的压力C.承受剪力D.承受因混凝土收缩和温度变化产生的压力【答案】C【解析】箍筋主要是承担剪力的,在结构还能固定受力钢筋的位置,以便绑扎成钢筋骨架。
3.某住宅建筑,地上层数为八层,建筑高度为24.300m,该住宅属()。
A.低层住宅B.多层住宅C.中高层住宅D.高层住宅【答案】C【解析】住宅建筑按层数分类:一层至三层为低层住宅,四层至六层为多层住宅,七层至九层为中高层住宅,十层及十层以上为高层住宅,除住宅建筑之外的民用建筑高度不大于24m者为单层和多层建筑。
大于24m者为高层建筑(不包括高度大于24m的单层公共建筑)。
4.某实行建筑高度控制区内房层,室外地面标高为-0.300m,屋面面层标高为18.00m,女儿墙顶点标高为19.100m,突出屋面的冰箱间顶面为该建筑的最高点,其标高为21.300m,该房屋的建筑高度是()m。
A.18.300B.19.100C.19.400D.21.600【解析】实行建筑高度控制区内建筑高度,应按建筑物室外地面至建筑物和构筑物最高点的高度计算。
则该房屋的建筑高度为=21.30-(-0.300)=21.600m5.建筑钢材拉伸试验测的各项指标中,不包括()。
A.屈服强度B.疲劳强度C.抗拉强度D.伸长率【答案】B【解析】反映建筑钢材拉伸性能的指标包括屈服强度,抗拉强度和伸长率。
2010年二级建造师考试《建筑工程》真题及答案解析2010-11-3 16:12【大中小】【打印】【我要纠错】一、单项选择题(共20分题,每题1分,每题的备选项中,只有1个最符合题意)1.普通钢筋混凝土结构用钢的主要品种是()。
A.热轧钢筋B.热处理钢筋C.钢丝D.钢绞线【答案】A【解析】钢筋混凝土结构用钢主要品种有热轧钢筋、预应力混凝土用热处理钢筋、预应力混凝土用钢丝和钢绞线等热轧钢筋是建筑工程中用量最大的钢材品种之一,主要用于钢筋混凝土结构和预应力钢筋混凝土结构的配筋。
2.在钢筋混凝土梁中,箍筋的主要作用是()。
A.承受由于弯矩作用而产生的拉力B.承受由于弯矩作用而产生的压力C.承受剪力D.承受因混凝土收缩和温度变化产生的压力【答案】C【解析】箍筋主要是承担剪力的,在结构还能固定受力钢筋的位置,以便绑扎成钢筋骨架。
3.某住宅建筑,地上层数为八层,建筑高度为24.300m,该住宅属()。
A.低层住宅B.多层住宅C.中高层住宅D.高层住宅【答案】C【解析】住宅建筑按层数分类:一层至三层为低层住宅,四层至六层为多层住宅,七层至九层为中高层住宅,十层及十层以上为高层住宅,除住宅建筑之外的民用建筑高度不大于24m者为单层和多层建筑。
大于24m者为高层建筑(不包括高度大于24m的单层公共建筑)。
4.某实行建筑高度控制区内房层,室外地面标高为-0.300m,屋面面层标高为18.00m,女儿墙顶点标高为19.100m,突出屋面的冰箱间顶面为该建筑的最高点,其标高为21.300m,该房屋的建筑高度是()m。
A.18.300B.19.100C.19.400D.21.600【答案】D【解析】实行建筑高度控制区内建筑高度,应按建筑物室外地面至建筑物和构筑物最高点的高度计算。
则该房屋的建筑高度为=21.30-(-0.300)=21.600m5.建筑钢材拉伸试验测的各项指标中,不包括()。
A.屈服强度B.疲劳强度C.抗拉强度D.伸长率【答案】B【解析】反映建筑钢材拉伸性能的指标包括屈服强度,抗拉强度和伸长率。
2010年二级建造师建筑管理与实务真题及答案解析一、单项选择题(共20分题,每题1分,每题的备选项中,只有1个最符合题意)1.普通钢筋混凝土结构用钢的主要品种是()。
A.热轧钢筋B.热处理钢筋C.钢丝D.钢绞线【答案】A【解析】钢筋混凝土结构用钢主要品种有热轧钢筋、预应力混凝土用热处理钢筋、预应力混凝土用钢丝和钢绞线等热轧钢筋是建筑工程中用量最大的钢材品种之一,主要用于钢筋混凝土结构和预应力钢筋混凝土结构的配筋。
2.在钢筋混凝土梁中,箍筋的主要作用是()。
A.承受由于弯矩作用而产生的拉力B.承受由于弯矩作用而产生的压力C.承受剪力D.承受因混凝土收缩和温度变化产生的压力【答案】C【解析】箍筋主要是承担剪力的,在结构还能固定受力钢筋的位置,以便绑扎成钢筋骨架。
3.某住宅建筑,地上层数为八层,建筑高度为24.300m,该住宅属()。
A.低层住宅B.多层住宅C.中高层住宅D.高层住宅【答案】C【解析】住宅建筑按层数分类:一层至三层为低层住宅,四层至六层为多层住宅,七层至九层为中高层住宅,十层及十层以上为高层住宅,除住宅建筑之外的民用建筑高度不大于24m者为单层和多层建筑。
大于24m者为高层建筑(不包括高度大于24m的单层公共建筑)。
4.某实行建筑高度控制区内房层,室外地面标高为-0.300m,屋面面层标高为18.00m,女儿墙顶点标高为19.100m,突出屋面的冰箱间顶面为该建筑的最高点,其标高为21.300m,该房屋的建筑高度是()m。
A.18.300B.19.100C.19.400D.21.600【答案】D【解析】实行建筑高度控制区内建筑高度,应按建筑物室外地面至建筑物和构筑物最高点的高度计算。
则该房屋的建筑高度为=21.30-(-0.300)=21.600m5.建筑钢材拉伸试验测的各项指标中,不包括()。
A.屈服强度B.疲劳强度C.抗拉强度D.伸长率【答案】B【解析】反映建筑钢材拉伸性能的指标包括屈服强度,抗拉强度和伸长率。
2010年二级建造师考试《建筑工程》真题及答案解析2010-11-3 16:12 【】【】【】一、单项选择题(共20分题,每题1分,每题的备选项中,只有1个最符合题意)1.普通钢筋混凝土结构用钢的主要品种是()。
A.热轧钢筋B.热处理钢筋C.钢丝D.钢绞线【答案】A【解析】钢筋混凝土结构用钢主要品种有热轧钢筋、预应力混凝土用热处理钢筋、预应力混凝土用钢丝和钢绞线等热轧钢筋是建筑工程中用量最大的钢材品种之一,主要用于钢筋混凝土结构和预应力钢筋混凝土结构的配筋。
2.在钢筋混凝土xx,箍筋的主要作用是()。
A.承受由于弯矩作用而产生的拉力B.承受由于弯矩作用而产生的压力C.承受剪力D.承受因混凝土收缩和温度变化产生的压力【答案】C【解析】箍筋主要是承担剪力的,在结构还能固定受力钢筋的位置,以便绑扎成钢筋骨架。
3.某住宅建筑,地上层数为八层,建筑高度为24.300m,该住宅属()。
A.低层住宅B.多层住宅C.中高层住宅D.高层住宅【答案】C【解析】住宅建筑按层数分类:一层至三层为低层住宅,四层至六层为多层住宅,七层至九层为xx高层住宅,十层及十层以上为高层住宅,除住宅建筑之外的民用建筑高度不大于24m者为单层和多层建筑。
大于24m者为高层建筑(不包括高度大于24m的单层公共建筑)。
4.某实行建筑高度控制区内房层,室外地面标高为-0.300m,屋面面层标高为18.00m,女儿墙顶点标高为19.100m,突出屋面的冰箱间顶面为该建筑的最高点,其标高为21.300m,该房屋的建筑高度是()m。
A.18.300B.19.100C.19.400D.21.600【答案】D【解析】实行建筑高度控制区内建筑高度,应按建筑物室外地面至建筑物和构筑物最高点的高度计算。
则该房屋的建筑高度为=21.30-(-0.300)=21.600m5.建筑钢材拉伸试验测的各项指标中,不包括()。
A.屈服强度B.疲劳强度C.抗拉强度D.伸长率【答案】B【解析】反映建筑钢材拉伸性能的指标包括屈服强度,抗拉强度和伸长率。
2010年二级建造师考试《建筑工程实务》真题及答案一、单项选择题(共20分题,每题1分,每题的备选项中,只有1个最符合题意)1.普通钢筋混凝土结构用钢的主要品种是()。
A.热轧钢筋B.热处理钢筋C.钢丝D.钢绞线【答案】A【解析】钢筋混凝土结构用钢主要品种有热轧钢筋、预应力混凝土用热处理钢筋、预应力混凝土用钢丝和钢绞线等热轧钢筋是建筑工程中用量最大的钢材品种之一,主要用于钢筋混凝土结构和预应力钢筋混凝土结构的配筋。
2.在钢筋混凝土梁中,箍筋的主要作用是()。
A.承受由于弯矩作用而产生的拉力B.承受由于弯矩作用而产生的压力C.承受剪力D.承受因混凝土收缩和温度变化产生的压力【答案】C【解析】箍筋主要是承担剪力的,在结构还能固定受力钢筋的位置,以便绑扎成钢筋骨架。
3.某住宅建筑,地上层数为八层,建筑高度为24.300m,该住宅属()。
A.低层住宅B.多层住宅C.中高层住宅D.高层住宅【答案】C【解析】住宅建筑按层数分类:一层至三层为低层住宅,四层至六层为多层住宅,七层至九层为中高层住宅,十层及十层以上为高层住宅,除住宅建筑之外的民用建筑高度不大于24m者为单层和多层建筑。
大于24m者为高层建筑(不包括高度大于24m的单层公共建筑)。
4.某实行建筑高度控制区内房层,室外地面标高为-0.300m,屋面面层标高为18.00m,女儿墙顶点标高为19.100m,突出屋面的冰箱间顶面为该建筑的最高点,其标高为21.300m,该房屋的建筑高度是()m。
A.18.300B.19.100C.19.400D.21.600【答案】D【解析】实行建筑高度控制区内建筑高度,应按建筑物室外地面至建筑物和构筑物最高点的高度计算。
则该房屋的建筑高度为=21.30-(-0.300)=21.600m5.建筑钢材拉伸试验测的各项指标中,不包括()。
A.屈服强度B.疲劳强度C.抗拉强度D.伸长率【答案】B【解析】反映建筑钢材拉伸性能的指标包括屈服强度,抗拉强度和伸长率。
2010年二级建造师考试《建筑工程》真题及答案解析一、单项选择题(共20分题,每题1分,每题的备选项中,只有1个最符合题意)1.普通钢筋混凝土结构用钢的主要品种是()。
A.热轧钢筋B.热处理钢筋C.钢丝D.钢绞线【答案】A【解析】钢筋混凝土结构用钢主要品种有热轧钢筋、预应力混凝土用热处理钢筋、预应力混凝土用钢丝和钢绞线等热轧钢筋是建筑工程中用量最大的钢材品种之一,主要用于钢筋混凝土结构和预应力钢筋混凝土结构的配筋。
2.在钢筋混凝土梁中,箍筋的主要作用是()。
A.承受由于弯矩作用而产生的拉力B.承受由于弯矩作用而产生的压力C.承受剪力D.承受因混凝土收缩和温度变化产生的压力【答案】C【解析】箍筋主要是承担剪力的,在结构还能固定受力钢筋的位置,以便绑扎成钢筋骨架。
3.某住宅建筑,地上层数为八层,建筑高度为24.300m,该住宅属()。
A.低层住宅B.多层住宅C.中高层住宅D.高层住宅【答案】C【解析】住宅建筑按层数分类:一层至三层为低层住宅,四层至六层为多层住宅,七层至九层为中高层住宅,十层及十层以上为高层住宅,除住宅建筑之外的民用建筑高度不大于24m者为单层和多层建筑。
大于24m者为高层建筑(不包括高度大于24m的单层公共建筑)。
4.某实行建筑高度控制区内房层,室外地面标高为-0.300m,屋面面层标高为18.00m,女儿墙顶点标高为19.100m,突出屋面的冰箱间顶面为该建筑的最高点,其标高为21.300m,该房屋的建筑高度是()m。
A.18.300B.19.100 C.19.400D.21.600【答案】D【解析】实行建筑高度控制区内建筑高度,应按建筑物室外地面至建筑物和构筑物最高点的高度计算。
则该房屋的建筑高度为=21.30-(-0.300)=21.600m5.建筑钢材拉伸试验测的各项指标中,不包括()。
A.屈服强度B.疲劳强度C.抗拉强度D.伸长率【答案】B【解析】反映建筑钢材拉伸性能的指标包括屈服强度,抗拉强度和伸长率。
2010年二级建造师考试《建筑工程》真题及答案解析一、单项选择题(共20分题,每题1分,每题的备选项中,只有1个最符合题意)1.普通钢筋混凝土结构用钢的主要品种是()。
A.热轧钢筋B.热处理钢筋C.钢丝D.钢绞线【答案】A【解析】钢筋混凝土结构用钢主要品种有热轧钢筋、预应力混凝土用热处理钢筋、预应力混凝土用钢丝和钢绞线等热轧钢筋是建筑工程中用量最大的钢材品种之一,主要用于钢筋混凝土结构和预应力钢筋混凝土结构的配筋。
2.在钢筋混凝土梁中,箍筋的主要作用是()。
A.承受由于弯矩作用而产生的拉力B.承受由于弯矩作用而产生的压力C.承受剪力D.承受因混凝土收缩和温度变化产生的压力【答案】C【解析】箍筋主要是承担剪力的,在结构还能固定受力钢筋的位置,以便绑扎成钢筋骨架。
3.某住宅建筑,地上层数为八层,建筑高度为24.300m,该住宅属()。
A.低层住宅B.多层住宅C.中高层住宅D.高层住宅【答案】C【解析】住宅建筑按层数分类:一层至三层为低层住宅,四层至六层为多层住宅,七层至九层为中高层住宅,十层及十层以上为高层住宅,除住宅建筑之外的民用建筑高度不大于24m者为单层和多层建筑。
大于24m者为高层建筑(不包括高度大于24m的单层公共建筑)。
4.某实行建筑高度控制区内房层,室外地面标高为-0.300m,屋面面层标高为18.00m,女儿墙顶点标高为19.100m,突出屋面的冰箱间顶面为该建筑的最高点,其标高为21.300m,该房屋的建筑高度是()m。
A.18.300B.19.100C.19.400D.21.600【解析】实行建筑高度控制区内建筑高度,应按建筑物室外地面至建筑物和构筑物最高点的高度计算。
则该房屋的建筑高度为=21.30-(-0.300)=21.600m5.建筑钢材拉伸试验测的各项指标中,不包括()。
A.屈服强度B.疲劳强度C.抗拉强度D.伸长率【答案】B【解析】反映建筑钢材拉伸性能的指标包括屈服强度,抗拉强度和伸长率。
1、下列施工质量事故处理方式中,()是指经过适当的加固补强、修复缺陷,自检合格后重新进行检查验收。
A.返工处理
B.返修处理
C.让步处理
D.降级处理
2、施工方进度控制的任务是依据( )对施工进度的要求控制施工进度。
A.监理规划
B.施工任务委托合同
C.施工任务单
D.施工组织设计
3、职业建康管理体系一级要素中不包括( )。
A.职业建康安全方针
B.监督机制
C.实施和运行
D.检查和纠正措施
4、施工总承包合同一般实行( )。
A.单价合同
B.成本加酬金合同
C.可调单价合同
D.总价合同
5、国际上,一些大型建设项目专门委托( )从事项目信息动态跟踪和分析,以信息流指导物质流,从宏观上对项目的实施进行控制。
A.软件公司
B.咨询公司
C.科研机构
D.软件工程师
6、施工项目的安全检查应由( )组织,定期进行。
A.公司最高领导
B.项目经理
C.主管生产的负责人
D.作业班组长
7、建设工程项目的实施,需要( )资源、物质资源和信息资源。
A.人力
B.财力
C.物力
D.合同
8、由企业的最高领导者所发布的一个企业的质量宗旨和质量方向是指()。
A.质量目标
B.质量方针
C.质量战略
D.质量体系
9、对建设工程项目管理进行( ),应首先分析的是成本问题。
A.检查
B.验收
C.判断
D.总体诊断
10、在我国的行政法规中,为了加强对建设工程质量的管理,特别在( )中明确政府行政主管部门设立专门机构对建设工程质量行使监督职能。
A.《建筑法》
B.《建设工程质量管理条例》
C.《建设工程质量验收统一标准》
D.《合同法》
11、项目质量、进度、成本控制编码的基础是( )。
A.项目结构图
B.组织结构图
C.任务分工表
D.合同结构图
12、建设工程信息分类方法中,按设计准备、设计、招投标和施工过程等进行信息分类是属于按( )的划分方式。
A.项目管理工作过程
B.项目管理的任务
C.项目实施的工作过程
D.项目管理工作任务
13、由企业的最高领导者所发布的一个企业的质量宗旨和质量方向是指()。
A.质量目标
B.质量方针
C.质量战略
D.质量体系
14、建设工程项目的实施,需要( )资源、物质资源和信息资源。
A.人力
B.财力
C.物力
D.合同
15、在事件风险量区域图上,风险区D属于风险量( )的区域。
A.最大
B.最小
C.中等
D.中等偏上
16、下列说法中错误的是( )。
A.企业职工伤亡事故统计实行以地区考核为主的制度
B.安全生产行政主管部门对各部门的企业职工伤亡事故情况实行分级考核
C.事故调查组提出的事故处理意见和防范措施建议,由当地安全主管部门负责处理D.在伤亡事故发生后隐瞒不报、谎报、故意迟延不报构成犯罪,可由司法机关依法追究刑事责任
17、下列费用中,不属于施工项目直接成本的是( )。
A.施工措施费
B.办公费
C.材料费
D.施工机械使用费。