机械类专业基本技能考核课程实践说明书
- 格式:doc
- 大小:1.01 MB
- 文档页数:42
一、实训背景随着科技的不断发展,制造业在我国经济中的地位日益重要。
为了适应制造业对技术工人的需求,提高学生的实际操作能力,我们学校开展了机加工基本技能实训课程。
本次实训旨在使学生掌握机加工的基本操作技能,了解机械加工工艺,提高动手能力,为今后的工作打下坚实基础。
二、实训目的1. 熟悉机加工的基本操作流程和设备;2. 掌握常用工具和量具的使用方法;3. 熟悉机械加工工艺,了解零件加工的基本方法;4. 提高动手能力和团队协作能力;5. 培养严谨的工作态度和良好的职业素养。
三、实训内容1. 常用工具和量具的使用(1)钳工工具:钳子、扳手、螺丝刀、锤子等;(2)量具:游标卡尺、千分尺、角度尺、直角尺等;(3)机加工设备:车床、铣床、磨床、钻床等。
2. 常见零件加工方法(1)车削加工:利用车床对工件进行切削,达到加工精度要求;(2)铣削加工:利用铣床对工件进行切削,加工平面、槽、孔等;(3)磨削加工:利用磨床对工件进行磨削,提高加工精度和光洁度;(4)钻削加工:利用钻床在工件上加工孔。
3. 安全操作规程(1)进入车间前,检查设备是否正常,了解操作规程;(2)穿戴好个人防护用品,如安全帽、防护眼镜、工作服等;(3)操作设备时,注意力集中,防止发生意外;(4)注意设备维护,保持设备清洁;(5)严禁酒后操作设备。
四、实训过程1. 实训准备(1)了解实训内容和要求;(2)熟悉实训场地和设备;(3)准备实训所需的工具和量具。
2. 实训实施(1)学习常用工具和量具的使用方法;(2)掌握零件加工的基本方法;(3)按照操作规程进行实际操作;(4)遇到问题及时向指导老师请教。
3. 实训总结(1)对实训过程中的收获和不足进行总结;(2)分析存在的问题,并提出改进措施;(3)撰写实训报告。
五、实训成果通过本次实训,我掌握了以下技能:1. 熟悉了机加工的基本操作流程和设备;2. 掌握了常用工具和量具的使用方法;3. 了解机械加工工艺,掌握了零件加工的基本方法;4. 提高了动手能力和团队协作能力;5. 培养了严谨的工作态度和良好的职业素养。
第1篇一、项目背景随着我国制造业的快速发展,对机械工程领域的人才需求日益增加。
为了培养具备实践能力和创新精神的机械工程人才,提高学生的综合素质,本计划旨在制定一套科学、合理、高效的机械实践教学体系。
二、实践教学目标1. 培养学生的机械设计、制造、检测和维护等方面的基本技能;2. 提高学生的创新能力和团队协作精神;3. 增强学生的工程实践能力和实际操作能力;4. 培养学生的职业素养和社会责任感。
三、实践教学内容1. 基础实践环节(1)机械制图与CAD:通过机械制图课程,使学生掌握机械设计的基本方法,熟悉CAD软件的使用,提高绘图和设计能力。
(2)机械原理与设计:使学生了解机械原理,掌握机械设计的基本方法,提高机械设计能力。
(3)机械制造工艺学:使学生了解机械加工工艺,掌握机械制造的基本技能。
2. 专业实践环节(1)机械制造实习:通过参观企业、实习基地等,使学生了解机械制造的全过程,掌握机械制造的基本技能。
(2)机械设计课程设计:在教师的指导下,完成机械设计课程设计,培养学生的设计能力和创新能力。
(3)机械制造工艺实习:使学生了解机械制造工艺,掌握机械加工的基本技能。
3. 实验教学环节(1)机械原理实验:通过实验,使学生加深对机械原理的理解,提高实验操作能力。
(2)机械设计实验:通过实验,使学生掌握机械设计的基本方法,提高实验设计能力。
(3)机械制造实验:通过实验,使学生了解机械制造工艺,提高实验操作能力。
4. 课外实践环节(1)参加各类机械设计竞赛:鼓励学生参加各类机械设计竞赛,提高学生的创新能力和实践能力。
(2)参与科研项目:鼓励学生参与教师的科研项目,提高学生的科研能力和团队合作精神。
(3)企业实习:鼓励学生到企业进行实习,了解企业生产实际,提高学生的实际操作能力和职业素养。
四、实践教学安排1. 学年安排(1)第一学年:基础实践环节,包括机械制图与CAD、机械原理与设计、机械制造工艺学等课程。
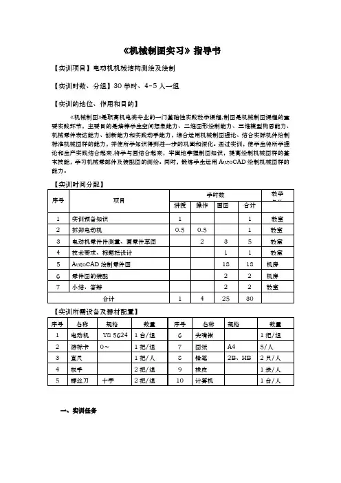
《机械制图实习》指导书【实训项目】电动机机械结构测绘及绘制【实训时数、分组】30学时、4~5人一组【实训的地位、作用和目的】《机械制图》是职高机电类专业的一门基础性实践教学课程,制图是机械制图课程的重要实践环节,主要目的是培养学生空间想象能力、二维图形绘制能力、三维模型构思能力、机械零件表达能力、创新能力和实践动手能力,综合运用机械制图理论、结合实际机件绘制标准机械图样的能力,并使所学知识得到进一步的巩固和深化。
通过实训,使学生将所学理论和生产实践结合起来,将学与画结合起来,牢固地掌握制图知识,提高绘制机械图样的基本技能,学习机械零部件及装配图的测绘。
同时,锻炼学生运用AutoCAD绘制机械图样的能力。
【实训所需设备及器材配置】一、实训任务测绘任务:通过机械制图测绘,使学生在图示能力、读图能力及手工绘零件草图能力、测绘能力和查阅技术文献等方面受到一次综合训练。
绘图任务:通过使用AutoCAD软件,绘制零件图并完成装配,使AutoCAD软件操作能力进一步提高。
二、实训目标1、知识目标1)了解零件图的作用、容;零件的常见工艺结构。
2)掌握常用测绘工具和仪器的正确使用方法。
3)掌握零件的测绘方法,典型零件的画法及标注方法。
4)了解装配图的作用与容、零件的编号方法及明细表的画法。
5)掌握装配图的绘制方法。
6)掌握查阅国家制图标准手册的方法。
2、能力目标1)熟悉测绘方法,提高画零件图和装配图的能力。
2)具备一定的徒手画草图能力。
3)培养综合运用所学知识解决实际问题的能力和独立工作的能力。
4)巩固、扩展所学知识,并为下厂实习打下基础。
5)培养严格遵守纪律、踏实工作、善于分析、一丝不苟的学习作风。
三、实训容1、实训预备知识(1)电动机的工作原理:定子线圈入交流电,产生变化磁场,转子导体切割磁感线,产生感应电动势、感应电流。
有电流的转子导体在旋转磁场中受到电磁力的作用开始转动。
(2)电动机各零部件的作用以及各零部件间的装配联接关系。
机械制造技术基础课程说明书一、课程介绍1.1 课程概要机械制造技术基础课程是机械制造专业的一门基础课,旨在帮助学生掌握机械制造过程中的基本原理、常用工具与技术以及相关的计量与检测方法。
通过该课程的学习,学生将能够理解和应用机械制造领域的基础知识,为日后的专业学习和实践奠定坚实的基础。
1.2 课程目标本课程的主要目标如下:1.掌握机械制造的基本原理和工艺流程;2.理解和运用常见的机械制造工具和技术;3.学习并掌握机械制造过程中的计量与检测方法;4.培养学生的动手能力和实践操作技巧;5.培养学生的团队协作精神和解决问题的能力。
二、课程内容2.1 机械制造基本原理在本节课程中,学生将学习机械制造的基本原理和相关概念,包括材料特性、加工理论、成型技术等。
学生将了解不同材料的机械性能和加工特性,以及如何选择合适的加工方法。
2.2 机械制造工艺流程本节课程将介绍机械制造的工艺流程,包括常见的加工方法和工艺步骤。
学生将学习如何进行机械制造的工艺规划和过程控制,以保证产品质量和生产效率。
2.3 机械制造工具与技术在本节课程中,学生将学习和了解常见的机械制造工具和技术,包括切削工具、夹具与模具、机床与设备等。
学生将通过实践操作和案例分析,掌握这些工具和技术的正确使用方法和注意事项。
2.4 机械制造计量与检测本节课程将介绍机械制造过程中的计量与检测方法,包括尺寸测量、表面质量检测、力学性能测试等。
学生将学习常见的测量仪器和设备的使用,以及如何进行准确的测量和检测。
三、教学方法与评价方式3.1 教学方法本课程将采用多种教学方法,如课堂讲授、实验操作、案例分析和小组讨论等。
通过理论与实践的结合,有助于学生更好地理解和掌握机械制造技术基础。
3.2 评价方式学生在该课程中的评价方式主要包括课堂表现、实验报告、小组项目和期末考试等。
课堂表现和实验报告的评价主要关注学生的参与度、质量和思维能力;小组项目的评价主要关注学生的团队合作精神和解决问题的能力;期末考试将全面考察学生对机械制造技术基础的掌握程度。
机械毕业实习大纲实习大纲:机械工程专业实习
引言:
- 实习目的和意义
- 实习时间和地点
- 实习指导教师
第一章:实习前准备
1.1 熟悉实习单位
- 公司背景和规模
- 公司主营业务和产品
- 公司组织结构
- 公司实习要求
1.2 学习相关知识和技能
- 回顾相关课程内容
- 学习实习过程中需要的专业知识和技能
1.3 制定实习目标和计划
- 确定实习期望达到的目标
- 制定实习过程中的学习计划
第二章:实习内容和任务
2.1 参与项目设计和研发
- 学习和参与机械产品的设计和研发过程
- 跟踪并参与具体项目的设计、制造、装配等工作
2.2 学习和掌握机械加工技术
- 参与机械加工过程,了解机械加工工艺和设备
- 学习并掌握常见的机械加工工艺和方法
2.3 参与产品测试和质量控制
- 学习和参与产品测试和质量控制过程
- 掌握产品测试方法和质量控制标准
第三章:实习总结和评估
3.1 实习总结
- 对自己实习过程中所学到的知识和经验进行总结
- 分析实习过程中的问题和困难,并提出改进意见
3.2 实习报告撰写
- 撰写实习报告,介绍实习单位、实习内容和所学到的知识和经验
3.3 实习评估
- 教师对实习过程进行评估,并给出意见和建议
- 公司相关负责人对实习表现进行评估
参考文献:
- 机械工程实习指导教材
- 相关学术文献
- 实习单位提供的相关资料和文献。
《机械设计基础》实训大纲适应专业:机械类各专业课程性质:必修课总学时:108总学分:6一、课程性质、目的、任务本课程是一门介绍常用机构和通用机械零部件设计的基本知识、基本理论及设计方法的技术基础课,是机械类及有关专业的必修课程。
机械零件的设计和计算是本课程的基本教学内容,但本课程的最终目的在于综合运用各种机械零件、各种机构的知识以及其它先修课程的知识, 掌握设计机械传动装置和一般机械的能力,使学生具备机械工程、机电产品的生产、服务、技术和管理的高素质劳动者和高级应用型人才所必需的机械设计基本知识和基本技术,为专业知识和职业技能的进一步学习打下必要的基础。
二、实训要求(一)实验要求1. 掌握一般平面机构的测绘技能,验证机构运动是否确定。
2. 理解范成原理,能分析和验证根切原因和修正后齿轮的尺寸变化。
3. 掌握游标卡尺的使用,掌握奇数齿轮和偶数齿轮相关参数的测量方法和计算方法。
4. 通过轴系结构的观察分析,理解轴、轴承、轴上零件的结构特点,掌握轴系结构设计。
5. 培养学生观察仔细、勤于动手、善于思考的能力和习惯,进一步加深理论知识的理解和掌握。
(二)课程设计要求1.要求学生能综合运用已学的有关课程的基本知识,掌握基本的设计方法,学会查阅技术资料,树立正确的设计思想和严谨的工作作风,有独立设计简单传动机械的能力。
2.学生设计工作量每个学生应完成装配图一张(l号或0号图纸),零件工作图2张(按1:1比例绘制),编写设计计算说明书一份。
三、实训重点与难点1、重点:课程设计2、难点:说明书的编写和计算五、教材与参考书1、教材:罗玉福王少岩主编《机械设计基础》大连理工出版社王少岩主编《机械设计基础实训指导》大连理工出版社2009年1月第3版撰写:闵安康教研室审核:唐志英系主任审核:鲁铁山。
2020级机械设计与制造专业技能考核标准2020年6月目录一、专业名称及适用对象 (1)二、考核目标 (1)三、考核内容 (1)模块一机械零件测量与图样绘制 (2)项目1 机械工程图绘制 (2)项目2 机械零件测绘 (4)模块二机械零件设计 (5)项目1 机械零件造型设计 (5)项目2 机械零件结构设计 (7)模块三机械零件制造 (9)项目1 机械零件车削加工 (9)项目2 机械零件铣削加工 (11)模块四机械零件数控编程与仿真加工 (13)项目1.机械零件数控车削编程与仿真加工 (13)项目2.机械零件数控铣削编程与仿真加工 (15)四、评价标准 (16)模块一机械零件测量与图样绘制 (16)项目1 机械工程图绘制 (16)项目2 机械零件测绘 (17)模块二机械零件设计 (18)项目1 机械零件造型设计 (18)项目2 机械零件结构设计 (18)模块三机械零件制造 (19)项目1 机械零件车削加工 (19)项目2 机械零件铣削加工 (20)模块四机械零件数控编程与仿真加工 (20)项目1. 机械零件数控车编程与仿真加工 (20)项目2. 机械零件铣削编程与仿真加工 (21)五、组考方式 (21)六、附录 (22)湖南铁道职业技术学院学生专业技能考核标准一、专业名称及适用对象1.专业名称机械设计与制造(专业代码:560101)2.适用对象高职全日制在籍毕业年级学生。
二、考核目标依据本专业人才培养目标定位,以具体的工作任务(项目)为载体,测试学生利用常用的工具、量具、机床及设计软件按照规范测量和绘制机械零件工程图,利用相应的手册与软件按照行业通用的规范和要求进行机械零件设计,利用常用的普通机床按照正确的加工工艺与操作规范进行机械零件制造,利用相应的数控仿真软硬件开发平台按照变成规范与流程进行机械零件的数控编程与仿真加工等职业能力。
考察学生安全操作意识、产品质量意识、成本控制意识、节能环保意识、敬业责任意识、创新创业意识以及工匠精神等职业素养。
第一章机械实训车间安全教学目的:使学生明确安全的重要性,掌握预防安全事故的措施教学重点:预防对人体伤害的安全措施教学难点:预防机械设备安全措施教学方法:讲授,分析教学内容:一、概论坚持安全是保障生产工人和机床设备的安全,防止工伤和设备事故的根本保证,也是搞好工厂经营管理的重要内容之一。
它直接影响到人身安全、产品质量和经济效益,影响设备和工、夹、量具的使用寿命及生产工人技术的正常发挥。
学生在学习和掌握操作的同时,必须养成良好的安全生产习惯。
对于在长期生产活动中得到的实践经验和总结,必须严格执行。
二、预防对人体伤害的安全措施安全生产的任务是保护劳动者在生产经营活动中的安全和健康,促进市场经济建设的发展。
在各种机械设备操作中,均有意外发生的可能,无论发生的原因是什么,都要“以人为本”,人员的安全是重之重,实习生要严格执行安全操作,做到以下几点:1. 工作时应穿工作服、戴袖筒。
女同志应戴工作帽,将长发塞入帽子里。
夏天禁止穿裙子、短裤和凉鞋上机操作。
2. 车间内,禁止互相追逐、玩耍及乱掷工具、产品等。
3. 未经指导老师许可和不了解机床性能时不准开。
4. 凡使用动力旋转设备,严禁戴手套操作。
5. 在操作机床前应站在绝缘的物体上再接触机床6. 每次开动设备前,首先应检查设备上有无遗留物品、量具等,排除一切障碍物,危险区要小心谨慎,共同性的作业必须互相呼应和联系。
7. 机床开动后注意下列事项:• a 不要用手去接触工作中的刀具、工件或其他运转部分,工件运转时,操作者不能正对工件站立,身不靠车床,脚不踏油盘。
•也不要将身体靠在机床上。
•b切削中途欲停车,不准用开倒车来代替刹车退车和停车要平稳。
;操作时不能随意离开机床。
•c禁止在车床运行时测量工件的尺寸或进行探试机床、添加润滑液等。
•d禁止用手去抓要切断的工件或用手清除切屑。
清除铁屑,应用刷子或专用钩。
•e发现异常现象要立即停车并向实习指导人员报告8. 工件装夹时一定要牢固。
机械设计基础实训指导书1. 实训简介机械设计基础是机械工程专业的核心课程之一,本实训旨在帮助学生通过实际操作来巩固理论知识,掌握机械设计的基本原理和方法。
本指导书将详细介绍实训内容、要求和步骤,帮助学生顺利完成实训任务。
2. 实训目标通过本次实训,学生应能够:•理解机械设计的基本原理和方法;•掌握常用的机械设计软件;•运用机械设计软件进行简单的机械设计;•完成一种简单机械零件的设计和制造。
3. 实训内容本实训包括以下内容:1.机械设计基础知识的学习和总结;2.机械设计软件的学习和使用;3.机械零件设计和制造。
4. 实训要求•遵循实训安全规范,确保人身和设备安全;•严格按照实训指导书进行操作,不得随意修改操作步骤;•结合实际案例,掌握机械设计的实际应用;•合理安排时间,保证实训任务的顺利完成。
5. 实训步骤步骤一:机械设计基础知识学习和总结1.学习机械设计的基本原理和方法;–理解机械设计的概念和作用;–掌握机械设计的基本流程。
2.总结机械设计基础知识;–编写机械设计基础知识笔记;–复习和巩固机械设计基础知识。
步骤二:机械设计软件的学习和使用1.学习常用的机械设计软件;–介绍常用的机械设计软件,如SolidWorks、AutoCAD 等;–学习软件的基本操作和功能。
2.完成机械设计软件的练习;–实际操作机械设计软件,绘制简单的零件和装配图;–学习使用软件进行模拟和分析。
步骤三:机械零件设计和制造1.确定机械零件设计和制造任务;–选择一个简单的机械零件进行设计和制造;–确定零件的尺寸、材料和加工工艺。
2.使用机械设计软件进行零件设计;–绘制零件的草图和三维模型;–进行零件的装配和运动仿真。
3.制造机械零件;–使用适当的加工设备和工具进行零件制造;–完成零件的加工和组装。
6. 实训评估本次实训将根据以下几个方面进行评估:•实训过程的操作规范性和安全性;•实训任务的完成情况和质量;•实训报告的撰写和总结能力。
目录一、设计题目: ..................................................................................................................... - 2 -二、任务实施................................................................................................................................ - 3 -1.轴的零件图如下................................................................................................................... - 3 -2.双联齿轮的零件图 ............................................................................................................... - 4 -3.轴设计任务.......................................................................................................................... - 5 -四、零件的分析 ............................................................................................................................ - 5 -4.1、有关轴零件的分析.......................................................................................................... - 5 -4.2、零件的结构特点 ............................................................................................................. - 6 -4.3加工工艺性 ....................................................................................................................... - 6 -4.4、确定零件毛坯................................................................................................................. - 7 -五、基准的选择 ........................................................................................................................... - 7 - 六轴类零件的材料、毛坯及热处理 ............................................................................................... - 8 -6.1、轴类零件的材料 ............................................................................................................. - 8 -6.2轴的作用........................................................................................................................... - 8 -6.3轴类毛坯........................................................................................................................... - 8 -6.4、轴类零件的热处理.......................................................................................................... - 9 -七、拟定加工工艺路线.................................................................................................................- 10 -7.1表面加工方法的确定 ........................................................................................................- 10 -7.2加工阶段的划分:............................................................................................................- 11 -7.3.工序的集中与分散............................................................................................................- 11 -7.4工序顺序的安排 ...............................................................................................................- 12 -(1)、机械加工工艺安排 ...............................................................................................- 12 - (2)热处理工序的安排 .................................................................................................- 12 -7.5确定工艺路线...................................................................................................................- 12 -八、工序内容设计........................................................................................................................- 13 -8.1轴零件加工余量、工序尺寸和公差的确定.........................................................................- 13 -8.2切削用量、时间定额的计算..............................................................................................- 14 -8.3键的加工余量、工序尺寸和公差的确定 ..........................................................................- 16 -九、填写机械加工工艺规程文件(详见附表1、2)......................................................................- 17 -十、齿轮专用夹具的设计 .............................................................................................................- 17 - 十一、实训总结 ...........................................................................................................................- 18 - 十二、参考文献 ...........................................................................................................................- 19 -一、设计题目:编写轴和双联齿轮的加工工艺规程。
一、前言随着我国经济的快速发展,基础设施建设日益增多,工程机械在各类工程中的应用越来越广泛。
为了提高学生的实际操作能力和专业技能,我校特开设了工程机械操作技能实训课程。
本次实训旨在使学生掌握工程机械的基本操作技能,了解工程机械的工作原理和构造,提高学生的安全意识和团队协作能力。
二、实训目的1. 使学生掌握工程机械的基本操作技能,包括启动、运行、转向、制动等。
2. 了解工程机械的工作原理和构造,为以后的实际工作打下基础。
3. 培养学生的安全意识和团队协作能力,提高学生的综合素质。
三、实训内容本次实训主要包括以下内容:1. 工程机械认识:了解工程机械的分类、用途、工作原理和构造。
2. 基本操作技能训练:包括启动、运行、转向、制动、倒车、吊装等操作。
3. 故障排除训练:学习如何判断和排除工程机械的常见故障。
4. 安全操作规程:学习工程机械的安全操作规程,提高安全意识。
四、实训过程1. 工程机械认识:实训开始前,教师向学生介绍了工程机械的分类、用途、工作原理和构造,使学生对该类设备有了初步的了解。
2. 基本操作技能训练:在教师指导下,学生依次进行了启动、运行、转向、制动、倒车、吊装等操作。
教师针对学生的操作进行了点评和指导,使学生逐步掌握了基本操作技能。
3. 故障排除训练:教师设置了一些常见故障,要求学生根据故障现象进行分析和排除。
通过实际操作,学生掌握了故障排除的基本方法。
4. 安全操作规程:教师详细讲解了工程机械的安全操作规程,强调了安全操作的重要性。
学生通过观看安全操作视频和实际操作,提高了安全意识。
五、实训结果通过本次实训,学生取得了以下成果:1. 掌握了工程机械的基本操作技能,能够独立完成启动、运行、转向、制动、倒车、吊装等操作。
2. 了解了工程机械的工作原理和构造,为以后的实际工作打下了基础。
3. 提高了安全意识和团队协作能力,为今后的工作奠定了良好的基础。
六、实训总结本次工程机械操作技能实训取得了圆满成功。
一、前言随着我国经济的快速发展,机械制造行业在我国国民经济中的地位日益重要。
为了培养适应社会需求的高素质技术人才,我国高校普遍开设了机械制造及其自动化等相关专业。
为了提高学生的实践能力,加强理论知识与实际应用的结合,各高校纷纷开展了机械制造实训课程。
本文以某高校机械制造实训课程为例,详细说明实训机械的配置、操作方法及注意事项。
二、实训机械配置1. 数控车床数控车床是机械制造实训课程中常用的设备之一,主要用于加工轴类、盘类等零件。
该实训机械具有以下特点:(1)加工精度高,重复定位精度可达0.01mm;(2)加工速度快,加工效率比传统车床提高数倍;(3)操作简单,易于掌握。
2. 数控铣床数控铣床主要用于加工平面、曲面、孔等零件。
该实训机械具有以下特点:(1)加工精度高,重复定位精度可达0.01mm;(2)加工范围广,可加工各种复杂零件;(3)操作简单,易于掌握。
3. 铣床铣床是一种常用的金属切削机床,主要用于加工平面、槽、齿轮等零件。
该实训机械具有以下特点:(1)加工精度较高,重复定位精度可达0.05mm;(2)加工范围广,可加工各种复杂零件;(3)操作简单,易于掌握。
4. 磨床磨床主要用于加工外圆、内孔、平面等零件。
该实训机械具有以下特点:(1)加工精度高,重复定位精度可达0.01mm;(2)加工表面质量好,光洁度高;(3)操作简单,易于掌握。
5. 钻床钻床主要用于加工孔,包括孔的加工、扩孔、铰孔等。
该实训机械具有以下特点:(1)加工精度较高,重复定位精度可达0.05mm;(2)加工范围广,可加工各种孔类零件;(3)操作简单,易于掌握。
6. 压力机压力机主要用于金属材料的冲压加工,如板材、管材的弯曲、剪切等。
该实训机械具有以下特点:(1)加工能力强,可加工各种形状的零件;(2)操作简单,易于掌握。
三、实训机械操作方法1. 数控车床(1)开机前检查设备是否完好,润滑系统是否正常;(2)按照编程指令输入数控系统;(3)调整机床参数,如主轴转速、进给速度等;(4)装夹工件,确保工件与刀具相对位置正确;(5)启动机床,进行加工。
机械制造基础课程实训说明书(一)课程时间的目的、任务和要求一、课程时间的目的、任务和要求备注1、课程时间的目的:《机械制造基础》课程实践是在学完《机械制造基础》课程之后进行的一个教学环节,要求学生综合运用本专业有关课程理论和实践知识,进行减速器的拆装和对减速器零件技术分析,其目的在于:培养运用机械制造基础及有关课程(工程制图、互换性与测量技术等)的知识,结合生产实践中学到的知识,独立地拆装齿轮减速器,并能分析零件的技术要求,毛坯的选择和分析机械加工工艺流程,进一步培养学生制图、读图、拆装齿轮减速器等基本技能。
2、课程时间的要求:本次课程时间要求为齿轮减速器的拆装,并能分析零件形状尺寸在图纸上表达、零件的技术要求,毛坯选择和熟悉简单的加工工艺流程。
学生应在教师的指导下,认真、有计划地按时完成课程设计任务。
⑴分组拆卸工业中使用的减速器⑵分组测绘零件图⑶每人独立分析零件,确定所有零件的毛坯制造方式⑷每人独立制订所有机械零件的加工工艺流程(包括铸、锻和焊的选用、机床和刀具的选择等)⑸分组绘制零件的零件毛坯合图⑹分组安装工业中使用的减速器并画装配草图⑺每人独立绘制减速器装配图⑻每人独立编写机械制造基础课程实践说明书备注二、拆卸和测绘减速器的方法与步骤(二)、拆卸和测绘减速器的方法与步骤及减速器的工作原理1、拆卸和测绘减速器的方法和步骤⑴用扳手松螺母,注意应对称松,按一定的顺序松,取下弹簧垫圈及垫片。
整齐地放于一定位置⑵用一字螺丝刀和锤子均匀地轻轻敲击端盖,用螺丝将端盖旋出⑶用一字螺丝刀将平键取出⑷用轴用卡簧钳取出弹簧挡圈a⑸用锤子和铜棒拆下轴承a⑹用锤子和铜棒拆下轴承b⑺用轴用卡簧钳取出弹簧挡圈b⑻拿下十字滑块⑼用一字螺丝刀和锤子取出固定齿轮⑽取下行星齿轮⑾用扳手拿下偏心轴⑿用内六角扳手旋下内六角螺母(4个)⒀用孔用卡簧钳取出弹簧挡圈c⒁用拉马取下小轴承(二)、拆卸和测绘减速器的方法与步骤及减速器的工作二、减速器的工作原理备注2、减速器的工作原理偏心轴装在电动机轴上,当电动机转动时,带动偏心轴及滚动轴承,使偏心齿轮绕电动机轴线和齿轮作转动粘合,即行星运动。
《机械加工实训》课程说明一、课程简介(一)课程名称:机械加工实训(二)适用专业:机械工程专业(三)课程性质:专业基础课机械加工实训主要传授机械制造基础知识和基本技能,是一门实践性很强的技术基础课,是对大学生进行工程训练、使其学习工艺知识、增强实践能力和提高综合素质不可缺少的重要环节。
该课程是工科学生进行工程训练、培养工程意识、学习工艺知识、提高工程实践能力的重要的实践型技术基础课。
其任务是使学生了解机械制造的一般生产过程,熟悉常用零件的毛坯制造和切削加工的加工方法、所用设备的基本结构、工卡量具和安全操作等方面的基本知识,了解机械制造工艺知识和一些新工艺、新技术、新设备在机械制造中的应用,具有初步的实践动手能力、创新意识、安全意识和创新能力等工程技术人员应具备的基本素质。
(四)开发思路:机械加工实训,首先以钳工、车削加工、铣削加工、铣削加工、磨削加工,机械装配作为学生学习的基础。
实训教学,是机械加工实训的重要教学环节。
通常,学校建设有机械加工的实习车间,机械加工实训环节在机加工实训车间进行,以强化学生的实际动手能力和机床的操作能力为教学目标,体现教学设备与社会生产一线主流设备相一致,为学生今后进入企业尽快适应奠定基础。
以培养应用型的高技能人才为目标强调学生的实践能力和知识的应用能力。
以提高教育教学质量为出发点和落脚点,淡化理论教学强化能力培养,突出知识的应用性。
《机械加工实训》其内容主要包括钳工加工、车削加工、铣削加工、磨削加工等多门实训课程,是机械类和近机类专业学生实训、顶岗实习和将来从事专业技术工作必学的一门技术专业课。
综合课程开发以培养学生的动手和动脑能力为主线,以“学中做,做中学”为原则,根据社会先求的知识对传统教学内容进行了重新整合。
二、课程目标1、了解机械制造总的金属加工的常用工艺方法及设备。
2、通过自己动手操作增强动手能力,并加深对机械零件制造方法的感性认识,为学习后续课程莫定良好的基础。
机械设计制造及自动化专业专业综合实践机械设计类课题指导书一、时间安排二、设计任务1.电动工具设计实验室提供手电钻、切割机等电动工具实物,要求了解其用途和工作原理,分析其构造和工艺特点,参考实物机械,通过3维CAD软件设计某种电动工具,并进行模拟装配,产生主要零件的工程图,总装配图,工程图要有公差粗糙度要求,热处理要求,材料要求,编制主要零件的工艺过程卡。
2.电动自行车设计实验室提供电动自行车电机、轮毂、刹车、链轮、飞轮等典型零件,要求设计适合某种人群(男人、女人、老人、儿童、少年、快递、维修工、残疾人等等)的电动自行车,通过3维CAD 软件设计电动自行车,并进行模拟装配,产生主要零件的工程图,总装配图,工程图要有公差粗糙度要求,热处理要求,材料要求,编制主要零件的工艺过程卡。
3.省力物流、搬运机械设计实验室提供液压千斤顶,螺旋千斤顶实物样品,要求参照其工作原理设计用于较重货物的装卸、移动的省力工具,通过3维CAD 软件进行设计,产生主要零件的工程图,总装配图,工程图要有公差粗糙度要求,热处理要求,材料要求,编制主要零件的工艺过程卡。
4.其他自拟的小型机械设计学生也可以自拟小型机械的设计课题,但课题难度和设计工作量要适中,不要太简单,也不要太复杂,预计2周内可以完成,课题要经指导教师同意,通过3维CAD 软件进行设计,产生主要零件的工程图,总装配图,工程图要有公差粗糙度要求,热处理要求,材料要求,编制主要零件的工艺过程卡。
附:网上搜到的部分图片 1.电动工具设计2.电动自行车3.省力物流、搬运机械.机械设计制造及自动化专业综合实践课题选题表专业综合实践报告学生姓名:学号:专业:设计任务题目:专题说明:专题是指小组中具体分工所做的部分指导教师:年月日目录1概述 (1)说明:说明设计任务的背景、设计对象的功能、用途、应用范围、性能特点、应用推广价值、设计任务的说明等。
2 XXX总体设计说明………………………………………………………………说明:说明设计思路和重要的设计计算,说明设计过程,重点是设计难点的说明。
综合实训报告书题目:齿轮减速器的设计与制造院系:机械工程学院专业:机械设计制造及其自动化班级:学号:学生姓名:指导老师:郭建新彭浩柯完成日期: 2012-12-23序言一、《机械设计制造综合实训》的目的《机械设计制造综合实训》是在完成了专业基础课和专业课之后,所进行的一种大型的设计性的综合实践教学环节,目的就是给学生建立一个运用所学知识结合工程实际,解决工程问题、提高工程素质、积累工程经验的训练平台。
培养创新能力、综合应用能力和解决工程实际问题的能力,从而达到应用型本科人才的培养目标,满足当今市场对人才的现实需求。
二、《机械设计制造综合实训》的内容及要求《机械设计制造综合实训》以班级为单位,选择1~2个难度适当机械产品或装置作为实训项目,以产品研制的四个过程(产品设计、工艺设计、加工试制、分析总结)作为综合实训的四个阶段,四个实训阶段分别为:产品设计阶段、工艺设计阶段、加工试制阶段、组装调试及分析总结阶段。
学生经过四个阶段的综合实训,最后班级完成实训产品的研制,每个学生则完成相应的实训任务,并撰写《机械设计制造综合实训》报告。
四个阶段的训练任务及要求分别是:1.产品设计阶段:此阶段的主要训练任务是针对某选定的实训项目设计出完整的产品工程图和相关技术参数。
所谓产品工程图就是严格按照工程实际要求的产品(装配)图,其所有的技术要求都必须按工程实际的标准来要求和规范。
在班级所有的设计中按实训项目,选择一个原理结构最优,又最符合实际加工能力要求的方案作为班级的实训产品,后续实训就以该产品的工程图来研制实训产品。
2.工艺设计阶段:此阶段以实训产品的主要零件为工作小组,将班级分成若干个实训小组,其主要训练任务是设计相应零件的工程图,并结合实验室设备的加工能力编制出零件制造的工艺文件,其工艺文件将指导实训产品的整个研制过程。
该实训产品的所有零件的制造工艺过程、工序过程、装夹定位、切削用量等都要齐全。
都要按工程实际的工艺标准来要求和规范。
机械基础(实践性环节)考核大纲教案
一、考核要求
通过实践性环节的考核,使学生掌握关于机构的结构分析、机构的运动分析、受力分析和机器动力学方面的基本理论和基本知识,并具有初步的分析和设计能力。
掌握典型机械零件的实验方法及技能。
通过实验实践教学不仅可以提高学生的理论水平和应用方法,更重要的可以学会机械工程的实验方法和测试手段。
提高学生的动手能力,为今后的学习和进行各种研究开发、生产操作、维修维护工作打下一定的基础。
二、考核内容
1、平面机构运动简图的绘制和分析
(1)绘制一般平面机构运动简图
(2)分析平面机构的运动确定性
2、凸轮机构的设计方法
(1)凸轮机构的设计参数
(2)图解法设计凸轮轮廓
3、齿轮范成原理实验
(1)渐开线的形成及范成法加工齿轮的基本原理(2)根切齿轮产生的原因及避免根切的方法
4、直齿圆柱齿轮参数的测定与分析
(1)用游标卡尺测定直齿圆柱齿轮几何参数
(2)齿轮的各部分尺寸和参数的关系及渐开线的性质
5、轮系
(1)定轴轮系及其传动比
(2)周转轮系及其传动比
(3)复合轮系及其传动比
6、刚性转子的静、动平衡实验
(1)回转件的平衡实验
(2)回转件的平衡计算
7、蜗杆传动
(1)蜗杆传动的主要参数和几何尺寸
(2)蜗杆传动的失效形式、材料和结构
(3)蜗杆传动的受力分析
8、传动特性的测定及分析实验
(1)带传动的受力分析(2)带传动的传动比测定9、变速器的拆装与设计。
专业基本技能实践综合考核课程实践说明书年级:姓名:学号:指导老师:综合实践时间:福建农林大学2016年 1 月目录1、零件分析 (1)、零件的作用 (1).零件的工艺分析 (1)、尺寸和粗糙度的要求 (1)2、选择加工方法,拟定工艺路线 (3)、基面的选择 (3)、粗基准的选择 (3)、精基准的选择 (3)、制定机械加工工艺路线 (3)3、毛坯的设计 (4)、选择毛坯 (4)、确定机加工余量、毛坯尺寸和公差 (4)、确定机械加工加工余量 (4)4、加工M10螺纹的夹具设计 (5)、定位基准的选择 (5)切削力和夹紧力的计算 (5)夹具设计及简要操作说明 (6)5、确定切削用量以及基本时间的确定 (6)6、零件的二维图 (14)7、直流电机系统论述 (15)总体方案 (15)基本原理 (15)原理框图 (15)8、系统的硬件设计 (18)单片机最小系统的设计 (18)电源电路设计 (18)直流电机驱动电路设计 (18)显示模块设计 (19)按钮电路设计 (20)元件参数选择 (21)9、系统的软件设计243总体方案 (23)相关软件介绍 (24)应用软件的编制、调试 (25)10、仿真结果与分析 (25)仿真电路图 (25)仿真结果 (26)11、总结 (29)参考文献 (30)附录A:系统整体硬件电路图 (31)附录B:程序代码 (31)1、零件分析、零件的作用题目所给定的零件是轴套类零件。
主要作用是传递扭矩,使变速器获得换档的动力。
、零件的工艺分析由零件图可知,该零件的材料为45#钢,锻造成型,由零件的尺寸公差选择模锻加工成型,保证不加工表面达到要求的尺寸公差。
该零件需要加工的表面可大致分为以下四类:(1)Φ15的孔(2)以Φ15孔的轴心线为基准的两平面。
(3)以Φ15孔的轴心线为基准的两侧面。
(4)以15mm槽为基准的M10*1-7H的螺纹孔。
、尺寸和粗糙度的要求Φ15的孔的上偏差为+,下偏差为+,配合公差为F8,属于间隙配合,孔的内表面的粗糙度为,要求较高,鉴于孔径为,可先采用Φ14的麻花钻钻孔,在用Φ10的立铣刀进行扩孔,最后用无心砂轮进行精加工。
Φ15的孔的上下两平面距离孔中心线的尺寸分别为11mm和,上表面的粗糙度为,下表面的粗糙度为,直接采用立铣刀铣削加工即可达到要求。
以Φ15的孔的轴心线为基准的尺寸为的两侧面的表面粗糙度为,可直接用端面立铣刀进行加工保证尺寸要求。
以15mm拨槽为基准的叉口的上下端面的尺寸分别为和其表面粗糙度为,可直接用端面立铣刀进行加工保证尺寸要求。
以Φ15的孔的轴心线为基准的叉口两侧面尺寸为53mm,表面粗糙度为,可直接用端面立铣刀进行加工保证尺寸要求。
拨槽的最前端面,以Φ15孔的下端面为基准,其尺寸为56,其表面粗糙度为以15mm拨槽为基准的M10*1-7H的螺纹孔,先采用Φ的麻花钻钻孔,再采用Φ10的丝锥攻丝完成。
图1-1图1-2图1-32、选择加工方法,拟定工艺路线、基面的选择基面选择是工艺规程设计中的重要设计之一,基面的选择正确与合理,可以使加工质量得到保证,生产率得到提高。
否则,加工工艺过程会问题百出,更有甚者,还会造成零件大批报废,使生产无法进行。
、粗基准的选择粗基准的选择影响影响各加工面的余量分配及不需加工表面与加工表面之间的位置精度。
为了保证叉口上下平面与Φ15孔的垂直度要求以及叉口上下面的加工余量分配均匀,所以选择叉口的上端面作为第一道工序的定位基准。
、精基准的选择以第一道工序中的已加工面作为下到工序的定位平面,以Φ孔的中心轴线为定位基准,确保设计基准与工艺基准的重合,以减少加工误差。
、制定机械加工工艺路线方案工序10:锻造工序20:铣Φ32的左、右端面工序30:扩,铰Φ15的孔工序40:铣宽的表面工序50:铣宽左右端面工序60:铣的端面工序70:铣宽的槽工序80:加工R21的圆弧工序90:铣的表面工序100:铣54的表面工序110:钻M10的螺纹孔,攻丝M10工序120:去毛刺工序130:验收3、毛坯的设计、选择毛坯该零件的材料为45#钢,采用模锻毛坯成型。
、确定机加工余量、毛坯尺寸和公差拨叉零件材料为 45,硬度选用180HBS,毛坯重约1Kg。
生产类型为成批生产,采用锻造。
对毛坯初步设计如下:1. Φ32圆的左右端面Φ32圆的左右端面的粗糙度为,查《机械工艺学及夹具设计指导》表2-12,知Z=2. Φ32mm的孔 M10孔最大只有,因此在毛坯的设计时,不宜设计底孔。
毛坯采用实心铸造。
3. 侧面该叉口两侧面粗糙度都是,进行一次粗铣即可。
选取加工余量等级为G,选取尺寸公差等级为9级。
4.内圆面内圆面的圆弧半径为R18mm,直接铸造出来,查资料知,砂型铸造机械翻砂造型的尺寸公差等级为8~10级,5.宽和的面宽和的侧面,粗造度为,,进行一次粗铣即可满足要求,查《机械工艺学及夹具设计指导》表3-3知Z=6.宽的槽因其宽度只有,粗糙度为,所以直接铸造成实心,其它表面均为不加工表面,锻造出的毛坯表面就能满足它们的精度要求。
、确定机械加工加工余量根据锻件质量、零件表面粗糙度、形状复杂程度,取铸件加工表面的单边余量为4㎜,孔的加工余量按相关表查找选取。
4、加工M10螺纹的夹具设计工序90:铣宽的端面,选用机床:Z5140立式钻床,X51铣床 、定位基准的选择以Φ15孔及其端面作为定位基准,工件的另一端面作为辅助基准 、切削力和夹紧力的计算由于本道工序完成工艺孔的钻孔加工,钻力。
由《机械加工工艺手册》得: 钻削力 6.08.026HB DfF = 式(4-1) 钻削力矩 6.08.09.110HB f D T = 式(4-2) 式中:10.5D mm = ()()max max min 1118718714917433HB HB HB HB =--=--= 10.20f mm r -=⋅代入公式(4-1)和(4-2)得∴0.80.62610.50.201741664F N =⨯⨯⨯=1.90.80.61010.50.2017446379T N mm =⨯⨯⨯=⋅夹紧力方向与钻削力方向相同。
、夹具设计及简要操作说明把一面、一心轴、一削边销做为定位,螺母、心轴、快换垫圈夹紧工件,这样能满足批量生产要求装配图附图如下:图4-15、确定切削用量及基本工时工序10:锻造工序20:调质处理工序30:铣叉口宽51的面卧式铣床X62选择刀具刀具选取高速钢三面刃铣刀,刀片采用YG8,mm a p 0.2=,mm d 500=,min /75m v =,4=z 。
2. 决定铣削用量1)决定铣削深度因为加工余量不大,故可在一次走刀内铣完,则 mm a p 0.2=2)决定每次进给量及切削速度根据X62型铣床说明书,其功率为为,中等系统刚度。
根据表查出 齿/2.0mm f z =,则min /2.1194507510001000r d v n s =⨯⨯==ππ 按机床标准选取w n =1450min /rmin /47710001450501000m dn v w=⨯⨯==ππ当w n =1450r/min 时r mm zn f f w z m /1160145042.0=⨯⨯==按机床标准选取r mm f m /1160=3)计算工时切削工时: mm l 191=,mm l 32=,则机动工时为min 232.02.0145031921=+=+=X f n l l t w m 工序40:铣Φ左端面1. 选择刀具刀具选取不重磨损硬质合金套式端铣刀,刀片采用YG8,mm a p 0.2=,mm d 250=,min /125m v =,4=z 。
2. 决定铣削用量1) 决定铣削深度一次走刀内铣完,则mm a p 0.2=2) 决定每次进给量及切削速度根据X51型铣床说明书,其功率为为,中等系统刚度。
根据表查出 齿/2.0mm f z =,则min /39.11372512510001000r d v n s =⨯⨯==ππ 按机床标准选取w n =1450min /rmin /35.159********251000m dn v w=⨯⨯==ππ当w n =1450r/min 时r mm zn f f w z m /1160145042.0=⨯⨯==按机床标准选取r mm f m /1160=3) 计算工时切削工时:mm l 5.20=,mm l 21=,mm l 32=,则机动工时为min 268.02.01450325.2021=++=++=X f n l l l t w m 工序50:铣Φ右端面及宽11的面1. 选择刀具刀具选取不重磨损硬质合金套式端铣刀,刀片采用YG8,mm a p 0.2=,mm d 250=,min /125m v =,4=z 。
2. 决定铣削用量1)决定铣削深度因为加工余量不大,故可在一次走刀内铣完,则mm a p 0.2=2)决定每次进给量及切削速度根据X51型铣床说明书,其功率为为,中等系统刚度。
根据表查出 齿/2.0mm f z =,则min /39.11372512510001000r d v n s =⨯⨯==ππ 按机床标准选取w n =1450min /rmin /35.159********251000m dn v w=⨯⨯==ππ当w n =1450r/min 时r mm zn f f w z m /1160145042.0=⨯⨯==按机床标准选取r mm f m /1160=3)计算工时切削工时:mm l 5.20=,mm l 111=,mm l 32=,则机动工时为min 363.02.014503115.2021=++=++=X f n l l l t w m 工序60:铣宽的面1. 选择刀具刀具选取不重磨损硬质合金套式端铣刀,刀片采用YG8,mm a p 0.2=,mm d 250=,min /125m v =,4=z 。
2. 决定铣削用量1)决定铣削深度因为加工余量不大,故可在一次走刀内铣完,则mm a p 0.2=2)决定每次进给量及切削速度根据X51型铣床说明书,其功率为为,中等系统刚度。
根据表查出 齿/2.0mm f z =,则min /39.11372512510001000r d v n s =⨯⨯==ππ 按机床标准选取w n =1450min /rmin /35.159********251000m dn v w=⨯⨯==ππ当w n =1450r/min 时r mm zn f f w z m /1160145042.0=⨯⨯==按机床标准选取r mm f m /1160=3)计算工时切削工时:mm l 5.16=,mm l 21=,mm l 32=,则机动工时为min 264.02.0475325.1621=++=++=X f n l l l t w m 工序70:钻,扩,铰Φ孔工步一钻孔至φ14确定进给量f :根据参考文献Ⅳ表2-7,当钢的MPa b 800<σ,mm d 140φ=时,r m f /47.0~39.0=。