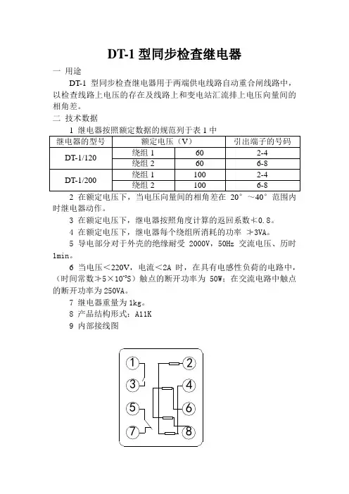
DT-1型同步检查继电器
- 格式:doc
- 大小:55.50 KB
- 文档页数:2
阿城静态继电保护BT-1B 型同步检查继电器1 用途BT-1B 型同步检查继电器(以下简称继电器)用于两端供电系统的自动重合闸线路中,作为有无电压和同期的检查元件。
2 结构及工作原理2.1 结构继电器采用JK-2型壳体,外形尺寸及安装开孔图见《附录》,背后端子接线图见图1。
图 1 背后端子接线图2.2 工作原理继电器的原理框图见图2,原理电路图见图5。
该继电器由电压互感器T1、T2、整流滤波回路、触发器、出口元件及电源部分组成。
图 2 原理框图两个交流电压(或电流)分别加于电压(电流)互感器T1、T2一次绕组上。
当一次两电压(或电流)同相时,由于二次绕组反极性连接,在互感器上所产生的电势互相抵消,二次输出电压等于零(不平衡电压不超过0.5V),触发器仍处于原始状态(V7导通,V8截止),干簧继电器不动作。
当一次两电压(或电流)不同相时,在互感器二次所产生的电势就不能互相抵消,而产生电势差。
其输出差值与一次两电压(或电流)相位差及幅值有关。
当幅值一定值时相位差越大,二次输出电压也越大,反之就越小。
其矢量图见图3。
二次输出电压经过整流滤波后加到触发器上,当信号电压达到一定值时,触发器翻转(V7截止,V8导通),干簧继电器动作,动断触点打开,动合触点闭合。
当任何一个输入电压(或电流)为零或很低时,情况和两个电压(或电流)不同相时相同,继电器也应立即动作。
继电器动作角度的整定,利用调整电位器R8来实现。
U2U1图 3 矢量图3 技术数据3.1 继电器的具体型号及规格见表1。
表1型 号 额定电压(流)引出端子 100V 8–16 BT –1B / 200100V 7–15 100V 8–16 BT –1B / 16060V 7–15 100V 8–16 BT –1B / 13030V 7–15 60V 8–16 BT –1B / 12060V 7–15 60V 8–16 BT –1B / 9030V 7–15 0.1A 8–16 BT –1B / 0.20.1A7–153.2 直流额定电压为 220V、110V、48V。
高压电工证考试100题及答案1、【单选题】一般地,电力系统的运行电压在正常情况下不会超过()。
(A)A、最高工作电压B、额定线电压C、绝缘水平2、【单选题】下列()安全用具是在电气操作中使用的基本安全用具。
(B)A、绝缘手套、验电器B、验电器、绝缘夹钳C、绝缘鞋、绝缘站台3、【单选题】为提高功率因数;运行中可在工厂变配电所的母线上或用电设备附近装设(),用其来补偿电感性负载过大的感性电流,减小无功损耗,提高末端用电电压。
(C)A、串联电容器B、并联电感器C、并联电容器4、【单选题】在电路中,电阻的联接方法主要有()。
(C)A、串联和混联B、并联和混联C、串联、并联和混联5、【单选题】电流的方向规定为导体中()运动的方向。
(A)A、正电荷B、负电荷C、电子6、【单选题】镍是一种()磁性物质。
(B)A、反B、铁C、顺7、【单选题】6KV绝缘棒的交流耐压标准为( )。
(C)A、20KVB、35KVC、44KVD、55KV8、【单选题】DH型两侧电源重合闸装置是把同步检查继电器DT-13串入重合闸的( )。
(C)A、信号回路B、跳闸回路C、起动回路D、合闸回路9、【单选题】GN型隔离开关可动刀片进入插口的深度不应小于多少( )。
(B)A、85%B、90%D、98%10、【单选题】M7120型磨床的液压泵电动机和砂轮升降电动机的正反转控制可采用()来实现.(B)A、点动B、点动互锁C、自锁D、互锁11、【单选题】Z3040摇臂钻床电路中的四台电动机,有( )台电动机需要正反转控制。
(A)A、2B、3C、4D、112、【单选题】Z37摇臂转床的摇臂回转是靠( )实现(B)A、机械转动B、人工拉转C、电机拖动D、自动控制13、【单选题】一台4千乏,0.4千伏单相移相电容工作在额定状态下,其电流为()。
(A)A、10AC、20AD、1A14、【单选题】一般()容量以上的变压器装防爆管。
(C)A、400KVAB、500KVAC、750KVAD、1000KVA15、【单选题】万用表测电阻时,( )情况下换档后需要重新校准调整。
2023年电工(高级)参考题库含答案(图片大小可自由调整)第1卷一.全能考点(共50题)1.【判断题】非线性电阻吸收装置通常用来抑制浪涌过电压和雷击过电压。
2.【单选题】自感系数的符号是()。
A、MB、eC、LD、S3.【单选题】电容器组三相间容量应平衡,其误差不应超过一相总容量的多少()。
A、1%B、2%C、5%D、10%4.【单选题】楞次定律是反映()方向的。
A、电流B、感应电动势C、电压D、磁通5.【单选题】晶体管触发的可控硅整流电路常用的同步波形为()。
A、正弦波B、尖脉冲C、窄短形脉冲D、负脉冲6.【判断题】设计合同属于A3类资料。
7.【单选题】按工时额定时间的组成,作业时间分为基本时间和辅助时间,下列()工作时间属辅助时间。
A、机加工时机床自动走刀时间B、机加工电钻钻孔时间C、利用手工制造工件的刮、锉时间D、在金属切削加工中退刀时间8.【单选题】高压泄漏试验,应选用什么设备()。
A、选用交流耐压机B、高压直流整流设备C、高压摇表D、电桥9.【单选题】磁阻越大,材料的导磁性越()。
A、好B、差C、无影响D、不稳定10.【单选题】晶闸管开关电路有()种类型。
A、1B、2C、3D、411.【单选题】在RC正弦波振荡器中,一般要加入负反馈支路,其目的是()。
A、改善零点漂移所产生的影响B、保证相位平衡条件得到满足C、提高稳定性,改善输出波形D、稳定静态工作点12.【单选题】计算机的时钟非常稳定,其波形为()。
A、正弦波B、尖脉冲C、矩形波D、锯齿波13.【单选题】电容器组三相间容量应平衡,其误差不应超过一相总容量的多少()。
A、0.01B、0.02C、0.05D、0.114.【单选题】晶体三极管在()时,流过集电极的电流IC≈0,相当于开关断开。
A、饱和B、截止C、放大D、过损耗15.【判断题】自感电动势的大小可用法拉第定律来判断。
16.【单选题】用人单位与劳动者签订无固定期限劳动合同,试用期不得超过()。
DT-1型同步检查继电器
一用途
DT-1型同步检查继电器用于两端供电线路自动重合闸线路中,以检查线路上电压的存在及线路上和变电站汇流排上电压向量间的相角差。
二技术数据
2 在额定电压下,当电压向量间的相角差在20°~40°范围内时继电器动作。
3
在额定电压下,继电器按照角度计算的返回系数≮0.8。
4 在额定电压下,继电器每个绕组所消耗的功率≯3VA。
5 导电部分对于外壳的绝缘耐受2000V,50Hz交流电压、历时1min。
6 当电压<220V,电流<2A时,在具有电感性负荷的电路中,(时间常数≯5×10-3S)触点的断开功率为50W;在交流电路中触点的断开功率为250VA。
7 继电器重量为1kg。
8 产品结构形式:A11K
9 内部接线图。
DT-1、200型同步检查电气特性试验
DT-1、200型检测器是电压型的。
其线圈1(端子②、④)和线圈2(端子⑥、⑧)的额定电压均为1动作角度的调整范围为20°~40°,内部接线如图所示:
除一般性检验和机械部分检查、调整(和电压继电器相同)之外,其电气特性试验有下列三个项目:
(一)两线圈相互极性关系检验。
制造厂规定其②和⑥端子为同性极,但要对此进行检验以确定实际的连接是否和规定相符。
电压型的继电器检验接线如图所示:
图中的:1K――单相胶盖闸刀;
TY――单相调压器;
(T8)
V――交流电压表0~250V;
TJJ――同步检查继电器,DT――1/200型;
GD――干电池灯。
因为两线圈的额定电压相同,当合上1K调整TY,将电压升到额定电压值(100伏)时,继电器仍不动作(两线圈为异极性关联)。
若断开其中任一线圈
的端子时继电器即动作,则说明②和⑥是同性端子。
否则,极性连接有误(二)动作角度和返回角度检验。
动作角度和返回角度的检验有两种方法:用移相器和相位表直接检验或用测定动作电压和返回电压再经过计算得到相应的角度。
通常采用较简便的后一种方法。
检验接线和第(一)项的相同,但检验线圈1(②、④端子)时,要将线圈2的端子⑥和⑧短路,并拆除②和⑧的接线;检验线圈2时,则要将线圈1的端子②和④短路,并拆除④⑥间的连线。
分别测试两个线圈的动作电压和返回电压各三次,取平均值。
继电器动作时,其常闭接点(⑤、⑦端子)断开,返回时则闭合。
整定角度和动作电压的对照可参看下表:。
同步检查继电器SPAU140C:1. 功能键:SGF:SGF/1,SGF/2:在stage1 段的电压检查功能有压选择:SGF/1 SGF/2 有压的方向0 0 U1<Umin,U3<Umin 或U1>Umax,U3<Umin 或U1<Umin,U3>Umax 1 0 U1>Umax,U3<Umin 0 1 U1<Umin,U3>Umax 1 1 U1>Umax,U3<Umin 或U1<Umin,U3>UmaxSGF/3:在stage1 段的同步检查功能选择:SGF/3 功能0 退出 1 投入SGF/4:在stage1 段的电压检查功能选择:SGF/4 功能0 退出1 投入SGF/5,SGF/6:在stage2 段的电压检查功能有压选择:SGF/5 SGF/6 有压的方向0 0 U1<Umin,U3<Umin 或U1>Umax,U3<Umin 或U1<Umin,U3>Umax 1 0 U1>Umax,U3<Umin 0 1 U1<Umin,U3>Umax 1 1 U1>Umax,U3<Umin 或U1<Umin,U3>UmaxSGF/7:在stage2 段的同步检查功能选择:SGF/7 功能0 退出 1 投入SGF/8:在stage2 段的电压检查功能选择:SGF/8 功能0 退出1 投入SGB:SGB/1:在stage1 段外部闭锁信号功能选择:SGB/1 功能防止开关故障跳闸后或PT 断0 BS13 闭锁信号输入无效线,同步检查功能执行同步检查1 BS13 闭锁信号输入有效功能发出合闸命令SGB/2:在stage2 段外部闭锁信号功能选择:SGB/2 功能防止开关故障跳闸后或PT 断0 BS23 闭锁信号输入无效线,同步检查功能执行同步检查1 BS23 闭锁信号输入有效功能发出合闸命令SGB/3:在stage1 段运行模式选择:SGB/3 功能0 继续运行模式:合闸条件满足发出合闸信号CB13 1 命令运行模式:合闸条件满足且外部信号CS13 已激发发出合闸信号CB13SGB/4:在stage2 段运行模式选择:SGB/4 功能0 继续运行模式:合闸条件满足发出合闸信号CB23 1 命令运行模式:合闸条件满足且外部信号CS23 已激发发出合闸信号CB3 SGR:SGR/1 功能0 Stage1 的合闸信号输出故障信号NC13 不送至报警继电器;1 ;Stage1 的合闸信号输出故障信号NC13 送至报警继电器,并有数字显示“3” SGR/3 功能0 Stage1 的合闸信号CS13 时间太长的故障信号CSF13 不送至报警继电器;Stage1 的合闸信号CS13 时间太长的故障信号CSF13 送至报警继电器,并有1 数字显示“5”;SGR/5 功能0 Stage2 的合闸信号输出故障信号NC23 不送至报警继电器; 1 ;Stage2 的合闸信号输出故障信号NC23 送至报警继电器,并有数字显示“4” SGR/7 功能0 Stage2 的合闸信号CS23 时间太长的故障信号CSF23不送至报警继电器;Stage2 的合闸信号CS23 时间太长的故障信号CSF23 送至报警继电器,并有 1 数字显示“6”;注意:电压检查功能模式只能在断路器的两端都无压或者任何其中一端有压时才能起作用,而在两端都有压时则失效;同步检查功能模式在断路器的两端都无压、任何其中一端有压或者两端都有压时起作用;注意:电压检查继电器只执行有压或无压的判断并不执行压差、频差、相位差的比较;而同步检查继电器只执行有压、压差、频差、相位差的比较;2. 同步检查继电器满足的条件:CB 两边的电压地大小必须都大于整定值Umax;CB 两边的电压的压差必须小于△U;CB 两边的电压的频率差必须小于△f;CB 两边的电压的相位差必须小于△φ;tvalid 必须大于CB 的合闸时间:它由频差和相角差获得;3. 端子接线电压端子:电压值U1 输入U2 输入U3 输入13 16 19 100V 14 17 20 13 16 19 110V 15 18 21 注:U1 和U3 为第一路,U2 和U3 为第二路,U3 为系统侧;在接线时必须注意同极性输入和电压等级;4. 数值的显示:指示灯的含义:LEDs U1:第一菜单显示——压差;第二菜单显示——频差;第三菜单显示——相位差;LEDs U2:第一菜单显示——压差;第二菜单显示——频差;第三菜单显示——相位差;LEDs U3:第一菜单显示——系统频率;LEDs tvc:第一菜单显示——电压检查功能的延时,以防止由于故障引起的无压使电压检查功能误动,所以,tvc 必须大于故障的切除时间;第二菜单显示——tcheck 在命令模式下允许合闸运行的检查时间;第三菜单显示——tpulse 在命令模式下合闸信号的长度;LEDtCB13:stage1 段的断路器的合闸时间(包括控制模块CM 的运行时间和断路器的运行时间),当显示“―――”表示由SGF 功能键控制同步检查功能和电压检查功能退出运行;LEDtCB23:stage2 段的断路器的合闸时间(包括控制模块CM 的运行时间和断路器的运行时间),当显示“―――”表示由SGF 功能键控制同步检查功能和电压检查功能退出运行;LEDUmax:有压判断门槛值,适用于同步检查和电压检查功能,也适用于开关的两端,此值必须大于LEDUmin;LEDUmin:有压判断门槛值,适用于电压检查功能,也适用于开关的两端,此值必须小于LEDUmax;运行数字的意义(leftmost red digit on the display)1——CB13 的合闸信号出口;2——CB23 的合闸信号出口;3——NC13 的stage1 合闸信号出口故障:tcheck 时间内合闸条件不满足发出故障信号NC13 在(只用于命令模式);4——NC23 的stage2 合闸信号出口故障:tcheck 时间内合闸条件不满足发出故障信号NC23 在(只用于命令模式);5——CSF13 的CS13 信号太长:在tpulse 时间内,合闸信号消失但CS13 信号还没消失时发出CSF13 故障信号(只用于命令模式);6——CSF23 的CS23 信号太长:在tpulse 时间内,合闸信号消失但CS23 信号还没消失时发出CSF23 故障信号(只用于命令模式);5. 在命令模式下的合闸条件:在tcheck 时间内(由CS13 或CS23 触发);同步条件满足(同步检查方式)或者电压条件满足(电压检查方式);CS13 或CS23 信号启动;没有外部闭锁信号BS13 或BS23;6. 在继续模式下的合闸条件:同步条件满足(同步检查方式)或者电压条件满足(电压检查方式)。
电站#1发电机组A级检修报告审定:编写:二。
一三年月日目录一、工程概述2(一)设备参数2(二)检修概况2二、简要文字总结2(一)施工组织及平安管理(修前准备及检修过程、设备定置管理情况说明)2(二)检修质量管理2(三)主要检修工程及缺陷处理2(四)设备的重大改良内容及效果3(五)遗留问题及整改措施3三、检修工程3(一)水轮机局部3(二)发电机局部4(三)调速器局部。
4(四)电气一次局部5(五)电气二次局部5四、检修工作评价6第一局部电气局部6一)、电气一次局部6二)、电气二次局部7第二局部机械局部11一)、水轮机局部11二)、发电机局部12五、检修材料费用表14六、附件14#1发电机组A级检修总结报告一、工程概述(一)设备参数水电站#1发电机制造厂,型式,冷却方式风冷。
容量,额定电压。
电站#1水轮机制造厂,型式,转数。
调速器:制造厂,型式。
油压装置:制造厂,型式。
(二)检修概况1、停用日数:方案:年月日到年月日,共计do实际:年月日到年月日,共计d。
2、人工:方案:人X天X小时工时。
实际:检修:人×天X小时工时。
民工:共个工厂家:人X天X小时+人X天X小时工时3、检修费用:方案费用万元。
实际发生万元。
其中人工费万元,消耗性材料费万元,备品备件0万元,工器具万元,试验费用万元。
二、简要文字总结(一)施工组织及平安管理(修前准备及检修过程、设备定置管理情况说明)本次机组A级检修所列工程参照检修导那么所规定的机组A级检修标准工程,结合电站设备实际运行情况制定。
本次检修分9个分部工程,30个单元工程,共计185项;开工前根据检修工程编制检修工序工艺卡,在开工前由电站对检修工序工艺卡进行审查,并对批准的检修工序工艺卡组织学习。
施工过程中按照方案工期进行控制,实行检修现场质量、平安分级负责,在施工过程中严格按照“个人无过失,班组无异常,电站无障碍”目标进行控制,检修工作中严格执行工作票、操作票制度和工序工艺卡,检修过程中未发生不平安事件。
电压互感器二次保险熔断故障分析摘要:某电厂汽机发电机在一次同期装置改造完成后,出现发电机无法正常并网的情况。
经过分析,确定故障为改造过程中,更换同步检查继电器时接线错误导致主变压器低压侧电压互感器二次保险熔断所造成。
本文就该故障过程进行描述及分析。
关键词:电压互感器二次保险熔断互感器是一次系统和二次系统间的联络元件。
电压互感器将交流高电压变成低电压,供保护、计量、仪表装置使用, 使二次设备与一次高压隔离。
电压互感器二次回路常见的故障包括因二次短路导致熔断器熔断、元件损坏等现象;因线芯松动、熔断器损坏造成的二次断线;由于电压互感器的安装不当等问题造成的二次回路多点接地等等。
电压互感器二次回路故障,可能使得其各保护装置采集的电压幅值发生变化,进而引起保护功能异常形成保护误动,影响机组和电网的安全性和稳定性。
1故障背景某电厂在一次机组检修期间,对汽机发电机的同期装置进行改造。
具体工作内容包括同期装置的更换升级、同步检查继电器的更换、同期屏柜内部接线更换等。
检修结束后,该机组在正常起机过程中,出现了无法并网的情况。
2故障现象在机组的起机过程中,汽轮机转速已达到3000r/min,运行人员发出合闸命令时,机组却无法同期并网。
查看机组的测控数据,发现主变低压侧线电压U ab、U bc降为0,U ca为10.74kV。
查看机组的同期装置,机端侧电压数值正常,系统侧电压为0。
3故障分析机组主变低压侧电压互感器的二次回路如图1所示,B相在保护盘柜处接地。
分别测量不同接点间的电压值,测得的数值如表1所示。
图1 主变低压侧电压互感器二次回路图表1 主变低压侧电压互感器二次回路各接点间的电压值单位:V由表1可得出,电压互感器二次回路中的B相存在断线的故障。
将B相的二次保险2RD取出,测量其保险丝电阻,电阻值为无穷大,因此确定为二次保险2RD熔断,导致二次回路B相断线,U ab、U bc无电压值。
机组主变低压侧电压互感器将一次侧10.5kV的交流电压变为二次侧100V的交流电压,二次电压经小母线送至机组测控装置,并取B、C相间电压送至机组同期装置,作为机组同期并网时的系统侧电压。
电磁型继电器的检验一、检验的分类、期限及注意事项1、检验的分类继电器检验分为以下三种类别:(1) 新安装验收检验;(2) 定期检验;(3) 补充检验。
新安装验收检验在继电器新安装时进行。
新安装验收检验时,要求对继电器进行全面检查试验,以保证继电器投入运行后的性能和质量满足要求。
定期检验是指继电器运行后定期进行的检验。
定期检验又分为定期全部检验、定期部分检验以及作用于断路器的整组跳合闸试验三种情况。
定期检验时,应根据不同情况按照现场检验规程的要求,分别进行项目和内容的检查试验。
补充检验主要是指由于装置改造、一次设备检修或更换、运行中发现异常现象情况以及在事故以后所进行的检验,检验项目主要根据实际情况考虑确定。
2、检验的期限为了保证继电保护装置的正确工作,继电器在现场运行后应定期进行检查试验。
根据部颁的规定,继电器及装置在新投入运行后的第一年内必须进行一次全部检验,以便对继电器作全面检查、评价。
第一次定期全部检验以后,要求下一次进行全部检验的时间间隔为3~5年,即检验周期时间。
确定检验周期的长短,主要应从现场运行条件及继电器制造质量等方面考虑。
继电器及装置有需要经常予以监督的缺陷与薄弱环节,或者运行环境差、运行经验不足,或者运行状态不稳定时,可适当缩短检验周期,而在制造质量好、运行情况好时,可考虑适当延长检验周期。
除按照检验周期的规定进行定期全部检验外,根据检验条例要求,每年还必须进行一次部分检验及每年不少于一次作用于断路器的跳合闸试验,重点考核整组动作性能是否正常。
3、检验的注意事项(1)试验用电源及仪器设备试验所采用的交流试验电源必须保证具有良好的波形,加入继电器的电压和电流的波形应为正弦波,不得有畸变现象;交流试验电源和相应的调整设备应有足够的容量,保证作大负载试验时电源波形不会畸变;还应注意在进行试验时应尽量取相同的电压作试验电源,调整电流时采用电阻器调节的方法;在对继电器进行整定试验时,所用仪表的精度应不低于0.5级。
2024年【电工(技师)】模拟考试题及答案1、【单选题】IOKV少油断路器安装地点的短路容量大于断路器额定断流容量的80%H⅛,应该执行下列哪一条()。
(八)A、动作3次而检修B、动作4次而检修C、动作5次而检修D、动作6次而检修2、【单选题】35KV电压互感器大修时耐压试验电压标准为。
(C)A、38B、50C、85D、953、【单选题】35KV隔离开关大修后,交流耐压试验电压标准为KV。
(D)A、24B、32C、55D、954、【单选题】6KV油浸式电压互感器大修后,交流耐压试验电压标准为()。
(B)A、22KVB、28KVC、38KCD、50KV5、【单选题】DH型两侧电源重合闸装置是把同步检查继电器DT-13串入重合闸的()。
(C)A、信号回路B、跳闸回路C、起动回路D、合闸回路6、【单选题】P1.C数据交换指令的助记符是。
(D)A、CMPB、BCDC、MOVD、XCH7、【单选题】SPWM就是产生一系列宽度正比于的等高不等宽的矩形脉冲序列。
(八)A、正弦波B、三角波C、锯齿波D、光波8、【单选题】一条跳转指令中若执行条件使用,则称为无条件跳转。
(C)A、SlOB、S20C、M8000D、M80139、【单选题】三相半波可控整流电路的移相范围是多少()。
(B)A、180°B、150°C、120°D、90°10、【单选题】三相变压器的联结组标号Dyll表示二次侧绕组的电压相量超前对应的一次侧绕组电压相量。
(B)A、60°B、30°C、330°D、HO o11、【单选题】下列不属于H1.与非门电路特点的是()。
(八)A、开关速度较低B、抗干扰能力较强C、输出幅度大D、带负载能力较强12、【单选题】下列不是同步电动机的起动方法。
(B)A、辅助电动机起动方法B、辅助电容起动方法C、调频起动法D、异步起动法13、【单选题】下列关于汽轮发电机的特点,错误的是()。
2023年安徽高压电工考试内部全考点题库含答案1、【单选题】一个()不能同时执行多张工作票。
( A )A、工作负责人B、工作班成员C、施工班组2、【单选题】以下过电压中()属于内部过电压。
( B )A、大气过电压B、操作过电压C、感应雷过电压3、【单选题】变压器内部主要绝缘材料有变压器油、()、电缆纸、皱纹纸等。
( C )A、套管B、冷却器C、绝缘纸板4、【单选题】变压器按用途一般分为电力变压器、特种变压器及()三种。
( B )A、电力断路器B、继电器C、电力仪表5、【单选题】电力系统中一般使用()进行无功补偿。
( B )A、磁力补偿起动器B、移相(并联)电容器C、脉冲电容器6、【单选题】电气安全管理人员应具备必要的()知识,并要根据实际情况制定安全措施,有计划地组织安全管理生产。
( A )A、电气安全B、组织管理C、电气基础7、【单选题】电气设备有三种工作状态,即运行、备用、()。
( C )A、冷备用B、热备用C、检修状态8、【单选题】电源是将其他能量转换为()的装置。
( B )A、电量B、电能C、电压9、【单选题】装设接地线必须(),而且接触必须良好。
( A )A、先接接地端,后接导体(设备)端,B、先接导体(设备)端,后接接地端,C、先测接地电阻,再接接地端10、【单选题】设备的断路器,隔离开关都在合闸位置,说明设备处在()状态。
( C )A、设备用B、检修C、运行11、【单选题】1度电可供“220V,40W”的灯泡正常发光的时间是()。
( C )A、20小时B、40小时C、25小时D、10小时12、【单选题】6KV油浸式电压互感器大修后,交流耐压试验电压标准为( )。
( B )A、22KVB、28KVC、38KCD、50KV13、【单选题】DH型两侧电源重合闸装置是把同步检查断电器DT-13串入重合闸的什么回路( )。
( A )A、起动回路B、信号回路C、跳闸回路D、合闸回路14、【单选题】DZ5系列自动空气开关不具有下列( )保护功能。
文章标题:深度探讨分立元件电磁型电流继电器检验操作一、引言在现代工业中,电磁型电流继电器作为一种重要的电气元件,被广泛应用于电力系统的过载和短路保护以及自动化控制领域。
在使用这种元件时,正确的检验操作显得尤为重要。
本文将深入探讨分立元件电磁型电流继电器检验操作,帮助读者更全面地理解和掌握相关知识。
二、分立元件电磁型电流继电器概述分立元件电磁型电流继电器是一种利用电磁力原理,通过电磁吸引铁芯的动作,来实现对电路进行保护和控制的电器。
它主要由电磁铁、触点组、磁性系统等组成,具有动作迅速、结构简单、可靠性高等特点。
在电力系统中,它承担着过载保护、短路保护、互感器电流过载保护等重要功能,因此对其检验操作显得尤为重要。
三、电磁型电流继电器检验操作的基本流程要对分立元件电磁型电流继电器进行检验,需要按照一定的流程和方法进行操作。
具体步骤如下:1. 开始检验前的准备工作在进行检验之前,首先需要做好检验设备的准备工作。
包括检验仪器的校准、检查电源和接线、确认被测继电器型号和参数等。
2. 静态特性检验通过对电磁型电流继电器的静态特性进行检验,可以了解其动作特性和静态特性是否符合设计要求。
包括吸合电流、释放电流、动作时间、释放时间等指标的检验。
3. 动作特性检验通过对电磁型电流继电器的动作特性进行检验,可以判定其在实际工作中的性能是否良好。
包括动作特性曲线的绘制和比较、动作电流的检验等。
4. 短路保护检验针对电磁型电流继电器在电力系统中的短路保护功能,需要进行相应的检验操作,以确保其在短路故障时能够可靠地动作并切断故障电流。
5. 过载保护检验对于其在电力系统中的过载保护功能,也需要进行相应的检验操作,以确认其对于过载电流的响应和保护能力是否符合要求。
四、个人观点和理解对于分立元件电磁型电流继电器的检验操作,我认为需要综合考虑其静态特性和动作特性,以及在实际电力系统中的应用要求。
只有综合考虑了这些方面,才能确保继电器在工作中能够可靠地发挥其保护和控制功能。
DT-1型同步检查继电器1 用途DT-1型同步检查继电器用于两端供电线路的自动重合闸线路中,以检查线路上电压的存在及线路上和变电站汇流排上电压向量间的相角差。
2 结构和工作原理DT-1型继电器为电磁式瞬时动作继电器,在磁系统两个极的每一个上面装有一个由两个绕组组成的线圈,一个线圈的一个绕组与另一个线圈的一个绕组串联,继电器的内部接线图如图1所示。
继电器反应加在端子②-④和⑧-⑥上的电压向量的几何差,借转动指针以改变弹簧的反作用力进行相角差的整定,刻度以度表示。
继电器有一副动断和一副动合触点。
继电器有A11K,A11H,A11P,A11Q四种结构,外形尺寸及安装开孔尺寸见附图。
3 技术数据图1 DT-1内部接线图(正视)继电器按照额定数据的规范列于表1中表1继电器的型号额定电压(V)引出端子的号码绕组160②-④DT-1/90绕组230⑧-⑥绕组160②-④DT-1/120绕组260⑧-⑥绕组1100②-④DT-1/130绕组230⑧-⑥绕组1100②-④DT-1/160绕组260⑧-⑥在额定电压下,当电压向量间的相角差在20°~40°范围内时继电器动作。
任一整定点上刻度准确度不大于±%。
在同一整定点上的动作值一致性不大于6%。
在额定电压下,继电器按照角度计算的返回系数不小于。
在额定电压下,继电器每个绕组所消耗的功率不大于3VA。
导电部分对于外壳的绝缘耐受2kV,50Hz交流电压历时1min试验。
在电压不大于220V,电流不大于2A,时间常数为5±的直流有感电路中,断开容量为50W,;在交流电路中触点的断开容量为250VA。
4 订货须知a.继电器型号、名称及安装方式;b.订货数量、交货地址。
以下内容来自网络:同期继电器工作原理如下:同期继电器的铁心上嵌有两个匝数相等,方向相反的线圈,线圈电源分别接系统侧PT(电压互感器)和待并侧PT(发电机PT)当两侧PT二次相位角相差<15-20度时两个线圈磁力相等就相互抵消,故铁心释放常闭辅助触点闭和,接通同期回路.反之相位角相差大于20度以上时总有一个线圈磁力过大,铁心吸合常闭辅助触点断开,闭锁(即断开)同期回路。
DT-1型同步检查继电器
1 用途
DT-1型同步检查继电器用于两端供电线路的自
动重合闸线路中,以检查线路上电压的存在及线路上
和变电站汇流排上电压向量间的相角差。
2 结构和工作原理
DT-1型继电器为电磁式瞬时动作继电器,在磁系
统两个极的每一个上面装有一个由两个绕组组成的
线圈,一个线圈的一个绕组与另一个线圈的一个绕组
串联,继电器的内部接线图如图1所示。
继电器反应加在端子②-④和⑧-⑥上的电压向
量的几何差,借转动指针以改变弹簧的反作用力进行
相角差的整定,刻度以度表示。
继电器有一副动断和一副动合触点。
继电器有A11K,A11H,A11P,A11Q四种结构,外
形尺寸及安装开孔尺寸见附图。
3 技术数据图 1 DT-1内部接线图(正视)
继电器按照额定数据的规范列于表1中
继电器的型号额定电压(V) 引出端子的号码
DT-1/90 绕组1 60 ②-④绕组2 30 ⑧-⑥
DT-1/120 绕组1 60 ②-④绕组2 60 ⑧-⑥
DT-1/130 绕组1 100 ②-④绕组2 30 ⑧-⑥
DT-1/160 绕组1 100 ②-④绕组2 60 ⑧-⑥
DT-1/200 绕组1 100 ②-④绕组2 100 ⑧-⑥
在额定电压下,当电压向量间的相角差在20°~40°范围内时继电器动作。
任一整定点上刻度准确度不大于±%。
在同一整定点上的动作值一致性不大于6%。
在额定电压下,继电器按照角度计算的返回系数不小于。
在额定电压下,继电器每个绕组所消耗的功率不大于3VA。
导电部分对于外壳的绝缘耐受2kV,50Hz交流电压历时1min试验。
在电压不大于220V,电流不大于2A,时间常数为5±的直流有感电路中,断开容量为50W,;在交流电路中触点的断开容量为250VA。
4 订货须知
a.继电器型号、名称及安装方式;
b.订货数量、交货地址。
以下内容来自网络:
同期继电器工作原理如下:同期继电器的铁心上嵌有两个匝数相等,方向相反的线圈,线圈电源分别接系统侧PT(电压互感器)和待并侧PT(发电机PT)当两侧PT二次相位角相差<15-20度时两个线圈磁力相等就相互抵消,故铁心释放常闭辅助触点闭和,接通同期回路.反之相位角相差大于20度以上时总有一个线圈磁力过大,铁心吸合常闭辅助触点断开,闭锁(即断开)同期回路。