数控机床维修大赛的考试试题
- 格式:doc
- 大小:824.50 KB
- 文档页数:13
数控维修试题一、选择题(共20题,每题2分,共40分)1.数控加工中,下列哪种传动方式是指工件按一定的轨迹进行连续运动而相应地对刀具进行补偿运动?A. 螺旋传动B. 直线传动C. 圆弧传动D. 曲线传动2.数控机床的坐标系一般采取的是哪种坐标系?A. 极坐标系B. 直角坐标系C. 柱坐标系D. 球坐标系3.下列哪种装置是数控机床上刀具补偿功能必不可少的?A. 按键开关B. 数字显示器C. 加工程序D. 工件夹持装置4.以下不是数控机床控制系统的组成部分的是?A. 数控装置B. 伺服装置C. 驱动装置D. 切削装置5.数控机床的控制精度一般高于普通机床,其精度主要受以下哪个因素影响?A. 机床主要部件B. 切削刀具C. 加工工件D. 电脑配置6.下列哪种因素不属于数控机床的技术经济指标?A. 加工精度B. 加工效率C. 加工质量D. 加工成本7.数控机床在使用过程中应进行定期的维修保养,以下哪项不属于维修保养的内容?A. 清洁润滑B. 故障排除C. 机床校核D. 零件更换8.数控机床的快速定位速度较工进速度大,其目的主要是为了:A. 提高生产效率B. 增加机床寿命C. 节约能源D. 提高加工精度9.下面哪种机床适合加工各种平面、曲面以及螺纹?A. 钻床B. 铣床C. 车床D. 刨床10.数控加工中,机床的加工轨迹由以下两种方式确定。
A. 机床差动坐标方式和直接坐标方式B. 机床绝对坐标方式和相对坐标方式C. 机床高速坐标方式和低速坐标方式D. 机床前进方式和后退方式二、判断题(共10题,每题2分,共20分)1. 数控机床的运动控制系统是由硬件部分和软件部分构成的。
正确/错误2. 数控机床的控制系统一般包括指令系统、插补系统和执行系统。
正确/错误3. 数控机床的指令系统用于对工件进行加工轨迹的描述和刀具的选择。
正确/错误4. 数控机床控制系统的主轴转速是由数控装置通过伺服系统和传动系统来实现的。
正确/错误5. 数控机床刀具补偿的目的是为了改善工件的加工质量。
数控机床维修大赛试题(doc 14页)数控机床维修大赛考试试题(总时间:360分钟)注意事项:1、考生在考试过程中应该遵守相关的规章制度和安全守则,如有违反,则按照相关规定在考试的总成绩中扣除相应分值2、在裁判员确定机械、电气安全完成后方可进行精度检测和机械加工项,否则视为非法操作,裁判员有权取消其考试资格。
3、考生必须认真填写各答题卡,考试完成后上交。
4、考生在排除故障的过程中,如因为考生的原因造成机床出现新的故障,酌情扣分。
但如果在考试的时间内将故障排除,不予扣分。
5、考生在参数设置环节,如修改了评分范围以外的参数,如果修改后的参数对机床运行无影响,则不予扣分,如果影响到机床正常运行,则酌情扣分,如果改善了机床的运行状态,则酌情加分。
6、所有考试成绩必须以6小时( 360分钟) 内工作完成内容进行计算。
7、由于装配、参数设置、精度检测等原因造成机床定位精度超差,根据超差数据在总成绩中扣除相应分值。
(超差小于0.01mm扣3分,0.01~0.02mm扣5分;超过0.02mm扣8分)。
8、在机床进给轴装配及调试过程中,没达到规定时间和没完成技术要求内容时裁判不发给选手溜板箱和轴承座定位销,达到规定时间没完成技术要求内容而要求发放定位销者,除扣除相应小分外,还需再在总成绩中扣除5分。
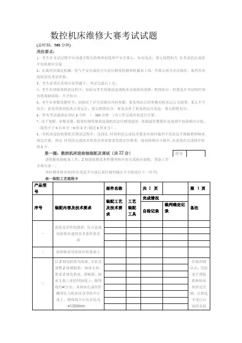
第一题:数控机床进给轴装配及调试(共22分)请根据现场配备工具、Z轴部装图及本阶段考核内容完成相应装配、准备工作并填写表一。
本阶段考核内容(所有项选手完成后需经裁判确认可方能进行下一环节)表一装配工艺流程卡得分九机床精度检测与补偿十装入机床主轴卡盘裁判签字:Z轴装配示意图第二题:数控机床电气连接(共7分)请考生结合数控机床电气原理图,将机床接线端子排XT1,XT2尚未连接的电缆按照要求连接完毕,连接时端子排从右端第一条电缆开始编号为XT1-1,XT2-1依次填写表二,如果因为端子排或其他原因造成电缆与端子不对应,需在备注中说明。
数控机床维修试题库及答案1.数控机床:即NC机床,是装备有数控系统,采用数控技术控制的机床。
2.数控系统:采用数控技术实现数字控制的一整套装置和设备。
3.数控技术:用数字化的信号对机床运动及其加工过程进行自动控制的一种方法。
4.数控机床的优点有哪些?答案:⑴能完成很多普通机床难以加工,或者根本不能加工的复杂型面零件的加工;⑵采用数控机床,可以提高零件的加工精度,稳定产品的质量;⑶可以提高生产效率;⑷具有柔性,只需更换程序,就可以适应不同品种及尺寸规格的零件的加工;⑸大大减轻了工人的劳动强度。
5.我国数控系统开发研制经历了哪三个阶段?答案:我国在数控机床的主要装置系统的开发研制上,经过1981~1985年的技术引进、1986~1990年的消化吸收、1991~1996年开发自主版权的数控系统三个阶段。
6.我国已建立起的具有自主版权的两个数控平台:以PC机为基础的总线式、模块化、开放型单处理器平台和多处理器平台。
7.我国开发出的四个具有自主版权的基本系统:中华I型、航天I型、蓝天I型、华中I型。
(广东数控系统、南京数控系统、航天数控系统、华中数控系统)8.1952年,Parsons公司与美国麻省理工学院(MIT )伺服机构研究所合作,研制出世界上第一台数控机床三坐标立式数控铣床,标志着数控技术的诞生。
9.数控系统外部电缆的连接中一项十分重要的内容是接地线,其连接方式为辐射式。
画出示意图。
10.我国供电制式是交流380V,三相;220V,单相,频率为50Hz。
11.数控机床安装、调试过程有那些工作内容?答案:机床的初就位和组装、数控系统的连接和调整、通电试车、机床精度和功能的调试、机床试运行。
12.数控机床安装调试时进行参数设定的目的是什么?答案:设定系统参数,包括设定PC (PLC)参数的目的,是当数控装置与机床连接时,能使机床具有最佳的工作性能。
13.机床通电操作的两种方式是什么?在通电试车时为以防万一,应做好什么的准备?答案:机床通电操作可以是一次同时接通个部分电源全面供电,或各个部分分别供电,然后再作总供电试验。
一、填空:(每题1分,共计20分)1.数控系统中以基本控制单元(CPU)、(存储器等)为核心,由决定位置的机构(伺服机构)、人机对话装置(按钮)、(键盘)、(显示装置)等、可编程控制器(PLC)以及(动力控制装置)等构成。
此外,还有电源系统为其提供动力。
2.电源系统分为(交流电源)和(直流电源)。
3. 伺服模块由机械系统(工作台)、(滚珠丝杠)等、驱动用的电机(直流电机),(交流电机)和检测器(回转角检测器)等构成4.开环伺服系统。
是没有(反馈环节)的控制系统。
以(步进电机)为驱动元件的伺服系统是最典型的开环控制系统。
5.闭环伺服系统。
具有(反馈环节)的伺服系统。
该系统以工作台的(直线运动位移量)作为反馈环节的反馈量,系统要求的进给伺服系统的速度反馈信号来自伺服电机的(内装编码器)信号,而位置反馈信号则来自分离型位置检测装置的信号。
闭环系统位置测量元件常采用(直线光栅尺)。
二、填空:(每题2分,共计20分)1.安全联轴器的作用是在进给过程中当进给力过大或滑板移动过载时,终止运动的传递。
(√)2 数控系统的连接是针对数控装置和伺服系统而进行的。
(√)3.刀库是进给系统的主要部件,其容量、布局以及具体结构对数控机床的设计有很大的影响。
(×)4.数控接口是数控系统与数控机床连接的重要渠道。
(√)5.数控系统的核心是主轴驱动装置。
(×)6、步进电动机的最大缺点在于其容易失步。
(√)7、机床回参考点后出现的超程报警是硬件超程。
(×)8、步进电动机采用开环控制精度高。
(×)9、采用增量式检测元件的机床不用回参考点。
(×)10、主轴电动机采用交流变频器控制交流变频电动机时,可在一定范围内实现主轴的有极变速。
(×)三、说出以下参数的含义(每题4分,共计20分)8130 :设定数控系统的总轴数0000#2 :INI 输入单位0:MM输入1:INCH输入1006#3 :DIAx X轴上以直径方式、半径方式给定进给量。
数控维修试题及答案# 数控维修试题及答案## 一、选择题1. 数控机床中,用于确定刀具相对于工件位置的装置是: - A. 伺服电机- B. 编码器- C. 光栅尺- D. 伺服阀答案:C2. 以下哪项不是数控机床的维护保养内容?- A. 清洁机床- B. 检查润滑油- C. 更换刀具- D. 检查电气线路答案:C3. 数控系统故障诊断中,以下哪个方法不常用?- A. 观察法- B. 替换法- C. 敲击法- D. 测量法答案:C## 二、判断题1. 数控机床的精度完全取决于数控系统的精度。
(错误)2. 数控机床的伺服系统不需要定期维护。
(错误)3. 数控机床的电气柜应保持干燥,避免潮湿。
(正确)## 三、简答题1. 简述数控机床日常维护的基本步骤。
答案:数控机床的日常维护主要包括以下几个步骤:- 清洁机床表面和导轨,确保无灰尘和碎屑。
- 检查并补充润滑油,确保机床各部件润滑良好。
- 检查电气线路和接插件,确保连接稳定无松动。
- 检查冷却系统,确保冷却液充足且循环正常。
- 定期校准机床,保证加工精度。
2. 数控机床出现加工尺寸不稳定时,可能的原因有哪些?答案:数控机床加工尺寸不稳定可能由以下原因造成:- 机床导轨磨损或不平行。
- 刀具磨损或安装不稳定。
- 伺服电机或驱动器故障。
- 机床刚性不足,导致加工过程中变形。
- 工件夹紧不稳定或夹具磨损。
## 四、案例分析题某数控机床在加工过程中出现Z轴移动异常,操作者检查后发现Z轴驱动器指示灯闪烁,但未发现明显机械故障。
请分析可能的原因,并给出相应的解决方案。
答案:可能的原因及解决方案如下:- 原因一:Z轴驱动器内部电路故障。
解决方案:检查驱动器电路板,必要时更换驱动器。
- 原因二:Z轴电机编码器故障。
解决方案:检查编码器连接和信号,如有问题需更换编码器。
- 原因三:Z轴丝杠或导轨存在问题。
解决方案:检查丝杠和导轨的磨损情况,必要时进行维修或更换。
- 原因四:数控系统参数设置不当。
第六届全国数控技能大赛数控机床装调维修 广东选拔赛理论考核试题 注 意 事 项 1.考试时间:120分钟。
2.请首先按要求在试卷的标封处填写您的姓名.准考证号和所在单位的名称。
3.请仔细阅读各种题目的回答要求,在规定的位置填写您的答案。
4.不要在试卷上乱写乱画,不要在标封区填写无关的内容。
一.选择题 (第1~40题。
请选择一个正确答案,将相应字母填入答题卡。
每题0.5分, 共80分。
) 1、强化职业责任是( )职业道德规范的具体要求。
A. 团结协作 B. 诚实守信 C. 勤劳节俭 D. 爱岗敬业 2、下面关于以德治国与依法治国的关系的说法中正确是( ) A. 依法治国比以德治国更为重要 B. 以德治国比依法治国更为重要 C. 德治是目的,法治是手段 D. 以德治国与依法治国是相辅相成,相互促进 3、以下关于诚实守信的认识和判断中,正确的选项是( )A. 诚实守信与经济发展相矛盾考 生 答 题 不 准超过此 线B. 诚实守信是市场经济应有的法则C. 是否诚实守信要视具体对象而定D. 诚实守信应以追求利益最大化为准则 4、关于道德与法律,正确的说法是( )。
A. 在法律健全完善的社会,不需要道德 B. 由于道德不具备法律那样的强制性,所以道德的社会功用不如法律 C. 在人类历史上,道德与法律同时产生 D. 在一定条件下,道德与法律能够相互 5、职业道德建设的核心是( )。
A. 服务群众 B. 爱岗敬业 C. 办事公道 D. 奉献社会 6、齿轮传动的总等效惯量随传动级数( ) A.增加而减少 B.增加而增加 C.减少而减少 D.变化而不变 7、主轴箱中( )与传动轴之间,可以装有滚动轴承,也可以装有铜套,用以减少零件损失。
A. 离合器 B. 空套齿轮 C. 固定齿轮 D. 滑移齿轮 8、如果高速钢标准直齿三面刃铣刀改磨成交错齿三面刃铣刀,将会减少铣削时的( )。
A. 铣削宽度 B. 铣削速度 C. 铣削力 D. 铣削时间 9、工作台导轨间的间隙,在调整时,一般以不大于( )mm 为宜。
全国数控大赛理论试题全国数控大赛理论试题得分评分人一、单项选择题(请将正确答案的字母代号填在括号中,每题1分,共30分,多选、错选不得分。
)1. 根据图1的主、俯视图,正确的左视图是(C )。
图略:(2.碳素硬质合金与金属陶瓷在成分上的主要差别在于( B )元素的含量。
A. CB. WCC. CoD. TiC3.属于(A )。
A. 基孔制过盈配合B. 基孔制间隙配合C. 基孔制过渡配合D. 基轴制过盈配合4.数控系统中PLC控制程序实现机床的(B )。
A. 位置控制B. 各执行机构的逻辑顺序控制C. 插补控制D. 各进给轴轨迹和速度控制5.数控机床的位置精度主要指标有( A )。
A. 定位精度和重复定位精度B. 分辨率和脉冲当量C. 主轴回转精度D. 几何精度6.如图2为一阶梯轴简图,图上部的轴向尺寸Z1、Z2、Z3、Z4、Z5、Z6为设计尺寸。
编程原点为左端面与中心线的交点,编程时须按图下部的工序尺寸Z1’、Z2’、Z3’、Z4’、Z5’、Z6’编程。
那么工序尺寸Z3’及其公差应该为(A )A. Z3’=142 mmB. Z3’=142 mmC. Z3’=142 mmD. Z3’=142 mm7.在机械加工过程中,对零件进行热处理是保证其机械性能的重要环节,根据图3所示钢的热处理工艺曲线判断,下列叙述正确的是( D )。
A. ①回火、②退火、③淬火、④正火B. ①淬火、②正火、③回火、④退火C. ①正火、②退火、③回火、④淬火D. ①退火、②正火、③淬火、④回火8.刀具磨纯标准通常都按( C )的磨损值来制订。
A. 月牙洼深度B. 前刀面C. 后刀面D. 刀尖9.通常,切削温度随着切削速度的提高而增高。
当切削速度增高到一定程度后,切削温度将随着切削速度的进一步升高而( B )。
A. 开始降低B. 继续增高C. 保持恒定不变D. 开始降低, 然后趋于平缓10.为确保和测量车刀几何角度,需要假想三个辅助平面,即(C )作为基准。
数控大赛理论试题及答案一、选择题(每题2分,共20分)1. 数控机床的英文缩写是()。
A. NCB. CNCC. PLCD. PC答案:B2. 在数控编程中,G代码用于()。
A. 控制机床运动B. 指定材料类型C. 设定刀具参数D. 调整主轴速度答案:A3. 下列哪项不是数控机床的组成部分?()。
A. 控制系统B. 伺服系统C. 操作面板D. 手工工具答案:D4. 数控机床的精度通常由()决定。
A. 机床结构B. 伺服电机C. 测量仪器D. 所有上述因素答案:D5. 数控机床的伺服系统主要作用是()。
A. 提供动力B. 控制机床运动C. 监测机床状态D. 润滑机床部件答案:B6. 在数控编程中,M代码通常用于()。
A. 控制机床运动B. 机床的辅助功能C. 设定刀具参数D. 调整主轴速度答案:B7. 数控机床的刀库主要用于()。
A. 存储刀具B. 驱动刀具旋转C. 测量刀具长度D. 控制刀具更换答案:A8. 下列哪项不是数控编程的基本原则?()。
A. 程序的顺序性B. 程序的一致性C. 程序的完整性D. 程序的简洁性答案:B9. 数控机床的润滑系统的主要作用是()。
A. 减少机床部件的磨损B. 提高机床转速C. 清洗机床D. 冷却机床答案:A10. 在数控机床中,主轴定向停止功能通常用于()。
A. 换刀B. 加工中心的自动换刀C. 测量工件D. 机床的维护答案:B二、判断题(每题1分,共10分)1. 数控机床的编程语言是统一的,所有数控机床都使用相同的编程语言。
()答案:错误2. 数控机床在加工过程中,刀具的进给速度是恒定不变的。
()答案:错误3. 数控机床的伺服系统能够精确控制机床各轴的移动。
()答案:正确4. 数控机床的控制系统是机床的大脑,负责接收和处理程序指令。
()答案:正确5. 数控机床的冷却系统主要用于冷却刀具,以提高加工效率。
()答案:错误6. 数控机床的自动换刀装置(ATC)可以提高生产效率和加工精度。
数控机床维修大赛考试试题(总时刻:360分钟)关注要点:1、考生在考试过程中应该遵守相关的规章制度和平安守那么,如有违反,那么按照相关在考试的总成绩中扣除相应分值2、在裁判员确定机械、电气平安完成前方可进行精度检测和机械加工项,否那么视为非法操作,裁判员有权取消其考试资格。
3、考生必须认真填写各答题卡,考试完成后上交。
4、考生在排除故障的过程中,如因为考生的缘故造成机床出现新的故障,酌情扣分。
但要是在考试的时刻内将故障排除,不予扣分。
5、考生在参数设置环节,如修改了评分范围以外的参数,要是修改后的参数对机床运行无碍事,那么不予扣分,要是碍事到机床正常运行,那么酌情扣分,要是改善了机床的运行状态,那么酌情加分。
6、所有考试成绩必须以6小时( 360分钟)内工作完成内容进行计算。
7、由于装配、参数设置、精度检测等缘故造成机床定位精度超差,依据超差数据在总成绩中扣除相应分值。
〔超差小于m扣3分~m扣5分;超过m扣8分〕。
8、在机床进给轴装配及调试过程中,没到达时刻和没完成技术要求内容时裁判不发给选手溜板箱和轴承座定位销,到达时刻没完成技术要求内容而要求发放定位销者,除扣除相应小格外,还需再在总成绩中扣除5分。
请依据现场配备工具、Z轴部装图及本时期考核内容完成相应装配、预备工作并填写表一。
本时期考核内容(所有项选手完成后需经裁判确认可方能进行下一环节)表一装配工艺流程卡裁判签字:Z 轴装配示意图第二题:数控机床电气连接〔共7分〕请考生结合数控机床电气原理图,将机床接线端子排XT1,XT2尚未连接的电缆按照要求连接完毕,连接时端子排从右端第一条电缆开始编号为XT1-1,XT2-1依次填写表二,要是因为端子排或其他缘故造成电缆与端子不对应,需在备注中讲明。
全部连接正确得7分,连接错误1条扣1分,扣完为止。
要是出现连接不牢靠,连接过于凌乱酌情扣分。
表二:电气连接记录表第三题:数控机床参数设置、调试、故障维修〔共43分〕 1、上电前的检查,此检查在系统上电运行之前必须进行,经裁判查无误前方能够通电运行。
数控技能大赛测试题(一)一、判断题1.外螺纹的规定画法是:大径用细实线表示,小径用粗实线表示,终止线用虚线表示。
(X)2.材料的屈服点越低,则允许的工作应力越高。
( X )3.绞孔是用绞刀从工件孔壁上切削较小的余量,以提高加工的尺寸精度和减小表面粗糙度的方法。
( √ )4.实际的切削速度为编程的F设定的值乘以主轴转速倍率。
( X )5.在同一次安装中进行多工序加工,应先完成对工件刚性破坏较大的工序。
( X )6.铣床上使用的平口钳、回转工作台属于通用夹具。
( √ )7.数控车床的刀具大多数采用焊接式刀片。
( X )8.硬质合金刀片可以用机械夹紧,也可以用钎焊方式固定在刀具的切削部位上。
( √ )9.车削多头螺纹或大螺距螺纹时,必须考虑螺纹升角对车刀工作角度的影响。
( √ )10.如果实际刀具与编程刀具长度不符时,可用长度补偿来进行修正,不必改变所编程序。
( √ )11.精加工时,使用切削液的目的是为了降低切削温度,起冷却作用。
( X )12.准备功能G40、G41、G42都是模态指令。
( √ )13.数控机床中MDI是机床诊断智能化的英文缩写。
( X )14.参考点是机床上的一个固定点,与加工程序无关。
( √ )15.数控零件程序文件名一般是由字母“0”开头,后面跟四个数字组成。
( √ )16.数控系统操作面板上的复位键的功能是解除报警和数控系统的复位。
( √ )17.返回机床参考点操作时与机床运动部件所处的位置无关。
( X )18.乳化液主要用来减少切削过程中的摩檫和降低切削温度. (X )19.刀补程序段内必须有G00与G01功能才能有效. ( √ )20.在CRT/MDI面板的功能中,用于程序编制的是POS键. ( X )21.建立工件坐标系,关键在于选择选择机床的坐标系原点。
( X )22.有些数控机床配置比较抵挡,为了防止失步,应将G00改成G01 。
( √ )23.工具钢按用途可分为碳素工具钢、合金工具钢和高速工具钢。
山东省数控机床维修调试考试试题一、单项选择题(共25题,每题2分,每题的备选项中,只有 1 个事最符合题意)1、三相异步电动机的常见故障有:电动机过热、电动机振动和__。
A.将三角形连接误接为星形连接B.笼条断裂C.绕组头尾接反D.电动机起动后转速低或转矩小2、当电源电压波动时,心柱2中的—变化幅度很小,故二次线圈W2的端电压u2变化很小,起到稳定作用。
A.磁动势B.磁阻C.磁通D.磁场3、数控机床的定位精度检验包括__。
A.回转运动的定位精度和重复分度精度B.各直线运动坐标轴机械原点的复归精度C.回转轴原点的复归精度D.以上都是4、电阻R1, R2, R3串联后接在电源上,若电阻上的电压关系是U1>U3>U2, 则三个电阻值之间的关系是__。
A.RKR2<R3B.R1>R3>R2C.R1<R3<R2D. R1>R2>R35、企业生产经营活动中,促进员工之间平等、互相尊重的措施是__。
A.互利互惠,平均分配B.加强交流,平等对话C.只要合作,不要竞争D.人心叵测,谨慎行事6、三相变压器的连接组别可以说明__。
A.原边线电压与副边线电压的相位关系B.原边线电压与副边线电压的倍数关系C.原边相电压与副边相电压的倍数关系D.原边线电流与副边线电流的倍数关系7、SP100-C3型高频设备半高压接通后阳极有电流。
产生此故障的原因有_。
A.阳极槽路电容器B.栅极电路上旁路电容器C.栅极回馈线圈到栅极这一段有断路的地方D.以上都是8、在共发射极放大电路中,静态工作点一般设置在__。
A.直流负载线的上方B.直流负载线的中点上C.交流负载线的下方D.交流负载线的中点上9、启动电容器CS上所充的电加到由炉子L和补偿电容C组成的并联谐振电路两端,产生__电压和电流。
A.正弦振荡B.中频振荡C.衰减振荡D.振荡10、电气图包括:电路图、功能表图和__等。
A.系统图和框图B.部件图C.元件图D.装配图11、在MCB1420万能磨床的晶闸管直流调速系统中,该系统的工件电动机功率为__。
数控大赛试题及答案一、单选题(每题2分,共10题)1. 数控机床的数控系统通常采用哪种计算机语言编程?A. 汇编语言B. 高级语言C. 机器语言D. 汇编语言和高级语言答案:B2. 数控机床的伺服系统主要作用是什么?A. 控制机床的启动和停止B. 控制机床的加工精度C. 控制机床的冷却系统D. 控制机床的润滑系统答案:B3. 在数控加工中,G代码用于表示什么?A. 刀具类型B. 机床坐标系C. 程序段D. 速度和进给率答案:C4. 下列哪项不是数控机床的组成部分?A. 控制系统B. 伺服系统C. 液压系统D. 刀具库答案:C5. 数控加工中,刀具半径补偿的作用是什么?A. 增加刀具寿命B. 减少加工误差C. 提高加工速度D. 降低机床噪音答案:B6. 以下哪个不是数控机床的编程方法?A. 手工编程B. 自动编程C. 机器编程D. 语音编程答案:D7. 数控机床的刀具更换通常由哪个系统完成?A. 控制系统B. 伺服系统C. 刀具库D. 液压系统答案:C8. 在数控加工中,刀具路径是如何确定的?A. 由操作者手动设定B. 由数控系统自动生成C. 由机床制造商预设D. 由刀具供应商提供答案:B9. 数控机床的精度通常由什么决定?A. 机床的尺寸B. 机床的重量C. 机床的刚性D. 机床的材质答案:C10. 数控机床的维护保养通常包括哪些内容?A. 清洁机床表面B. 更换磨损的刀具C. 检查润滑系统D. 所有以上选项答案:D二、多选题(每题3分,共5题)1. 数控机床的常见故障类型包括哪些?A. 电气故障B. 机械故障C. 程序错误D. 操作失误答案:A、B、C2. 数控机床的维护保养措施包括哪些?A. 定期检查B. 定期清洁C. 定期润滑D. 定期更换磨损部件答案:A、B、C、D3. 数控机床的精度调整通常包括哪些步骤?A. 检查机床的水平B. 调整刀具的安装位置C. 校准伺服系统D. 调整机床的刚性答案:A、B、C4. 数控加工中,刀具选择需要考虑的因素有哪些?A. 材料硬度B. 加工精度要求C. 加工速度D. 刀具成本答案:A、B、C、D5. 数控机床的编程语言通常包括哪些功能?A. 直线插补B. 圆弧插补C. 刀具半径补偿D. 速度和进给率控制答案:A、B、C、D三、判断题(每题1分,共5题)1. 数控机床的伺服系统是用于控制机床的启动和停止的。
A •运算速度快B•运算精度高全国职工职业技能大赛数控机床装调维修工理论复习题A注意事项考试时间:120分钟。
2、请首先按要求在试卷的标封处填写您的.号和所在单位的名称。
请仔细阅读各种题目的回答要求,在规定的位置填写您的答案。
不要在试卷上乱写乱画,不要在标封区填写无关的容。
—、选择题(第1-40题。
请选择一个正确答案,将相应字母填入答题卡。
每题1分,共80分。
)丄、“顾客满意”的含义是()A.顾客对其要求已被满足程度的感受B・没有顾客投诉C.没有顾客抱怨D・产品完全合格2、数控系统有开环控制、半闭环控制、全闭环控制,下面说法错误的是(A.半闭环控制只检测电机的位置.而不检测工作台的实际位置B •开环控制没有检测回路C・开环、半闭环、全闭环控制都有检测回路D•全闭环控制的机床工作台上有光栅尺,可直接检测位移信号3.数控机床系统部采用二进制的主要原因是(C・电子元件的特征D・算法简单4.下列图形中的尺寸,标注全部正确的是(当同步电动机产生''失步"现象时, A.V 型带 B •平带 C ・同步带 C •调整负载 A ・增大励磁电流 应( B •国际上有统一的标准・所有系统的编程指令都必须符合统一标准9.数控机床编程指令与数控机床配置和系统配置有关,其编程指令(D ・数控机床不能完全替代普通机床在加工中的优势 C •普通机床主要是机械传动D ・数控机床有四个轴,系统只能控制三个轴运动B ・数控机床有四个轴,其中任意三个可以实现三联动 A ・数控机床有四个轴,只有三个可以运动D ・圆帀 D ・尽快切断电源 B ・减小励磁电流 )以免电枢绕组因电流过大而10s 用户宏程序分为用户宏程序功能A 和用户宏程序Bo 用户宏程序A 是大D ・同一数控系统的编程指令都一样,与机床生产厂家无关提供的说明书为准C ・不同的数控机床配置不同的数控系统编程指令都有差别,必须以厂家A •完全不一样 B ・数控机床使用滚珠丝杠螺母副传动 A ・数控机床主轴可以实现无级变速,普通机床主轴不能实现变速 数控机床与普通机床描述不准确的说法是(8. C ・数控系统可控制四个轴运动,其中三个可实现三联动 数控机床可实现四轴三联动,其中四轴三联动是指(7.6. 带传动中,()传动可获得较好的传动比。
数控机床维修大赛考试试题
注意事项:
1、考生在考试过程中应该遵守相关的规章制度和安全守则,如有违反,则按照相关规定在考试的总成绩中扣除相应分值
2、在裁判员确定机械、电气安全完成后方可进行精度检测和机械加工项,否则视为非法操作,裁判员有权取消其考试资格。
3、考生必须认真填写各答题卡,考试完成后上交。
4、考生在排除故障的过程中,如因为考生的原因造成机床出现新的故障,酌情扣分。
但如果在考试的时间内将故障排除,不予扣分。
5、考生在参数设置环节,如修改了评分范围以外的参数,如果修改后的参数对机床运行无影响,则不予扣分,如果影响到机床正常运行,则酌情扣分,如果改善了机床的运行状态,则酌情加分。
6、所有考试成绩必须以6小时 ( 360分钟 ) 内工作完成内容进行计算。
7、由于装配、参数设置、精度检测等原因造成机床定位精度超差,根据超差数据在总成绩中扣除相应分值。
(超差小于0.01mm 扣3分,0.01~0.02mm 扣5分;超过0.02mm 扣8分)。
8、在机床进给轴装配及调试过程中,没达到规定时间和没完成技术要求内容时裁判不发给选手溜板箱和轴承座定位销,达到规定时间没完成技术要求内容而要求发放定位销者,除扣除相应小分外,还需再在总成绩中扣除5分。
第一题:数控机床进给轴装配及调试(共22分)
请根据现场配备工具、Z 轴部装图及本阶段考核内容完成相应装配、准备工作并填写表一。
本阶段考核内容(所有项选手完成后需经裁判确认可方能进行下一环节)
表一
装配工艺流程卡
裁判签字:Z轴装配示意图
第二题:数控机床电气连接(共7分)
按照要求连接完毕,连接时端子排从右端第一条电缆开始编号为XT1-1,XT2-1依
次填写表二,如果因为端子排或其他原因造成电缆与端子不对应,需在备注中说明。
全部连接正确得7分,
连接错误1条扣1分,扣完为止。
如果出现连接不牢靠,连接过于凌乱酌情扣分。
表二:电气连接记录表
第三题:数控机床参数设置、调试、故障维修(共43分)
1、上电前的检查,此检查在系统上电运行之前必须进行,经裁判查无误后方可以通电运行。
(5分)
裁判没有签字确认前擅自通电者扣5分 裁判确认:
2、请考生根据提供的机床相关技术指标及技术要求设置相关的参数
机床技术指标及要求:
3、数控系统、变频器、伺服参数的调整与修改。
(共13分)
1)根据系统的连接手册、变频器说明书和伺服说明书以及技术指标进行参数设置,置参数时详细填写表六,以备裁判对照考生填写的答题表进行分数的给定。
所有参数的总分为13分,全部设置正确得13分,设置错误或漏设1个扣1分,扣完13分为止,参数设置应能符合技术要求及保证机床正常运行。
表六:参数调整表
变频器参数调整表:
伺服驱动参数调整表:
表七
5、机床功能检查及调试(共20分)
考生可以根据所列选项进行试车,保证机床各项功能的正确性,各动作能够正常实现。
如在调试过程中出现故障,考生应进行排除并做详细记录填入故障排除记录栏,经裁判签字确认以后方可进行下一步。
表八:上电过程记录表
裁判签字:
1)手动方式下功能检查。
检测如下功能时首先将机床的工作状态切换到手动方式下,按照表逐项进行检查,如果有问题请进行调试和维修并记录在故障排除记录栏
2)MDI或自动方式
表十MDI或自动方式功能检查记录表
第四题:位置精度的检测与补偿(共16分)
1、根据位置精度测量作业指导书,对机床的Z 轴进行步距规测试,步距规目标位置示意图如下。
测试后,将测量与计算出的相关数据填入下面的表格,并根据计算出的数据填写补偿参数表。
(注:表中只要求填写“测量记录”,“数据处理”不需要进行结果计算。
)
2、补偿参数的设置
表十二:位置精度检测与补偿参数表
3、请将以上表格输入到数控系统的相关参数,然后测量出补偿后的数据填入下面表格,并根据测量数据计算出相关的误差值。
表十三:机床位置精度测试记录表:
本环节需要裁判签字确认,否则不得分。
裁判签字确认:得分第五题:机床工件的加工测试(共7分)请根据所提供的图纸和给定刀具加工出正确的工件
注意事项:在进行加工之前,一定要保证卡盘安装正确牢固,防护安装到位,否则不允许进行加工操作。
实操试题
工具、刀具及工件毛坯(参考)
1、外圆端面车刀:(株洲钻石)
说明:方柄(20×20×125)、刀尖角35°、主偏角95°
参考刀具型号:MVJNR2020K16
参考刀片型号:VNMG160408-DF
2、外螺纹车刀:(株洲钻石)
说明:方柄(20×20×125)、牙形角60 、螺距2mm。
参考刀具型号:SWR2020K16
参考刀片型号:RT16.01W-2GM
3、毛坯:Φ38×102,毛坯要求车外圆、端面;端面要求平整。
4、评分标准
该考评任务共7分。
工件合格满分7分。