采煤工作面安全质量标准化通用版
- 格式:docx
- 大小:70.45 KB
- 文档页数:9
采煤工作面安全质量标准化管理办法
为了进一步实施精细化管理,提高采煤工作面的工程质量,规范作业人员的操作行为,保障作业人员的安全和机电设备的正常运行。
结合龙洞湾矿井采煤工作面的实际,制定以下采煤工作面安全质量标准化考核办法:
一、采煤工作面的安全质量标准化标准:
1、采煤工作面严格按《作业规程》和《采煤安全质量标准化》进行管理。
2、巷道必须做到五无三标准五无:无淤泥、无积水、无杂物、无浮煤、无浮矸。
三标准:材料堆码符合标准、电缆吊挂符合标准、电器设备摆放和使用符合标准。
3、工作面必须符合三直、一实、一宽、一净、两畅通即:煤壁直、砂口直、支柱直、机边宽度等符合要求、后砂充填实、浮煤收净、上下穿口畅通。
二、考核办法:
组长不严格履行岗位职责,提前离岗(与最后一个作业人员离岗为准)未验收工作面或工作面存在安全隐患不排除
本考核办法自下发之日起试行,为保证本考核办法顺利实施,本矿井成立考核领导小组,由矿长朱军任组长,副矿长龚文龙、邓文彬,毛颖、付勇刚任副组长、袁光翔、李腾、王福华、张文富、罗光富、熊华彬、涂正书、赵玉琨、王晓龙任组员。
领导小组下设办公室在安全科,由安全科负责日常的考核工作,采煤队在试行期间对本考核办法的实施情况进行反馈,以利于矿井修订后下发实施。
龙洞湾矿井生产安全委员会
一0一二年十一月二十六日。
《采煤安全质量标准化标准》第一章采煤安全质量标准化考核评级办法及执行说明第1条采煤安全质量标准化矿井必须具备以下条件:1、采煤工作面回收率达到设计要求.本条系指采煤工作面不得随意丢煤柱、留煤顶和煤底及超过规定的浮煤量.采煤工作面回收率达到规定,即薄煤层≥97%、中厚煤层≥95%、厚煤层≥93%、放顶煤工作面≥80%。
2、考核期内采煤面无直接责任的死亡事故。
直接责任的死亡事故是指违反“三大规程”所造成的死亡事故.3、检查资料齐全。
检查资料齐全主要指:⑴、工作面支护质量原始记录和数据处理分析报表;⑵、工程质量自检原始资料;⑶、班评估记录资料;⑷、月地质预报;⑸、作业规程及其复审、贯彻资料。
第2条采煤安全质量标准化矿井分为三个等级,考核标准如下:1、一级:采煤工作面安全质量标准得分在90分及以上,优良品率100%;二级:采煤工作面安全质量标准得分在80分及以上,优良品率80%,无不合格品;三级:采煤工作面安全质量标准得分在70分及以上,优良品率50%以上,无不合格品.2、考核标准的分数系指矿井内全部采煤工作面的平均得分,即按第三条规定的计算公式所得;关于“优良品率”系指全年的工程质量优良品率。
一级“优良品率100%”,一年中有十个月采煤工作面工程质量达到100%,无不合格品,可视为全年的工程质量“优良品率100%”。
二级“优良品率80%”,一年中有十个月采煤工作面工程质量达到80%,无不合格品,可视为全年的工程质量“优良品率80%"。
三级“优良品率50%",一年中有十个月采煤工作面工程质量达到50%以上,无不合格品,可视为全年的工程质量“优良品率50%以上”.第3条采煤安全质量标准化标准及考核评级办法(具体见附表14和附表15).采煤安全质量标准化得分,按下列公式计算:1、月度矿井采煤安全质量标准化得分=各采煤工作面得分之和/采煤工作面个数。
式中分母项“采煤工作面个数"应为矿井本月在籍工作面个数,即要求本月在籍采煤工作面全部参加安全质量标准化考评,不留安全死角。
采煤系列安全质量标准化标准第一部分考核评级办法实施细则一、采煤安全质量标准化矿井必须具备以下条件1.“采煤工作面回收率达到设计要求”系指采煤工作面不得随意丢煤柱,不得随意留顶煤和底煤及超过规定的浮煤量。
采煤工作面回收率达到规定,即薄煤层≥97%、中厚煤层≥95%、厚煤层≥93%。
二、采煤安全质量标准化矿井分为三个等级,考核标准中“优良品率”系指全年的工程质量优良品率。
一级“优良品率100%”,一年中有十个月采煤工作面工程质量100%达到优良品,无不合格品,可视为全年的工程质量“优良品率100%”。
二级“优良品率80%”,一年中有十个月采煤工作面工程质量80%达到优良品,无不合格品,可视为全年的工程质量“优良品率80%”。
三级“优良品率50%”,一年中有十个月采煤工作面工程质量50%达到优良品,无不合格品,可视为全年的工程质量“优良品率50%”。
三、采煤安全质量标准化标准及考核评级办法采煤安全质量标准化得分,按川煤标准公式计算。
第3款“采煤工作面因采煤责任事故每死亡一人,矿井采煤安全质量标准化降一级扣5分,得分不得超过下一级的最高分,按降级后得分输入矿井安全质量标准化总分。
”发生事故的当月及年终考核时,要降一级,扣5分。
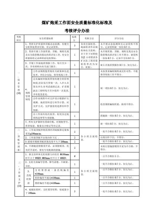
第二部分考核评分办法实施细则一、质量管理工作(1)支护质量主要是新设支柱(新移支架)是否进行初撑力监测和支柱(支架)性能是否稳定完好。
(2)开展顶板动态监测,综采工作面设5条线,对顶板压力、顶底板移近量等进行监测。
(3)有现场监测原始记录、顶板动态曲线,支柱(支架)(4)班评估的主要内容为:①队领导跟班指挥生产记录;②新设支护初撑力检查情况;③液压系统运转、漏液情况及乳化液配比记录;④按作业规程和安全质量标准化标准执行情况,制止“三违”作业情况;⑤查出的安全隐患及安全隐患的处理和交接情况;⑥顶板事故及顶板事故分析处理报告。
以上4小项每项不合格扣1分,扣完为止。
2.第2项“开展工作面地质预测预报工作,每月至少有一次预报,并有详细的分析材料向有关部门报告。
( 安全管理 )单位:_________________________姓名:_________________________日期:_________________________精品文档 / Word文档 / 文字可改安全质量标准化基本要求及评级方法(通用版)Safety management is an important part of production management. Safety and production are inthe implementation process安全质量标准化基本要求及评级方法(通用版)第一条为深入开展全国煤矿安全质量标准化工作,根据《安全生产法》、《国务院关于进一步加强企业安全生产工作的通知》(国发[2010]23号)和《国务院安委会关于深入开展企业安全生产标准化建设的指导意见》(安委[2011]4号)等法律法规、规定,制定本办法。
第二条本办法适用于全国所有合法的生产煤矿,新建、技改(包括重组整合)煤矿参照执行。
第三条考核评级标准执行《煤矿安全质量标准化基本要求及评分方法(试行)》。
第四条申报安全质量标准化煤矿的基本条件:1、证照齐全有效。
2、实现安全生产目标:考核年度内达到安全生产目标要求。
3、隐患排查治理:按照《安全生产事故隐患排查治理暂行规定》(国家安全监管总局令第16号)建立安全生产隐患排查治理体系。
4、采掘关系正常:开拓煤量、准备煤量、回采煤量、抽采煤量符合有关规定,回采率达到要求。
5、自查考核奖惩:煤矿企业制定并执行安全质量标准化考核评比及奖惩制度。
6、按要求建立煤矿瓦斯综合治理工作体系。
第五条安全质量标准化煤矿分为三个等级。
一级:煤矿安全质量标准化考核评分90分及以上,且年度内无死亡事故。
井工煤矿通风、地测防治水、采煤、掘进、机电、运输的单项考核评分均不低于90分,其他专业均不低于80分;露天煤矿穿孔、爆破、采装、运输、排土、机电、边坡的考核评分均不低于90分,其他专业均不低于80分。
采煤工作面安全质量标准化是指在采煤工作面施工过程中,通过制定一系列标准和规范,以保障工作面的安全运行和提高工作质量。
标准化的实施可以有效规范采煤工作面的操作流程,提高工作效率,并降低事故发生的风险,从而保护采煤工人的生命安全,保证采煤作业的顺利进行。
采煤工作面安全质量标准化包括三个方面:一是采煤工作面安全标准化,主要涉及采煤工作面的安全设施,如通风、排水、防尘等设施的设置和运行管理标准;二是采煤工作面质量标准化,主要涉及采煤工作面的煤层开采、支护、装载、运输等作业的质量要求和标准化操作规程;三是采煤工作面现场管理标准化,主要涉及采煤工作面的组织管理、文明施工、安全检查等管理流程和标准化要求。
首先,采煤工作面安全标准化是采煤工作面安全管理的核心内容。
在采煤工作面的安全管理中,应建立科学规范的安全管理制度和操作规程,明确各种安全设施的设置要求和运行管理标准。
例如,通风系统的设计和运行,应符合国家相关安全标准,确保煤矿内部空气流通良好,排出有害气体和煤尘,保持工作面的良好工作环境。
此外,排水系统的设计和运行,也应符合国家相关标准,确保工作面的排水畅通,防止水灾事故的发生。
另外,还应建立有效的防尘措施,控制工作面的粉尘浓度,保护工人的健康。
其次,采煤工作面质量标准化是提高采煤工作面开采效率和质量的重要手段。
在采煤工作面的各项作业中,应制定详细的标准化操作规程,并进行培训和考核。
例如,煤层开采的标准化要求包括合理的开采方法、切割参数和采高,确保煤层开采的效果和顺利进行。
支护的标准化要求包括支架的选择和布置,以及锚杆的使用等,确保工作面的支护结构牢固可靠。
装载和运输的标准化要求包括运输机械的选择和操作,确保煤炭的装载和运输的效率和安全。
最后,采煤工作面现场管理标准化是保障采煤工作面安全质量的重要保障。
在采煤工作面的实际施工中,应严格执行现场管理的标准和要求。
首先,应加强组织管理,明确各个责任部门和人员的职责和权限,建立和完善施工组织机构和管理制度。
采煤工作面安全质量标准化(三篇)
方案计划参考范本
目录:
采煤工作面安全质量标准化一
采煤工作面安全质量标准化管理办法二
采煤工作面质量管理三
- 1 -
采煤工作面安全质量标准化一
为强化工作面的文明生产形象,保持工作面动态达标,现标准如下:一、
卫生清理及防尘(工作面及两巷、转载点)1.
工作面底板卫生干净,无浮煤(2m2内浮煤平均厚度不超过30mm);支架顶梁、立柱眼内无杂物。
此项工作由卫生工负责。
1) 架前、架间、推移框架、支架四连杆浮煤净(架前露出推移框架,架间露出拉后溜千斤顶,无直径超过5cm的煤
块)
2)
煤机电缆槽浮煤净3)
电机、减速箱周围外侧前侧的浮煤清理干净,保持良好的散热4)
前、后溜头、溜尾电机、减速箱上无浮煤、杂物5)
防尘,包括:护帮板、前梁、顶梁、侧护板、四连杆、煤机电缆槽、底座箱、立柱、闭锁线(里外侧)、扩音电话。
2.
两巷,电站尾至后溜尾、破碎机至转载机尾由维护工负责,破碎机至转载机头外10m由转载机司机负责:1)
巷道底板无浮碴、杂物(运顺包括转载机身上、里帮、桥部下)(包括铁丝、木枇、铁道板、道夹板、螺栓等),不允许有超过直径
5cm的煤块。
(用铲子刮一遍)2)
无淤泥,无积水(长5m深0.1m),积水顺毛水沟引入水沟内3)
及时清理水沟内的淤泥,防止水溢出水沟4)
6 / 6。
采煤工作面安全质量标准化范本一、安全质量标准化的重要性煤矿采煤工作面是煤矿生产的重要环节,同时也是事故频发和风险高发区域。
为确保采煤工作面的安全生产,提高工作面作业效率和工人的安全防范意识,必须建立标准化的安全质量管理体系。
标准化管理的实施可以统一工作面操作规范,提高作业效率和工作质量,降低事故风险,确保工人的人身安全和矿山的稳定生产。
因此,制定采煤工作面的安全质量标准化范本对于保障煤矿生产安全具有重要作用。
二、采煤工作面安全质量标准化的内容1. 人员管理与培训(1) 人员资质要求:采煤工作面操作人员必须持有相应的矿山作业证书,且身体健康,具备熟练的操作技能。
(2) 培训要求:对新进员工要进行在岗培训,确保其了解相关的安全操作规程和紧急事故处理流程。
2. 安全设施与防护(1) 煤矿通风系统:采煤工作面必须配备完善的通风设施,确保新风交替进入和废气排出畅通。
(2) 安全防护装备:操作人员必须佩戴符合标准的安全帽、安全鞋、防护眼镜、防尘口罩等个人防护装备。
3. 作业流程与规范(1) 采煤工作面布置:根据煤层情况和作业需要,合理布置采煤机、运输设备和支护设备的位置,确保作业空间及通道畅通。
(2) 作业计划与安排:制定详细的作业计划,明确煤层开拓、煤炭采运和支护作业等各环节的工作任务和时间节点。
4. 检测与评估(1) 安全隐患排查:定期巡查采煤工作面,及时发现和处理存在的安全隐患,如煤层变动、地裂缝、瓦斯积聚等情况。
(2) 安全风险评估:对采煤工作面进行安全风险评估,掌握煤层变动、顶板支护、瓦斯抽放等关键环节的风险情况。
5. 应急处理与应对(1) 应急演练:定期组织应急演练,确保操作人员能够熟练应对突发事故,如煤与瓦斯突出、火灾等紧急情况。
(2) 应急设备与救援队伍:配备应急救援设备,并建立专业的救援队伍。
三、采煤工作面安全质量标准化的管理措施1. 管理责任制度:明确采煤工作面安全质量管理的组织架构和责任划分,建立相应的管理岗位,并明确其职责和权限。
采煤工作面安全质量标准化采煤工作面的安全质量标准化是指对采煤工作面的安全生产进行规范化管理,提高采煤工作面的安全质量水平,确保矿井生产的顺利进行。
以下为采煤工作面安全质量标准化的内容和要求。
一、安全质量标准化的目的和意义安全质量标准化是为了提高采煤工作面的安全生产水平,减少事故的发生,确保职工生命财产安全。
通过标准化管理,可以规范工作面流程和作业规程,提高工作面的生产效益和安全性。
二、安全责任制度建立健全采煤工作面的安全责任制度,明确每个人员的责任和义务,明确各个岗位的职责,并进行相应的培训,提高个人的安全意识和工作水平。
三、技术标准化1. 采煤工作面的采煤工艺和设备应符合国家标准和规范,保证设备的安全性和可靠性。
2. 采煤工作面的通风系统应符合相关标准,并进行定期检查,确保通风的良好质量。
3. 采煤工作面的通信设备应符合相关标准,并进行定期维护和检修,保证通信的畅通。
四、安全操作标准化1. 制定采煤工作面的安全作业规程,明确各项作业的操作要求,规范作业流程,减少人为失误。
2. 采煤工作面的作业人员应定期进行安全培训,提高安全意识和操作技能。
3. 严格执行安全操作规程,禁止违章作业和违章操作,保持工作面的安全整洁。
五、隐患排查标准化1. 定期进行采煤工作面的隐患排查,消除和整改存在的安全隐患。
2. 协调各部门,形成联合检查组,对采煤工作面进行联合检查,确保各项安全措施的落实。
六、事故报告和处理标准化1. 发生事故时,及时报告事故情况,尽快采取相应的救援和处理措施,保障生命安全。
2. 成立事故调查组,对事故原因进行调查和分析,提出相应的措施和建议,以避免类似事故的再次发生。
七、应急救援标准化建立健全采煤工作面的应急救援体系,制定应急预案和应急处置流程,提高应急救援的效率和准确性。
八、安全培训标准化1. 定期组织采煤工作面的安全培训,提高员工的安全意识和技能水平。
2. 培训内容应包括安全规程、事故调查和处置、应急救援等方面的知识,确保培训有效性。
采煤工作面安全质量标准化管理办法范本第一章总则第一条为了加强采煤工作面的安全质量管理,提高工作面作业人员的安全意识和职业素质,确保采煤工作面的安全生产和质量管理,根据《煤矿安全规程》等相关法律法规和标准,制定本办法。
第二条本办法适用于所有煤矿企业中的采煤工作面,对安全管理、质量管理、人员培训和设备维护等环节进行规范化管理。
第三条采煤工作面安全质量标准化管理是指按照国家相关标准和规定,对采煤工作面的安全生产和质量进行统一管理、评估和考核的工作。
第二章安全管理第四条采煤工作面应设立安全管理组织机构,明确职责和权限,负责工作面的安全管理工作。
安全管理组织机构应由经验丰富、具备职业资格的人员组成,配备必要的安全防护装备。
第五条采煤工作面应按照要求设置必要的安全设施,包括安全防护栏杆、安全出口、消防设备等,并定期检查和维修。
第六条采煤工作面应制定安全工作制度,明确人员在工作面的行为准则和安全操作规程,同时进行安全教育培训,提高员工的安全意识和实际操作能力。
第七条采煤工作面应定期进行安全检查和隐患排查,及时发现和处理存在的安全隐患,并记录整改情况。
第八条采煤工作面应建立安全事故应急预案,制定安全应急演练计划,并按照计划进行演练,以保障在突发情况下的紧急处理能力。
第九条采煤工作面应建立事故报告和处理制度,对发生的安全事故进行及时报告和处理,并进行事故分析,总结教训。
第十条采煤工作面应建立安全奖励和惩罚制度,对安全生产良好的个人和集体进行表彰和奖励,对违反安全规定和发生事故的个人和集体进行惩罚。
第三章质量管理第十一条采煤工作面应设立质量管理组织机构,明确职责和权限,负责工作面的质量管理工作。
质量管理组织机构应由专业人员组成,并按照规定配备必要的设备和工具。
第十二条采煤工作面应制定质量管理制度,强调质量第一的原则,确保采煤作业的质量达到国家和企业标准。
第十三条采煤工作面应定期进行质量检查和评估,对采煤作业的各个环节进行检测和评分,以保证作业质量。
采煤工作面安全质量标准化管理办法模版1. 总则为了加强采煤工作面的安全质量管理,确保煤矿生产的安全高效进行,提高采煤工作面的安全生产水平,制定本办法。
2. 适用范围本办法适用于所有采煤工作面的安全质量管理工作。
3. 安全质量目标(1)确保采煤工作面的煤炭开采量达到规定指标,同时保证矿井人员的安全;(2)提高采煤工作面的采煤效率,降低生产成本;(3)降低事故发生率,保证工人的安全;(4)加强对采煤工作面的安全监管,严厉打击违法行为。
4. 安全质量管理责任(1)矿长负责全矿的采煤工作面安全质量管理工作;(2)采煤工作面负责人负责采煤工作面的日常安全质量管理工作;(3)班组长负责本班组的安全质量管理工作;(4)矿井监察部门负责对采煤工作面的安全质量进行监督检查。
5. 安全质量标准化管理制度(1)建立并不断完善采煤工作面的安全质量标准化管理制度,明确各级岗位的职责和责任;(2)制定工作面的安全质量检查表,定期进行安全质量巡查,记录各项安全质量指标;(3)建立安全质量奖惩制度,对于达标和超标的工作面进行奖惩;(4)建立安全质量培训制度,定期组织开展安全培训活动,提高员工的安全意识和技能;(5)加强对采煤工作面的隐患排查,发现问题及时整改。
6. 安全质量管理措施(1)安全教育定期开展安全教育培训,提高员工的安全意识和技能;(2)安全生产标准化采用标准化的安全生产流程,确保每个工序的安全质量,降低事故发生率;(3)安全监测加强对采煤工作面的安全监测,定期进行安全质量检查,记录相关数据;(4)安全设备确保采煤工作面的安全设备的完好性和有效性,及时进行检修和更换;(5)应急预案制定应急预案,提前做好各项应急准备工作,保障工作面的安全生产;(6)安全督查建立健全安全督查制度,对采煤工作面进行定期督查和检查,发现问题及时整改;(7)安全奖惩对于安全质量达标的工作面,进行表扬和奖励;对于安全质量不达标的工作面,进行批评和惩罚。
采煤工作面安全质量标准化采煤工作面是煤矿生产的核心区域,其安全质量的标准化对保障采煤作业的安全运行至关重要。
本文将详细介绍采煤工作面安全质量标准化的相关内容,包括标准化的背景、意义、内容、实施方法以及其对采煤工作面的影响等方面。
一、标准化的背景和意义:煤矿采煤工作面的安全质量标准化是将煤矿采煤工作面的安全工作内容、要求以及各项工作的方法和措施规范化,形成一套操作规程和标准化要求,从而保证煤矿采煤工作面的安全运行。
标准化的背景主要是为了解决煤矿采煤工作面存在的一系列问题:操作不规范、工艺不标准、设备老化等因素导致了采煤工作面的安全隐患增加,严重威胁着矿工的生命安全和生产、环境的质量。
标准化对于采煤工作面的意义主要体现在四个方面:1.增强安全意识:标准化可以通过制定标准、建立规范等方式,提高矿工对采煤工作面安全的重视和认识,增强安全意识和自我保护能力,降低事故的发生几率。
2.规范作业流程:标准化可以明确采煤工作面各项作业流程和程序,规范操作步骤,减少操作人员的主观性,提高操作的规范性和标准性,降低操作失误的可能性。
3.提高作业环境质量:标准化可以对采煤工作面的各项环境要求进行规范,包括通风、水文、煤尘控制等方面,提高作业环境的质量,降低因环境问题引发的事故和矿工的职业病风险。
4.推动技术创新与设备更新:标准化可以推动采煤工作面的技术创新和设备更新,提高采煤工作面的技术水平和装备水平,进一步提高煤矿生产的效率和安全性。
二、标准化的内容:采煤工作面安全质量标准化的内容可以包括以下几个方面:1.标准化的组织实施:制定采煤工作面标准化的实施方案,明确标准化的组织结构和责任划分,确保标准化工作的顺利实施。
2.标准化的操作规程:制定采煤工作面各项操作的规程和标准化要求,明确各项操作的步骤、方法和技术要求,确保操作的规范性和安全性。
3.标准化的环境要求:制定采煤工作面的通风、水文、煤尘控制等方面的标准化要求,明确环境的质量标准和控制要求,确保作业环境的安全性和舒适性。
采煤工作面质量标准化顶板管理1.工作面控顶范围内,顶底板移近量按采高≤100mm/m2.工作面顶板不出现台阶下沉,综采(放)工作面支架前梁接顶严实,达到初撑力3.机道梁端至煤壁顶板冒落高度不大于300mm4.不准随意留煤顶开采,必须留煤顶,托夹矸开采时,必须有专项批准的措施工作面支护1.初撑力不低于规定值的80%,支架立柱有表显示,支架安全阀保持完好,整定值符合规定要求2.支架要排成一条直线,其偏差不得超过±50mm,中心距按作业规程要求,偏差不超过±100mm3.支架顶梁与顶板平行支设,其最大仰俯角<7°4.相邻支架间不能有明显错差(不超过顶梁侧护板高的2/3),支架不挤、不咬,顶梁间空隙不超过规定(<200mm)5.综采架后充填质量符合设计及规程要求,人员操作空间支护可靠,无窜矸、漏矸,退路畅通安全出口与端头支架1.综采(放)工作面使用端头支架或其他有效支护形式,在作业规程中说明2.工作面上、下出口的两巷,超前支护必须用金属支柱和铰接梁(或长钢梁),距切顶线30m范围内打双排柱,开采冲击地压煤层工作面超前支护距离不少于60m,采用超前支架或其他支护形式在作业规程中说明,支护距离不小于上述规定3.上、下顺槽工作面超前支护范围内支架完整无缺,高度不低于1.8m,轨道巷有宽1.2m以上、运输巷有宽0.8m以上人行道4.超前支柱初撑力不低于90kN,超前支架初撑力达到规程要求,支架立柱有表显示5.端头沿空充填留巷,其留巷方法、支护形式符合规程及设计要求,人员操作空间的支护密度、强度不低于工作面正规支护,退路畅通移架放顶1.控顶距符合作业规程要求,回风、运输顺槽与工作面放顶线放齐(机头、机尾处可根据作业规程放宽1排),特殊支护符合规程要求2.用全部陷落法管理顶板的工作面,出现悬顶和采空区普遍冒落高度不充分,必须制定安全技术措施,严格落实3. 追机移架距离符合规程要求,移架后伸出侧护板使其紧靠下方支架,打开支架护帮板支撑到位,支架升紧升牢后将各操作手把扳回“零”位4.大倾角、大仰角、大采高或特殊地段开采,各工序间隔及安全防护措施符合规定。
采煤工作面安全质量标准化范文一、引言随着我国工业化进程的加快,煤炭资源的开发与利用越来越重要。
但是,在煤炭开采过程中,特别是采煤工作面的安全问题一直备受关注。
采煤工作面作为煤炭开采的核心区域,其安全质量的稳定与提高对于保障煤炭开采效率和矿山安全非常重要。
因此,对采煤工作面的安全质量进行规范化管理是当前亟待解决的问题。
本文将从采煤工作面的定义、安全质量的评估指标以及推行安全质量标准化管理的具体方法三个方面,对采煤工作面安全质量标准化进行论述。
二、采煤工作面的定义采煤工作面是指在煤炭开采中进行煤炭掘进和运输作业的区域。
采煤工作面的安全质量包括两个方面,即安全性和质量性。
安全性是指采煤工作面在采煤过程中是否存在安全隐患,例如瓦斯、煤尘、坍塌等;质量性是指采煤工作面的开采效率和煤炭质量。
三、采煤工作面安全质量的评估指标1. 安全性评估指标(1)瓦斯含量:采煤工作面瓦斯含量是衡量采煤工作面安全性的重要指标之一。
瓦斯含量过高可能引发煤与瓦斯的相互作用,造成火灾、爆炸等事故。
(2)煤尘浓度:采煤工作面积尘严重会影响工作面的可见性,增加煤炭自燃的风险。
因此,煤尘浓度是衡量采煤工作面安全性的重要指标。
(3)巷道支护稳定性:采煤工作面巷道支护的稳定性直接影响工作面的安全性。
巷道支护稳定性指标包括顶板支护质量、地质构造对煤层的影响等。
2. 质量性评估指标(1)煤炭产量:采煤工作面的质量性评估关注的是采煤过程中煤炭的产量,高产量的采煤工作面可以提高煤炭的生产效率。
(2)煤炭质量:煤炭质量是衡量采煤工作面质量性的重要指标。
煤炭质量不仅仅影响到煤炭的销售价格,还与煤炭的利用效率直接相关。
四、推行采煤工作面安全质量标准化管理的方法1. 建立标准化管理体系建立标准化管理体系是实施采煤工作面安全质量标准化管理的前提和基础。
标准化管理体系应包括安全管理、质量管理、技术管理三个方面,并应细化到具体指标和操作规程。
2. 加强采煤工作面安全质量的监测与评估加强采煤工作面安全质量的监测与评估是保证标准化管理能够有效落地的关键环节。
采煤工作面安全质量标准化模版一、目的与范围本标准旨在规范采煤工作面的安全质量管理,确保采煤作业安全、高效、可持续发展。
适用于煤矿采煤工作面的安全质量管理。
二、术语与定义1. 采煤工作面:指煤矿矿井开拓的区域,用于进行煤炭开采作业的地方。
2. 安全质量管理:指对采煤工作面进行的安全生产全过程质量控制和管理活动。
三、安全质量目标1. 确保采煤工作面的人员、设备和环境安全,实现零伤亡事故目标。
2. 提高采煤工作面的生产效率,实现年度产量指标。
3. 降低采煤工作面的煤炭损失率,保持采煤工作面的经济效益。
四、管理责任1. 煤矿管理层负责制定和实施采煤工作面的安全质量管理制度,并确保其有效执行。
2. 采煤工作面负责人负责组织实施安全质量管理,包括设立安全生产责任制、制定相关的安全管理制度、组织开展安全培训等。
3. 所有参与采煤工作面的人员都有义务遵守安全质量管理制度,并积极参与安全检查和隐患整改工作。
五、安全质量管理制度1. 采煤工作面应建立完善的安全质量管理制度,包括工作面巡检制度、设备维护保养制度、安全培训制度等。
2. 相关管理制度应具体明确各项工作的责任、权限和程序,确保每一项工作的安全质量得到保障和监督。
六、人员安全培训1. 所有从事采煤工作面的人员必须接受安全培训,并获得相应的资格证书方可上岗。
2. 安全培训内容包括煤矿安全知识、采煤工作面的安全操作规程、应急救援演练等。
3. 定期组织安全培训,对参与采煤工作面的人员进行复审和再培训,确保其安全意识和操作技能得到巩固和提高。
七、设备安全维护保养1. 采煤工作面的设备必须符合国家标准和相关要求,并经过定期的安全检查和维护保养。
2. 设备的安全维护保养工作包括设备运行状态的监测、定期检查及及时维修等。
3. 采煤工作面的设备应具备相应的报警装置和安全保护装置,确保设备在运行过程中能够避免事故的发生。
八、作业安全控制1. 采煤工作面的作业必须按照规定的安全作业流程进行,确保作业过程中不发生意外事故。
采煤安全质量标准化制度范本第一章总则第一条为了加强和规范采煤作业,保障采煤安全和质量,制定本标准化制度。
第二章采煤安全标准化第二条采煤单位应严格执行国家、行业和地方制定的采煤安全标准,确保采煤作业过程中的安全。
第三条采煤单位应建立健全安全管理制度,并进行定期的培训和教育,提高员工的安全意识和操作技能。
第四条采煤单位应定期开展采煤设备和设施的安全检查,确保其处于正常工作状态。
第五条采煤单位应及时消除采煤中出现的安全隐患,并及时报告相关部门。
第六条采煤单位应配备足够的安全设备和工具,并进行定期检修和更换。
第三章采煤质量标准化第七条采煤单位必须执行国家和地方制定的煤矿安全生产质量标准,确保煤炭质量符合标准规定。
第八条采煤单位应制定科学合理的煤炭开采方案,并按照规范要求进行操作。
第九条采煤单位应严格按照国家和行业制定的煤炭质量检测要求进行检测。
第十条采煤单位应配备经过培训和合格的煤炭检测人员,并定期对其进行考核和评价。
第十一条采煤单位应建立完善的煤炭质量追溯和责任追究制度。
第四章监督检查和评价第十二条监煤单位和相关部门应定期对采煤单位进行安全和质量的监督检查。
第十三条监煤单位和相关部门应对采煤单位进行安全和质量的评价,并及时向其反馈评价结果。
第十四条采煤单位应积极配合监煤单位和相关部门的工作,接受监督和指导,并及时整改和改善存在的问题。
第五章法律责任和处罚第十五条采煤单位如果违反采煤安全和质量标准化制度,将受到相应的法律责任和处罚。
第十六条违反安全标准导致事故的,将依法追究刑事责任。
第十七条违反质量标准导致煤炭质量问题的,将受到相应的行政处罚。
第六章附则第十八条本制度自颁布之日起施行。
第十九条对本制度的解释权归采煤单位所有。
采煤安全质量标准化制度范本(二)1. 设立采煤安全质量管理部门,负责制定和实施采煤安全质量标准化制度,并监督执行。
2. 安全生产责任制:明确各级责任人员的安全生产责任,并制定相应的工作细则。
安全管理编号:YTO-FS-PD966
采煤工作面安全质量标准化通用版
In The Production, The Safety And Health Of Workers, The Production And Labor Process And The Various Measures T aken And All Activities Engaged In The Management, So That The Normal Production Activities.
标准/ 权威/ 规范/ 实用
Authoritative And Practical Standards
采煤工作面安全质量标准化通用版
使用提示:本安全管理文件可用于在生产中,对保障劳动者的安全健康和生产、劳动过程的正常进行而采取的各种措施和从事的一切活动实施管理,包含对生产、财物、环境的保护,最终使生产活动正常进行。
文件下载后可定制修改,请根据实际需要进行调整和使用。
为强化工作面的文明生产形象,保持工作面动态达标,现标准如下:
一、卫生清理及防尘(工作面及两巷、转载点)
1. 工作面底板卫生干净,无浮煤(2m²内浮煤平均厚度不超过30mm);支架顶梁、立柱眼内无杂物。
此项工作由卫生工负责。
1) 架前、架间、推移框架、支架四连杆浮煤净(架前露出推移框架,架间露出拉后溜千斤顶,无直径超过5cm 的煤块)
2) 煤机电缆槽浮煤净
3) 电机、减速箱周围外侧前侧的浮煤清理干净,保持良好的散热
4) 前、后溜头、溜尾电机、减速箱上无浮煤、杂物
5) 防尘,包括:护帮板、前梁、顶梁、侧护板、四连杆、煤机电缆槽、底座箱、立柱、闭锁线(里外侧)、扩音电话。
2. 两巷,电站尾至后溜尾、破碎机至转载机尾由维护
工负责,破碎机至转载机头外10m由转载机司机负责:
1) 巷道底板无浮碴、杂物(运顺包括转载机身上、里帮、桥部下)(包括铁丝、木枇、铁道板、道夹板、螺栓等),不允许有超过直径5cm的煤块。
(用铲子刮一遍)
2) 无淤泥,无积水(长5m深0.1m),积水顺毛水沟引入水沟内
3) 及时清理水沟内的淤泥,防止水溢出水沟
4) 清理两帮塑料袋、木枇子、烂胶圈等杂物
5) 防尘,单体、巷帮,转载机(里侧、外侧、上部)
3. 电站,由泵站工负责:
1) 电气设备表面无灰尘,乳化液箱表面无油迹(用乳化液清洗干净)
2) 移动电站平板车上不准放置各种工具和配件及其它杂物
3) 水沟及时清理淤泥
4. 皮带机道,由3个生产班负责:
1) 皮带边线清理干净,淤泥底托辊下200mm
2) 水沟及时清理淤泥,不得溢出水沟
5. 皮带机头,由皮带机司机负责:
1) 高防、变压器、开关、电缆等电气设备表面无积尘
2) 电机、减速箱无杂物、积尘、油迹
3) 底板卫生干净(用铲子刮到实底),及时清理清扫
器下方的煤泥
4) 清理大架子卫生,保持清洁,割除毛边线
5) 大架子处沉淀池排水,清理煤泥
6. 反井子,卫生区内底板干净,无铁丝、塑料袋、木枇子等杂物,水沟畅通
7. 防尘设施的完好由检修班负责,水帘子的位置不超过规定
8. 煤机司机负责开煤机喷雾,支架工负责架间喷雾,放煤工负责放煤口喷雾,溜头司机负责溜头喷雾,转载机司机负责转载机喷雾及运顺水帘子,皮带机司机负责皮带机头喷雾,泵站工负责轨顺水帘子。
二、支护质量及支护材料
1. 泵站,
1) 乳化液泵站和液压系统完好,不漏液,压力≥
30MPa
2) 乳化液浓度不低于3~5%,使用乳化液自动配比器,现场有检查手段
2. 工作面,
1) 液压支架初撑力不低于规定值的80%(25.2)
2) 支架要排成一条直线,其偏差不超过±50mm
3) 中心距按作业规程要求,偏差不超过±100mm
4) 支架顶梁与顶板平行支设,其最大仰俯角<7°
5) 相邻支架间不能有明显错差(不超过顶梁侧护板的2/3)。
支架不咬不挤,垂直顶底板,歪斜<±5°。
架间空隙不超过规定(200mm)。
6) 工作面及时移架,端面距最大值≤340mm,前梁接顶严密
7) 工作面顶板不出现台阶下沉。
支架前梁接顶严实,无浮矸(煤)
8) 综采支架不漏液、不窜液、不卸载
9) 支架零部件齐全完好,立柱销、推移框架、U型销等不缺少
10)
3. 两巷,
1) 两巷超前维护距离与支护方式符合作业规程的规定
2) 安全出口两端头特殊支护符合作业规程的规定
3) 单体达到初撑力≥90kN(直径80mm的单体≥
60kN),有支护检测手段
4) 支柱迎山有力,不出现连续3根以上支柱迎山角或退山角过大
5) 切顶线处支(趄)柱数量齐全,无空载和失效支柱,挡矸有效。
(2排4棵)
6) 单体不得超高使用。
在用支柱完好,不漏液,不自动卸载,无外观缺损
7) 超前支护范围内,锚网支护完整,高度不低于
1.8m,人行道不小于0.7m。
8) 闲置设备和材料要放在安全出口20m以外的安全地点。
9) 放置中心较高的支护材料或设备配件应采取有效的防倒措施。
10) 支柱完整,无断梁折柱。
11) 两端头的水平销数量齐全,挂好防飞链
12) 安全出口的支柱,必须有防倒措施;沿空巷道受侧压支柱有防崩措施。
13) 两巷支柱支设纵横成直线,允许误差±100mm,单体放液口朝向老塘,并拴防倒绳。
木板捆绑高度1.8m高。
14) 两端头的网与正巷搭接不少于200mm且连好
15) 两巷枪管子、回料的工具码放整齐
16) 两巷未支设的单体斜放在巷帮上要做到斜度一致,底根平齐,且有钢丝绳防倒措施,单体全部放完液,坏单体单独放置并做标记,不得有闲置单体。
17) 两巷备用的一字梁,上下分层摆放四面见线,十字梁每3个一摞,摆放整齐。
18) 两巷回出的捆单体多余木板放置在棚头外,托移装置上,上下分层码放
19) 电站尾拖移电缆整齐,不挤压
20)
4.
三、安全管理
1. 运输机与转载机间及破碎机前,必须有安全防护装置
2. 行人通过的输送机机尾处要加盖板,跨越输送机的地点有过桥
3. 采煤机完好,不漏油,不缺齿,煤机闭锁溜子
4. 工作面倾角>15°时,支架要有防倒、防滑装置,采煤机和刮板输送机设防滑装置。
5. “五图一表”及安全开工牌、防尘牌板、瓦斯检查牌板齐全、整洁、吊挂整齐,并及时填写,专人负责填写
6. 管线吊挂整齐,行人侧宽度不小于0.7m
7. 设备标志牌填写完整、正确。
8. 油库、皮带机头分别配备沙箱、灭火铲,2个灭火器;
9. 电站配备2个合格的灭火器
10. 沙箱内沙要松动,灭火器标签完好,在有效期内
11. 老塘侧悬挂“严禁入内”牌
12. 所有油桶全部上罩,无积尘;塑料桶要擦干净
13. 回风隅角悬挂瓦检仪,煤机有机载瓦斯断电仪
四、提升运输设备及安全设施
14. 小绞车有牢固的地锚或压戗柱。
1. 绞车、开关卫生清理干净,无积尘,电缆、信号线吊挂整齐,信号完好(声、光齐全),声光报警装置完好。
2. 绞车绳完好,无变形、挤压,断丝不超过规定;钩头、保险绳插接长度不小于2.5倍捻距;绳普大小合适,与钩头紧密配合在一起;连接保险绳的马蹬子大小合适。
3. 绞车绳盘好,钩头、保险绳挂好。
4. 安全设施检查、维修好(不倒翁高度,地托轮转动灵活,挡车器不少手把、销子、弹簧)
5. 小电牌齐全,内容填写完整,各种接地极完好,单个的综保安装局部接地极。
6. 上、下车场峒室内斜巷标志牌、操作规程牌板吊挂整齐,无积尘,内容填写齐全、正确。
7. 车场内车辆不准压岔子,两股道能有人行道,装封车合格。
五、料场
1. 材料、设备分类码放整齐,并有标志牌
2. 液压件、胶管必须封口
3. 油库配备沙箱(沙要松动)、灭火铲,2个灭火器;油桶上罩,无积尘。
4. 料场及时防尘,物料、设备、配件上不得有积尘。
六、其他
1. 皮带机机架、托辊齐全完好(坏托辊及时更换),胶带不跑偏,皮带边线清理干净,淤煤不磨底皮带
2. 开关上架,煤电钻电缆盘好
3. 电气设备上方有淋水,要有防水设施
4. 工作面运输机头与转载机搭接合理,底链不拉回头煤
5. 刮板输送机刮板、螺栓齐全完整,铲煤板齐全
6. 照明综保安装局部接地极
7. 电站文明形象动态达标
该位置可输入公司/组织对应的名字地址
The Name Of The Organization Can Be Entered In This Location。