采煤安全生产标准化评分汇总表 (4)
- 格式:xls
- 大小:76.00 KB
- 文档页数:2
附件2:
鲁能矿业集团煤矿安全生产检查情况汇总表单位:时间:
注:1、标准分为100分,实际得分为各分项检查得分之和。
2、基建矿井如有缺项,按下列公式进行折算:实际得分=检查得分之和×(100/(100-缺项分))
3、矿井安全质量标准化现场执行和落实情况按安全质量标准考核办法计算后折算:工程质量实际得分=检查得分×0.6
4、安全质量标准化标准分100分,其中通风专业满分30分,采煤、掘进、机电、运输专业满分15分,地测防治水满分10分。
检查人员:单位签字:
附件3:
隐患、三违、问题、建议汇总表
单位:时间:
检查人员:陪检人员:
3
附件4:
煤矿安全质量标准化标准及考核评分表
掘进文明生产标准及评分表
检查单位:检查人员:时间:得分:
通风安全质量化标准及考核评分办法
检查单位:检查人员:时间:得分:
机电安全质量标准化标准及考核评分办法
检查单位:检查人员:时间:得分:
运输安全质量标准化标准及考核评分表
检查单位:检查人员:时间:得分:。
煤矿安全生产标准化各专业评分表【精编版】
附件2
煤矿安全生产标准化各专业评分表
表1-1 井工煤矿安全生产标准化评分权重表
表2-1 煤矿安全风险分级管控标准化评分表
表3-1 煤矿事故隐患排查治理标准化评分表
表4-1 煤矿通风标准化评分表
表5-1 煤矿地质灾害防治与测量技术管理标准化评分表
表5-2 煤矿地质标准化评分表
表5-3 煤矿测量标准化评分表
表5-4煤矿防治水标准化评分表
表5-5 煤矿防治冲击地压标准化评分表
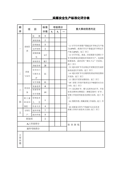
表6-1 煤矿采煤标准化评分表
表7-1 煤矿掘进标准化评分表。
4采煤安全质量标准化标准考核评分表采煤安全质量标准化检查评分表矿:队:作业地点:层盘区工作面检查时间:年月日工作面得分:检查项目检查小项及质量标准评分办法存在问题小项得分单项得分标准分实得分一、技术管理15分1、采区开采前必须编制采区设计,并按照设计组织施工;一个采区内同一煤层不得布置2个以上采煤工作面和4个以上掘进工作面同时作业。
该大项共15分,1-8项共13分,9-10项每项1分13 2、必须采用壁式采煤方法,工作面必须形成独立通风系统,至少保持两个畅通的安全出口,一个通到进风巷,一个通到回风巷。
3、采煤工作面开采前必须编制作业规程,从编制、审批到贯彻有健全的管理制度;工作面情况发生变化时,必须及时修改作业规程或补充安全技术措施,并向作业人员贯彻学习。
4、采煤工作面禁止使用木支柱和摩擦式金属支柱支护。
5、采用放顶煤开采的工作面必须编制放顶煤开采设计,并完善通风、防瓦斯、防煤尘、防火、防治水和处理坚硬顶板专项安全管理措施,并经煤炭行业主管部门审查、验收合格后方准组织生产。
6、开采三角煤、残留煤柱或复杂构造带,不能采用壁式采煤时,必须编制专项安全技术措施,报企业主要负责人审批并报上级行业管理部门批准后方可实施。
7、采煤工作面不得随意丢失顶底煤(必须留时要有专项批准的措施),不任意留煤柱。
8、有冲击地压,必须采取有效的防治措施。
9、开展工作面地质预报工作,每月至少有一次预报,并有材料向有关部门报告110、所有支护器材有基础台帐,对规格型号、供货渠道、数量及合格证等均有记录1二、顶板管理20分1、合理选择工作面支护形式,作业规程中对支护方式、支护强度的选择,要有根据矿压观测、地质资料及顶板控制专家系统等进行的科学计算依据。
该大项共20分,11项为3分,2、3、4、5、8项每项2分,其余项每项1分12、液压支架(滑移支架)、单体液压支柱支撑范围内与采高相符,不得超高使用,支设质量要符合《煤矿安全规程》规定;工作面上下机头处要使用端头支架或其他有效支护形式,在作业规程中说明(普、炮采坚持正确使用好4对8根长钢梁支护),支柱初撑力:Φ100≥90kN(11.5MPa), 有现场检查手段。
煤矿安全生产标准化管理体系评分表一、煤矿理念目标和矿长安全承诺标准化评分表
二、煤矿组织机构标准化评分表
三、煤矿安全生产责任制及安全管理制度标准化评分表
四、煤矿从业人员素质标准化评分表
五、煤矿安全风险分级管控标准化评分表
六、煤矿事故隐患排查治理标准化评分表
七、煤矿通风标准化评分表
八、8-1煤矿地质灾害防治与测量技术标准化评分表
八、8-2煤矿地质标准化评分表
八、8-3煤矿测量标准化评分表
八、8-4煤矿防治水标准化评分表
九、煤矿采煤标准化评分表。
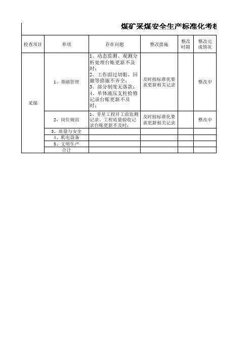
安全质量标准化评分表—1—煤矿安全质量标准化标准及检查评分汇总表—2—一安全管理安全管理质量标准化标准及考核评级办法(100分)—3——4——5——6——7——8—负责人:检查人员:年月日—9—煤矿安全质量标准化标准及检查评分表二采煤炮采工作面安全质量标准化标准及考核评分表(满分100分)—10—负责人:检查人员:年月日三掘进掘进安全质量标准化标准及考核评分办法负责人:检查人员:年月日说明:1.检查项不存在自然得分,小项分扣完为止。
2.主要巷道是指开拓、准备巷道,主要巷道必须按中腰线标准检查评分。
4.矿掘进安全质量标准化得分为矿检查掘进工作面的平均分。
基 无腰线 巷道: -30~+50mm 腰线上7距离。
一个测点不符合要求扣 1 分,扣完为止4均匀布置5个检查点。
量测检查点前二架支架间的背板(网)。
一处不合柱窝挖到实底,底梁铺设在实底均匀布置5个检查点。
抽查检查点前一架支架的两个柱窝或一个底梁,挖1.支架间距 80mm ±100㎜3 均匀布置 5 个检查点。
尺量检查点前二架支架间左右两相邻立柱中至中的0.5 分,扣完为止 1003.支架梁水平度 (限值) ≤50㎜ 2 不符合要求扣 0.5 分,扣完为止 24.立柱斜度 ±2° 2 均匀布置 5 个检查点。
用半圆仪测量检查点前一架支架两侧立柱内侧角度。
均匀布置5个检查点。
查检查点前二架支架,尺量棚梁接口处的上下离合3质量保证资料 6 支架及其构件、配件的材质、规格质量符合设计和有关标准规定。
每缺一附表一:刚性支架支护巷道检查评分表施工单位: 巷道名称:检查位置~ 米 检查工程量米得分检查项目 设计值 质量标准标准分检查方法及评分细则第一点 第二点 第三点 第四点 第五点实得分1212121212中线左71.巷道净宽(㎜)上: 主 要 巷 道: 0~+50mm2.2m 下:一 般 巷 道: -30~+50mm 2.7m 无中线 巷道: -30~+50mm7均匀布置 5 个检查点。
煤矿安全质量标准化评定结果汇总表富源县镇(乡)煤矿1、安全质量标准化矿井参加评级的专业为通风、地测防治水、采煤、掘进、机电、运输、安全管理、职业卫生、应急救援、调度、地面设施11个,各专业计分以100分为满分各专业的考核得分在计入矿井总分时,先乘以各自的权重后,再计入矿井总分,井工安全质量标准化考核满分100分。
2、检查项目中有缺项的,该项以标准分计入到各大项中,再计入到专业分中。
3、一级:安全质量标准化平均得分为90分及以上,且年度内无死亡事故,通风、地测防治水、采煤、掘进、机电、运输的单项考核评分均不低于90分,其他5个专业均不低于80分。
二级:安全质量标准化考核评分80分及以上,且井工煤矿百万吨死亡率低于全国及云南省(曲靖市)上年度平均水平,,通风、地测防治水、采煤、掘进、机电、运输的单项考核评分均不低于80分,其他5个专业均不低于70分。
三级:安全质量标准化考核评分70分及以上,且井工煤矿百万吨死亡率低于全国及云南省(曲靖市)上年度平均水平,,通风、地测防治水、采煤、掘进、机电、运输的单项考核评分均不低于70分,其他5个专业均不低于60分。
验收人员签字:煤矿负责人签字:验收日期:年月日表2-1 煤矿通风安全质量标准化评分表第3部分地测防治水一、基本条件生产矿井不应存在以下情况:(1)有冲击地压危险,未采取措施。
(2)有严重水患,未采取措施二、基本要求1.机构设置机构设置应符合以下要求:(1)水文地质条件复杂或极复杂的矿井设立专门的防治水机构;(2)冲击地压矿井设立专门的防治冲击地压(以下简称“防冲”)机构。
(3)水文地质条件复杂或极复杂、煤与瓦斯突出、冲击地压等矿井应设地测部门、地测副总工程师,有分管负责人;(4)地测防治水部门配备矿井地质、水文地质、瓦斯地质(煤与瓦斯突出矿井)、矿井储量管理、矿井测量、井下钻探、物探、制图绘图等方面满足工作需要的专业技术人员。
2.煤矿地质煤矿地质应符合以下要求:(1)在不同生产阶段,按期完成报告修编、提交、审批及采后总结等基础工作;(2)成果资料、原始记录、地质图纸等基础资料齐全,内容规范;(3)地质预报内容完整,档案管理规范。