承台垫层施工技术交底
- 格式:doc
- 大小:779.50 KB
- 文档页数:5
施工技术交交底单位编号接底单位日期工程名称承台施工技术交底技术交底内容:一、注意事项:1、6〜10号墩基础施工采用编织袋裝土围堰筑岛。
施工完成后应拆除围堰。
2、桩基础采用瞬态激振时域频域分析法进行检测。
3、6〜12号墩(台)承台底位于软土中,承台底铺设10cm厚碎石垫层。
、承台施工工艺流程:绑扎承台钢筋钢筋加工模板加工支撑承台模板混凝土配合比设计混凝土拌制运输养护、质量评定浇筑承台混凝土1、开挖承台及凿除、清理桩头承台最后一根桩基浇筑7天后可进行基坑开挖,根据现场地质情况采取相应的边坡防护措施:砂层较厚的基坑,底部采用沙袋装土支挡防护,防护高度不小于1m,上部按1:1.5的坡率放坡,放坡不能满足要求的,插打工字钢护桩,护桩连续布置,伸入土层不小于2.5m;—般地段按1:1坡率放坡开挖。
承台采用挖掘机开挖,开挖时注意开挖位置,尽量不要碰到桩头,以免碰弯钢筋,在基坑的四周设置20cm宽水沟,基坑旁开挖一个60*60*60cm的集水井,使基坑的水顺利的流入集水井,然后排出基坑。
桩头凿除时,采取环切工艺,技术人员在桩头上承台底标高以上10cm 位置做出标记,在标识处用切割机绕桩头环向一周切割V型槽,深度3-4cm,注意不得损伤主筋。
使用风镐将桩顶以上钻孔桩钢筋凿出,在桩顶标高以上5〜10cm处水平环向人工凿出4个以上V型槽,相互间距为20〜25cm。
使用钢钎打入各个V型槽中,来回反复敲击钢钎,使混凝土在V型槽处产生一个断裂面,用起重设备将已断裂脱离的桩头吊开。
最后对桩头进行修整,确保桩顶面平整、密实、并与桩轴线垂直,保证桩头嵌入承台10cm。
2、孔桩检测桩基由第三方检桩单位进行检测,现场需安排人员配合。
检桩前需要做如下准备工作:桩基采用瞬态激振时域频域分析(低应变)检测时,均需提前在桩顶位置打磨4个检测点,即在桩中心往外2/3半径处设置3处传感器安装点(3点夹角为1200,在桩基中心设置1处激振点,传感器安装点和激振点要提前打磨光滑,打磨平面直径不小于10cm。
承台施工技术交底一、交底范围三工区管段内所有大桥、特大桥承台施工(深基坑、需做专项技术交底的除外)二、施工交底1、总体施工工艺根据设计要求、地质等条件,采用明挖法放坡开挖承台基坑,地质条件差的地段采用支护开挖;基坑做好排水措施,绑扎承台钢筋、安装加固模板、溜槽(汽车泵)法入模,分层浇筑、振捣密实。
一个承台一次浇筑成型。
承台施工工艺流程图如下图1。
2、施工准备①现场根据设计院交桩及经理部组织复测(经监理单位审批)的成果对承台控制桩位进行测量、放样。
②确定土质情况、地下水位情况、基坑工作面宽度、基坑底临时排水沟等情况,确定开挖线、开挖方式、深度等。
③墩位处钻孔桩全部施工完成,并且最后一根桩基础成桩后7天。
3、施工工艺及控制交底(1)测量放样承台基坑开挖前使用全站仪及该桥控制网进行承台角点放样。
并确定基坑开挖线,使用自动安平水准仪测量确定承台顶面标高,确定开挖深度。
(2)基坑开挖①按照测量放样的承台角点、开挖深度进行放坡开挖;根据开挖土层情况,边坡按1:0.5-1:1进行放坡。
桥台承台基坑边坡高度较高,开挖深度较大时,宜设置人工台阶,宽度不小于0.5m。
②承台基底或边坡如有渗水,应在基坑中设置排水沟和集水井,并安装潜水泵抽水使渗水迅速排除基坑。
③基坑的开挖,应严格按照技术交底进行开挖,不得超挖、欠挖,超挖部分不得采用原状土进行回填。
④基坑宜采取挖掘机进行开挖,技术人员控制开挖底面的标高,应以高于设计垫层底标高0.2-0.3m,作为人工清理、整平。
(3)凿除桩头、桩基检测①承台基坑土方开挖完成后,底层0.2米的预留土由人工清除,确保底层土层不被扰动;同时人工开挖四周临时排水沟,在一角挖深约1.0m的集水井,并将潜水泵准备到位,当集水井中集水较多时,及时抽出。
②技术人员在桩头上进行标高测量,在现场桩体上或预留的钢筋上用红油漆坐上标记,准备采用空压机、破碎锤、人工配合进行凿除桩头作业。
③按设计标高凿除桩头后,现场查看桩头混凝土质量,是否露出新鲜的混凝土面,若仍存在浮浆,将继续下凿。
75#〜77#墩承台垫层施工技术交底记录
2018年4月10日
年月日
新建福州至厦门铁路FX-8标
编号:
75#〜77#墩承台垫层施工
技术交底
中国中铁
编制:
复核:_______________________
接收:_______________________
中铁四局集团福厦铁路FX-8标项目经理部
1.4、混凝土养护
在混凝土浇筑完成后,在混凝土表面盖上塑料薄膜,予以洒水养护,保证混凝土 表面经常处于湿润状态为准,养护用水要使用洁净自来水或井水。
养护期一般为 天,以达到设计强度的70%为准,可进行下步工序施工。
、安全及文明施工
1、 进入混凝土浇筑现场必须戴好安全帽。
2、 砼作业人员严禁酒后上岗,疲劳作业、带病作业。
3、 砼作业人员严必须遵守施工现场安全管理制度,严禁违章指挥,违章作业; 做到三
不伤害:不伤害自己,不伤害他人,不被他人伤害。
4、 振捣手在振捣作业时,必须戴好绝缘手套,穿好防滑绝缘胶鞋。
5、 现场电线必须由专业电工布设,振动器、振动棒的电源线路必须完整,严禁 使用有破损的电缆。
6、 作业时,临边防护必须完整、有效,严禁无防护作业。
7、 施工用电严格按照《施工用电安全操作规程》进行操作,严格执行“一机一 匣,一箱一漏,三相五线制”,防止出现触电事故;采用
TN-S 接地保护系统。
&其他未述事项应严格按国家及地方有关安全施工的法律、法规及规范安全技 术措施等进行施工。
交底: 复核: 接收:
2-3
图1承台垫层施工图。
引言概述:承台施工是建筑工程中重要的一项工作,它是支撑整个建筑结构的关键部分。
由于承台施工作业存在一定的危险性,必须对施工人员进行安全技术交底,以确保施工过程中的安全性。
本文将从施工前准备、现场安全管理、设备使用、人员防护和事故应急措施等五个大点展开,详细介绍承台施工安全技术交底的相关内容。
正文内容:一、施工前准备1.确定承台施工的相关技术要求和施工方案。
2.检查施工现场的环境和地质条件,确保施工区域的平稳和安全。
3.安排专业施工人员进行细致测量和标记,确保承台位置和尺寸的准确性。
4.准备充足的施工材料和设备,并进行必要的检测和维护。
5.制定详细的安全生产方案,明确施工人员的职责和安全操作规程。
二、现场安全管理1.设置明显的施工警示标志和安全防护设施,如安全网、护栏等,确保施工区域的安全隔离。
2.安排专人对施工现场进行巡视和监控,及时发现和处理潜在的安全隐患。
3.建立施工人员的安全教育培训制度,确保工人熟悉并遵守安全操作规程。
4.严格执行施工现场的安全管理制度,落实岗位责任制和安全考核制度。
5.定期组织安全生产会议和演练,提高施工人员的安全意识和应急处理能力。
三、设备使用1.确保施工设备的正常运行和安全可靠,严禁使用损坏或过期的设备。
2.根据施工工艺要求,合理选择和配置施工设备,确保施工过程的顺利进行。
3.定期对施工设备进行检测和维护,及时修理和更换老化、失效的设备部件。
4.对施工设备的操作人员进行专业培训,提高其操作技能和安全意识。
5.在设备使用过程中,注意设备的稳定性和平衡性,避免操作失误导致的意外事故。
四、人员防护1.施工人员必须佩戴符合要求的个人防护装备,如安全帽、安全鞋、防护眼镜等。
2.在高空作业或有坠落危险的地方,要使用安全带和安全绳,确保人员的安全固定。
3.严禁施工人员在设备运转和工作状态下进行维修和调整,避免发生夹伤、触电等事故。
4.提供适当的通风和防护措施,避免施工人员接触有害气体和粉尘。
桥梁承台施工技术交底1. 概述承台是桥梁工程中的重要组成部分,为了保证工程质量,需要在承台施工前进行技术交底。
技术交底内容包括施工方法、要求、安全和环保措施等,旨在明确施工流程和责任分工,确保施工顺利进行。
2. 施工前准备2.1 施工前勘察承台的施工前需要对地形、地质、水文、交通等因素进行勘察,通过现场测量和资料分析,确定承台施工位置和土质情况。
2.2 设计图纸根据勘察结果,制定承台设计方案,并制定承台施工图纸。
2.3 土方开挖承台基础需要进行土方开挖作业,按照设计图纸要求进行开挖和整平,确保基础稳定可靠。
3. 施工节点3.1 机械设备的到位施工前需要确保需要使用的机械设备到位,并进行检查和调试,确保设备达到施工要求。
3.2 砼浇筑在土方开挖后,需按照设计图纸要求进行砼浇筑作业,现场负责人需要组织好施工人员,确保浇筑过程顺利进行,并进行必要的试验和检查工作。
3.3 钢筋加工和安装承台内部的钢筋加工和安装工作需要高精度地完成,必须确保钢筋数量、规格、位置和间距符合设计要求。
3.4 模板的搭设承台完成钢筋加工和安装后,需要进行模板搭设工作,按照设计图纸要求进行,需进行实时检查和质量控制。
3.5 隧道施工如果承台内部需要进行隧道施工,需要根据设计图纸要求进行操作,质量控制和安全要求必须满足。
4. 安全和环保措施4.1 安全措施施工现场需要严格遵守安全相关要求,包括施工人员安全防护、机械设备操作规范等。
4.2 环保措施承台施工会涉及到噪声、粉尘等环保问题,需要进行严格的环保措施,确保对周边环境的影响最小化。
5. 施工验收施工完成后,需要进行现场验收,验收标准要按照设计要求和相关标准进行,符合验收标准后方可投放使用。
6. 交底内容技术交底内容包括施工方法、要求、安全和环保措施等,需要交底的人员包括现场施工负责人、机械设备操作员、钢筋加工安装人员和模板搭设人员等。
7. 结束语技术交底是桥梁施工过程中非常重要的环节,只有进行了充分的交底工作,才能保证工程质量和施工安全。
承台施工技术交底承台的施工程序:前期准备工作、模板工程、钢筋工程以及混凝土工程四个部分组成。
施工程序为:施工准备一测设放线一筑岛填心、插打钢板桩(结合实际情况实施)一承台基坑开挖一基坑排水(结合实际情况实施)一桩基无破损检测一垫层一模板的安装一钢筋加工、制作、绑扎安装一混凝土浇筑一养生一检查验收。
一、承台基坑1.基坑开挖时应注意事项(1)基坑顶面应设置防水塔防止地面水流入基坑。
(2)承台基坑底部平面尺寸应比承台尺寸每边增宽≤0.5m;(3)基坑坑壁坡度应按实际地质条件、基坑深度、施工方法等情况进行确定。
内容及说明:(1)基坑顶面应设置防水塔防止地面水流入基坑。
(2)承台基坑底部平面尺寸应比承台尺寸每边增宽≤O.5m;(3)基坑坑壁坡度应按实际地质条件、基坑深度、施工方法等情况进行确定。
(4)基坑开挖后,在坑底基础范围之外设置集水坑并沿坑底周围开挖排水沟,使水流入集水坑内才非出坑外。
确保承台基础施工在无水状态下进行。
(5)基坑四周围护采用方钢或钢管加工的成品可移动防护栏,涂刷红白相间颜色。
使用时直接成块拼装,简便美观。
二、基坑开挖(1)开挖前由测量人员利用布设的临时控制点,放样定出开挖边线以及开挖深度等。
(2)基坑采用挖掘机按放线分段分层开挖。
挖土时自上而下、分段分层、均匀对称进行。
挖土厚度要求一次不能过深,边挖边检查坑底宽度及坡度,不够时及时修整。
挖出的废土部分用做回填外,其余集中堆放,集中外运。
在承台施工完成并验收合格后及时进行基坑回填,确保安全。
(3)挖土过程中技术员测量标高,当基坑分层开挖要接近坑底时,应尽量避免对地基的扰动,且应预留设计高程面以上10~15cm的保护层,采用人工修整,防止对地基土层结构和桩产生破坏性影响。
(4)尽量减少雨期施工,在雨期施工时,基坑应分段开挖,并在基坑四周围上土堤宽50cm高度不小于20cm或排水沟,以防地面水流入基坑,同时,应经常检查边坡和支护情况,以防止坑壁受雨水浸泡造成塌方。
(完整版)承台施工技术交底第一篇风格的范本:一:施工前准备1.项目名称:承台施工技术交底2.项目位置:(填写具体地址)3.项目背景:(简单介绍项目背景及目的)二:施工方案1.承台施工方案:(详细描述承台施工的方法、步骤、工艺等)2.施工材料选择:(说明使用的材料种类、标准、质量要求等)3.施工设备和工具:(需要的设备和工具,并说明使用方法)三:施工流程1.施工准备阶段:(描述准备工作的步骤,如场地平整、材料配置等)2.主体施工阶段:(按照顺序描述主要施工工序的执行,如基础浇筑、模板安装、钢筋绑扎等)3.施工质量控制:(说明如何进行施工质量的检查和控制措施)四:施工安全与环保1.施工安全措施:(需要遵守的安全措施,如穿戴安全防护装备、防止高空坠落等)2.施工环保要求:(阐述施工过程中的环境保护要求,如噪音控制、废料处理等)五:验收与竣工1.施工过程验收:(说明施工过程中的验收标准和方法)2.竣工验收:(详细描述竣工验收的步骤、要求和标准)附件:1. 施工图纸2. 相关规范标准3. 施工合同等相关文件注释:(列出本文档中涉及到的法律名词及其注释)第二篇风格的范本:一:施工前准备1.项目名称:承台施工技术交底2.项目位置:(填写具体地址)3.项目背景:(简单介绍项目背景及目的)二:施工方案1.承台施工方案:(详细描述承台施工的方法、步骤、工艺等)2.施工材料选择:(说明使用的材料种类、标准、质量要求等)3.施工设备和工具:(需要的设备和工具,并说明使用方法)三:施工流程1.施工准备阶段:(描述准备工作的步骤,如场地平整、材料配置等)2.主体施工阶段:(按照顺序描述主要施工工序的执行,如基础浇筑、模板安装、钢筋绑扎等)3.施工质量控制:(说明如何进行施工质量的检查和控制措施)四:施工安全与环保1.施工安全措施:(需要遵守的安全措施,如穿戴安全防护装备、防止高空坠落等)2.施工环保要求:(阐述施工过程中的环境保护要求,如噪音控制、废料处理等)五:验收与竣工1.施工过程验收:(说明施工过程中的验收标准和方法)2.竣工验收:(详细描述竣工验收的步骤、要求和标准)附件:1. 施工图纸2. 相关规范标准3. 施工合同等相关文件注释:(列出本文档中涉及到的法律名词及其注释)。
承台施工技术交底书项目名称:主送单位编号工程名称桥梁承台日期1.交底范围本次技术交底使用范围为:2.施工准备⑴组织机械、设备及人员进场。
⑵施工用水、用电及便道等有关临建工程满足施工需要。
3.承台开挖承台开挖进行放坡开挖,坡比为1:0.8,定出坡外位臵,然后撒灰上线。
在坡外位臵1m处布设1.2m高的防护网,采用挖掘机结合人工进行开挖,在基坑开挖线以外2米处设臵平台,便于行人行走,坑底预留20cm人工清底。
并根据地质情况。
开挖完毕后,进行基坑场地平整,做好凿桩头的准备工作。
4.凿除桩头、桩基检测破桩头前,应在桩体侧面用红油漆标注设计高程线,以防桩头被多凿,造成桩顶伸入承台内高度不够。
破除桩头时应采用空压机结合人工凿除,上部采用空压机凿除,下部留有10~20cm由人工进行凿除。
凿除过程中保证不扰动设计桩顶以下的桩身砼。
严禁用挖掘机或铲车将桩头强行拉断,以免破坏主筋和扰动桩身。
将伸入承台的桩身钢筋清理整修成设计形状,进行复测桩顶高程、桩基检测。
桩长≥40米的桩基采用声波透射法桩检,破除桩头时注意保护声测管,声测管高度高出设计桩顶10cm。
先用测绳测设声测管长度是否符合设计长度,并在管内注满清水等待桩检;桩长<40米的桩基采用低变应反射波法检测,桩头破至设计桩顶高程后在桩的中心位臵打磨出直径约为10cm的平面;在距桩中心2/3半径处,对称布臵打磨2~4处,直径约为6cm的平面,打磨面应平顺光洁密实。
布设见图4-15.承台垫层施工承台垫层采用c15混凝土浇筑,厚度10cm ,垫层表面与承台底部设计高程相等。
6.承台钢筋加工及安装本标段承台钢筋分为一种类型0.8m<D≤1.25m 1.25m<D<2.0m图4-1 不同桩径对应打磨点数及位臵示意图本桥承台六面各布设一层钢筋网,底面布设HRB335直径25mm的钢筋,间距10cm,顶面布设HRB335直径16mm的钢筋,间距12cm,侧面布设HRB335直径12mm的钢筋,间距12cm,承台内钢筋网片之间设有HRB335直径16mm的架立钢筋。
承台施工安全技术交底交底内容:一、承台基坑开挖1、基坑开挖对邻近建(构)筑物或临时设施(电力线干)有影响时,应提前采取安全防护措施。
2、基坑顶面应提前做好地面防、排水设施。
3、基坑开挖时,不得采用局部开挖深坑及从底层向四周掏土。
4、基坑顶有动载时,坑口边缘与动载间的安全距离应根据基坑深度、坡度、地质和水文条件及动载大小等情况确定,且不小于 1.0m。
必要时应采取其他措施。
6、在土石松动地层或在粉、细砂层中开挖基坑时,应先做好安全防护;当基坑开挖需要爆破时,应执行现行国家标准《爆破安全规程》(GB6722)中的有关规定;土质松软层基坑开挖必须进行支护。
7、基坑开挖时,应观测坡面稳定情况。
当发现坑沿顶面出现裂缝、坑壁松塌或遇涌水、涌砂时,应立即停止施工,加固处理后,方可继续施工。
8、基坑采用排水法降低水位时,对降低水位区域的建(构)筑物可能产生沉降,应加强观测,必要时采取防范措施。
二、凿桩头1、凿除桩头前应先检查基坑防护,看坑壁是否稳定;2、工人下去作业必须佩戴好安全帽和配备便于上下的梯子或在基坑坑壁挖设踏步;3、松散颗粒或砼块以上的部分(包括松散颗粒或砼块)须全部凿除。
4、桩孔上口四周挖排水沟,及时排除地表水、雨水,搭设防雨棚,安装提升设备,铺好出渣道路,合理堆放材料和机具。
不准增加孔壁四周压力,保证施工安全。
5、基坑上口围护要求:围护高度应高出地面150厘米,护圈直径应比基坑径大20厘米,6、破除桩头采用空压机,空压机的内燃机和电动机的使用应符合内燃机和电动机的有关规定。
7、空气压缩机作业区应保持清洁和干燥。
贮气罐应放在通风良好处,距贮气罐15m以内不得进行焊接或热加工作业。
8、作业前应先检查:燃、润油料均添加充足;各连接部位紧固,各运动机构及各部位阀门开闭灵活;各防护装置齐全良好,贮气罐内无存水;电动空气压缩机的电动机及启动器外壳接地良好,接地电阻不大于4Ω。
9、桩基砼在凿除时严禁进行爆破施工扰动桩周土,以免影响摩阻力。
桥梁承台施工技术交底一、背景介绍桥梁是重要的交通基础设施,承台是桥梁的重要组成部分,用于支撑桥梁上部结构的重量,并将其传递给桥梁的基础。
因此,桥梁承台的施工质量直接关系到桥梁的安全和可靠性。
为了确保桥梁承台的施工能够按照规范和要求进行,交底会议的召开成为必要的环节。
二、前期准备工作1. 确定施工方案:在施工前,需要与设计单位进行沟通,明确桥梁承台的施工方案和要求。
2. 施工人员培训:对参与承台施工的施工人员进行培训,提高他们的施工技术和安全意识。
3. 施工设备准备:准备好施工所需的设备、工具和材料,确保施工过程的顺利进行。
三、施工流程1. 基坑开挖:根据设计要求,对承台的基坑进行开挖,清除杂物和地下水,确保基坑的稳定性。
2. 基础处理:对基坑底部进行夯实处理,并根据需要进行灌浆加固,以提高基础的承载能力。
3. 模板搭设:按照设计要求,搭设承台的模板,确保模板的平整、牢固,以便保证混凝土的浇筑质量。
4. 钢筋布置:根据设计要求,将钢筋进行准确的布置,包括横向和纵向的钢筋,以及承台与基础的连接钢筋。
5. 混凝土浇筑:进行混凝土的搅拌、运输和浇筑,确保混凝土浇筑的连续性和密实性。
6. 养护处理:对已浇筑完成的承台进行养护处理,包括及时覆盖、保持湿润等,以保证混凝土的正常硬化。
7. 施工验收:在施工完成后,对承台进行验收,确保施工质量符合设计要求和规范要求。
四、施工注意事项1. 安全第一:在施工过程中,要始终将安全放在第一位,严格执行安全操作规程,确保施工人员的人身安全。
2. 环境保护:对施工现场进行垃圾分类处理,并采取相应的措施减少对周边环境的污染。
3. 施工质量控制:对每个施工环节进行严格的质量控制,并进行现场检查和记录,及时发现和解决施工中的问题。
4. 施工进度控制:制定合理的施工进度计划,确保施工按时完成,减少对交通和周边环境的影响。
五、总结桥梁承台施工是一项复杂的工程,要求施工人员具备良好的技术和丰富的经验。
承台施工安全技术交底承台施工安全技术交底一、前言在承台施工中,为了保障工人的安全和施工质量,必须进行安全技术交底。
本文档详细介绍了承台施工中的安全注意事项和技术要求,旨在提供指导和参考。
请施工人员严格按照本文档的要求进行施工,确保安全和质量。
二、施工前准备工作1. 确定施工人员名单,并进行安全培训;2. 检查所有施工设备和工具的完好性,并及时修复或更换损坏的设备;3. 确保施工区域周边的安全措施已经完善,包括围栏、防护网等;4. 清理施工区域,确保无杂物和障碍物。
三、承台施工安全技术要求1. 环境要求:(1) 承台施工区域应干燥、通风良好;(2) 禁止在施工区域内堆放易燃、易爆、有毒或腐蚀性物品;(3) 施工现场应保持整洁,防止滑倒和绊倒。
2. 施工设备要求:(1) 承台施工所使用的设备应经过检测合格,并定期进行维护保养;(2) 禁止在施工中使用损坏或失效的设备;(3) 操作人员必须熟悉设备的使用方法和安全操作规程。
3. 安全防护要求:(1) 所有施工人员应佩戴符合标准的个人防护装备;(2) 安全帽、安全鞋、防尘口罩等个人防护装备必须随时佩戴;(3) 施工现场应设置明显的警示标志,并划定安全区域。
4. 施工过程控制要求:(1) 承台施工过程中应严格按照工艺流程进行操作;(2) 定期检查施工现场的安全状况,及时处理安全隐患;(3) 施工过程中的危险源应得到有效的控制,如高空坠落、电击等。
5. 特殊情况处置要求:(1) 如发生紧急情况,施工人员应立即停止工作,并按照应急预案处理;(2) 施工单位应具备应急救援设备和人员,并参加相关的培训和演练。
四、本文档所涉及附件如下:1. 承台施工安全技术交底签订记录表;2. 承台施工安全操作规程;3. 承台施工现场示意图;4. 承台施工安全培训材料。
五、本文档所涉及的法律名词及注释:1. 建筑法:指中华人民共和国《中华人民共和国建筑法》;2. 建筑施工安全技术规程:指中华人民共和国《建筑施工安全技术规程》。
地下室承台及底板施工方案技术交底(一)地下室承台及底板施工方案技术交底
一、工程概述
该项工程是一处地下室承台及底板的施工方案。
它包括深度、规格、质量标准、施工方式等方面的要求和细节。
二、承台施工
1. 测量深度:确定承台的深度,保证深度符合设计要求。
2. 采用焊接技术:采用焊接技术将钢筋与箱形钢管焊接固定,确保钢筋的安全可靠。
3. 采用垂直度和水平度:采用垂直度和水平度进行检测,保证承台的垂直度和水平度达到要求。
三、底板施工
1. 准备工作:清理底层环境,保证施工场地干净。
2. 测量深度:确定底板的深度。
3. 布置钢筋:根据设计要求在底板的位置上进行钢筋的布置。
4. 浇筑混凝土:根据钢筋的布置要求进行混凝土的浇注,确保混凝土的均匀成型和密实程度。
5. 后续处理工作:在混凝土硬化后进行后续的处理工作,根据设计要求进行地面平整和抹灰等。
四、其他要求
1. 施工期间采用卫生防护措施,确保施工场地环境干净卫生。
2. 施工期间严格遵守安全规定,确保施工人员的安全。
3. 施工结束后,清理施工现场,恢复环境。
五、安全措施
1. 保证承台和底板的搭接精度和承载力,以确保它们的正常使用。
2. 确保现场整洁有序,遵守相关安全规定,部署喷淋设备,防火管理严格。
3. 保证机器设备的运行安全,防止发生人员伤害或财产损失。
六、总结
该工程施工方案应根据施工具体情况进行调整和有效控制。
在施工方案的实施过程中,应加强施工管理,严格遵守施工规定,从而确保工程的顺利进行。
75#~77#墩承台垫层施工技术交底记录
2018年4月10日
记录者日期年月日
新建福州至厦门铁路FX-8标
编号:
75#~77#墩承台垫层施工
技术交底
编制:
复核:
接收:
中铁四局集团福厦铁路FX-8标项目经理部
年月日
表格编号 75#~77#墩承台垫层施工技术交底书
项目名称福厦铁路FX-8标项目经理部第 1 页
共页交底编号
工程名称西溪特大桥
设计文件图号西溪特大桥施工图(福厦施(桥)-65)
施工部位75#~77#墩承台
交底日期年月日
交底内容:
一、质量标准
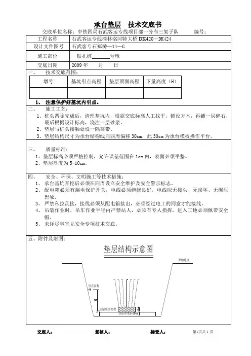
1、桩头切除后,人工对基坑底部清理至设计标高后采用定型槽钢立模,采用 5~10cm 厚C20素混凝土垫层找平,其顶面不高于基底高程,混凝土垫层边缘要大于承台尺寸20~30cm。
2、垫层至坡角处兼做排水沟使用,并于承台左侧小里程处开挖0.5×0.5×0.5m 集水坑,如果承台基坑内有积水时采用污水泵进行排水,确保基坑内排水畅通无积水。
二、施工工艺流程及技术操作要点
1、施工工艺流程:
基地清理→模板支设→混凝土浇筑→混凝土养护
1.1、基底清理
先测定其标高,把标高引到基底四周的木桩上,在标高出挂线。
把基底清理干净,整平,如基底较软,应填筑碎石或干硬性砂浆进行处理。
1.2、模板支设
支模板,模板采用10cm定型槽钢,外围使用钢筋桩固定,要求整体顺直,高度符合要求。
1.3、混凝土浇筑
浇注时要严格控制垫层标高,不得超出规范要求。
混凝土要求振捣密实,表面整体平整。
在浇筑垫层时,沿承台四周预埋25cm长的Φ16锚固钢筋,露出垫层面10~15cm,间距50cm一根,用来对承台模板进行支撑。
1.4、混凝土养护
在混凝土浇筑完成后,在混凝土表面盖上塑料薄膜,予以洒水养护,保证混凝土表面经常处于湿润状态为准,养护用水要使用洁净自来水或井水。
养护期一般为2-3天,以达到设计强度的70%为准,可进行下步工序施工。
图1承台垫层施工图
三、安全及文明施工
1、进入混凝土浇筑现场必须戴好安全帽。
2、砼作业人员严禁酒后上岗,疲劳作业、带病作业。
3、砼作业人员严必须遵守施工现场安全管理制度,严禁违章指挥,违章作业;做到三不伤害:不伤害自己,不伤害他人,不被他人伤害。
4、振捣手在振捣作业时,必须戴好绝缘手套,穿好防滑绝缘胶鞋。
5、现场电线必须由专业电工布设,振动器、振动棒的电源线路必须完整,严禁使用有破损的电缆。
6、作业时,临边防护必须完整、有效,严禁无防护作业。
7、施工用电严格按照《施工用电安全操作规程》进行操作,严格执行“一机一匣,一箱一漏,三相五线制”,防止出现触电事故;采用TN-S接地保护系统。
8、其他未述事项应严格按国家及地方有关安全施工的法律、法规及规范安全技术措施等进行施工。
交底:复核: 接收:。