特殊过程确认控制程序
- 格式:doc
- 大小:65.50 KB
- 文档页数:6
更改历史1.0目的:对产品形成的过程进行确认,以便对其施加影响和控制,确保最终产品符合规定的要求。
2.0范围:本程序适用于公司产品实现过程中关键工序、特殊过程的确认和验证活动。
3.0职责:3.1管理者代表负责确认工作的组织与协调;批准验证和确认项目的负责人;确认小组成员;负责验证、确认方案和报告的批准。
3.2质管部负责相关产品生产全过程工艺文件、工序质量控制点文件的编制和修改。
3.3质管部负责组织特殊过程的确认方案和关键工序的验证方案的制定。
3.4生产技术部负责设备及工程系统的安装确认;负责制定设备和公用工程系统的确认标准、限度、能力和维护保养要求,培训操作人员,安装及确认中提供技术服务;验证和确认的实施;负责验证和确认过程中的抽样和测试。
4.0工作程序:4.1为了确保我公司生产的产品能持续符合质量管理要求,必须对影响产品质量的诸多因素如:厂房设施及设备、特殊工序和关键工序的生产工艺、影响质量的重要物料如清洗用水和用气等进行确认,证明在同一条件状况下是否能始终如一地生产出合格的产品。
4.2新产品投产前,应识别特殊工序和关键工序,并确认其能适合常规生产,并证明使用其规定的原材料、设备、工艺、质量控制方法等是否能始终如一地生产出符合质量要求的产品。
4.3对已生产、销售的产品,应以积累的生产、检验(检测)和质量控制资料为依据,确认其生产过程及产品是否能始终如一地符合质量要求。
4.4确认实施的时间要求:a)生产技术部确定或变更前。
b)生产技术部生产设备发生变更后。
c)新工艺、新产品投产前。
d)在处方或方法有重大变更前。
e)按照确认周期的要求,确认周期一般为一年,可根据确认的具体情况由确认管理人员决定是否需进行再确认。
再确认采用的方法必须和首次确认时相同,其确认的内容和广度可视情况而定。
4.5生产前确认:4.5.1前确认是正式投产前的质量活动,系指新产品、新处方、新工艺、新设备正式投入生产使用前,必须完成并达到设定要求的确认。
特殊过程控制程序(ISO9001:2015)1 范围本程序规定了特殊过程的确认及再确认的方法和要求。
本程序适用于焊接、热处理、表面处理、涂漆、塑料、粉末冶金、注药等过程。
2 术语和定义2.1 特殊过程直观不易发现、不易测量或不能经济测量的产品内在质量特性的形成过程。
3 职责3.1 科研技术副总经理负责批准特殊过程评审结论。
3.2 工艺部门负责识别特殊过程,制定评审和批准的准则,并组织实施。
3.3 设备部门负责特殊过程使用设备的认可。
3.4 人力资源部门负责特殊过程人员资格的鉴定。
3.5 检验部门负责特殊过程的器具检定、产品检验和过程监督。
3.6 各生产单位负责对特殊过程生产进行控制。
4 工作程序4.1 特殊过程识别工艺部门根据不同的产品要求,识别出特殊过程,这些过程包括:a)产品仅在使用或交付后才暴露出问题的;b)产品不能由后续的监视和测量加以验证的;c)产品不能经济地验证的。
工艺部门编制产品零部件《特殊过程确认和再确认目录》(见附录A),并将目录下发相关部门。
4.2 确认准则工艺部门各专业负责编制用于评审与批准这些过程的准则,即《特殊过程确认和再确认准则》(见附录B),包括产品需达到的内在质量特性要求,即性能指标、参数要求等;试验后固化为该过程的生产工艺、过程规范。
4.3 人员鉴定人员鉴定要求:a)人力资源部门根据工艺部门的特殊过程确认目录提供相关人员的资质证明复印件;b)人力资源部门对执行特殊过程岗位的操作者进行操作能力和质量意识进行培训,并鉴定其资格。
4.4 设备认可设备认可要求:a)设备部门根据工艺部门的特殊过程确认目录确认设备的性能、精度、技术条件、状态完好性,是否满足工艺技术条件要求;b)设备部门根据工艺部门的特殊过程确认目录确认完设备后,给工艺部门提供设备确认资料。
4.5 原材料确认检验部门负责提供特殊过程确认和再确认过程中所需材料的入厂验收合格证或试验报告复印件。
4.6 过程确认实施过程确认的要求:a)检验部门对特殊过程确认过程中所用的工装、量具进行精度检定校对,出具合格证,并将检定资料复印件提供给工艺部门;b)生产单位负责在特殊过程确认和再确认中按工艺规定参数实施;c)工艺人员编制特殊过程确认工艺参数,对实施过程进行监督;d)生产单位技术人员负责对特殊过程确认和再确认过程进行监督;e)检验人员对特殊过程确认的过程进行监督,并做相应记录;f)检验部门按工艺部门制定的特殊过程确认技术要求,对结果进行鉴定,并将鉴定结果提供给工艺部门。
1目的对产品的特殊过程进行有效控制,并采用适当的方式实施控制,以证实它们的过程能力,能够满足稳定生产的需要,确保产品满足顾客的需求和期望。
2范围适用于产品生产特殊过程的确认。
3职责 3.1技术部a) 负责组织质量部、生产车间等相关人员对已有的特殊工序工艺卡片或新增的特殊工序编制确认计划,开展确认工作;b) 根据确认报告修订或编制相应的工艺卡片,用以指导车间进行生产和工序控制。
3.2 质量部负责参与过程的确认、并实施相应的产品检验; 3.3 管理者代表负责确认计划和报告的批准。
4程序4.1特殊过程的定义:a) 产品质量不能通过后续的监视和测量加以验证的过程;b) 产品质量需进行破坏性试验或采用复杂、昂贵的方法才能测量或只能进行间接监控的过程; c) 该过程产品仅在产品使用或服务交付之后,不合格的质量特性才能暴露出来。
4.2 本公司产品生产中特殊过程见各产品生产工艺流程图中的标注。
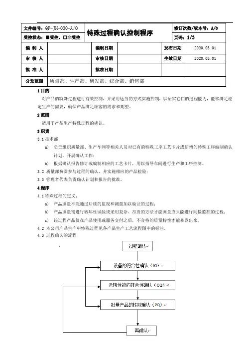
4.3 过程确认的流程文件编号:QP-JH-030-A/O 特殊过程确认控制程序修订次数/版本号:A/0 受控状态:■受控,□非受控 页码:1/3 编 制 人 编制日期 发布日期 2020.03.01 审 核 人 审核日期 生效日期2020.03.01批 准 人批准日期分发范围质量部、生产部、研发部、综合部、销售部4.4 确认计划由技术部组织相关人员编制《过程确认计划》,报由管理者代表批准后实施。
内容包括:确认的目的、适用范围、具体参与人员的职务和职责分配、确认的周期、阶段和工作内容、判定标准、理想的结果、《IQ 确认记录》、《OQ 确认记录》、《PQ 确认记录》等。
4.5设备的符合性确认(IQ)4.5.1对于所安装的设备包括附件装置要满足采购的需求,而且确认是否能够按照其声明的使用说明正常运转。
4.5.2 根据《IQ 确认记录》对设备的符合性进行逐项确认,包括:1)确认的目的;2)设备的相关信息:名称、出厂/本厂编号、型号、制造厂家、安装日期和场所等;3)确认的各项目(见下)、项目标准、确认日期和实施人员;a)配置齐全如主机、附件;b)安全性(电源、气源、水源、实际操作和紧急停止等方面);c)基本运转包括机械和电气部分的运转性能、各传动机构;d)设备控制参数仪表的校准;e)环境的影响;f)随机资料如产品合格证、使用说明书包括维护保养的点检项目、频次的规定等;g)如有生产设备软件则需进行确认。
1 目的本标准规定了本公司承担医疗器械研制和生产过程中特殊过程的质量管理要求。
2 适用本标准适用于本公司产品研制和生产过程中特殊过程的质量控制。
注:特殊过程是指过程的输出不能由后续的监视或测量加以验证,使问题在产品投入使用后才显现的过程。
3 职责3.1 科创研发部是特殊过程的归口管理部门,负责对生产过程中涉及的特殊过程进行识别,并负责编制特殊过程工艺文件。
组织专业工艺人员、综合管理部、品质管理部、车间操作人员对特殊过程进行确认和再确认。
3.2 综合管理部组织对从事特殊过程的操作和检验人员进行资格培训和鉴定。
3.3 品质管理部负责对生产过程中使用的设备、监视和测量装置的精度和状态进行检定。
3.4 生产部门负责按工艺要求进行油漆、焊接等过程的实施和管理。
3.5 采购部负责外包特殊过程的管理。
3.6 品质管理部负责对特殊过程控制的监督以及特殊过程的实施进行检验。
在特殊过程确认(再确认)中负责按设计文件和工艺文件对试验件的质量进行检验。
4 工作程序4.1 特殊过程确认的策划4.1.1 特殊过程确认的范围本公司产品生产过程中实施的没有特殊过程等,外包中的特殊过程主要有:油漆、焊接、注塑等。
4.1.2 科创研发部对本公司实施的特殊过程明确通用工艺和操作规程,其中应包括特殊过程实施的工艺参数、设备、监视和测量装置、工作环境、操作程序、人员资格等要求,并设置质量控制点。
形成相应特殊过程确认工作策划报告。
4.2 特殊过程的确认4.2.1科创研发部按照本文件第4.1条的范围对本公司承担生产加工的特殊过程工艺提出特殊过程确认申请报告。
4.2.2 在科创研发部经理主持下,科创研发部组织相应部门按照如下要求进行确认。
4.2.2.1 综合管理部组织对从事特殊过程的操作和检验人员进行资格培训和鉴定。
操作和检验人员应有上岗证、符合操作要求的等级工证明和培训记录。
4.2.2.2 品质管理部负责对生产过程中使用的设备、监视和测量装置的精度和状态进行检定。
特殊过程控制程序1. 目的对特殊过程进行确认,证实这些过程有能力实现策划的结果,并按策划的要求控制,以保证持续稳定地生产符合要求的产品。
2. 范围本程序规定了特殊过程工序的标识和质量控制的方法,适用于生产过程中所确定的特殊工序的质量控制。
3. 职责3.1 工程部负责特殊工序工艺过程的策划,并编制过程所需的工艺文件;负责组织特殊工序的工艺验证;负责对特殊工序所用设备进行设备能力认可。
3.2 质量部部参与特殊工序的工艺验证,并对过程实施情况进行监督。
4.术语和解释4.1特殊过程:不易或不能经济的确认其输出是否合格的过程。
5. 特殊过程控制要求5.1 特殊工序的确定5.1.1 工程部负责确定产品实现过程中的特殊过程,并编制过程所需的工艺文件和《特殊过程明细表》。
5.1.1.2对确定的特殊工序,工程部应在工艺文件上加以标识,并将编制的《特殊过程明细表》纳入到成套的技术文件。
5.1.1.3须确认的特殊过程:1)新策划的特殊工序实施前进行确认;2)发生重大变化的特殊工序(如:材料、工艺参数、设备、环境要求等的变化)实施前的再确认;3)确认后,发现过程不能达到策划的要求须进行再确认;4)过程不稳定影响产品质量须进行再确认。
5.1.1.4确认或再确认后的后续活动1)确认中发现的工艺文件中的问题,由工程部完善工艺文件。
2)对于异常设备,由设备部按《生产设备控制程序》进行维修,使之恢复正常。
3)确认时发现的不合格品按《不合格品控制程序》处理。
4)确认时发现的其他问题,由相关部门组织纠正和采取纠正措施,确保再确认有效并执行《不合格纠正措施控制程序》。
5)确认时的记录按《记录控制程序》执行。
5.2作业人员凡从事特殊工序的操作、检验人员,必须经过岗位培训,合格后方可上岗工作,检验人员应具备本工序过程判断能力。
5.3设备的控制工程部设备工程师对特殊工序所用设备按设备控制的有关要求进行设备能力认可。
对特殊工序使用的设备、工艺装备、仪器、仪表及监控装置等应满足工艺要求,经鉴定合格后方可投入使用,使用过程中进行定期检查。
关键特殊过程确认控制程序1.0目的对于产品生产过程中的关键过程和特殊过程,为确保产品质量,需保证生产设备、生产工艺等始终处于合理的范围,从而包装持续生产符合预定规格的产品。
2.0适用范围本程序适用于公司产品生产过程中的关键过程和特殊过程的验证,目前本公司生产过程中的特殊过程为:灭菌过程、包装过程。
3.0术语和定义无4.0职责与权限研发部主导关键/特殊过程的确认;品质部负责验证过程确认方案的审核,以及确认过程中的检验工作;生产部负责日程关键/特殊过程的监控记录。
5.0程序内容5.1验证应包括验证方案、验证报告。
5.2在出现以下情况时需进行验证:5.2.1正常生产两年时间后应对关键控制点、生产设备有效性进行再验证。
5.2.2当关键/特殊过程中,影响产品质量的主要因素(如工艺、质量控制方法、主要原料、主要生产设备等)发生改变时,质检或用户反馈出现严重不合格项时,应进行相关内容的重新验证。
5.2.3当生产车间停产超过六个月的期限后又重新生产前应对生产环境、主要生产设备、关键工序进行验证。
5.2.4 新产品试生产前对设计开发进行验证。
5.2.5主要原料生产商发生变化,投料使用前需要进行验证。
5.3验证方案:验证方案应包括以下内容1)验证目的。
2)验证范围。
3)验证小组成员。
4)验证相关材料。
5)验证方法及标准。
5.4验证方法:5.4.1变换方法进行计算,用不同的计算方法都能达到同一结果,证明计算方法是可信的。
5.4.2 将新设计结果与已证实的类似设计进行比较。
5.4.3 对样品进行检验和试验。
5.4.4 对文件发放前的设计阶段文件进行评审。
5.4.5由公司在供方处对产品进行验证或对其服务能力进行评价。
5.4.6 由公司对供方的送货进行检验。
5.4.7由公司组织生产连续多批并进行检测。
5.5 验证方案及报告的批准验证方案及验证报告由管理者代表或总经理批准。
5.6验证报告:验证报告应包括以下内容a)验证目的。
特殊过程控制程序受控状态:发放编号:2013-10-08 发布2013-10-15实施修改审批文件评审会签版本历史记录1. 目的对特殊过程进行确认,证实这些过程有能力实现策划的结果,并按策划的要求控制,以 保证持续稳定地生产符合要求的产品。
2. 适用范围本公司铸造过程、锻造过程、热处理过程、焊接过程、无损探伤、涂漆过程等特殊过程 的控制。
3. 定义特殊过程(特种工艺):直观不易发现、不易测量或不能经济地测量产品的内在质量特性 的形成过程。
4. 引用文件5.1 技术部工艺设计室负责:a) 涂漆工序工艺过程的策划,并编制过程所需的工艺文件;需要时,负责组织涂漆工序 的工艺验证;b) 焊接工序工艺过程的策划,并编制过程所需的工艺文件;组织焊接工序的工艺验证。
1.3 铸、锻过程的外包和热处理过程的外协:a) 技术部负责提出铸造、锻造和热处理特殊过程的确认要求;b) 采购部负责在铸、锻过程的外包和热处理过程的外协合同中明确供方的要求; c) 供方负责提供确认和控制的证据。
1.4 设备部负责对特殊工序所用设备进行设备能力认可。
1.5 质量管理部参与特殊工序的工艺验证,并对过程实施情况进行监督。
6. 工作程序6.1 特殊过程的能力确认技术部工艺设计室负责特殊工序工艺过程的策划,并编制过程所需的工艺文件;负责组 织有关部门进行特殊过程的能力确认,主要采用工艺验证方式进行,特殊情况下采用小批试 用方式进行。
确认的结果应证实过程能力稳定、充分。
6.1.1 须确认的特殊过程:a) 新策划的特殊工序实施前进行确认;GB/T 19001:2008 《质量管理体系要求》 GJB 9001B-2009GB/T 24001-GB/T 28001-2011 GB/T 19000-2008 GJB 1405A-2006 GJB 481-88 《质量管理体系 要求》《环境管理体系 要求及使用指南》 《职业健康安全管理体系 要求》 《质量管理体系 基础和术语》 《装备质量管理术语》《焊接质量控制要求》API SpecQ15. 职责 《石油、石化和天然气工业质量纲要规范》b) 发生重大变化的特殊工序(如:材料、工艺参数、设备、环境要求等的变化)实施前的再确认;c) 确认后,发现过程不能达到策划的要求须进行再确认;d) 过程不稳定影响产品质量须进行再确认。
文件制修订记录1、目的:确保公司的质量方针和质量目标的实现,对本公司承接的轨交列车架、大修项目列车维修中的特殊过程进行确认,确保特殊工序有效且处于受控状态。
2、适用范围:适用于公司承接的轨交列车架、大修项目列车维修中的电机轴承压装、牵引电机打胶密封、轮对压装、轴箱轴承压装、高风险扭力紧固等特殊过程的确认管理。
3、参考文件:第一次架修项目作业指导书第二次架修项目作业指导书特殊、关键工序管理程序不合格品控制程序ISO22163轨道交通业质量管理体系中文版4、人员及职责:5.1特殊过程的特点5.1.1当生产和服务提供过程的输出不能由后续的监视或测量加以验证,或不能经济地加以验证的过程称为特殊过程。
如:电机轴承压装、牵引电机打胶密封、轮对压装、轴箱轴承压装、高风险扭力紧固等等。
5.1.2特殊过程的根本特点是其经生产后可能有未检验和试验出来的内部缺陷,因此难以准确评定其质量。
可能产生内部缺陷的原因是采用某种特殊工艺,决定了该过程是特殊过程。
5.2特殊过程的确认技术部编制《特殊、关键工序管理程序-A版》,规定对特殊过程确认、再确认;对电机轴承压装、牵引电机打胶密封、轮对压装、轴箱轴承压装、高风险扭力紧固等特殊过程的验证、再验证;其内容包括:确认(验证)计划制定、实施、记录和报告。
5.3 特殊过程确认(验证)计划的制定技术部确定本公司承接的轨交列车架、大修项目列车维修中的电机轴承压装、牵引电机打胶密封、轮对压装、轴箱轴承压装、高风险扭力紧固等过程为本公司的特殊过程需要确认、再确认过程;特殊过程确认(验证)计划执行《特殊、关键工序管理程序-A版》规定,在《特殊、关键工序管理程序-A版》中明确对工艺装备的认可、材料控制、工艺方法、环境要求和人员资格等条件的鉴定;5.4 特殊过程的确认(验证)的实施5.4.1技术部按照《特殊、关键工序管理程序-A版》,组织检验员和有经验的操作者,参加确认小组,对该过程的作业指导书、人员技能、所用材料及所用设备、环境、计量仪器进行确认,以能证实这些过程实现所策划的结果的能力。
关键、特殊过程确认控制程序1目的为确认铁路产品的特殊过程、关键过程和“八防”项点,确保生产和服务过程能持续稳定地提供符合要求的产品,确保产品质量安全。
2适用范围本程序适用于公司机车产品生产和服务过程中关键过程、特殊过程和“八防” 项点的确认控制。
3关键、特殊过程(包括八防)的识别3.1 “八防”:是指八类直接影响到铁路行车安全的项点,即防裂(裂损)、防脱(脱落)、防燃(燃轴)、防断(断裂)、防爆(爆炸)、防火(火灾)、防3.2关键件:是指涉及“八防”的产品,即产品安全有直接影响的机车产品的零部件。
3.3关键工序:制造过程中影响成品质量、性能、寿命、可靠性的工序。
3.4特殊过程是指不能检测或测量加以验证及由操作者技能水平对产品质量起决定性作用生产和服务提供过程。
嘉业公司包括:焊接、喷漆、胶接、表面化学处理、淬火、施胶。
4相关/支持性文件a)程序文件汇编;b)人力资源管理控制程序;c)培训管理程序;d)设备管理控制程序;e)工装模具管理控制程序;f)监视和测量设备控制程序;g)首件检验控制程序。
5职责5.1技术部负责对生产过程中的关键、特殊过程进行识别,组织编制关键、特殊过程的工艺文件,并组织对关键、特殊过程进行确认;5.2质量保证部负责关键、特殊过程的监督检查,按工艺文件要求进行监视和测量,负责监视和测量设备的校准工作;5.3设备管理部负责关键、特殊过程的设备管理;5.4人力资源部负责关键、特殊过程人员的培训和资格认定;5.5生产部负责本单位关键、特殊过程申报并实施控制,并对工艺参数进行记录;5.6质量保证部、技术部、生产部负责对关键、特殊过程外包厂家的资质鉴定,按《外协管理办法》及《生产过程控制程序》进行实施。
6关键过程的控制6.1关键过程的确定原则6.1.1对产品的功能、性能、安全和可靠性有直接影响的生产工序(包括“八防”项点);6.1.2制造过程中精度高、难度大、工艺复杂的工序;6.1.3技术部确定关键过程,组织编制《关键、特殊(八防)过程明细表》,确定“八防”控制项点,明确控制要求,并以技术文件形式下发执行;6.1.4 质量保证部在特殊过程的工艺纪律检查时,组织技术部证部、生产单位,检查特殊过程使用的设备工装是否满足特殊过程要求,并填写《关键、特殊(八防)过程能力确认表》。
特殊过程控制程序文件类别:文件编号:版本号:颁布日期:特殊过程控制程序编制:审核:审定:批准:实施日期:目录对特殊过程进行鉴定、控制,以保证产品质量。
2适用范围生产过程中特殊过程的管理。
3定义3.1特殊过程是指:1)产品质量不能通过直接的测量或监控加以验证的工序;2)产品质量需进行破坏性试验或采取复杂方法才能测量的工序;3)该工序产品仅在产品使用或交付之后,不合格的质量特性才能暴露出来;4)典型的特殊过程有:焊接、热处理、电镀、涂漆、塑料、铸造、锻造、压铸、粘结等。
3.2本公司特殊过程是焊接、涂漆、铆接、粘结等。
4管理职责4.1工艺工装室是特殊过程鉴定的归口办理部门,卖力组织特殊过程的鉴定工作,并按要求做好鉴定报告,公司工艺工装室不能验证的项目,与供货厂家或国家相关检测部门联系验证。
4.2装备部卖力工序过程中所利用装备的鉴定,确保装备参数符合有关技术文件中的要求。
4.3质量部卖力对鉴定过程中产品质量成效进行检修。
XXX负责对特殊工序操作人员的培训和资格认定,以保证操作者合格上岗。
4.5生产部负责按技术文件中特殊过程的要求组织、监督作业。
5管理内容5.1特殊过程的鉴定及要求5.1.1工艺工装室肯定鉴定日期及所需鉴定的工件或产品车,及相关技术前提,做好工艺鉴定前的准备工作,并对工艺过程进行监督。
5.1.2装备部对特殊过程鉴定所利用的装备进行检测,包管装备运行一般,并对装备参数进行监控。
5.1.3相关工艺人员对鉴定过程进行跟踪,指导操作者严格按技术文件中要求操作,并做好工艺参数、设备参数记录。
5.1.4质量部对鉴定件或产品进行常规检测,公司内无法完成的检测内容由工艺人员负责到有资质的部门进行检测,工艺人员对检测结果进行记录、分析。
5.1.5对鉴定过程中所得过程参数、设备参数、检验结果数据,分别由工艺人员、质量人员及设备员签字确认。
5.1.6鉴定过程完成后,由工艺人员填写特殊工序过程鉴定单,编制鉴定报告。
特殊过程确认方案
特殊过程确认方案是指在ISO 9001 质量管理体系中,对于对质量管理体系的实施过程中有明显差别于通常过程的一种管理方法,在对这些特殊过程的实施进行确认的方案。
特殊过程确认方案通常包括以下步骤:
1. 确定特殊过程:首先确定组织中存在的特殊过程,这些过程通常与产品或服务的特殊要求相关。
2. 确认标准:明确特殊过程的实施标准,即特殊过程应满足的要求。
这可以包括法规、行业标准、客户要求等。
3. 确认能力:评估特殊过程的能力,包括人员技能、设备设施和资源的可行性。
4. 确认控制:确保特殊过程得到了有效控制,包括制定和执行相应的控制措施和程序。
5. 实施监控:建立监控机制,跟踪特殊过程的实施情况,并对其进行持续改进。
6. 审核和审查:定期审核和审查特殊过程的实施情况,确保其符合要求。
7. 记录和报告:记录特殊过程的实施情况、监控结果和改进措施,并向相关方报告。
特殊过程确认方案的目的是确保组织能够有效管理和控制特殊过程,以满足特殊要求,保证产品和服务的质量。
该方案应与组织的质量管理体系相结合,确保特殊过程的实施与质量政策、目标和程序相一致,并得到监督和改进。
1.0目的:对生产过程中的特殊过程实施确认,以证实这些过程实现所策划的结果的能力。
2.0 范围:适用于生物体外诊断试剂产品生产过程所涉及的特殊过程的控制。
3.0 职责3.1 生产技术部:3.1.1 负责产品生产过程中特殊过程的识别和确认。
3.1.2 负责特殊过程的工艺文件制定,并按文件要求实施监控。
负责为生产技术部实现对特殊过程控制提供必须的设备及监视设备的验证和确认。
3.2 行政人事部:负责为生产技术部实现对特殊过程控制提供必须的人力资源和培训,并会同生产技术部对特殊过程人员资格进行鉴定。
3.3 质量管理部:负责为生产技术部实现对特殊过程控制提供必须的验证和监视。
4.0 内容4.1 定义:当过程的结果不能通过其后的测量或监控加以验证,或者过程结果的缺陷仅在后续的过程仍至产品使用或服务交付后才显露出来,或需实施破坏性测试才能获得证实的过程称之为特殊过程。
4.2 特殊过程的识别和确定:按照产品类别,确定以下工序为特殊过程。
4.2.1 酶联免疫法产品:灭菌、配液、包被、封闭、封装4.2.2 胶体金法产品:配液、点膜、干燥、冻干、封装4.2.3 PCR:配液4.3 特殊过程的控制:4.3.1 从事高压灭菌的操作人员需专人经专业培训合格后方可上岗;从事其它特殊过程的操作人员需专人经培训合格后方可上岗;4.3.2 各特殊过程涉及的生产工艺参数和使用的设备及其参数必须经验证/确认,符合要求后方可正式投入产品生产;生产工艺及及设备发生变更应进行重新验证/确认,符合要求后方可正式投入产品生产。
4.3.3 各特殊过程所使用的设备需定期进行维护保养;当设备发生大修或主要零部件更换时也应进行重新验证/确认。
4.3.4 特殊过程确认符合要求后,由生产技术部组织制定特殊过程的工艺文件,明确工艺流程及工艺参数,其中各特殊过程作业指导书中应注明所使用设备的过程参数和要求。
4.3.5 各特殊过程必须按作业指导书及工艺流程文件要求实施监控,按要求填写相关记录。
1目的1.1识别、确认公司生产和服务提供过程的特殊过程,并对过程实施有效的管理,确保过程始终受控达到预期要实现的结果,以使产品满足规定要求。
2范围2.1适用于本公司特殊过程的确认控制。
3职责3.1技术部负责识别特殊过程,制定相应的确认方法、确认周期、制定验证计划;负责在确认过程中完成相应的制品制作及生产过程工艺参数的连续监控和记录。
3.2质量部负责全过程参数监控,同时记录原始数据并依据原始数据进行过程能力分析。
3.3管理者代表负责批准确认方案和报告。
3.4行政部部负责组织对特殊过程的作业人员进行培训和教育。
4内容4.1定义:4.1.1关键工序:4.1.1.1影响产品重要质量特性的工序;4.1.1.2操作复杂,技术含量较高的工序;4.1.1.3容易出现质量事故,或对下道工序质量影响较大的工序。
4.1.2特殊工序的定义4.1.2.1产品质量不能通过后续的测量和监控加以验证的工序;4.1.2.2产品质量需要进行破坏性试验或采用昂贵的方法才能测量或只能进行间接监控的工序;4.1.2.3该工序产品仅在产品使用或服务交付后不合格的质量特性才能暴露出来。
4.2关键/特殊工序的识别4.2.1技术部在产品实现过程中识别产品生产过程中的关键工序和特殊工序,在工艺流程图中明确;4.2.2技术部依据识别的关键和特殊工序及其对产品质量影响的程度,以及产品质量状况,明确关键和特殊工序的确认要求,将确认计划列入年度验证总计划,各涉及相关部门依据审批的验证计划实施年度验证。
4.3关键/特殊工序的确认4.3.1技术部编制关键/特殊过程验证方案,方案应明确:1)过程确认的目的、范围;2)确认小组组成部门、人员及职责;3)各阶段及完成时间;4)所使用的设备符合性及所使用材料的适宜性证明或说明;5)明确工序过程及其适宜性;6)工序参数设定的范围及其依据;7)各阶段检测方法设定的依据;8)各阶段的接收准则及其设定的依据。
4.3.2关键/特殊工序参数的验证4.3.2.1安装确认(IQ)1)对设备的安装进行验证,设备的安装应满足相关技术或合同的要求;2)根据产品特性和生产工艺流程及产品的质量要求,在使用前应对所使用设备的适宜性、性能和精度等是否满足工艺要求进行确认;对设备的附件、备件的适用性进行确认;3)设备及维护设备自带的软件,在使用前进行确认并在程序修改后再次确认。
1 目的:为确保特殊关键过程的质量得到有效控制,必须对特殊关键过程进行确认与控制。
2 范围:我公司目前所采用的电阻点焊、CO2焊两种焊接方法及涂装、装配与检测的关键工序3 特殊过程的识别及确认程序、内容3.1 根据公司生产实际,确定特殊过程为:焊接(包括CO2焊接、点焊)与涂装。
具体过程见焊接工艺卡与涂装工艺卡。
3.2 确认程序3.2.1 由技术部组织相关部门人员对特殊过程给予确认,并形成相应的记录。
3.2.2 在工艺验证合格后对特殊过程进行确认。
3.2.3 当生产环境及工艺条件等发生变更时,应对特殊过程予以重新确认。
3.3确认内容3.3.1焊接、涂装设备及工装、计量器具焊接、涂装车间现场所使用的设备与工装、计量器具均按工艺要求配置齐备,且均经过调试验证正确,其精度与技术状态能满足加工出合格产品的需要,并坚持日检点和周期保养、检定或维护。
3.3.2焊接、涂装工艺参数焊接、涂装工艺文件上规定的工艺参数经过工艺验证正确,现场严格按规定的工艺参数进行操作。
对工艺参数应每日进行监控并有监控记录,如发现异常有处理办法并记录。
3.3.3焊接、涂装操作人员焊接、涂装车间操作人员应经过岗位培训,有上岗证、操作证,熟悉本工位工艺参数及操作要领、检测方法等。
严格执行“三检制”,认真做好自检记录。
3.3.4生产环境3.3.4.1现场干净,整洁,符合产品特性要求,无事故隐患3.3.4.2工作现场严格按定置管理图进行管理3.3.4.3工序产品有相应的工位器具盛放,有防护措施3.3.4.4 产品标识及状态标识齐全,清晰3.3.5 材料、在制品3.3.5.1 现场所使用的各种原材料均已通过进货检验,为合格品。
工序间在制品及制成品均实行了“三检制”,并有相应的标识。
3.3.5.2 各种材料、在制品的质量记录必需完整。
3.3.6焊接、涂装产品质量控制按关键过程相关要求执行(见本标准的第四条款)4 关键过程的识别与控制4.1关键过程的识别具体内容见附表1。
1 目的规定特殊过程的确认、再确认方式以及过程的控制方法,保证加工出合格的产品。
2 适用范围适用于本单位产品特殊过程的控制。
3 职责3.1 XX负责特殊过程的归口管理,负责特殊过程的实施,负责特殊过程加工设备的管理,负责编制特殊过程工艺和对过程的监督。
3.2 负责对特殊过程的监控和产品的检验,负责保证特殊过程监视、测量装置合格并在检定周期内。
3.3 人力资源管理部门负责对特殊过程操作人员进行培训和资格评定。
4 工作程序4.1 特殊过程控制流程特殊过程控制流程图(见附图)。
4.2 特殊过程的确认4.2.1 特殊过程为:固封。
4.2.2 固封过程的确认本所产品的固封分为灌封和点封两种形式;按照两种方法固封的典型产品由工艺人员编写操作方法,相关部门严格按照工艺操作方法进行工艺试验,经过验证其性能符合规定要求后,工艺人员编写操作作业指导书,经审核、批准后,由操作人员按此作业指导书操作。
4.3 特殊过程准备4.3.1 特殊过程工艺需要按照相关标准进行编制。
4.3.2 特殊过程操作人员必须经过培训,考核合格并持证上岗。
特殊过程的关键工序要安排双岗。
4.3.3 特殊过程使用的设备、仪器要满足特殊过程的精度要求,处于完好状态。
4.3.4 特殊过程使用的监视测量装置要经检定合格并在有效检定周期内。
4.3.5 特殊过程的生产环境要满足特殊过程的要求。
4.4 特殊过程的实施a) 操作人员操作前应确认使用材料的有效期、设备的检定周期以及环境要求;b) 特殊过程操作人员要严格按照特殊过程工艺文件、作业指导书的规定进行操作,并认真填写特殊过程质量记录(“固封操作记录表”,表格格式参考c) 检验人员按图样和工艺文件要求对产品进行检验,并填写有关记录。
4.5 特殊过程的再确认当特殊过程的工艺方法、人员、设备发生变更,过程的停工时间超过规定的时限应对过程进行再确认,确认方法同4.2。
附图:特殊过程控制流程图。
1.目的对产品实现过程中的特殊过程进行确认,以证实这些过程实现所策划的结果的能力,确保产品质量满足顾客要求和相关法律法规要求,确保产品的安全性和有效性。
2.适用范围适用于对本公司产品实现过程中特殊过程的确认和监视活动。
3.职责3.1技术部负责特殊过程的识别,并负责组织实施特殊过程确认。
3.2质量部、生产部负责协助特殊过程确认及对特殊过程进行监视。
3.3确认小组组长负责审批过程确认实施计划和确认结果。
4.工作程序4.1 特殊过程定义及本公司产品实现过程中的特殊过程4.1.1特殊过程是指:a)GB/T19000:2008idtENISO19000:2005 3.4.1过程定义注3所述“特殊过程”:“对形成的产品是否合格不易或不能经济地进行验证的过程”。
b)GB/T19001:2008idtENISO9001:2008 标准7.5.2条款所指的过程:“当生产和服务提供过程的输出不能由后续的监视或测量加以验证,使问题在产品使用后或服务交付后才显现时,组织应对这样的过程实施确认。
”上述过程统称为“特殊过程”。
4.1.2本公司产品实现过程中的特殊过程根据上述定义结合本公司目前产品的生产工艺流程,本公司产品生产过程中的灭菌等为特殊过程。
4.2特殊过程的确认4.2.1特殊过程评审和批准准则a) 对特殊过程设备及相关设施进行确认或验证,确认其是否具有使产品满足要求的加工能力;b) 对特殊过程的工艺方法和工艺参数进行充分确认或验证,按设定的工艺方法和参数进行确认,通过确认获得的正确的工艺方法和可靠参数,并通过确认优化出一组最佳工艺参数;c) 对操作人员进行岗位专业知识和技能进行考核,确认其具有岗位操作能力;d) 对特殊过程所使用的材料进行检验或验证,并确定材料牌号、规格、型号及其化学和物理性能等符合要求;e) 对有环境要求的过程,对其环境应进行确认,确保生产环境符合工艺要求;f) 对过程的试制产品应运用适当的方法进行检验或验证,并事先规定可接受准则,若有本公司不具备检测或验证能力的项目可委外,根据检验或验证结果,应符合可接受准则。
特殊过程确认控制程序
1 范围
本程序规定了特殊过程的确认与控制要求及其工作程序。
本程序适用于公司航空产品生产中,特殊过程的质量控制。
2 规范性引用文件
下列文件中的条款通过本程序的引用而成为本程序的条款。
凡是注日期的引用文件,其随后所有的修改单(不包括勘误的内容)或修订版均不适用于本程序。
凡是不注日期的引用文件,其最新版本适用于本程序。
GJB9001A-2001 质量管理体系要求
Q/ 记录控制程序
Q/ 人力资源管理程序
Q/ 基础设施管理程序
Q/ 采购控制程序
Q/ 关键过程控制程序
Q/ 监视和测量装置的控制程序
Q/ 产品的监视和测量程序
Q/ 不合格品控制程序
3 术语和定义
本程序采用GJB9001A给出的术语和定义。
4 管理职责
冶金管理部门负责特殊过程的确认及其控制。
检验部门参与特殊过程的确认及其控制工作,并对加工产品或零件(毛坯)检查验收的质量负责。
设备部门负责对特殊过程所用的设备进行最初鉴定和定期检定。
计量部门负责对特殊过程所用的仪器、仪表、量具等进行定期校验。
各生产单位负责做好特殊过程的确认及其控制的具体工作并按要求填写操作记录。
5 工作程序
特殊过程确认控制流程图
为特殊过程。
特殊过程确认的程序
特殊过程经确认后,采用该过程加工的产品方可投入生产,需确认的具体项目、内容和要求按以下程序进行:
按特殊过程的工艺类别,生产单位选取有代表性的典型零件或试样(涉及特殊过程关、重特性的关键件、重要件均应选取),申请对工艺过程进行特殊过程确认,经冶金管理部门认可后,工艺员填写“特殊过程确认表”(冶表122,见附录A)。
需要时,冶金管理部门可下达特殊过程确认项目的技术通知。
生产单位技术负责人组织工艺室、检验室及其
过程操作人员、设备管理人员共同参加对过程的确认。
按照工艺文件确定的设备、工艺参数、步骤及检验项目,逐项进行验证。
操作人员对零件加工的过程要详细、如实进行记录, 检验人员应对检验项目逐项进行检验。
工艺员、操作人员、检验人员按实际验证过程填写“特殊过程确认表”,提供过程记录,逐级签字,对该过程能够达到目的及结果的能力给出结论性意见,最终经总冶金师批准,即完成该项过程的确认。
特殊过程确认的主要工艺参数和检验项目
锻造
主要工艺参数:始锻温度、终锻温度、锻后冷却方式、模具温度等;
主要检验项目:表面质量、锻造尺寸、机械性能、断口、低(高)倍等。
铸造
a)主要工艺参数:炉料成分、预热温度、熔炼时间、模具温度、熔剂用量、出炉温度及浇铸温度等;
b)主要检验项目:表面质量、铸造尺寸、化学成分、机械性能、针孔等级、荧光检查或磁粉探伤、X射线检查等。
焊接
主要工艺参数:电流、电压、真空度、温度、时间等;
主要检验项目:表面质量、气密性检查、无损探伤等。
热处理
主要工艺参数:温度、时间、真空炉真空度、各种槽液成分、氨分解率等;
:槽液成分、零件镀覆面积、电流强度、电压、温度、时间等;
橡胶
主要工艺参数:成型温度、压力、硫化时间、模具温度等;
主要检验项目:表面质量、橡胶件尺寸、X射线检查(活塞件)等。
塑料
主要工艺参数:成型温度、压力、注塑时间、模具温度等;
主要检验项目:表面质量、塑料件尺寸等。
涂覆
主要工艺参数:干燥温度、时间等;
主要检验项目:表面质量、涂层厚度、结合力等。
粘接
主要工艺参数:固化温度、时间等;
主要检验项目:表面质量、粘结强度等。
确认的工艺参数与检验、试验项目应视具体零件而定。
特殊过程控制
人员资格
从事特殊过程的各类人员应按Q/的要求从教肓、培训、技能和经验等方面进行资格鉴定,合格者授予资格证书,持有岗位职务培训合格证者允许在有效期内担任资格证规定项目的工作。
设备、仪器、仪表和工装
特殊过程生产使用的设备、仪器、仪表和各类工装,分别按Q/、Q/等规定要求,经鉴
定合格后,方可使用,不合格和存在隐患的设备应挂“禁用”牌。
材料
特殊过程所使用的各类原材料及辅助材料应按Q/的规定要求,合格方可使用。
工作介质要按工艺文件规定进行配制,并做好原始记录,符合规定方可使用,不符合规定的由检验人员挂“禁用”牌,严禁使用。
工艺文件
生产现场的工艺规程、生产说明书(通用工艺规程)等工艺文件应为晒蓝或复印的正式文件,如有更改应按的规定办理相关手续。
生产过程与质量检验
生产现场使用的工艺文件应齐全,现行有效,且文实相符。
生产使用的设备、仪器、仪表、工装、
在生产中对特殊过程应按工艺规程和通用工艺规程的规定进行操作、检查,并按
定做好记录。
对涉及特殊过程的关键工序,除按本程序控制外,还应按Q/的规定进行控制。
检验人员依据工艺文件和技术条件,按Q/的规定对经特殊过程加工的零件质量进行检验,并按Q/的规定记录质量情况,保证可追溯性。
检验人员应随时注意检查工艺纪律和产品零件质量,出现不合格品时,应按Q/的规定处理。
再确认
对已确认的特殊过程当出现下列情况时,需进行再确认。
再确认仍按本程序第5条的要求进行。
该过程已停止生产一年以上。
原定的人员、设备发生变化。
过程的方法、参数和接收准则发生变更。
连续生产五年以上。
顾客代表要求参与确认的特殊过程,在确认时应邀请顾客代表参加。
6 支持性文件
冶金系统技术文件编制与管理规定
7 质量记录目录
人员资格鉴定记录
设备认可记录
特殊过程的确认记录
特殊过程的控制记录
表 特殊过程确认表 冶表122
填表说明:
金师批准。
本表由冶金处统一编号,编号为QRX----xxx----XXXX , QR----确认 X----特殊过程代号:
1----焊接 2----铸造
3----锻造4----热处理
5----橡胶、塑料、涂覆、粘接6----表面处理
xxx----过程确认顺序号
XXXX----年代号
该表一式两份,一份交冶金处,一份确认单位自存。
6A。