AT500变频器说明书V2.0
- 格式:pdf
- 大小:3.38 MB
- 文档页数:106
目 录前言 (5)第一章安全信息及注意事项 (6)1.1安全事项 (6)1.2注意事项 (8)第二章产品信息 (11)2.1铭牌说明 (11)2.2产品系列 (12)2.3产品外形 (13)2.3.1简易型产品外形及面板 (14)2.3.2小功率通用型产品外形 (15)2.3.3 4KW-7.5KW产品外形 (15)2.3.4 11KW以上产品外形 (16)2.4基本技术规格 (17)2.5制动单元与制动电阻选型表 (19)2.6 EMC(电磁兼容性) (21)2.6.1相关术语定义 (21)2.6.2电源输入端加装EMC输入滤波器 (21)2.6.3电源输入端加装交流输入电抗器 (21)2.6.4变频器输出侧加装交流输出电抗器 (21)第三章安装与接线 (22)3.1.1安装环境 (22)3.1.2安装空间要求 (22)3.1.3机械安装注意事项 (23)3.2电气安装 (23)3.2.1主回路端子说明 (23)3.2.2变频器主回路接线方式 (24)3.2.3主回路配线注意事项 (24)3.2.4控制回路端子说明 (26)3.2.5端子接线图 (28)3.2.6主控板跳线设置 (31)第四章键盘操作说明 (32)4.1操作与显示界面介绍 (32)4.1.1功能指示灯说明 (32)4.2键盘按键说明 (33)4.2.1参数设置 (33)4.2.2电机参数自学习 (34)4.2.3密码设置 (36)第五章功能参数表 (36)5.1基本功能参数简表 (37)5.2监视参数简表 (69)第六章参数说明 (72)P1组电机参数 (80)P2组矢量控制参数 (83)P3组 V/F控制参数 (85)P4组输入端子 (93)P5组输出端子 (104)P6组启停控制 (109)P7组键盘与显示 (113)P8组辅助功能 (118)P9组故障与保护 (130)PA组过程控制PID功能 (137)PB组摆频、计数功能 (144)PC组多段速指令及简易PLC功能 (146)Pd组通讯参数说明 (152)PE组保留 (154)PF组功能码管理 (154)A0组转矩控制和限定参数 (156)A1–A4组参数保留 (158)A5组控制优化参数 (158)通讯数据地址定义 (161)1.1功能码数据 (161)1.2非功能码数据 (162)Modbus 通讯协议 (165)1.1应用方式 (165)1.2总线结构 (165)1.3通讯资料结构 (166)1.3.1数据帧字段说明: (167)1.4功能码参数地址标示规则 (168)第七章维护保养与故障诊断 (173)7.1变频器的日常保养与维护 (173)7.1.1日常保养 (173)7.1.2定期检查 (173)7.1.3变频器易损件更换 (174)7.1.4变频器的存贮 (174)7.2故障报警及对策 (175)7.3常见故障及其处理方法 (179)前言首先感谢您购买本公司开发生产的高性能矢量变频器!本系列变频器是一款通用高性能电流矢量变频器,主要用于控制和调节三相交流异步电机的速度和转矩。
目录一、用户须知 2二、注意事项 3三、系统简介 4四、输出逆变系统 5五、可控整流系统 40 附录一维护与保养 54 附录二、依照EMC导则进行传动装置设计的说明 55一、用户须知1.1该变频调速装置为电力电子器件组成,在运输及安装过程中,尽量避免强烈的震动,尽量垂直运输。
1.2该变频调速装置尽量安装在干燥通风的区域,变频器的散热片距墙壁(或遮挡物)距离应大于1.0米。
1.3长期不用时,应存放在清洁干燥的地方;在井下安装好而不运行的状况下,该设备尽量不停电。
1.4 使用之前,必须详细阅读用户手册。
二、注意事项2.1变频调速装置其隔爆外壳体及本安控制盒的结构和非本安及本安电路的电气参数,在出厂前均已装配调试合格,用户严禁改动变频调速装置壳体的结构和电气参数,以确保本产品的防爆性能、电气性能和本安性能。
2.2设备在带电情况下,严禁松动隔爆壳紧固件,在检修或处理故障时,请注意“断电源后开盖”。
(注:本安接线腔不受此限制)2.3外壳应接地良好。
2.4电源接线隔爆腔在接线时请注意按图接线,不得接错。
2.5装置防爆主腔内进行操作时,手上必须带接地导线或静电环。
2.6装置电源R、S、T停电以后5分钟内禁止对变频器隔爆主腔内的任意电路进行操作,且必须用仪表确认机内电容已放电完毕,方可实施机内作业。
停电以后1分钟内禁止再次给电。
2.7负载运行过程中尽量减少瞬时停电次数。
2.8禁止对变频器主回路及控制回路进行耐压试验,如对与变频有电路联系的相关设备进行耐压试验之前应将与变频相关的电路切断。
2.9测量变频器输出电压时必须使用整流式交流电压表,使用其它非整流式电压表测量高频脉冲电压时,容易产生误操作或显示不准确。
2.10变频器安装应远离大容量变压器及电动机(容量为变频器的10倍以上)。
2.11该系统输出端不可以加装进项电容或阻容吸收装置。
2.12该系统变频器箱与电抗器箱连接必须完全按照相关图纸,以保证反馈电压相序一致。
目录前言 ................................................................................................ 错误!未定义书签。
第一章安全信息及注意事项. (5)1.1安全事项 (5)1.2注意事项 (7)第二章产品信息 (10)2.1铭牌说明 (10)2.2产品系列 (11)2.3产品外形 (12)2.3.1简易型产品外形及面板 (13)2.3.2小功率通用型产品外形 (14)2.3.3 4KW-7.5KW产品外形 (15)2.3.4 11KW以上产品外形 (15)2.4基本技术规格 (17)2.5制动单元与制动电阻选型表 (19)2.6 EMC(电磁兼容性) (20)2.6.1相关术语定义 (20)2.6.2电源输入端加装EMC输入滤波器 (20)2.6.3电源输入端加装交流输入电抗器 (21)2.6.4变频器输出侧加装交流输出电抗器 (21)第三章安装与接线 (21)3.1.1安装环境 (21)3.1.2安装空间要求 (22)3.1.3机械安装注意事项 (22)3.2电气安装 (23)3.2.1主回路端子说明 (23)3.2.2变频器主回路接线方式 (23)3.2.3主回路配线注意事项 (23)3.2.4控制回路端子说明 (26)3.2.5端子接线图 (27)3.2.6主控板跳线设置 (30)第四章键盘操作说明 (31)4.1操作与显示界面介绍 (31)4.1.1功能指示灯说明 (31)4.2键盘按键说明 (32)4.2.1参数设置 (32)4.2.2电机参数自学习 (33)4.2.3密码设置 (34)第五章功能参数表 (35)5.1基本功能参数简表 (35)5.2监视参数简表 (67)第六章参数说明 (70)P1组电机参数 (78)P2组矢量控制参数 (81)P3组V/F控制参数 (83)P4组输入端子 (91)P5组输出端子 (102)P6组启停控制 (107)P7组键盘与显示 (111)P8组辅助功能 (116)P9组故障与保护 (128)PA组过程控制PID功能 (135)PB组摆频、计数功能 (142)PC组多段速指令及简易PLC功能 (144)Pd组通讯参数说明 (150)PE组保留 (152)PF组功能码管理 (152)A0组转矩控制和限定参数 (153)A1–A4组参数保留 (155)A5组控制优化参数 (155)通讯数据地址定义 (157)1.1功能码数据 (157)1.2非功能码数据 (158)Modbus 通讯协议 (161)1.1应用方式 (161)1.2总线结构 (161)1.3通讯资料结构 (162)1.3.1数据帧字段说明: (163)1.4功能码参数地址标示规则 (164)第七章维护保养与故障诊断 (169)7.1变频器的日常保养与维护 (169)7.1.1日常保养 (169)7.1.2定期检查 (169)7.1.3变频器易损件更换 (170)7.1.4变频器的存贮 (170)7.2故障报警及对策 (171)7.3常见故障及其处理方法 (175)第一章安全信息及注意事项安全定义:在本手册中,安全注意事项分以下两类危险:由于没有按要求操作造成的危险,可能导致重伤,甚至死亡的情况注意:由于没有按要求操作造成的危险,可能导致中度伤害或轻伤,及设备损坏的情况;请用户在安装、调试和维修本系统时,仔细阅读本章,务必按照本章内容所要求的安全注意事项进行操作。
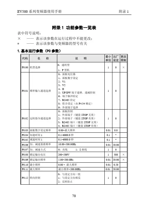
附录1 功能参数一览表表中符号说明:
×——表示该参数在运行过程中不能更改;* ——表示该参数与变频器的型号有关
1.基本运行参数(P0参数)
2. 启动、停止参数(P1参数)
3 .V/F曲线设定及电机参数(P2参数)
4. 外部输入、输出端子定义(P3参数)
5.辅助运行参数(P4参数)
6. 多段速和PLC参数(P5参数)
7. PID参数(P6参数)
8. 摆频参数(P7参数)
9. 保护参数(P8参数)
10. 通讯参数(P9参数)
11. 状态监控参数一览表
EV500系列变频器使用手册 附录1
80
参数d- 13、d- 34显示符号与外部输入端子状态的对应关系如下:
X1X2X3X4LED 亮:表示有效 LED 灭:表示无效
端子状态
端子状态 端子状态 端子状态 输出状态 输出状态
当前输入端子状态:
有效:X1、X4、X5、X6、X7
无效:X2、X3 当前输出端口状态: 有效:Y1 无效:Y2。
PI500A系列变频器使用说明书1.序言感谢选用普传PI500A 系列基本型变频器。
本操作说明的示图,是为了方便说明,可能与产品会略有不同,由于产品升级,也可能略有不同,请以实物为准。
请注意将本使用手册交到最终用户手中,并妥善保存,以便日后检修、维护时使用。
如有疑问,请及时与本公司或本公司代理商取得联系,我们将竭诚为您服务。
2.铭牌说明型号说明:3.外形尺寸注:0.75~4kW G3支持导轨安装0.75~4kW G3外形尺寸5.5~11W G3外形尺寸15~22kW G3外形尺寸单相220V AC外形尺寸图及安装尺寸单相220V AC外形尺寸图及安装尺寸负载为单相电机三相220V AC外形尺寸图及安装尺寸三相380V AC外形尺寸图及安装尺寸三相480V AC外形尺寸图及安装尺寸4.操作键盘介绍图4-1:操作面板显示标志6.配线图(1)配线线路规格,请按照电工法规规定实行配线;(2)请勿将交流电接至变频器输出端(U、V、W),否则会引起变频器损坏;(3)电源配线,请尽量使用隔离线与线管,并将隔离线或线管两端接地;(4)变频器接地线不可与电焊机、大功率电机或大电流负载共同接地,请单独接地;(5)接地端子请正确接地,接地阻抗小于10Ω;控制回路配线注意事项(1)请把控制信号线与主回路线、及其他动力线,电源线分开走线。
(2)为防止干扰而引起误动作,请使用绞合屏蔽线或双股屏蔽线,规格为0.5~2mm²(3)请确定各使用端子允许条件,如:电源、最大允许电流等;(4)各端子接线要求,正确选用配件,如:电压表、输入电源等;(5)完成配线后请正确检查,确认无误后方可上电。
7.负载为单相电机E8.29电机类型选择:0:普通三相异步电机、1:单相电机正转(拆电容)、2:单相电机反转(拆电容)、3:单相电机(不拆电容)单相电机说明:(E8.29功能参数是选择电机类型,支持单相电机和普通三相异步电机)单相电机一般指单相220V 异步电机,定子有两相绕组,转子为鼠笼式。
前言感谢您选用深圳市佛斯特科技有限公司的FST-500系列变频器。
FST-500系列变频器是新一代无感矢量变频器,低速额定转矩输出,超静音稳定运行,内置PID功能可以方便地实现PID闭环控制,先进的自动转矩补偿和转差补偿功能,并且具有摆频功能,完善的保护及报警功能,多种参数在线监视及在线调整,能最大限度的满足用户的多种需求。
体积小巧,迷你型外观安装更为方便。
为用好本产品及确保使用者安全,在您使用之前,请详细阅读本使用说明书,阅读完后请妥善保管,以备后用。
安全注意事项本产品的安全运行取决于正确地运输、安装、操作及保养维护,在进行这些工作之前,请务必注意有关安全方面的提示。
与安全有关的提示符号说明错误使用时,会引起危险发生,可能导致人身伤亡。
错误使用时,会引起危险发生,可能导致人身轻度或中度的伤害或设备损坏。
注意总目录第1章概要第2章使用方法第3章接线第4章键盘操作第5章试运行第6章功能代码一览表第7章功能代码参数说明第8章错误信息指示与故障排除第9章外围设备1-1 2-1 3-1 4-16-1 5-1 7-18-1 9-1详细目录第1章概要1.1 功能概要说明…………………………………………………1-11.1.1 FST-500变频器型号及规范…………………………...1-11.1.2 FST-500变频器各部件名称………………………….. 1-3第2章使用方法2.1 产品确认……………………………………………………….2-12.1.1铭牌说明………………………………………………………..2-12.2 外形尺寸和安装尺寸………………………………………….2-22.3 安装场所要求和管理………………………………………….2-32.3.1 安装现场………………………………………………….2-32.3.2 环境温度………………………………………………….2-42.3.3 防范措施………………………………………………….2-42.4 安装方向和空间………………………………………………..2-4第3章接线3.1 外围设备的连接……………………………………………….3-23.2 500变频器连接图…………………………………………….3-33.3 端子排组成…………………………………………………….3-43.4 主回路端子接线……………………………………………….3-43.4.1 主回路电缆尺寸和压线端子…………………………….3-43.4.2 主回路端子功能………………………………………….3-53.4.3 主回路接线方法………………………………………….3-63.5 控制回路端子接线…………………………………………...3-113.5.1 控制回路电缆尺寸和压线端子………………………...3-113.5.2 控制回路端子功能……………………………………...3-113.5.3 控制回路接线图………………………………………..3-123.5.4 控制回路接线注意事项………………………………..3-123.6 接线检查……………………………………………………..3-13第4章键盘操作4.1 键盘功能……………………………………………………….4-14.2 键盘操作说明………………………………………………….4-24.3 屏幕显示说明………………………………………………….4-3第5章试运行5.1 试运行的顺序………………………………………………….5-25.2 试运行的操作………………………………………………….5-25.2.1 闭合电源…………………………………………………5-25.2.2 空载运行…………………………………………………5-35.2.3 负载运行…………………………………………………5-3 第6章功能代码一览表第7章功能代码参数说明7.1 功能代码参数介绍………………………………………………7-17.1.1 基本参数群……………………………………………...7-17.1.2 保护,制动及速度追踪参数群………………………..7-147.1.3 输入/输出功能参数群………………………………….7-207.1.4 电位器给定调整参数群………………………………..7-397.1.5 电机参数群……………………………………………..7-447.1.6 多段速参数群…………………………………………..7-497.1.7 通讯参数群……………………………………………..7-567.1.8 特殊参数群……………………………………………..7-747.1.9 控制方式设置参数群…………………………………..7-787.1.10 PID功能参数群………………………………………..7-79第8章错误信息指示与故障排除8.1 错误信息指示…………………………………………………8-18.2 故障对策……………………………………………………….8-58.2.1 参数设定和电机运行故障……………………………….8-58.2.2 变频器过热……………………………………………….8-58.2.3 电磁干扰和射频干扰…………………………………….8-68.2.4 漏电断路器动作………………………………………….8-68.2.5 机器振动………………………………………………….8-6第9章外围设备9.1 外围设备和任选件连接图…..................................................9-19.2 外围设备的功能说明.............................................................9-19.2.1 交流电抗器...................................................................9-29.2.2 无线电噪声滤波器........................................................9-29.2.3 回生制动单元及回生制动电阻......................................9-39.2.4 漏电保护器...................................................................9-4第1章概要1.1 功能概要说明FST-500系列变频器是适用于多种工况的高品质、低噪声、多功能通用变频调速器。
前言AT500系列变频器是高性能矢量型和转矩控制型变频器。
产品采用了与目前国际领先技术同步的无速度传感器矢量控制技术和转矩控制技术,不仅具有与国际高端变频器同样优异的控制性能,同时还结合中国的应用特点,进一步强化了产品的可靠性和环境的适应性以及客户化和行业化的设计,能够更好地满足各种传动应用的需求。
注意事项●为说明产品的细节部分,本手册中的图例有时为拆下外罩或安全遮盖物的状态。
使用本产品时,请务必按规定装好外壳或遮盖物,并按照手册的内容进行操作。
●本手册中的图例仅为了说明,可能会与您订购的产品有所不同。
●本公司致力于产品的不断改善,产品功能会不断升级,所提供的资料如有变更,恕不另行通知。
●如您使用中有问题,请与本公司各区域代理商联系,或直接与本公司客户服务中心联系。
客服电话:0510-******** 传真:0510-********24小时技术服务电话:133******** 133********安全注意事项安全标记说明:危险:错误使用,可能会导致火灾、人身严重伤害,甚至死亡。
注意:错误使用,可能导致人身中等程度的伤害或者轻伤,以及发生设备损坏。
█用途危险●本系列变频器用于控制异步电动机的变速运行,不能用于其他用途,否则可引起变频器故障或火灾。
●本系列变频器不能简单的应用于医疗装置等直接与人身安全有关的场合。
●本系列变频器是在严格的质量管理体系下生产的,如果变频器的故障可能会导致重大事故或损失,则需要设置冗余或旁路等安全措施,以防万一。
█到货检验注意●若发现变频器受损或缺少零部件则不可安装,否则可能发生事故。
█安装注意●搬运、安装时,请托住产品底部,不能只拿住外壳,以防砸伤脚或损坏变频器。
●变频器要安装于金属等阻燃物上,远离易燃物体,远离热源。
●安装作业切勿将钻孔残余物落入变频器内部,否则可能引起变频器故障。
●变频器安装于柜内,电控柜应配置风扇、通风口,柜内应构建有利于散热的风道。
█接线危险●必须由合格的电气工程人员进行接线工作,否则有触电或损坏变频器的危险。
第一章安全注意事项与检查安全注意事项●绝不可将交流电源接至变频器输出端U、V、W等端子。
●在接通电源后,不可实施配线,检查等作业。
●关闭电源,在键盘显示熄灭后5分钟之内,请勿触摸机内电路板及任何零部件,且必须用仪表确认机内电容已放电完毕,方可实施机内作业,否则有触电的危险。
●人体静电会严重损坏内部MOS场效应电晶体等,未采取防静电措施时,请勿用手触摸印刷电路板及IGBT等内部器件,否则可能引起故障。
●使用时,变频器的接地端子(E或〨)请依据国家电气安全规定和其它有关标准正确、可靠的接地。
●本装置在通电后,请勿接触内部线路板及其元器件,以免触电危险。
●请勿以拉闸方式(断电)停机,等电机运行停止后才可断开电源。
●符合CE标准必须增加选购输入滤波器附件。
特别注意:只有训练有素的人员允许操作本装置,使用前请详细阅读本说明书中有关安全、安装、操作和维修部分。
本设备的安全运行取决于正确的选型、安装、操作和维护!开箱之后检查烁普SP500系列变频器在出厂之前均已经过测试和品质检验。
在购买后,开箱之前请检查产品的包装是否因运输不慎而造成损伤,产品的规格、型号是否与订购之机种相符。
如有问题,请联络本公司或经销厂商。
●检查内部:含本机、使用说明书一本、保修卡一张。
●检查变频器侧面的铭牌,以确定您手上的产品就是所订购之产品型号说明:第二章安装及配线使用环境(1)环境温度-10℃—40℃;(2)避免震动;(3)避免高温多湿且无雨水滴淋,湿度小于90%RH(不结露);(4)防止油、盐及腐蚀性气体侵入;(5)防止水滴、蒸气、粉尘、灰尘、棉絮、金属细粉的侵入;(6)防止电磁干扰、远离干扰源;(7)禁止使用在易燃性、可燃性、爆炸性气体、液体或固体的危险环境。
安装方向与空间变频调速器要安装于室内通风良好的场所,并采用壁挂式或立柜式。
并与周围相邻物品或挡板(墙)必须保持足够的空间。
如下图所示:配线变频调速器配线,分为主回路及控制回路两部分。
目录1前言 (1)2安全使用注意事项 (2)3键盘面板操作 (3)4快速调试 (4)4.1使用机械限位开关 (4)4.2 使用绝对值编码器 (5)4.3 使用增量式编码器 (6)5功能参数说明 (7)5.1 基础功能 (7)5.2 速度调节 (8)5.3 编码器模式 (9)5.4 运行时间及保护 (10)5.5 V/F曲线、开关量输出 (11)5.6 通讯 (12)5.7 通用型变频器模式 (12)6故障信息及排除 (13)7电气接线图 (15)1 前言感谢您选用多功能、高性能的研和C102双核(双CPU)快速门控制系统。
本产品性能稳定、控制参数界面友好、功能强大、方便调试和维护。
可配套控制PVC快速卷帘门、堆积门、硬质快卷门等工业门类。
产品特点:1、可选择机械限位开关、绝对值编码器、增量式编码器控制模式。
2、内置卷帘门控制的核心芯片;双CPU。
3、体积更小,功能更强;380V/2.2KW-220V/1.5KW统一安装尺寸。
4、具备双门互锁且自动开门、风帘机控制、门上升到位、门下降到位、手动不联锁/自动联锁功能。
5、具备编码器控制模式下全开/半开功能、拉绳开关功能。
6、可直接显示编码器位置数据。
7、恢复出厂值、密码保护、电机双重保护功能。
8、设定及故障均有提示或报警代码,方便调试及维护。
9、全部输入信号均可参数实时监控。
10、变频器、PLC合二为一,高度集成。
2 安全使用注意事项1、实施配线前,请务必关闭电源。
2、切断交流电源后,指示灯未熄灭前,表示变频器内部仍有高压,十分危险,请勿触摸内部电路及零部件。
3、运转时,请勿检查电路板上零部件及信号。
4、请勿自行拆装更改变频器内部连接线、线路及零部件。
5、所选用电源电压必须与变频器输入电压规格相同。
6、请确认将电机及变频器正确接地,以确保安全。
7、请确保主回路端子配线正确,电源输入、电机输出接线正确,否则,将造成变频器的损坏报废。
8、送电前请盖好电箱门,以防触电,造成人身伤害。
AT500/600磁致伸缩液位/界位变送器安装调试操作手册目录一、存放 (3)二、安装和启动 (3)2.1 接线 (3)2.2 确定4Ma和20Ma设定点 (4)2.3 倒置安装 (4)2.4 高/低报警点设定 (4)2.5 4MA/20MA交直流微调 (5)三、故障处理信息 (7)3.1 正确上电 (7)3.2 输出稳定性 (7)一.存放如果需要,应该存放在优于安装条件的环境温度下并置于室内,不能超出以下范围:温度范围:-40-65℃湿度范围:0--100% R.H. 无冷凝二.安装和启动注意:在安装AT500/600浓缩(简易)型磁致伸缩变送器时,探管是与一套特氟隆套圈一体运送的,另有一套不锈钢套圈单独装在一个袋子里。
特氟隆套圈只应用于低压场合,最于高压场合只能用不锈钢套圈。
2.1接线连接导线到1/2"电器接口,然后用18线规的双绞线连接变送器外壳,用适当的导线密封装置以排除可能渗透的潮气。
变送器按以下方式回路供电:# Terminal Block+:24 VDC(+14VDC最小到+36VDC最大)# Terminal Block-:共同端/电流表# Terminal Block :电流表# Terminal Block:接地(确认接地正确,以排除可能存在的干扰)2.2确定4MA和20MA设定点本产品是无须日常标定的电子变送器。
如果需要重新标定,可以使用右图标出的开关点按照以下步骤标定:设定4MA/0%点-使罐内物位为0%-把磁棒放置于X处两秒钟进入标定模式-把磁棒从X处移动到Z处设置0点(4MA),这一步是通过检查输出是4.00MA来确定的。
设定20MA/100%点-使罐内物位为100%-把磁棒放置于X处两秒钟进入标定模式-把磁棒从X处移动到S处设置满量程点(20MA),这一步是通过检查输出是20.00MA来确定的。
注:以上步骤可以根据需要任意重复。
2.3倒置安装如果需要,变送器输出可以通过以下步骤倒转(注:使4-20Ma输出倒转)使物位在50%处(+or-10%)-把磁棒放置于X处两秒钟进入标定模式-把磁棒从X处移动到Z处设置0点(4MA)这一步是通过检查输出是4.00MA来确定的。
VS500系列产品继承了E系列变频器经典控制算法平台,坚持一贯严谨的设计风格,积奠了数代产品改进和优化的成果。
以其优越的性价比和强大的普适性,广泛应用于电力、纺织、造纸、冶金、食品、化工、交通、传输、电线电缆等各种传动调速领域,具有良好的可靠性和稳定性。
产品简介典型行业应用¤ ¤ 纺织¤ 传输风机水泵¤ 包装机械¤ 矿山机械¤ 食品¤ 化工¤ 陶瓷加工¤ 建材¤¤独特自适应控制技术,自动限流和限压及运行中欠 压抑制。
¤标配RS485通讯接口,可选MODBUS协议,四方 自定义协议,具备联动同步控制功能,轻松实现变 频器与PLC、工控机等其他工控设备的互联互通。
¤负荷自均衡功能,在采用RS485通讯联动控制功能 时,由主机向各从机同步发出频率和力矩负荷指令, 以达到各变频驱动系统的力矩平衡。
双行LED面板显示,便于客户同时进行监控和调试产品分析产品概况¤¤自动限流和限压及运行中欠压抑制;¤具备联动同步控制功能;¤负荷自均衡功能;独特自适应控制技术;¤¤可靠的变频器短路保护电路;¤可靠的辅助开关电源过载保护电路;¤严格的国标安规设计;自主开发的驱动保护电路专利;◆结构特点¤¤独立风道设计;人体工程学操作面板;产品架构选配键盘VS500-4T0075/VS500-2T0037及以下标配选配VS500-4T0075/VS500-2T0037以上标配双行LED电位器面板 DPNL320EB双行LED按键面板DPNL320EA单LED电位器面板DPNL320ECS单LED按键面板DPNL320EDS注:上图为VS500-4T0075机型分解图,由于产品大小不同,内部结构会有所变更,请以实物为准可拆卸直流风扇,易于清理模块式组装方式系统接线图技术规格0 Hz ~400Hz电阻负载外部脉冲V/F曲线(电压频率特性)电压最大输出频率的 0.1%以内设定输出频率的0.01%以内最大输出频率的0.2%以内最大频率的 0.1%手动设定:额定输出的0.0~20.0%;自动提升:根据输出电流自动确定提升转矩0.01Hz 最大输出频率的 0.1%基准频率在5 ~400Hz任意设定,多节点V/F曲线任意设定、可选择恒转矩、低减转矩1、低减转矩2、三种固定曲线VVVF空间电压矢量2T#系列: 0~220 V 110% 长期; 150% 1分钟; 180% 2秒输入额定电压、频率电压允许变动范围三相(4T#系列)380V 50/60Hz 三相(4T#系列)300V~460V 三相(2T#系列)220V 50/60Hz 三相(2T#系列)170V~270V 4T#系列: 0~380 V输出频率过载能力控制方式控制特性频率设定分辨率模拟输入模拟端子输入数字设定外部脉冲频率精度数字输入转矩提升自动限流与限压无论在加速、减速或稳态运行过程中,皆自动侦测电机定子电流和电压,依据独特算法将其抑制在允许的范围内运行中欠压抑制特别针对低电网电压和电网电压频繁波动的用户,即使在低于允许的电压范围内,系统亦可依据独特之算法和残能分配策略,维持最长可能的运行时间控制特性多段速与摆频运行8段可编程多段速控制、6种运行模式可选、15段端子选择多段速控制。
AT500变频器说明书V2:0AT500变频器说明书V2:01:引言1.1 目的本文档旨在提供AT500变频器的使用说明和操作指南,以帮助用户正确地安装、调试和维护该变频器。
1.2 范围本文档适用于AT500系列变频器的所有型号和规格。
它包含了变频器的基本介绍、技术规格、操作指南、故障排除等内容。
2:变频器概述2.1 产品介绍本章介绍AT500变频器的主要特点和应用领域。
2.2 技术规格本章详细列出AT500变频器的技术规格,包括输入电压、输出功率、额定电流等参数。
3:安装与接线3.1 安装前准备本章介绍AT500变频器安装前需要做的准备工作,包括工具和材料的准备、安全事项等。
3.2 变频器安装本章详细讲解AT500变频器的安装步骤,包括机械安装、电气连线等。
4:参数设置与调试4.1 参数设置概述本章介绍AT500变频器的参数设置功能和操作界面。
4.2 基本参数设置本章详细说明AT500变频器的基本参数设置方法,包括电机参数、频率范围、过载保护等。
4.3 高级参数设置本章讲解AT500变频器的高级参数设置,如速度控制、运行模式、编码器设置等。
5:运行与控制5.1 开机与停机本章介绍AT500变频器的开机和停机方法。
5.2 运行模式切换本章讲解AT500变频器的运行模式切换,如速度控制、定位控制等。
6:故障排除6.1 常见故障与处理方法本章了AT500变频器常见故障及其处理方法。
6.2 故障代码对照表本章提供了AT500变频器故障代码的解释和对照表。
7:维护与保养7.1 维护周期本章介绍AT500变频器的维护周期和保养注意事项。
7.2 保养方法本章详细说明AT500变频器的保养方法和步骤,包括清洁、润滑等。
附件:本文档涉及附件,请参考附件部分获取更多相关信息。
法律名词及注释:1:法律名词1:注释说明。
2:法律名词2:注释说明。
伟肯变频器参数伟肯变频器参数VACON 45KW 500V1 Basic Parameters1.1 Min Frequency 0Hz1.2 Max Frequency 50Hz1.3 Accel Time 1 3.0s1.4 Decel Time 2 3.0s1.5 Multi Step1 10.0Hz1.6 Multi Step2 50.0Hz1.7 Current Limit 60.0A1.8 U/f Ratio Select 2 / Programmable/ None 1.9 U/f Optimization 01.10 Output Max Volta 500V1.11 Motor Nom Freq 50Hz1.12 Motor Nom Speed 1470 rpm 1.13 Motor Nom Currnt 77.0A 1.14 Supply Voltage 17 / 500 1.15 Param Conceal 0 / All Visible 1.16 Parameter Lock 0 / ChangeEnable 1.17 Basic Ref Select 2 / Panel2 Input Signals2.1 Start / Stop Logic 3 / StartP – StopP2.2 Dia3 Function 6 / P/Pi Selection 2.3 Curr Ref Offset 0 / 0-20 mA 2.4 Ref Scal Min Val 0Hz2.5 Ref Scal Max Val 0Hz2.6 Ref Invert 0 / No Inversion 2.7 Ref Filter Time 0.10s 2.8 PI P Gain 02.9 PI P Time 0.00s2.10 PI High Lim 0V2.11 PI Low Lim 0V2.12 PI Scale 0%3 Output Signals3.1 Iout Content 1 / Motor Freq 3.2 Iout Filter Time 1.00s 3.3 Iout Invert 0 / No Inversion 3.4 Iout Minimum 0 / 0 mA 3.5 Iout Scale 100%3.6 DO1 Content 1 / Ready 3.7 RO1 Content 2 / Run3.8 RO2 Content 3 / Fault 3.9 Freq Supv Lim 1 0 / Not Used 3.10 Freq Supv Val 1 0.0Hz3.11 Opt Aout Invert 3 / MotorCurrent 3.12 Opt Aout Scale 100%4 Drive Control4.1 Ramp 1 Shape 0.0s4.2 Ramp 2 Shape 0.0s4.3 Accel Time 2 10.0s4.4 Decel Time 2 10.0s4.5 Brake Chopper 0 / No 4.6 Start Function 0 / Ramping 4.7 Stop Function 0 / Coasting 4.8 DC-Brake Current 38.5A 4.9 Stop DC-Brake t 0.00s5 Prohibit Freq5.1 Range 1 Low Lim 0.0Hz 5.2 Range 1 High Lim 0.0Hz6 Motor Control6.1 Control Mode 0 / Freq Control 6.2 Switching Freq 3.6Hz 6.3 Field Weakn Pnt 50Hz 6.4 Voltage at FWP 100%6.5 U/f Mid Freq 3.0Hz6.6 U/f Mid Voltg 0.00%6.7 Zero Freq Voltg 0.00% 6.8 Overvolt Vontr 1 / On 6.9 Undervolt Vontr 1 / On7 Protections7.1 Reference Fault 0 / No Action 7.2 External Fault 0 / No Action 7.3 Phase Supervisn 2 / Fault 7.4 Earth Fault 2 / Fault 7.5 Motor Therm Prot 2 / Fault 7.6 MTP Fnom Current 100% 7.7 MTP F0 Current 45%7.8 MTP Motor T 45.0min7.9 MTP Fnom 35Hz7.10 Stall Protection 1 / Warning 7.11 Stall Current 130%7.12 Stall Time Lim 15.0s 7.13 Stall Freq Lim 25Hz 7.14 Underload Protect 0 / No Action 7.15 Up fnom Torque 50.0%7.16 Up f0 Torque 10.0%7.17 Up Time Limit 20.0%8 Auto Restart8.1 Number of Trials 08.2 Trial Time 30s8.3 Start Function 0 / Ramping9 UnderVoltage Con9.1 UV Normal 11119.2 UV Delta Normal -1000 9.3 UV Expected Limi 8400。
前言AT500系列变频器是高性能矢量型和转矩控制型变频器。
产品采用了与目前国际领先技术同步的无速度传感器矢量控制技术和转矩控制技术,不仅具有与国际高端变频器同样优异的控制性能,同时还结合中国的应用特点,进一步强化了产品的可靠性和环境的适应性以及客户化和行业化的设计,能够更好地满足各种传动应用的需求。
注意事项●为说明产品的细节部分,本手册中的图例有时为拆下外罩或安全遮盖物的状态。
使用本产品时,请务必按规定装好外壳或遮盖物,并按照手册的内容进行操作。
●本手册中的图例仅为了说明,可能会与您订购的产品有所不同。
●本公司致力于产品的不断改善,产品功能会不断升级,所提供的资料如有变更,恕不另行通知。
●如您使用中有问题,请与本公司各区域代理商联系,或直接与本公司客户服务中心联系。
客服电话:0510-******** 传真:0510-********24小时技术服务电话:133******** 133********安全注意事项安全标记说明:危险:错误使用,可能会导致火灾、人身严重伤害,甚至死亡。
注意:错误使用,可能导致人身中等程度的伤害或者轻伤,以及发生设备损坏。
█用途危险●本系列变频器用于控制异步电动机的变速运行,不能用于其他用途,否则可引起变频器故障或火灾。
●本系列变频器不能简单的应用于医疗装置等直接与人身安全有关的场合。
●本系列变频器是在严格的质量管理体系下生产的,如果变频器的故障可能会导致重大事故或损失,则需要设置冗余或旁路等安全措施,以防万一。
█到货检验注意●若发现变频器受损或缺少零部件则不可安装,否则可能发生事故。
█安装注意●搬运、安装时,请托住产品底部,不能只拿住外壳,以防砸伤脚或损坏变频器。
●变频器要安装于金属等阻燃物上,远离易燃物体,远离热源。
●安装作业切勿将钻孔残余物落入变频器内部,否则可能引起变频器故障。
●变频器安装于柜内,电控柜应配置风扇、通风口,柜内应构建有利于散热的风道。
█接线危险●必须由合格的电气工程人员进行接线工作,否则有触电或损坏变频器的危险。
●接线前请确认电源处于断开状态,否则可能有触电或火灾的危险。
●接地端子PE要可靠接地,否则变频器外壳有带电的危险。
●请勿触摸主回路端子,变频器主回路端子接线不要与外壳接触,否则有触电的危险。
●变频器整机的漏电流大于5mA,漏电流的具体数值由使用条件决定,为保证安全,变频器和电机必须接地。
█接线注意●三相电源不能接到输出端子U、V、W,否则将造成变频器损坏。
●绝对禁止在变频器的输出端连接电容或相位超前的LC/LR噪声滤波器,否则将导致变频器内部器件损坏。
●请确认电源相数、额定电压是否与产品的铭牌相符,否则可能造成变频器损坏。
●不能对变频器进行耐压测试,否则可能造成变频器损坏。
●变频器的主回路端子配线和控制回路端子配线应分开布线或垂直交叉,否则将造成控制器信号受干扰。
●主回路端子的配线电缆请使用带有绝缘套管的线鼻子。
●变频器输入及输出电缆长度超过100米时,建议使用输出电抗器,以避免过大的分布电容产生的过电流导致变频器故障。
█运行危险●变频器配线完成并装上盖板后,方可通电,带电状态下严禁拆下盖板,否则有触电的危险。
●当设置了故障自动复位或停电后再启动功能时,应对机械设备采取安全隔离措施,否则可能造成人员伤害。
●变频器接通电源后,即使处于停机状态,变频器的端子上仍带电,不能触摸,否则可能造成触电。
●在确认运行命令被切断后,才可以复位故障和告警信号,否则可能造成人员伤害。
█运行注意●不要采用接通或断开供电电源的方式来启停变频器,否则可能引起变频器损坏。
●运行前,请确认电机及机械是否在允许的使用范围内,否则可能会损坏设备。
●散热器和制动电阻温度很高,请勿触摸,否则有烫伤的危险。
●在提升设备上使用时,请同时配置机械抱闸装置。
●请勿随意更改变频器参数,变频器的绝大多数出厂设定参数已能满足运行要求,只要设定一些必要的参数即可,随意修改参数可能导致机械设备的损坏。
●在有些工频和变频切换的场合,应使控制工频和变频切换的两个接触器互锁。
█维护、检查危险●在通电状态,请勿触摸变频器的端子,否则有触电的危险。
●如果要拆卸盖板,请务必断电。
●断电后等待至少10分钟或确认充电CHARGE指示灯已熄灭,才能进行保养和检查,以防止主回路电解电容的残余电压造成人员伤害。
●请指定合格的电气工程人员进行保养、检查或更换部件。
注意●线路板上有CMOS大规模集成电路,请勿用手触摸,以防静电损坏线路板。
█其它注意●禁止自行改造变频器,否则会导致人员伤害。
目录前言......................................................................................................................................................................... - 1 - 目录......................................................................................................................................................................... - 4 - 第一章产品信息 .................................................................................................................................................... - 5 -1.1产品型号说明......................................................................................................................................... - 5 -1.2产品铭牌说明......................................................................................................................................... - 5 -1.3 AT500变频器系列 ................................................................................................................................. - 5 -1.4产品各部分说明 ..................................................................................................................................... - 6 -1.5产品技术规格说明.................................................................................................................................. - 7 -1.6产品外观及安装尺寸.............................................................................................................................. - 9 -1.7键盘外观及安装尺寸............................................................................................................................ - 12 -1.8键盘托盘外观及开孔尺寸..................................................................................................................... - 12 - 第二章产品机械安装 ........................................................................................................................................... - 14 -2.1安装环境 .............................................................................................................................................. - 14 -2.2 产品盖板的拆卸 .................................................................................................................................. - 15 - 第三章产品电气安装 ........................................................................................................................................... - 15 -3.1与外围器件的连接................................................................................................................................ - 15 -3.2外围电气元件使用说明 ........................................................................................................................ - 15 -3.3外围器件的选型指导............................................................................................................................ - 15 -3.4制动电阻的选型指导............................................................................................................................ - 15 -3.5接线方式 .............................................................................................................................................. - 19 - 第四章键盘与显示............................................................................................................................................... - 25 -4.1操作与显示界面 ................................................................................................................................... - 25 -4.2键盘指示灯说明 ................................................................................................................................... - 26 -4.3键盘按键说明....................................................................................................................................... - 26 -4.4功能码查看和修改方法 ........................................................................................................................ - 26 -4.5菜单模式选择....................................................................................................................................... - 27 - 第五章参数一览表............................................................................................................................................... - 28 - 第六章参数说明 .................................................................................................................................................. - 49 - F0组基本功能参数组............................................................................................................................... - 50 - F1组电机参数组...................................................................................................................................... - 55 - F2组输入端子.......................................................................................................................................... - 56 - F3组输出端子.......................................................................................................................................... - 62 - F4组辅助参数组...................................................................................................................................... - 64 - F5组矢量控制参数组............................................................................................................................... - 71 - F6组V/F控制参数组 ................................................................................................................................ - 72 - F7组启停控制参数组............................................................................................................................... - 74 - F8组键盘及显示参数组........................................................................................................................... - 77 - F9组故障及保护参数组........................................................................................................................... - 78 - FA组PID参数组 ...................................................................................................................................... - 83 - FB组摆频、定长、计数及转矩控制参数组.............................................................................................. - 85 - FC组多段速与简易PLC参数组.............................................................................................................. - 88 - FD组通讯功能参数组 .............................................................................................................................. - 90 - FE组快速菜单参数组 .............................................................................................................................. - 90 - P0组模拟量四点偏置参数组.................................................................................................................... - 91 - P1组模拟量校正参数组........................................................................................................................... - 92 - H0组基本监视参数组 .............................................................................................................................. - 93 - 第七章维护保养与故障诊断 ................................................................................................................................ - 96 -7.1变频器的日常保养与维护..................................................................................................................... - 96 -7.2 变频器的保修说明............................................................................................................................... - 96 -7.3 故障报警及对策 .................................................................................................................................. - 97 - 附录一:Modbus 通讯协议.............................................................................................................................. - 100 -1.1 协议内容 ........................................................................................................................................... - 100 -1.2 通讯帧说明........................................................................................................................................ - 100 -1.3 通讯数据地址定义............................................................................................................................. - 103 -1.4 FD组通讯参数说明............................................................................................................................ - 105 -第一章 产品信息1.1产品型号说明铭牌上变频器型号一栏用数字和字母表示了产品系列、电源等级、功率等级、制动单元等信息。