热工计算实例
- 格式:docx
- 大小:21.02 KB
- 文档页数:3
混凝土的热工计算按规定,砼温度降至0℃前,其抗压强度不得低于抗冻临界强度。
当室外最低气温不低于-15℃时,采用综合蓄热法施工的砼受冻临界强度不小于4.0MPa。
二次结构砼强度等级C25,水泥用42.5R普通水泥,施工日期从11月15日开始,现浇构件盖一层塑料布,再铺两层毛毡。
本工程采用商品砼,商品砼出机温度为15℃,我项目要求搅拌站砼运输到现场出罐温度不低于10℃。
1、运输(泵)到浇筑时温度T2(运输到地点用时40分钟),温度损失系数α取0.25,混凝土拌和物运输时环境温度取-10℃。
T2=T1-(at1+0.032n)(T1-Ta)=15-(0.25×40/60+0.032×1)×(15+10)=10.03℃2、浇筑完成时温度T3。
考虑到模板和钢筋的吸热影响,砼浇筑完成时的温度为T3,与每立方米砼接触的木模板和钢筋共重400Kg。
T3=(c c m c T2+c f m f T f+c s m s Ts)÷(c c m c+c f m f+c s m s)=[1×2450×10.03+2.51×29.12×(-10)+0.48×100×(-10)]÷( 1×2450+2.51×29.12+0.48×100)=23362.6÷2571.1=9.09℃3、开始养护到任一时刻t的温度T查建筑施工手册知ω:透风系数为1.45K:结构围护层总传热系数(kJ/m2.h.K)K=3.6/〖0.04+(0.02/0.06+0.005/58)〗=9.6结构表面系数(m-1):M=A/V=1/0.1=10水泥水化速度系数(h-1):v ce=0.013混凝土比热容(kJ/kg.K):C c=1kJ/Kg.K每立方米砼水泥用量(kg/m3)m ce=360Kg查表得:水泥水化累积最终放热量(kJ/Kg)Q ce=360kJ/Kg养护期间平均气温Tm,a=-5℃ρc砼质量密度取2450Kg/m3θ=(ω×K×M)÷(v ce×c c×ρc)=(1.45×9.6×10)/ (0.013×1×2450)=139.2÷31.85=4.37ψ=(v ce Q ce m ce)/(v ce c cρc-ω×K×M)=(0.013×360×330)/(0.013×1×2450-1.45×9.6×10) =-14.39η=T3-Tm,a+ψ=12.3+5-14.39=2.91根据建筑工程冬期施工规程(JGJ104-2011)附录A.2.3要求,ψ/ T m,a=-14.39/-5=2.878≥1.5,且KM=9.6×10=96≥50,故砼蓄热养护冷却至0℃的时间为:t0=(1/v ce)ln(Ψ/ T m,a)=(1/0.013)ln(-14.39/ -5)=76.923 ×1.057=81.3h养护81.3h期间砼平均温度为:Tm=1/(v ce t)×(Ψe-Vce.t-η/θ×e-θ.Vce.t+η/θ-Ψ)+Tm,a=1/(0.013×81.3)×(-14.39e-1.0569-2.91/4.37 e-4.6187+0.6659+14.39)-5=0.9462×(-5-0.0066+0.6659+14.39)-5=4.5℃根据计算结果可知,在己知给定的条件下能满足入模温度,砼经81.3h后降至0℃,其间平均养护温度为4.5℃。
1.某人将镍铬-镍硅补偿导线极性接反。
当炉温控制于800℃时。
若热电偶接线盒处温度为50℃,仪表接线端子温度为40℃,测量结果和实际相差多少?答案:如补偿导线接反,则仪表的电势为E(800、40)=E×(800、0)-E(50、0)-[E(50、0)-E(40、0)]=33.28-2.02-2.02+1.61=30.85mV但仪表示值仍按正常接法指示,即E(800、40)=E(t、0)-E(40、0)=0于是得30.85=E(t、0)-1.61E(t、0)=32.46mV查得t=780℃即比800℃指示低20℃2.一真空压力表量程范围为-100~500kPa,校验时最大误差发生在200kPa,上行程和下行程时校准表指示为194kPa和205kPa,问该表是否满足其1.0级的精度要求?答案:变差=[△max/(量程上限-量程下限)]×100%=(205-194)/[500-(-100)]×100%=1.83%>1.0%,所以不满足1.0级精度要求。
3.一台1151绝对压力变送器,量程范围为0~80kPa(绝压),校验时采用刻度范围为100~0kPa标准真空压力计,若当地大气压力为98kPa,则当变送器输出为12mA时,真空压力计指示的读数为多少?答案:设变送器输入压力为P绝时,输出电流为12mA,则P绝/(80-0)×16+4=12,P 绝=40KPa,根据P真空=P大气-P绝=98-40=58KPa,所以真空压力计的读数为58KPa,变送器的输出为12mA。
4.计算如图下所示的压力式液位计的调校量程范围及迁移量,已知h1=5m,h2=1m,ρ=1.0g/cm3答案:由图可知,液位计测量量程为:P=pgh1=1.0×9.8×5=49KPa;迁移量A=pgh2=1.0×9.8×1=9.8KPa,所以仪表调校量程范围为9.8—58.8KPa。
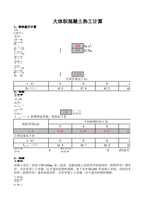
Th= m c Q/C ρ(1-е-mt)式中:Th—混凝土的绝热温升(℃);m c ——每m 3 混凝土的水泥用量,取3;Q——每千克水泥28d 水化热,取C——混凝土比热,取0.97[KJ/(Kg·K)];ρ——混凝土密度,取2400(Kg/m3);е——为常数,取2.718;t——混凝土的龄期(d);m——系数、随浇筑温度改变,取2、混凝土内部中心温度计算T 1(t)=T j+Th ξ(t)式中:T 1(t)——t 龄期混凝土中心计算温度,是混凝土温度最高值T j ——混凝土浇筑温度,取由上表可知,砼第6d左右内部温度最高,则验算第6d砼温差2、混凝土养护计算①保温材料厚度δ= 0.5h·λi (T 2-T q )K b /λ·(T max -T 2)ξ大体积混凝土热工计算1、绝热温升计算计算结果如下表:计算结果如下表混凝土表层(表面下50-100mm 处)温度,底板混凝土表面采用保温材料(阻燃草帘)蓄热保护,并在草袋上下各铺一层不透风的塑料薄膜。
地下室外墙1200 厚混凝土表面,双面也采用保温材料(阻燃草帘)蓄热保温养护,并在草袋上下各铺一层不透风的塑料薄膜。
式中:δ——保温材料厚度(m);λi ——各保温材料导热系数[W/(m·K)] ,取λ——混凝土的导热系数,取2.33[W/(m·K)]T 2——混凝土表面温度:37.5(℃)(Tmax-25)T q ——施工期大气平均温度:23(℃)T 2-T q —-14.5(℃)T max -T 2—21.0(℃)K b ——传热系数修正值,取δ= 0.5h·λi (T 2-T q )K b /λ·(T max -T2)*100= 4.84cm故可采用两层阻燃草帘并在其上下各铺一层塑料薄膜进行养护。
②混凝土保温层的传热系数计算β=1/[Σδi /λi +1/βq ]δi ——各保温材料厚度λi ——各保温材料导热系数[W/(m·K)]βq ——空气层的传热系数,取23[W/(m 2·K)]代入数值得:β=1/[Σδi /λi +1/βq ]= 2.57③混凝土虚厚度计算:hˊ=k·λ/βk——折减系数,取2/3;λ——混凝土的传热系数,取2.33[W/(m·K)]hˊ=k·λ/β=0.605④混凝土计算厚度:H=h+2hˊ=3.01m⑤混凝土表面温度T 2(t)= T q +4·hˊ(H- h)[T 1(t)- T q ]/H 2式中:T 2(t)——混凝土表面温度(℃)T q —施工期大气平均温度(℃)hˊ——混凝土虚厚度(m)H——混凝土计算厚度(m)T 1(t)——t 龄期混凝土中心计算温度(℃)不同龄期混凝土的中心计算温度(T 1(t))和表面温度(T 2(t))如下表。
混凝土热工计算示例混凝土的热工计算混凝土成型完成时的温度:(T3:混凝土成型完成时的温度;C c:混凝土比热容;C f:模板比热容;C s:钢筋比热容;m c:每立方米混凝土的重量;m f:每立方米混凝土相接触的模板重量;m s:每立方米混凝土相接触的钢筋重量;T f: 模板的温度;Ts:钢筋的温度;T2:混凝土拌和物入模温度。
)垫层混凝土成型完成时的温度:C c m c T2+C f m f T f+C s m s T sT3= ————————————C c m c+C f m f+C s m s0.9×2400×10.0-0.84×1600×5= ———————————————0.9×2400+0.84×1600=4.2℃顶板混凝土成型完成时的温度:C c m c T2+C f m f T f+C s m s T sT3= ————————————C c m c+C f m f+Csm s0.9×2400×10.0-{1.05×2400×(1562/1672)+0.48×3200×(110/1672)}×5-0.48×50×5= ——————————————————————————0.9×2400+{1.05×2400×(1562/1672)+0.48×3200×(110/1672)}+0.48×50=2.1℃混凝土蓄热养护过程中的温度(K:结构围护的传热系数;d i:第i层围护层厚度;k i: 第i层围护层的传热系数)3.6K= ——————0.04+∑d i/k i3.6= ———————0.04+0.03/0.14=14.2 (kJ/㎡·h·k)(θ:综合参数;ω:透风系数;M:结构表面系数;V ce:水泥水化速度系数;ρc:混凝土的质量密度。
混凝土搅拌、运输、浇筑温度计算1、混凝土拌合物温度按下式计算:T o=[0.92*(m ce*T ce+m sa*T sa+m g*T g)+4.2*T w(m w-w sa*m sa-w g* m g)+C1*(w sa*m sa*T sa+w g*m g*T g)-C2*(w sa*m sa+w g*m g)]÷[4.2*m w+0.9*(m ce+m sa+m g)]式中:T o——混凝土拌合物温度(℃)m ce——水泥用量(kg)m w——水用量(kg)m sa——砂用量(kg)m g——石用量(kg)T w——水的温度(℃)T ce——水泥温度(℃)T sa——砂温度(℃)T g——石温度(℃)w g——石含水率%w sa——砂含水率%C1——水的比热容(kj/kg.k)C2——冰的溶解热(kj/kg)当骨料温度大于0℃时,C1=4.2,C2=0;当骨料温度小于或等于0℃时,C1=2.1 C2=335;2、混凝土拌合物出机温度按下式计算:T1= T o-0.16(T o-T i)式中T1——混凝土拌合物出机温度(℃);T i——搅拌机室内温度(℃)。
3、混凝土拌合物运输到浇筑时温度按下式计算:T2=T1-(a*t1+0.032n)*(T1-T a)T2——混凝土浇筑温度℃t1——混凝土运输至浇筑的时间,取1.5小时n——混凝土拌合物运转次数,取1次T a——混凝土拌合物浇筑环境温度;a——温度损失系数4、考虑模板和钢筋的吸热影响,混凝土浇筑成型完成时的温度按下式计算:T3=(C c*m c*T2+C f*m f*T f+C s*m s*T s)÷(C c*m c+C f*m f+C s*m s) T3——考虑模板和钢筋吸热影响,混凝土浇筑成型完成时的温度℃C c——混凝土的比热容(kj/kg.K);C f——模板的比热容(kj/kg.K);C s——钢筋的比热容(kj/kg.K);m c——每m3混凝土的重量(kg);m f——每m3混凝土相接触的模板重量(kg);m s——每m3混凝土相接触的钢筋重量(kg);T f——模板的温度,未预热时可采用当时的环境温度(℃)T s——钢筋的温度,未预热时可采用当时的环境温度(℃)5、设当日气温为-5℃,C40混凝土每立方米的材料用量为:水泥470kg,水180kg,砂子735kg,碎石1040kg。
主厂房基础砼冬期施工热工计算根据当地气象资料,主厂房基础砼施工期间最低气温为-100C,气温不算太低,采用综合蓄热法即可满足需要,即一方面在砼中加入FDN系列防冻剂以降低砼的临界温度,另一方面,利用加热砼拌合水的方法以提高砼拌合物的温度,从而确保砼的出机温度≥100C,入模温度≥50C ,热工计算如下:外界气温-100C,水泥温度50C,砂温度-30C,石温度-30C,砂含水率3%,石含水率1%,搅拌运输车输送,倒运共2次,运输和成型共历时约0.5h,每m3砼中的材料用量分别为:水196Kg、水泥408Kg、砂720K、石1126Kg,与每m3砼接触的钢模板及钢筋总重350Kg,计算需要加热水的温度。
1、利用考虑模板和钢筋吸热影响的砼成型完成时的温度公式T3,反求出砼拌合物运输至成型完成时的温度T2:T3整理得:T2≥6.05 (0C)2、利用砼拌合物运输至成型完成时的温度公式T2,反求出砼拌合物的出机温度T1:T2=T1-(at t+0.032n)(T1-T a)=T1- (0.25×0.5+0.032×2)(T1+10)=T1-0.189T1-1.89=0.811T1-1.89≥6.05整理得:T1≥9.79 (0C)规范要求:T1≥10 (0C)故取:T1≥10 (0C)3、取T1≥10(0C)并利用砼拌合物的出机温度公式T1,反求出砼拌合物的温度T0T1=T0-0.16(T0-T i)=0.84T0+0.16×5=0.84T0+0.8≥10整理得:T0≥10.95(0C)4、利用砼拌合物的温度公式T0,反求出需要加热水的温度T wT0=[0.9(m ce T ce+m sa T sa+m g T g)+4.2T w(m w-W sa m sa-w g m g)+C1(w sa m sa T sa+w g m g T g)-C2(w sa m sa+w g m g)]÷[4.2m w+0.9(m ce+m sa+m g)]=[0.9×(408×5-720×3-1126×3)+4.2T w×(196-0.03×720-0.01×1126)+2.1×(-0.03×720×3-0.01×1126×3)-335×(0.03×720+0.01×1126)] ÷[4.2×196+0.9×(408+720+1126)]=[-3148.2+685.19Tw-207.02-11008.1] ÷[823.2+2028.6]=(685.19Tw-14363.32) ÷2028.6≥10.95整理得: T w≥66.54(0C)5、当水加热温度Tw达到700C时,计算可得:砼拌合物的温度:T0=11.780C砼拌合物的出机温度: T1=10.70C砼经运输成型完成时的温度: T2=6.790C考虑模板及钢筋吸热影响砼的最终入模温度: T3=5.690C从上述计算得知:当外界环境气温降到-100C时,在现的施工条件下,必须将水加热到670C以上时,才能满足规范要求,现场施工时,应将水加热到70~800C,并切实做好砼的保留和养护工作,以确保冬期砼的施工质量。
混凝土热工计算书一、冬期施工的已知条件工程使用的全部是顺城搅拌站商品砼,所以要求混凝土经过运输成型后的温度为10℃—20℃。
二、热工计算:1、当施工现场温度为-5℃时混凝土因钢模板和钢筋吸热后的温度:T3=(G n C n T2+G m C m T m)/(G n C n+G m C m)=(2400×1×10+279×0.48×5)/(2400×1+279×0.48)=9.2℃T3:混凝土在钢模板和钢筋吸收热量后的温度(℃)G n:1m³混凝土为2400KgG m:1m³混凝土相接触的钢模板和钢筋的总重量为279KgC n:混凝土比热,取1KJ/KgKC m:钢材比热,取0.48 KJ/KgKT2:混凝土经过搅拌、运输、成型后的温度(℃)T m:钢模板、钢筋的温度,即当时大气温度(℃)混凝土浇筑完毕后的温度为9.2℃经计算得:(1)当混凝土经过运输成型后的温度为10℃当施工现场温度为0℃时,混凝土浇筑完毕后的温度为9.47℃当施工现场温度为-5℃时,混凝土浇筑完毕后的温度为9.2℃当施工现场温度为-10℃时,混凝土浇筑完毕后的温度为8.94℃当施工现场温度为-15℃时,混凝土浇筑完毕后的温度为8.67℃(2)当混凝土经过运输成型后的温度为15℃当施工现场温度为0℃时,混凝土浇筑完毕后的温度为14.79℃当施工现场温度为-5℃时,混凝土浇筑完毕后的温度为14.53℃当施工现场温度为-10℃时,混凝土浇筑完毕后的温度为14.27℃当施工现场温度为-15℃时,混凝土浇筑完毕后的温度为14.01℃(3)当混凝土经过运输成型后的温度为20℃当施工现场温度为0℃时,混凝土浇筑完毕后的温度为18.94℃当施工现场温度为-5℃时,混凝土浇筑完毕后的温度为18.68℃当施工现场温度为-10℃时,混凝土浇筑完毕后的温度为18.41℃当施工现场温度为-15℃时,混凝土浇筑完毕后的温度为18.15℃2、设:室外平均气温t p=-5℃,室外最低温度-15℃,砼浇灌后的初始温度t0=10℃。
空调空气加热器热工计算
本计算以K8空调室一次加热为例进行计算,加热器型号为SRZ17×10D,根据加热器型号查资料可得每台加热器加热面积为:71.06㎡,K8空调室共有8台加热器,每台管根数为47根,根据查资料可知,SRZ-10D型加热器传热系数经验公式为:K=13.6(vp)0.49=39.7W/(㎡·℃),K8空调室送风量为:G=252000m³/h=90.5Kg/s,温差△t按照运行经验取20℃,根据公式Q=GCp△t计算可得所需加热量为1828.1KW。
如果取空气温度15℃,加热后空气温度35℃,蒸汽温度150℃,根据公式Q=KF△t p计算可得,K8空调室实际加热量为3159.6KW。
取消现加热器的肋片,改造为按照不增加现有列管数的碳钢列管式加热器,钢管外径32mm,计算可得换热面积S为64㎡,厚度h取5mm,查资料可得,此处碳钢的导热系数K导为50 W/(m·k),空调室送风风速取12.5m/s,蒸汽温度150℃,空气温度取20℃,所以根据公式Q=K导St△t/h可得,取消肋片后K8空调室一次加热加热器加热量为376.832KW。
附件1:冬期施工混凝土热工计算根据施工进度安排,本工程进入冬施垫层混凝土强度等级C20,基础底板C35(P8),地下室梁、顶板混凝土等级C35(P8),地下二层外墙及与其相连的混凝土柱混凝土等级C35(P8),地下一层外墙及与其相连的混凝土柱混凝土等级C40(P8),内墙、柱混凝土强度等级C45。
混凝土热工计算分两部分,一为入模温度计算,二为混凝土养护期间的温度计算。
预计最不利施工时间为2016年1月前后,混凝土施工平均气温约为-5℃。
本工程墙体、框架柱混凝土拆模后拟采用粘贴一层塑料布,再用木条挂阻燃岩棉被保温。
楼板混凝土浇筑完毕,采用铺一层塑料布,再铺一层阻燃岩棉被保温。
以下分别验算各部位混凝土采用以上保温措施能否满足抗冻要求。
一、混凝土入模温度计算:本工程混凝土为商品混凝土,要求混凝土拌合物到现场后出罐车温度不得小于15℃。
1.混凝土入模温度T2=T1-(αt1+0.032n)(T1-Ta)式中:T1——混凝土拌合物出罐车温度(℃)取15℃T2——混凝土拌合物入模温度(℃)ti——混凝土拌合物自运输到浇筑时的时间(h)取10min 30min n——混凝土拌合物运转次数取1次Ta——混凝土拌合物运输时的环境温度(℃)取-10℃α——温度损失系数(h=1)取0.25T2=15-(0.25×30÷60+0.032×1)×(15+10)=13.16℃11.08 2.考虑模板和钢筋吸热影响,混凝土成型完成的温度T3=(CcmcT2+CfmfTf+CsmsTs)/(Ccmc+Cfmf+Csms)式中:T3——考虑模板和钢筋吸热影响,混凝土成型完成时的温度(℃)CC——混凝土的比热容(kJ/kg·k)取1.0kJ/kg·kCf——模板的比热容(kJ/kg·k)墙、楼板15mm厚木胶合板取2.1kJ/kg·kCs——钢筋的比热容(kJ/kg·k)取0.48kJ/kg·kmC——每m3混凝土重量(kg)取2500kgmf——每m3混凝土相接触的模板重量(kg)墙、楼板15mm厚木胶合板取99.96kgms——每m3混凝土相接触的钢筋重量(kg)取100kgTf——模板温度,采用当时的环境温度(℃)取-10℃T3——钢筋温度,采用当时的环境温度(℃)取-10℃计算:C35墙体混凝土(取木胶合板计算)T3=(1×2500×13.16 11.08-2.1×99.96×10-0.48×100×10)/(1×2500+2.1×99.96+0.48×100)=10.99℃9.11℃C35梁、板混凝土(取木胶合板计算)T3=(1×2500×13.16 11.08-2.1×99.96×10-0.48×100×10)/(1×2500+2.1×99.96+0.48×100)=10.99℃9.11℃二、用综合蓄热法混凝土养护期间温度计算混凝土蓄热养护开始到任一时刻t的平均温度Tm =1/(Vcet)[ψe-Vce·t-(η/θ)×e-Vce·t+η/θ-ψ]+Tm·a其中ψ、η、θ为综合参数,按下式计算:θ=(ω·K·M)/(Vce ·Cc·ρc)ψ=(Vce ·Qce·mce)/(Vce·Cc·ρc-ω·K·M)η=T3-Tm·a+ψ式中:Tm——混凝土蓄热养护开始到任一时刻t的平均温度(℃)t——混凝土蓄热养护开始到任一时刻的时间(h)Tm·a——混凝土蓄热养护开始任一时刻t的平均气温(℃)取-10℃ρc——混凝土的质量密度(kg/m3)取2500kg/m3mCe——每m3混凝土水泥用量(kg/m3) C35混凝土取288kg/m3CC——混凝土的比热容(kJ/kg·k)取1.0kJ/kg·kQCe——水泥水化积累最终放热量(kJ/kg)取350kJ/kgVCe——水泥水化速度系数(h-1)取0.013h-1ω——透风系数取1.3M——结构表面系数(m-1)墙取5.0m-1,楼板取7.5m-1 K——结构围护层的总传热系数(kJ/㎡·h·k)按下式计算:K=3.6/(0.04+∑di/Ki)式中:di——第i层围护层厚度(m)保温棉毡被取0.008mKi——第i层围护层的导热系数(W/m· K)保温棉毡取0.03W/m·K 墙、楼板围护层传热系数K=3.6/(0.04+0.008÷0.030)=11.74kJ/㎡·h·ke——自然对数底取2.721.ψ、η、θ综合参数计算:θ墙=(1.3×15.0×5.0)/(0.013×1×2500)=2.35θ楼板=(1.3×15.0×7.5)/(0.013×1×2500)=3.52ψC30墙=(0.013×350×288)/(0.013×1×2500-1.3×11.74×5.0)=-29.91ψC30楼板=(0.013×350×288)/(0.013×1×2500-1.3×11.74×7.5)=-15.99ηC30墙=10.99 9.11+10-29.91=-8.92 -10.8ηC30楼板=10.99 9.11+10-15.99=5.00 3.122.t(混凝土蓄热养护开始到任一时刻的时间)的计算当采用综合蓄热法条件养护,C35混凝土墙ψC45墙/Tm·a=29.91/10=2.991≥1.5, C35混凝土楼板ψC40楼板/Tm·a=15.99/10=1.599≥1.5,且墙体K·M=11.74×5=58.70>50,楼板K·M=11.74×7.5=88.04>50,所以直接按下列公式计算蓄热冷却至0℃的时间to C35混凝土墙To=1/Vce ×ln(ψC35墙/Tm·a)=(1/0.013)×ln(29.91/10)=84.29hC35混凝土楼板To=1/Vce ×ln(ψC35楼板/Tm·a)=(1/0.013)×ln(15.99/10)=36.10h3.混凝土蓄热养护开始到任一时刻t(取混凝土冷却至0℃的时间即t=to)的平均温度C35混凝土墙体TC30墙=1/(0.013×84.29)×[-29.91×2.72-0.013×84.29-(-8.92 10.8/2.35)×2.72-2.35×0.013×84.29+(-8.92 10.8/2.35)-(-29.91)]-10=5.66℃ 4.29℃C35楼板TC30楼板=1/(0.013×36.10)×[-15.99×2.72-0.013×36.10-(5.00 3.12/3.52)×2.72-3.52×0.013×55.7+(5.00 3.12/3.52)-(-15.99)]-10=9.79℃ 4.53℃4.计算混凝土等效龄期t=αr·tT式中:t——等效龄期(h)αr——温度为T℃时(冬施计算手册996页查表17-11并根据内插法计算得出:C35墙体5.66℃ 4.29℃取0.44 0.35, C35楼板9.79℃ 4.53℃取0.57 0.36)时的等效系数——温度为T℃时所需的持续时间(h) C35墙体取98.1h,C35楼板取55.7h tT根据标准养护试块统计,C35混凝土20℃时19h强度等级达到4N/mm2以上。
混凝土热工计算以C20为例进行热工计算。
1、混凝土拌合的理论温度混凝土拌合物的热量系各种材料提供的热量,按材料的重量、比热及温度的乘积相加求得,混凝土拌合物的温度按下式计算:T o=[0.92(m ce T ce+m sa T sa+m g T g)+4.2T w(m w-w sa m sa-w g m g)+c1(w sa m sa T sa+w g m g T g)×c2(w sa m sa+w g m g)]÷[4.2m w+0.92(m ce+m sa+m g)]式中:T o—混凝土拌合物温度(℃);m w、m ce、m sa、m g—水、水泥、砂、碎石的用量(kg);T w、T ce、T sa、T g—水、水泥、砂、碎石的温度(℃);w sa、w g—砂、碎石的含水率(%);c1、c2—水的比热容[KJ/(kg×K)]及溶解热(KJ/kg)。
当骨料温度>0℃时,c1=4.2,c2=0;当骨料温度<0℃时,c1=1,c2=335。
m w、m ce、m sa、m g取值分别为:176kg、192kg、895kg、969kg;T w、T ce、T sa、T g取值分别为:60℃、-5℃、5℃、5℃;w sa、w g取值分别为:3.5%、1%。
代入上式得:T0=15.854℃2、混凝土拌合物的出机温度混凝土拌合物的出机温度按下式计算:T1=T0-0.16(T0-T i)式中:T 1—混凝土拌合物的出机温度 T i —搅拌机棚内温度,取0℃。
代入公式得:T 1=13.317℃,满足出机温度大于10℃要求。
3、混凝土运输温度混凝土经运输到浇注时的温度按下式计算 T 2=T 1-(αt t +0.032n )×(T 1-T a )式中:T 2—混凝土拌合物经运输到浇注时的温度(℃); t t —混凝土拌合物经运输到浇注时的时间(h ); n —混凝土拌合物运转次数;T a —混凝土拌合物运输时的环境温度(℃); α—温度折损系数(h-1);T 1、t t 、n 、T a 、α取值分别为:13.317℃、1h 、1、-5℃、0.25; 将上式代入公式得:T 2=8.15℃,满足入仓温度大于5℃要求。
平壁的稳定传热:
1、某采暖房间的外墙,总传热系数为2W/(㎡·K),其内表面换热系数为10W/(㎡·K),室内、外空气温差为25℃,如室内空气温度为18℃,试计算外墙内表面的温度。
2、例题:试计算某屋顶结构的总热(冬)
3、例题:已知室内气温为16℃,室外气温为-8℃,试计算通过图示三层平壁的内部温度分布。
1、西安地区一办公建筑围护结构外墙剖面如图示。
室内计算温度ti=18℃,
问该外墙是否符合建筑热工要求?
2.设某地冬季室外计算温度te(-26℃,-29 ℃,-31 ℃,-33 ℃),拟在该地建一住房。
屋顶构造由内到外分别是(n=1):钢筋混凝土板,厚30mm;水泥砂浆,厚10mm;加气混凝土;水泥砂浆,厚20mm;油毡防水层,厚10mm。
保温材料是ρ=500kg/m3的加气混凝土。
试按低限保温度设计方法来确定保温层应有的厚度。
3、作业:保定地区有一平屋顶住宅,要求冬季室内气温维持在18℃,试设计该建筑的外墙及屋顶,并且绘制构造图,要求必须满足最小保温要求(室外冬季计算温度为-9 ℃,-11 ℃,-13 ℃,-14 ℃)。
1、例题已知室内的空气温度ti=20℃,相对湿度φ=70%,求露点温度td
2、某外墙构造如图,请判断它在室内温度18℃、相对湿度60%、室外温度一12℃时,内表面是否可能结露?
3、试检验图中所示外墙构造是否会产生冷凝水。
已知:ti=16℃,采暖期室外平均气温te=-4.0℃,平均相对湿度为50%,外墙构造为1、20mm厚石灰砂浆内粉刷;2、50mm厚泡沫混凝土(密度500kg/m³);3、120mm厚砖
墙。
1 某建筑物利用蒸汽供暖,该建筑物通过墙壁等向外界散热3600 000 kJ/h,假设蒸汽压降可忽略不计,问需供蒸汽量。
已知蒸汽进入建筑物时h1=2 870 kJ/kg流出时h2=504.78kJ/kg。
00000002 某锅炉燃煤需要空气折合660 0 m3/h(标准状态),实际送风温度为250℃,表压力1 500Pa,测得当地大气压p0=101kPa,求鼓风机实际送风量(m3/h)00000003 1kg 某种理想气体经历一个可逆多变过程从初态t1=900℃,p1=8.5MPa膨胀到终态t2=217℃,v2=1.27m3/kg。
(1)求出此过程的多变指数n;(2)在p-v 图和T-s 图上画出该过程,并标明过程功及过程热量可分别用p-v 图及T-s 图上哪块面积表示?(3)计算过程的Δu,Δs 及过程功w 和热量q。
已知:气体Rg=0.287kJ/ (kg·K),比热容可取定值cP=1.005kJ/( kg·K)00000004 室内空气温度为t1=35℃,相对湿度φ1=50%,开启空调后,温度降到t2=28℃,求:降温后室内空气中水蒸汽的分压力,干空气的分压力及相对湿度。
已知:t=35℃,ps=5.6263kPa;t=28℃,ps=3.7814kPa;pb=100kPa。
提示:d2= d1。
00000005 汽油机定容加热理想循环进气参数为t1=20℃,p1=0.09MPa,v1=1×10-3m3,0000000若循环压缩比ε=10,定容增压比λ=1.6,假设工质是空气,Rg=287J/( kg·K),比000000 0热可取定值,Cp=1.005 kJ/( kg·K),(1)画出循环p-v 图及T-s 图;(2)求循环的最000000 0高温度和最高压力;(3)计算循环的吸热量、循环净功及循环的热效率。
000000006 有一热机循环,其低温热源温度为27℃,热机从高温热源吸热120000kJ/h,向低温热源放热66 000kJ/h,(1)求循环热效率和输出功率:(2)若热源熵变为ΔS= –123.33kJ/(K·h),问此循环是否可逆?00000007.人体热量的消耗率通常为356kJ/h,在作激烈运动时则达628kJ/h。
热工计算实例
钢筋混凝土墙体,200mm厚,钢筋直径16mm,双排双向。
保温采用钢制大模板,区格填塞50mm厚聚苯保温板。
泵管使用双层阻燃纤维保温被保温。
设定混凝土出机温度(在搅拌站出搅拌机的温度)为10℃,室外环境气温为-5℃。
步骤二:计算T3------混凝土浇筑完成时的温度(℃)
步骤三:计算T4------混凝土蓄热养护开始到某一时刻的温度(℃)Tm------混凝土蓄热养护开始到某一时刻的平均温度(℃)
步骤四:计算M------混凝土养护的成熟度(℃·h)
f------混凝土抗压强度(Mpa)
1、将步骤三计算得出的T m作为T,t3作为△t,代入成熟度计算公
式B.0.4-2,计算得出M。
2、由搅拌站提供1d、2d、3d、7d、28d标准养护试块抗压强度值,
经回归分析,求出参数a、b值。
3、由计算公式B.0.4-1,求出混凝土强度f,再除以调整系数0.8,
即为混凝土实际强度。