建筑物电子信息系统防雷技术规范
- 格式:doc
- 大小:323.00 KB
- 文档页数:12
建筑物电子信息系统防雷技术规范一.防雷与接地(一). 电源线路防雷与接地应符合下列规定:1 进、出电子信息系统机房的电源线路不宜采用架空线路。
2 电子信息系统设备采用TN 交流配电系统时,配电线路和分支线路必须采用TN—S 系统的接地方式。
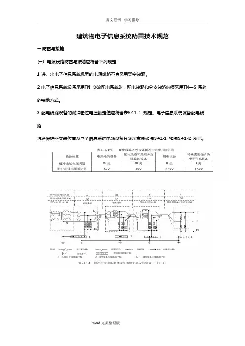
3 配电线路设备的耐冲击过电压额定值应符合表5.4.1-1 规定。
电子信息系统设备配电线路浪涌保护器安装位置及电子信息系统电源设备分类示意图如图5.4.1-1 和图5.4.1-2 所示。
4 在直击雷非防护区(LPZ0A)或直击雷防护区(LPZO B)与第一防护区(LPZ1)交界处应安装通过Ⅰ级分类试验的开关型浪涌保护器或限压型浪涌保护器作为第一级保护;第一防护区之后的各分区(含LPZ1区)交界处应安装限压型浪涌保护器。
使用直流电源的信息设备,视其工作电压要求,宜安装适配的直流电源浪涌保护器。
5 浪涌保护器连接导线应平直,其长度不宜大于0.5m。
当电压开关型浪涌保护器至限压型浪涌保护器之间的线路长度小于10m、限压型浪涌保护器之间的线路长度小于5m时,在两级浪涌保护器之间应加装退耦装置。
当浪涌保护器具有能量自动配合功能时,浪涌保护器之间的线路长度不受限制。
浪涌保护器应有过电流保护装置,并宜有劣化显示功能。
6 浪涌保护器安装的数量,应根据被保护设备的抗扰度和雷电防护分级确定。
7 用于电源线路的浪涌保护器标称放电电流参数值宜符合表5.4.1-2 的规定。
(二).信号线路的防雷与接地应符合下列规定1 进、出建筑物的信号线缆,宜选用有金属屏蔽层的电缆,并宜埋地敷设,在直击雷非防护区(LPZ0A)或直击雷防护区(LPZO B)与第一防护区(LPZ1)交界处,电缆金属屏蔽层应做等电位连接并接地。
电子信息系统设备机房的信号线缆内芯线相应端口,应安装适配的信号线路浪涌保护器,浪涌保护器的接地端及电缆内芯的空线对应接地。
2 电子信息系统信号线路浪涌保护器的选择,应根据线路的工作频率、传输介质、传输速率、传输带宽、工作电压、接口型式、特性阻抗等参数,选用电压驻波比和插入损耗小的适配的浪涌保护器。
建筑物电子信息系统防雷技术规范一、引言建筑物电子信息系统是指为了满足建筑物内电子设备运行需要而建设的系统,包括通信系统、网络系统、安防系统等。
随着科技的发展,电子信息系统在建筑物中的应用越来越广泛。
然而,雷电对建筑物电子信息系统的安全造成了严重的威胁。
为了确保建筑物电子信息系统的正常运行和使用,制定本防雷技术规范,旨在规定建筑物电子信息系统防雷的必要技术要求和防雷措施。
二、技术要求1. 防雷设施建设:建筑物电子信息系统的防雷设施应根据建筑物的实际情况进行合理设计。
包括建筑物外接闪电等防雷器、接地装置以及预防雷电波通过线路进入建筑物的措施。
2. 天线避雷器:对于通信系统、无线网络系统等使用天线的电子信息系统,应安装天线避雷器。
天线避雷器具备快速反应速度和高能量吸收能力,能有效保护建筑物内的电子设备。
3. 建筑物接地系统:建筑物的接地系统是防雷的基础。
接地装置应符合国家相关标准要求,并与建筑物的金属结构、设备设施等可导电部分连接良好,确保防雷措施的有效性。
4. 防雷保护装置:对于建筑物内重要的电子设备,应设置防雷保护装置,如防雷电源、防雷插座等。
防雷保护装置能够及时将雷电流引入地下,保护电子设备的安全运行。
5. 建筑物导线布线:建筑物内的导线布线应合理规划,避免在高雷电活动频繁区域设置。
导线应选择符合防雷要求的特殊材料,以提高其防雷性能。
同时,导线的连接点应进行可靠的接地,保证设备与设备之间的互联能够正常运行。
三、防雷措施1. 选择合适的建筑物位置:在选址阶段,应避开雷击频繁和雷电活动强度较高的地区,选择相对安全的建筑物位置,减少雷电对建筑物电子信息系统的威胁。
2. 定期进行防雷设施维护和检查:防雷设施应定期进行检查和维护,确保其正常运行。
特别是雷电接地装置,应及时清除导电部分的积灰和杂物,保持良好的接地效果。
3. 安装避雷带:对于高层建筑物,应安装避雷带。
避雷带能将雷电引入地下,避免雷电对建筑物电子信息系统造成直接威胁,提高系统的安全性。
GB50343-建筑物电子监测系统防雷技术
规范
本文档旨在阐述GB《建筑物电子监测系统防雷技术规范》的相关要点和标准,以指导建筑物电子监测系统防雷技术的实施。
1. 范围
本规范适用于建筑物电子监测系统的防雷设计和施工。
其中,建筑物电子监测系统是指用于监测建筑物结构、土体、设备和环境的电子设备和传感器的系统。
2. 术语和定义
本章节介绍了在本规范中使用的术语和定义,以便在后续内容中更好地理解和应用。
3. 技术要求
本章节详细描述了建筑物电子监测系统的防雷技术要求,包括系统设计、设备选型、接地系统、防雷装置等。
4. 施工和验收
本章节指导了建筑物电子监测系统的施工过程以及验收标准。
包括施工方案编制、施工工序控制、设备安装调试、技术文档编制等。
5. 运行和维护
本章节介绍了建筑物电子监测系统的运行管理和维护要点,包括系统运行状态监测、数据采集与分析、故障处理和维修保养等。
6. 相关标准
本章节列举了与本规范相关的国家标准和行业标准,供用户参考和深入了解。
7. 附录
本章节包括规范中所引用的相关附录文件和示例。
以上是《GB50343-建筑物电子监测系统防雷技术规范》的简要内容介绍。
该规范旨在确保建筑物电子监测系统的防雷技术能够安全、稳定、有效地运行,促进建筑物结构和设备的保护和管理。
中华人民共和国国家标准建筑物电子信息系统防雷技术规范GB 50343—2004条文说明1 总则1.0.1 随着经济建设的高速发展,电子信息设备的应用已深入至国民经济、国防建设和人民生活的各个领域,各种电子、微电子装备已在各行业大量使用。
由于这些系统和设备耐过电压能力低,雷电高电压以及雷电电磁脉冲侵入所产生的电磁效应、热效应都会对系统和设备造成干扰或永久性损坏。
每年我国电子设备因雷击造成的经济损失相当惊人。
因此解决电子信息系统对雷电灾害的防护问题,雷电防护标准的制定工作,十分重要。
由于雷击发生的时间和地点以及雷击强度的随机性,因此对雷击的防范,难度很大,要达到阻止和完全避免雷击的发生是不可能的。
国际电工委员会标准IEC一61024和国家标准GB 50057均明确指出,建筑物安装防雷装置后,并非万无一失的。
所以按照本规范要求安装防雷装置和采取防护措施后,可能将雷电灾害降低到最低限度,减小被保护的电子信息系统设备遭受雷击损害的风险。
1.0.2 对易燃、易爆等危险环境和场所的雷电防护问题,由有关行业标准解决。
1.0.4 雷电防护设计应坚持预防为主、安全第一的原则,这就是说,凡是影响电子信息系统的雷电侵入通道和途径,都必须预先考虑到,采取相应的防护措施,将雷电高电压、大电流堵截消除在电子信息设备之外,不允许雷电电磁脉冲进入设备,即使漏过来的很小一部分,也要采取有效措施将其疏导人大地,这样才能达到对雷电的有效防护。
科学性是指在进行防雷工程设计时,应认真调查建筑物电子信息系统所在地点的地理、地质以及土壤、气象、环境、雷电活动、信息设备的重要性和雷击事故的严重程度等情况,对现场的电磁环境进行风险评估和计算,并根据表4.3.1雷电防护级别的选择确定电子信息系统的防护级别,这样,才能以尽可能低的造价建造一个有效的雷电防护系统,达到合理、科学、经济的效果。
1.0.5 建筑物电子信息系统遭受雷电的影响是多方面的,既有直接雷击,又有从电源线路、信号线路等侵入的雷电电磁脉冲,还有在建筑物附近落雷形成的电磁场感应,以及接闪器接闪后由接地装置引起的地电位反击。
GB50343-建筑物电子安防系统防雷技术规范该技术规范是为了指导建筑物电子安防系统的防雷设计和施工,提高建筑物的抗雷能力。
本文档总结了该技术规范的主要内容,以供参考。
1. 引言本文档旨在规范建筑物电子安防系统的防雷技术,确保建筑物和其中的电子设备免受雷电等自然灾害的侵害。
2. 适用范围本技术规范适用于各类建筑物的电子安防系统设计和施工,包括但不限于住宅、商业建筑、工业厂房等。
3. 防雷设计原则3.1 防雷保护等级根据建筑物所处的雷电活动区域和电子设备的重要性程度,确定适当的防雷保护等级,确保系统具备足够的抗雷能力。
3.2 防雷地线系统建立合理的防雷地线系统,将建筑物及其电子设备与地面进行良好的电气连接,以实现雷击的引入和排泄。
3.3 防雷接地装置安装合适的防雷接地装置,提高建筑物的防雷能力,并确保接地装置的质量和可靠性。
3.4 防雷装置的选择与安装在建筑物的关键位置安装适当的防雷装置,选择合适的防雷保护器件,并确保安装符合规范要求。
4. 防雷施工要求4.1 施工材料选用选择符合国家标准的防雷施工材料,确保其质量和可靠性。
4.2 施工规范按照规范要求进行防雷施工,包括材料的安装、接地系统的连接、防雷装置的安装等。
4.3 检测与验收在施工完成后,进行必要的检测与验收工作,确保防雷系统的合格性和可靠性。
5. 维护与管理建立健全的维护与管理制度,定期检查和维护建筑物的防雷系统,确保其长期有效运行。
6. 其他要求根据具体建筑物和电子设备的特点,可以制定其他补充要求,以进一步提高防雷能力。
7. 相关标准和规范列出相关的国家标准和技术规范,供设计和施工人员参考。
以上为《GB50343-建筑物电子安防系统防雷技术规范》的主要内容概述,详细内容请参考标准原文。
GB50343-建筑物电子安全系统防雷技术规范1. 引言建筑物电子安全系统是指用于保护建筑物内电子设备和系统免受雷电影响的一系列装置和设备。
该规范旨在规范这些系统的设计、安装和维护,以确保其功能可靠且符合安全要求。
2. 术语和定义本章节对于规范中使用的术语进行了定义,以便读者理解和使用。
3. 防雷系统基本要求本章节介绍了建筑物电子安全系统防雷的基本要求,包括设计、选择和安装防雷装置、接地系统的建设等。
4. 防雷器材的选型和安装该章节详细介绍了防雷器材的选型和安装要求,包括大气压电防护、雷电流防护、雷电电磁场防护等。
5. 接地系统的构筑本章节描述了接地系统的构筑和布置,包括接地装置的选择、接地电阻的要求等。
6. 电磁兼容性要求该章节介绍了建筑物电子安全系统防雷的电磁兼容性要求,包括电磁兼容环境分类、电磁兼容性考虑的方法等。
7. 系统安装与调试本章节提供了建筑物电子安全系统安装和调试的指导原则和步骤。
8. 运行与维护该章节介绍了建筑物电子安全系统的运行与维护要求,包括定期检查、记录、故障排除等。
9. 其他要求本章节列出了其他与建筑物电子安全系统防雷有关的要求,包括施工标准、工程验收等。
10. 规范的应用该章节为规范的应用提供了指导,包括不同类型建筑物的适用情况、规范与其他标准的关系等。
11. 规范的引用文件本章节列举了规范中所引用的相关文件,供读者查阅和参考。
12. 核心建议该章节总结了建筑物电子安全系统防雷技术规范的核心建议,以便读者在实际应用中能够更好地理解和使用该规范。
以上是对GB50343-建筑物电子安全系统防雷技术规范的一个概述,详细内容请参考相关规范文件。
建筑物电子信息系统防雷技术规范建筑物电子信息系统防雷技术规范一、前言建筑物电子信息系统的重要性越来越受到人们的重视,而防雷技术则是保障其稳定运行的关键。
本文旨在阐述建筑物电子信息系统防雷技术规范,提高建筑物电子信息系统的安全性和可靠性。
二、建筑物电子信息系统建筑物电子信息系统是指包括通信、数据、广播、监控、安防、电视、音响、电脑、网络等各种形式的音视频、数据或信号传输系统。
建筑物电子信息系统的故障不仅会影响生产、经济和安全,还可能造成重大损失。
三、建筑物防雷基础知识雷电是一种强烈的大气静电放电现象,其电磁干扰对建筑物电子信息系统产生很大的影响,甚至可能烧毁电子设备,因此需要特别加以防护。
建筑物的防雷可以从以下几个方面入手:1.建筑物主体结构的防雷:通过设置避雷针或吸收装置等,将雷击电流引导到地下,达到防雷的效果。
2.电子设备的防雷:可采用输入滤波器、绝缘放电管、静电保护、避雷器等设备,提高设备的抗雷击性能。
3.接地的防雷:即将设备的接地接口连接到可靠接地端子上,以达到防雷的效果。
四、建筑物电子信息系统防雷技术规范1.设备选择:在选购设备时,要特别关注其抗雷击性能,选择较为可靠的厂家和组件。
2.接地系统:接地系统是防雷的基础,必须采用合适的接地装置和方式,并保持接地电阻的合理范围。
3.设备布局:设备应该远离铁质结构、高压电线和磁场强烈的设备,以减少电磁干扰和雷击风险。
4.防雷保护措施:在电子设备前应设置专用的避雷器或者终端之类的装置,以防止雷击直接掉在设备上。
5.电缆系统防雷:电缆传输系统中常常受到雷击干扰,应对电缆进行正确的绝缘和屏蔽。
6.设备散热要求:在高温环境下的设备更容易受到雷击干扰,应当加强散热,以降低设备工作温度。
7.定期检测:要定期检测建筑物电子信息系统的防雷情况,及时对存在的隐患进行处理,确保系统的稳定运行。
五、结论建筑物电子信息系统防雷技术规范旨在提高建筑物电子信息系统的安全性和可靠性。
中华人民共和国国家标准建筑物电子信息系统防雷技术规范GB50343-2004中华人民共和国建设部公告第215号建设部关于发布国家标准《建筑物电子信息系统防雷技术规范》的公告现批准建筑物电子信息系统防雷技术规范为国家标准,编号为GB50343-2004,自2004年6月1日起实施。
第5.1.2、5.2.5、5.2.6、5.4.1(2)、5.4.10(2)、7.2.3第(款)为强制性条文,必须严格执行。
本规范由建设部标准定额研究所组织中国建筑工业出版社出版发行。
中华人民共和国建设部2004年3月1日前言根据建设部建标标[2000]43号文,关于同意编制《建筑物电子信息系统防雷技术规范》的函,并由四川省建设厅(原建委)负责组织成立了规范编制组,规范编制组参考国内外有关标准,认真总结实践经验,广泛征求各方意见之后,制订了本规范。
本规范共分8章和4个附录。
主要技术内容是:1.总则;2.术语;3.雷电防护分区;4.雷电防护分级;5.防雷设计;6.防雷施工;7.施工质量验收;8.维护与管理。
本规范主要对微生物电子信息系统综合防雷工程的设计、施工、验收、维护与管理作出规定和要求。
本规范中以黑体字标志的条文为强制性条文,必须严格执行。
本规范由建设部负责管理和对强制性条文的解释,四川省建设厅负责具体管理,中国建筑标准设计研究院、四川中光高技术研究所有限责任公司具体内容的解释。
在执行过程中,请各单位结合工程实践,认真总结经验,如发现需要修改或补充之处,请将意见和建议寄四川省建设厅(地址:四川省成都市人民南路四段36号,邮政编码:)。
主编单位:中国建筑标准设计研究院四川中光高技术研究所有限责任公司参编单位:中南建筑设计院四川省防雷中心上海市防雷中心中国电信集团湖南电信公司铁道部科学院通信信号研究所北京爱劳科技有限公司广州易事达艾力科技有限公司武汉岱嘉电气技术有限公司1总则1.0.1 为防止和减少雷电对建筑物电子信息系统千万的危害,保护人民生命和财产安全,制定本规范。
建筑物电子信息系统防雷技术规一.防雷与接地(一). 电源线路防雷与接地应符合下列规定:1 进、出电子信息系统机房的电源线路不宜采用架空线路。
2 电子信息系统设备采用TN 交流配电系统时,配电线路和分支线路必须采用TN—S 系统的接地方式。
3 配电线路设备的耐冲击过电压额定值应符合表5.4.1-1 规定。
电子信息系统设备配电线路浪涌保护器安装位置及电子信息系统电源设备分类示意图如图5.4.1-1 和图5.4.1-2 所示。
4 在直击雷非防护区(LPZ0A)或直击雷防护区(LPZO B)与第一防护区(LPZ1)交界处应安装通过Ⅰ级分类试验的开关型浪涌保护器或限压型浪涌保护器作为第一级保护;第一防护区之后的各分区(含LPZ1区)交界处应安装限压型浪涌保护器。
使用直流电源的信息设备,视其工作电压要求,宜安装适配的直流电源浪涌保护器。
5 浪涌保护器连接导线应平直,其长度不宜大于0.5m。
当电压开关型浪涌保护器至限压型浪涌保护器之间的线路长度小于10m、限压型浪涌保护器之间的线路长度小于5m时,在两级浪涌保护器之间应加装退耦装置。
当浪涌保护器具有能量自动配合功能时,浪涌保护器之间的线路长度不受限制。
浪涌保护器应有过电流保护装置,并宜有劣化显示功能。
6 浪涌保护器安装的数量,应根据被保护设备的抗扰度和雷电防护分级确定。
7 用于电源线路的浪涌保护器标称放电电流参数值宜符合表5.4.1-2 的规定。
(二).信号线路的防雷与接地应符合下列规定1 进、出建筑物的信号线缆,宜选用有金属屏蔽层的电缆,并宜埋地敷设,在直击雷非防护区(LPZ0A)或直击雷防护区(LPZO B)与第一防护区(LPZ1)交界处,电缆金属屏蔽层应做等电位连接并接地。
电子信息系统设备机房的信号线缆芯线相应端口,应安装适配的信号线路浪涌保护器,浪涌保护器的接地端及电缆芯的空线对应接地。
2 电子信息系统信号线路浪涌保护器的选择,应根据线路的工作频率、传输介质、传输速率、传输带宽、工作电压、接口型式、特性阻抗等参数,选用电压驻波比和插入损耗小的适配的浪涌保护器。
信号线路浪涌保护器参数应符合表5.4.2-1、5.4.2-2 的规定。
(三).天馈线路的防雷与接地应符合下列规定1 架空天线必须置于直击雷防护区(LPZO B)。
2 天馈线路浪涌保护器的选择,应根据被保护设备的工作频率、平均输出功率、连接器型式及特性阻抗等参数,选用插入损耗及电压驻波比小,适配的天馈线路浪涌保护器。
3 天馈线路浪涌保护器,宜安装在收、通信设备的射频出、入端口处。
其参数应符合表5.4.2-2 规定。
4 具有多付天线的天馈传输系统,每付天线应安装适配的天馈浪涌保护器。
当天馈传输系统采用波导管传输时,波导管的金属外壁应与天线架、波导管支撑架及天线反射器作电气连通。
并宜在中频信号输入端口处安装适配的中频信号线路浪涌保护器,其接地端应就近接地。
5 天馈线路浪涌保护器接地端应采用截面积不小于6mm2的多股绝缘铜导线连接到直击雷非防护区(LPZ0A)或直击雷防护区(LPZO B)与第一防护区(LPZ1)交界处的等电位接地端子板上。
同轴电缆的上部、下部及进机房入口前应将金属屏蔽层就近接地。
(四). 程控数字用户交换机线路的防雷与接地应符合下列规定:1 程控数字用户交换机及其它通信设备信号线路,应根据总配线架所连接的中继线及用户线性质选用适配的信号线路浪涌保护器。
2 浪涌保护器对雷电流的响应时间应为纳秒(ns)级,标称放电电流应大于或等于0.5kA,并应满足线路传输速率及带宽要求。
3 浪涌保护器的接地端应与配线架接地端相连,配线架的接地线应采用截面积不小于16mm2的多股铜线,从配线架接至机房的局部等电位接地端子板上。
配线架及程控用户交换机的金属支架、机柜均应做等电位连接并接地。
(五).计算机网络系统的防雷与接地应符合下列规定:1 进、出建筑物的传输线路上浪涌保护器的设置:1)A 级防护系统宜采用2 级或3 级信号浪涌保护器;2)B 级防护系统宜采用2 级信号浪涌保护器;3)C、D 级防护系统宜采用1 级或2 级信号浪涌保护器。
各级浪涌保护器宜分别安装在直击雷非防护区(LPZ0A)或直击雷防护区(LPZO B)与第一防护区(LPZ1)、及第一防护区(LPZ1)与第二防护区(LPZ2)的交界处。
2 计算机设备的输入/输出端口处,应安装适配的计算机信号浪涌保护器。
3 系统的接地1)机房信号浪涌保护器的接地端,宜采用截面积不小于1.5mm2 的多股绝缘铜导线,单点连接至机房局部等电位接地端子板上;计算机机房的安全保护地、信号工作地、屏蔽接地、防静电接地、浪涌保护器接地等均应连接到局部等电位接地端子板上。
2)当多个计算机系统共用一组接地装置时,宜分别采用M型或M m组合型等电位连接网络。
(六) .安全防系统的防雷与接地应符合下列规定:1 置于户外的摄像机信号控制线输出、输入端口应设置信号线路浪涌保护器。
2 主控机、分控机的信号控制线、通信线、各监控器的报警信号线,宜在线路进出建筑物直击雷非防护区(LPZ0A)或直击雷防护区(LPZO B)与第一防护区(LPZ1)交界处装设适配的线路浪涌保护器。
3 系统视频、控制信号线路及供电线路的浪涌保护器,应分别根据视频信号线路、解码控制信号线路及摄像机供电线路的性能参数来选择。
4 安防系统户外的交流供电线路、视频信号线路、控制信号线路应有金属屏蔽层并穿钢管埋地敷设,屏蔽层及钢管两端应接地,信号线路、供电线路应分开敷设。
5 安防系统的接地应采用共用接地。
主机房应设置等电位连接网络,接地线不得形成封闭回路,系统接地干线宜采用截面积不小于16mm2的多股铜芯绝缘导线。
(七).火灾自动报警及消防联动控制系统的防雷与接地应符合下列规定:1 火灾报警控制系统的报警主机、联动控制盘、火警广播、对讲通信等系统的信号传输线缆宜在进出建筑物直击雷非防护区(LPZ0A)或直击雷防护区(LPZO B)与第一防护区(LPZ1)交界处装设适配的信号浪涌保护器。
2 消防控制中心与本地区或城市“119”报警指挥中心之间联网的进出线路端口应装设适配的信号浪涌保护器。
3 消防控制室,应设置等电位连接网络,室所有的机架(壳)、金属线槽、设备保护接地、安全保护接地、浪涌保护器接地端均应就近接至等电位接地端子板。
4 区域报警控制器的金属机架(壳)、金属线槽(或钢管)、电气竖井的接地干线、接线箱的保护接地端等,应就近接至等电位接地端子板。
5 火灾自动报警及联动控制系统的接地应采用共用接地。
接地干线应采用截面积不小于16mm2的铜芯绝缘线,并宜穿管敷设接至本楼层(或就近)的等电位接地端子板。
(八). 监控系统的防雷与接地应符合下列规定:1 监控系统的各种线路,在建筑物直击雷非防护区(LPZ0A)或直击雷防护区(LPZO B)与第一防护区(LPZ1)交界处应装设线路适配的浪涌保护器。
2 监控系统中央控制室,应设等电位连接网络。
室所有设备金属机架(壳)、金属线槽、保护接地和浪涌保护器的接地端等均应做等电位连接并接地。
3 监控系统的接地应采用共用接地,其接地干线应采用截面不小于16mm2的铜芯绝缘导线,并应穿管敷设接至就近的等电位接地端子板。
(九). 有线电视系统的防雷与接地应符合下列规定:1 进、出建筑物的信号传输线,宜在入、出口处装设适配的浪涌保护器。
2 有线电视信号传输线路,宜根据其干线放大器的工作频率围、接口型式以及是否需要供电电源等要求,选用电压驻波比和插入损耗小的适配的浪涌保护器。
3 进、出前端设备机房的信号传输线,宜装设适配的浪涌保护器。
机房应设置局部等电位接地端子板,采用截面积不小于16mm2的铜芯绝缘导线并穿金属管,就近接至机房外的等电位连接带。
(十). 通信基站的防雷与接地应符合下列规定:1 通信基站的雷电防护宜先进行雷电风险评估及雷电防护分级。
2 基站的天线必须设置于直击雷防护区(LPZO B)。
3 基站天馈线应从铁塔中心部位引下,同轴电缆在其上部、下部和经走线桥架进入机房前,屏蔽层应就近接地。
当铁塔高度大于或等于60m 时,同轴电缆金属屏蔽层还应在铁塔中部增加一处接地。
4 通信基站的信号电缆应穿钢管埋地进入机房,并应在入户配线架处安装信号线路浪涌保护器,电缆的空线对应做保护接地。
站区严禁布放架空线缆。
当采用光缆传输信号时,应符合本规5.3.2条第4 款的规定。
5 基站的电源线路宜埋地引入机房,埋地长度不宜小于50m。
电源进线处应安装电源线路浪涌保护器。
二. 防雷施工(一) .一般规定1.建筑物电子信息系统防雷施工,应按本规的规定和已批准的设计施工文件进行。
2.建筑物电子信息系统防雷工程中采用的器材,应符合现行有关标准的规定,并应有合格证件。
3. 电工、焊工和电气调试人员,必须持证上岗。
4.测试仪表、量具,应鉴定合格,必须在有效期。
(二) .接地装置1.人工接地体在土壤中的埋设深度不应小于0.5m,宜埋设在冻土层以下。
水平接地体应挖沟埋设,钢质垂直接地体宜直接打入地沟,其间距不宜小于其长度的2 倍并均匀布置,铜质和石墨材料接地体宜挖坑埋设。
2. 垂直接地体坑、水平接地体沟宜用低电阻率土壤回填并分层夯实。
3. 接地装置宜采用热镀锌钢质材料。
在高土壤电阻率地区,宜采用换土法、降阻剂法或其它新技术、新材料降低接地装置的接地电阻。
4. 钢质接地装置应采用焊接连接。
其搭接长度应符合下列规定:(1) 扁钢与扁钢搭接为扁钢宽度的2 倍,不少于三面施焊;(2) 圆钢与圆钢的搭接为圆钢直径的6 倍,双面施焊;(3)圆钢与扁钢搭接为圆钢直径的6 倍,双面施焊;(4) 扁钢和圆钢与钢管、角钢、互相焊接时,除应在接触部位两侧施焊外,还应增加圆钢搭接件;(5) 焊接部位应作防腐处理。
5. 铜质接地装置应采用焊接或熔接,钢质和铜质接地装置之间连接应采用熔接方法连接,连接部位应作防腐处理。
6. 接地装置连接应可靠,连接处不应松动、脱焊、接触不良。
7. 接地装置施工完工后,测试接地电阻值必须符合设计要求,隐蔽工程部分应有检查验收合格记录。
(三) 接地线1. 接地装置应在不同处采用两根连接导体与室总等电位接地端子板相连接。
2.接地装置与室总等电位连接带的连接导体截面积,铜质接地线不应小于50mm2,钢质接地线不应小于80mm2。
3.等电位接地端子板之间应采用螺栓连接,其连接导线截面积应采用不小于16mm2 的多股铜芯导线,穿钢管敷设。
4. 铜质接地线的连接应焊接或压接,并应保证有可靠的电气接触。
钢质接地线应采用焊接。
5. 接地线与接地体的连接应采用焊接。
安全保护地线(PE)与接地端子板的连接应可靠,连接处应有防松动或防腐蚀措施。
6.接地线与金属管道等自然接地体的连接,应采用焊接。