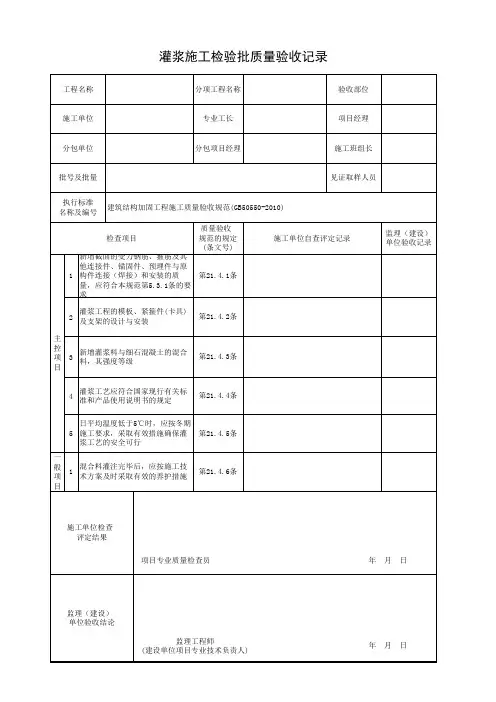
水泥基灌浆材料检验检测原始记录
- 格式:xlsx
- 大小:23.18 KB
- 文档页数:6
水泥基灌浆材料原始检验记录项目名称:水泥基灌浆材料(XXXX型号)一、原料检验记录1.水泥检验记录样品编号:XXX取样日期:XXXX年XX月XX日检验日期:XXXX年XX月XX日检验项目:-外观检查:样品颜色均匀,无明显异色-水泥标号:XXX-水泥初凝时间:X小时X分钟-水泥终凝时间:X小时X分钟-物理性能:a) 水泥净浆度:XXmmb) 水泥比表面积:XXXX cm²/g-化学成分(主量):SiO2:XX%Al2O3:XX%Fe2O3:XX%CaO:XX%MgO:XX%SO3:XX%K2O:XX%Na2O:XX%结论:水泥符合要求,可用于制备水泥基灌浆材料。
2.砂检验记录样品编号:XXX取样日期:XXXX年XX月XX日检验日期:XXXX年XX月XX日检验项目:-外观检查:样品颜色均匀,无明显杂质-砂颗粒形状:细圆状-砂粒级配:符合规定的粒径范围-砂含水率:XX%-砂含泥率:XX%- 砂动密度:XXg/cm³结论:砂符合要求,可用于制备水泥基灌浆材料。
3.骨料检验记录样品编号:XXX取样日期:XXXX年XX月XX日检验日期:XXXX年XX月XX日检验项目:-外观检查:样品颜色均匀,无明显异物-骨料粒径:符合规定的粒径范围-骨料含水率:XX%-骨料吸水量:XX%结论:骨料符合要求,可用于制备水泥基灌浆材料。
二、成品检验记录1.灌浆材料制备记录样品编号:XXX制备日期:XXXX年XX月XX日制备方法:按照规定比例将水泥、砂、骨料等原料混合搅拌,加水调整净浆度至规定范围。
2.物理性能测试记录样品编号:XXX检验日期:XXXX年XX月XX日检验项目:-凝结时间:X小时X分钟-凝胶体积变化率:XX%-抗压强度:XXXMPa-抗折强度:XXXMPa-堆积度:XX%- 流动度:XX cm-导热系数:XXW/(m·K)结论:灌浆材料符合要求,可用于施工使用。
三、装置检验记录1.灌浆装置检验记录装置编号:XXX检验日期:XXXX年XX月XX日检验项目:-外观检查:设备无损坏、变形等情况-操作性能:设备启停正常,操作简便-流量控制:流量控制稳定,无渗漏现象-压力控制:压力控制稳定,无压力波动结论:灌浆装置符合要求,可用于水泥基灌浆工程。
水泥基灌浆材料检验检测原始记录1.原材料检验1.1水泥检验水泥样品:ABC品牌普通硅酸盐水泥生产日期:2024年5月10日检验项目:1)外观检查:无明显结块、霉变或异物。
2)纯度:经化学分析,纯度合格。
3)气固比:经测定,气固比合格。
4)初凝时间:经测定,初凝时间不超过30分钟。
5)压缩强度:经测定,3天强度≥30MPa,7天强度≥40MPa。
1.2灌浆砂检验砂样品:XX地区砂石场取样取样日期:2024年5月15日检验项目:1)外观检查:颗粒均匀,无附着物或胶黏物。
2)颗粒分析:经过筛选,得到以下筛分结果:- 0.075mm孔径筛通过率不超过5%。
- 5mm孔径筛通过率不低于90%。
3)含水率:经测定,含水率不超过5%。
4) 堆积密度:经测定,堆积密度不低于1500kg/m³。
2.施工现场检验2.1水泥浆稠度检验取水泥浆样本于施工现场,检验其稠度。
检验项目:1)液体流动度:采用流度计测定,流度值应为20-30。
2) 塌落度:采用塌落度锥棒测定,塌落度应为12±2cm。
2.2水泥浆强度检验取水泥浆样本于施工现场,检验其强度。
检验项目:1)初凝时间:采用初凝时间仪测定,初凝时间不超过30分钟。
2)压缩强度:采用压力试验机进行压缩强度测定,3天强度≥30MPa,7天强度≥40MPa。
3.原始记录日期:2024年5月20日施工地点:XX项目地点天气状况:晴天检验员:XXX3.1原材料检验记录3.1.1水泥检验记录-外观检查:无明显结块、霉变或异物。
-纯度检验:合格-气固比检验:合格-初凝时间检验:28分钟-压缩强度检验:3天强度为31MPa,7天强度为42MPa3.1.2灌浆砂检验记录-外观检查:颗粒均匀,无附着物或胶黏物。
- 筛分检验:0.075mm孔径筛通过率为3%,5mm孔径筛通过率为92%。
-含水率检验:4%- 堆积密度检验:1560kg/m³3.2施工现场检验记录3.2.1水泥浆稠度检验记录-液体流动度:流度值为24- 塌落度:塌落度为14cm3.2.2水泥浆强度检验记录-初凝时间:初凝时间为25分钟-压缩强度:3天强度为33MPa,7天强度为45MPa以上记录详实可靠,符合相关检验标准和要求。
水泥基灌浆材料检测报告一、引言二、检测方法1.检测样品的制备从施工现场获取水泥基灌浆样品,按照一定比例将该样品与水混合,搅拌均匀后制成试样。
2.物理性能测试(1)密度测试:利用密度计测量试样的密度,以确定材料的质量。
(2)压缩强度测试:将试样放置在压力机中进行压缩测试,以评估其抗压强度。
3.化学成分测试(1)含水率测试:采用重量法,将试样放入烘箱中干燥,并测量干燥前后的重量差,计算得到含水率。
(2)水泥含量测试:采用化学分析法,将试样中的水泥成分提取出来,经过一系列的化学反应后,使用计量仪器测量其重量。
4.微观结构分析(1)扫描电镜观察:将试样表面放入扫描电镜中观察,分析材料的微观结构。
(2)X射线衍射分析:通过X射线的衍射模式,分析材料的结晶性和晶体结构。
三、检测结果及分析1.物理性能测试结果:试样的密度为X g/cm³,符合相关标准要求。
试样的压缩强度为XMPa,达到使用要求。
2.化学成分测试结果:试样的含水率为X%,在合理范围内。
试样的水泥含量为X%,符合要求。
3.微观结构分析结果:扫描电镜观察结果显示,试样中的水泥颗粒分布均匀,没有发现明显的空隙和杂质。
X射线衍射分析显示,试样具有良好的结晶性和晶体结构。
综上所述,根据对水泥基灌浆材料的检测,该样品的物理性能、化学成分和微观结构都符合相关标准要求,适合用于填充混凝土裂缝和加固结构。
四、结论经过检测,水泥基灌浆材料样品的物理性能、化学成分和微观结构均符合要求。
建议在施工中继续使用该材料,但需要注意施工前的质量控制和施工操作规范。
水泥检验原始记录文本水泥检验原始记录工作令号产品名称硅酸盐水泥强度等级试验编号检验依据GB/T1345-2005 GB/T1346-2011 送样日期GB/T 2419-2005 GB/T17671-1999设备编号检验日期GB/T8074-2008环境条件温度℃湿度% 水湿℃设备使用情况细度筛孔试样质量(g) 筛余质量(g) 筛余百分数(g)修正系数修正后筛余百分数(%)筛余平均值(%)80μm筛筛析法45μm筛筛析法比表面积㎡/kg标准稠度用水量试样质量(g) 加水量(ml) 水泥全部加入水中的时间试杆距底板距离(mm)标准稠度需水量(%)安定性1、试饼法试饼经3h沸煮后变化情况水灰比0.50 胶砂流动度(mm)流动度测定次数加水量(ml)测定流动度(㎜)测定结果第一次第二次凝结时间初凝到达时间终凝到达时间初凝时间(min)终凝时间(min)水泥胶砂强度抗压强度抗折强度月日(3d)月日28d 月日(3d)月日(28d) 荷载(kN)强度(MPa)荷载(kN)强度(MPa)测试值(MPa)测试值(MPa)平均值平均值平均值计算公式抗压强度:Rc=Fc/A审核校核主检水泥物理性试验测试题一,填空题:1. 胶凝材料化学组成分()、()无机胶凝材料()、( )有机胶凝材料()、()、()。
2. 测定水泥细度通常采用筛分析法包括:()、()、()。
3. 硅酸盐水泥比表面积不小于()。
4. 硅酸盐水泥初凝时间不小于()min,终凝时间不大于()min。
5. ()、( ) 、( )、( ) 和()初凝不小于()min,终凝不大于()min。
6. 试验室()筛析试验称取试样()、()筛析试验称取试样()。
7. 试验室的温度应保持在(),相对湿度应保持在()以上。
8. 养护箱温度应保持在()相对湿度不低于()9. 养护池水温度()范围内。
二,简答题:1. 水泥的水化过程可分为四个阶段?计算题:复合硅酸盐水泥样品。