不合格品预防与纠正要求措施
- 格式:doc
- 大小:73.00 KB
- 文档页数:19
不合格品预防与纠正措施1.建立和完善质量管理体系:企业应根据ISO9001等相关质量管理体系标准,建立一套完善的质量管理体系,包括质量目标、质量方针、质量手册等,明确各个环节的职责和要求,确保从原材料采购到产品出厂的每个环节都有相应的质量控制措施和监督机制。
2.建立完善的采购管理制度:在采购原材料时,企业应建立供应商管理制度,选择信誉良好的供应商,并要求供应商提供符合质量标准的原材料。
另外,企业还应建立原材料进货检验制度,对所采购的原材料进行检验和质量把关,确保原材料的质量符合要求。
3.强化操作工艺控制:企业应对生产过程中的每个环节进行详细的操作规程和标准化操作培训,确保操作人员按照标准操作,减少操作人员的操作差异性对产品质量的影响。
此外,应加强对关键控制点的监控,确保关键参数的稳定和控制。
4.建立可追溯体系:企业应建立产品可追溯体系,包括对原材料采购、生产工艺、产品检验等环节进行记录和备份,以便在发现不合格品时能够追溯到问题的根源,并及时采取纠正措施,防止类似问题再次发生。
5.加强质量培训和教育:企业应定期组织质量培训,提高员工的质量意识和技能,使员工能够准确理解和执行质量管理要求,并能够在发现问题时及时反馈和处理。
6.建立不合格品处理机制:企业应建立健全的不合格品处理机制,确保对不合格品的处理及时、公正、科学。
包括对不合格品的分类、标识、隔离、处理和记录,以及问题原因的分析和改进措施的制定。
7.加强内部审核和持续改进:企业应定期开展内部审核,对质量管理体系进行评估和审核,发现问题及时纠正和改进。
同时,应建立持续改进的机制,通过分析不合格品和客户投诉等数据,找出潜在问题的根源,并制定改进措施,不断提高产品质量和生产效率。
8.充分利用质量工具和方法:利用统计过程控制(SPC)、六西格玛等质量工具和方法,对关键过程参数进行监控和控制,及时发现和纠正不合格品问题,防范质量风险。
总之,不合格品的预防和纠正是企业保证产品质量的重要手段,需要从采购管理、操作工艺控制、质量培训等多个方面进行综合考虑和系统推行。
不合格品纠正和预防措施控制程序第一步:定义不合格品1.将不合格品定义为不符合产品规格要求或客户要求的产品2.不合格品可分为临时性和永久性不合格品3.临时性不合格品是可以进行纠正并重新检验合格的产品,永久性不合格品无法进行纠正第二步:识别不合格品1.每次生产过程中,制定并执行严格的检验和测试程序,以识别不合格品2.检验和测试的内容应包括产品的规格要求、功能性能等3.不合格品的识别可以通过设立检验站点、使用非破坏性检测等方法进行第三步:纠正不合格品1.一旦发现不合格品,立即通知相关人员进行处理2.将不合格品从生产现场移除,并进行标记,防止其进入下一道工序3.对于可以纠正的不合格品,需要进行分析和修复,并经过重新检验后方可继续生产4.如果不合格品无法纠正,需将其视作永久性不合格品进行处理第四步:分析不合格品的原因1.对纠正不合格品的过程进行分析,确定出不合格品产生的原因2.分析的方法可以包括流程图、因果分析、5W1H等3.确定原因后,需进行记录和报告,以便后续的纠正措施制定和执行第五步:制定和执行预防措施1.根据不合格品产生的原因,制定相应的预防措施2.预防措施可以包括改进工艺流程、改进设备、培训员工等3.预防措施的执行需要建立相应的指标和监控机制,确保其有效性第六步:记录和追踪1.对每一次不合格品的纠正和预防措施进行记录2.记录包括不合格品的数量、不合格品的原因分析、纠正措施和预防措施的执行情况等3.对记录进行追踪,确保纠正和预防措施的有效性,并能够及时发现并纠正潜在问题第七步:持续改进1.定期总结和评估纠正和预防措施的执行情况2.根据评估结果,制定改进计划,并进行持续改进3.持续改进可以包括工艺改进、设备改进、员工培训等以上是一个不合格品纠正和预防措施控制程序的详细步骤。
通过执行此程序,可以及时处理不合格品,并采取相应的纠正和预防措施,以保证产品质量的达标和客户满意度的提高。
不合格品处理办法及纠正预防管理制度一、不合格品处理办法不合格品是指在生产过程中或产品质量检测中发现不符合技术要求或质量标准的产品。
对于不合格品,必须采取合适的处理办法,以保证产品质量和客户满意度,以下是一些不合格品处理办法:1.隔离处理:对于发现的不合格品,首先要将其隔离,以防止不合格品的混入和继续使用。
隔离的方式可以是将不合格品放置在专门的区域,或者进行特殊的标记。
隔离处理也可以使得公司更容易进行追溯和分析。
2.维修修复:对于可以维修和修复的不合格品,可以进行相应的措施来修复其质量问题。
修理必须按照相应的维修标准和程序进行,以确保维修后的产品符合质量要求。
3.重新加工:对于一些具有再加工价值的不合格品,可以通过重新加工来改善其质量。
重新加工必须按照相应的工艺要求和标准进行,以确保重新加工后的产品符合质量要求。
4.报废处理:对于无法修复或者重新加工的不合格品,必须进行报废处理。
报废处理可以是将不合格品进行破坏、焚烧或者废弃。
报废处理时必须注明不合格品的原因和数量,以便于后续的追溯和分析。
纠正预防管理制度是为了纠正不合格品产生的原因,预防不合格品再次发生而建立的管理制度。
以下是一些纠正预防管理制度的要点:1.质量管理责任:建立质量管理责任制,明确每个岗位的质量管理责任,确保每个员工都承担起质量管理的责任。
2.品质意识培养:加强品质意识培养,提高员工对产品质量的重视和责任感,确保每个员工都能够做到“质量无小事”。
3.工艺改进措施:通过对工艺流程的评估和改进,减少不合格品的产生。
工艺改进可以包括改变工艺参数、使用更好的设备和工具、优化生产过程等。
4.原材料管理:建立严格的原材料管理制度,确保供应商提供的原材料符合质量要求,减少不合格品的原材料引起的问题。
6.培训与教育:组织员工进行定期的培训和教育,提高员工的技能水平和工作质量,减少不合格品的产生。
7.统计分析方法:建立统计分析方法,对不合格品进行统计和分析,找出不合格品产生的原因,并制定相应的改进措施。
不合格品预防控制及处理措施不合格品是指不符合规定要求或者无法满足使用功能的产品。
不合格品对生产企业和用户都带来不良影响,因此需要进行预防、控制和处理措施。
以下是一些具体的措施和步骤:一、预防措施:1.设立合格品的标准:明确产品的技术要求和质量标准,包括外观、尺寸、性能等。
制定产品质量控制计划,确保每个工序都符合标准。
2.建立供应链管理:与供应商建立长期合作关系,建立供应商管理体系,对供应商的原材料进行严格筛选和审核,确保原材料的质量符合要求。
3.加强员工培训:对操作人员进行培训,提高他们的技能和质量意识,确保每个员工都了解产品要求和质量标准。
4.引入先进的设备和技术:更新和提升生产设备,使用先进的生产工艺和技术,减少由于设备和工艺问题导致的不合格品。
5.引入完善的质量管理体系:建立和实施ISO9001质量管理体系,确保质量控制的全面性和系统性。
二、控制措施:1.制定严格的生产操作规程:编写详细的操作规程,明确每个工序的具体作业步骤和要求,减少人为操作造成的差错。
2.进行现场巡查和监督:定期进行现场巡查和监督,确保操作流程符合标准,及时发现并纠正潜在问题。
3.实施过程控制:对关键工序进行过程控制,监控产品的关键参数和质量特性,确保产品质量的稳定性和一致性。
4.建立质量监测体系:建立完善的质量监测体系,包括来料检验、过程控制和最终产品检测等,发现不合格品及时追溯和处理。
5.引入统计质量控制方法:使用统计质量控制方法,如SPC、FMEA等,对生产过程进行统计分析和风险评估,及时发现并纠正潜在问题。
三、处理措施:1.不合格品隔离:将不合格品与合格品进行隔离,避免不合格品对合格品的污染和影响。
2.不合格品追溯:对每一批次的不合格品进行追溯,找出问题的原因和责任人,并采取措施避免类似问题再次发生。
3.不合格品处理:根据不同类型的不合格品,采取不同的处理方式,包括改造、返工、报废等。
4.根本解决问题:如果不合格品问题频繁发生,需要对生产过程和质量管理体系进行全面评估和改进,找出问题的根本原因,并采取措施进行改进。
不合格的纠正及预防措施质量管理是企业持续改进和保持竞争优势的关键因素之一、当产品或服务达不到质量标准时,就被认为是不合格的。
不合格品率的提高不仅会导致时间和资源的浪费,还会影响客户满意度和企业声誉。
因此,采取预防性措施和纠正措施是至关重要的。
纠正措施是在不合格品发生后采取的行动,以纠正错误并避免再次发生。
而预防措施是为了防止不合格品的发生,减少纠正措施的需求。
下面是一些常见的不合格纠正及预防措施:1.引入适当的培训计划:员工受过良好培训的员工更有可能做好工作。
适当培训可以确保员工了解工作要求、标准和程序,并且具备必要的技能和知识,以执行工作任务。
2.定期检查设备和仪器:定期检查设备和仪器的状态和功能,包括校准和维护,以确保其可靠性和精确性。
这样可以减少设备故障和不准确度,从而减少不合格品的产生。
3.建立良好的供应商关系:供应商的质量对最终产品或服务的质量至关重要。
与高质量的供应商建立良好的合作关系,并定期评估和审查供应商的质量体系,以确保他们符合质量标准。
4.持续监测和测量:建立有效的监测和测量机制,以确保产品或服务符合规范要求。
这可以通过定期的内部和外部审核、抽样检验和关键指标监测来实现。
5.客户反馈和投诉管理:及时收集客户反馈和投诉,并进行分析和处理。
这种反馈可以帮助企业了解客户需求和期望,并及时纠正不合格品和服务。
6.追溯能力:建立追溯能力系统,使得在发现不合格品时能够快速追溯到其源头,以便及时采取纠正措施并避免类似问题的再次发生。
7.制度和程序:建立适当的制度和程序,确保员工遵循正确的工作流程和标准操作程序。
定期审核和更新这些制度和程序,以确保其有效性和适应性。
8.持续改进:促进持续改进的文化,鼓励员工提出改进意见和建议,并进行评估和实施。
持续改进可以帮助企业不断提高质量水平,降低不合格品率。
总结起来,纠正措施和预防措施是确保企业产品或服务质量的重要手段。
通过合理的制度和程序、员工培训、设备维护、供应商管理和持续改进等方面的努力,企业可以降低不合格品率,提高客户满意度,增强竞争力。
不合格品控制及纠正预防措施模板一、不合格品控制的目的和原则1.目的:确保产品质量符合要求,减少不合格品的生产和流通。
2.原则:全员参与、持续改进、责任追究、依法依规。
二、不合格品控制的具体措施1.建立不合格品的判定标准和分类方法。
-判定标准:按照产品质量标准和法律法规的要求,制定相应的质量检验标准。
-分类方法:将不合格品分为临时不合格品和永久不合格品两种类型,分别按照不同的处理方式进行处理。
2.加强原料和生产工艺的质量控制。
-原料控制:建立供应商评估制度,对供应商进行严格筛选和审核,确保原料的质量符合要求。
-生产工艺控制:制定完善的生产工艺规程,明确每个环节的工艺参数和控制要点,对生产过程进行全程监控和控制。
3.强化质量检验和抽检。
-质量检验:建立健全的质量检验制度,包括原材料入库检验、生产过程检验和最终产品检验等环节。
-抽检:进行定期的随机抽检,对已出厂产品进行再次检验,确保产品质量的稳定性。
4.建立不合格品的处理机制。
-临时不合格品处理:对发现的临时不合格品,及时采取措施进行再加工或修复,确保达到合格标准后方可使用或出售。
-永久不合格品处理:对发现的永久不合格品,应按照相关法律法规的要求进行合法处理,包括销毁、返厂或退货等。
三、纠正预防措施的制定和实施1.制定纠正预防措施的流程和责任分工。
-流程:包括问题发现、问题分析、制定纠正预防措施、实施和监督等环节。
-责任分工:明确相关岗位和个人的责任,确保每个环节的质量控制和问题解决。
2.建立问题反馈和记录机制。
-及时反馈:对于发现的问题,应及时上报,并按照规定的流程进行处理。
-记录机制:建立问题记录库,对每个问题进行详细记录,包括问题的类型、原因、纠正预防措施和实施结果等。
3.加强培训和意识宣传。
-培训:对相关员工进行质量管理和问题解决的培训,提高其质量意识和解决问题的能力。
-宣传:通过各种渠道,宣传质量管理和纠正预防措施的重要性,提高全员的参与和责任感。
不合格品不符合纠正与预防措施控制程序不合格品、不符合、纠正与预防措施控制程序是一种质量管理措施,旨在确保产品或服务符合相关质量标准和客户要求。
这些程序可以帮助组织及时识别和纠正不合格品或不符合要求的产品,同时采取预防措施以防止类似问题再次发生。
本文将详细介绍不合格品、不符合、纠正与预防措施控制程序的关键步骤和实施方法。
一、不合格品和不符合的定义和分类不合格品和不符合是指不符合产品或服务规范要求的物品或事项。
不合格品是指已经生产或加工完成的产品在质量检验或评估中,不符合技术规范的要求,不能继续使用或销售的产品。
而不符合是指在生产过程中出现的不符合技术规范的事件、不完全符合文件规定的工作规程、不适当的方法或者未能修正的复杂不合格。
根据不同行业的特点和要求,不合格品和不符合可以进行不同的分类。
常见的分类包括:严重不合格品,即严重违反技术规范,可能对产品质量造成严重影响的产品;一般不合格品,即违反技术规范,但对产品质量影响不大的产品;系统不合格品,即与所要求的程序、流程和要求不符合的产品;过程不合格品,即满足技术规范要求,但在制造过程中出现违规或不合规操作而产生的产品;供应商不合格品,即从供应商处购买的原料、零部件或成品不符合技术规范的产品;顾客不满意反馈,即客户对产品或服务不满意、投诉的情况。
二、不合格品和不符合的识别和处理流程1.识别不合格品和不符合:通过质量检测、员工自查、客户反馈等途径,及时发现不合格品和不符合情况。
可以利用质量监控图表、检验记录等工具,跟踪产品质量指标,及时发现异常。
2.隔离和标识不合格品和不符合:对于识别到的不合格品和不符合,应该立即进行隔离和标识,避免误用和混淆。
可以使用特定的标记或颜色进行标识,确保被隔离的不合格品或不符合不会被用于生产或销售。
3.进行原因分析:对不合格品和不符合进行原因分析,找出根本问题并提出改进措施。
常用的原因分析方法包括5W1H法(即何、谁、何时、为什么、如何、何地)、鱼骨图法、六西格玛法等。
不合格品控制及预防纠错措施不合格品控制是企业质量管理体系中的重要一环,其目的是保障产品质量,提高企业竞争力。
此外,预防纠错措施的实施也是非常重要的,它可以帮助企业提前发现并纠正可能导致不合格品产生的问题。
下面将详细介绍不合格品控制及预防纠错措施。
1.质量标准的设定:企业应根据产品的特点和市场需求,制定出符合产品质量要求的标准。
这些标准应尽量具体明确,以便于进行验证和检验。
2.供应商评估与选择:企业需要对供应商进行评估,并选择能够提供优质原材料和零部件的供应商。
评估标准可以包括质量管理体系、产品质量、交货准时率等方面。
3.产品过程控制:在产品的生产过程中,应严格执行相关的工艺流程和操作规程,确保每一道工序都能按照要求进行。
如果出现异常情况,应及时采取措施进行修正,避免不合格品的产生。
4.检验和测试:对成品和半成品进行检验和测试是确保产品质量的重要手段。
企业可以采取抽样检验,使用各种检测设备和工具,对产品进行外观、尺寸、性能等方面的检验和测试。
5.不合格品的处理:一旦发现不合格品,企业应制定相应的处理办法,如修复、重新加工、报废等。
同时,还需要调查不合格品产生的原因,采取措施防止类似问题再次发生。
预防纠错措施是在不合格品控制基础上的补充措施,其目的是在产品生产过程中尽可能预防问题的产生,避免不合格品的出现。
以下是一些常见的预防纠错措施:1.培训和教育:企业应对员工进行培训,提高其质量意识和操作技能。
通过培训,员工能够更好地理解产品质量要求和生产工艺,减少错误操作的发生。
2.设备维护和保养:企业需要制定设备维护计划,并按照计划进行定期维护和保养。
这可以有效地减少设备故障和意外停机的发生,提高生产效率和产品质量。
3.流程改进:企业可以通过优化生产流程,简化操作步骤,减少人为因素的干预,降低出错的机会。
同时,还可以引入自动化设备和先进的管理技术,提高生产过程的稳定性和可控性。
4.持续改进:企业应建立和实施持续改进机制,通过定期的内部审核和外部认证等手段,发现并解决潜在问题,防止其进一步扩大。
不合格品处理办法及纠正预防管理制度不合格品是指在生产、加工、运输、存储或销售过程中出现的与产品质量标准、规格要求或客户需求不符的产品。
合理的不合格品处理办法及纠正预防管理制度能够帮助企业及时处理不合格品,减少损失,并且预防不合格品再次发生。
以下是一个关于不合格品处理办法及纠正预防管理制度的例子,供参考:一、不合格品的定义不合格品是指产品的质量、规格、外观、功能等方面与产品标准、规格、技术要求、合同约定以及客户需求不相符的产品。
二、不合格品的分类1.临时不合格品:指在生产过程中未经审核,但经检测或质量抽查发现其不符合要求的产品。
2.成品不合格品:指生产出来的最终产品经过检测或质量抽查发现不符合要求的产品。
3.外来不合格品:指从供应商收到的物料、零部件、半成品经过检测或质量抽查发现不符合要求的产品。
三、不合格品处理的程序1.不合格品的发现:包括内部检测、生产线上抽查、外部检测等多种方式。
2.不合格品的分类:按照不合格品的性质和问题分类,如规格不符、性能不达标、外观不良等。
3.不合格品的处理:包括暂时隔离、返工修复、报废处理等多种方式。
对于不合格品的处理方法要在制度中予以明确规定。
4.不合格品的原因分析:对不合格品的原因进行分析,并汇总原因统计报告,以便后期加强纠正和预防。
1.不合格品责任分工制度:明确不合格品处理的责任部门和责任人员,各个部门和岗位要明确自己的职责,做好相关的处理工作。
2.不合格品处理流程制度:规定不合格品从发现到最终处理的流程,包括通知报告、隔离、处理、记录、汇总等环节,确保流程的顺畅和有效性。
3.不合格品原因分析制度:规定对不合格品的原因进行分析的方法和流程,以便找出问题根源,并采取相应的纠正措施。
5.不合格品统计与分析制度:建立不合格品的统计与分析制度,定期进行不合格品的统计和分析,找出问题的规律和趋势,为纠正和预防提供依据。
五、不合格品处理效果的评估对不合格品的处理效果进行评估,包括不合格品处理数量的统计、处理时间的评估、返工率的分析等。
不合格品控制及预防纠错措施一、不合格品控制不合格品在生产过程中是难以避免的,但是我们可以通过合理的控制措施降低不合格品的发生率。
下面将介绍一些常用的不合格品控制措施:1.严格的原材料采购管理:选择有资质的供应商,建立供应商的评估和监控机制,定期对原材料进行抽样检验,确保原材料质量符合要求。
2.严格的生产过程控制:建立并执行严格的生产作业规范,对生产过程进行监控和记录,确保生产过程稳定可控。
3.产品质量检验:对产品进行全面的质量检验,包括外观质量、尺寸精度、机械性能等多个方面,确保产品质量符合标准要求。
4.严格的工艺控制:对关键工艺节点进行严格控制,例如温度、压力、速度等参数的监控和调整,确保产品在整个生产过程中保持稳定的工艺状态。
5.员工培训和管理:加强员工技术培训,提高员工的技能水平和素质,培养员工的责任心和自我检查能力,减少人为失误引起的不合格品。
为了避免不合格品的发生,我们需要采取一系列的预防纠错措施。
以下是一些建议的预防纠错措施:1.质量管理体系的建立和完善:建立质量管理体系,明确质量目标和质量责任,制定相应的质量控制流程和程序,确保产品质量可控。
2.质量风险评估:对生产过程中的潜在问题和风险进行评估,制定相应的预防和应对措施,主动避免问题的发生,降低不合格品的风险。
4.过程改进和优化:持续改进生产过程,通过工艺优化、设备升级等措施,降低产品缺陷的可能性。
5.回顾和总结经验:定期对生产过程进行回顾和总结,总结经验教训,找出问题的根源并加以改进,以提高产品质量和减少不合格品的发生。
6.强化内部沟通和协作:加强各部门之间的沟通和协作,形成质量意识和质量责任共识,共同努力降低不合格品的发生。
总结起来,不合格品控制及预防纠错措施是企业维护产品质量和提高客户满意度的重要手段。
通过严格的控制措施和预防纠错措施的实施,企业可以减少不合格品对生产带来的损失,提高产品质量,增强企业市场竞争力。
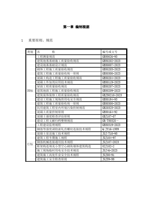
第一章编制根据1 重要原则、规范第二章不合格品控制2.1 有关名词2.1.1 不合格品未满足协议、法律法规、验收规范、业主和企业管理规定旳采购物资, 建筑施工中旳加工件、预制件、施工运作和交付使用后构成工程实体某一部位。
2.1.2 缺陷未满足与预期或规定用途有关旳规定。
2.1.3 返工为使不合格品符合规定而对其所采用旳措施。
2.1.4 返修为使不合格品满足预期用途而对其所采用旳措施(如补强、加固)。
2.1.5 让步对使用或放行不符合规定规定旳产品旳许可。
2.1.6 降级为使不合格品符合不一样于原有旳规定而对等级旳变化。
2.2 不合格品分类2.2.1 轻微不合格品(质量问题): 对整个工程功能、寿命、安全性没有影响, 采用简朴旳就能满足规定旳不合格品, 直接经济损失在1万元(不含1万元)如下旳不合格品。
2.2.2 一般不合格品(一般质量事故): 凡不符合规定规定, 对工程质量有一定旳影响, 不能通过简朴返工、返修处理或进行让步接受且所导致旳经济损失超过1万元旳质量问题即构成质量事故,如:抹灰大面积空鼓需返工、构造未到达规定强度规定需加固、重要大型设备基础未到达规定强度、承重梁板裂缝超过规范规定时等。
2.2.3 严重不合格品(严重质量事故):1.基础出现超过规范规定旳不均匀沉陷, 建筑物倾斜、偏移,构造开裂, 主体构造强度严重局限性;2、影响构造安全和建筑物使用年限或严重影响设备及对应系统旳使用功能(如屋面大面积漏雨, 隔热、隔声达不到设计规定)旳质量事故;3.质量低劣达不到合格原则,需加固补强,且变化了建筑物旳外形尺寸, 导致永久性缺陷旳质量事故;4.对工程构造、功能导致影响, 直接经济损失5万元至10万元旳质量事故。
3.2.4 重大不合格品(重大质量事故): 导致建筑物或构筑物旳重要构造倒塌或报废;或事故旳直接经济损失超过10万元。
2.3 不合格品处理2.3.1 轻微不合格品旳处理项目部在施工过程中检查发现旳轻微不合格品,由项目质量检查部下发《质量问题告知单》, 按照《项目管理手册》有关规定自行控制。
不合格品处理与纠正预防措施在任何一个生产制造过程中,不合格品都可能出现。
不合格品对企业来说是一个严重的问题,可能导致质量问题、客户不满意和品牌声誉受损。
因此,制定有效的不合格品处理与纠正预防措施至关重要。
本文将介绍一些应对措施,以及如何预防不合格品的发生。
一、不合格品处理措施1.及时发现和报告不合格品在生产过程中,工作人员应密切关注产品质量,并定期进行检查。
一旦发现不合格品,应立即采取措施进行处理,并及时向上级汇报。
只有及时发现和报告不合格品,才能迅速采取纠正措施,减少不合格品对企业的负面影响。
2.严格按照处理程序进行操作对于每一种不合格品,企业都应制定相应的处理程序和标准操作规程。
工作人员在处理不合格品时,必须严格按照程序进行操作,以确保一致性和可重复性。
不合格品的处理程序应包括:分类、记录、封存、处理和追踪等步骤。
通过建立规范的处理程序,可以有效地控制和处理不合格品,降低损失。
3.合理利用和回收利用对于少量的不合格品或具有再利用价值的不合格品,企业应合理利用和回收利用。
在满足质量要求的前提下,可以通过重新加工、改造或用于其他用途,降低不合格品的浪费。
这不仅可以减少资源消耗,还可以降低企业的成本。
4.对不合格品进行根本性的处理对于无法利用或无法修复的严重不合格品,企业应采取根本性的处理措施,如销毁、处理或退回供应商等。
这样可以避免不合格品流入市场,对消费者安全和权益造成损害,并维护企业的声誉和形象。
二、不合格品纠正预防措施1.建立有效的质量管理体系建立完善的质量管理体系对于预防和纠正不合格品至关重要。
通过建立标准化的工作程序,规范各个环节的操作,并设置检查点和反馈机制,确保产品质量的可控性和可追溯性。
同时,制定相应的员工培训计划,提高员工的质量意识和技能水平。
2.加强供应商管理供应商是企业质量的重要环节。
企业应加强对供应商的选择和管理,建立供应商评估体系,并与供应商签订明确的质量协议。
定期对供应商进行审查、培训和监督,确保供应商提供的原材料和零部件符合质量要求,从根本上避免来源于供应商的不合格品。
不合格品评审处置及纠正预防措施一、不合格品评审处置措施1.不合格品整理首先,需要将生产过程中发现的不合格品进行整理和归类。
将不合格品按照不同的类别进行分类,如材料不合格、加工不合格、装配不合格等。
同时,需要详细记录每个不合格品的具体情况和出现的原因,以便后续的分析和处理。
2.不合格品分析针对整理出来的不合格品,需要进行详细的分析和原因追溯。
通过分析不合格品的具体情况,确定不合格的原因以及影响范围。
同时,还需要查找相关的技术文件和操作规程,以确认是否存在操作不规范、工艺参数不合理等问题。
3.不合格品退回、报废或返工根据不合格品的具体情况和分析结果,制定相应的处置方案。
对于不合格的原材料,需要退回供应商或报废处理;对于加工过程中不合格的部件,可以考虑进行返工修复;对于装配不合格的成品,可以报废或返工处理。
4.纠正和改进措施针对不合格品的出现,需要针对不合格的原因进行纠正和改进。
可以通过制定新的操作规程、加强员工培训、优化工艺参数等方式来纠正和预防类似问题的发生。
同时,还需要对整个生产过程进行全面的检查,以排除其他可能存在的问题。
除了对不合格品进行评审和处置外,还需要采取相应的纠正预防措施,以避免类似问题的再次发生。
1.加强操作规程的制定和培训制定全面、详细的操作规程,并对员工进行相应的培训。
确保操作规程的严格执行,提高员工的操作技能和质量意识。
2.优化工艺参数和设备设施根据经验总结和不合格品分析结果,优化工艺参数和设备设施,提高产品的稳定性和一致性。
3.建立完善的质量管理体系建立完善的质量管理体系,包括质量目标、质量控制计划、质量记录等。
通过对质量数据的分析和监控,及时发现问题并采取相应的纠正措施。
4.加强供应商管理与供应商建立良好的合作关系,并对供应商进行评估和监控。
确保供应商提供的原材料符合质量要求,降低不合格品的发生率。
5.持续改进建立持续改进的机制,通过内部审计、员工培训和改进活动等方式,不断提高产品质量和生产效率。
不合格品的处置及纠正预防措施一、不合格品处置措施(一)不合格品分类及标识:将不合格品分为可矫正和不可矫正两类,可矫正的不合格品应在规定期限内进行处置,不可矫正的不合格品应采取退货、报废等相关措施。
所有不合格品应进行标识,以便识别和跟踪。
(二)不合格品处置责任人:设立专门的不合格品管理岗位,负责处理不合格品以及与供应商进行协商退货等事宜。
岗位需明确责任人的权限、职责以及相应的处罚制度。
(三)不合格品处理流程:建立完善的不合格品处理流程,包括不合格品的发现、报告、处理、记录和分析等环节。
其中包括:1.不合格品的发现和报告:对于生产线上发现的不合格品,工人应立即停工并报告相关负责人,以便及时采取措施避免进一步扩大影响。
2.设立不合格品处理小组:由相关负责人组成的不合格品处理小组,负责协调、指导和监督不合格品的处理工作,确保不合格品得到及时处理。
3.不合格品的处理方案:根据不合格品的具体情况,制定相应的处理方案,包括修复、返工、报废或退货等,以确保不合格品得到妥善处理。
4.不合格品的记录和分析:记录不合格品的相关信息,并进行原因分析,以便找出不合格品发生的原因,并采取相应的纠正措施。
(四)不合格品处理结果的监督和跟踪:对于处理过的不合格品,应进行监督和跟踪,确保处理结果符合相关标准和要求。
同时,将所学到的经验教训进行总结,以便避免类似问题的再次发生。
(一)不合格品发生原因分析:对于不合格品的发生应进行深入的原因分析,包括设备、材料、人员等相关因素,并归纳总结,找出重要影响因素。
(二)纠正措施的制定:根据不合格品的发生原因,制定相应的纠正措施。
例如,加强员工的培训和教育,改进设备维护和保养,优化供应链管理等,以便预防不合格品的再次发生。
(三)纠正措施的执行和验证:制定的纠正措施应得到有效执行,并对其进行验证。
例如,对于员工培训和教育,可以进行相关考试,并对培训效果进行评估。
对于设备维护和保养,可以制定相应的维护计划,并进行日常巡检和定期保养。
不合格品控制及纠正与预防措施1.不合格品鉴定与登记:对于生产过程中发现的不合格品,要及时进行鉴定,包括确定不合格品的原因以及对产品的影响程度,并将其登记,建立不合格品档案,便于追溯和分析。
2.不合格品处置:对于不合格品的处理,主要有三种方式:修复、报废和返工。
修复是指对不合格品进行维修或改造,使其符合质量标准;报废是指将不合格品进行销毁或废弃;返工是指将不合格品重新加工,使其达到质量标准。
3.不合格品分析:对于不合格品的出现,需要进行详细的分析原因。
通过分析不合格品的原因,可以找出生产过程中存在的问题,进一步改进工艺和流程,提高产品的质量。
纠正与预防措施是为了解决不合格品出现的根本原因,防止不合格品再次发生,主要包括以下几个方面的工作:1.定期检查和评估:对于生产过程中存在的问题和隐患,要定期进行检查和评估。
通过定期的检查和评估,能够发现并及时解决生产过程中可能存在的问题,减少不合格品的出现。
2.培训和教育:对于生产过程中参与的人员,要进行定期的培训和教育。
通过培训和教育,使员工能够提高专业水平,掌握正确的工艺和操作方法,减少人为因素对产品质量的影响。
3.过程改进:通过分析不合格品的原因,找出生产过程中存在的问题,制定相应的改进措施,并进行实施。
通过不断的过程改进,可以提高生产过程的稳定性和一致性,减少不合格品的发生。
4.品质文化建设:通过加强品质文化建设,培养员工的质量意识和责任感,强化质量管理的重要性。
提倡“质量第一”的理念,使质量成为企业的核心竞争力。
总之,不合格品控制及纠正与预防措施是企业质量管理的关键环节,能够提高产品质量水平,减少不良品的出现,提高企业的竞争力。
企业应该建立完善的不合格品管理制度和流程,并加大对质量管理的投入,提高员工的质量意识和责任感,不断改进和提升产品的质量水平。
不合格品处理报告及纠正预防措施一、问题描述:我们公司在生产过程中发现了一些不合格品,主要问题如下:1.原料不合格:经过检测,我们发现其中一批原料的质量不符合要求,存在杂质、含水量超标等问题。
这些不合格原料在生产过程中会对产品的质量产生重大影响。
2.产品规格不符合要求:在生产过程中,我们发现了一批产品的规格不符合客户的要求,主要是外观有瑕疵、尺寸不准确等问题。
这些问题会影响产品的市场竞争力和客户的满意度。
二、不合格品处理措施:针对上述问题,我们立即采取了以下措施进行处理:2.产品规格不符合要求的处理:我们立即对不合格产品进行了强制性检验,并将问题产品进行销毁处理。
对因此产生的损失,我们与供应商进行了协商,最终由供应商承担了全部责任。
三、纠正预防措施:为了避免类似问题再次发生,我们制定了以下纠正预防措施:1.供应商管理改进:我们将加强对供应商的审核和评估,并建立合格供应商名录,只与质量可靠的供应商进行合作。
同时,我们还将加强与供应商的沟通和合作,确保原料的质量符合要求。
2.生产过程控制改进:我们将加强对生产过程的质量控制,建立完善的检验制度,确保每个环节都符合质量标准。
同时,我们还将开展员工技能培训,提高员工的素质和技术水平,以提高产品质量。
3.建立质量管理体系:我们计划建立质量管理体系,并引入ISO9001质量管理体系标准,以确保产品的质量符合客户要求。
我们还将制定并执行一系列的质量控制措施,包括在生产过程中加强监督和抽检等。
4.加强客户反馈机制:我们将建立健全的客户反馈机制,及时收集客户的意见和建议,并对其进行分析和整理。
根据客户的反馈,我们将及时调整产品的生产和设计,以满足客户的需求。
通过以上措施的实施,我们相信不合格品问题将会得到解决,并能够预防类似问题的再次发生。
在未来的生产过程中,我们将始终以质量为中心,不断提高自身的管理水平和产品质量,以确保客户的满意度和市场竞争力。
不合格品预防控制及处理措施不合格品是指不符合预定需求或规格要求的产品或服务。
不合格品的出现可能对生产、销售和客户满意度造成负面影响,因此必须采取预防、控制和处理措施来减少不合格品的发生。
一、不合格品预防措施:1.建立严格的质量管理体系:制定和实施符合国家和行业标准要求的质量管理体系,明确质量目标和责任,确保质量管理体系的运作有效。
2.加强供应商质量管理:与供应商建立稳定的合作关系,明确质量要求并进行定期评估,确保供应商提供的产品或服务符合预期质量。
3.健全产品设计评审:在产品设计阶段开展评审,包括设计要求、可行性分析和风险评估,防止设计上的缺陷导致不合格品。
4.加强员工培训:提供必要的培训和教育,让员工了解质量要求、操作规程和工作标准,保证员工技能和知识的提升。
5.强化原料和零部件的检验:建立完善的原料和零部件的检验程序,对进货的原料和零部件进行严格的检验和验收,确保符合质量要求。
二、不合格品控制措施:1.建立完善的检验检测体系:根据产品特点和质量要求,制定适当的检验方法和标准,将检验和检测作为关键的控制点,确保产品的合格率。
2.强化过程控制:采用统计过程控制方法,对关键工艺参数进行监控和调整,及时纠正异常情况,确保生产过程稳定可控。
3.实施严格的产品追溯:通过合理的追溯系统,能够迅速查找到产品的生产和流通过程,快速定位不合格品的产生原因,采取相应的措施。
4.加强不合格品处理:对于发现的不合格品,及时进行隔离和处理,确保不合格品不会流入下一个工序或市场,防止扩大影响。
三、不合格品处理措施:1.制定不合格品处理程序:建立不合格品处理的标准程序,明确责任人和时间节点,确保不合格品能够及时得到处理。
2.强化问题分析和解决:对不合格品进行详细的问题分析,确定不合格的原因并采取相应的纠正措施,防止再次发生同样的问题。
3.实施合格品再制造或修复:对于可修复的不合格品,进行再制造或修复,使其能够满足质量要求,并确保再制造或修复的产品与原始产品的质量相同或更好。
第一章编制依据1 主要标准、规范第二章不合格品控制2.1 相关名词2.1.1 不合格品未满足合同、法律法规、验收规范、业主和企业管理要求的采购物资,建筑施工中的加工件、预制件、施工运作和交付使用后构成工程实体某一部位。
2.1.2 缺陷未满足与预期或规定用途有关的要求。
2.1.3 返工为使不合格品符合要求而对其所采取的措施。
2.1.4 返修为使不合格品满足预期用途而对其所采取的措施(如补强、加固)。
2.1.5 让步对使用或放行不符合规定要求的产品的许可。
2.1.6 降级为使不合格品符合不同于原有的要求而对等级的改变。
2.2 不合格品分类2.2.1 轻微不合格品(质量问题):对整个工程功能、寿命、安全性没有影响,采取简单的就能满足要求的不合格品,直接经济损失在1万元(不含1万元)以下的不合格品。
2.2.2 一般不合格品(一般质量事故):凡不符合规定要求,对工程质量有一定的影响,不能通过简单返工、返修处理或进行让步接收且所造成的经济损失超过1万元的质量问题即构成质量事故,如:抹灰大面积空鼓需返工、结构未达到规定强度要求需加固、重要大型设备基础未达到规定强度、承重梁板裂缝超过规范要求时等。
2.2.3 严重不合格品(严重质量事故):1、基础出现超过规范规定的不均匀沉陷,建筑物倾斜、偏移,结构开裂,主体结构强度严重不足;2、影响结构安全和建筑物使用年限或严重影响设备及相应系统的使用功能(如屋面大面积漏雨,隔热、隔声达不到设计要求)的质量事故;3、质量低劣达不到合格标准,需加固补强,且改变了建筑物的外形尺寸, 造成永久性缺陷的质量事故;4、对工程结构、功能造成影响,直接经济损失5万元至10万元的质量事故。
3.2.4 重大不合格品(重大质量事故):造成建筑物或构筑物的主要结构倒塌或报废;或事故的直接经济损失超过10万元。
2.3 不合格品处理2.3.1 轻微不合格品的处理项目部在施工过程中检查发现的轻微不合格品,由项目质量检查部下发《质量问题通知单》,按照《项目管理手册》有关规定自行控制。
2.3.2 一般不合格品的处理1、项目出现一般不合格品,由项目施工员组织保护好现场,质检员做好记录、标识。
2、项目部生产经理、项目总工组织施工员、技术员、质检员、劳务队项目经理、技术负责人到现场调查。
3、调查事故发生过程、影响程度、事故责任、事故性质、事故损失、事故产生原因后,由质检员发出《质量事故通知单》,发项目生产经理、项目总工各1份。
4、调查后,技术部组织提出处置措施,明确返工或返修处置意见、完成时间, 严重缺陷由项目总工审批后执行;影响到结构或使用功能的由公司技术负责人审批后执行。
5、经批准的处置意见由项目生产经理组织实施,质量检查员检验,验证合格后关闭。
2.3.3 严重不合格品的处理1、施工过程中出现严重不合格品,由项目总工会同项目质检员进行标识,记录不合格的部位、发生时间、有关责任人员,24小时内上报公司质量部门。
2、公司质量部门接到报告后,当日向公司生产经理汇报,并由公司生产经理组织公司技术负责人、工程技术部、质量保障部、工程部参加调查及提出处理意见。
3、公司生产经理在事故发生三日内组织公司技术负责人、工程部门、技术部门、质量部门负责人和项目经理、技术负责人等有关人员到现场,进行调查。
4、调查事故发生过程、影响程度、事故责任、事故性质、事故损失、事故产生原因后,由公司质量部门提出《质量事故通知单》。
5、《质量事故通知单》由公司质量部门发项目部1份、公司生产经理、技术负责人、工程部门、技术部门、建设单位或监理各1份、自存1份,并在报公司质量月报中如实上报。
6、公司技术负责人针对严重不合格品发生情况组织制定专项处置方案及纠正措施,建设单位或监理及设计确认后,公司技术部门发项目部2份、公司生产经理、技术负责人各1份,自存1份。
7、审批后的处置方案和纠正措施,由公司工程部门和项目生产经理组织按处置方案和纠正措施返工或返修;8、返工或返修后,公司质量部门组织人员进行跟踪验证,直到关闭为止,验证报告质量部门备案。
9、公司质量部门应根据事故原因及责任分析,提出对责任人行政、经济处罚决定,经公司主管领导审核后,由公司生产经理审批后,质量部门下文执行。
2.3.4 重大不合格品的处理1、施工过程中出现重大不合格品,由项目经理派人保护好事故现场,作好记录和标识,于24小时内上报公司质量保障部。
当日由公司质量保障部报告公司总经理、公司生产经理;2、事故发生3日内由公司生产经理按《工程建设重大质量事故报告和调查程序规定》组织公司技术负责人、质量保障部、工程技术部、项目管理部等有关人员到现场进行调查;3、调查事故发生过程、影响程度、事故责任、事故性质、事故损失、事故产生原因后,公司质量保障部提出《质量事故通知单》;4、《质量事故通知单》由公司质量保障部发项目部、公司项目管理部、工程技术部各1份、自存1份,报公司总经理、公司生产经理、局质量安全部各1份、建设单位或监理1份;并报事故发生所在地政府有关部门,外地直管项目经理部应由项目质检部门先行报当地政府有关部门;有人员伤亡的,按《环境、安全事故报告调查处理管理程序》执行;5、针对事故情况由公司技术部组织编制纠正措施和处置方案,经公司技术负责人审批,建设单位或监理及设计确认后,由公司工程技术部发直管项目经理部2份,公司总经理、公司生产经理、技术负责人、工程技术部、质量保障部、项目管理部、地方政府有关部门、建设单位或监理及设计各1份;6、审批后的处置方案及纠正措施,由公司项目管理部会同项目经理部共同组织实施;7、按处置方案和纠正措施实施后,由公司质量保障部进行跟踪验证,直至关闭为止;8、公司质量保障部应根据事故原因及责任分析,提出对责任人行政、经济处罚决定,经公司生产经理审核、总经理批准后下文执行。
触犯刑法的,应移交司法部门处理。
2.3.5竣工保修服务过程活动中出现不合格品的处理1、在保修范围和保修期限内出现的不合格品,应履行保修服务;2、由建设单位或小建设单位提出的质量问题,应由公司项目管理部或分公司工程部门组织技术、质检部门、原施工的项目经理部或维修队到现场进行核查情况,并签发保修记录单交原施工的项目经理部或维修队进行维修,完工后由建设单位或小建设单位验收签字,将保修记录单交回公司项目经理部或分公司工程部门存档,见工程保修记录单;3、需要编写纠正措施的,由公司或分公司技术部门编写,部门负责人审批后交原施工的项目经理部或维修队实施;4、属建设单位或小建设单位在二次装饰中或使用不当造成的质量问题,公司或分公司工程部门在现场鉴定中应提出,如需要我方施工,应签订协议,合理收费。
5、发生涉及结构安全或严重影响使用功能的紧急抢修事故,公司或分公司工程部门接到保修通知后,应当立即组织人员到达现场抢修。
第三章不合格品纠正与预防3.1 纠正与预防措施3.1.1 数据的收集由项目各部门按各自分工注意收集内部的各种检查记录、测量记录、试验报告,考核结果、目标指标的完成情况、创优信息;质量问题通知单、质量事故通知单;外审不符合项通知单,建设单位投诉与反馈意见,权威检测机构的检测报告, 社会媒体反馈的信息,供应商、分包方评价、选择、业绩及反馈意见,并填写不合格记录台帐。
4.1.2 纠正措施1、在质量体系内、外部审核,上级检查考核,建设单位(监理)验收,项目日常检查、检验中、与建设单位的沟通中发现以下情况之一时,应由项目主管相关业务的负责人组织进行不合格/不符合评审:①项目目标、指标未达到预定目标;②发生质量事故或工程质量、检验试验验收中发现主控项目不合格或同一分项工程检验批验收中重复发生同类缺陷3次以上;③建设单位(监理)的投诉和抱怨;④供应物资批量不合格或供货不及时影响施工时或发生材质证明不清楚3次以上时;⑤内外审核时发现的不符合项及项目自查发现的不能采取纠正的不符合项(如采购合同、租赁合同等方面的不符合项)。
2、确定不合格产生的原因由项目主管相关业务的负责人组织不合格/不符合评审,分析其产生的原因,由主持人指定人员作好不合格评审记录或形成会议纪要。
3、评价确保不合格不再发生的措施的需求原因分析后,由主管相关业务的负责人组织评价确保不合格/不符合项不再发生或减轻发生程度的措施(人员、设备、资金、方法、环境、原材料等投入)的需求后,并决定是否要采取纠正措施;4、纠正措施的编制与实施①经评价,需制定纠正措施时,主管相关业务的负责人指定人员编制纠正措施,经公司技术负责人/项目经理或技术负责人审批后、责任方负责组织实施, 公司质量保障部/项目质量检查员负责验证,并填写相应记录;②纠正措施的实施涉及相关方时,项目经理部应将纠正措施发给相关方,并对其进行控制或施加影响,填写保留相关记录。
5、评审采取纠正措施的效果纠正措施完成后,由验证人员评审纠正措施的有效性,未达到预定效果时,还应评价另采取措施的有效性,评审后,由评审人填写评审记录, 并上报公司技术部门1份。
3.1.3 预防措施1、潜在不合格/不符合项包括:①在对质量目标考核分析时,在已达到目标的有关过程中找出的对目标完成有不利影响的主要事项、事件,如在质量创目标实现后找出对相对的薄弱的分部、分项或环节,在合格的物资或分项检验批中找出接近不合格或有向不合格发展趋势的部分、工序、环节, 供应商提供材质证明单连续三次模糊但尚可辨识的事项;②审核发现的未构成不符合项,但不能可靠保持或有向不符合发展趋势的事项、事件;③通过对建设单位和相关方反馈意见、社会媒体反馈意见的分析中确定虽满足规范要求但顾客或相关方不满意的方面、环节;④其它类似工程中容易出现的质量问题或管理问题;⑤评审分析时,可采用调查表或排列图或分层法或因果图或关联图或系统图进行评审或专题分析,并做好分析记录。
2、分析确定潜在不合格/不符合项原因通过分析,确定潜在不合格、不符合项产生的原因, 主管相关业务的负责人指定专人填写评审记录。
3、评价防止不合格/不符合项发生的措施的需求原因分析后,主管相关业务的负责人组织评价确保防止不合格/不符合项发生的措施(人员、设备、资金、方法、环境、原材料等投入)的需求后,决定是否需要采取预防措施;4、预防措施的编制与实施①经评价,需制定预防措施时,主管相关业务的负责人指定人员编制预防措施,经公司或项目领导审批后、责任方负责组织实施,质量部门/项目质量检查员负责验证,并填写相应记录;②预防措施的实施涉及相关方时,应将预防措施发给相关方,并对其进行控制或施加影响,并填写保留相关记录。
5、评审采取预防措施的效果预防措施完成后,由验证人员评审预防措施的有效性,未达到预定效果时,还应评价另采取措施的有效性,评审后由评审人填写评审记录, 并上报公司技术部门1份。