产品运营管理简易流程图
- 格式:docx
- 大小:125.49 KB
- 文档页数:6
生产运营管理流程图生产运营管理流程图是用来描述企业在生产运营过程中所采取的一系列管理措施和流程。
它能够清晰地展示企业的生产过程、运作流程以及各个环节之间的关系,帮助企业员工更好地了解自己的工作内容和工作职责,从而提高工作效率和质量。
生产运营管理流程图一般包括以下主要步骤和环节:1. 产品设计和研发阶段:包括需求调研、产品设计、研发实施等环节。
在这个阶段,企业需要与市场部门密切合作,了解市场需求并制定相应的产品设计方案。
2. 采购和供应商管理:在这个环节中,企业需要与供应商进行合作,进行供应商选择、采购合同签订、物料采购等工作。
同时,还需要进行供应商管理,监督供应商的交付质量和及时性。
3. 生产计划和排产:企业需要根据市场需求和产品设计方案,制定相应的生产计划。
在计划制定完毕后,需要进行生产排产,确定各个生产环节的时间节点和生产数量。
4. 生产过程控制:在生产过程中,企业需要对各个环节进行有效的控制。
这包括原材料检验、生产设备的运行监控、工序质量控制等。
同时,还需要进行产能和产能利用率的优化,以提高生产效率。
5. 质量管理:质量管理是生产运营管理中非常重要的一个环节。
企业需要对生产过程中的质量进行监控和控制,及时发现和解决质量问题。
此外,还需要进行质量数据的统计和分析,以提供决策支持。
6. 库存管理:企业需要合理管理原材料和成品的库存。
包括确定安全库存水平、制定库存管理策略、以及进行库存物料的盘点和调拨等。
7. 运输和配送:在产品生产完成后,需要进行运输和配送。
这包括确定运输方式和运输路线、安排发货和配送车辆等工作。
8. 售后服务和客户反馈:企业需要提供售后服务,处理客户的投诉和问题,并及时收集客户反馈意见,以改进产品质量和服务水平。
以上只是简单地描述了生产运营管理流程图的主要环节和步骤,实际的流程图可能会更加复杂和详细。
流程图可以帮助企业进行生产运营管理的规范化和标准化,提高工作效率、质量和客户满意度。
产品生命周期管理流程图介绍:产品生命周期管理(Product Lifecycle Management,简称PLM)是一种以产品为中心,通过全方位的信息技术支持,协调企业内外部资源,管理产品从设计、开发、生产、销售到报废等全过程的一种综合管理方法。
本文将通过介绍产品生命周期管理的流程图,来帮助读者更好地理解和运用PLM。
第一阶段:产品规划产品规划是产品生命周期管理的起点,它涉及市场需求分析、竞争分析、技术可行性评估和产品定位等方面。
在产品规划阶段,企业需要明确产品的目标市场、目标用户群体以及产品的基本特点。
具体流程如下:1. 市场需求分析:通过市场调研、消费者反馈等方式,了解市场对该类产品的需求和潜在机会,确定产品的市场定位。
2. 竞争分析:对竞争对手的产品进行综合分析,了解其产品特点、优势和劣势,为产品设计和定位提供依据。
3. 技术可行性评估:评估企业自身技术实力和资源状况,确定产品是否可以在技术上得以实现。
4. 产品定位:结合市场需求和竞争分析的结果,确定产品的目标市场、目标用户群体以及产品的基本特点。
第二阶段:产品设计与开发产品设计与开发是产品生命周期管理的核心阶段,它涉及产品概念设计、详细设计、原型制作、产品测试等方面。
在产品设计与开发阶段,企业需要通过创新和迭代来确保产品的竞争力和市场适应性。
具体流程如下:1. 产品概念设计:根据产品规划阶段确定的产品定位和用户需求,进行初步的产品概念设计,包括产品外观、功能特点等方面。
2. 详细设计:在产品概念设计的基础上,进行详细的产品设计,包括工程设计、材料选择、工艺流程等方面。
3. 原型制作:基于详细设计的结果,制作产品的原型,通过实物展示或模拟测试来验证产品设计的可行性。
4. 产品测试:对原型进行各项测试,包括功能测试、性能测试、可靠性测试等,以确保产品的质量和可靠性。
第三阶段:产品制造与供应链管理产品制造与供应链管理是产品生命周期管理的实施阶段,它涉及原材料采购、生产计划、生产过程控制、质量管理等方面。
运营管理流程设计图1. 引言运营管理是一个组织内部的关键活动,它涉及到资源的协调、人员的调配、业务流程的规范等方面。
一个良好的运营管理流程能够提高工作效率、降低成本,并确保组织的可持续发展。
本文将介绍一个运营管理流程的设计图,包括流程的主要步骤、参与者和关键控制点。
2. 运营管理流程设计图2.1 流程概述运营管理流程涵盖了从需求识别到项目交付的整个流程,包括需求收集、项目规划、资源分配、执行控制等环节。
下面是运营管理流程的主要步骤:1.需求识别:通过市场调研和客户反馈,识别组织内部需求和外部市场机会。
2.需求收集:与相关部门和利益相关者沟通,收集需求和期望,并将其转化为明确的项目目标。
3.项目规划:确定项目的范围、时间、成本和质量目标,并制定详细的项目计划。
4.资源分配:根据项目计划,对人员、设备、资金等资源进行合理的分配,确保项目的顺利进行。
5.执行控制:监督和管理项目的执行过程,及时发现问题并采取有效的措施加以解决。
6.项目交付:按照项目计划,将项目成果交付给客户或相关利益相关者,并进行验收。
2.2 参与者在运营管理流程中,涉及到多个参与者的协作和配合。
以下是运营管理流程中的关键参与者:•高层管理者:负责决策和战略规划,为运营管理流程提供指导和资源支持。
•项目经理:负责项目的实施和执行,与各部门和团队进行协调和沟通。
•相关部门:包括市场部、研发部、销售部等,他们提供需求的收集和支持。
•客户和利益相关者:为流程提供反馈和支持,确保项目达到预期目标。
2.3 关键控制点为了确保运营管理流程的顺利进行,需要设置一些关键控制点来监督和管理流程的执行。
以下是一些常见的关键控制点:•需求确认:在需求收集阶段,需要与相关部门和利益相关者达成一致,明确项目的需求和目标。
•资源管理:合理分配和管理资源,确保项目按时按质完成。
•进度控制:对项目的进度进行监控,及时调整计划,确保项目按时交付。
•质量控制:通过质量检查和审核,确保项目的质量达到预期标准。
服装商品管理流程图商品管理流程图编号.名称.地址.经营范围.资金信誉度等商品基本属性商品建档进价,零售价,会员价,批发价,促销价等申请通过运输在途管理供应商送\自运\第三方物流,生成费用凭证厂商基本资料商品清单,经营方式,结算事项,促销支持,库存.折损处理方式合同条款约束条码.名称.规格.包装.税率.保质期等商品货类明细定义.所对应工作组划分店内码.批次码.配送码.附属码(一品多码)货区明细定义,经营方式,管理项目设置商品分类属性商品编码信息商品管理属性编码信息商品定价信息供应商推荐,原品补货,顾客订购补货原因订购数量到货期限.到货地点及付款事项等以销售预估和周转量.周转期确定物流要求产生预付款或借支凭证,到财务取款货款预付验数量.质量.保质期.与订单误差等,产生成本财务凭证门店直接验收仓库收货验收厂商建档采购申请执行采购到货验收调往卖场调拨源地.目的地,产生账务凭证价格管理存货管理商品调价.促销单据处理,标签.条码打印上架销售报损.退货.返厂.回仓单据处理,盘点核算分收款员.货类.货区.供应商.单品销售额及排行等零售日报财务登账销售日结批发日报客户日报,应收.毛利额等应收应付账款信息中心汇总处理成本核算.决策分析采购订单流程:采购申请单采购申请单商品审核手工汇总录入,订购量.时间.存放点.回报预估根据库存下限和销售预警产生的信息,缺货量.时间,建议订量.时间缺货汇总单补货汇总单商品.补货量,预计断货期,补货位置.时间供应商是否满足要求账务管理系统根据采购仓传送验收信息和再途商品信息及供应商订单进销存信息系统商品清单.数量.到货期限及其他要求生成采购订单安排物流任务支付预付款项传送对应单据存放地,自运\送货\第三方否单据原路驳回,返回修改再审核或作废是是否满足是登录在途商品账,产生预付款凭证,可调运输管理根据供应商来产生对应订单如果不满足则转入等待满足。
仓库调拨单调出订单,审查实物数量.质量打印验收单,生成成本.应付款.往来账凭证供财务引入增加往来账款核算商品成本核对采购订单商品到货验收审查商品实物库存是否有误差分析商品带来的效应.周转期限供价.账期.促销.利润来选厂商排比选择厂商分析预计利润审核商品库存供应商推荐商品市场调研商品决策指使采购库存满足要货时间,取货方式.地点等,商品,订购量,预付款,需求紧急等级等顾客订购单库存不足仓库验收流程:若不需要退回采购订单变动在途商品,冲减预付款,核算费用相关业务处理核对订单误差核对订单时间.要货仓,供应商,商品入库验收单录入商品明细.供应商,经销方式,结算要求是否需要是回仓原因.地点,商品.数量.批次,发生费用及凭证获赠原因,商品.数量,是否核算成本,是否冲减相关批次成本退货原因.金额,商品.数量.是否发生折损,费用额及凭证查找原始单据,找到对应批次成本进价或售价,以便核算成本和冲算批次库存无定单入库商品退货卖场回仓赠品入库审核通过符合商品入仓要求入库验收单记帐审核入库清单记录入库单据历史审核是否符合商品入仓要求是否生成凭证填写商品库存帐簿库存量变化,批次码.一品多码核对登记批次台帐表是产生成本变化明细台帐冲算批次台帐,记录新的批次价格.保质期登录供应商应付帐核对定单时间.要货仓,供应商,商品财务帐务处理能计算单品费用的凭证录入生成财务凭证产生销售批次码变动在途商品,冲减预付款,核算费用批次遍号.销售批次码,单品核算内码成本核算分析进销存管理出货流程:采购申请单采购申请单商品审核手工汇总录入,订购量.时间.存放点.回报预估调出仓.入货位置.商品.出货量.时间.调拨人库区调拨单内用出库单商品.出货量.领用人.出货位置.时间供应商是否满足要求账务管理系统根据采购仓传送验收信息和再途商品信息及供应商订单进销存信息系统商品清单.数量.到货期限及其他要求生成采购订单安排物流任务支付预付款项传送对应单据存放地,自运\送货\第三方否单据原路驳回,返回修改再审核或作废是是否满足是登录在途商品账,产生预付款凭证,可调运输管理根据供应商来产生对应订单如果不满足则转入等待满足。
企业运营与管理19张必备流程图,收藏!
19张必备流程图,原来别人家的公司是这么“转”起来的,供参考。
1、质量管理体系要求
(点击图片放大后查阅)
2、业务计划过程流程图
(点击图片放大后查阅)
3、持续改进过程流程图(点击图片放大后查阅)
4、管理评审控制过程流程图(点击图片放大后查阅)
5、不合格控制流程图
(点击图片放大后查阅)
6、PPAP过程流程图(点击图片放大后查阅)
7、采购控制流程图(点击图片放大后查阅)
8、监视和测量流程图(点击图片放大后查阅)
9、产品开发流程图(点击图片放大后查阅)
10、过程开发流程图
(点击图片放大后查阅)
11、与顾客有关的过程流程图(点击图片放大后查阅)
12、内部审核流程图(点击图片放大后查阅)
13、人力资源管理流程图(点击图片放大后查阅)
14、设施和工作环境控制流程图(点击图片放大后查阅)
15、文件控制流程图
(点击图片放大后查阅)
16、质量成本控制流程图(点击图片放大后查阅)
17、生产计划控制流程图(点击图片放大后查阅)
18、生产和服务提供控制流程图(点击图片放大后查阅)
19、供应商控制流程图
(点击图片放大后查阅)。
食品店管理运营流程图1. 引言食品店是一个特殊的零售店,经营各种食品和饮料。
一个高效的食品店管理运营流程图对于提高店铺的运作效率和顾客满意度至关重要。
本文将详细介绍食品店的管理运营流程图,包括进货、库存管理、销售和报告等步骤。
2. 进货进货是食品店管理运营的关键步骤之一,它确保店铺有足够的货物供应并保持合理的库存水平。
以下是进货步骤的流程图:1. 确定进货需求2. 寻找供应商3. 获取报价和条件4. 签订合同5. 安排物流6. 收货并检查货物质量7. 更新库存记录3. 库存管理库存管理是食品店管理运营的另一个重要环节,它确保店铺的库存水平能够满足顾客需求,同时避免过多的库存积压。
以下是库存管理步骤的流程图:1. 制定库存管理策略2. 监测库存水平3. 计算销售速率和补充周期4. 巡查货架和仓库5. 货物上架和陈列6. 分类、标记和定期清理过期商品7. 订单处理和库存补充4. 销售销售环节是食品店管理运营的核心步骤,它直接影响到店铺的营业额和利润。
以下是销售步骤的流程图:1. 迎接顾客并提供服务2. 接受顾客订单3. 准备商品并出售4. 结算和收款5. 提供小票或发票6. 保持店铺卫生和整洁7. 提供售后服务和退货处理5. 报告报告是食品店管理运营中对经营情况进行分析和评估的重要手段,它帮助店主了解店铺的盈亏情况和销售趋势。
以下是报告步骤的流程图:1. 收集销售数据和其他关键指标2. 分析销售趋势和业绩3. 撰写经营报告4. 定期与员工进行经营情况沟通5. 提出改进和优化建议6. 更新经营计划和目标6. 结论食品店管理运营流程图对于持续改进店铺的运营效率和顾客满意度至关重要。
通过规范化和优化各项流程,食品店可以提高效率,控制库存,提升销售业绩,最终实现经营目标的实现。
以上所述的进货、库存管理、销售和报告等流程图只是一个大致的参考,实际情况下可能需要根据具体的店铺类型和规模进行调整和定制。
烧鹅店运营管理流程图引言烧鹅店是一种传统的中式餐饮店铺,以烹饪美味的烧鹅而闻名。
为了有效地经营一家烧鹅店,需要建立清晰的运营管理流程。
本文将介绍烧鹅店的运营管理流程图,并详细描述每个步骤的具体内容。
概述烧鹅店的运营管理流程主要包括以下几个步骤:商品采购、烹饪制作、售卖服务、质量检查和客户反馈。
这些步骤构成了烧鹅店的核心运营流程。
1. 商品采购商品采购是烧鹅店运营的第一步。
该步骤的目的是从可靠的供应商处采购新鲜的烧鹅原料和其他必要的食材。
以下是商品采购的具体流程:1.1. 确定采购需求:根据烧鹅店的销售情况和经验,确定所需的烧鹅原料和其他食材的数量和种类。
1.2. 选择供应商:通过市场调研和供应商评估,选择可靠的供应商,并与其建立长期稳定的合作关系。
1.3. 下订单:向供应商下订单,明确商品的品种、数量和交付时间。
1.4. 收货验货:在商品交付时,对货物进行验收,确保商品的质量和数量符合要求。
1.5. 入库管理:将收到的商品按照品类和保质期等标准进行分类,并进行库存管理,确保库存量充足且新鲜。
2. 烹饪制作烹饪制作是烧鹅店运营的核心环节。
在这个步骤中,厨师们将采购回来的烧鹅原料进行加工和烹饪,制作出美味可口的烧鹅菜品。
以下是烹饪制作的具体流程:2.1. 准备工作:对采购回来的烧鹅原料进行清洗、切割和腌制等基本处理,为烹饪做好准备工作。
2.2. 烹饪操作:根据烧鹅的独特要求和食谱,进行烹饪操作,如烤制、蒸煮、油炸等。
2.3. 品质把关:在烹饪过程中,对烧鹅的色泽、口感和风味进行把关,确保制作出高质量的烧鹅菜品。
2.4. 包装和摆盘:对烹饪好的烧鹅进行包装和摆盘,使其呈现出精美的视觉效果。
2.5. 出品管理:根据订单和顾客需求,安排好菜品的出品时间和顺序,确保及时提供给顾客。
3. 售卖服务售卖服务是烧鹅店运营的核心环节,也是实现盈利的关键步骤。
烧鹅店应提供优质的售卖服务,以吸引顾客并赢得他们的满意和回头率。
运营管理网络流程图1. 简介运营管理网络流程图是一种用来描述运营管理过程中各个环节和步骤之间关系的可视化工具。
它以图形的形式展示出每个步骤、决策点以及数据和资源的流向,帮助运营团队更好地理解和管理整个运营过程。
2. 流程图的作用运营管理网络流程图具有以下作用:•可视化运营过程:通过图形化的方式呈现,使得运营过程更加直观和易于理解。
•优化运营效率:通过分析流程图,可以发现运营过程中的瓶颈和问题,从而进行优化和改进。
•协调团队合作:流程图可以明确各成员的职责和任务,避免重复工作和信息不畅通的问题。
•提升决策效果:通过流程图,可以清晰地了解每个决策点的前因后果,有效指导决策的制定。
3. 绘制运营管理网络流程图的步骤下面是绘制运营管理网络流程图的一般步骤:步骤一:确定流程的起始和结束点首先,确定运营管理流程的起始和结束点。
起始点通常是一个输入数据或触发事件,结束点则是达到预期的结果或完成任务。
步骤二:绘制流程节点根据运营管理的具体过程,逐步绘制每个流程节点。
节点可以是一个具体的步骤、决策点或者数据/资源的流动。
步骤三:确定流程间的连接关系通过箭头线将不同的流程节点连接起来,表示它们之间的关联关系和数据的流动方向。
箭头线可以表示顺序流程、并行执行、条件判断等。
步骤四:添加决策点和分支根据运营管理过程中的决策点,添加相应的判断条件和分支。
这些决策点可以帮助运营团队根据不同的情况选择不同的运营策略或者进行其他必要的处理。
步骤五:添加注释和说明在流程图的适当位置添加注释和说明,准确描述每个节点的功能和作用,有助于他人理解和使用这个流程图。
4. 例子下面是一个简化的运营管理网络流程图的例子:开始 -> 收集需求 -> 制定运营计划 -> 分配资源 -> 执行运营活动 -> 监控运营绩效 -> 分析数据 -> 优化运营策略 -> 结束在这个例子中,运营管理流程从收集需求开始,然后制定相应的运营计划,分配资源,执行运营活动并监控运营绩效。
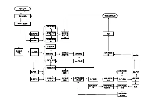
太行化工科技有限公司
太行化工科技有限公司【运营管理简易流程】
编制:综合部
审核:
批准:
每一年每一天我们都在进步
对于上图《运营管理简易流程》文字说明如下:
1、标示:
()生产部《生产计划》;()经营部《销售计划》;()质检部发出成品通知;()经营部发出发货通知;
2、补充解释:
a.【合同评审】应由:经营部、技术部、财务部共同商议,经总经理签批后,开始进入《运营管理简易流程》运行。
b.新产生的供应商(供货商)应由供应部组织:技术部、质检部、财务部进行(竞价)评审;合格(合适)的供应商,方可与其签订《供货合同》后进行供货。
3、文字步骤描述:
【订单确认】完成后,由经营部根据实际情况(产能+需求量)与客每一年每一天我们都在进步
户需求及领导指示,合理制订出【销售计划】并下发到各相关部门进行跟进。
技术部在接到【销售计划】后,需整理出【物料清单】、外协【加工图纸】及相关配件的【技术要求】交付供应部;供应部在接到相关内容后,结合实际情况制订【采购计划】,制订完成后交付生产部,此期间如出现【到货异常】,需立即以书面形式通知相关部门做以调整,生产部根据相关情况制订【生产计划】并下发到相关部门(单位)按照计划安排生产。
其生产的过程步骤中应做好自检并制定出部门内的相应奖惩制度,待产品制作到【检验确认】时以书面形式通知质检部进行【检验确认】得到质检部【检验确认】后方可继续生产,不符合公司标准要求的,由质检部按照【检验标准】进行【奖惩通报】,质检部需及时将对产品检验的结果及改正措施以公告的形式予以公示,从而协助生产部做到【过程管控】。
生产部则需要记录生产全过程的异常及进度,同时需以看板或传递的形式【生产进度表】进行公示,质检部待【成品确认】完成后第一时间通知经营部,经营部需按照相关要求办理【入库】并通知物流部对相应的产品做发货前的统筹安排工作。
物流部则依据经营部【销售计划】制订出的【发货计划】结合【现场管控】反馈的【生产进度表】安排【包装清洗、配件调配】以及【中转装卸、组织装车】等工作,一切准备工作就绪后必须在财务部开具【放行凭证】方可出门,物流部且要对运输过程实施动态管理,待产品运输抵达客户方后,将【到货确认】的信息以书每一年每一天我们都在进步
面形式发至经营部,经营部在客户收货签收后及安装使用过程中反馈回来的(质量问题)信息,以书面形式发至技术部做【核实确认】属于内部质量问题的,应将书面信息发至质检部,质检部应在第一时间【组织质量分析】,通过其商议过程及【奖罚标准】决定【解决方案】与本次质量责任事故的【裁决公告】,并交由经营部安排售后同时应将【裁决公告】递呈财务部,财务部则进行【照章扣减】。
售后服务人员返厂后的费用清单经程序签批后递呈财务部,由财务部进行款项划分【成本管控】。
每一年每一天我们都在进步。