洗衣机故障代码与常用知识
- 格式:doc
- 大小:43.00 KB
- 文档页数:11
洗衣机故障代码解析与解决方案洗衣机作为家庭生活的重要电器之一,在日常使用中可能会遇到各种故障。
这些故障常常会以代码的形式显示在洗衣机面板上,给用户带来困扰。
本文将对常见的洗衣机故障代码进行解析,并提供相应的解决方案,帮助用户快速解决问题。
I. E1故障代码E1代码通常表示洗衣机的水位传感器故障。
当洗衣机检测到水位不正确时,就会显示E1代码。
解决方案如下:1. 检查洗衣机的进水管道,确保水源供应正常且水压达到要求。
2. 检查洗衣机的排水管道,确保排水顺畅,并清洁排水口。
3. 检查洗衣机的水位传感器是否松动或损坏,如有问题需要修复或更换。
II. E2故障代码E2代码通常表示洗衣机的漏水故障。
当洗衣机检测到漏水时,就会显示E2代码。
解决方案如下:1. 检查洗衣机的进水管道和排水管道,确保连接牢固,没有松动或漏水。
2. 检查洗衣机底部是否有漏水痕迹,如果有,需要检查并修复漏水点。
3. 检查洗衣机的密封圈是否完好无损,如有损坏需要更换。
III. E3故障代码E3代码通常表示洗衣机的排水故障。
当洗衣机排水不畅或发生堵塞时,就会显示E3代码。
解决方案如下:1. 检查洗衣机排水管道是否被异物堵塞,如有需要清除堵塞物。
2. 检查洗衣机的排水泵是否正常工作,如有故障需要修复或更换。
3. 检查洗衣机的排水管道是否弯曲或过长,如果是,需要调整管道布局以提高排水效果。
IV. E4故障代码E4代码通常表示洗衣机的电机故障。
当洗衣机检测到电机异常时,就会显示E4代码。
解决方案如下:1. 检查洗衣机的电源连接是否正常,确保电压稳定。
2. 检查洗衣机的电机是否被异物堵塞,如有需要清除堵塞物。
3. 检查洗衣机的电机是否损坏,如有需要修复或更换电机。
V. E5故障代码E5代码通常表示洗衣机的传感器故障。
当洗衣机的传感器出现异常时,就会显示E5代码。
解决方案如下:1. 检查洗衣机的传感器连接是否正常,确保电路通畅。
2. 检查洗衣机的传感器是否污损,如有需要清洁或更换传感器。
几种常见洗衣机故障代码及处理。
几种常见洗衣机故障代码及处理。
海尔全自动洗衣机故障代码F1:海尔洗衣机水位传感器接触不良E1:海尔洗衣机排水超时,检查排水管是否被堵E2:海尔洗衣机上盖没有盖好E3:海尔洗衣机脱水不平衡,把衣服重新抖散开来再脱水E4:海尔洗衣机进水超时,检查水压,进水阀是否脏堵E5:海尔洗衣机水温超过50度E6:海尔洗衣机是否使用了高泡洗衣粉海尔滚筒洗衣机故障代码[L--1 *海尔滚筒洗衣机手动选择衣量代码HTD68、BS68Z L--A *海尔滚筒洗衣机手动衣量选择代码,衣物基本满筒时选择HTD68、BS68ZASAFE ON *海尔滚筒洗衣机启动键盘锁功能HTD、BS68、SFE OFF *取消海尔滚筒洗衣机键盘锁功能HTD、BS68、END *表示海尔滚筒洗衣机程序结束E1 *海尔滚筒洗衣机门锁异常HTD、BS68 、HDY 、D08A、D08、D09、BS58、S06A、60-HT、BS08 重新关好机门,检查机门E2 *海尔滚筒洗衣机排水故障HTD、BS68 、HDY 、D09、D08、D08A、BS58、60-HT、BS08清理过滤器检查排水泵E2 *海尔滚筒洗衣机进水超时S06A 水阀没有打开或水压过低E3 *海尔滚筒洗衣机温度传感器故障HTD、BS68 、HDY 、D09、D08、D08A、BS58、60-HT、BS08联系检修:E3 *海尔滚筒洗衣机排水超时报警S06A 排水不畅检查排水泵或排水管E4 *海尔滚筒洗衣机加热故障HTD、BS68、BS58、D09、D08、S06A、60-HT、BS08 请加查加热管线路是否接触不良或联系检修E4 *海尔滚筒洗衣机8分钟为达到水位HDY、水龙头未打开、水压过低、虹吸。
按启动键继续运行E5 *海尔滚筒洗衣机8分钟为达到水位D08A、D09、D08、BS08E5 *海尔滚筒洗衣机给(进)水异常HTD、BS68、HDY、BS58、60-HT 水压过低,或停水。
几种常见洗衣机故障代码及处理。
海尔全自动洗衣机故障代码F1:海尔洗衣机水位传感器接触不良E1:海尔洗衣机排水超时,检查排水管是否被堵E2:海尔洗衣机上盖没有盖好E3:海尔洗衣机脱水不平衡,把衣服重新抖散开来再脱水E4:海尔洗衣机进水超时,检查水压,进水阀是否脏堵E5:海尔洗衣机水温超过50度E6:海尔洗衣机是否使用了高泡洗衣粉海尔滚筒洗衣机故障代码[L--1 *海尔滚筒洗衣机手动选择衣量代码 HTD68、BS68Z L--A *海尔滚筒洗衣机手动衣量选择代码,衣物基本满筒时选择 HTD68、BS68ZASAFE ON *海尔滚筒洗衣机启动键盘锁功能 HTD、BS68、SFE OFF *取消海尔滚筒洗衣机键盘锁功能 HTD、BS68、END *表示海尔滚筒洗衣机程序结束E1 *海尔滚筒洗衣机门锁异常 HTD、BS68 、HDY 、D08A、D08、D09、BS58、S06A、60-HT、BS08 重新关好机门,检查机门E2 *海尔滚筒洗衣机排水故障 HTD、BS68 、HDY 、D09、D08、D08A、BS58、60-HT、BS08清理过滤器检查排水泵E2 *海尔滚筒洗衣机进水超时 S06A 水阀没有打开或水压过低E3 *海尔滚筒洗衣机温度传感器故障 HTD、BS68 、HDY 、D09、D08、D08A、BS58、60-HT、BS08联系检修:E3 *海尔滚筒洗衣机排水超时报警 S06A 排水不畅检查排水泵或排水管E4 *海尔滚筒洗衣机加热故障 HTD、BS68、BS58、D09、D08、S06A、60-HT、BS08 请加查加热管线路是否接触不良或联系检修E4 *海尔滚筒洗衣机8分钟为达到水位 HDY、水龙头未打开、水压过低、虹吸。
按启动键继续运行E5 *海尔滚筒洗衣机8分钟为达到水位 D08A、D09、D08、BS08E5 *海尔滚筒洗衣机给(进)水异常 HTD、BS68、HDY、BS58、60-HT 水压过低,或停水。
洗衣机故障代码汇总表(比较齐
全))
1、F01:电机绕组损坏,故障码显示f01时可能是电机绕组损坏,需要重新更换电机绕组
2、F02:水位传感器故障,故障码显示f02时可能是水位传感器故障,需要检查水位传感器的连接信号线是否正常,如果信号线有问题则需要更换水位传感器
3、F03:水位太低,故障码显示f03时可能是水位太低,需要检查水位是否合格,如果水位不合格则需要补充水
4、F04:电机烧坏,故障码显示f04时可能是电机烧坏,需要重新更换电机
5、F05:故障码显示f05时可能是电路板损坏,需要重新更换电路板
6、F06:故障码显示f06时可能是控制板损坏,需要重新更换控制板
7、F07:洗衣机损坏,故障码显示f07时可能是洗衣机损坏,需要重新更换洗衣机
8、F08:故障码显示f08时可能是排水泵损坏,需要重新更换排水泵
9、F09:故障码显示f09时可能是滤网损坏,需要重新更换滤网
10、F10:水箱损坏,故障码显示f10时可能是水箱损坏,需要重新更换水箱。
海尔洗衣机故障代码内部资料显示F1波轮:原45-L系列水位传感异常干衣机:湿度传感器故障,机器开始运行或者运行中,10分钟内若检测到内外湿度差值不大于20Hz进行报警显示F2波轮:上排水泵溢水保护,如果排水泵启动时间超过3min,或在一个程序过程中反复进行三次排水保护干衣机:排水泵故障,一个程序中连续发生六次都有水盒满报警(水位开关闭合),则排水泵故障显示F3波轮:电脑板与电解驱动板通信异常,主客机之间在运行过程中连续发送指令, 10S内不能接到正确指令新代码:FC 干衣机:温度传感器故障,机器开始运行或者运行中,温度传感器出现短路或者开路超过0.2秒旧代码E5滚筒:温度传感器异常,温度传感器开路或者短路损坏,旧代码ERR3复式滚筒:水温传感器故障,水温传感器及其线路短路或断路。
程序持续1s检测到温度传感器的阻值处于0或无穷大,则报警。
旧代码ERR3F4干衣机:加热丝故障,带加热的程序启动后,20min内温度传感器处温度达不到35℃,同时温度增长不超过5℃F5波轮:烘干温度传感异常,烘干温度传感器短路、断路,新代码F9干衣机:湿度传感器故障,机器开始运行或者运行中,10分钟内若检测到内外湿度差值不大于20Hz进行报警。
新代码F1 干衣机:皮带断裂报警,机器开始运行或者运行中,皮带开关没有闭合超过0.2秒。
旧代码E3F6波轮:自动断电失败,电源开关不能弹起GAIA:水位传感器异常,整个程序过程中一直检测水位传感器频率值,若连续8s检测到水位传感器的信号频率值不在30KHz~50KHz 的范围内,则报警。
重要指示E1波轮E1:排水异常排水超过8分钟新旧代码无更改!滚筒 E1:门锁异常程序启动20S,洗衣机门未上锁(PTC);按开始按键的时候检测到门没有锁上(电磁);新代码E2复式滚筒:E1开关门,由驱动板继电器控制给门锁线圈通电,然后检测门锁开关信号是否闭合或断开,若未检测到闭合信号,再重新给门锁线圈通电,重新检测。
小天鹅洗衣机故障代码小天鹅洗衣机故障代码,这是一个常见的问题,它意味着机器出现了一些故障或错误。
在本文中,我们将讨论一些可能的故障代码,并提供一些解决方法。
首先,我们要明确一点,小天鹅洗衣机故障代码的含义与具体型号有关,不同的型号可能有不同的代码。
因此,在解决故障的过程中,我们必须首先查找洗衣机型号和相应的故障代码解释。
建议用户查阅洗衣机的使用说明书,其中应该包含了相关的故障代码解释和解决方法。
接下来,我将介绍一些常见的小天鹅洗衣机故障代码以及针对这些代码的可能解决方法。
1. E1代码:这通常表示洗衣机的进水管道出现问题。
解决方法是检查进水管道是否连接正确,并确保水源不受阻碍。
还可以检查进水阀是否正常工作,是否有足够的水流进入洗衣机。
2. E2代码:这表示洗衣机的漂洗管道可能有问题。
解决方法是检查漂洗管道是否清洁,有没有被堵塞。
还可以检查洗衣机的底部是否有漏水。
3. E3代码:这可能是由于洗衣机的排水系统故障导致的。
解决方法是检查洗衣机的排水管道是否被堵塞。
可以尝试清洁排水管道或重新安装排水管道。
4. E4代码:这可能表示洗衣机的传感器发生问题。
解决方法是检查洗衣机的传感器是否干净,并确保它们没有受到任何物质的堵塞。
如果需要,可以清洁或更换传感器。
5. E5代码:这可能是洗衣机的电机出现故障。
解决方法是检查洗衣机的电机是否正常运转。
如果电机无法正常工作,可以尝试重新启动洗衣机或更换电机。
这些只是一些常见的小天鹅洗衣机故障代码和相应的解决方法。
每个型号可能还会有其他特定的故障代码和解决方法。
因此,在遇到其他代码或无法解决的问题时,建议用户联系专业的售后服务人员或洗衣机制造商以获取更多帮助。
总结一下,小天鹅洗衣机故障代码不同于具体型号,因此需要用户仔细查阅洗衣机的使用说明书来了解故障代码的具体含义和解决方法。
本文提供了一些常见的故障代码和解决方法,但并不适用于所有型号。
对于其他故障代码或无法解决的问题,建议咨询专业的售后服务人员或洗衣机制造商。
洗衣机故障代码与常用知识洗衣机故障代码与常用知识型号命名:XPB--普通波轮洗衣机XQB--全自动波轮洗衣机XQG--全自动滚筒洗衣机洗衣机条码规则:23位条码与冰箱空调规则类似!前三位:1WA-单桶洗衣机-XPB1WC-双缸洗衣机-XPB1WJ-全自动滚筒洗衣机-XQG1WG-全自动波轮洗衣机-XQB倒数第5、6位为生产基地代码01临沂海信02浪木电器03升元电器04宁波达能05宁波吉德06宁波长风(宇峰)07宁波海力08常州新科09惠而浦10海信海信惠而浦正数第8位肯定是A--代表220V/50HZ交流电倒数9、8、7位为生产年月日全自动洗衣机故障代码介绍及故障解除1、临沂XQB50-8050/C8207、XQB55-80512、临沂XQB50-8086/8217HN/C8218/8208HN/8207HN 8086XQB52-8056/8057/8058/C8257/8208HNXQB55-8066/8067/8068/8208HN/8180/8169HN/8 168/8169XQB60-8178/8179/8179HN/8198/8208HN3、吉德XQB46-207/709、XQB48-2284、惠而浦XQB50-9001/9002/3200/3210/3220/3230/3230HN /3220HNXQB60-2131/3132/2135/3500/3510、XQB58-9011、XQB45-3100XQB55-3320/3300A/0350HN/3600HN/3300HN XQB65-3600A/V3780H/0350HN/3500HN/3600H N/3300HNXQB60-3500A/3510A/V3780H/0350HN/3500B/3 500HN/3600HNXQB70-V3780H/0350HN/XQB70-3500HN/3600 HN5、吉德XQB50-628/629、XQB55-728/730 、XQB56-658、XQB60-787XQB65-7986、滚筒洗衣机故障代码介绍及解决方法全自动洗衣机故障代码介绍及故障解除1、临沂XQB50-8050/C8207、XQB55-8051故障显示代码含义故障部位浸泡指示灯闪烁并隔10分钟报警一次进水20分钟内达不到设定水位水龙头(水压问题)、进水阀洗涤指示灯闪烁并隔10分钟报警一次5分钟内水未排空牵引器、排水阀、排水管漂洗指示灯闪烁并隔10分钟报警一次脱水或预约运行状态时开盖门盖开关、电脑板、线束脱水指示灯闪烁并隔10分钟报警一次脱水不平衡安全开关、桶内衣物偏置、线束所有指示灯闪烁并隔10分钟报警一次设定童锁(儿童保护)时开盖门盖开关、电脑板、线束2、临沂XQB50-8086/8217HN/C8218/8208HN/8207HN XQB52-8056/8057/8058/C8257/8208HNXQB55-8066/8067/8068/8208HN/8180/8169HN/8 168/8169XQB60-8178/8179/8179HN/8198/8208HN故障代码代码含义故障部位E1 进水20分钟内达不到设定水位水龙头(水压问题)、进水阀E2 5分钟内水未排空牵引器、排水阀、排水管E3 脱水或预约运行状态时开盖门盖开关、电脑板、线束E4 脱水不平衡安全开关、桶内衣物偏置、线束E5 水位传感器异常水位传感器、线束、电脑板E6 设定童锁时开盖门盖开关、电脑板、线束E7 存储器数据读写故障电脑板3、吉德XQB46-207/709、XQB48-228故障显示代码含义故障部位“洗涤”灯闪烁,其余灯灭进水20分钟内达不到设定水位进水阀、水龙头(水压问题)“脱水”灯闪烁,其余灯灭5分钟内水未排空牵引器、排水阀、排水管“漂洗”、“脱水”灯闪烁,其余灯灭脱水不平衡安全开关、线束、桶内衣物偏置“洗涤”、“漂洗”、“脱水”灯闪烁,其余灯灭脱水或预约运行状态时开盖门盖开关、线束、电脑板“童锁”灯闪烁,其余灯不变设定童锁时开盖门盖开关、线束、电脑板吉德、浪木产品故障代码故障代码代码含义故障部位E0 预约时开盖微动开关、电脑板、线束E1 排水超时(5分钟) 牵引器、排水阀、排水管E2 脱水时开盖微动开关、电脑板、线束E3 脱水不平衡安全开关、衣物偏置、线束E4 进水超时(20分钟)水龙头、进水阀E5 童锁时开盖微动开关、电脑板、线束F1 水位传感器异常水位传感器、电脑板、线束4、惠而浦XQB50-9001/9002/3200/3210/3220/3230/3230HN /3220HNXQB60-2131/3132/2135/3500/3510、XQB58-9011、XQB45-3100XQB55-3320/3300A/0350HN/3600HN/3300HN XQB65-3600A/V3780H/0350HN/3500HN/3600H N/3300HNXQB60-3500A/3510A/V3780H/0350HN/3500B/3 500HN/3600HNXQB70-V3780H/0350HN/XQB70-3500HN/3600 HN故障代码代码含义故障部位E1 运行时开盖或脱水不平衡门盖开关、电脑板、线束、安全开关、衣物偏置E2 加热管组件及相关线路故障加热管、线束E3 排水超时(时间为3-5分钟) 牵引器、排水阀、排水管E4 进水超时(30分钟不到设定水位) 水龙头(水压问题)、进水阀E5 水位传感器不良水位传感器、线束、电脑板5、吉德XQB50-628/629、XQB55-728/730 、XQB56-658、XQB60-787XQB65-798故障代码代码含义故障部位E0 预约运行时开盖门盖开关、电脑板、线束E1 5分钟内水未排空牵引器、排水阀、排水管E2 脱水状态时开盖门盖开关、电脑板、线束E3 脱水不平衡安全开关、桶内衣物偏置、线束E4 进水20分钟内达不到设定水位水龙头(水压问题)、进水阀E5 设定童锁时开盖门盖开关、电脑板、线束F1 水位传感器异常水位传感器、线束、电脑板6、滚筒洗衣机故障代码介绍及解决方法故障代码代码含义故障部位解决办法无显示门锁故障门锁1、盖上门盖2、更换门锁F1 进水超时水龙头(水压问题)、进水阀1、打开水龙头、检查水压.2、清洁、更换进水阀F2 溢水故障(漏水报警)水位传感器更换水位传感器F24 溢水故障水位传感器更换水位传感器F3 排水超时排水泵、排水管1、更换排水泵.2、清理、更换排水管F4 加热超时(40分钟内到40℃)加热管更换加热管F5 温度传感器故障温度传感器更换温度传感器F6 无速度反馈信号电机更换电机F7 可控硅短路(电机)电脑板更换电脑板F8 加热管故障加热管更换加热管F12 加热管故障加热管更换加热管F14 数据芯片故障电脑板更换电脑板F18 泡沫多洗涤剂、水位传感器(常闭)1、指导使用(换洗涤剂).2、更换水位传感器F23 水位传感器故障水位传感器更换水位传感器F26 可控硅故障(排水泵)电脑板更换电脑板F21 显示板接口故障显示板、线束1、调整线插.2、更换显示板或线束F13 门开关故障门开关更换门开关F27 反转继电器故障反转继电器更换反转继电器F28 不能高速脱水继电器、电机更换继电器或电机F23说明:必须先检测用户家电源是否偏低!低于187V时有此报警压力开关故障在洗涤周中,如果控制器检测到压力开关感应的水位处于洗涤状态,但是加热管处于空桶保护状态,则会显示该故障代码.1. 检查压力开关连接是否正确s2. 检查压力开关与控制器的连接是否正确3. 开始自校程序,检查F23代码是否继续出现.4. 检查F08和F12的故障描述5. 检查控制器“CH”代码的解除由合资公司生产的全自动波轮在运转大概150-200周期后会自动跳出模糊功能自校提示,此时电脑板会呈现“CH”代码,因CH代码跳出的时间不一定:洗衣启动前、洗衣结束后,这时可能会影响用户正常使用,甚至误以为机器故障使用数码管的机型--“洗涤时间”+“脱水时间”+“电源开关”;配置大液晶屏的机型--左侧“Λ”+“记忆存”+“电源开关”。
洗衣机显示故障代码怎么解决洗衣机是我们日常生活中不可或缺的电器之一,它的使用方便快捷,让我们省去了大量的体力劳动。
但有时候,当洗衣机显示故障代码时,我们可能会感到困惑。
本文将为大家介绍几种常见的洗衣机故障代码及其解决方法,希望能帮助到大家。
1. E1代码:水位传感器故障当洗衣机显示E1代码时,意味着水位传感器出现故障。
这可能是由于水位传感器损坏或连接问题所致。
解决方法如下:- 首先,检查洗衣机是否正常连接电源,并确保电源稳定。
- 其次,检查水位传感器的连接是否松动或损坏。
如果有松动的地方,紧密连接或更换损坏的传感器。
- 第三,可尝试拔出电源插头,等待几分钟后重新插入,重启洗衣机。
2. E2代码:排水管堵塞当洗衣机显示E2代码时,代表排水管道有堵塞。
这可能是由于污垢、纤维或其他异物堵塞排水管道。
解决方法如下:- 首先,切断洗衣机的电源,并将洗衣机移离墙壁,以便更好地检查排水管。
- 其次,使用一根长棍或钳子小心地清除堵塞物。
确保在清除时小心谨慎,以免损坏排水管。
- 第三,重新连接洗衣机并重新启动。
3. E3代码:脱水功能故障当洗衣机显示E3代码时,意味着脱水功能出现故障。
这可能是由于电机或控制面板的故障导致的。
解决方法如下:- 首先,检查洗衣机是否与电源连接良好,确保电压稳定。
- 其次,尝试对洗衣机进行重置,如拔掉电源线,等待几分钟后重新插上。
- 第三,如果问题仍然存在,建议联系专业的维修人员或售后服务中心。
4. E4代码:门锁故障当洗衣机显示E4代码时,表示门锁出现故障。
这可能是由于门锁损坏或连接问题所致。
解决方法如下:- 首先,确认门锁是否完全关闭,并未被异物阻塞。
- 其次,检查门锁的连接是否松动或损坏。
如果有松动的地方,紧密连接或更换损坏的门锁。
- 第三,如果问题仍然存在,建议联系专业的维修人员或售后服务中心。
总结:对于洗衣机显示故障代码的解决方法,我们需要根据代码的具体含义和故障原因来判断。
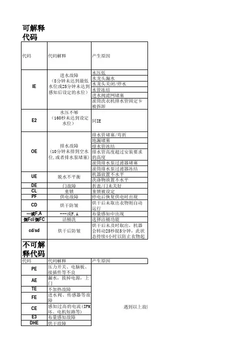
我们都非常喜欢使用洗衣机为我们洗衣服,非常方便,而长期使用洗衣机后难免会一些问题,即使是大品牌的洗衣机也会有问题,下边将为大家介绍:洗衣机故障代码大全FE :进水阀、传感器等故障PE :压力开关、电脑板、接插件等不良CE :感知过高的电流(IPM坏、电机短路等)LE :速度传感器、连接电机接插件等不良LE:过载,衣物过多;TE:不加热故障;AE:漏水,拔掉电源,上门;DHE:烘干故障PF:洗衣机电源故障;UE(没有显示屏的型号“洗涤+漂洗+脱水”三个灯闪):表示脱水不平衡,建议客户把衣物拿出抖散再均匀的放进桶内,同时,在机盖上放上半杯清水检查机身是否平整,如不平可以调节底脚来达到平衡状态,再试一下脱水。
CL(没显示屏的是程序旋钮一圈灯闪烁):LG洗衣机有童锁功能,在面板上会有两个键用线连接,中间有一个小笑脸或小锁的标志,同时按下两键3秒后童锁功能启动,此功能启动后其他按键不能再选择,需要解除时再同时按这两键3秒即可。
PF:洗衣机电源故障;(重新启动程序)SD或CD:代表烘干后自动进入4小时冷却防皱功能,烘干结束后机器自动启用此功能,内桶运转25秒停5分钟。
如不需要可按任意键就可解除此功能。
IE:代表,不进水(8分钟未达到最低水位或者25分钟未达到感知后设定的水位)1.进水管安装好了吗,是否漏水,如漏水,请重新安装或换新的进水管。
2.进水阀过滤网是否堵了,清洗进水阀过滤网方法:在清洗滤网前先将电源插头拔下,用手或钳子将进水阀里的滤网拔出,用牙刷将滤网上的污渍去除,再重新插回进水阀。
为了更好地保护进水阀,建议顾客3-4个月清洗一次进水阀滤网。
OE//漂洗+脱水灯闪看下排水软管的摆放位置对吗?如果排水软管摆放的位置过高,就会不出水或者排水很慢,所以请将排水软管平放在地面上,最高处不要超过6CM,同时注意排水管不要打结或弯曲,否则都会影响排水。
VE//洗涤+漂洗+脱水三个灯闪.洗涤物没堆向一边吗?如果洗涤物堆向一边或部分缠绕在一起的话,也会造成脱水不平衡,请按暂停,待桶停止转动后打开折盖,将衣物拿出抖散,再均匀的放入桶,盖好折盖,再按启动/暂停键就可以了。
洗衣机故障代码与常用知识型号命名:XPB--普通波轮洗衣机XQB--全自动波轮洗衣机XQG--全自动滚筒洗衣机洗衣机条码规则:23位条码与冰箱空调规则类似!前三位:1WA-单桶洗衣机-XPB1WC-双缸洗衣机-XPB1WJ-全自动滚筒洗衣机-XQG1WG-全自动波轮洗衣机-XQB倒数第5、6位为生产基地代码01临沂海信02浪木电器03升元电器04宁波达能05宁波吉德06宁波长风(宇峰)07宁波海力08常州新科09惠而浦10海信海信惠而浦正数第8位肯定是A--代表220V/50HZ交流电倒数9、8、7位为生产年月日全自动洗衣机故障代码介绍及故障解除1、临沂XQB50-8050/C8207、XQB55-80512、临沂XQB50-8086/8217HN/C8218/8208HN/8207HN 8086XQB52-8056/8057/8058/C8257/8208HNXQB55-8066/8067/8068/8208HN/8180/8169HN/8168/8169XQB60-8178/8179/8179HN/8198/8208HN3、吉德XQB46-207/709、XQB48-2284、惠而浦XQB50-9001/9002/3200/3210/3220/3230/3230HN/3220HN XQB60-2131/3132/2135/3500/3510、XQB58-9011、XQB45-3100XQB55-3320/3300A/0350HN/3600HN/3300HNXQB65-3600A/V3780H/0350HN/3500HN/3600HN/3300HNXQB60-3500A/3510A/V3780H/0350HN/3500B/3500HN/3600HNXQB70-V3780H/0350HN/XQB70-3500HN/3600HN5、吉德XQB50-628/629、XQB55-728/730 、XQB56-658、XQB60-787 XQB65-7986、滚筒洗衣机故障代码介绍及解决方法全自动洗衣机故障代码介绍及故障解除1、临沂XQB50-8050/C8207、XQB55-8051故障显示代码含义故障部位浸泡指示灯闪烁并隔10分钟报警一次进水20分钟内达不到设定水位水龙头(水压问题)、进水阀洗涤指示灯闪烁并隔10分钟报警一次5分钟内水未排空牵引器、排水阀、排水管漂洗指示灯闪烁并隔10分钟报警一次脱水或预约运行状态时开盖门盖开关、电脑板、线束脱水指示灯闪烁并隔10分钟报警一次脱水不平衡安全开关、桶内衣物偏置、线束所有指示灯闪烁并隔10分钟报警一次设定童锁(儿童保护)时开盖门盖开关、电脑板、线束2、临沂XQB50-8086/8217HN/C8218/8208HN/8207HNXQB52-8056/8057/8058/C8257/8208HNXQB55-8066/8067/8068/8208HN/8180/8169HN/8168/8169XQB60-8178/8179/8179HN/8198/8208HN故障代码代码含义故障部位E1 进水20分钟内达不到设定水位水龙头(水压问题)、进水阀E2 5分钟内水未排空牵引器、排水阀、排水管E3 脱水或预约运行状态时开盖门盖开关、电脑板、线束E4 脱水不平衡安全开关、桶内衣物偏置、线束E5 水位传感器异常水位传感器、线束、电脑板E6 设定童锁时开盖门盖开关、电脑板、线束E7 存储器数据读写故障电脑板3、吉德XQB46-207/709、XQB48-228故障显示代码含义故障部位“洗涤”灯闪烁,其余灯灭进水20分钟内达不到设定水位进水阀、水龙头(水压问题)“脱水”灯闪烁,其余灯灭5分钟内水未排空牵引器、排水阀、排水管“漂洗”、“脱水”灯闪烁,其余灯灭脱水不平衡安全开关、线束、桶内衣物偏置“洗涤”、“漂洗”、“脱水”灯闪烁,其余灯灭脱水或预约运行状态时开盖门盖开关、线束、电脑板“童锁”灯闪烁,其余灯不变设定童锁时开盖门盖开关、线束、电脑板吉德、浪木产品故障代码故障代码代码含义故障部位E0 预约时开盖微动开关、电脑板、线束E1 排水超时(5分钟) 牵引器、排水阀、排水管E2 脱水时开盖微动开关、电脑板、线束E3 脱水不平衡安全开关、衣物偏置、线束E4 进水超时(20分钟)水龙头、进水阀E5 童锁时开盖微动开关、电脑板、线束F1 水位传感器异常水位传感器、电脑板、线束4、惠而浦XQB50-9001/9002/3200/3210/3220/3230/3230HN/3220HNXQB60-2131/3132/2135/3500/3510、XQB58-9011、XQB45-3100XQB55-3320/3300A/0350HN/3600HN/3300HNXQB65-3600A/V3780H/0350HN/3500HN/3600HN/3300HNXQB60-3500A/3510A/V3780H/0350HN/3500B/3500HN/3600HNXQB70-V3780H/0350HN/XQB70-3500HN/3600HN故障代码代码含义故障部位E1 运行时开盖或脱水不平衡门盖开关、电脑板、线束、安全开关、衣物偏置E2 加热管组件及相关线路故障加热管、线束E3 排水超时(时间为3-5分钟) 牵引器、排水阀、排水管E4 进水超时(30分钟不到设定水位) 水龙头(水压问题)、进水阀E5 水位传感器不良水位传感器、线束、电脑板5、吉德XQB50-628/629、XQB55-728/730 、XQB56-658、XQB60-787XQB65-798故障代码代码含义故障部位E0 预约运行时开盖门盖开关、电脑板、线束E1 5分钟内水未排空牵引器、排水阀、排水管E2 脱水状态时开盖门盖开关、电脑板、线束E3 脱水不平衡安全开关、桶内衣物偏置、线束E4 进水20分钟内达不到设定水位水龙头(水压问题)、进水阀E5 设定童锁时开盖门盖开关、电脑板、线束F1 水位传感器异常水位传感器、线束、电脑板6、滚筒洗衣机故障代码介绍及解决方法故障代码代码含义故障部位解决办法无显示门锁故障门锁1、盖上门盖2、更换门锁F1 进水超时水龙头(水压问题)、进水阀1、打开水龙头、检查水压.2、清洁、更换进水阀F2 溢水故障(漏水报警)水位传感器更换水位传感器F24 溢水故障水位传感器更换水位传感器F3 排水超时排水泵、排水管1、更换排水泵.2、清理、更换排水管F4 加热超时(40分钟内到40℃)加热管更换加热管F5 温度传感器故障温度传感器更换温度传感器F6 无速度反馈信号电机更换电机F7 可控硅短路(电机)电脑板更换电脑板F8 加热管故障加热管更换加热管F12 加热管故障加热管更换加热管F14 数据芯片故障电脑板更换电脑板F18 泡沫多洗涤剂、水位传感器(常闭)1、指导使用(换洗涤剂).2、更换水位传感器F23 水位传感器故障水位传感器更换水位传感器F26 可控硅故障(排水泵)电脑板更换电脑板F21 显示板接口故障显示板、线束1、调整线插.2、更换显示板或线束F13 门开关故障门开关更换门开关F27 反转继电器故障反转继电器更换反转继电器F28 不能高速脱水继电器、电机更换继电器或电机F23说明:必须先检测用户家电源是否偏低!低于187V时有此报警压力开关故障在洗涤周中,如果控制器检测到压力开关感应的水位处于洗涤状态,但是加热管处于空桶保护状态,则会显示该故障代码.1. 检查压力开关连接是否正确s2. 检查压力开关与控制器的连接是否正确3. 开始自校程序,检查F23代码是否继续出现.4. 检查F08和F12的故障描述5. 检查控制器“CH”代码的解除由合资公司生产的全自动波轮在运转大概150-200周期后会自动跳出模糊功能自校提示,此时电脑板会呈现“CH”代码,因CH代码跳出的时间不一定:洗衣启动前、洗衣结束后,这时可能会影响用户正常使用,甚至误以为机器故障使用数码管的机型--“洗涤时间”+“脱水时间”+“电源开关”;配置大液晶屏的机型--左侧“Λ”+“记忆存”+“电源开关”。
洗衣机出现故障代码的解决方案1. 引言洗衣机在我们的日常生活中扮演着重要的角色,然而,有时候它们也会出现一些故障代码,给我们的生活带来困扰。
本文将为大家介绍洗衣机出现故障代码时的解决方案,帮助大家轻松应对这些问题。
2. E1故障代码:水位传感器故障当洗衣机显示E1错误代码时,表示水位传感器出现故障。
解决方法如下:- 检查洗衣机是否出现漏水情况,如有,请及时修复;- 检查水位传感器的连线是否正确连接,若有脱落或损坏,请重新连接或更换传感器。
3. E2故障代码:洗衣机过热当洗衣机显示E2错误代码时,表示洗衣机过热。
解决方法如下: - 检查洗衣机是否放置在通风良好的位置,如果放置在狭小空间内,应及时移动到通风较好的地方;- 检查洗衣机是否存在堵塞情况,如果存在,请清理堵塞物;- 检查洗衣机散热风扇是否正常运转,若有故障,请联系维修人员进行维修。
4. E3故障代码:电机故障当洗衣机显示E3错误代码时,表示电机存在故障。
解决方法如下: - 检查洗衣机电源是否正常连接,若有脱落或损坏,请及时修复;- 检查洗衣机电机是否被异物卡住,如有,请清理异物;- 若以上方法无法解决问题,建议联系专业维修人员进行维修或更换电机。
5. E4故障代码:门锁故障当洗衣机显示E4错误代码时,表示门锁存在故障。
解决方法如下: - 检查洗衣机门锁是否关闭紧密,如不紧密,请重新关闭门锁;- 检查洗衣机门锁是否受损,如有损坏,请联系专业维修人员进行维修或更换门锁。
6. 总结洗衣机出现故障代码时,我们可以通过一些简单的方法来解决问题,如检查连线、清理堵塞物等。
然而,在遇到无法自行解决的问题时,我们也应该及时联系专业维修人员进行处理,以确保洗衣机能够正常使用,为我们的生活带来方便。
因此,掌握这些故障代码的解决方法,对我们来说非常重要。
希望本文提供的解决方案能帮助读者有效解决洗衣机出现故障代码的问题,让我们的洗衣体验更加顺畅和便捷。
注:以上解决方案仅供参考,请按照洗衣机产品说明书或专业人士的建议操作。
洗衣机故障代码与常用知识型号命名:XPB--普通波轮洗衣机XQB--全自动波轮洗衣机XQG--全自动滚筒洗衣机洗衣机条码规则:23位条码与冰箱空调规则类似!前三位:1WA-单桶洗衣机-XPB1WC-双缸洗衣机-XPB1WJ-全自动滚筒洗衣机-XQG1WG-全自动波轮洗衣机-XQB倒数第5、6位为生产基地代码01临沂海信02浪木电器03升元电器04宁波达能05宁波吉德06宁波长风(宇峰)07宁波海力08常州新科09惠而浦10海信海信惠而浦正数第8位肯定是A--代表220V/50HZ交流电倒数9、8、7位为生产年月日全自动洗衣机故障代码介绍及故障解除1、临沂XQB50-8050/C8207、XQB55-80512、临沂XQB50-8086/8217HN/C8218/8208HN/8207HN 8086XQB52-8056/8057/8058/C8257/8208HNXQB55-8066/8067/8068/8208HN/8180/8169HN/8168/8169XQB60-8178/8179/8179HN/8198/8208HN3、吉德XQB46-207/709、XQB48-2284、惠而浦XQB50-9001/9002/3200/3210/3220/3230/3230HN/3220HN XQB60-2131/3132/2135/3500/3510、XQB58-9011、XQB45-3100XQB55-3320/3300A/0350HN/3600HN/3300HNXQB65-3600A/V3780H/0350HN/3500HN/3600HN/3300HNXQB60-3500A/3510A/V3780H/0350HN/3500B/3500HN/3600HNXQB70-V3780H/0350HN/XQB70-3500HN/3600HN5、吉德XQB50-628/629、XQB55-728/730 、XQB56-658、XQB60-787XQB65-7986、滚筒洗衣机故障代码介绍及解决方法全自动洗衣机故障代码介绍及故障解除1、临沂XQB50-8050/C8207、XQB55-8051故障显示代码含义故障部位浸泡指示灯闪烁并隔10分钟报警一次进水20分钟内达不到设定水位水龙头(水压问题)、进水阀洗涤指示灯闪烁并隔10分钟报警一次5分钟内水未排空牵引器、排水阀、排水管漂洗指示灯闪烁并隔10分钟报警一次脱水或预约运行状态时开盖门盖开关、电脑板、线束脱水指示灯闪烁并隔10分钟报警一次脱水不平衡安全开关、桶内衣物偏置、线束所有指示灯闪烁并隔10分钟报警一次设定童锁(儿童保护)时开盖门盖开关、电脑板、线束2、临沂XQB50-8086/8217HN/C8218/8208HN/8207HNXQB52-8056/8057/8058/C8257/8208HNXQB55-8066/8067/8068/8208HN/8180/8169HN/8168/8169XQB60-8178/8179/8179HN/8198/8208HN故障代码代码含义故障部位E1 进水20分钟内达不到设定水位水龙头(水压问题)、进水阀E2 5分钟内水未排空牵引器、排水阀、排水管E3 脱水或预约运行状态时开盖门盖开关、电脑板、线束E4 脱水不平衡安全开关、桶内衣物偏置、线束E5 水位传感器异常水位传感器、线束、电脑板E6 设定童锁时开盖门盖开关、电脑板、线束E7 存储器数据读写故障电脑板3、吉德XQB46-207/709、XQB48-228故障显示代码含义故障部位“洗涤”灯闪烁,其余灯灭进水20分钟内达不到设定水位进水阀、水龙头(水压问题)“脱水”灯闪烁,其余灯灭5分钟内水未排空牵引器、排水阀、排水管“漂洗”、“脱水”灯闪烁,其余灯灭脱水不平衡安全开关、线束、桶内衣物偏置“洗涤”、“漂洗”、“脱水”灯闪烁,其余灯灭脱水或预约运行状态时开盖门盖开关、线束、电脑板“童锁”灯闪烁,其余灯不变设定童锁时开盖门盖开关、线束、电脑板吉德、浪木产品故障代码故障代码代码含义故障部位E0 预约时开盖微动开关、电脑板、线束E1 排水超时(5分钟) 牵引器、排水阀、排水管E2 脱水时开盖微动开关、电脑板、线束E3 脱水不平衡安全开关、衣物偏置、线束E4 进水超时(20分钟)水龙头、进水阀E5 童锁时开盖微动开关、电脑板、线束F1 水位传感器异常水位传感器、电脑板、线束4、惠而浦XQB50-9001/9002/3200/3210/3220/3230/3230HN/3220HNXQB60-2131/3132/2135/3500/3510、XQB58-9011、XQB45-3100XQB55-3320/3300A/0350HN/3600HN/3300HNXQB65-3600A/V3780H/0350HN/3500HN/3600HN/3300HNXQB60-3500A/3510A/V3780H/0350HN/3500B/3500HN/3600HNXQB70-V3780H/0350HN/XQB70-3500HN/3600HN故障代码代码含义故障部位E1 运行时开盖或脱水不平衡门盖开关、电脑板、线束、安全开关、衣物偏置E2 加热管组件及相关线路故障加热管、线束E3 排水超时(时间为3-5分钟) 牵引器、排水阀、排水管E4 进水超时(30分钟不到设定水位) 水龙头(水压问题)、进水阀E5 水位传感器不良水位传感器、线束、电脑板5、吉德XQB50-628/629、XQB55-728/730 、XQB56-658、XQB60-787XQB65-798故障代码代码含义故障部位E0 预约运行时开盖门盖开关、电脑板、线束E1 5分钟内水未排空牵引器、排水阀、排水管E2 脱水状态时开盖门盖开关、电脑板、线束E3 脱水不平衡安全开关、桶内衣物偏置、线束E4 进水20分钟内达不到设定水位水龙头(水压问题)、进水阀E5 设定童锁时开盖门盖开关、电脑板、线束F1 水位传感器异常水位传感器、线束、电脑板6、滚筒洗衣机故障代码介绍及解决方法故障代码代码含义故障部位解决办法无显示门锁故障门锁1、盖上门盖2、更换门锁F1 进水超时水龙头(水压问题)、进水阀1、打开水龙头、检查水压.2、清洁、更换进水阀F2 溢水故障(漏水报警)水位传感器更换水位传感器F24 溢水故障水位传感器更换水位传感器F3 排水超时排水泵、排水管1、更换排水泵.2、清理、更换排水管F4 加热超时(40分钟内到40℃)加热管更换加热管F5 温度传感器故障温度传感器更换温度传感器F6 无速度反馈信号电机更换电机F7 可控硅短路(电机)电脑板更换电脑板F8 加热管故障加热管更换加热管F12 加热管故障加热管更换加热管F14 数据芯片故障电脑板更换电脑板F18 泡沫多洗涤剂、水位传感器(常闭)1、指导使用(换洗涤剂).2、更换水位传感器F23 水位传感器故障水位传感器更换水位传感器F26 可控硅故障(排水泵)电脑板更换电脑板F21 显示板接口故障显示板、线束1、调整线插.2、更换显示板或线束F13 门开关故障门开关更换门开关F27 反转继电器故障反转继电器更换反转继电器F28 不能高速脱水继电器、电机更换继电器或电机F23说明:必须先检测用户家电源是否偏低!低于187V时有此报警压力开关故障在洗涤周中,如果控制器检测到压力开关感应的水位处于洗涤状态,但是加热管处于空桶保护状态,则会显示该故障代码.1. 检查压力开关连接是否正确s2. 检查压力开关与控制器的连接是否正确3. 开始自校程序,检查F23代码是否继续出现.4. 检查F08和F12的故障描述5. 检查控制器“CH”代码的解除由合资公司生产的全自动波轮在运转大概150-200周期后会自动跳出模糊功能自校提示,此时电脑板会呈现“CH”代码,因CH代码跳出的时间不一定:洗衣启动前、洗衣结束后,这时可能会影响用户正常使用,甚至误以为机器故障使用数码管的机型--“洗涤时间”+“脱水时间”+“电源开关”;配置大液晶屏的机型--左侧“Λ”+“记忆存”+“电源开关”。
海尔全自动洗衣机故障代码F1:海尔洗衣机水位传感器接触不良E1:海尔洗衣机排水超时,检查排水管是否被堵E2:海尔洗衣机上盖没有盖好E3:海尔洗衣机脱水不平衡,把衣服重新抖散开来再脱水E4:海尔洗衣机进水超时,检查水压,进水阀是否脏堵E5:海尔洗衣机水温超过50度E6:海尔洗衣机是否使用了高泡洗衣粉海尔滚筒洗衣机故障代码L--1海尔滚筒洗衣机手动选择衣量代码HTD68、BS68ZL--A海尔滚筒洗衣机手动衣量选择代码,衣物基本满筒时选择HTD68、BS68Z ASAFEON海尔滚筒洗衣机启动键盘锁功能HTD、BS68、SFEOFF取消海尔滚筒洗衣机键盘锁功能HTD、BS68、END表示海尔滚筒洗衣机程序结束E1海尔滚筒洗衣机门锁异常HTD、BS68、HDY、D08A、D08、D09、BS58、S06A、60-HT、BS08重新关好机门,检查机门E2海尔滚筒洗衣机排水故障HTD、BS68、HDY、D09、D08、D08A、BS58、60-HT、BS08 清理过滤器检查排水泵E2海尔滚筒洗衣机进水超时S06A水阀没有打开或水压过低E3海尔滚筒洗衣机温度传感器故障HTD、BS68、HDY、D09、D08、D08A、BS58、60-HT、BS08联系检修:E3海尔滚筒洗衣机排水超时报警S06A排水不畅检查排水泵或排水管E4海尔滚筒洗衣机加热故障HTD、BS68、BS58、D09、D08、S06A、60-HT、BS08请加查加热管线路是否接触不良或联系检修E4海尔滚筒洗衣机8分钟为达到水位HDY、水龙头未打开、水压过低、虹吸;按启动键继续运行E5海尔滚筒洗衣机8分钟为达到水位D08A、D09、D08、BS08E5海尔滚筒洗衣机给进水异常HTD、BS68、HDY、BS58、60-HT水压过低,或停水;E5海尔滚筒洗衣机电机运转异常S06A电机保护报警E6海尔滚筒洗衣机烘干加热管异常HTD68、联系检修E6海尔滚筒洗衣机加热超温报警S06A水加热温度过高保护"E7海尔滚筒洗衣机温度传感器异常S06AE7NTC异常保护-E7海尔滚筒洗衣机电机故障HTD、BS68、HDY、BS58、D09、D08、60-HT、BS08联系检修FE、E┌┌6海尔滚筒洗衣机电机故障BS68、HDY、D08A/BS58、D08、60-HT -E8海尔滚筒洗衣机超水位保护进排水故障HTD、BS68、D08A、BS58、D09、D08、S06A、60-HT、BS08联系检修E9海尔滚筒洗衣机超水位保护但洗涤水位未检测到D08A、BS58、D08E9海尔滚筒洗衣机烘干温度传感器故障HTD68、联系检修E10海尔滚筒洗衣机水位传感器故障HTD68、联系检修E1海尔滚筒洗衣机称重传感器故障HTD68、联系检修E12海尔滚筒洗衣机烘干水位异常HTD68、联系检修+E13海尔滚筒洗衣机启动后机门异常HTD68、洗衣机启动后机门没有关好EE14海尔滚筒洗衣机甩干分布不平衡HTD68、请将筒内衣物抖散NAL—E海尔滚筒洗衣机选择烘干程序后筒内衣物过多HTD68、请筒内衣物适当取出部分E2EE海尔滚筒洗衣机存储芯片故障HTD68、联系检修E11海尔滚筒洗衣机给水异常S1216、HDB1、进水5分钟后没有达到复位水位;2、8分钟内没有达到设定水位;3、在补充进水6分钟内没有达到设定水位;E12海尔滚筒洗衣机排水异常S1216、HDB排水时8分钟水位没有达到复位以下;2 E13海尔滚筒洗衣机给水异常S1216、HDB水位超过警戒水位E31海尔滚筒洗衣机电机自我保护S1216、HDB电机运行时测速电机反馈信号8秒不变EA3海尔滚筒洗衣机干燥时水位异常S1216、HDB烘干时超过烘干设定水位5q8Z3 EC2海尔滚筒洗衣机水温传感器异常S1216、HDB水温传感器开路或短路EC1海尔滚筒洗衣机加热管异常S1216、HDB加热10分钟内水温无变化EC3海尔滚筒洗衣机水位传感器异常S1216、HDB水位传感器开路或短路EC4海尔滚筒洗衣机出风口温度异常S1216、HDB烘干30分钟内5分钟没有变化; EC5海尔滚筒洗衣机烘干温度传感器异常S1216、HDB烘干温度传感器开路或短路U01海尔滚筒洗衣机门锁解除异常S1216、HDB4次解除门锁仍未解除U02海尔滚筒洗衣机门锁异常S1216、HDB4次进行门锁后仍未锁住U03海尔滚筒洗衣机脱水异常S1216、HDB最后脱水时,不平衡判定为1200克以上E22海尔滚筒洗衣机断电记忆失效S1216、HDBEEPROM储存错误FEA3洗衣机不运转、阳光丽人海尔滚筒洗衣机系列、检查排水管位置EC5干燥时间过长、阳光丽人系列、衣物过多,甩干时间过短,水龙头未打开;DEE1操作结束后出现该故障代码、阳光丽人系列、洗涤剂过量,L4dH该洗衣机盖无法打开、1是否使用热水过程中运行中将洗衣机暂停;2烘干过程中将洗衣机暂停PU2洗衣机不运转、滚筒门是否已经关闭QU3洗衣机不脱水、脱水时处理的衣物较大较重,衣物缠绕,洗衣机倾斜,分布不均U4洗衣机不运转、机门是否打开U5洗衣机不运转、洗衣机中间的盖未完全盖好HUD操作结束后出现该故障代码、是否设置了程序将残留水排出;UL洗衣机盖无法打开、是否设置童锁功能小天鹅洗衣机故障代码132G832G报警功能出现报警时,蜂呜器长呜10秒钟,同时某一水位灯闪亮水位灯对应故障类型,若不处理,每隔14分50秒重复长呜10秒钟长达1h不处理,则自动切断电源开关; 14升水位传感器报警门开关无效,查水位传感器及插座接线是否接好18升进水或补水超1h报警门开关有效,查进水阀、水龙头22升排水时间≥5分钟门开关有效,查排水阀等;26升脱水前门未合报警门开关有效,合上门盖;30升连续三次撞桶报警门开关有效,平衡衣物21G7678G794801D报警功能出现报警时,蜂鸣器长鸣10秒钟,同时全部六灯闪亮,每隔14分50秒重复长鸣10秒钟,长达1h不处理则自动切断电源开关;报警种类及解除故障可能方法A跳电10次失败报警修电源开关解决B进水超1h报警门开关有效,查进水阀等C排水时间≥3分钟,水位开关未复位门开关有效,查排水阀等;D脱水前门未合报警门开关有效;E电源太高跳电10次又失败报警修电源开关;F连续三次撞桶报警门开关有效2688G268G288G289G报警功能出现报警时,蜂鸣器长鸣10秒钟,同时全部六灯闪亮,每隔14分50秒重复长鸣10秒钟,长达1h不处理则自动切断电源开关;报警种类及解除故障可能方法A跳电10次失败报警修电源开关解决B进水超1h报警门开关有效,查进水阀等C排水时间≥6分钟水位传感器未复位门开关有效,查排水阀等;D脱水前门未合报警门开关有效;E电源太高跳电10次又失败报警修电源开关;F连续三次撞桶报警门开关有效G水位传感器频率出界报警.查传感器及相应器件560G报警功能出现报警时,蜂呜器长呜10秒钟,同时"报警"灯和"故障类型"灯闪烁,若不处理,每隔14分50秒重复长呜10秒钟,长达1小时不处理则自动切断电源开关;. 灯1跳电失败报警门开关无效,查跳电开关;灯2进水或补水超1h报警门开关有效,查进水阀、水龙头灯3排水时间≥6分钟门开关有效,查排水阀等;灯4脱水前门未合报警门开关有效,合上门盖;灯5连续三次撞桶报警门开关有效,平衡衣物灯1及5水位开关超限报警门开关无效,查水位开关810G828G812G`报警功能出现报警时,蜂呜器长呜10秒钟,同时"报警"灯和"故障类型"灯闪烁,若不处理,每隔14分50秒重复长呜10秒钟,长达1小时不处理则自动切断电源开关; 灯1水位传感器报警门开关无效,查水位传感器及插座接线是否接好灯2进水或补水超1h报警门开关有效,查进水阀、水龙头灯3排水时间≥5分钟门开关有效,查排水阀等;灯4脱水前门未合报警门开关有效,合上门盖;灯5连续三次撞桶报警门开关有效,平衡衣物灯6有预约,启动时门未合门开关有效、合上门开关668G668JG报警功能出现报警时,蜂呜器长呜10秒钟,同时"报警"灯和"故障类型"灯闪烁,若不处理,每隔14分50秒重复长呜10秒钟,长达1小时不处理则自动切断电源开关;显示"E0"跳电失败报警显示"E1"进水或补水超1小时报警显示"E2"排水时间超过5分钟报警;显示"E3"脱水前含预约启动后门未合报警;显示"E4"连续三次撞桶报警;显示"E8"水位传感器报警;.801G报警功能出现报警时,蜂呜器长呜10秒钟,同时"报警"灯和"故障类型"灯闪烁,若不处理,每隔14分50秒重复长呜10秒钟,长达1小时不处理则自动切断电源开关; 显示"E0"跳电失败报警显示"E1"进水或补水超1小时报警显示"E2"排水时间超过5分钟报警;显示"E3"脱水前含预约启动后门未合报警;显示"E4"连续三次撞桶报警;显示"E8"水位传感器报警;805BCL报警功能出现报警时,蜂呜器长呜10秒钟,同时"报警"灯和"故障类型"灯闪烁,若不处理,每隔14分50秒重复长呜10秒钟,长达1小时不处理则自动切断电源开关; 显示"E0"跳电失败报警显示"E1"进水或补水超1小时报警显示"E2"排水时间超过5分钟报警;显示"E3"脱水前含预约启动后门未合报警;显示"E4"连续三次撞桶报警;显示"E8"水位传感器报警;三星B1015JB.B1015JBS.B1015JBN.F1033.F1033S.F1035A.F1035AS.F1035J.F1035JS.F12 33.F1233S.F1235AS.F1235J.F1235JS.F833.F833S.F835J.F835JS.S835J.S835JS滚筒洗衣机故障代码Ed门未关检查机门是否打开E1进水异常①检查水龙头是否打开②检查水压是否正常E2排水异常①清洁残渣过滤器②检查排水管是否正确安装E4洗涤物异常①洗涤衣物放置不均匀②如果仅洗涤一件衣物,脱水效果会不理想,显示窗口上最终会显示此故障代码E9排水位置异常①检查排水管末端是否太低检查背面的排水管支架是否损坏②检查排水管末端是否浸泡在水中1E——变频板故障,通常保护都在水位传感器、安全开关和电机转速传感器等,即在变频板右下方的排线输出处3E——一般是压缩机线路的问题4E——过滤网问题,清洗进水过滤网可以消除此故障DE——门开关故障LE——漏水故障检查洗涤桶是否漏水,检查水位频率回路是否正常,水位传感器是否正常E1----水位传感器故障1E:水位传感器故障4E:进水故障20分钟内不供水5E:排水故障7E:进水故障60分钟内供不无明显效果3E、8E:洗衣时电流过大或负载过大9E:电源电压过高或过低E:排水故障6分钟后水位不能降到复位CE:排水故障水温高出安全排水温度DE:翻盖故障脱水时未关门UE:失衡故障脱水时衣物失衡OE:溢水错误功能HE1:过热保护HE:加热器不工作LE:漏水错误功能超时四次进水BE:电机开关短路错误功能TE:温控器错误功能13E:通信异常TE1:干燥THERMISTOR回路异常FE:FANMOTOR驱动ERROREE:干燥HEATER过热时ERRORHE2:干燥HEATER动作不良ERROREE前面那个E没有上面那一横:温度传感器开路美的洗衣机故障代码E1门锁故障程序启动后门锁定超时20秒E2洗涤时出现注水问题注水超时5分钟E3洗涤时出现排水问题排水超时7分钟E4注水过量溢流防溢流开关动作超过15秒E5电机故障洗涤电机硅击穿,电机可控硅检测失败,电机继电器烧坏E6洗涤程序期间加热不够加热超时10分钟温度上升不到2℃即△T<2℃NTC故障E7洗涤程序期间过热NTC温度超过88℃后5分钟,E8泡沫过多报警在程序结束的脱水阶段,水位开关仍未断开E9通讯故障当显示板与驱动板不能通讯的时候报警E10电机热保护电机热保护动作电机过热E11没有测速信号在3秒内没有测速信号FE:进水阀、传感器等故障PE:压力开关、电脑板、接插件等不良CE:感知过高的电流IPM坏、电机短路等LE:速度传感器、连接电机接插件等不良LE:过载,衣物过多;TE:不加热故障;AE:漏水,拔掉电源,上门;匕E:加热故障DHE:烘干故障PF:洗衣机电源故障;先重新启动程序,UE没有显示屏的型号“洗涤+漂洗+脱水”三个灯闪:表示脱水不平衡,建议客户把衣物拿出抖散再均匀的放进桶内,同时,在机盖上放上半杯清水检查机身是否平整,如不平可以调节底脚来达到平衡状态,再试一下脱水;CL没显示屏的是程序旋钮一圈灯闪烁:LG洗衣机有童锁功能,在面板上会有两个键用线连接,中间有一个小笑脸或小锁的标志,同时按下两键3秒后童锁功能启动,此功能启动后其他按键不能再选择,需要解除时再同时按这两键3秒即可;PF:洗衣机电源故障;重新启动程序SD或CD:代表烘干后自动进入4小时冷却防皱功能,烘干结束后机器自动启用此功能,内桶运转25秒停5分钟;如不需要可按任意键就可解除此功能;IE:代表,不进水8分钟未达到最低水位或者25分钟未达到感知后设定的水位1.进水管安装好了吗,是否漏水,如漏水,请重新安装或换新的进水管;2.进水阀过滤网是否堵了,清洗进水阀过滤网方法:在清洗滤网前先将电源插头拔下,用手或钳子将进水阀里的滤网拔出,用牙刷将滤网上的污渍去除,再重新插回进水阀;为了更好地保护进水阀,建议顾客3-4个月清洗一次进水阀滤网;显示OE//漂洗+脱水灯闪看下排水软管的摆放位置对吗如果排水软管摆放的位置过高,就会不出水或者排水很慢,所以请将排水软管平放在地面上,最高处不要超过6CM,同时注意排水管不要打结或弯曲,否则都会影响排水.显示VE//洗涤+漂洗+脱水三个灯闪洗涤物没堆向一边吗如果洗涤物堆向一边或部分缠绕在一起的话,也会造成脱水不平衡,请按暂停,待桶停止转动后打开折盖,将衣物拿出抖散,再均匀的放入桶,盖好折盖,再按启动/暂停键就可以了;显示IE/E2//洗涤+漂洗灯闪1.水压正常时,请检查一下进水阀过滤网是否有异物进水阀过滤网的清洁方法是:1;关闭水龙头,打开电源,按启动/暂停键,将软管里的水全部排出;然后关闭电源后,拔出电源插头;2;将进水管与洗衣机连接的一头拧下,把进水口里面的进水阀过滤网轻轻地用小镊子或尖嘴小钳子取出;3;将取出的过滤网放到流动的水中,用牙刷将过滤网上的水锈或铁屑等异物清除干净后,再安装上去,装好进水软管,确认下是否可以进水;2.水龙头是打开状态吗在洗涤中进水时,如果长时间没有达到一定水位的话会显示IE的错误代码,如果水龙头是关着的,请打开;3.水压低吗如果水压低,往洗衣机进水的流量就小,接水的时间变长,那洗涤时间也变长;如果用户家里的水压明显低的话,8分钟未达到最低水位或者25分钟未达到感知后设定的水位,请修一下水管,接个增压泵就可以了;4.在寒冷的冬季,洗衣机在阳台等外部空间使用了吗在寒冷的天气里,如果将洗衣机安装到屋外的话,进水软管里的水会冻住,无法进水;进水软管的解冻方法①向水龙头和连接座位置浇上50度左右的温水,使其解冻,拔下进水软管;②把进水软管从洗衣机上取下来,放到温水中解冻;③洗衣机进水口内部的进水阀过滤网上的也会有残留水分可能会冻住,用热的毛巾或吹风机15cm距离解冻进水口的入口处;然后安装好,再试一下进水是否正常;DE/洗涤+脱水灯闪折盖故障,折盖盖好了吗1.请检查折盖是否盖好2.折盖处是否夹住东西了3.检查折盖中间磁铁是否遗失TCL洗衣机故障代码:F1:水位传感器接触不良E1:排水超时,检查排水管是否被堵E2:上盖没有盖好E3:脱水不平衡,把衣服重新抖散开来再脱水E4:进水超时,检查水压,进水阀是否脏堵E5:水温超过50度。
洗衣机故障代码与常用知识洗衣机故障代码与常用知识型号命名:XPB--普通波轮洗衣机XQB--全自动波轮洗衣机XQG--全自动滚筒洗衣机洗衣机条码规则:23位条码与冰箱空调规则类似!前三位:1WA-单桶洗衣机-XPB1WC-双缸洗衣机-XPB1WJ-全自动滚筒洗衣机-XQG1WG-全自动波轮洗衣机-XQB倒数第5、6位为生产基地代码01临沂海信02浪木电器03升元电器04宁波达能05宁波吉德06宁波长风(宇峰)07宁波海力08常州新科09惠而浦10海信海信惠而浦正数第8位肯定是A--代表220V/50HZ交流电倒数9、8、7位为生产年月日全自动洗衣机故障代码介绍及故障解除1、临沂XQB50-8050/C8207、XQB55-80512、临沂XQB50-8086/8217HN/C8218/8208HN/8207HN 8086XQB52-8056/8057/8058/C8257/8208HNXQB55-8066/8067/8068/8208HN/8180/8169HN/8168/8169XQB60-8178/8179/8179HN/8198/8208HN3、吉德XQB46-207/709、XQB48-2284、惠而浦XQB50-9001/9002/3200/3210/3220/3230/3230HN/3220HN XQB60-2131/3132/2135/3500/3510、XQB58-9011、XQB45-3100XQB55-3320/3300A/0350HN/3600HN/3300HNXQB65-3600A/V3780H/0350HN/3500HN/3600HN/3300HNXQB60-3500A/3510A/V3780H/0350HN/3500B/3500HN/3600HNXQB70-V3780H/0350HN/XQB70-3500HN/3600HN5、吉德XQB50-628/629、XQB55-728/730 、XQB56-658、XQB60-787 XQB65-7986、滚筒洗衣机故障代码介绍及解决方法全自动洗衣机故障代码介绍及故障解除1、临沂XQB50-8050/C8207、XQB55-8051故障显示代码含义故障部位浸泡指示灯闪烁并隔10分钟报警一次进水20分钟内达不到设定水位水龙头(水压问题)、进水阀洗涤指示灯闪烁并隔10分钟报警一次 5分钟内水未排空牵引器、排水阀、排水管漂洗指示灯闪烁并隔10分钟报警一次脱水或预约运行状态时开盖门盖开关、电脑板、线束脱水指示灯闪烁并隔10分钟报警一次脱水不平衡安全开关、桶内衣物偏置、线束所有指示灯闪烁并隔10分钟报警一次设定童锁(儿童保护)时开盖门盖开关、电脑板、线束2、临沂XQB50-8086/8217HN/C8218/8208HN/8207HNXQB52-8056/8057/8058/C8257/8208HNXQB55-8066/8067/8068/8208HN/8180/8169HN/8168/8169XQB60-8178/8179/8179HN/8198/8208HN故障代码代码含义故障部位E1 进水20分钟内达不到设定水位水龙头(水压问题)、进水阀E2 5分钟内水未排空牵引器、排水阀、排水管E3 脱水或预约运行状态时开盖门盖开关、电脑板、线束E4 脱水不平衡安全开关、桶内衣物偏置、线束E5 水位传感器异常水位传感器、线束、电脑板E6 设定童锁时开盖门盖开关、电脑板、线束E7 存储器数据读写故障电脑板3、吉德XQB46-207/709、XQB48-228故障显示代码含义故障部位“洗涤”灯闪烁,其余灯灭进水20分钟内达不到设定水位进水阀、水龙头(水压问题)“脱水”灯闪烁,其余灯灭 5分钟内水未排空牵引器、排水阀、排水管“漂洗”、“脱水”灯闪烁,其余灯灭脱水不平衡安全开关、线束、桶内衣物偏置“洗涤”、“漂洗”、“脱水”灯闪烁,其余灯灭脱水或预约运行状态时开盖门盖开关、线束、电脑板“童锁”灯闪烁,其余灯不变设定童锁时开盖门盖开关、线束、电脑板吉德、浪木产品故障代码故障代码代码含义故障部位E0 预约时开盖微动开关、电脑板、线束E1 排水超时(5分钟) 牵引器、排水阀、排水管E2 脱水时开盖微动开关、电脑板、线束E3 脱水不平衡安全开关、衣物偏置、线束E4 进水超时(20分钟)水龙头、进水阀E5 童锁时开盖微动开关、电脑板、线束F1 水位传感器异常水位传感器、电脑板、线束4、惠而浦XQB50-9001/9002/3200/3210/3220/3230/3230HN/3220HNXQB60-2131/3132/2135/3500/3510、XQB58-9011、XQB45-3100XQB55-3320/3300A/0350HN/3600HN/3300HNXQB65-3600A/V3780H/0350HN/3500HN/3600HN/3300HNXQB60-3500A/3510A/V3780H/0350HN/3500B/3500HN/3600HNXQB70-V3780H/0350HN/XQB70-3500HN/3600HN故障代码代码含义故障部位E1 运行时开盖或脱水不平衡门盖开关、电脑板、线束、安全开关、衣物偏置E2 加热管组件及相关线路故障加热管、线束E3 排水超时(时间为3-5分钟) 牵引器、排水阀、排水管E4 进水超时(30分钟不到设定水位) 水龙头(水压问题)、进水阀E5 水位传感器不良水位传感器、线束、电脑板5、吉德XQB50-628/629、XQB55-728/730 、XQB56-658、XQB60-787XQB65-798故障代码代码含义故障部位E0 预约运行时开盖门盖开关、电脑板、线束E1 5分钟内水未排空牵引器、排水阀、排水管E2 脱水状态时开盖门盖开关、电脑板、线束E3 脱水不平衡安全开关、桶内衣物偏置、线束E4 进水20分钟内达不到设定水位水龙头(水压问题)、进水阀E5 设定童锁时开盖门盖开关、电脑板、线束F1 水位传感器异常水位传感器、线束、电脑板6、滚筒洗衣机故障代码介绍及解决方法故障代码代码含义故障部位解决办法无显示门锁故障门锁 1、盖上门盖2、更换门锁F1 进水超时水龙头(水压问题)、进水阀 1、打开水龙头、检查水压.2、清洁、更换进水阀F2 溢水故障(漏水报警)水位传感器更换水位传感器F24 溢水故障水位传感器更换水位传感器F3 排水超时排水泵、排水管 1、更换排水泵.2、清理、更换排水管F4 加热超时(40分钟内到40℃)加热管更换加热管F5 温度传感器故障温度传感器更换温度传感器F6 无速度反馈信号电机更换电机F7 可控硅短路(电机)电脑板更换电脑板F8 加热管故障加热管更换加热管F12 加热管故障加热管更换加热管F14 数据芯片故障电脑板更换电脑板F18 泡沫多洗涤剂、水位传感器(常闭) 1、指导使用(换洗涤剂).2、更换水位传感器F23 水位传感器故障水位传感器更换水位传感器F26 可控硅故障(排水泵)电脑板更换电脑板F21 显示板接口故障显示板、线束 1、调整线插.2、更换显示板或线束F13 门开关故障门开关更换门开关F27 反转继电器故障反转继电器更换反转继电器F28 不能高速脱水继电器、电机更换继电器或电机F23说明:必须先检测用户家电源是否偏低!低于187V时有此报警压力开关故障在洗涤周中,如果控制器检测到压力开关感应的水位处于洗涤状态,但是加热管处于空桶保护状态,则会显示该故障代码.1. 检查压力开关连接是否正确s2. 检查压力开关与控制器的连接是否正确3. 开始自校程序,检查F23代码是否继续出现.4. 检查F08和F12的故障描述5. 检查控制器“CH”代码的解除由合资公司生产的全自动波轮在运转大概150-200周期后会自动跳出模糊功能自校提示,此时电脑板会呈现“CH”代码,因CH代码跳出的时间不一定:洗衣启动前、洗衣结束后,这时可能会影响用户正常使用,甚至误以为机器故障使用数码管的机型--“洗涤时间”+“脱水时间”+“电源开关”;配置大液晶屏的机型--左侧“Λ”+“记忆存”+“电源开关”。
帝度洗衣机故障代码大全帝度洗衣机是家庭日常生活中常见的家电产品,它的出现极大地方便了人们的生活,但是在使用过程中,有时也会遇到一些故障问题。
针对这些故障问题,帝度洗衣机会显示相应的故障代码,通过这些代码,我们可以更准确地判断故障原因,进而采取相应的解决措施。
下面将为大家介绍帝度洗衣机常见的故障代码及对应的解决方法。
1. E1故障代码。
E1故障代码通常表示洗衣机的进水故障。
在出现E1故障代码时,我们首先需要检查自来水阀是否打开,水龙头是否畅通,以及进水管路是否受阻。
如果这些都正常,那么可能是水阀故障,需要更换水阀。
2. E2故障代码。
E2故障代码通常表示洗衣机的排水故障。
在出现E2故障代码时,我们需要检查排水管路是否受阻,排水泵是否工作正常。
如果排水泵故障,需要更换排水泵。
3. E3故障代码。
E3故障代码通常表示洗衣机的电机故障。
在出现E3故障代码时,我们需要检查电机是否受损或者线路是否短路。
如果电机故障,需要更换电机。
4. E4故障代码。
E4故障代码通常表示洗衣机的门锁故障。
在出现E4故障代码时,我们需要检查门锁是否损坏或者线路是否短路。
如果门锁故障,需要更换门锁。
5. E5故障代码。
E5故障代码通常表示洗衣机的漏水故障。
在出现E5故障代码时,我们需要检查洗衣机底部是否有漏水现象,以及密封圈是否老化破损。
如果发现漏水,需要及时更换密封圈。
6. E6故障代码。
E6故障代码通常表示洗衣机的过载故障。
在出现E6故障代码时,我们需要检查洗衣机内部是否装载过多衣物,以及洗衣机是否超负荷运转。
如果是过载造成的故障,需要减少衣物负荷,重新启动洗衣机。
7. E7故障代码。
E7故障代码通常表示洗衣机的传感器故障。
在出现E7故障代码时,我们需要检查洗衣机传感器是否受损或者线路是否短路。
如果传感器故障,需要更换传感器。
8. 其他故障代码。
除了上述常见的故障代码外,帝度洗衣机还可能显示其他故障代码,比如E8、E9等。
对于这些故障代码,我们需要参考洗衣机的使用说明书,查找对应的故障代码解决方法。
洗衣机故障代码与常用知识型号命名:XPB--普通波轮洗衣机XQB--全自动波轮洗衣机XQG--全自动滚筒洗衣机洗衣机条码规则:23位条码与冰箱空调规则类似!前三位:1WA-单桶洗衣机-XPB1WC-双缸洗衣机-XPB1WJ-全自动滚筒洗衣机-XQG1WG-全自动波轮洗衣机-XQB倒数第5、6位为生产基地代码01临沂海信02浪木电器03升元电器04宁波达能05宁波吉德06宁波长风(宇峰)07宁波海力08常州新科09惠而浦10海信海信惠而浦正数第8位肯定是A--代表220V/50HZ交流电倒数9、8、7位为生产年月日全自动洗衣机故障代码介绍及故障解除1、临沂XQB50-8050/C8207、XQB55-80512、临沂XQB50-8086/8217HN/C8218/8208HN/8207HN 8086XQB52-8056/8057/8058/C8257/8208HNXQB55-8066/8067/8068/8208HN/8180/8169HN/8168/8169XQB60-8178/8179/8179HN/8198/8208HN3、吉德XQB46-207/709、XQB48-2284、惠而浦XQB50-9001/9002/3200/3210/3220/3230/3230HN/3220HN XQB60-2131/3132/2135/3500/3510、XQB58-9011、XQB45-3100 XQB55-3320/3300A/0350HN/3600HN/3300HNXQB65-3600A/V3780H/0350HN/3500HN/3600HN/3300HNXQB60-3500A/3510A/V3780H/0350HN/3500B/3500HN/3600HNXQB70-V3780H/0350HN/XQB70-3500HN/3600HN5、吉德XQB50-628/629、XQB55-728/730 、XQB56-658、XQB60-787XQB65-7986、滚筒洗衣机故障代码介绍及解决方法全自动洗衣机故障代码介绍及故障解除1、临沂XQB50-8050/C8207、XQB55-8051故障显示代码含义故障部位浸泡指示灯闪烁并隔10分钟报警一次进水20分钟内达不到设定水位水龙头(水压问题)、进水阀洗涤指示灯闪烁并隔10分钟报警一次5分钟内水未排空牵引器、排水阀、排水管漂洗指示灯闪烁并隔10分钟报警一次脱水或预约运行状态时开盖门盖开关、电脑板、线束脱水指示灯闪烁并隔10分钟报警一次脱水不平衡安全开关、桶内衣物偏置、线束所有指示灯闪烁并隔10分钟报警一次设定童锁(儿童保护)时开盖门盖开关、电脑板、线束2、临沂XQB50-8086/8217HN/C8218/8208HN/8207HNXQB52-8056/8057/8058/C8257/8208HNXQB55-8066/8067/8068/8208HN/8180/8169HN/8168/8169XQB60-8178/8179/8179HN/8198/8208HN故障代码代码含义故障部位E1 进水20分钟内达不到设定水位水龙头(水压问题)、进水阀E2 5分钟内水未排空牵引器、排水阀、排水管E3 脱水或预约运行状态时开盖门盖开关、电脑板、线束E4 脱水不平衡安全开关、桶内衣物偏置、线束E5 水位传感器异常水位传感器、线束、电脑板E6 设定童锁时开盖门盖开关、电脑板、线束E7 存储器数据读写故障电脑板3、吉德XQB46-207/709、XQB48-228故障显示代码含义故障部位“洗涤”灯闪烁,其余灯灭进水20分钟内达不到设定水位进水阀、水龙头(水压问题)“脱水”灯闪烁,其余灯灭5分钟内水未排空牵引器、排水阀、排水管“漂洗”、“脱水”灯闪烁,其余灯灭脱水不平衡安全开关、线束、桶内衣物偏置“洗涤”、“漂洗”、“脱水”灯闪烁,其余灯灭脱水或预约运行状态时开盖门盖开关、线束、电脑板“童锁”灯闪烁,其余灯不变设定童锁时开盖门盖开关、线束、电脑板吉德、浪木产品故障代码故障代码代码含义故障部位E0 预约时开盖微动开关、电脑板、线束E1 排水超时(5分钟) 牵引器、排水阀、排水管E2 脱水时开盖微动开关、电脑板、线束E3 脱水不平衡安全开关、衣物偏置、线束E4 进水超时(20分钟)水龙头、进水阀E5 童锁时开盖微动开关、电脑板、线束F1 水位传感器异常水位传感器、电脑板、线束4、惠而浦XQB50-9001/9002/3200/3210/3220/3230/3230HN/3220HNXQB60-2131/3132/2135/3500/3510、XQB58-9011、XQB45-3100XQB55-3320/3300A/0350HN/3600HN/3300HNXQB65-3600A/V3780H/0350HN/3500HN/3600HN/3300HNXQB60-3500A/3510A/V3780H/0350HN/3500B/3500HN/3600HNXQB70-V3780H/0350HN/XQB70-3500HN/3600HN故障代码代码含义故障部位E1 运行时开盖或脱水不平衡门盖开关、电脑板、线束、安全开关、衣物偏置E2 加热管组件及相关线路故障加热管、线束E3 排水超时(时间为3-5分钟) 牵引器、排水阀、排水管E4 进水超时(30分钟不到设定水位) 水龙头(水压问题)、进水阀E5 水位传感器不良水位传感器、线束、电脑板5、吉德XQB50-628/629、XQB55-728/730 、XQB56-658、XQB60-787XQB65-798故障代码代码含义故障部位E0 预约运行时开盖门盖开关、电脑板、线束E1 5分钟内水未排空牵引器、排水阀、排水管E2 脱水状态时开盖门盖开关、电脑板、线束E3 脱水不平衡安全开关、桶内衣物偏置、线束E4 进水20分钟内达不到设定水位水龙头(水压问题)、进水阀E5 设定童锁时开盖门盖开关、电脑板、线束F1 水位传感器异常水位传感器、线束、电脑板6、滚筒洗衣机故障代码介绍及解决方法故障代码代码含义故障部位解决办法无显示门锁故障门锁1、盖上门盖2、更换门锁F1 进水超时水龙头(水压问题)、进水阀1、打开水龙头、检查水压.2、清洁、更换进水阀F2 溢水故障(漏水报警)水位传感器更换水位传感器F24 溢水故障水位传感器更换水位传感器F3 排水超时排水泵、排水管1、更换排水泵.2、清理、更换排水管F4 加热超时(40分钟内到40℃)加热管更换加热管F5 温度传感器故障温度传感器更换温度传感器F6 无速度反馈信号电机更换电机F7 可控硅短路(电机)电脑板更换电脑板F8 加热管故障加热管更换加热管F12 加热管故障加热管更换加热管F14 数据芯片故障电脑板更换电脑板F18 泡沫多洗涤剂、水位传感器(常闭)1、指导使用(换洗涤剂).2、更换水位传感器F23 水位传感器故障水位传感器更换水位传感器F26 可控硅故障(排水泵)电脑板更换电脑板F21 显示板接口故障显示板、线束1、调整线插.2、更换显示板或线束F13 门开关故障门开关更换门开关F27 反转继电器故障反转继电器更换反转继电器F28 不能高速脱水继电器、电机更换继电器或电机F23说明:必须先检测用户家电源是否偏低!低于187V时有此报警压力开关故障在洗涤周中,如果控制器检测到压力开关感应的水位处于洗涤状态,但是加热管处于空桶保护状态,则会显示该故障代码.1. 检查压力开关连接是否正确s2. 检查压力开关与控制器的连接是否正确3. 开始自校程序,检查F23代码是否继续出现.4. 检查F08和F12的故障描述5. 检查控制器“CH”代码的解除由合资公司生产的全自动波轮在运转大概150-200周期后会自动跳出模糊功能自校提示,此时电脑板会呈现“CH”代码,因CH代码跳出的时间不一定:洗衣启动前、洗衣结束后,这时可能会影响用户正常使用,甚至误以为机器故障使用数码管的机型--“洗涤时间”+“脱水时间”+“电源开关”;配置大液晶屏的机型--左侧“Λ”+“记忆存”+“电源开关”。
自检:自检也称无水检测,不用进水即可测试洗衣机的相关性能,包括灯检、洗涤检测、脱水检测(不包括水位感应)、模糊参数自校正(需配置模糊控制)。
全自动波轮简易机型自检方法:“过程”+“电源开关”;临沂机型自检方法:“过程”+“程序”+“电源开关”;合资公司机型自检方法:“过程”+“功能”+“电源开关”。
全自动滚筒:进入方法:程序选择到“单排水”、无“单排水”功能的机型选“全棉洗”,在5秒之内连按两次“重设”+两次“启动”;或者5秒之内连按四次“重设”(跳过灯检),在自检过程中可以连按“重设”键来跳过当前过程。
自检过程:整个过程是用数字?1.2.3.4.5来提示的。
灯检:过程中所有导光柱和数码管都应该亮起;洗涤:滚筒以正常状态正反转,此过程进水阀是工作的;排水:洗涤运转停下,排水泵工作;低速脱水:正反转两圈后进入间歇性脱水加速过程;高速脱水:连续性高速脱水直至惯性结束。
中途观察是否报故障代码和发现问题停滞点。
X1001系列1.将旋钮旋转至“单脱”的位置The knob position is “spin”2.功能键按2下:3.启动/暂停键按2下:分别按下速度、温度、功能键之后进入自检程序显示C1进水阀,C2电机正反转,C3排水泵工作,C4电机上高速______________________________________________________________________________________________________________Welcome To Download !!!欢迎您的下载,资料仅供参考!精品资料。