一调土地利用现状分类及新旧地类编码对照表
- 格式:doc
- 大小:169.00 KB
- 文档页数:3
调土地利用现状分类地类编码表
WEIHUA system office room 【WEIHUA 16H-WEIHUA WEIHUA8Q8-WEIHUA1688】 二调土地利用现状分类
一级类 二级类 含 义 三 大 类 类别编码 类别名称 类别编码 类别
名称
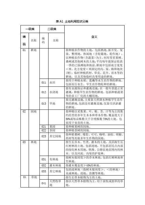
01 耕地 ? ? 指种植农作物的土地,包括熟地、新开发、复垦、整理地,休闲地(轮歇地、轮作地);以种植农作物(含蔬菜)为主,间有零星果树、桑树或其他树木的土地;平均每年能保证收获一季的已垦滩地和海涂。耕地中还包括南方宽度〈米、北方宽度〈米固定的沟、渠、路和地坎(埂);临时种植药材、草皮、花卉、苗木等的耕地,以及其他临时改变用途的耕地
农 用 地
011 水田 指用于种植水稻、莲藕等水生农作物的耕地。包括实行水生、旱生农作物轮种的耕地 012 水浇地 指有水源保证和灌溉设施,在一般年景能正常灌溉,种植旱生农作物的耕地。包括种植蔬菜等的非工厂化的大棚用地 013 旱地 指无灌溉设施,主要靠天然降水种植旱生家作物的耕地,包括没有灌溉设施,仅靠引洪淤灌的耕地
02 园地 ? ? 指种植以采集果、叶、根、茎、枝、汁等为主的集约经营的多年生木本和草本作物,覆盖度大于50%或每亩株数大于合理株数70%的土地。包括用于育苗的土地 021 果园 指种植果树的园地 022 茶园 指种植茶树的园地
023 其他园地 指种植桑树、橡胶、可可、咖啡、油棕、胡椒、药材等其他多年生作物的园地
03 林地 ? ? 指生长乔木、竹类、灌木的土地,及沿海生长红树林的土地。包括迹地,不包括居民点内部的绿化林木用地,以及铁路、公路、征地范围内的林木,以及河流、沟渠的护堤林 031 有林地 指树木郁闭度≥的乔木林地,包括红树林地和竹林地 032 灌木林地 指灌木覆盖度≥40%的林地 033 其他林地 包括疏林地(指树木郁闭度≥、<的林地)、未成林地、迹地、苗圊等林地
04 草地 ? ? 指生长草本植物为主的土地 041 天然牧草地 指以天然草本植物为主,用于放牧或割草的草地 042 人工牧草地 指人工种牧草的草地
《全国土地分类》与土地利用现状分类对照表《全国土地分类》(过渡期间适用)土地利用现状分类代码地类名称与土地利用现状分类关系代码地类名称111 灌溉水田=11 11 灌溉水田112 望天田=12 12 望天田113 水浇地=13 13 水浇地114 旱地=14 14 旱地115 菜地=15 15 菜地121 果园=21 21 果园122 桑园=22 22 桑园123 茶园=23 23 茶园124 橡胶园=24 24 橡胶园125 其他园地=25 25 其它园地131 有林地=31 31 有林地132 灌木林地=32 32 灌木林133 疏林地=33 33 疏林地134 未成林造林地=34 34 未成林造林地135 迹地=35 35 迹地136 苗圃=36 36 苗圃141 天然草地=41 41 天然草地142 改良草地=42 42 改良草地143 人工草地=43 43 人工草地151 畜禽饲养地指农村居民点、独立工矿用地以外的畜禽饲养地52、53 农村居民点、独立工矿用地152 设施农业用地……无类别153 农村道路=63 63 农村道路154 坑塘水面=74中未养殖坑塘水面74 坑塘水面155 养殖水面=74中养殖坑塘水面74 坑塘水面156 农田水利用地=77 77 沟渠157 田坎=87 87 田坎158 晒谷场等用地是指农村居民点外的晒谷场等用地52 农村居民点201 城市=51A 51A 城市202 建制镇=51B 51B 城镇203 农村居民点=52 52 农村居民点204 独立工矿用地=53 53 独立工矿用地205 盐田=54 54 盐田206 特殊用地=55 55 特殊用地261 铁路=61 61 铁路262 公路=62 62 公路263 民用机场=64 64 民用机场264 港口码头用地=65 65 港口、码头265 管道运输用地指居民点及独立工矿用地外地上管道运输用地……除居民点及独立工矿用地外有关地类271 水库水面=73 73 水库水面272 水工建筑用地=78 78 水工建筑物311 荒草地=81 81 荒草地312 盐碱地=82 82 盐碱地313 沼泽地=83 83 沼泽地314 沙地=84 84 沙地315 裸土地=85 85 裸土地316 裸岩石砾地=86 86 裸岩、石砾地317 其他未利用土地=88 88 其它321 河流水面=71 71 河流水面322 湖泊水面=72 72 湖泊水面323 苇地=75 75 苇地324 滩涂=76 76 滩涂325 冰川及永久积雪=79 79 冰川及永久积雪。
《土地利用现状分类》国家标准
第二次全国土地调查土地分类(新12类)
2007年8月5日,《土地利用分类》国家标准开始颁布执行,第二次全国土地调查将直接采用《土地利用分类》国家标准。
《土地利用现状分类》国家标准采用一级、二级两个层次的分类体系,共分12个一级类、56个二级类。
其中一级类包括:耕地、园地、林地、草地、商服用地、工矿仓储用地、住宅用地、公共管理与公共服务用地、特殊用地、交通运输用地、水域及水利设施用地、其他土地。
土地利用分类的地类编码和含义见表1-1:
开展农村土地调查时,对《土地利用分类》中05、06、07、08、09一级类
和103、121二级类按表1.2进行归并。
《土地利用现状分类》国家标准采用一级、二级两个层次的分类体系,共分12个一级类、56个二级类。
其中一级类包括:耕地、园地、林地、草地、商服用地、工矿仓储用地、住宅用地、公共管理与公共服务用地、特殊用地、交通运输用地、水域及水利设施用地、其他土地。
土地用途分区土地用途分区主要是作为土地利用总体规划的一项规划内容而存在,是在土地用途管制制度下派生出的分区,将区域土地资源根据用途管制需要、经济社会发展客观要求和管理目标,划分出不同空间区域,并制定各区域土地用途管制规则,通过用途变更许可制度,实现对土地用途的管制。
当前,我国的土地用途分区主要应用于县、乡级土地利用总体规划,一般分为基本农田保护区、耕地开垦区、一般耕地区、林业用地区、牧业用地区、城镇建设用地区、村镇建设用地区、独立工矿用地区、风景旅游用地区、自然和人文景观保护区以及其他用地区等。
土地利用分区发表时间:2011/8/2 11:33:26 作者:来源:浏览:1530【土地用途分区类型】根据东兴市土地利用现状、土地适宜性和规划需要,将全市土地划分为城镇建设用地区、农村居民点用地区、采矿与独立建设用地区、基本农田保护区、一般农业用地区、林牧综合用地区、风景名胜和自然人文景观保护区等七类土地用途区,并明确各类分区土地主导用途和管制规则。
【城镇建设用地区】1、规模范围城镇建设用地区面积2918.6公顷,占全市土地总面积的5.32%,包括东兴中心城区、江平镇区、马路镇区和国有火光农场场部的现状城镇建设用地、规划新增城镇建设用地。
2、土地主导用途该区是为城镇建设发展需要划定的土地用途区,区内土地主要用于城市、城镇和依托城镇的各类工业园区的建设。
3、土地利用管制规则(1)区内土地使用应符合经批准的城市、城镇总体规划。
(2)控制各项建设用地规模,严格按照有关定额标准,安排各项建设用地。
(3)城镇和工业建设应当优先利用现有建设用地和空闲地,确需扩大的,应当首先利用非耕地或者劣质耕地。
附表《城市建设用地分类和代码》与原《城市用地分类和代码》对照表
A2 文化设施用地C3 文化娱乐用地(仅包括其中的原标准C31新闻出版用地、原标
图书展览用地、文化宫、青少准C32文化艺术团体用地以及
年宫、老年活动中心等用地)原标准C33广播电视用地中的
报社、出版社、广播电台、电视台、
文化艺术团体等,纳入本标准B22
艺术传媒用地;原标准C33广播电
视用地中的转播台、差转台等用
地纳入本标准U16 广播电视用地;
原标准C35影剧院用地、C36游
乐用地中的电影院、剧场、音乐
厅、杂技场、游
表二《城乡用地分类和代码》与原《城市用地分类和代码》对照表
E。
附件:土地利用现状更新调查数据地类转换技术方案一、目标任务1、按照《全国土地分类》(过渡期间适用)(国土资源部,2002)与《土地利用现状分类》(GB/T 21010-2007)对应关系,对土地利用现状更新调查数据进行地类转换,将更新调查《全国土地分类》过渡分类(以下简称旧分类)转换成《土地利用现状分类》规定的新分类(以下简称新分类)。
2、地类转换中具有“一对一”(旧分类对新分类,以下同)和“多对一”(旧分类对新分类,以下同)对应关系的可直接转换;“一对多”(旧分类对新分类,以下同)关系的情况要进行标识,然后进行详细内业核实,需要外业核实的要进行补充调查;最后修改土地利用现状数据库地类码和数据字典,对转换后的成果数据进行统计汇总、表格输出和成果分析。
3、对2005年度土地利用现状更新调查,按《关于2006年土地变更调查有关问题的补充通知》(国土资电发…2006‟43号)文件要求修改前后的两套数据库成果,分别进行地类转换和成果汇总,最终都要根据变更调查数据,将汇总成果修改到2007年10月31日统一时点。
二、作业基础和技术依据作业基础:1、以2005年10月31日为时点的县级土地利用现状更新调查数据。
根据《关于2006年土地变更调查有关问题的补充通知》(国土资电发…2006‟43号)要求修改后的县级土地利用现状更新调查数据。
2、2006、2007年度土地利用现状变更调查数据技术依据:1、土地利用现状分类 GB/T 21010-20072、第二次全国土地调查技术规程 TD/T 1014-20073、土地利用数据库标准 TD/T 1016-20074、《全国土地分类》(试行)(过渡期间适用)(国土资源部,2002)5、《关于2006年土地变更调查有关问题的补充通知》(国土资电发…2006‟43号)6、山东省第二次土地调查(农村)技术细则(试行)三、技术路线以土地利用现状更新调查成果为基础,按照《全国土地分类》(过渡期间适用)与《土地利用现状分类》的对应关系,采用属性连接的方法,进行地类转换;“一对多”关系的情况要进行标识,待逐一进行核实、外业补充调查后确定;然后修改土地利用数据库地类码和数据字典,在此基础上进行统计汇总、表格输出和成果分析,技术流程如图1。