轮胎动平衡及修补
- 格式:doc
- 大小:126.50 KB
- 文档页数:8
轮胎平衡故障排除计划
1. 检查轮胎气压
气压不足会导致轮胎变形,引起不平衡。
用胎压计检查每个轮胎的气压,并根据车辆说明书调整到推荐的气压值。
2. 目视检查轮胎
仔细检查每个轮胎是否有明显的损坏、异物嵌入或不均匀磨损。
这些问题都可能导致轮胎不平衡。
必要时请更换轮胎。
3. 检查车轮
确保所有车轮无损坏或污垢。
检查并紧固所有车轮螺母,确保车轮安装正确。
4. 动平衡检查
如果以上检查无法解决问题,可能需要进行动平衡检查。
将车辆送往专业的轮胎服务中心,利用专业设备进行动平衡检测和校正。
5. 添加平衡块
如果检测发现轮胎不平衡,技师会在车轮的特定位置添加平衡块(也称为平衡重锤)来恢复平衡。
6. 定期维护
即使已经平衡过轮胎,长期使用后仍可能出现失衡。
因此需要定期检查和维护,确保车辆时刻保持平稳运行状态。
保持轮胎处于正确的平衡状态,不仅能提高行车安全和舒适性,还能延长轮胎和其他部件的使用寿命,从而节省维护成本。
如果您发现任何异常情况,请及时采取措施排除故障。
车轮动平衡的操作方法
车轮动平衡(也称为平衡车轮)是车辆维护保养中非常重要的一项工作,其目的是保证车辆行驶时车轮的平衡,减少车轮震动和磨损,提高行驶的稳定性和安全性。
以下是车轮动平衡的一般操作方法:
1. 准备工具和设备:车轮动平衡机、动平衡铅块、轮毂盖、重锤、轮胎铁钩等。
2. 将车辆停放在平整的地面上,并把车辆的手刹拉起。
3. 从车辆上取下待平衡的轮胎。
4. 清理轮胎的内外胎面,确保轮胎表面干净整洁。
5. 将轮胎放置在车轮动平衡机的夹具上,并把夹具固定好。
根据机器的指示,输入相关参数,如轮胎尺寸、质量等。
6. 启动车轮动平衡机,根据其指示进行测量和调整。
7. 根据测量结果,确定需要进行平衡的位置。
一般来说,车轮动平衡机会在轮胎上粘贴一块小铅块,来标示需要进行平衡调整的位置。
8. 在需要进行平衡调整的位置粘贴适量的动平衡铅块。
铅块的粘贴位置应与机
器指示的位置一致。
9. 在平衡铅块旁边粘贴轮毂盖,确保铅块不易脱落。
10. 将轮胎重新安装到车辆上,并确保安全牢固。
11. 使用轮胎铁钩,在车辆前后轮之间逐一检查轮胎的平衡状态。
如果仍有不平衡现象,可以进行进一步调整。
12. 测试车辆行驶时的平稳性和平衡性,确保车辆正常运行。
需要注意的是,车轮动平衡应该在定期更换轮胎、修复轮胎损坏或更换车辆配件后进行。
这有助于保持车辆的平稳性和安全性。
同时,对于非专业人士来说,建议将车辆送到专业的维修厂或轮胎服务中心进行车轮动平衡的操作,以确保可靠性和准确性。
轮胎做动平衡的操作步骤以轮胎做动平衡的操作步骤为标题,写一篇文章。
动平衡是指通过调整轮胎的重量分布,使其在高速行驶时减少或消除震动、摇晃和轮胎磨损,提高行驶的平稳性和舒适性。
下面将介绍以轮胎做动平衡的操作步骤。
1. 确定需求:在进行轮胎动平衡之前,首先要明确需要进行动平衡的轮胎是哪个位置的。
通常情况下,需要进行动平衡的轮胎是前轮和后轮。
2. 准备工具:进行轮胎动平衡需要一些特殊的工具。
常用的工具有平衡机、配重钳、配重块等。
确保这些工具的完好无损,并且清洁。
3. 检查轮胎:在进行动平衡之前,先仔细检查轮胎的状态。
检查轮胎是否存在磨损、裂纹或其他损伤。
如果发现有问题,应及时更换轮胎。
4. 清洁轮胎:在进行动平衡之前,先将轮胎表面的杂质清除干净。
可以使用清洁剂和干净的布进行清洁,确保轮胎表面干净无尘。
5. 定位轮胎:将需要进行动平衡的轮胎放置在平衡机上,并将轮胎固定好。
确保轮胎固定稳定,不会晃动或滑动。
6. 开始平衡:启动平衡机,根据机器的指示进行操作。
通常情况下,平衡机会通过旋转轮胎并检测轮胎的重量分布情况来确定是否需要进行动平衡调整。
7. 调整配重:根据平衡机的指示,使用配重钳和配重块进行调整。
配重块的位置和重量根据平衡机的显示结果来确定。
将配重块粘贴或夹在轮胎的内侧或外侧,以达到平衡的效果。
8. 再次检查:在完成调整后,再次启动平衡机进行检查。
确保轮胎的重量分布达到平衡要求,没有明显的震动或不平衡现象。
9. 完成动平衡:当轮胎的动平衡调整完成后,将轮胎从平衡机上取下,放置在适当的位置。
确保配重块固定牢固,不会脱落。
10. 测试行驶:在完成轮胎动平衡调整后,进行一次测试行驶。
通过高速行驶,检查轮胎是否平稳,没有明显的震动或不平衡现象。
如有必要,可以进行进一步的微调。
总结:轮胎动平衡是保证车辆行驶平稳和舒适的重要环节。
通过以上步骤,可以将轮胎的重量分布调整到合理的范围,减少轮胎磨损和车辆震动,提高行驶的安全性和舒适性。
车轮平衡与定位调整技巧车轮平衡和定位调整是保持车辆行驶平稳和稳定的重要环节。
正确的车轮平衡和定位调整不仅可以延长轮胎的使用寿命,还可以提高行车安全性。
本文将重点介绍一些车轮平衡和定位调整的技巧,以帮助车主正确处理这两个问题。
一、车轮平衡技巧车轮平衡是指轮胎和轮毂在高速旋转时保持整体的平衡,避免产生震动和抖动。
下面是一些车轮平衡的技巧:1. 定期检查车轮平衡:每隔一段时间,最好是每季度或每5000公里,车主都应该进行一次车轮平衡检查。
如果发现有不正常的震动或抖动,应该立即进行平衡调整。
2. 注意轮胎的状态:轮胎的磨损和破损也会对车轮平衡产生影响。
因此,定期检查轮胎的磨损情况,并根据需要进行更换,可以有效地维持车轮平衡。
3. 寻找专业帮助:对于一些比较复杂的车轮平衡问题,建议寻找专业的车辆维修店帮助。
他们拥有相关的设备和经验,可以更好地处理车轮平衡问题。
二、定位调整技巧定位调整是指调整车辆的悬挂系统,使得车轮与路面的接触更牢固和平衡。
错误的定位调整会导致轮胎过早磨损,不规则磨损和方向盘不居中等问题。
以下是一些定位调整的技巧:1. 定期进行定位检查:与车轮平衡一样,定位调整也需要定期检查,以确保轮胎的正常磨损。
最好每季度或每5000公里进行一次定位检查。
2. 注意车辆的悬挂系统:车辆悬挂系统的磨损会影响定位调整。
因此,定期检查车辆的悬挂系统,特别是悬挂部件的磨损情况,可以帮助及时发现问题并进行修复。
3. 寻找专业帮助:定位调整是一个相对复杂的过程,需要专业的设备和技术。
因此,建议寻找专业的修车厂或维修店进行定位调整,以确保调整的精准性和准确性。
总结:正确的车轮平衡和定位调整可以提高车辆的行驶平稳性和安全性,延长轮胎的使用寿命。
车主应定期检查车轮平衡和定位调整情况,并根据需要进行修复和调整。
对于一些复杂的问题,建议寻求专业帮助。
通过正确的车轮平衡和定位调整技巧,车主可以享受更加稳定和安全的行车体验。
四轮定位检测及维修(附动平衡)●什么情况下车辆需要做四轮定位?1、发生碰撞事故维修后。
更换转向横拉杆等与调整四轮定位参数有关的底盘件时。
2、前后轮胎单侧偏磨。
跑偏或者后轮感觉噪音偏大。
3、驾驶时方向盘飘浮发抖或过重。
踩刹车时方向抖一般转向节松动,卡钳支架松动,刹车盘变形均会导致这种情况。
加速抖动悬架部件老化导致,传动半轴、球笼损坏,如果是前驱则多为方向盘抖动,如果是后驱则有可能变成车身抖动,一给油门,车子抖着就出去了。
4、直行时汽车向左或向右跑偏。
车速不要低于50km/h,车辆行驶大概100米左右有明显的偏移时才能定义为行驶跑偏。
5、理论上车辆日常维护:新车在驾驶3个月后,之后每1年或2万公里做一次四轮定位。
动平衡(换新胎,换位)在某一速度区间:方向盘抖80km/h及以上明显。
车辆行驶在某一速度的时候会产生共振,严重影响乘坐舒适性。
1、失衡比较严重时,轮胎也可能因为不正常的横向摆动产生偏磨现象,轮胎寿命也受影响;2、加剧悬挂和轴承等部件磨损,缩短使用寿命;轮胎和车轮由于细节设计不可能达到绝对圆形,比如轮圈上设计有气门嘴,这个小东西的重量就会对旋转平衡产生影响。
轮圈和轮胎这两个部分组装在一起后自然也不能保证是一个绝对重量对称的圆形物体。
所以很多车主会发现,即便是新买来的车,车轮上都有平衡块。
使用平衡块过多或无论怎么做都无法平衡,考虑更换轮毂平衡块过多,不仅不会使得轮胎动平衡得到修正,反而会因过多的平衡块增加车轮重量,导致车轮的转动惯量增大,有可能会加重车轮抖动的程度,就像上面提到的那样。
●正常的四轮定位后车辆会有哪些改善?1、增加行驶的安全性。
2、减少轮胎的不正常磨损。
3、保持直行时转向盘正直,维持直线行车。
4、转向后转向盘会自动归正。
5、增加驾驶的操控感。
6、减少油耗的异常消耗。
7、降低悬挂部件耗损。
●做四轮定位不准确的后果是什么?1、轮胎过度磨损:四轮定位参数不准确可以造成轮胎偏磨从而导致发生爆胎的危险。
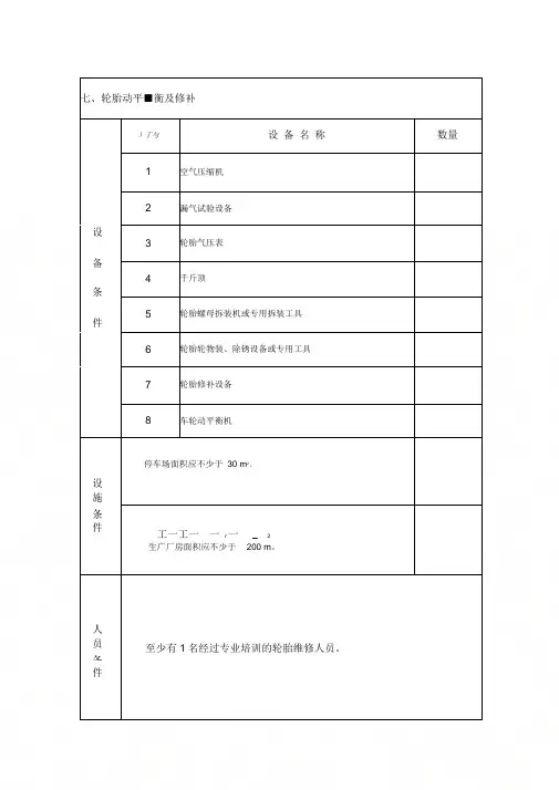
七、轮胎动平■衡及修补
)丁与设备名称数量
1空气压缩机
2漏气试验设备
设
3轮胎气压表
备
4千斤顶
条
5轮胎螺母拆装机或专用拆装工具
件
6轮胎轮物装、除锈设备或专用工具
7轮胎修补设备
8车轮动平衡机
停车场面积应不少于30 m2。
设
施
条
件
工一工一一r 一_ 2
生广厂房面积应不少于200 m。
人
员
至少有1名经过专业培训的轮胎维修人员。
条
件
设备条件口合格口不合格
审验人员
设施条件口合格口不合格审
验审验人员
情人员条件口合格口不合格
况
审验人员
组织管理口合格口不合格
审验人员
结口符合开业技术条件
论口不符合开业技术条件。
车轮动平衡操作方法车轮动平衡是指在车辆行驶过程中,车轮不受到不平衡的影响,保持平稳运行。
车轮动平衡对车辆的性能、稳定性和乘坐舒适度都有重要影响。
针对车轮动平衡的问题,下面将介绍一些操作方法,以帮助大家更好地实现车轮的动平衡。
首先,进行车轮动平衡操作前,我们需要准备一些必要的工具和设备,包括动平衡机、平衡铅块、配重锁、敲击锤、气压表等。
动平衡机是用来检测车轮的不平衡情况,并进行调整的主要设备,而其他工具则是进行具体调整的辅助工具。
接下来,进行操作前,我们需要先将车辆提升至适当的高度,以便可以轻松拆卸和安装车轮。
拆卸车轮后,我们可以用气压表检测轮胎的气压,确保轮胎气压符合车辆制造商的要求。
在将车轮放置到动平衡机上之前,我们需要先将配重锁固定在车轮边缘。
配重锁的作用是保持车轮的平衡位置,以便进行准确的动平衡操作。
然后,把车轮轻轻放置到动平衡机上,并启动机器,机器会自动进行测量并显示车轮的不平衡情况。
根据机器的测量结果,我们可以利用平衡铅块来进行调整。
平衡铅块通常会被粘贴在车轮的内侧或外侧,以实现平衡。
在安装平衡铅块时,我们需要根据机器的建议,并参考车轮制造商的建议,确保铅块的位置和数量是正确的。
然后,我们可以使用敲击锤轻敲铅块,使其牢固地粘在车轮上。
完成调整后,我们重新将车轮放置到车辆上,并确保安装牢固。
然后,我们可以再次使用气压表来检查轮胎的气压,并进行必要的调整。
除了动平衡操作外,我们还应该注意一些其他事项。
首先,定期检查轮胎的磨损情况,并进行必要的更换。
磨损不均衡的轮胎会影响车轮的平衡性。
其次,车辆行驶过程中避免碰到路面的凹洞或不平整路面,以防车轮受到损坏,并进一步导致动平衡问题。
最后,如果您不熟悉车轮动平衡操作,建议您咨询专业的汽修技师或汽车维修厂提供帮助,以确保操作的准确性和安全性。
综上所述,车轮动平衡操作是非常重要的,它直接关系到车辆的性能和行驶安全。
通过正确的操作方法和注意事项,我们可以保证车轮的动平衡,提高车辆的稳定性和乘坐舒适度。
做动平衡的正确流程
1首先我们需要对轮毂进行除胶及清洗。
利用专业的工具对留下的胶痕进行处理(专业的工具同时也能避免轮毂刮花)然后进行清洁,清洗过后准备做动平衡
2测量气压,保持正确胎压
3道路力测量可以用来解决轮胎均质性带来的轮胎振动问题。
车轮的均质性仅在负载条件下测量(道路力测量同时检测在负载和无负载情况下测量偏差,轮胎力的变化达到很好的车轮平衡)图五已提供轮毂与轮圈的适配度,并且标记矫正
4再次测量气压,保证正确胎压,进行动平衡(在车辆高速行驶下,方向盘不会出现抖动)使用霍夫曼平衡块更精确。
5安装轮胎,进行试车。
轮胎动平衡流程轮胎动平衡流程介绍轮胎动平衡是一项重要的汽车维护工作,它可以提高车辆行驶的稳定性和操控性。
本文将详细介绍轮胎动平衡的流程,包括准备工作、操作步骤和注意事项。
流程步骤1.准备工作–确保车辆停稳在平坦的地面上。
–使用千斤顶将车辆抬起,并用支撑物稳定。
–使用扳手拧松轮胎上的螺母。
–使用气压表检查轮胎气压,确保气压符合车辆制造商的规定。
2.安装轮胎平衡机–将轮胎放置在轮胎平衡机的夹具上。
–根据平衡机的要求,调整夹具使轮胎保持平衡。
–确保轮胎安装牢固,不会滑动或脱落。
3.进行平衡测试–根据平衡机的指示,选择适当的测试模式。
–启动平衡机,让其自动测试轮胎的平衡性。
–观察平衡机显示的结果,包括轮胎的不平衡量和位置。
4.调整平衡–根据测试结果,确定需要进行调整的位置。
–使用专用的平衡配重,将其粘贴或固定在轮胎上。
–根据需要,重复平衡测试和调整过程,直到轮胎能够达到理想的平衡状态。
5.安装轮胎–将平衡好的轮胎放回车辆的轮毂上。
–使用扳手拧紧轮胎上的螺母。
–逐个检查每个轮胎,确保安装稳固。
注意事项•在进行轮胎动平衡前,务必确保车辆停稳,并进行适当的安全措施。
•在使用轮胎平衡机时,要根据操作手册正确使用和调整夹具。
•在进行平衡测试和调整时,要按照规范进行操作,避免过度调整或操作失误。
•在安装轮胎时,要注意使用正确的扳手和正确的力度,确保轮胎安装牢固。
以上是轮胎动平衡的流程,准确的操作可以提高车辆的行驶安全性和舒适性。
在对轮胎进行动平衡时,请务必遵循操作规范,以确保工作的高效和可靠性。
6.清理工作–将轮胎平衡机上的夹具和配重清理干净,以便下次使用。
–检查车辆周围是否有杂物或工具等,确保工作区域整洁。
7.跟踪记录–记录轮胎动平衡的日期、车辆信息和平衡结果。
–如果有需要,可以在记录中注明轮胎的厂商和型号等详细信息。
8.定期检查–轮胎动平衡是一个持续的过程,建议定期检查轮胎的平衡状态。
–如果发现轮胎出现明显的不平衡或异响等情况,需要及时进行调整或更换。
车轮动平衡的操作流程
一、车轮动态平衡操作流程
1、检查轮胎:检查轮胎的表面、花纹,严禁用毁坏轮胎参加动态平衡,以避免不正常的操作。
2、连接动态平衡机:将轮胎和轮毂拆下,做好安全措施,根据动态平衡机说明书严格操作,将车轮连接动态平衡机,检查机器连接是否正确,保证安全。
3、调整车轮:将车轮放在动态平衡机上,根据操作要求,调整滑块的位置,设置和调整车轮的颗粒,并记录车轮的动态平衡数据。
4、检查调整:检查车轮是否放置正确、是否可以正常转动,确保动态平衡机正常运转。
5、测量:根据操作要求,开始测量,记录车轮的动态平衡数据,根据测量值调整车轮颗粒位置,使其尽可能接近0,即达到动态平衡标准值。
6、清洁处理:操作完成后,应对车轮、轮胎、轮毂等进行清洁,保证车轮动态平衡清洁、轮胎可以正常贴地,以免造成不必要的损失。
- 1 -。
车轮平衡操作方法
车轮平衡操作方法一般可以分为以下几个步骤:
1. 准备工具:准备一个平衡锤、一个车轮保持器、一个扳手和一个轮胎修补剂。
2. 将车轮装上车辆:将车轮安装在车辆上,并用轮胎保持器固定住车轮,防止车轮在操作过程中滚动。
3. 确定不平衡区域:将车轮旋转到任意位置,用手观察车轮是否有明显的不平衡现象,比如车轮的旋转不稳定或者有明显的晃动等。
4. 定位不平衡区域:用平衡锤轻轻敲击车轮,如果车轮在某个特定位置被敲击后,晃动幅度变小或者停止晃动,那么就可以确定该位置是不平衡区域。
5. 平衡调整:根据不平衡区域的位置,在相应位置上添加或者减掉适量的平衡锤,以使车轮达到平衡状态。
添加或者减掉平衡锤的方法可以通过松紧螺丝来实现。
6. 检验平衡效果:将车轮旋转到不同位置,观察车轮是否还存在不平衡现象,如果仍然存在,可以进行进一步的调整,直到车轮完全平衡。
7. 维护和保养:完成平衡操作后,可以使用轮胎修补剂对车轮进行保养和维护,以延长车轮的使用寿命。
请注意,在进行车轮平衡操作时,应该穿戴好个人防护装备,如手套和护目镜,以确保安全。
如果不确定如何进行操作,建议寻求专业人员的帮助。
车轮平衡检测与维修对于汽车车轮平衡的检测与维修,首先我们必须了解关汽车平衡的概念及检测原理、掌握汽车车轮动平衡检测方法、了解汽车车轮平衡机并学会使用平衡机一、平衡分类平衡分为静平衡与动不平衡。
二、平衡概念静平衡的概念是重心与旋转中心重合。
(如静不平衡,则不平衡量产生离心力)动不平衡概念是重心与旋转中心对称,质量分布对车轮中心面对称为动平衡如果不对称则产生力矩不为零。
不平衡力矩使车轮对主销力矩加大而摆振。
关键词:废气发动机燃烧在汽车废气中碳氢(CH)和一氧化碳(CO)的排放水平能直接表示发动机的性能好坏。
碳氢(CH)排放水平高表示有失火现象、或者发动机燃烧不完全或者没有燃烧的燃料直接排出气缸。
这可能是由于火花塞积碳,火花塞导线故障、气门烧损、混合气过稀、点火正时不正确等原因所产生的。
所有这些问题都可能影响燃烧的效率,使未燃燃料离开气缸。
一氧化碳(CO)排放水平高是由于混合气燃烧不完全所产生的,完全燃烧过程是一个碳原子(C)和两个氧原子(O2)结合生成的二氧化碳(CO2)。
如果没有足够的氧跟探结合反应就会生成一氧化碳(CO)。
排气中CO水平过高表示由于进气系统受到节流,导致混合气过浓,或者是进入气缸的燃油过多所产生的。
通过使用废气分析仪测试发动机燃烧系统的效率(通过测量排气管处的排放水平),根据废气中成分哪种气体的含量太高或者太低,技师就能够确定汽车中哪个零部件有故障或者调整不当。
然后对有故障或者调整不当的零部件进行修理或者调整,有三种基本类型的废气分析仪:两气体分析仪——只能检测碳氢(CH)和一氧化碳(CO);四气体分析仪——能测量碳氢(CH)和一氧化碳(CO),还能测量二氧化碳(CO2)和排气中的氧气(O2);五气体分析仪——能测量碳氢(CH)和一氧化碳(CO),还能测量二氧化碳(CO2)和排气中的氧气(O2),还能测量一氧化氮(NO)。
在过去30年中,在车辆中增加很多种排放控制措施,导致废气中的CH和CO排放量的大幅度下降。
轮胎动平衡标准在汽车行驶过程中,轮胎的动平衡是非常重要的。
轮胎动平衡不良会导致车辆震动、轮胎磨损加剧、悬挂系统受损等问题,严重影响行车安全和驾驶舒适性。
因此,了解轮胎动平衡标准对于车辆维护保养至关重要。
轮胎动平衡标准是指在车辆行驶过程中,轮胎与轮毂之间的质量分布是否均匀。
通常情况下,轮胎在制造过程中会存在一定的不平衡,而动平衡就是通过在轮胎上安装配重来消除这种不平衡,使轮胎在高速行驶时不产生震动,确保车辆行驶安全和舒适。
根据国家标准,轮胎动平衡的标准主要包括以下几个方面:1. 配重安装位置。
配重的安装位置是轮胎动平衡的关键。
通常情况下,配重安装在轮胎内侧,以确保在行驶过程中不会受到外部因素的影响。
配重的安装位置需要符合国家标准,以确保其在行驶过程中不会脱落或损坏,影响动平衡效果。
2. 配重质量。
配重的质量需要根据轮胎的不平衡情况来确定。
一般情况下,配重的质量越大,可以对轮胎的不平衡进行更好的补偿。
但是配重质量过大也会对轮胎造成额外的负担,因此需要根据具体情况来确定配重的质量。
3. 配重安装方法。
配重的安装方法也是轮胎动平衡标准的重要内容。
安装配重需要确保其牢固可靠,不会在行驶过程中脱落或损坏。
同时,配重的安装方法也需要考虑到对轮胎的影响,以确保不会对轮胎造成损坏或影响使用寿命。
4. 动平衡测试标准。
动平衡测试是确保轮胎动平衡效果的重要手段。
国家标准对于动平衡测试的方法和标准有着明确的规定,包括测试设备、测试过程和测试结果的判定标准。
通过动平衡测试,可以及时发现轮胎的不平衡情况,并进行相应的调整,确保轮胎的动平衡效果符合标准要求。
总结来说,轮胎动平衡标准是确保车辆行驶安全和舒适的重要保障。
了解和遵守轮胎动平衡标准,对于车辆的维护保养至关重要。
只有在轮胎动平衡符合标准的情况下,车辆才能保持稳定的行驶状态,减少对车辆其他部件的损耗,延长车辆的使用寿命。
因此,轮胎动平衡标准应该得到重视,并且在车辆维护保养过程中得到严格遵守。
轮胎动平衡如何做优化措施轮胎动平衡是指车辆行驶过程中,轮胎在转动时产生的不平衡状态。
这种不平衡状态会导致车辆震动、轮胎磨损加剧、悬挂系统受损等问题,严重影响行车安全和驾驶舒适性。
因此,轮胎动平衡的优化措施是非常重要的。
一、定期检查轮胎动平衡。
首先,要做好轮胎动平衡的优化措施,就需要定期检查轮胎的动平衡状态。
一般来说,车辆每行驶10000公里就需要进行一次轮胎动平衡的检查,以确保轮胎在转动时不会产生不平衡状态。
通过定期检查,可以及时发现轮胎的不平衡问题,并采取相应的措施进行调整,从而保证车辆行驶的平稳性和安全性。
二、进行轮胎平衡调整。
当发现轮胎存在不平衡状态时,就需要进行轮胎平衡调整。
这一过程通常需要使用专业的轮胎平衡调整设备,通过对轮胎进行动平衡调整,来消除轮胎在转动时产生的不平衡状态。
在进行轮胎平衡调整时,需要根据轮胎的具体情况来进行调整,以确保轮胎在行驶时能够保持平稳状态,减少不必要的震动和磨损。
三、选择优质轮胎产品。
除了定期检查和调整轮胎的动平衡状态外,选择优质的轮胎产品也是非常重要的。
优质的轮胎产品通常具有更好的平衡性能,能够在转动时减少不平衡状态的产生,从而降低车辆行驶时的震动和磨损。
因此,在购买轮胎产品时,要选择那些具有良好平衡性能的产品,以确保车辆在行驶时能够保持平稳状态。
四、注意车辆的日常使用和保养。
除了以上的措施外,还需要注意车辆的日常使用和保养。
在行驶时,要避免过高速度和急剧转弯等行为,以减少轮胎在转动时产生的不平衡状态。
同时,定期对车辆进行保养和维护,保持车辆的悬挂系统和轮胎的良好状态,也能够减少轮胎动平衡的问题。
总之,轮胎动平衡是车辆行驶过程中需要重点关注的一个问题。
通过定期检查、调整轮胎平衡、选择优质轮胎产品和注意车辆的日常使用和保养等措施,可以有效地优化轮胎动平衡,保证车辆行驶的安全性和舒适性。
希望车主们能够重视轮胎动平衡问题,确保车辆在行驶时能够保持良好的状态。
车轮动平衡操作流程和注意事项
嘿呀!今天咱们就来好好聊聊车轮动平衡操作流程和注意事项。
首先呢,咱们得准备好工具,像平衡机、拆卸轮胎的工具等等,这可不能马虎呀!
操作流程是这样哒:第一步,把轮胎从车上拆下来,哎呀呀,这可得小心,别把轮毂弄伤啦!第二步,清除轮胎上的杂物和泥土,哇,干净的轮胎才能更好地做动平衡哟!第三步,把轮胎装到平衡机上,一定要装牢固呢!第四步,启动平衡机,让它开始测量轮胎的数据。
第五步,根据测量结果,在轮胎对应的位置加上平衡块,这一步很关键哟!
下面再来说说注意事项:
第一,操作前要检查平衡机是不是正常工作,要是机器有问题,那可就麻烦啦!第二,拆卸轮胎的时候,要注意保护轮胎和轮毂,别磕着碰着啦!第三,安装轮胎到平衡机上,必须保证安装位置准确,不然测量结果就不准喽!第四,加平衡块的时候,要选择合适的重量和位置,不能乱加呀!第五,做完动平衡后,要再次检查轮胎安装是否牢固,这可关乎安全呐!第六,在操作过程中,要注意自身安全,别被机器伤到啦!第七,要按照操作规程来,不能随心所欲哟!第八,保持工作环境的整洁,不然工具乱丢可不好找呢!第九,对于不同型号的轮胎,操作方法可能会有差异,一定要搞清楚呀!第十,要是发现轮胎有严重的磨损或者损坏,先别做动平衡,得先处理好轮胎的问题哟!
总之哇,车轮动平衡操作虽然不算特别复杂,但是每个环节都得认真对待,注意这些流程和事项,才能保证咱们的车轮平衡,行车更安全哟!。
动平衡的操作步骤
动平衡的操作步骤如下:
1. 做动平衡前必须把轮胎花纹里的石子扣掉,量一下车轮距设备
的距离,并输入动平衡机器。
2. 测量轮网的宽度,将轮网的宽度输入到设备里。
3. 查看轮胎轮网的尺寸。
4. 启动动平衡机器设备,测量车轮的平衡状态,然后将车轮原有
的铅块全部清除掉。
5. 找到外侧的配重点,将配重点轮网表面清洁干净,使用专业的
清洁剂清除表面。
6. 找到配重误差10克的铅块粘到配重平衡点上,车轮外侧的平
衡配重就完成。
7. 重新启动机器,测量车轮内侧的平衡点。
找到15克的配重铅块,在车轮的内侧平衡点上嵌入平衡铅块。
8. 最后一步再次启动设备,确保车轮的内外平衡都达到标准的数值,即0。
机动车维修企业开业申请表
(三类)
轮胎动平衡及修补
企业名称:
企业法人:
填报日期:
填表须知
一、本表根据国家标准(GB/T 16739-2--2014)《汽车维修业开业条件》及《机动车维修管理条例》制定,用于三类汽车维修企业的开业申请许可。
二、本申请表填写请一律用黑色墨水填写或打印。
三、提交本表时同时提供以下相关材料原件及复印件:
1、企业核准名称通知书或营业执照。
2、企业法人身份证及证明,委托他人办理,提供委托证明。
3、提供维修作业场所使用权的合法证明,平面图、方位图及全景照片。
4、有关键岗位人员的从业资格证书原件及复印件;
5、维修设备合格证及照片;设备外协的,还应提供合同书;
6、质量管理、车辆维修档案管理、安全生产、人员培训、设备管理、安全操作规程、突发事件应急预案等制度文本;
7、申请项目工种和所配机电设备的安全操作规程文本;
8、环境保护的制度、措施文本及其相关设备、设施证明材料;
9、提供与申请项目一致工时维修定额;
四、声明
我声明本表及其它相关材料中提供的信息均真实可靠。
我知悉故意填写或提供虚假信息,取得的机动车维修许可将被撤销,涉嫌违法,愿负法律责任。
企业法人签名:签字日期:
承诺书
为了进一步规范机动车维修经营秩序,保证人民群众的正常工作和生活,减小修车对市容和环境的影响,本人承诺做到以下几点:
一、严格遵守国家法律,法规规定符合国家汽车维修开业标准。
二、不从事影响周边环境和居民正常生活、工作的修理业务,合理安排作业时间。
三、不占用公共场地修车,在城建部门核准的范围内停放车辆。
四、不乱堆乱放废件,废油和废弃物,排放或存放废油,废弃物符合环保要求,保持环境卫生整洁。
五、不在门前设置修车设施(如地沟、升降机和地沟托架等)。
六、严格执行维修业各项制度,做到诚信经营、优质服务和合理收费。
七、自觉接受运管机构的行政监管和社会监督。
八、如违反上述承诺,本人自愿接受相关处罚直至退出维修经营活动。
企业法人签字:
签字日期:
机动车维修企业安全生产承诺书
为进一步加强安全生产,防止在生产经营活动中安全事故的发生。
贯彻落实《安全法》和《机动车维修管理条例》等法律、法规。
就做好企业安全生产工作做如下承诺:
1、企业法人是本企业安全生产的第一责任人,对企业安全生产全面负责。
企业法人必须参加有关安全生产培训。
全面掌握有关安全生产的法律、法规、规章制度。
2、建立健全安全生产管理制度、组建安全生产领导小组,责任落实到人,并在营业场所明示。
3、对从业人员做到先培训后上岗,全面掌握和了解有关安全生产规章制度和安全操作规程。
重要岗位,如电焊工、电工等要持证上岗;
4、为从业人员提供符合国家或行业标准的劳保用品,并监督教育从业人员正确佩戴使用。
5、建立和健全各工种的安全操作规程,安全操作规程明示在相应的工位或设备附近。
安全警示标志张贴明显;
6、生产厂房和停车场等要符合安全、环保和消防等各项要求。
生产厂房、停车场地面平整、清洁,安全通道标线清晰;房屋(棚架)悬挂安全、牢固,无安全隐患;
7、压力容器安全防护保险装置齐全完好;生产设备落实“一机一漏保”,打磨、切割设备防护罩完备;有可靠的接地保护;
8、作业现场照明灯具(工作灯)使用符合安全要求;电器开关、插座护罩符合安全要求,触点无外露;电线排列整齐、无老化、无破损,无私拉乱接;废油储存、放置符合安全要求;消防器材的配置、种类和设置部位符合规范要求。
9、不使用假冒伪劣配件维修机动车,凡涉及汽车安全部件的维修,均加强检验或检测。
10、建立健全了汽车维修质量管理制度,认真落实维修前、维修中、修竣后的质量检验规定。
11、按许可证核定的许可项目承修机动车辆,不超范围经营。
不承修已报废的机动车,不擅自改装机动车。
12、一旦发生安全事故,立即向行业主管部门和安全部门上报。
承诺单位法人签字:签字日期:
一、基本情况
二、通用条件
三、人员条件
四、设施条件
五、主要设备条件
机动车维修企业从业人员名册
机动车维修工具、设备清单
机动车维修经营许可审批表。