氟利昂特性表
- 格式:doc
- 大小:34.50 KB
- 文档页数:1
制冷剂-氟利昂1、R410a物化特性:常温常压下,R410A是一种不含氯的氟代烷非共沸混合制冷剂,无色气体,贮存在钢瓶内是被压缩的液化气体。
其ODP为0,因此R410A是不破坏大气臭氧层的环保制冷剂。
主要用途:R410A主要用于替代R22和R502,具有清洁、低毒、不燃、制冷效果好等特点,大量用于家用空调、小型商用空调、户式中央空调等。
2、R134a冷媒R134a是目前国际公认的替代R12的主要制冷工质之一,常用于车用空调,商业和工业用制冷系统,以及作为发泡剂用于硬塑料保温材料生产,也可以用来配置其他混合制冷剂,如R404A和R407C 等。
主要用途:主要替代R12用作制冷剂,大量用于汽车空调、冰箱制冷。
1)臭氧衰减指数ODP:表示物质对大气臭氧层的破坏程度。
应越小越好,ODP=0则对大气臭氧层无害。
2)温室效应指数GWP:表示物质造成温室效应的影响程度。
应越小越好,GWP=0则不会造成大气变暖。
3、氟利昂一般在常温常压下均为气体,略有芳香味,在低温加压情况下呈透明状液体。
特点:较强的化学稳定性、热稳定性、表面张力小、汽液两相变化容易、无毒、亲油、价廉等,如:1、流动性好(粘度小,密度小):可减少流动阻力损失,降低能耗,缩小管径,减少材料消耗。
2、传热性好:可减少传热面积。
3、化学稳定性好:对金属和非金属材料不腐蚀。
4、安全性好:高温下不分解、不燃、不爆,无毒。
5、具有较大的制冷工作范围:临界温度高、标准蒸发温度低、凝固温度低。
4、工作状态房间需要制冷时,需要持续不断的冷源,冷源则来自低温的液态氟利昂,风机则是加快冷热交换的速度;房间需要制热时,需要持续不断的热源,热源则来自高温的气态氟利昂,风机则是加快冷热交换的速度;长时间制冷则需要保证制冷剂能够循环使用,需要不断的产生低温液态制冷剂。
热力学第二定律:不可能把热量从低温物体传向高温物体而不引起其它变化。
由此产生制冷四大部件:蒸发器、压缩机、冷凝器、节流装置。
九年级化学氟利昂知识点氟利昂是一种常见的化学物质,它在工业和生活中有着广泛的应用。
本文将介绍九年级化学课程中关于氟利昂的知识点,包括其性质、用途以及环境影响等方面。
一、氟利昂的性质氟利昂是由氟、氯和碳等元素组成的化合物,化学式通常为CFCs(氯氟烷化物)。
它是一种无色、无味、无毒的气体,在常温下具有稳定性。
由于其化学性质的独特性,氟利昂被广泛应用于不同领域。
二、氟利昂的用途1. 制冷剂和制冷设备:氟利昂具有制冷效果出色的特点,因此广泛用于空调、冰箱等制冷设备中。
它的低沸点和热传导性能使得它能够快速吸收和释放热量,实现快速制冷。
2. 发泡剂:氟利昂还可以用作发泡剂,用于生产聚氨酯泡沫塑料。
这种泡沫塑料被广泛应用于建筑、交通工具和家具等领域,具有良好的绝缘性能和轻质的特点。
3. 电子器件清洗剂:由于氟利昂蒸汽不易燃烧且对电子元件具有较小的腐蚀性,它被用作电子器件的清洗剂。
它可以有效去除电子设备上的污渍和灰尘,保持器件的良好工作状态。
4. 消防灭火剂:氟利昂还可用作消防灭火剂,因为它的化学稳定性和低毒性使其成为一种理想的灭火剂。
在火灾发生时,使用氟利昂可以迅速抑制火焰的蔓延。
三、氟利昂的环境影响尽管氟利昂在许多领域中发挥着重要作用,但它也对环境产生一定的负面影响。
1. 臭氧层破坏:氟利昂的主要成分氯氟烷化物(CFCs)是一种臭氧层破坏物质。
当CFCs进入大气层时,它们会被紫外线分解,释放出氯原子。
这些氯原子会破坏臭氧分子,从而导致臭氧层的稀薄,增加紫外线辐射的强度。
2. 温室效应:氟利昂是一种温室气体,它具有很强的吸收和保留热能的能力。
由于温室效应的增强,气候变暖成为了全球关注的问题之一,而氟利昂是其中的重要原因之一。
为了减缓氟利昂对环境的不利影响,国际社会采取了一系列措施,例如签署《蒙特利尔议定书》限制CFCs的生产和使用,并逐渐替代氟利昂,寻找更环保的替代品。
综上所述,九年级化学课程中的氟利昂知识点包括其性质、用途以及环境影响等方面。
MSDS-氟利昂-134aARKEMA(阿克玛)公司第一部分化学品及企业标识化学品中文名称:氟利昂-134a化学品英文名称:Freon -134a主要用途:企业名称:法国阿克玛(ARKEMA)公司地址:D. FLUORES ET OXYGEKES Cours Michelct - La Defense 10 92091 PARIS LA DEFENSE CEDEX FRANCE电话:01 49 00 80 80传真:01 49 00 83 96企业应急电话:33 1 49 00 80 80技术说明书编码:00941生效日期:2003年9月3日国家应急电话:(0532)8第二部分危险性概述主要危害:----健康危害:基本无害爆燃危险:受热分解产生有毒和腐蚀性物质。
在一定的温度和压力下,气态产品能与空气形成易燃混合物。
第三部分成分/组成信息化学品名称通用名CAS No EINECS1,1,2,2-四氟乙烷卤代烃811-97-2212-377-0第四部分急救措施吸入:移至空气新鲜处。
如有症状持续,就医。
皮肤接触:冻伤,按热烫伤处理。
眼睛接触:立即用大量清水彻底冲洗,如果刺激持续,眼科就医。
食入:误服者漱口,饮牛奶或蛋清,就医。
施救人员防护:通风不良时,佩戴合适的呼吸器。
医生须知:禁止给伤员服用儿茶酚胺(因为此产品有强心作用)。
第五部分消防措施危险特性:高温热分解放出有毒和腐蚀性物质:氟化氛、碳氧化物。
防火注意事项:禁止所有火花和点火源,严禁吸烟。
用雾状水冷却容器/罐。
确保有容器快速排空系统。
火灾情况下,转移火场中的容器至安全处。
消防人员防护:灭火时,佩戴自给式呼吸器。
第六部分泄漏应急处理个体防护:避免与眼睛、皮肤接触,避免吸入蒸气。
在封闭区域:通风或佩戴自给式呼吸器(有缺氧危险)。
消除所有点火源。
严禁吸烟。
第七部分操作处置与储存操作处置注意:----技术预防措施:贮存和操作处置注意:液化气体。
在工作场所,确保适当的排气和通风。
常用制冷剂性能对比常用制冷剂知识1.制冷剂R123不在《中国逐步淘汰消耗臭氧层物质国家方案》(1999年)受控的10种物质之内,R123符合《国家方案》的环保要求。
2.哥本哈根国际《议定书》修正案规定R123可使用到2040年,并且中国目前尚未签署《议定书》哥本哈根修正案。
3.环保制冷剂是指当制冷剂散发至大气层后,对臭氧层的破坏大小和对全球气候变暖的影响大小;R134a对臭氧层没有影,但对全球气候变暖的影响是R123的十几倍,所以《京都议定书》对R134a也作了限定使用;R123对臭氧层有较小的影响,但对全球气候变暖影响很小。
4.制冷剂R22、R123、R134a均有毒,有毒与环保是两个不同概念,有毒不等于不环保。
目前家用冰箱和家用空调均大量使R22,而安全性完全有保障。
5.制冷剂R123在离心式制冷机工作时蒸发器为负压,不存在制冷剂向外泄漏的问题。
6.中央空调的用户完全不与制冷剂相接触,根本不存在用户安全问题,与用户接触的是水。
7.中南大学制冷方面的教授对R22、R123和R134a的几点意见:(1)制冷剂的选择与设备生产厂商的技术及设计思路密切相关。
与采用的压缩机型式、热力循环效率、制冷工况、对材料的腐蚀性、与润滑油的相溶性、以及经济性、安全性等有很大关系,可以理解为厂商的“个性”。
(2)有的制冷机组厂家声称采用无氟的制冷剂或如何环保的制冷剂,把冷水机组的销售变成了制冷剂选用的唯一比较,给不太了解制冷剂的用户造成困惑,而忽略了对机组本身的性能参数比较。
(3)目前采用的制冷剂或多或少都含有R22等,是一种混合工质。
(4)另外我国没有承诺何时终止使用R22、R123等制冷剂的时间,关于制冷剂选择的焦虑是没有必要的,用户大可不必把心思花费到考虑选用何种制冷剂上,这些事情应交由设备生产厂商去考虑,因为这些是他们最关心的。
制冷剂对臭氧层的破坏程度用破坏臭氧层潜值(ODP)表示,其数值以R11的ODP值作为基准值。
氟利昂氟利昂-11分子式CCl3F,分子量137.38,学名一氟三氯甲烷。
熔点-111℃,沸点23.7℃,密度(20/4℃)1.487克/厘米3。
有乙醚味,不燃烧。
氟利昂-12分子式CC12F2,分子量120.92,学名二氟二氯甲烷。
熔点-158℃、沸点-29.8℃。
密度(20/4℃)1.486克/厘米3。
无色无味气体,无刺激性、无腐蚀性。
氟利昂-13分子式CClF3,分子量104.46。
学名三氟一氯甲烷。
熔点-182℃、沸点-82℃、密度(-130℃)1.703克/厘米3。
无色气体。
氟利昂-14分子式CF4,分子量88.01。
学名四氟甲烷或四氟化碳。
熔点-191℃,沸点-128℃,密度(-130℃)1.62克/厘米3、无色无味气体。
对热稳定,化学性质稳定。
氟利昂-114分子式C2Cl2F4,分子量170.93。
学名1,1,2,2-四氟-1,2-二氯乙烷。
结构简式CClF2-CClF2。
熔点-94℃、沸点3.55℃、密度(20/4℃)1.470克/厘米3。
无色无味气体。
无刺激性,无腐蚀性,不燃烧。
1 氟里昂是一种透明、无味、无毒、不易燃烧、爆炸和化学性稳定的制冷剂。
不同的化学组成和结构的氟里昂制冷剂热力性质相差很大,可适用于高温、中温和低温制冷机,以适应不同制冷温度的要求。
2 氟里昂对水的溶解度小,制冷装置中进入水分后会产生酸性物质,并容易造成低温系统的“冰堵”,堵塞节流阀或管道。
另外避免氟里昂与天然橡胶起作用,其装置应采用丁晴橡胶作垫片或密封圈。
3 常用的氟里昂制冷剂有R12、R22、R502及R1341a,由于其他型号的制冷剂现在已经停用或禁用。
在此不做说明。
4 氟里昂12(CF2CL2,R12):是氟里昂制冷剂中应用较多的一种,主要以中、小型食品库、家用电冰箱以及水、路冷藏运输等制冷装置中被广泛采用。
R12具有较好的热力学性能,冷藏压力较低,采用风冷或自然冷凝压力约0.8-1.2KPa。
R12的标准蒸发温度为-29℃,属中温制冷剂,用于中、小型活塞式压缩机可获得-70℃的低温。
氟利昂F22:国标编号22039CAS号75-45-6中文名称氯二氟甲烷英文名称monochlorodifluoromethane;Freon-22别名R22;一氯二氟甲烷;氟利昂22分子式CHClF2 外观与性状无色气体,有轻微的发甜气味分子量86.47 蒸汽压13.33kPa(-76.4℃)熔点-146℃沸点:-40.8℃溶解性溶于水密度相对密度(水=1)1.18;相对密度(空气=1)3.0 稳定性稳定危险标记5(不燃气体) 主要用途用作致冷剂及气溶杀虫药发射剂2.对环境的影响:一、健康危害侵入途径:吸入。
健康危害:本品毒性低,但用其制备四氟乙烯所发生的裂解气,毒性较大,可引起中毒。
吸入高浓度裂解气,初期仅有轻咳、恶心、发冷、胸闷及乏力感,但经24-72小时潜伏期后出现明显症状,发生肺炎、肺水肿,呼吸窘迫综合征,后期有纤维增生征象。
可引起聚合物烟热。
二、毒理学资料及环境行为急性毒性:LD501000000mg/m3,2小时(大鼠吸入)。
亚急性和慢性毒性:兔、大鼠、小鼠吸入0.2%浓度,6小时/天,共10个月,均无毒性反应;1.4%浓度,体重减轻,血清蛋白降低,球蛋白升高。
剖检肺见肺泡间质增厚、肺水肿,心肝、肾及神经系统退行性变。
致突变性:微生物致突变:鼠伤寒沙门氏菌33pph(24小时),连续。
微粒体诱变:鼠伤寒沙门氏菌33pph(24小时)(连续)。
生殖毒性:大鼠吸入最低中毒浓度(TCL0):50000ppm(5小时,雄性56天),对前列腺、精囊、Cowper氏腺、附属腺体、尿道产生影响。
危险特性:若遇高热,容器内压增大,有开裂和爆炸的危险。
燃烧(分解)产物:一氧化碳、二氧化碳、氟化氢。
3.现场应急监测方法:仪器法4.实验室监测方法:气相色谱法《空气中有害物质的测定方法》(第二版),杭士平主编5.环境标准:前苏联车间空气中有害物质的最高容许浓度3000mg/m3前苏联(1975) 水体中有害物质的最大允许浓度10mg/L6.应急处理处置方法:一、泄漏应急处理迅速撤离泄漏污染区人员至上风处,并进行隔离,严格限制出入。
169种制冷剂的性质参数制冷剂是用于制冷设备中的介质,常见的有氨、二氟二氯甲烷(R12)、氟利昂(R22)、氟利昂(R134a)等。
下面将对这些制冷剂的性质参数进行详细的介绍。
1.氨(NH3):-沸点:-33.35℃- 密度:0.7714 g/cm³- 分子量:17.03 g/mol-比热容:4.7J/g·K2.二氟二氯甲烷(R12):-沸点:-29.8℃- 密度:1.488 g/cm³- 分子量:120.9 g/mol-比热容:0.826J/g·K3.氟利昂(R22):-沸点:-40.8℃- 密度:1.193 g/cm³- 分子量:86.5 g/mol-比热容:0.93J/g·K4.氟利昂(R134a):-沸点:-26.15℃- 密度:1.207 g/cm³- 分子量:102.03 g/mol-比热容:1.19J/g·K-线膨胀系数:0.0008/℃除了上述常见的制冷剂,以下为其他常用制冷剂的性质参数:5.氯化甲烷(R40):-沸点:-24.2℃- 密度:1.59 g/cm³- 分子量:50.49 g/mol-比热容:0.98J/g·K-线膨胀系数:0.0009/℃6.二氟一氯甲烷(R21):-沸点:–40.8℃- 密度:1.551 g/cm³- 分子量:86.47 g/mol-比热容:1.03J/g·K7.氟二氯甲烷(R21): -沸点:-15.3℃- 密度:1.379 g/cm³- 分子量:102.91 g/mol -比热容:0.94J/g·K-线膨胀系数:0.0009/℃8.二氯二氟甲烷(R21): -沸点:–29.8℃- 密度:1.325 g/cm³- 分子量:121.02 g/mol -比热容:0.63J/g·K 9.二氯氟甲烷(R21): -沸点:-23.8℃- 密度:1.396 g/cm³- 分子量:102.92 g/mol -比热容:1.09J/g·K-线膨胀系数:0.0009/℃10.三氟甲基氮(R21):-沸点:-27.1℃- 密度:1.687 g/cm³- 分子量:121.89 g/mol-比热容:1.1J/g·K-线膨胀系数:0.001/℃以上仅列举了10种制冷剂的性质参数,实际上还有数百种制冷剂可供选择,每种制冷剂都有其特定的物理和化学性质。
氟利昂氟利昂-11分子式CCl3F,分子量137.38,学名一氟三氯甲烷。
熔点-111℃,沸点23.7℃,密度(20/4℃)1.487克/厘米3。
有乙醚味,不燃烧。
氟利昂-12分子式CC12F2,分子量120.92,学名二氟二氯甲烷。
熔点-158℃、沸点-29.8℃。
密度(20/4℃)1.486克/厘米3。
无色无味气体,无刺激性、无腐蚀性。
氟利昂-13分子式CClF3,分子量104.46。
学名三氟一氯甲烷。
熔点-182℃、沸点-82℃、密度(-130℃)1.703克/厘米3。
无色气体。
氟利昂-14分子式CF4,分子量88.01。
学名四氟甲烷或四氟化碳。
熔点-191℃,沸点-128℃,密度(-130℃)1.62克/厘米3、无色无味气体。
对热稳定,化学性质稳定。
氟利昂-114分子式C2Cl2F4,分子量170.93。
学名1,1,2,2-四氟-1,2-二氯乙烷。
结构简式CClF2-CClF2。
熔点-94℃、沸点3.55℃、密度(20/4℃)1.470克/厘米3。
无色无味气体。
无刺激性,无腐蚀性,不燃烧。
1 氟里昂是一种透明、无味、无毒、不易燃烧、爆炸和化学性稳定的制冷剂。
不同的化学组成和结构的氟里昂制冷剂热力性质相差很大,可适用于高温、中温和低温制冷机,以适应不同制冷温度的要求。
2 氟里昂对水的溶解度小,制冷装置中进入水分后会产生酸性物质,并容易造成低温系统的“冰堵”,堵塞节流阀或管道。
另外避免氟里昂与天然橡胶起作用,其装置应采用丁晴橡胶作垫片或密封圈。
3 常用的氟里昂制冷剂有R12、R22、R502及R1341a,由于其他型号的制冷剂现在已经停用或禁用。
在此不做说明。
4 氟里昂12(CF2CL2,R12):是氟里昂制冷剂中应用较多的一种,主要以中、小型食品库、家用电冰箱以及水、路冷藏运输等制冷装置中被广泛采用。
R12具有较好的热力学性能,冷藏压力较低,采用风冷或自然冷凝压力约0.8-1.2KPa。
R12的标准蒸发温度为-29℃,属中温制冷剂,用于中、小型活塞式压缩机可获得-70℃的低温。
氟利昂介绍氟利昂基本特性折叠编辑本段氟利昂是制冷剂是一种透明、无味、低毒、不易燃烧、爆炸和化学性稳定的制冷剂。
不同的化学组成和结构的氟里昂制冷剂热力性质相差很大,可适用于高温、中温和低温制冷机,以适应不同制冷温度的要求。
氟利昂的冰堵氟利昂对水的溶解度小,制冷装置中进入水分后会产生酸性物质,并容易造成低温系统的“冰堵”,堵塞节流阀或管道。
另外避免氟里昂与天然橡胶起作用,其装置应采用丁腈橡胶作垫片或密封圈。
基本作用折叠编辑本段由于氟利昂化学性质稳定,具有不燃、低毒、介电常数低、临界温度高、易液化等特性,因而广泛用作冷冻设备和空气调节装置的制冷剂。
它们的商业代号R表示氟代烃,第一个数字等于碳原子数减1(如果是零就省略),第二个数字等于氢原子数加1,第三个数字等于氟原子数目,氯原子数目不列。
由于氟利昂可能破坏大气臭氧层,已限制使用。
目前地球上已出现很多臭氧层漏洞,有些漏洞已超过非洲面积,其中很大的原因是因为氟利昂的化学物质。
相关危害折叠编辑本段氟利昂是臭氧层破坏的元凶,它是20世纪20年代合成的,其化学性质稳定,不具有可燃性和毒性,被当作制冷剂、发泡剂和清洗剂,广泛用于家用电器、泡沫塑料、日用化学品、汽车、消防器材等领域。
20世纪80年代后期,氟利昂的生产达到了高峰,产量达到了144万吨。
在对氟利昂实行控制之前,全世界向大气中排放的氟利昂已达到了2019万吨。
由于它们在大气中的平均寿命达数百年,所以排放的大部分仍留在大气层中,其中大部分仍然停留在对流层,一小部分升入平流层。
在对流层相当稳定的氟利昂,在上升进入平流层后,在一定的气象条件下,会在强烈紫外线的作用下被分解,分解释放出的氯原子同臭氧会发生连锁反应,不断破坏臭氧分子。
科学家估计一个氯原子可以破坏数万个臭氧分子。
在对流层的氟利昂分子很稳定,几乎不发生化学反应。
但是,当它们上升到平流层后,会在强烈紫外线的作用下被分解,含氯的氟利昂分子会离解出氯原子(称为“自由基”),然后同臭氧发生连锁反应(氯原子与臭氧分子反应,生成氧气分子和一氧化氯基;一氧化氯基不稳定,很快又变回氯原子,氯原子又与臭氧反应生成氧气和一氧化氯基……),不断破坏臭氧分子。
一氯二氟甲烷安全周知卡危险性警示词品名、英文名称及分子式、CC 码及CAS 码 危险性标志不燃 窒息品名:一氯二氟甲烷(氟利昂-22)英文名称:monochlorodifluoromethane 分子式:CHClF2 CAS 号:75-45-6危险性理化数据危险特性熔点(℃):-146 闪点:无意义 沸点(℃):-40.8 相对密度(水=1):1.18 饱和蒸气压(kPa ):13.33(-76.4℃)本品为无色气体,有轻微的甜气味。
若遇高热,容器内压增大,有开裂和爆炸的危险。
接触后表现 现场急救措施健康危害:本品毒性低,但用其制备四氟乙烯所发生的裂解气,毒性较大,可引起中毒。
吸入高浓度裂解气,初期仅有轻咳、恶心、发冷、胸闷及乏力感,但经24~72小时潜伏期后出现明显症状,发生肺炎、肺水肿,呼吸窘迫综合征,后期有纤维增生征象。
可引起聚合物烟热。
皮肤接触:无资料眼睛接触:无资料吸入:迅速脱离现场至空气新鲜处。
保持呼吸道通畅。
如呼吸困难,给输氧。
如呼吸停止,立即进行人工呼吸。
就医。
食入:无资料个体防护措施泄漏处理及防火防爆措施迅速撤离泄漏污染区人员至上风处,并进行隔离,严格限制出入。
建议应急处理人员戴自给正压式呼吸器,穿一般作业工作服。
尽可能切断泄漏源。
合理通风,加速扩散。
如有可能,即时使用。
漏气容器要妥善处理,修复、检验后再用。
本品不燃。
切断气源。
喷水冷却容器,可能的话将容器从火场移至空旷处。
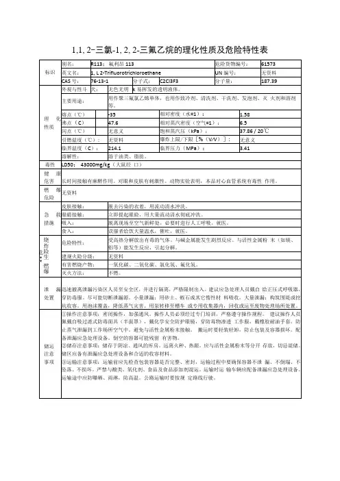
最高容许当地应急救援单位名称 当地应急救援单位电话 MAC (mg/m 3):未制定标准消防救援: 人民医院:119 120一氯二氟甲烷职业病危害告知卡一氯二氟甲烷的理化性质及危险特性。
根据贵司意见,做补充说明:*氟利昂性质:1.物质的理化常数:2.对环境的影响:一、健康危害侵入途径:吸入。
健康危害:本品毒性极低。
二、环境行为危险特性:若遇高热,容器内压增大,有开裂和爆炸的危险。
3.现场应急监测方法:仪器法4.实验室监测方法:气相色谱法《空气中有害物质的测定方法》(第二版),杭士平主编5.应急处理处置方法:一、泄漏应急处理迅速撤离泄漏污染区人员至上风处,并进行隔离,严格限制出入。
尽可能切断泄漏源。
合理通风,加速扩散。
如有可能,即时使用。
漏气容器要妥善处理,修复、检验后再用。
二、防护措施呼吸系统防护:一般不需特殊防护。
眼睛防护:一般不需特殊防护。
身体防护:穿一般作业工作服。
手防护:戴一般作业防护手套。
三、急救措施吸入:迅速脱离现场至空气新鲜处。
保持呼吸道通畅。
如呼吸困难,给输氧。
如呼吸停止,立即进行人工呼吸。
就医。
灭火方法:本品不燃。
切断气源。
喷水冷却容器,可能的话将容器从火场移至空旷处。
*脱脂炉(又名烘干炉或烘干流水线)1、设备工作原理:液化气燃烧加热高效管,通过高效管传导热量烘干风机盘管换热器表面水分,水分受热蒸发,通过管道从车间屋顶排放。
2、排风顶高度:车间厂房屋顶高度11.5米,建筑屋顶高12.5米,外延排风装置2.5米,基本高度15米。
*企业生产性质与环保资质认证说明1、本企业生产性质:设备安装与调试,均不涉及对环境造成污染。
2、废弃物处理措施:(1)公司生活废水:按规定排放到市政污水管网,并与无锡市锡山区污水处理厂签订《废水代理处理协议》。
(2)公司生产过程产生的废弃物,按照公司指定地点储存,并按照公司指定废品收购单位负责处理。
3、企业相关认证:我公司已经通过了《环境管理体系-ISO14001-2004》认证。