工程构配件报审表
- 格式:doc
- 大小:30.50 KB
- 文档页数:1
工程材料/构配件/设备进场报审表
表号:工程名称:编号:
承包单位存份。
填写、使用说明
1 本表式用于工程的材料、构配件、设备的质量通用报审。
使用时,表头不做修改,填写内容中将材料/构配件/设备任选一,其他删除不写。
2 施工承包单位应在主要材料或构配件、设备进场后,将有关质量证明文件报项目监理部审查。
在附件中应详列资料的名称。
3 主要材料或构配件、设备的范围以设计文件中的相关使用说明为准。
4 对材料、构配件、设备的描述应说明材料的名称、型号或规格、产地(生产厂家)、批号等唯一性标识要素。
5 质量证明文件一般包括产品出厂合格证、检验、试验报告等。
6 项目监理部除进行文件审查外,还应对实物质量进行验收。
7 对于有复试要求的材料或构配件,施工承包单位应在材料或构配件进场,
将有关质量证明文件报项目监理部审查合格后,按有关规定,在现场经监理工程师见证,进行取样送试,并在试验合格后将试验报告报项目监理部查验。
8 项目监理部审查或验收不合格,应要求施工承包单位立即将不合格产品清出工地现场。
9 项目监理部意见填写要点:
a) 试验结果是否合格或满足规范或设计要求;
b) 试验报告版面质量是否符合归档要求。
提示填写要点:
项目监理部审查意见可填写:经审查相关质量证明文件,并按规定进行了复试,所报审的工程材料/构配件/设备符合标准,同意使用。
致年月。
工程材料、构配件、设备报审表
GD-B1-225
单位(子单位)工程名称
(项目监理机构):我方于日进场的工程材料/构配件/设备数量如下(见附件)。
现
将质量证明文件及结果报上,拟用于下述部位:
请予以审核。
附件:1.数量清单(包括名称、来源和产地、用途、规格)。
2.出厂质量证明文件
项目经理部(项目章)
项目负责人:
日 期: 年 月 日
进场前审查意见:
项目监理机构(项目章)
专业监理工程师/总监代表:
日 期: 年 月 日
使用前审查意见:
项目监理机构(项目章)
总/专业监理工程师:
日 期: 年 月 日
附:承包单位报送的必要复试报告。
工程材料构配件设备报审表一、基本信息。
项目名称,XXX工程项目。
项目地点,XXX地区。
申报单位,XXX公司。
联系人,XXX。
联系电话,XXX。
二、工程材料。
1. 水泥,本项目所需水泥为XXX品牌XXX型号,符合国家标准GB/TXXXX-XXXX的要求,具有较高的抗压强度和耐久性,适用于本项目的混凝土施工。
2. 钢筋,本项目所需钢筋为XXX牌XXX规格,符合国家标准GB/TXXX-XXXX的要求,具有良好的抗拉性能和弯曲性能,适用于本项目的钢筋混凝土结构施工。
3. 砂、石料,本项目所需砂、石料为XXX矿XXX级,符合国家标准GB/TXXX-XXXX的要求,具有坚固的质地和良好的稳定性,适用于本项目的路基和路面工程。
4. 沥青,本项目所需沥青为XXX牌XXX型号,符合国家标准GB/TXXX-XXXX的要求,具有良好的耐候性和抗老化性能,适用于本项目的沥青路面施工。
5. 隔音材料,本项目所需隔音材料为XXX品牌XXX型号,符合国家标准GB/TXXX-XXXX的要求,具有良好的隔音效果和耐久性,适用于本项目的建筑隔音工程。
6. 绝热材料,本项目所需绝热材料为XXX品牌XXX型号,符合国家标准GB/TXXX-XXXX的要求,具有良好的保温性能和防火性能,适用于本项目的建筑保温工程。
三、构配件。
1. 钢结构构件,本项目所需钢结构构件为XXX牌XXX型号,符合国家标准GB/TXXX-XXXX的要求,具有良好的承载能力和稳定性,适用于本项目的钢结构施工。
2. 混凝土构件,本项目所需混凝土构件为XXX品牌XXX型号,符合国家标准GB/TXXX-XXXX的要求,具有良好的抗压强度和耐久性,适用于本项目的混凝土结构施工。
3. 玻璃幕墙,本项目所需玻璃幕墙为XXX品牌XXX型号,符合国家标准GB/TXXX-XXXX的要求,具有良好的透光性和防风性能,适用于本项目的建筑外墙装饰。
四、设备。
1. 塔吊,本项目所需塔吊为XXX品牌XXX型号,符合国家标准GB/TXXX-XXXX的要求,具有良好的起重能力和稳定性,适用于本项目的建筑施工。
A9工程材料/构配件/设备报审表工程名称:编号:致:(监理单位)我方于年月日进场的工程材料/构配件/设备数量如下(见附件)。
现将质量证明文件及自检结果报上,拟用于下述部位:。
请予以审核。
附件:1.数量清单2.质量证明文件3.自检结果承包单位(章)项目经理日期审查意见:经检查上述工程材料/构配件/设备,符合/不符合设计文件和规范的要求,准许/不准许进场,同意/不同意使用于拟定部位。
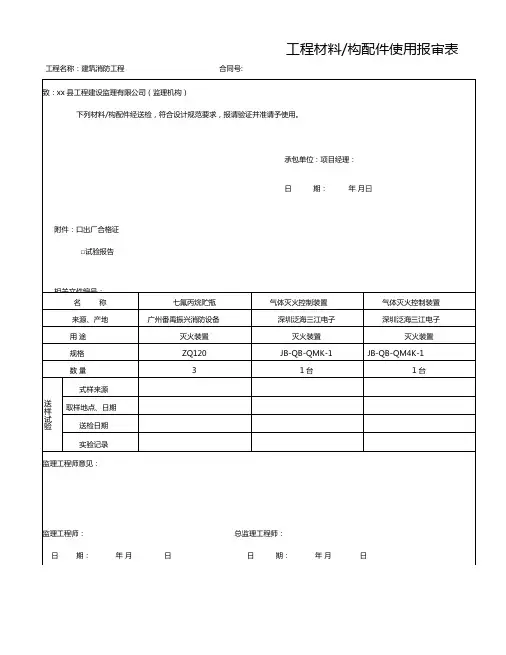
项目监理机构总/专业监理工程师日期A9-1 工程材料/构配件报审表工程名称:编号:致上海新光建设工程监理咨询公司:我方于年月日进场的工程材料/构配件数量如下,经自检符合技术规范及设计要求。
现将质量证明文件及自检结果报上,拟用于下述部位:。
请予以审核。
附件:1.质量证明文件2.自检结果承包单位(章)项目经理日期名称来源、产地用途规格本批数量试验试样来源取样地点、日期试验日期试验结果同意 / 不同意同意 / 不同意同意 / 不同意同意 / 不同意审查意见:经检查上述工程材料/构配件/设备,符合/不符合设计文件和规范的要求,准许/不准许进场,同意/不同意使用于拟定部位。
( 附:审查报告□ )专业监理工程师日期本表由施工单位填写一式三份,审核后建设、监理、施工单位各留一份。
主要工程设备报审表工程名称:编号:致:(监理单位)我方于年月日进场的工程设备数量如下,经自检符合技术规范及设计要求。
现将质量证明文件及自检结果报上,拟用于下述部位:。
请予以审核。
附件:1.质量证明文件2.自检结果承包单位(章)项目经理日期设备名称型号规格功率容量技术参数生产厂家出厂日期同意/ 不同意同意/ 不同意同意/ 不同意同意/ 不同意审查意见:经检查上述工程设备,符合/不符合设计文件和规范的要求,准许/不准许进场,同意/不同意使用于拟定部位。
( 附:审查报告□)专业监理工程师:日期:本表由施工单位填写一式三份,审核后建设、监理、施工单位各留一份。
A9工程材料/构配件/设备报审表工程名称:城门山铜矿二期扩建工程选矿工业场地工程——磨浮车间编号:致:江西瑞林建设监理有限公司(监理单位)我方于2009 年 3 月 2 日进场的工程材料/构配件/设备数量如下(见附件)。
表B.0.6 工程材料、构配件、设备报审表
工程名称:编号:
致:(项目监理机构)
于年月日进场的似用于工程部位的,经我方检验合格,现将相关资料报上,请予以审查。
附件:1.工程材料、构配件或设备清单
2.质量证明文件
3.自检结果
施工项目经理部(盖章)
项目经理(签字)
年月日
审查意见:
项目监理机构(盖章)
专业监理工程师(签字)
年月日
注:本表一式二份,项目监理机构、施工单位各一份。
工程材料/设备/构配件清单
工程名称工程编号
单位工程名称
序
物资名称规格/型号单位数量委托单编号使用部位号
1
2
3
4
5
6
7
8
9
10
11
12
13
14
15
16
17
18
质量证明文件汇总表TY-47 工程名称工程编号
单位工程名称
序号
设备或
材料名称
型号
规格
数量生产厂名
出厂日期
或批号
合格证数量
1
2
3
4
5
6
7
8
9
10
11
12
13
14
15
16
17
18
制表人:年月日
工程材料/构配件/设备进场自检情况记录
工程名称:
序
名称及规格数量甲供乙供到料日期检查内容质量情况备注号
8
9
10
质检员:材料员:
质量证明文件粘贴表 TY-48 工程名称工程编号
单位工程名
称
(粘贴合格证)。
工程材料、构配件、设备进场报审表表号:DJB-A9-02工程名称:编号:致______________________________________项目监理部:我方于年月日进场的工程材料/构配件/设备数量如下(见附件),经自检合格,现将出厂质量证明文件报上,拟用于下述部位:请予以审核。
附件:1、数量清单2、质量证明文件3、自检结果4、复试报告承包单位(章):项目经理:日期:项目监理部审查意见:项目监理部(章):总/专业监理工程师:日期:本表一式份,由承包单位填报,建设管理单位、项目监理部各一份。
精品文档1承包单位存份。
填写、使用说明1本表式用于工程的材料、构配件、设备的质量通用报审。
使用时,表头不做修改,填写内容中将材料/构配件/设备任选一,其他删除不写。
2施工承包单位应在主要材料或构配件、设备进场后,将有关质量证明文件报项目监理部审查。
在附件中应详列资料的名称。
3首要材料或构配件、设备的范围以设计文件中的相关使用说明为准。
4对材料、构配件、设备的描述应说明材料的名称、型号或规格、产地(出产厂家)、批号等唯独性标识要素。
5质量证明文件一般包括产品出厂及格证、检验、试验报告等。
6项目监理部除进行文件审查外,还应对实物质量进行验收。
7对于有复试要求的材料或构配件,施工承包单位应在材料或构配件进场,将有关质量证明文件报项目监理部审查合格后,按有关规定,在现场经监理工程师见证,进行取样送试,并在试验合格后将试验报告报项目监理部查验。
8项目监理部审查或验收不合格,应要求施工承包单位立即将不合格产品清出工地现场。
9项目监理部看法填写要点:a)试验结果是否合格或满足规范或设计要求;b)试验报告版面质量是否符合归档要求。
提示填写要点:项目监理部审查意见可填写:经审查相关质量证明文件,并按规定进行了复试,所报审的工程材料/构配件/设备符合标准,同意使用。
项目监理部审查意见可填写:经审查相关质量证明文件,并按规定进行了复试,所报审的工程材料/构配件/设备符合标准,同意使用。