墙下钢筋砼条形基础设计
- 格式:ppt
- 大小:233.00 KB
- 文档页数:10
墙下条形基础设计实例根据设计资料、工程概况和设计要求,教学楼采用墙下钢筋混凝土条形基础。
基础材料选用C25混凝土,=t f 1.27N/mm 2;HPB235钢筋,=y f 210N/mm 2.。
建筑场地工程地质条件,见附图-1所示。
下面以外纵墙(墙厚0.49m )基础为例,设计墙下钢筋混凝土条形基础。
(一)确定基础埋深已知哈尔滨地区标准冻深Z o =2m,工程地质条件如附图-1所示:附图-1 建筑场地工程地质条件根据建筑场地工程地质条件,初步选择第二层粉质粘土作为持力层。
根据地基土的天然含水量以及冻结期间地下水位低于冻结面的最小距离为8m ,平均冻胀率η=4,冻胀等级为Ⅲ级,查表7-3,确定持力层土为冻胀性土,选择基础埋深d=1.6m 。
(二)确定地基承载力1、第二层粉质粘土地基承载力查附表-2,地基承载力特征值aK f =202.5 KPa 按标准贯入试验锤击数N=6,查附表-3,aK f =162.5KPa 二者取较小者,取aK f =162.5KPa2、第三层粘土地基承载力查附表-2,aK f =135 KPa ,按标准贯入锤击数查表-3,aK f =145 KPa ,二者取较小者,取aK f =135 KPa 。
3 、修正持力层地基承载力特征值根据持力层物理指标e =0.9, I L =0.75,二者均小于0.85。
查教材表4-2 =b η0.3,=η 1.6(五)计算上部结构传来的竖向荷载 K F对于纵横墙承重方案,外纵墙荷载传递途径为:屋面(楼面)荷载→进深梁→外纵墙→墙下基础→地基附图2 教学楼某教室平面及外墙剖面示意图1、外纵墙(墙厚0.49m)基础顶面的荷载,取一个开间3.3m为计算单元(见附图-2)(1) 屋面荷载恒载:改性沥青防水层:0.4K N/m2 1:3水泥沙浆20m m厚:0.02⨯20=0.4K N/m2 1:10 水泥珍珠岩保温层(最薄处100mm厚+找坡层平均厚120mm):0.22×4=0.88KN/m2改性沥青隔气层:m 2 1:3水泥沙浆20mm厚: 0.02×20=0.4KN/m2钢混凝土空心板120mm厚: 1.88KN/m2混合沙浆20mm厚: 0.02×17=0.34KN/m2 ————————————————————————————————————恒载标准值: 4.35KN/m2恒载设计值: 1.2×4.35=5.22KN/m2屋面活载标准值0.5K N/m2屋面活载设计值 1.4×0.5=0.7K N/m2 ————————————————————————————————————屋面总荷载标准值 4.35+0.5=4.85KN/m2屋面总荷载设计值 5.22+0.7=5.92KN/m2 (2)楼面荷载恒载:地面抹灰水泥砂浆20m m厚0.02×20=0.4K N/m2 钢筋混凝土空心板120m m厚 1.88K N/m2天棚抹灰混合砂浆20m m厚0.02×17=0.34K N/m2 恒载标准值 2.62K N/m2恒载设计值 1.2×2.62=3.14K N/m2楼面活载标准值(教室) 2.0K N/m2楼面活载设计值 1.4×2.0×0.65*=1.82K N/m2————————————————————————————————————楼面总荷载标准值2×0.65*+2.62=3.92K N/m2楼面总荷载设计值 5.94K N/m2注:0.65*(3) 进深梁自重钢筋混凝土梁25×0.25×0.5=3.13K N/m 梁侧抹灰17×0.02×0.5×2=0.34K N/m ————————————————————————————————————梁自重标准值 3.47K N/m梁自重设计值 1.2×3.47=4.16KN/m(4)墙体自重(注:窗间墙尺寸:2.1m×2.4m)窗重 : 0.45×2.1×2.4=2.27KN浆砌机砖: 19×0.49×(3.6×3.3-2.1×2.4)=63.86KN墙双面抹灰: 0.02×(17+20)×(3.6×3.3-2.1×2.4)=5.06KN————————————————————————————————————墙体自重标准值71.19K N墙体自重设计值 1.2×71.19=85.43K NF(5)基础顶面的竖向力KF=[ 屋面荷载 + 楼面荷载×(层数-1)]×进深/2+(进深梁重×进深/2+墙体自重)÷K开间×层数即:F=[4.85+3.92×5]×6.6/2+(3.47×6.6/2+71.19)÷3.3×6=230.9KN/mK2、内纵墙(墙厚0.37m)基础顶面的荷载,取一个开间3.3m为计算单元对于纵横墙承重方案,内纵墙荷载传递途径:屋面(楼面)荷载→进深梁↘内纵墙→墙下基础→地基走廊屋面(楼面)荷载↗(1)屋面荷载(同外纵墙) 4.85kN/m2(2)楼面荷载(同外纵墙) 3.92 kN/m2(3) 进深梁自重(同外纵墙) 3.47kN/m(4)墙体自重浆砌机砖:19×0.37×3.6×3.3=83.52K N墙双面抹灰:0.02×2×17×3.6×3.3=8.08K N————————————————————————————————————墙体自重标准值91.60K N墙体自重设计值 1.2×91.60=109.92K NF(5)基础顶面的竖向力K=F[ 屋面荷载 + 楼面荷载×(层数-1)]×进深/2+(进深梁重×进深/2+墙体自重)K÷开间×层数+[ 屋面荷载 + 楼面荷载×(层数-1)]×走廊开间/2 ,即:F(4.85+3.92×5)×6.6/2+(3.47×6.6/2+91.6)÷3.3×6+(4.85+3.92×5)×2.7/2= =K80.685+187.37+33.01=301.1KN/m3、山墙(墙厚0.49m)基础顶面的荷载,取①轴山墙4.5m开间、1m宽为计算单元(1) 屋面荷载(同外纵墙) 4.85 KN/m 2(2)楼面荷载(同外纵墙) 3.92 KN/m 2(3)墙体自重浆砌机砖: 19×0.49×3.6=33.52KN /m 墙双面抹灰: 0.02×(17+20)×3.6=2.66KN /m ———————————————————————————————————— 墙体自重标准值 36.18KN/m 墙体自重设计值 1.2×36.18 = 43.42KN /m(5)基础顶面的竖向力K FK F =[屋面荷载 + 楼面荷载×(层数-1)]×开间/2+墙体自重×层数,即:K F =[4.85+3.92×5]×4.5/2+36.18×6= 272.09KN /m3、内横墙(墙厚0.24m )基础顶面的荷载,取1m 宽为计算单元(1) 屋面荷载(同外纵墙) 4.85 KN/m 2(2)楼面荷载(同外纵墙) 3.92 KN/m 2(3)墙体自重浆砌机砖: 19×0.24×3.6=16.42K N /m 墙双面抹灰: 0.02×2×17×3.6=2.45K N /m ———————————————————————————————————— 墙体自重标准值 18.87K N /m 墙体自重设计值 1.2×18.87= 22.64K N /m(4)基础顶面的竖向力K FK F =[ 屋面荷载 + 楼面荷载×(层数-1)]×开间+墙体自重×层数,即:K F =[4.85+3.92×5]×3.3+18.89×6=194.3KN/m(四) 求基础宽度1、外纵墙基础48.1)26.06.1(205.1939.230=+⨯-=⋅-=d f F b G a k γm 取6.1=b m2、内纵墙基础01.2)6.06.1(205.1931.301=+⨯-=⋅-=d f F b G a k γm ,取1.2=b m 3、山墙基础75.1)26.06.1(205.19309.272=+⨯-=⋅-=d f F b G a k γm ,取1.9m4、内横墙基础30.1)6.06.1(205.1933.194=+⨯-=⋅-=d f F b G a k γm ,取4.1=b m (五) 计算基础底板厚度及配筋1、外纵墙基础(1)地基净反力 82.1946.19.23035.1=⨯==b F P j kPa (2)计算基础悬臂部分最大内力 555.0249.06.11=-=a m , 79.41555.082.1942121221=⨯⨯==a P M j kN.m 13.108555.082.1941=⨯==a P V j kN 初步确定基础底版厚度先按8b h =的经验值初步确定,然后再进行受剪承载力验算。
盈建科墙下条形基础的计算摘要:一、引言二、盈建科墙下条形基础的概念与特点三、盈建科墙下条形基础的计算方法1.计算公式2.参数含义与计算步骤四、盈建科墙下条形基础计算的案例分析1.案例一2.案例二五、结论正文:一、引言盈建科墙下条形基础作为建筑结构中常见的基础类型,具有计算简便、承载力高等特点,广泛应用于各类建筑中。
本文将对盈建科墙下条形基础的计算方法进行详细阐述,以期为建筑设计者提供参考。
二、盈建科墙下条形基础的概念与特点盈建科墙下条形基础是指建筑物墙体下方设置的、形状呈条形的钢筋混凝土基础。
它具有以下特点:1.结构简单,施工方便;2.适应性强,可适用于多种地质条件;3.承载力高,能有效保证建筑物的安全稳定。
三、盈建科墙下条形基础的计算方法1.计算公式盈建科墙下条形基础的计算公式为:Fb = γ × N × B × H其中,Fb 表示基础的破坏荷载,γ表示基础的容许承载力修正系数,N 表示基础的轴向压力设计值,B 表示基础宽度,H 表示基础深度。
2.参数含义与计算步骤(1)基础容许承载力修正系数γ:根据基础材料、施工质量等因素进行取值,一般可通过查阅相关规范或设计手册获得。
(2)基础轴向压力设计值N:根据建筑物的使用荷载、地基承载力等因素进行计算,一般可通过结构分析软件获得。
(3)基础宽度B 和深度H:根据建筑物的实际需求和地质条件进行确定。
四、盈建科墙下条形基础计算的案例分析1.案例一假设某建筑物位于软土地基上,设计使用荷载为300kN,地基承载力为150kN。
根据规范,软土地基的基础容许承载力修正系数γ取0.8。
基础宽度B 为1.2m,深度H 为2.0m。
求基础的破坏荷载。
解:基础轴向压力设计值N = 设计使用荷载- 地基承载力= 300kN - 150kN = 150kNFb = γ × N × B × H = 0.8 × 150kN × 1.2m × 2.0m = 288kN基础的破坏荷载为288kN。
墙下条形基础设计说明一、引言墙下条形基础是建筑工程中常用的一种基础形式,主要用于承受墙体的荷载并将荷载传递到地基上。
本文将对墙下条形基础的设计要点进行说明,包括基础尺寸的确定、材料的选择、施工工艺等内容。
二、基础尺寸的确定1. 承载力计算:根据墙体的荷载特点,采用合适的荷载计算方法,如极限平衡法或有限元分析法,计算出基础所需的承载力。
2. 基础尺寸的确定:根据承载力计算结果,结合地基的承载力情况,确定基础的尺寸。
一般情况下,墙下条形基础的宽度一般为墙体宽度的1.5倍,深度一般为基础宽度的1.5倍。
三、材料的选择1. 混凝土强度等级:根据基础的承载力要求,选择适当的混凝土强度等级。
常用的混凝土强度等级有C15、C20、C25等,具体选择应根据设计要求和实际情况确定。
2. 钢筋的选择:根据基础的受力情况,确定所需的钢筋规格和数量。
一般情况下,墙下条形基础采用的钢筋直径为12mm或16mm,根据基础尺寸和荷载情况确定钢筋的间距和纵横布置。
四、施工工艺1. 基坑开挖:根据基础尺寸的确定,进行基坑的开挖工作。
基坑开挖应按照设计要求进行,保证基坑的尺寸和平整度。
2. 基础模板安装:在基坑中安装基础的模板,模板应牢固可靠,保证基础的几何形状和尺寸。
3. 钢筋绑扎:根据设计要求,在基础模板中进行钢筋的绑扎工作。
钢筋的绑扎应符合相关规范,保证钢筋的位置准确。
4. 混凝土浇筑:在钢筋绑扎完成后,进行混凝土的浇筑工作。
混凝土的浇筑应均匀、充实,避免出现空洞或夹杂物。
5. 养护工作:混凝土浇筑完成后,对基础进行适当的养护工作,保证混凝土的强度和稳定性。
五、安全注意事项1. 施工现场应设置安全警示标志,确保施工人员的安全。
2. 基坑开挖时应进行支护,防止坍塌事故的发生。
3. 钢筋绑扎时应注意安全,避免钢筋的伤害。
4. 混凝土浇筑时应防止混凝土泥浆溅到人体,避免烧伤事故的发生。
5. 施工现场应配备相应的安全设施和防护用具。
(1)条基砼采用商品砼,浇捣砼要根据炼化厂的作息时间安排劳力和进度时间,每个基础拟安排两个小组,分别由两端向中间合拢,保证在规定时间浇捣完。
(2)在现场设两个装砼铁斗,商品砼进入工地,由搅拌车倒入斗内,斗底设闸门,人力板车运到浇捣地点,这样可加快搅拌车运输次数。
(3)砼的振捣:1)混凝土振捣采用插入式振动器垂直振捣,操作要做到快插慢拔,插点要均匀排列,逐点移动进行,在振捣过程中,宜将振棒上下略为抽动以使上下振捣均匀。
2)砼分层浇筑时,每层厚度应不超过振动棒长的1.25倍,在振捣上一层时,应插入下层3~5cm,以加强两层砼之间的接触。
同时在振捣上层砼时,要在下层砼初凝之前进行。
不得形成自然施工缝,应掌握好振捣时间。
3)振捣时间,一般每点振捣时间为20?~30s??,使用高频振动器时,最短不应少于10s,以砼表面不显着下沉,不出现气泡,表面泛出灰浆为准,保证砼的密实度。
4)振动器插点要均匀排列,可采用并列或交错式的次秩序移动,以免漏振。
5)砼在振捣过程中,振动棒不得触动钢筋。
7、砌砖基(1)砖头应选用耐腐蚀的青砖,其强度应符合要求。
(2)砌筑砂浆应为MU7.5水泥砂浆。
(3)采用一顺一丁砌法,灰缝控制10mm左右,要求接槎留在中间,做成台阶接头。
(4)砖基在砌到顶上的三皮时,应按间隔1m 留一个120×120mm的洞眼,作为上面基础地圈梁支模用,在地圈梁模板拆除后,及时把洞眼补掉。
8、回填土(1)回填土材料土质要符合要求。
(2)回填土要分层,每个开间内填土高度一致,杜绝一次倒满,夯实时相邻开间尽量同时进行,避免填土对基础墙产生侧压力。
钢筋混凝土墙壁下条形基础施工方案:施工准备→场地清理→测量定位放线→开挖基槽→做垫层→砌基础→土方回填。
1.3土方开挖1、本工程土方开采用机械开挖;2、土方开挖施工顺序:先进行条形基础土方施工。
3、土方开挖前,应根据施工图进行土方平衡计算,应考虑室外场地的取土或回填土工程量,以保证土方不重复运输,余土直接用自卸汽车运走。
减少施工现场的堆放量,扩展施工现场使用率。
1.4、基础模板工程(1)本工程基础为模板采用组合钢模,模板支撑体系采用木支撑体系。
(2矩形柱(圆形原槽)模板采用钢板定型模,钢管加固。
(3)材料及扣件必须有出厂合格证明,材料必须符合标准要求。
(4)模板平整、光滑、不漏浆、支撑系统的刚度、稳定性等应符合标准要求。
项目部施工员、安质员随时检查模板的几何尺寸、标高、轴线是否符合设计要求,模板制安完成后进行检查,并经有关职能部门验收后方可进行下道工序施工。
1.5基础钢筋工程(1)条形基础钢筋按常规施工方法施工。
(2)基础钢筋直径≥Φ12采用斜交双面搭接焊接,焊接长度≥5d,基础垫层上网片筋钢筋弹线绑扎。
(3)条形柱插筋:①在垫层上弹出柱轴线及柱边线(并用红三角标识),柱插筋在制作现场焊成钢筋笼运至施工现场操作面安装,并与网片筋钢筋焊接固定。
②柱插筋接头按两个区段施工,搭接区域相互间距≥40d但不少于1m。
③待基础梁钢筋安装、绑扎并校直(正)后,将柱轴线移至基础模板上并标识,拉线或用经纬仪校正插筋位置正确。
梁钢筋较密时,确保柱插筋位置正确、确定梁筋让柱筋。
1.6条形钢筋砼基础工程浇灌砼前,清除冲洗浇灌仓面的建筑垃圾、泥浆,浇水湿润模板。
(1)间段施工时严格按《施工验收规范》留置施工缝。
(2)严格控制砼坍落度,水灰比及施工配合比,砼所有材料必须符合设计及规范要求(雨季施工时,碎石应冲洗),计量准确,外加剂掺入量严格按其说明及有关规范执行,机械振捣由熟练技工操作,保证不漏振,不出现孔洞、蜂窝等质量通病。
设计说明书一.设计资料1.工程名称某五层宿舍楼结构类型为砖混结构底层平面如图1-1所示图1-1 一个建筑单元平面图2.工程概况该宿舍楼结构形式为砖混结构,建筑物层数为五层。
基础方案拟比较墙下砖混结构条形基础、钢筋混凝土条形基础,方案分组设计,完成后对比,室内外地坪绝对标高为50m。
3.工程地质条件该地区地势平坦,无相邻建筑物,地质剖面如图1-2所示,地基土层分布及土的物理性质指标如表1-1地下水位在43m以下,南方地区,常年温度0度以上。
图1-2 地层剖面图A—A表1-1 地基土层分布及土的物理性质指标4.上部结构传至基础顶面的竖向力标准值,见表1-2二.设计要求1基础类型本设计是条形基础柔性设计方案,采用墙下钢筋混凝土条形基础。
3基础材料与构造混凝土强度等级采用C20,基础垫层采用C10混凝土100mm厚度,每边伸出50mm.基础底板钢筋采用HPB300级(f y =270N/mm 2)。
底板受力筋直径不小于12mm ;间距不大于200mm ,也不小于100mm ;纵向分布筋直径不小于8mm ,间距不宜大于300mm 。
基础设垫层,钢筋保护层厚度不小于40mm 。
4制图要求绘制图纸包括基础平面布置、基础剖面及底板配筋及大样图。
绘图比例:基础平面布置图1︰100;基础剖面图1︰20,大样图1:40 。
所有图线、图例尺寸和标注方法均应符合制图标准,图纸上所有汉字和数字均应书写端正、排列整齐、笔画清晰,中文书写为仿宋字。
三.基础设计步骤1.计算上部结构竖向荷载对于有门窗洞的墙以及搁置进深梁的承重墙,取一个开间为荷载计算单元。
对于无门窗洞的墙,取1m 宽为荷载计算单元。
2.选择基础材料和结构类型根据建筑物荷载性质、大小,地基土质情况等,合理选择基础材料和结构类型。
3.确定基础埋置深度根据工程地质条件、建筑物使用要求以及地下水等因素,确定基础埋置深度。
满足要求 前提下尽量浅埋,但不小于0.5米。
(实际埋置1.5米)4.计算地基持力层承载力根据工程地质条件,计算地基持力层承载力。
、钢筋混凝土墙下条形基础设计.某办公楼为砖混承重结构,拟采用钢筋混凝土墙下条形基础.外墙厚为370米米,上部结构传至000.0±处的荷载标准值为K F = 220kN/米,K M =45kN ·米/米,荷载基本值为F=250kN/米, 米=63kN .米/米,基础埋深1. 92米(从室内地面算起),室外地面比室内地面低0.45米.地基持力层承载力修正特征值af =158kPa.混凝土强度等级为C20 (cf = 9. 6N/米米Z ),钢筋采用HPB235级钢筋()2210mm fyN =.试设计该外墙基础.解:(1)求基础底面宽度b基础平均埋深:d=(1.92×2一0. 45)/2=1. 7米基础底面宽度:b =md f F G K77.1=-γ初选b=1.3 × 1.77=2.3米 地基承载力验算.517.12962max+=++=b M b G F P KK K k=180.7kPa <l.2af =189.6kPa 满足要求(2)地基净反力计算.aj a j b Mb F P b Mb F P KP =-=-=KP =+=+=2.375.717.10862.1805.717.10862min2max(3)底板配筋计算.初选基础高度h=350米米,边缘厚取200米米.采用100米米C10的混凝土垫层,基础保护层厚度取40米米,则基础有效高度ho =310米米.计算截面选在墙边缘,则1a =(2.3-0.37)/2=0.97米该截面处的地基净反力Ij p =180.2-(180.2-37.2)×0.97/2.3=119.9kPa计算底板最大弯距()()221max max 97.09.1192.180261261⨯+⨯⨯=+=I a p P M j j=m m ⋅KN 3.75计算底板配筋mmf h M y 12852103109.0103.759.06max ⨯⨯⨯=选用14φ@110㎜()21399mm A s =,根据构造要求纵向钢筋选取8φ@250()20.201mm As=.基础剖面如图所示:用静力平衡条件求柱下条形基础的内力条件:下图所示条形基础,底板宽,b=2.5米其余数据见图要求:1.当5.01=x 时,确定基础的总长度L,要求基底反力是均匀分布的.2.按静力平衡条件求AB 跨的内力. 解:1.确定基础底面尺寸各柱竖向力的合力,距图中A 点的距离x 为mx 85.7554174017549602.417402.1017547.14960=+++⨯+⨯+⨯=基础伸出A 点外1x =0.5米,如果要求竖向力合力与基底形心重合,则基础必须伸出图中D 点之外2x .2x =2×(7.85+0.5)-(14.7+0.5)=1.5米(等于边距的31)基础总长度L =14.7+0.5+1.5= 16.7米 2.确定基础底面的反力mL F p KN=+++==∑3007.16554174017549603.按静力平衡条件计算内力(下图)m M A ⋅KN =⨯⨯=385.0300212404554150V 1500.5300 A -=-=KN=⨯=右左A VAB 跨内最大负弯矩的截面至A 点的距离3005541=a -0.5=1.35米,则:()()()KN-=-=KN =-+⨯=⋅KN =⨯-+⨯⨯=⋅KN -=⨯-+⨯⨯=I 8841740856V 8565542.45.03009872.45542.45.03002123435.155435.15.030021B 22右左B B V mM m M筏形基础底面尺寸的确定条件:有一箱形基础,已知沿长度方向,荷载效应准永久组合与基础平面形心重宽度 方向竖向准永久组合与基底形心之间有偏心,现取一个柱距,上部结构传到地下室顶板的 荷载大小和位置,以及地下室自重的大小和位置见下图要求:当1a =0时,确定2a 的取值范围.←箱形基础受力图解:取地下室总宽为h,长度方向为单位长度,则 A =l ×h =h226161hh w == 根据《规范》式(8.4.2),要求偏心距hh h A we 0167.061.01.02==≤上部结构和地下室荷载的合力R =∑iN +G =7100+13500+9000+3200=32800kN合力R 到左边1N 作用点的距离为xxR =32800x =13500 × 8000+9000 × 14000+3200 × 7330.得 mm x 7849=基底宽2114000a mm a h ++=,因01=a ,故214000a mm h +=第一种情况,合力在形心左侧,则mm h h e h162400167.0784978492=+=+=2a =14000-h =16240一14000=2240米米第二种情况,合力在形心右侧,则h e h0167.0784978492-=-=mm h 15190=140002-=h a =15190-14000=1190米米当2a 在1.19米~2.24米范围内,可以满足A we 1.0≤的规定.如下图所示,某厂房作用在某柱下桩基承台顶面的荷载设计值F=2000kN,mM y ⋅KN =300 ,地基表层为杂填土,厚1.8米;第二层为软粘土,厚为7. 5米,sq = 14kPa;第三层为粉质粘土,厚度为5米多,sq =30kPa,pq =800kPa.若选取承台埋深d =1.8米,承台厚度1.5米,承台底面积取2.4米×3.0米.选用截面为300米米×300米米的钢筋混凝土预制桩,试确定桩长L 及桩数n,并进行桩位布置和群桩中单桩 受力验算.解:(1)确定桩长Z.根据地质资料,将第三层粉质粘土层作为桩端持力层较好,设桩打人第三层的深度为5倍的桩径,即5×0.3=1.5米.则桩的长度L为:L= 0.05+7.5+1.5=9.05米取L=10米(包括桩尖长度)(2)确定单桩竖向承载力设计值R.由经验公式∑=+=niisipppalquAqR1进行计算aR=800 ×23.0+ 4×0.3×(14×7.5+30×1.5)=259.2kN 预估该桩基基桩的根数n>3,故单桩竖向承载力值为:R=1.2a R== 1 .2 ×252=302.4kN(3)确定桩数n承台及其以上土的平均重量为: G =Ad G γ=20×2.4×3.0×l.8=259.2kN桩数n 为:n=(1.1~1.2)=+A GF 8.22~8.96根取n=8根(4)桩在承台底面上的布置.桩的中心距S =(3~4)d =(3~4) ×0.3=0. 9~1. 2米o 桩位的布置见下图 (5)群桩中单桩的受力验算.单桩所受的平均竖向力为:KN =<=+=+=N 4.3024.28282.2592000R n G F 满足群桩中单桩所受的最大、最小竖向力为:⇒±=±+=∑554.2822maxmaxmin iY x x M n G F N8.22688.3624.3022.12.1338min max >KN =KN =⨯=<=N R N由以上计算可知,单桩受力能够满足要求.2、某框架结构办公楼柱下采用预制钢筋混凝土桩基.建筑物安全等级为二级.桩的截面为300米米 ×300米米,桩的截面尺寸为500米米×500米米,承台底标高-1.7O 米,作用于室内地面标高±0.000处的竖向力设计值F =1800kN,作用于承台顶标高的水平剪力设计值V =40kN,弯矩设计值米=200kN ·米,见下图.基桩承载力设计值R =23OkN,(210mm f c N =,21.1mm f t N =),承台配筋采用Ⅰ级钢筋(2210mm f y N =).试设计该桩基.解:(1)桩数的确定和布置.按试算法,偏心受压时所需的桩数n 可按中心受压计算,并乘以增大系数μ=1.2~1.4,即39.92.12301800=⨯==μR F n取9根,设桩的中心距:S =3d =3×300=900米米.根据布桩原则,采用图示的布桩形式 (2)基桩承载力验算.取0γ =1.0则0γN==+n G F 0γ 1×92.1207.14.24.21800⨯⨯⨯⨯+=KN =<KN 230226R⎥⎥⎦⎤⎢⎢⎣⎡++=∑2max 00max0i x x M n G F N γγ=269.7<KN =2762.1R=N min 0γ226-43.7=182.3kN>0(3)承台计算.1)冲切承载力验算. (a)受柱冲切验算.设承台高度h = 900米米,则承台有效高度Ho=900-75=825米米9180018001-=-=∑i Q F F =1600kN23002500900--==oy ox a a = 500米米>0. 2ho = 33㎜且<=0h 825米米;606.082550000=====h a h a oy ox oy ox λλ而893.02.072.0=+==ox oy ox λββ则2()()[]h f a h a bt ox c oy oy cox+++ββ=3242kN >10F γ= 1×1600kN(满足)(b)受角桩冲切验算.KN =+=+==∑7.2437.43918002max 01ima x x M N F N N==y x a a 11500米米606.0825500010111=====h a h a y x y x λλ而60.02.048.0111=+==x y x λββ所以对角桩的冲切验算为:2011121122h f c a c a t x y y x ⎥⎦⎤⎢⎣⎡⎪⎭⎫ ⎝⎛++⎪⎪⎭⎫⎝⎛+ββ=762.3×310N= 762.3 kN> 10N γ=1 × 243.7 = 243.7kN(满足)2)斜截面受剪承载力验算V=max3N =3×243.7=731kN,mma a y x 500==606.082550000=====h a h a y x y x λλ而133.03.012.0=+=x λβ则截面计算宽度为:11201015.01y y y y b b b h h b b ⎥⎥⎦⎤⎢⎢⎣⎡⎪⎪⎭⎫ ⎝⎛--===1782米米验算斜截面受剪承载力:=00h b f c β0.133×9.6×1782×825=1877.1×310=1877.1kN>V 0γ=1×731=731kN( 满足 )1、某一砖混结构的建筑采用条形基础.作用在基础顶面的竖向荷载为kF =135kN/米,基础埋深0.80米.地基土的表层为素填土,1γ=17.8kN/米3,层厚1h = l.30米;表层素填土以下是淤泥质土,2γ=18. 2kN/米,承载力特征值a k f KP =75,层厚1h= 6.80米.地下水位埋深l.30米.拟采用砂垫层地基处理方法,试设计此砂垫层的尺寸.(应力扩散角30=θ,淤泥质土dη=1.0)解:(1)采用粗砂垫层,其承载力特征值取kf =150kPa,经深度修正后砂垫层的承载力特征值为:γηd k a f f +=(d-0.5)= 150+1.O ×17.8×(0.8-0.5)=155.3kPa (2)确定条形基础的宽度b:b=97.08.0203.15513520=⨯-=-d f F ,取b=1.0米(3)砂垫层厚度.z=0.8米(4)砂垫层底面土的自重应力czpczp =17.8 ×1.3+(18.2-10)×(0.8+l.2-l.3)=28.9kPa(5)砂垫层底面的附加应力z p因z/b 大于0.5,取应力扩散角30=θ基底压力kp =(135+0.8×1.0×20)/1.0=151kPa基底处土的自重应力cp =17.8×0.8=14.2kPa,则()5.632=+-=θtg b p p b p c k z kPa(6)垫层底面淤泥质土的承载力:()5.0-+=d f f d k az γη=75+1.0×17.8×(1.6-0.5)=94.6kPa(7)验算垫层底面下软弱下卧层的承载力:czz p p +=63.5+28.9=92.4kPa<azf = 94.6kPa,满足要求.(8)确定垫层宽度/b :/b =b +2tg θ= 1.0+2×tg30=2.15米2、一独立柱基,由上部结构传至基础顶面的竖向力kF = 1520kN,基础底面尺寸为3.5米 ×3.5米,基础埋深 2.5米,如下图所示.天然地基承载力不能满足要求,拟采用水泥土搅拌桩处理基础下淤泥质土,形成复合地基,使其承载力满足要求.有关指标和参数如下:水泥土搅拌桩直径D=0.6米,桩长L=9米;桩身试块无侧限抗压强度=cu f 2000kPa;桩身强度折减系数η= 0.4;桩周土平均摩阻力特征值sq =11kPa;桩端阻力pq =185kPa;桩端天然地基土承载力折减系数α=0.5;桩间土承载力折减系数奸β=0.3.计算此水泥土搅拌桩复合地基的面积置换率和水泥土搅拌桩的桩数. 解:(1)求单桩承载力aR .桩的截面积222283.06.044m D A P ===ππ根据桩身材料:Pcu a A f R η==0.4×2000×0.283= 226.4kN 根据桩周土和桩端土抗力:pp p s a q A l q R αμ+==10×3.14×0.6×9+0.5×0.283×185=21.7kN则取aR = 212.7kN(2)求满足设计要求的复合地基承载力特征值spkf基底压力P (即要求的复合地基承载力)5.35.3205.25.35.31520⨯⨯⨯⨯+=+=A G F p K K =174.1 kPa 即=spkf =174.1kPa(3)求面积置换率米和桩数n.将spkf =174.1kPa,aR =212. 7kN,=β0.3,sk f =75kPa,P A =0.283㎡代人式(1)()m A R mf Paspk -+=1βsk f(1)即()7513.0283.07.2121.174⨯-+⨯=m m 解之得米=0.208则桩数283.05.35.3208.0⨯⨯==P A mA n =9根,n =9根,桩的平面布置见下图。
墙下条形基础计算书一、设计资料基础类型:墙下条基计算形式:验算截面尺寸已知尺寸:B1 = 300(mm), B = 200(mm)H1 = 300(mm), H2 = 0(mm)埋深d = 3200(mm) 室外地坪-0.300m材料特性:混凝土:C30 钢筋:HPB400荷载数据(每延长米):-0.300以上墙体高度h1=3.9m(最高点)-0.300以下墙体高度h2=2.7m-0.300以上墙体荷载F1= 13kN-0.300以下墙体荷载F2= 12kN基础上方墙体荷载F k= F1+F2=25 kN土容重r=19kN/m3,自重G k=45.6kNM = 0.00kN·m V = 0.00kN二、作用在基础底部的弯矩设计值M0 = M + V×h = 0.00 + 0.00×0.300 = 0.00kN·m三、修正地基承载力修正后的地基承载力特征值f a = 80+1*19*(1.2-0.5)=93.3kPa 四、轴心荷载作用下地基承载力验算按《建筑地基基础设计规范》(GB 50007--2002)p k = F k + G kA(5.2.2-1)其中:A = 1.00⨯0.60 = 0.60m2p k = (F k + G k)/A = ( 25+45.6) / 0.6 = 117.7kPa<f a =250kPa 满足要求五、受弯计算结果计算公式:按《建筑地基基础设计规范》(GB 50007--2002)下列公式验算:M I = 112a12⎝⎛⎭⎫(2l + a' )(p max + p -2GA) + (p max - p)l(8.2.7-4)其中:a1 = (0.6-0.2)/2 = 0.2ml = a' = 1mF=1.35 (F k + G k)=1.35*(25+45.6)=95.31 kNp = p max = p min = FA=58/0.6=158.85kN代入公式(8.2.7-4)得M I= 1.657kN·mh0=300-40-5=255mmAs=M/0.9fyh0=20 mm2/m受力钢筋计算面积:20mm2/m,同时应按构造要求配筋,即最小配筋率为0.15%,计算结果为234mm2/m分布钢筋计算面积:按构造要求配筋,每延米分布钢筋的面积不应小于受力钢筋面积的15%,且不得小于A8@200主筋计算结果:计算面积:234.00mm2/m采用方案:A10@200实配面积:393.00 mm2/m分布钢筋计算结果:计算面积:35.1mm2/m采用方案:A8@200实配面积:251.33 mm2/m。
基础施工方法:墙下条形基础施工方法墙下条形基础施工方法本工程建筑物周围围墙的基础型式采用墙下条形基础1、施工流程基槽开挖→浇垫层→扎条形基础钢筋→立条形基础模板→浇条形基础砼→砌砖基→扎地圈梁钢筋和构造柱插筋→立地圈梁模板→浇地圈梁砼→拆地圈梁模→基础填土→安装预应力空心板。
2、基槽挖土及运土(1)基槽挖土采用反铲挖掘机开挖,人工辅助修坡修底,挖土顺序应沿房屋纵向,由一端逐步后退开挖,挖出的土方用汽车立即全部拉出场外。
(2)基槽开挖尺寸要考虑两侧比基础宽度各多300mm,作为基础侧面支模的位置,基础挖至设计深度,要跟随检查土质情况,如与设计土质要求不符,应立即采取加深措施,加深段应挖成台阶段,各阶段长与高之比要大于2,对加深部分,采用何种材料回填,应与监理和设计商定处理,基槽开挖完成后,应立即进行地基验槽,并组织浇捣垫层,防止基槽受雨水浸泡。
3、垫层施工垫层施工要控制好厚度、宽度和表面平整,先用竹桩在槽底每隔1m钉一个竹桩,控制桩顶为垫层面标高,垫层砼摊平后,应用平板振动器振实,并利用刮尺平整4、条形基底钢筋(1)条形基底钢筋绑扎前,应在基底垫层上用粉笔画好受力钢筋的间距,在转角和T形、十字形交接处,受力钢筋应重叠布设。
(2)沿基底宽度的受力筋应放置在底部,沿纵向的分布筋放在上面,受力筋弯钩朝上,绑扎完成后应垫好35mm厚的垫块。
(3)钢筋绑扎后,立即请监理共同进行隐蔽验收。
5、条基模板安装条基模板采用胶合模板,支撑采用松方木,模板整条安装后,要拉线调直,两侧与基槽土避顶牢。
6、浇筑条基砼(1)条基砼采用商品砼,浇捣砼要根据炼化厂的作息时间安排劳力和进度时间,每个基础拟安排两个小组,分别由两端向中间合拢,保证在规定时间浇捣完。
(2)在现场设两个装砼铁斗,商品砼进入工地,由搅拌车倒入斗内,斗底设闸门,人力板车运到浇捣地点,这样可加快搅拌车运输次数。
(3)砼的振捣:1)混凝土振捣采用插入式振动器垂直振捣,操作要做到快插慢拔,插点要均匀排列,逐点移动进行,在振捣过程中,宜将振棒上下略为抽动以使上下振捣均匀。
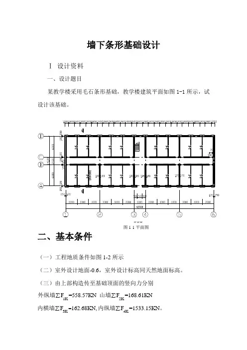
墙下条形基础设计Ⅰ 设计资料一、设计题目某教学楼采用毛石条形基础,教学楼建筑平面如图1-1所示,试设计该基础。
(一) 工程地质条件如图1-2所示(二)室外设计地面-0.6,室外设计标高同天然地面标高。
(三)由上部构造传至基础顶面的竖向力分别1KF =558.57KN ∑外纵墙 2K F =168.61KN ∑山墙 3K =F 162.68KN,∑内横墙4KF =1533.15KN ∑内纵墙。
图1-2 工程地质剖面图(四)基础采用M5水泥少浆砌毛石,标准冻深1.2m。
Ⅱ基础设计一、设计依据建筑结构荷载规范(GB 50009-2001)砌体结构设计规范(GB 50003-2001)建筑地基基础设计规范(GB 50007-2002)房屋建筑制图统一标准(GB/T50001-2001)建筑结构制图标准(GB/T50105-2001)2010年温州职业技术学院建筑工程系基础工程实训任务书二、设计步骤(一)荷载计算1、选定计算单元取房屋中有代表性的一段作为计算单元外纵墙:取两窗中心间的墙体 山墙、内横墙:分别取1m 内纵墙:取①-②轴之间两门中心间的墙体2、荷载计算 外纵墙:取两窗中心间的距离3.3m 为计算单元长度, 则 1K 1K F 558.57KN F 169.26KN/m 3.3m 3.3m∑=== 山墙:取1m 为设计单元宽度,则 2K 2K F 168.61KN F 168.61KN /m 1m 1m∑=== 内横墙:取1m 为设计单元宽度,则 3K 3K F 162.68KN F 162.68KN/m 1m 1m∑=== 内纵墙:取两门中心间的距离8.5m则 4K 4K F 1533.15KN F 180.37KN/m 8.5m 8.5m∑=== (二)(1)确定基础埋置深度d 考虑基础底面应位于冻结线下200mm ,故基础埋深为 0d=z 200(1200200)1400mm +=+=(三)确定地基承载力特征值fa 假设b <3m ,因d=1.6m >0.5m , 故对地基承载力特征值只需进行深度修正3m 140.5180.917.29KN/1.4m γ⨯+⨯== []m a ak d (d 0.5)196 1.617.29KPa=220.90KPa f f γη+-=+⨯=(1.4-0.5)(四)确定基础宽度、高度1、基础宽度 0.6d 1.4m 1.7m 2=+=()G 2G 3G 4G 1K 12K 3K 4Ka a a a m 0.906m220.9020 1.7d 168.61m 0.902m 220.9020 1.7d 162.68m 0.870m 220.9020 1.7d 180.37m 0.965m 220.9020 1.7dF 169.26f F f F f F f b b b b γγγγ----≥==-⨯≥==-⨯≥==-⨯≥==-⨯外纵墙:山墙:内横墙:内纵墙: 所有墙体基础宽度都取1.0m 。
施秉县2012年扶贫生态移民城关镇城南安置区集中安置房1#楼工程冬季施工方案工程概况本工程为施秉县2012年扶贫生态移民城关镇城南安置区集中安置房1#楼,位于施秉县城关镇南门区,建筑面积为4021.83平方米,建筑总高度为22.2米,为六层砖混结构(其中地上六层,地下0层)。
项目所在地不属于抗震设防地区,不考虑地震设防,耐火等级为二级。
合理使用年限为五十年。
一、基础概况1、该工程为墙下毛石砼墙基,持力层根据设计地勘为含卵石粘土。
地基承载力特征值fa=180Kpa;2、该工程条形基础为C15毛石混凝土,地圈梁混凝土强度等级为C20砼浇筑,钢筋采用一、二级;二、施工组织1、主要管理人员及特殊工种的组成:公司领导兼技术负责人,项目经理,现场管理兼质检员,施工员,安全员,材料员,资料员,塔吊司机,电工机修。
2、劳动力的组织计划:土石方砼班15人,木工班10人,钢筋班8人,泥工班20人,按照生活区的布置住宿安排到位。
3、机械设备的进场、就位、试用、报验等工作。
(按施工组织总设计的机械计划落实到位)。
4、物资投入计划是工程顺利进行的重要环节,使业主和监理工程师有足够的时间对进场的材料进行抽检和验收签证。
5、技术组织,现场红线点、轴线控制、水平标高专人负责,组织质量员、施工员、资料员等相关技术人员,熟悉审查施工图纸,并进行图纸会审、技术交底工作,形成纪要。
三、进度计划地基基础总工期控制在20天。
1、施工顺序定位放线→机械挖基坑→基底清理→地基验槽→C 15毛石砼条形基础浇筑→基础砌体(C15混凝土实心砌块)→地圈梁绑扎→隐检签证记录→地圈梁支模→地圈梁浇筑→拆模→基础梁弹定位轴线→回填土。
2、施工流向考虑工程实际情况,条形基础施工从1—17轴开始.3、施工网络计划挖基坑土石方基底清理条形砼基础支模C15毛石砼条形基础砼浇筑(1)————————→(2)—————→(3)———————→(4)——————————————→(5)5天1天3天1天基础砌体(C15混凝土实心砌块砌筑) 地圈梁钢筋绑扎地圈梁支模地圈梁砼浇筑圈梁模板拆除—————————————→(6)———————→(7)————→(8)—————→(9)——————→5天3天2天1天1天4、控制进度计划顺利进行的具体措施:按照劳动力的组织安排充足的劳动力,确保材料计划、机械设备计划,拉大作业面,提高工作效率。
墙下条形基础工程施工一、施工准备工作1. 物料准备:根据设计要求准备所需的水泥、砂、石子等材料;2. 设备准备:确保所需的搅拌机、矿泉车、抹灰工具等设备齐全;3. 人员准备:清点施工人员,确保每个人都具备相应的技能和经验;4. 现场布置:确定施工现场,确保其平整、通风等条件符合施工要求;5. 安全措施:提前制定施工安全计划,保证施工人员的人身安全。
二、施工过程1. 地基处理:施工前需要清理地面,清除障碍物,然后进行打桩、挖土等工作,以确保地基平整、坚实;2. 基础测量:根据设计图纸测量基础的位置、标高,确定施工起点;3. 基础布置:根据设计要求,在基础位置布置木模板,用钢筋进行加固,确保基础的稳固性;4. 混凝土浇筑:将事先准备好的混凝土倒入木模板中,用搅拌机搅拌均匀,然后倒入基础位置,用矿泉车倒入,并用抹灰工具进行整平;5. 固化处理:混凝土浇筑后需进行固化处理,使其达到设计强度;6. 辅助工作:在混凝土固化期间,还需进行辅助工作,如浇水、焊接等;7. 检查验收:混凝土固化结束后,需要进行验收,检查基础是否符合设计要求。
三、注意事项1. 施工技术:施工人员需具备相关施工技术,确保基础的质量;2. 施工质量:严格按照设计要求进行施工,确保基础的强度和稳定性;3. 施工安全:施工过程中需加强安全管理,确保施工人员的人身安全;4. 施工环境:施工前需清理施工环境,确保其通风、平整,有利于施工作业;5. 施工流程:严格按照施工流程进行施工,确保每个工序的顺利进行;6. 施工监督:进行施工过程中需加强监督,确保施工质量。
综上所述,墙下条形基础工程施工是建筑工程中的一项重要工作,需要施工人员具备一定的技术和经验。
在施工过程中,还需严格按照设计要求进行施工,注意施工安全,确保施工质量。
希望以上内容对大家有所帮助。
条形基础构造
条形基础,又称长条基础,是一种长度远远大于宽度的基础形式。
这种基础主要布置在一条轴线上且与两条以上轴线相交,有时也会和独立基础相连,但截面尺寸与配筋不尽相同。
根据上部结构的不同,条形基础可以分为墙下条形基础和柱下条形基础。
墙下条形基础是当建筑物上部结构以墙体承重时,为方便传递连续的条形荷载,基础沿墙身设置,做成连续带形。
这种基础多用于地基条件较好、浅基础的砖混结构建筑中。
在混凝土强度方面,条形基础通常采用的混凝土强度等级为C20或以上。
对于基础底板的受力钢筋布置,需要根据设计要求进行合理布置。
条形基础构造包括以下步骤:
1.垫层:垫层使用的混凝土标号为C20,厚度为100mm,宽度为800mm。
2.承台:承台厚度为30公分,宽度为600mm。
其中短向钢筋为
三级钢,直径为10mm,间距为150mm;长向钢筋为三级钢,直径为
8mm,间距为300mm。
3.砌砖:先砌3层37砖,再砌24砖。
4.圈梁:地圈梁截面是240mm*240mm,主筋由4根三级钢直径为12mm的钢筋组成,箍筋为三级钢直径为6mm间距200mm的钢筋。
在具体操作中,可以根据实际需求进行修改。
总的来说,条形基础的设计与施工需要综合考虑上部结构的荷载、地基条件、混凝土强度等因素,以确保基础的稳定性和安全性。
第1篇一、施工准备1. 设计图纸:熟悉设计图纸,了解基础的结构形式、尺寸、材料要求等。
2. 施工方案:根据设计图纸,制定详细的施工方案,包括施工流程、施工顺序、施工方法等。
3. 材料设备:准备所需的各种材料,如钢筋、混凝土、模板、水泥、砂、石子等,确保材料质量符合要求。
4. 人员组织:组织施工队伍,明确各工种人员的职责,确保施工顺利进行。
二、施工流程1. 平整场地:将施工场地平整,清除杂物,确保基础施工的顺利进行。
2. 挖基槽:按照设计图纸要求,采用反铲挖掘机开挖基槽,人工辅助修坡修底。
挖土顺序应沿房屋纵向,由一端逐步后退开挖,挖出的土方用汽车立即全部拉出场外。
3. 垫层施工:在基槽底部每隔1m钉一个竹桩,控制桩顶为垫层面标高。
垫层砼摊平后,应用平板振动器振实,并利用刮尺平整。
4. 条形基底钢筋绑扎:在基底垫层上用粉笔画好受力钢筋的间距,在转角和T形、十字形交接处,受力钢筋应重叠布设。
沿基底宽度的受力筋应放置在底部,沿纵向的分布筋放在上面,受力筋弯钩朝上,绑扎完成。
5. 条形基础模板:采用胶合模板,支撑采用松方木。
6. 浇筑条形基础砼:按照设计要求,将砼浇筑到条形基础模板内,确保砼密实。
7. 砌砖基:在条形基础砼达到一定强度后,进行砖基砌筑。
8. 地圈梁施工:扎地圈梁钢筋和构造柱插筋,立地圈梁模板,浇筑地圈梁砼。
9. 基础填土:拆除地圈梁模板,进行基础填土,确保基础稳定。
10. 预应力空心板安装:在基础填土完成后,安装预应力空心板。
三、施工要点1. 基槽开挖:确保基槽尺寸符合设计要求,注意检查土质情况,如与设计土质要求不符,应立即采取加深措施。
2. 垫层施工:控制垫层厚度、宽度和表面平整,确保砼密实。
3. 钢筋绑扎:严格按照设计要求进行钢筋绑扎,确保钢筋间距、位置准确。
4. 砼浇筑:确保砼质量,防止出现蜂窝、麻面等质量问题。
5. 施工安全:加强施工安全管理,确保施工人员安全。
通过以上施工流程和要点,可以确保墙下条形基础工程施工的质量和进度,为整个建筑物的稳定性和安全性奠定基础。
墙下条形基础当地基反力为直线分布时,条形基础的宽高比应不大于
当地基筑物牢固地结实时,一般反力会是直线分布,而一种常见的形式是条形基础。
这种形式能够非常有效地分散基础上建筑物的反力,但同时也需要考虑其宽高比。
专家们认为,条形基础的宽高比应该不超过1:5。
一般来说,宽高比越小,基础的反力分布越均匀,结构的稳定性也更强,应用也比较安全,也容易控制。
但是如果基础的高宽比大于1:5会出现什么情况呢?如果超出这一比例,地基和建筑物的稳定性就不能保证,可能会因为超载导致基础沉陷,造成建筑物损坏,甚至结构垮塌。
因此,在使用条形基础时要注意宽高比的问题,无论是在设计、建设还是安装过程中,首先应该特别关注这一点,确保条形基础的高宽比不超过1:5。
只有这样才能保证结构的安全性,从而避免出现不必要的麻烦和损失。
条形基础施工工艺详解导言地基和基础都是建筑物的根基。
地基的选择或处理是否正确,基础的设计与施工质量的好坏均直接影响到建筑物的安全性、经济性和合理性。
九层之台,起于垒土我们今天详细介绍一下条形基础:条形基础是指基础长度远远大于宽度的一种基础形式。
按上部结构分为墙下条形基础和柱下条形基础。
基础的长度大于或等于10倍基础的宽度。
条形基础分类按上部结构墙下条形基础柱下条形基础施工流程在每一个分项分部工程中,每一个施工流程都是重要的,万万不可对任何一个步骤掉以轻心。
基槽开挖→浇垫层→扎条形基础钢筋→立条形基础模板→浇条形基础混凝土→砌砖基→扎地圈梁钢筋和构造柱插筋→立地圈梁模板→浇地圈梁混凝土→拆地圈梁模→基础填土→安装预应力空心板。
1.基槽开挖测量好用白灰做好标记,挖土采用反铲挖掘机开挖,开挖尺寸比基础尺寸每边各留出300mm工作面,作为侧面支模的位置,人工辅助修坡修底,沿房屋纵向,由一端逐步后退开挖,挖出的土立即运出场外。
2.浇垫层基槽开挖、清理并验槽合格后,随即清除表层浮土及扰动土,不留积水,立即进行垫层混凝土施工。
垫层混凝土必须振捣密实,控制好厚度、宽度和表面用刮尺平整,每隔一米钉一个竹桩。
3.扎条形基础钢筋绑扎前用粉笔画好受力钢筋的间距,在转角,T型和十字形交接处应重叠布置,沿基底宽度的受力筋应放置在底部,沿纵向的分布筋应放在上部,受力筋弯钩朝上,绑扎完成后垫35mm垫块,请监理做隐蔽验收。
4.立条形基础模板采用胶合模板,支撑采用松方木,模板整条安装后要拉线调直,两侧与基槽土壁顶牢。
5.浇条形基础混凝土安排两个小组,分别从两端向中间合拢,规定时间内浇筑完成。
采用插入式振动器垂直振捣,动作要快,插点要均匀排列逐点移动进行。
分层浇筑时每层不超过振动棒长的1.5倍,在振捣上一层时应插入下一层3~5cm,以加强两层接触。
可才用并列或交错式振捣以免漏震,振动棒不得触动钢筋。
6.砌砖基砖头应采用耐腐蚀的青砖,砂浆应为MU7.5的水泥砂浆,采用一顺一丁砌法,灰缝在10mm左右,接茬留在中间做成。