市政桥梁工程质量检验表格(DOC 107页)
- 格式:doc
- 大小:3.83 MB
- 文档页数:121
2 城市桥梁工程2.1 模板、支架和拱架2.1.1 木模板制作检验批质量验收记录表2.1.2 钢模板制作检验批质量验收记录表2.1.3 模板、支架和拱架安装检验批质量验收记录表2.2 钢筋工程2.2.1 钢筋加工检验批质量验收记录表2.2.2 钢筋网加工检验批质量验收记录表2.2.3 钢筋成形和安装检验批质量验收记录表2.3 混凝土、预应力混凝土和砌体工程2.3.1 混凝土原材料及配合比检验批质量验收记录表2.3.2 预应力材料检验批质量验收记录表2.3.3 钢丝、钢绞线先张法施工检验批质量验收记录表2.3.4 钢筋先张法施工检验批质量验收记录表2.3.5 钢筋后张法施工检验批质量验收记录表2.3.6 砌体工程检验批质量验收记录表2.4 基础工程2.4.1 基坑、地基、回填土检验批质量验收记录表2.4.2 现浇混凝土基础检验批质量验收记录表2.4.3 砌体基础检验批质量验收记录表2.4.4 预制桩检验批质量验收记录表2.4.5 钢管桩制作检验批质量验收记录表2.4.6 沉桩检验批质量验收记录表2.4.7 混凝土灌注桩检验批质量验收记录表2.4.8 沉井制作检验批质量验收记录表2.4.9 沉井浮运下沉与清基封底检验批质量验收记录表2.4.10 地下连续墙检验批质量验收记录表2.4.11 现浇混凝土承台检验批质量验收记录表2.5 墩台和支座2.5.1 浆砌块石砌筑墩台检验批质量验收记录表2.5.2 浆砌料石、砌块砌筑墩台检验批质量验收记录表2.5.3 现浇混凝土墩台检验批质量验收记录表2.5.4 现浇混凝土(柱)检验批质量验收记录表2.5.5 现浇混凝土挡墙检验批质量验收记录表2.5.6 预制安装混凝土柱检验批质量验收记录表2.5.7 现浇混凝土盖梁检验批质量验收记录表2.5.8 人行天桥钢墩柱检验批质量验收记录表2.5.9 台背填土检验批质量验收记录表2.5.10 支座检验批质量验收记录表2.6 混凝土梁(板)2.6.1 支架上浇筑梁(板)检验批质量验收记录表2.6.2 混凝土梁(板)预制检验批质量验收记录表2.6.3 混凝土梁(板)安装质量验收记录表2.6.4 悬臂浇筑混凝土梁检验批质量验收记录表2.6.5 悬臂拼装预应力混凝土梁检验批质量验收记录表2.6.6 顶推施工预应力混凝土梁检验批质量验收记录表2.7 钢梁与结合梁2.7.1 钢桁梁节段制作检验批质量验收记录表2.7.2 钢板梁制作检验批质量验收记录表2.7.3 钢箱形梁制作检验批质量验收记录表2.7.4 钢梁现场安装检验批质量验收记录表2.7.5 钢-混凝土结合梁检验批质量验收记录表2.7.6 混凝土结合梁检验批质量验收记录表2.8 拱部与拱上结构2.8.1 砌筑拱圈检验批质量验收记录表2.8.2 现浇混凝土拱圈检验批质量验收记录表2.8.3 劲性骨架混凝土拱圈检验批质量验收记录表2.8.4 拱圈预制与安装检验批质量验收记录表2.8.5 悬臂拼装的桁架拱检验批质量验收记录表2.8.6 腹拱安装检验批质量验收记录表2.8.7 钢管混凝土拱检验批质量验收记录表2.8.8 中下承式拱吊杆和柔性系杆拱检验批质量验收记录表2.8.9 转体施工拱检验批质量验收记录表2.9 斜拉桥2.9.1 现浇混凝土索塔检验批质量验收记录表2.9.2 混凝土斜拉桥墩顶梁段检验批质量验收记录表2.9.3 支架上浇筑混凝土主梁检验批质量验收记录表2.9.4 悬臂浇筑混凝土主梁检验批质量验收记录表2.9.5 悬臂拼装混凝土主梁检验批质量验收记录表2.9.6 钢箱梁段制作检验批质量验收记录表2.9.7 悬臂拼装、在支架上安装检验批质量验收记录表2.9.8 结合梁的工字钢梁拼装检验批质量验收记录表2.9.9 结合梁的混凝土板施工检验批质量验收记录表2.9.10 斜拉索安装检验批质量验收记录表2.10 悬索桥2.10.1 现浇混凝土索塔检验批质量验收记录表2.10.2 锚碇锚固系统制作检验批质量验收记录表2.10.3 锚碇锚固系统安装检验批质量验收记录表2.10.4 锚碇混凝土施工检验批质量验收记录表2.10.5 预应力锚索张拉检验批质量验收记录表2.10.6 主索鞍安装检验批质量验收记录表2.10.7 散索鞍安装检验批质量验收记录表2.10.8 主缆架设与防护检验批质量验收记录表2.10.9 索夹和吊索安装检验批质量验收记录表2.10.10 悬索桥钢箱梁段拼装检验批质量验收记录表2.11 顶进箱涵2.11.1 滑板检验批质量验收记录表2.11.2 预制箱涵检验批质量验收记录表2.11.3 箱涵顶进检验批质量验收记录表2.12 桥面系2.12.1 排水设施检验批质量验收记录表2.12.2 桥面防水层检验批质量验收记录表2.12.3 水泥混凝土桥面铺装层检验批质量验收记录表2.12.4 沥青混凝土桥面铺装层检验批质量验收记录表2.12.5 人行天桥塑胶桥面铺装层检验批质量验收记录表2.12.6 伸缩装置检验批质量验收记录表2.12.7 地袱、缘石和挂板检验批质量验收记录表2.12.8 混凝土栏杆预制及安装检验批质量验收记录表2.12.9 金属栏杆、防护网检验批质量验收记录表2.12.10 防撞护栏、防撞墩、隔离墩检验批质量验收记录表2.12.11 人行道检验批质量验收记录表2.13 附属结构2.13.1 隔声装置安装检验批质量验收记录表2.13.2 防眩装置安装检验批质量验收记录表2.13.3 混凝土梯道安装检验批质量验收记录表2.13.4 钢梯道制作与安装检验批质量验收记录表2.13.5 桥头搭板检验批质量验收记录表2.13.6 防冲刷结构检验批质量验收记录表2.13.7 照明系统检验批质量验收记录表2.14 装饰与装修2.14.1 水泥砂浆普通抹面检验批质量验收记录表2.14.2 水磨石装饰抹面检验批质量验收记录表2.14.3 水刷石装饰抹面检验批质量验收记录表2.14.4 剁斧石装饰抹面检验批质量验收记录表2.14.5 镶天然石饰面板检验批质量验收记录表2.14.6 镶人造石饰面板检验批质量验收记录表2.14.7 贴饰面砖检验批质量验收记录表2.14.8 涂饰检验批质量验收记录表2.15 竣工验收2.15.1 工程竣工验收检验批质量验收记录表2.15.2 单位(子单位)工程观感检查记录木模板制作检验批质量验收记录表编号:__________钢模板制作检验批质量验收记录表编号:__________模板、支架和拱架安装检验批质量验收记录表编号:__________钢筋加工检验批质量验收记录表编号:__________钢筋网加工检验批质量验收记录表编号:__________钢筋成形和安装检验批质量验收记录表编号:__________混凝土原材料及配合比检验批质量验收记录表编号:__________预应力材料检验批质量验收记录表编号:__________钢丝、钢绞线先张法施工检验批质量验收记录表编号:__________钢筋先张法施工检验批质量验收记录表编号:__________钢筋后张法施工检验批质量验收记录表编号:__________砌体工程检验批质量验收记录表编号:__________基坑、地基、回填土检验批质量验收记录表编号:__________现浇混凝土基础检验批质量验收记录表编号:__________砌体基础检验批质量验收记录表编号:__________预制桩检验批质量验收记录表编号:__________钢管桩制作检验批质量验收记录表编号:__________沉桩检验批质量验收记录表编号:__________混凝土灌注桩检验批质量验收记录表编号:__________沉井制作检验批质量验收记录表编号:__________沉井浮运下沉与清基封底检验批质量验收记录表编号:__________地下连续墙检验批质量验收记录表编号:__________现浇混凝土承台检验批质量验收记录表编号:__________浆砌块石砌筑墩台检验批质量验收记录表编号:__________浆砌料石、砌块砌筑墩台检验批质量验收记录表编号:__________现浇混凝土墩台检验批质量验收记录表编号:__________现浇混凝土(柱)检验批质量验收记录表编号:__________现浇混凝土挡墙检验批质量验收记录表编号:__________预制安装混凝土柱检验批质量验收记录表编号:__________现浇混凝土盖梁检验批质量验收记录表编号:__________人行天桥钢墩柱检验批质量验收记录表编号:__________台背填土检验批质量验收记录表编号:__________支座检验批质量验收记录表编号:__________支架上浇筑梁(板)检验批质量验收记录表编号:__________混凝土梁(板)预制检验批质量验收记录表编号:__________混凝土梁(板)安装检验批质量验收记录表编号:__________悬臂浇筑混凝土梁检验批质量验收记录表编号:__________。
城市桥梁工程施工与质量验收规范表格
都市桥梁钢筋检验批质量验收记录
都市桥梁混凝土检验批质量验收记录
预应力混凝土检验批质量验收记录
都市桥梁砌体(石料)检验批质量验收记录
扩大基础(基坑开挖、地基检验)检验批质量验收记录
扩大基础(砌体基础)检验批质量验收记录
沉入桩(预制桩)检验批质量验收记录
钢管桩制作检验批质量验收记录
沉桩质量检验批质量验收记录
混凝土灌注桩检验批质量验收记录
沉井基础(沉井制作)质量检验批质量验收记录
沉井基础(沉井浮运)检验批质量验收记录
沉井下沉检验批质量验收记录
封底填充混凝土检验批质量验收记录
地下连续墙检验批质量验收记录
现浇混凝土承台检验批质量验收记录
墩台砌体检验批质量验收记录
现浇混凝土墩台质量检验批质量验收记录
预制安装混凝土柱质量检验批质量验收记录
现浇混凝土盖梁质量检验批质量验收记录
人行天桥刚墩柱质量检验批质量验收记录
台背填土质量检验批质量验收记录
支座质量检验批质量验收记录
支架上浇筑梁(板)检验批质量验收记录
预制安装梁(板)质量检验批质量验收记录
悬臂浇筑预应力混凝土梁检验批质量验收记录
钢梁制作质量检验批质量验收记录
钢梁现场安装质量检验批质量验收记录
结合梁现浇混凝土质量检验批质量验收记录
砌筑拱圈质量检验批质量验收记录
现浇混凝土拱圈质量检验批质量验收记录
劲性骨架混凝土拱圈质量检验批质量验收记录
装配式混凝土拱部结构质量检验批质量验收记录
钢管混凝土拱质量检验批质量验收记录
中下承式拱吊杆和柔性系杆拱检验批质量验收记录。
城市桥梁工程施工验收表格项目基本信息:项目名称:XXX城市桥梁工程工程地点:XXX市建设单位:XXX集团施工单位:XXX施工公司设计单位:XXX设计院监理单位:XXX监理公司一、项目概况1.1 工程名称:XXX城市桥梁工程1.2 建设地点:XXX市1.3 建设单位:XXX集团1.4 施工单位:XXX施工公司二、质量验收2.1 桥梁结构项目质量验收标准合格/不合格备注桥梁结构的承载能力符合设计要求,无明显变形、裂缝或起砂现象。
桥梁的水泥混凝土和钢筋混凝土工程质量符合设计要求。
桥梁预应力、预压工程符合设计要求,无明显外露、腐蚀等现象。
桥梁桩基础、地基处理等地下工程符合设计要求,无明显沉陷、渗漏情况。
2.2 桥面铺装项目质量验收标准合格/不合格备注桥面铺装平整、无起伏和裂缝。
桥面铺装材料质量符合设计要求,无破损、渗水等现象。
桥梁排水系统合理,无积水和冰冻等现象。
2.3 防水材料项目质量验收标准合格/不合格备注桥梁防水处理符合设计要求,无渗漏现象。
防水材料质量符合设计要求,无破损、老化等现象。
2.4 桥梁美观项目质量验收标准合格/不合格备注桥梁表面清洁、无污染和脱落现象。
桥梁栏杆、护栏等附属设施符合设计要求。
三、安全验收3.1 施工安全项目安全验收标准合格/不合格备注施工现场符合安全生产规定,无违章行为。
施工设备、机械操作符合安全规范,无事故发生。
3.2 施工质量项目安全验收标准合格/不合格备注施工单位对桥梁施工质量进行了有效控制,无质量问题和事故发生。
3.3 交通安全项目安全验收标准合格/不合格备注施工期间对交通进行了有效管控,无交通事故发生。
四、合同验收4.1 工程进度项目验收标准合格/不合格备注工程进度符合合同要求,未出现延期情况。
4.2 合同规定项目验收标准合格/不合格备注施工单位对合同规定进行了有效执行,未发生违约行为。
五、环境验收5.1 施工环境项目环境验收标准合格/不合格备注施工现场符合环保规定,无环境污染问题。
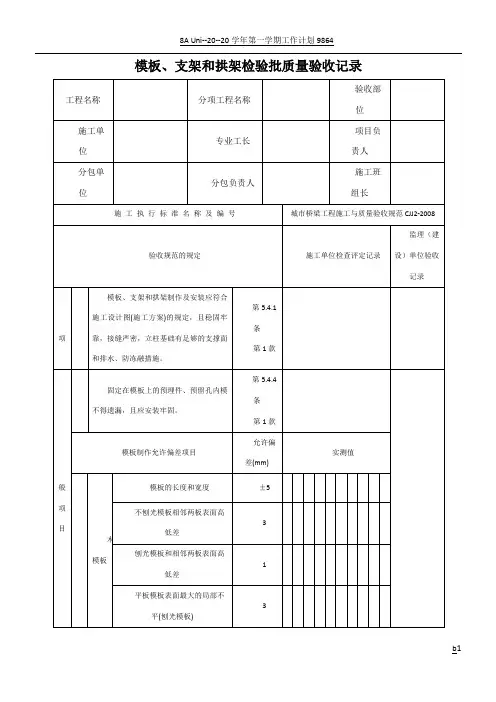
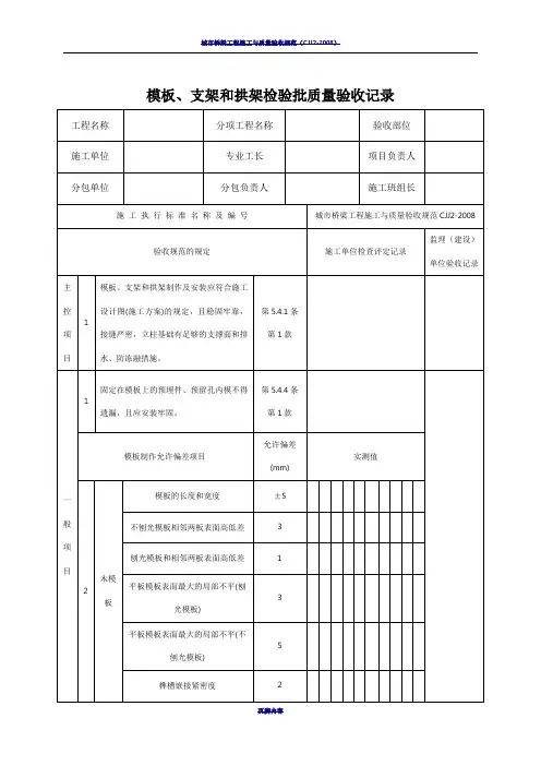
模板、支架和拱架检验批质量验收记录
桥梁钢筋检验批质量验收记录
桥梁混凝土检验批质量验收记录
预应力混凝土检验批质量验收记录
桥梁砌体(石料)检验批质量验收记录
扩大基础(基坑开挖、地基检验)检验批质量验收记录
扩大基础(土方回填)检验批质量验收记录
扩大基础(现浇混凝土)检验批质量验收记录
扩大基础(砌体基础)检验批质量验收记录
沉入桩(预制桩)检验批质量验收记录
钢管桩制作检验批质量验收记录
沉桩质量检验批质量验收记录
混凝土灌注桩检验批质量验收记录
沉井基础(沉井制作)质量检验批质量验收记录
沉井基础(沉井浮运)检验批质量验收记录
沉井下沉检验批质量验收记录
封底填充混凝土检验批质量验收记录
地下连续墙检验批质量验收记录
现浇混凝土承台检验批质量验收记录
墩台砌体检验批质量验收记录
现浇混凝土墩台质量检验批质量验收记录
预制安装混凝土柱质量检验批质量验收记录。
模板制作检验批质量验收记录市政质检·2·1第页,共页模板、支架和拱架安装检验批质量验收记录(一)市政质检·2·2-1页,共页模板、支架和拱架安装检验批质量验收记录(二)市政质检·2·2-2第页,共页钢筋加工检验批质量验收记录市政质检·2·3第页,共页钢筋成型和安装检验批质量验收记录(一) 市政质检·2·4-1第页,共页钢筋成型和安装检验批质量验收记录(二)市政质检·2·4-2第页,共页混凝土检验批质量验收记录(一)市政质检·2·5-1第页,共页混凝土检验批质量验收记录(二)市政质检·2·5-2第页,共页预应力混凝土张拉检验批质量验收记录(一) 市政质检·2·6-1第页,共页预应力混凝土张拉检验批质量验收记录(二)市政质检·2·6-2第 页,共 页砌体检验批质量验收记录市政质检·2·7第页,共页基坑开挖检验批质量验收记录市政质检·2·8第页,共页地基回填土方检验批质量验收记录市政质检·2·9第页,共页现浇混凝土基础检验批质量验收记录市政质检·2·10第页,共页砌体基础检验批质量验收记录政质检·2·11第页,共页预制混凝土桩预制检验批质量验收记录市政质检·2·12第页,共页钢管桩制作检验批质量验收记录市政质检·2·13 第页,共页沉桩检验批质量验收记录市政质检·2·14第页,共页混凝土灌注桩检验批质量验收记录市政质检·2·15第页,共页沉井制作检验批质量检验记录市政质检·2·16第页,共页。
市政道路工程施工质量三检表范本一、项目信息
二、施工质量三检表
1. 第一次检查
- 检查日期:
- 检查人员:
- 检查内容:
- 施工材料的使用是否符合规范要求
- 埋设道路管线的位置和倾斜度是否符合设计要求
- 路面基层的平整度是否符合标准要求
- 道路路面材料的摊铺是否达到要求
- 沿途的排水系统是否设计合理
- 检查结果:
- 符合要求
- 部分不符合要求,具体情况如下:
- 不符合要求,需要整改的事项如下:
2. 第二次检查
- 检查日期:
- 检查人员:
- 检查内容:
- 道路路基的强度和稳定性是否符合要求
- 渠化工程的建设是否规范
- 隧道、桥梁、边坡等特殊部位的施工是否符合设计要求- 道路标志和标线的设置是否符合交通规则和安全要求- 检查结果:
- 符合要求
- 部分不符合要求,具体情况如下:
- 不符合要求,需要整改的事项如下:
3. 第三次检查
- 检查日期:
- 检查人员:
- 检查内容:
- 施工过程中是否存在安全隐患
- 道路交通组织是否合理
- 施工图纸的实施情况是否符合规范
- 配套设施的建设是否完善
- 检查结果:
- 符合要求
- 部分不符合要求,具体情况如下:
- 不符合要求,需要整改的事项如下:
三、备注
(填写其他需要补充说明的内容)
以上是市政道路工程施工质量三检表范本,检查人员应按照上述表格中的要求进行检查,并记录检查结果。
不符合要求的事项应及时整改,确保施工质量达到规范要求。
城市桥梁工程模板、支架和拱架.1 木模板制作检验批质量验收记录表.2 钢模板制作检验批质量验收记录表.3 模板、支架和拱架安装检验批质量验收记录表2.2 钢筋工程2. 钢筋加工检验批质量验收记录表2.2.2 钢筋网加工检验批质量验收记录表2.2.3 钢筋成形和安装检验批质量验收记录表2.3 混凝土、预应力混凝土和砌体工程2.3.1 混凝土原材料及配合比检验批质量验收记录表2.3.2 预应力材料检验批质量验收记录表2.3.3 钢丝、钢绞线先张法施工检验批质量验收记录表2.3.4 钢筋先张法施工检验批质量验收记录表2.3.5 钢筋后张法施工检验批质量验收记录表2.3.6 砌体工程检验批质量验收记录表2.4 基础工程2.4.1 基坑、地基、回填土检验批质量验收记录表2.4.2 现浇混凝土基础检验批质量验收记录表2.4.3 砌体基础检验批质量验收记录表2.4.4 预制桩检验批质量验收记录表2.4.5 钢管桩制作检验批质量验收记录表2.4.6 沉桩检验批质量验收记录表2.4.7 混凝土灌注桩检验批质量验收记录表2.4.8 沉井制作检验批质量验收记录表2.4.9 沉井浮运下沉与清基封底检验批质量验收记录表2.4.10 地下连续墙检验批质量验收记录表2.4.11 现浇混凝土承台检验批质量验收记录表2.5 墩台和支座2.5.1 浆砌块石砌筑墩台检验批质量验收记录表2.5.2 浆砌料石、砌块砌筑墩台检验批质量验收记录表2.5.3 现浇混凝土墩台检验批质量验收记录表2.5.4 现浇混凝土(柱)检验批质量验收记录表2.5.5 现浇混凝土挡墙检验批质量验收记录表2.5.7 现浇混凝土盖梁检验批质量验收记录表2.5.8 人行天桥钢墩柱检验批质量验收记录表2.5.9 台背填土检验批质量验收记录表2.5.10 支座检验批质量验收记录表2.6 混凝土梁(板)2.6.1 支架上浇筑梁(板)检验批质量验收记录表2.6.2 混凝土梁(板)预制检验批质量验收记录表2.6.3 混凝土梁(板)安装质量验收记录表2.6.4 悬臂浇筑混凝土梁检验批质量验收记录表2.6.5 悬臂拼装预应力混凝土梁检验批质量验收记录表2.6.6 顶推施工预应力混凝土梁检验批质量验收记录表2.7 钢梁与结合梁2.7.1 钢桁梁节段制作检验批质量验收记录表2.7.2 钢板梁制作检验批质量验收记录表2.7.3 钢箱形梁制作检验批质量验收记录表2.7.4 钢梁现场安装检验批质量验收记录表2.7.5 钢-混凝土结合梁检验批质量验收记录表2.7.6 混凝土结合梁检验批质量验收记录表2.8 拱部与拱上结构2.8.1 砌筑拱圈检验批质量验收记录表2.8.2 现浇混凝土拱圈检验批质量验收记录表2.8.3 劲性骨架混凝土拱圈检验批质量验收记录表2.8.4 拱圈预制与安装检验批质量验收记录表2.8.5 悬臂拼装的桁架拱检验批质量验收记录表2.8.6 腹拱安装检验批质量验收记录表2.8.7 钢管混凝土拱检验批质量验收记录表2.8.8 中下承式拱吊杆和柔性系杆拱检验批质量验收记录表2.8.9 转体施工拱检验批质量验收记录表2.9 斜拉桥2.9.1 现浇混凝土索塔检验批质量验收记录表2.9.2 混凝土斜拉桥墩顶梁段检验批质量验收记录表2.9.3 支架上浇筑混凝土主梁检验批质量验收记录表2.9.4 悬臂浇筑混凝土主梁检验批质量验收记录表2.9.6 钢箱梁段制作检验批质量验收记录表2.9.7 悬臂拼装、在支架上安装检验批质量验收记录表2.9.8 结合梁的工字钢梁拼装检验批质量验收记录表2.9.9 结合梁的混凝土板施工检验批质量验收记录表2.9.10 斜拉索安装检验批质量验收记录表0 悬索桥0.1 现浇混凝土索塔检验批质量验收记录表0.2 锚碇锚固系统制作检验批质量验收记录表0.3 锚碇锚固系统安装检验批质量验收记录表0.4 锚碇混凝土施工检验批质量验收记录表0.5 预应力锚索张拉检验批质量验收记录表0.6 主索鞍安装检验批质量验收记录表0.7 散索鞍安装检验批质量验收记录表0.8 主缆架设与防护检验批质量验收记录表0.9 索夹和吊索安装检验批质量验收记录表0.10 悬索桥钢箱梁段拼装检验批质量验收记录表1 顶进箱涵1.1 滑板检验批质量验收记录表1.2 预制箱涵检验批质量验收记录表1.3 箱涵顶进检验批质量验收记录表2 桥面系排水设施检验批质量验收记录表2.2 桥面防水层检验批质量验收记录表2.3 水泥混凝土桥面铺装层检验批质量验收记录表2.4 沥青混凝土桥面铺装层检验批质量验收记录表2.5 人行天桥塑胶桥面铺装层检验批质量验收记录表2.6 伸缩装置检验批质量验收记录表2.7 地袱、缘石和挂板检验批质量验收记录表2.8 混凝土栏杆预制及安装检验批质量验收记录表2.9 金属栏杆、防护网检验批质量验收记录表0 防撞护栏、防撞墩、隔离墩检验批质量验收记录表1 人行道检验批质量验收记录表3 附属结构3.1 隔声装置安装检验批质量验收记录表3.2 防眩装置安装检验批质量验收记录表3.3 混凝土梯道安装检验批质量验收记录表3.4 钢梯道制作与安装检验批质量验收记录表3.5 桥头搭板检验批质量验收记录表3.6 防冲刷结构检验批质量验收记录表3.7 照明系统检验批质量验收记录表4 装饰与装修4.1 水泥砂浆普通抹面检验批质量验收记录表4.2 水磨石装饰抹面检验批质量验收记录表4.3 水刷石装饰抹面检验批质量验收记录表4.4 剁斧石装饰抹面检验批质量验收记录表4.5 镶天然石饰面板检验批质量验收记录表4.6 镶人造石饰面板检验批质量验收记录表4.7 贴饰面砖检验批质量验收记录表4.8 涂饰检验批质量验收记录表5 竣工验收5.1 工程竣工验收检验批质量验收记录表5.2 单位(子单位)工程观感检查记录木模板制作检验批质量验收记录表钢模板制作检验批质量验收记录表模板、支架和拱架安装检验批质量验收记录表钢筋加工检验批质量验收记录表钢筋网加工检验批质量验收记录表钢筋成形和安装检验批质量验收记录表编混凝土原材料及配合比检验批质量验收记录表预应力材料检验批质量验收记录表钢丝、钢绞线先张法施工检验批质量验收记录表砌体工程检验批质量验收记录表基坑、地基、回填土检验批质量验收记录表现浇混凝土基础检验批质量验收记录表钢管桩制作检验批质量验收记录表沉桩检验批质量验收记录表混凝土灌注桩检验批质量验收记录表沉井制作检验批质量验收记录表沉井浮运下沉与清基封底检验批质量验收记录表地下连续墙检验批质量验收记录表现浇混凝土承台检验批质量验收记录表浆砌块石砌筑墩台检验批质量验收记录表浆砌料石、砌块砌筑墩台检验批质量验收记录表现浇混凝土墩台检验批质量验收记录表预制安装混凝土柱检验批质量验收记录表现浇混凝土盖梁检验批质量验收记录表人行天桥钢墩柱检验批质量验收记录表台背填土检验批质量验收记录表支座检验批质量验收记录表支架上浇筑梁(板)检验批质量验收记录表混凝土梁(板)预制检验批质量验收记录表混凝土梁(板)安装检验批质量验收记录表悬臂浇筑混凝土梁检验批质量验收记录表钢桁梁节段制作检验批质量验收记录表钢板梁制作检验批质量验收记录表钢箱形梁制作检验批质量验收记录表钢梁现场安装检验批质量验收记录表钢-混凝土结合梁检验批质量验收记录表砌筑拱圈检验批质量验收记录表现浇混凝土拱圈检验批质量验收记录表。
模板、支架和拱架检验批质量验收记录
桥梁钢筋检验批质量验收记录
桥梁混凝土检验批质量验收记录
预应力混凝土检验批质量验收记录
桥梁砌体(石料)检验批质量验收记录
扩大基础(基坑开挖、地基检验)检验批质量验收记录
扩大基础(土方回填)检验批质量验收记录
扩大基础(现浇混凝土)检验批质量验收记录
扩大基础(砌体基础)检验批质量验收记录
沉入桩(预制桩)检验批质量验收记录
钢管桩制作检验批质量验收记录
沉桩质量检验批质量验收记录
混凝土灌注桩检验批质量验收记录
沉井基础(沉井制作)质量检验批质量验收记录
沉井基础(沉井浮运)检验批质量验收记录
沉井下沉检验批质量验收记录
封底填充混凝土检验批质量验收记录
地下连续墙检验批质量验收记录
现浇混凝土承台检验批质量验收记录
墩台砌体检验批质量验收记录
现浇混凝土墩台质量检验批质量验收记录。
模板制作工程验收批质量验收记录质验表(桥)—1 建设单位:监理单位:合同号:模板、支架和拱架安装工程验收批质量验收记录(一)质验表(桥)—2.1 建设单位:监理单位:合同号:模板、支架和拱架安装工程验收批质量验收记录(二)质验表(桥)—2.2 建设单位:监理单位:合同号:钢筋加工工程验收批质量验收记录质验表(桥)—3 建设单位:监理单位:合同号:钢筋网工程验收批质量验收记录质验表(桥)—4 建设单位:监理单位:合同号:钢筋成形和安装工程验收批质量验收记录质验表(桥)— 5 建设单位:监理单位:合同号:南通市建设工程质量监督站监制混凝土工程验收批质量验收记录质验表(桥)—6 建设单位:监理单位:合同号:南通市建设工程质量监督站监制预应力张拉先张法工程验收批质量验收记录质验表(桥)—7 建设单位:监理单位:合同号:南通市建设工程质量监督站监制预应力张拉后张法工程验收批质量验收记录质验表(桥)—8 建设单位:监理单位:合同号:南通市建设工程质量监督站监制砌体工程验收批质量验收记录质验表(桥)—9 建设单位:监理单位:合同号:南通市建设工程质量监督站监制基坑开挖工程检验批质量验收记录质验表(桥)—10 建设单位:监理单位:合同号:南通市建设工程质量监督站监制现浇混凝土基础工程检验批质量验收记录质验表(桥)—11 建设单位:监理单位:合同号:南通市建设工程质量监督站监制砌体基础工程检验批质量验收记录质验表(桥)—12 建设单位:监理单位:合同号:南通市建设工程质量监督站监制钢筋混凝土和预应力混凝土桩的预制工程检验批质量验收记录质验表(桥)—13 建设单位:监理单位:合同号:南通市建设工程质量监督站监制钢管桩工程检验批质量验收记录质验表(桥)—14 建设单位:监理单位:合同号:南通市建设工程质量监督站监制沉桩工程检验批质量验收记录质验表(桥)—15 建设单位:监理单位:合同号:南通市建设工程质量监督站监制混凝土灌注桩工程检验批质量验收记录质验表(桥)—16 建设单位:监理单位:合同号:南通市建设工程质量监督站监制混凝土沉井工程检验批质量验收记录质验表(桥)—17 建设单位:监理单位:合同号:南通市建设工程质量监督站监制沉井下沉工程验收批质量验收记录质验表(桥)—18 建设单位:监理单位:合同号:南通市建设工程质量监督站监制地下连续墙工程验收批质量验收记录质验表(桥)—19 建设单位:监理单位:合同号:南通市建设工程质量监督站监制混凝土承台工程验收批质量验收记录质验表(桥)—20 建设单位:监理单位:合同号:南通市建设工程质量监督站监制砌筑墩台工程检验批质量验收记录质验表(桥)—21 建设单位:监理单位:合同号:精心打造现浇混凝土墩台工程检验批质量验收记录质验表(桥)—22 建设单位:监理单位:合同号:南通市建设工程质量监督站监制精心打造预制混凝土柱工程检验批质量验收记录质验表(桥)—23 建设单位:监理单位:合同号:南通市建设工程质量监督站监制预制柱安装工程检验批质量验收记录质验表(桥)—24 建设单位:监理单位:合同号:南通市建设工程质量监督站监制现浇混凝土盖梁工程检验批质量验收记录质验表(桥)—25 建设单位:监理单位:合同号:南通市建设工程质量监督站监制质验表(桥)—26 建设单位:监理单位:合同号:质验表(桥)—27 建设单位:监理单位:合同号:南通市建设工程质量监督站监制支座工程验收批质量验收记录质验表(桥梁)—28 建设单位:监理单位:合同号:南通市建设工程质量监督站监制整体浇筑梁(板)工程验收批质量验收记录质验表(桥梁)—29 建设单位:监理单位:合同号:预制梁(板)工程验收批质量验收记录质验表(桥梁)—30.1 建设单位:监理单位:合同号:预制梁(板)安装工程验收批质量验收记录质验表(桥梁)—30.2 建设单位:监理单位:合同号:南通市建设工程质量监督站监制悬臂浇筑预应力混凝土梁工程验收批质量验收记录质验表(桥梁)—31 建设单位:监理单位:合同号:南通市建设工程质量监督站监制悬臂拼装预应力混凝土梁工程验收批质量验收记录质验表(桥梁)—32 建设单位:监理单位:合同号:顶推施工梁工程验收批质量验收记录质验表(桥梁)—33 建设单位:监理单位:合同号:钢板梁制作工程验收批质量验收记录质验表(桥梁)—34.1 建设单位:监理单位:合同号:钢桁梁节段制作工程验收批质量验收记录质验表(桥梁)—34.2 建设单位:监理单位:合同号:钢箱形梁制作工程验收批质量验收记录质验表(桥梁)—34.3 建设单位:监理单位:合同号:钢梁安装工程验收批质量验收记录质验表(桥梁)—35 建设单位:监理单位:合同号:结合梁工程验收批质量验收记录质验表(桥梁)—36 建设单位:监理单位:合同号:南通市建设工程质量监督站监制砌筑拱圈工程验收批质量验收记录质验表(桥梁)—37 建设单位:监理单位:合同号:现浇混凝土拱圈工程验收批质量验收记录质验表(桥梁)—38 建设单位:监理单位:合同号:南通市建设工程质量监督站监制劲性骨架混凝土拱圈工程验收批质量验收记录质验表(桥梁)—39 建设单位:监理单位:合同号:南通市建设工程质量监督站监制建设单位:监理单位:合同号:南通市建设工程质量监督站监制建设单位:监理单位:合同号:南通市建设工程质量监督站监制质验表(桥梁)—40.3 建设单位:监理单位:合同号:南通市建设工程质量监督站监制质验表(桥梁)—41 建设单位:监理单位:合同号:南通市建设工程质量监督站监制中下承式拱吊杆和柔性系杆工程验收批质量验收记录质验表(桥梁)—42 建设单位:监理单位:合同号:南通市建设工程质量监督站监制转体施工拱工程验收批质量验收记录质验表(桥梁)—43 建设单位:监理单位:合同号:南通市建设工程质量监督站监制。
模板制作工程验收批质量验收记录质验表(桥)—1 建设单位:监理单位:合同号:南通市建设工程质量监督站监制模板、支架和拱架安装工程验收批质量验收记录(一)质验表(桥)—2.1 建设单位:监理单位:合同号:模板、支架和拱架安装工程验收批质量验收记录(二)质验表(桥)—2.2 建设单位:监理单位:合同号:钢筋加工工程验收批质量验收记录质验表(桥)—3 建设单位:监理单位:合同号:钢筋网工程验收批质量验收记录质验表(桥)—4 建设单位:监理单位:合同号:南通市建设工程质量监督站监制钢筋成形和安装工程验收批质量验收记录质验表(桥)— 5 建设单位:监理单位:合同号:南通市建设工程质量监督站监制混凝土工程验收批质量验收记录质验表(桥)—6 建设单位:监理单位:合同号:南通市建设工程质量监督站监制预应力张拉先张法工程验收批质量验收记录质验表(桥)—7 建设单位:监理单位:合同号:南通市建设工程质量监督站监制预应力张拉后张法工程验收批质量验收记录质验表(桥)—8 建设单位:监理单位:合同号:南通市建设工程质量监督站监制砌体工程验收批质量验收记录质验表(桥)—9 建设单位:监理单位:合同号:南通市建设工程质量监督站监制基坑开挖工程检验批质量验收记录质验表(桥)—10 建设单位:监理单位:合同号:南通市建设工程质量监督站监制现浇混凝土基础工程检验批质量验收记录质验表(桥)—11 建设单位:监理单位:合同号:南通市建设工程质量监督站监制砌体基础工程检验批质量验收记录质验表(桥)—12 建设单位:监理单位:合同号:南通市建设工程质量监督站监制钢筋混凝土和预应力混凝土桩的预制工程检验批质量验收记录质验表(桥)—13 建设单位:监理单位:合同号:南通市建设工程质量监督站监制钢管桩工程检验批质量验收记录质验表(桥)—14 建设单位:监理单位:合同号:南通市建设工程质量监督站监制沉桩工程检验批质量验收记录质验表(桥)—15 建设单位:监理单位:合同号:南通市建设工程质量监督站监制混凝土灌注桩工程检验批质量验收记录质验表(桥)—16 建设单位:监理单位:合同号:南通市建设工程质量监督站监制混凝土沉井工程检验批质量验收记录质验表(桥)—17 建设单位:监理单位:合同号:南通市建设工程质量监督站监制沉井下沉工程验收批质量验收记录质验表(桥)—18 建设单位:监理单位:合同号:南通市建设工程质量监督站监制地下连续墙工程验收批质量验收记录质验表(桥)—19 建设单位:监理单位:合同号:南通市建设工程质量监督站监制混凝土承台工程验收批质量验收记录质验表(桥)—20 建设单位:监理单位:合同号:南通市建设工程质量监督站监制砌筑墩台工程检验批质量验收记录质验表(桥)—21 建设单位:监理单位:合同号:……………………………………………………………最新资料推荐…………………………………………………现浇混凝土墩台工程检验批质量验收记录质验表(桥)—22 建设单位:监理单位:合同号:南通市建设工程质量监督站监制……………………………………………………………最新资料推荐…………………………………………………预制混凝土柱工程检验批质量验收记录质验表(桥)—23 建设单位:监理单位:合同号:南通市建设工程质量监督站监制预制柱安装工程检验批质量验收记录质验表(桥)—24 建设单位:监理单位:合同号:南通市建设工程质量监督站监制现浇混凝土盖梁工程检验批质量验收记录质验表(桥)—25 建设单位:监理单位:合同号:南通市建设工程质量监督站监制质验表(桥)—26 建设单位:监理单位:合同号:质验表(桥)—27 建设单位:监理单位:合同号:南通市建设工程质量监督站监制支座工程验收批质量验收记录质验表(桥梁)—28 建设单位:监理单位:合同号:南通市建设工程质量监督站监制整体浇筑梁(板)工程验收批质量验收记录质验表(桥梁)—29 建设单位:监理单位:合同号:预制梁(板)工程验收批质量验收记录质验表(桥梁)—30.1 建设单位:监理单位:合同号:预制梁(板)安装工程验收批质量验收记录质验表(桥梁)—30.2 建设单位:监理单位:合同号:南通市建设工程质量监督站监制悬臂浇筑预应力混凝土梁工程验收批质量验收记录质验表(桥梁)—31 建设单位:监理单位:合同号:南通市建设工程质量监督站监制悬臂拼装预应力混凝土梁工程验收批质量验收记录质验表(桥梁)—32 建设单位:监理单位:合同号:顶推施工梁工程验收批质量验收记录质验表(桥梁)—33 建设单位:监理单位:合同号:钢板梁制作工程验收批质量验收记录质验表(桥梁)—34.1 建设单位:监理单位:合同号:钢桁梁节段制作工程验收批质量验收记录质验表(桥梁)—34.2 建设单位:监理单位:合同号:钢箱形梁制作工程验收批质量验收记录质验表(桥梁)—34.3 建设单位:监理单位:合同号:钢梁安装工程验收批质量验收记录质验表(桥梁)—35 建设单位:监理单位:合同号:结合梁工程验收批质量验收记录质验表(桥梁)—36 建设单位:监理单位:合同号:南通市建设工程质量监督站监制砌筑拱圈工程验收批质量验收记录质验表(桥梁)—37 建设单位:监理单位:合同号:现浇混凝土拱圈工程验收批质量验收记录质验表(桥梁)—38 建设单位:监理单位:合同号:南通市建设工程质量监督站监制劲性骨架混凝土拱圈工程验收批质量验收记录质验表(桥梁)—39 建设单位:监理单位:合同号:南通市建设工程质量监督站监制建设单位:监理单位:合同号:南通市建设工程质量监督站监制建设单位:监理单位:合同号:南通市建设工程质量监督站监制质验表(桥梁)—40.3 建设单位:监理单位:合同号:南通市建设工程质量监督站监制质验表(桥梁)—41 建设单位:监理单位:合同号:南通市建设工程质量监督站监制中下承式拱吊杆和柔性系杆工程验收批质量验收记录质验表(桥梁)—42 建设单位:监理单位:合同号:南通市建设工程质量监督站监制转体施工拱工程验收批质量验收记录质验表(桥梁)—43 建设单位:监理单位:合同号:南通市建设工程质量监督站监制。
市政工程检验批质量检收记录全套表格土方路基检验批质量检验记录市政质检·1·1第页,共页挖石方路基检验批质量检验记录市政质检·1·2第页,共页填石方路基检验批质量检验记录市政质检·1·3 第 页,共 页路肩检验批质量检验记录市政质检·1·4 第 页,共 页砂垫层软土路基检验批质量检验记录市政质检·1·5第页,共页市政质检·1·6第页,共页土工材料处理软土路基检验批质量检验记录市政质检·1·7第页,共页袋装砂井检验批质量检验记录市政质检·1·8第页,共页塑料排水板检验批质量检验记录市政质检·1·9第 页,共 页砂桩处理软土路基检验批质量检验记录市政质检·1·10第 页,共 页碎石桩处理软土路基检验批质量检验记录市政质检·1·11第页,共页粉喷桩处理软土路基检验批质量检验记录市政质检·1·12第页,共页湿陷性黄土强夯路基检验批质量检验记录市政质检·1·13第页,共页石灰稳定土,石灰、粉煤灰稳定砂砾(碎石), 粉煤灰稳定钢渣基层及底基层检验批质量检验记录市政质检·1·14 第 页,共 页水泥稳定土类基层及底基层检验批质量检验记录市政质检·1·15 第 页,共 页市政质检·1·16第页,共页级配碎石及级配碎砾石基层和底基层检验批质量检验记录市政质检·1·17 第 页,共 页市政质检·1·18第页,共页市政质检·1·19第页,共页热拌沥青混合料检验批质量检验记录市政质检·1·20第页,共页热拌沥青混合料面层检验批质量检验记录市政质检·1·21第页,共页冷拌沥青混合料面层检验批质量检验记录市政质检·1·22 第 页,共 页沥青混合料面层透层检验批质量检验记录市政质检·1·23 第 页,共 页沥青混合料面层粘层检验批质量检验记录市政质检·1·24第页,共页沥青混合料面层封层检验批质量检验记录市政质检·1·25第页,共页沥青贯入式面层检验批质量检验记录市政质检·1·26第页,共页沥青表面处治施工检验批质量检验记录市政质检·1·27第页,共页水泥混凝土面层原材料检验批质量检验记录市政质检·1·28 页,共 页混凝土面层检验批质量检验记录市政质检·1·29第 页,共 页铺砌式料石面层检验批质量检验记录市政质检·1·30 第 页,共 页市政质检·1·31第页,共页广场与停车场料石面层检验批质量检验记录市政质检·1·32第页,共页广场与停车场预制混凝土砌块面层检验批质量检验记录市政质检·1·33第页,共页广场与停车场沥青混合料面层检验批质量检验记录市政质检·1·34 第 页,共 页广场与停车场水泥混凝土面层检验批质量检验记录市政质检·1·35 第 页,共 页料石铺砌人行道面层检验批质量检验记录市政质检·1·36 第 页,共 页混凝土预制铺砌人行道(含盲道)面层检验批质量检验记录市政质检·1·37第页,共页沥青混凝土铺筑人行道面层检验批质量检验记录市政质检·1·38第页,共页人行地道结构地基检验批质量检验记录市政质检·1·39第页,共页人行地道结构防水层检验批质量检验记录市政质检·1·40第页,共页人行地道结构基础模板安装检验批质量检验记录市政质检·1·41第页,共页人行地道结构钢筋加工、成型与安装检验批质量检验记录市政质检·1·42第 页,共 页人行地道结构混凝土基础检验批质量检验记录市政质检·1·43第页,共页现浇钢筋混凝土人行地道结构墙与顶板模板安装检验批质量检验记录市政质检·1·44第页,共页现浇钢筋混凝土人行地道结构墙与顶板混凝土检验批质量检验记录市政质检·1·45第页,共页预制钢筋混凝土人行地道结构墙板检验批质量检验记录预制钢筋混凝土人行地道结构顶板检验批质量检验记录市政质检·1·47第 页,共 页预制钢筋混凝土人行地道结构 墙板、顶板安装检验批质量检验记录市政质检·1·48 第 页,共 页砌筑墙体、钢筋混凝土顶板人行地道结构墙体砌筑检验批质量检验记录市政质检·1·49第 页,共 页第页,共页挡土墙地基检验批质量检验记录挡土墙模板安装检验批质量检验记录市政质检·1·51第页,共页挡土墙钢筋加工、成型与安装检验批质量检验记录市政质检·1·52第页,共页挡土墙基础混凝土检验批质量检验记录市政质检·1·53第页,共页现浇混凝土挡土墙检验批质量检验记录市政质检·1·54第页,共页挡土墙滤层、泄水孔检验批质量检验记录市政质检·1·55 第 页,共 页挡土墙回填土检验批质量检验记录市政质检·1·56 第 页,共 页帽石检验批质量检验记录市政质检·1·57第页,共页市政质检·1·58第页,共页装配式钢筋混凝土挡土墙墙板预制检验批质量检验记录市政质检·1·59第页,共页装配式钢筋混凝土挡土墙检验批质量检验记录。
9 检查评分方法9。
1 检查评分办法9.1。
1 在市政工程施工安全检查评定中,保证项目应全数检查.9。
1.2 市政工程施工安全检查评定应符合本标准第3章~第8章中各检查评定项目的有关规定,并应按本标准附录A 、附录B 的评分表进行评分。
检查评分表应分为通用检查项目、地基基础工程、脚手架与作业平台工程、模板工程及支撑系统、地下暗挖与顶管工程、起重吊装工程分项检查评分表和检查评分汇总表。
9.1。
3 各评分表的评分应符合下列规定:1 分项检查评分表和检查评分汇总表的满分分值均应为100分,评分表的实得分值应为各检查项目所得分值之和;2 分项检查评分应采用扣减分值的方法,扣减分值总和不得超过该检查项目的应得分值;3 当按分项检查评分表评分时,保证项目中有一项未得分或保证项目小计得分不足49分,此分项检查评分表不应得分;4 检查评分汇总表中各分项项目实得分值应按下式计算:1100B AC =⨯(9。
1.3-1)式中:1A -—汇总表中各分项项目实得分值;B —-汇总表中该项应得满分值;C —-该项检查评分表实得分值.5 当评分遇有缺项时,分项检查评分表或检查评分汇总表的总得分值应按下式计算:2100DA E=⨯ (9。
1。
3—2)式中:2A ——遇有缺项时总得分值;D —-实查项目在该表的实得分值之和;E -—实查项目在该表的应得满分值之和。
6 地基基础工程、脚手架与作业平台工程、模板工程及支撑系统、地下暗挖与顶管工程、起重吊装工程项目的实得分值,应为所对应专业的分项检查评分表实得分值的算术平均值。
9.2 检查等级9.2。
1市政工程施工安全检查应按汇总表的总得分和分项检查评分表的得分,划分为合格、不合格两个等级。
9.2。
2 市政工程施工安全检查评定的等级划分应符合下列规定:1分项检查评分表保证项目分值均应达到第9。
1.3条规定得分标准,汇总表得分值应在70分及以上,且保证项目得分值在49分以上时,应为合格。
市政桥梁工程质量检验表格(DOC 107页)2 城市桥梁工程2.1 模板、支架和拱架2.1.1 木模板制作检验批质量验收记录表2.1.2 钢模板制作检验批质量验收记录表2.1.3 模板、支架和拱架安装检验批质量验收记录表2.2 钢筋工程2.2.1 钢筋加工检验批质量验收记录表2.2.2 钢筋网加工检验批质量验收记录表2.2.3 钢筋成形和安装检验批质量验收记录表2.3 混凝土、预应力混凝土和砌体工程2.3.1 混凝土原材料及配合比检验批质量验收记录表2.3.2 预应力材料检验批质量验收记录表2.3.3 钢丝、钢绞线先张法施工检验批质量验收记录表2.3.4 钢筋先张法施工检验批质量验收记录表2.3.5 钢筋后张法施工检验批质量验收记录表2.3.6 砌体工程检验批质量验收记录表2.4 基础工程2.4.1 基坑、地基、回填土检验批质量验收记录表2.4.2 现浇混凝土基础检验批质量验收记录表2.4.3 砌体基础检验批质量验收记录表2.4.4 预制桩检验批质量验收记录表2.4.5 钢管桩制作检验批质量验收记录表2.4.6 沉桩检验批质量验收记录表2.4.7 混凝土灌注桩检验批质量验收记录表2.4.8 沉井制作检验批质量验收记录表2.4.9 沉井浮运下沉与清基封底检验批质量验收记录表2.4.10 地下连续墙检验批质量验收记录表2.4.11 现浇混凝土承台检验批质量验收记录表2.5 墩台和支座2.5.1 浆砌块石砌筑墩台检验批质量验收记录表2.5.2 浆砌料石、砌块砌筑墩台检验批质量验收记录表2.5.3 现浇混凝土墩台检验批质量验收记录表2.5.4 现浇混凝土(柱)检验批质量验收记录表2.5.5 现浇混凝土挡墙检验批质量验收记录表2.5.6 预制安装混凝土柱检验批质量验收记录表2.5.7 现浇混凝土盖梁检验批质量验收记录表2.5.8 人行天桥钢墩柱检验批质量验收记录表2.5.9 台背填土检验批质量验收记录表2.5.10 支座检验批质量验收记录表2.6 混凝土梁(板)2.6.1 支架上浇筑梁(板)检验批质量验收记录表2.6.2 混凝土梁(板)预制检验批质量验收记录表2.6.3 混凝土梁(板)安装质量验收记录表2.6.4 悬臂浇筑混凝土梁检验批质量验收记录表2.6.5 悬臂拼装预应力混凝土梁检验批质量验收记录表2.6.6 顶推施工预应力混凝土梁检验批质量验收记录表2.7 钢梁与结合梁2.7.1 钢桁梁节段制作检验批质量验收记录表2.7.2 钢板梁制作检验批质量验收记录表2.7.3 钢箱形梁制作检验批质量验收记录表2.7.4 钢梁现场安装检验批质量验收记录表2.7.5 钢-混凝土结合梁检验批质量验收记录表2.7.6 混凝土结合梁检验批质量验收记录表2.8 拱部与拱上结构2.8.1 砌筑拱圈检验批质量验收记录表2.8.2 现浇混凝土拱圈检验批质量验收记录表2.8.3 劲性骨架混凝土拱圈检验批质量验收记录表2.8.4 拱圈预制与安装检验批质量验收记录表2.8.5 悬臂拼装的桁架拱检验批质量验收记录表2.8.6 腹拱安装检验批质量验收记录表2.8.7 钢管混凝土拱检验批质量验收记录表2.8.8 中下承式拱吊杆和柔性系杆拱检验批质量验收记录表2.8.9 转体施工拱检验批质量验收记录表2.9 斜拉桥2.9.1 现浇混凝土索塔检验批质量验收记录表2.9.2 混凝土斜拉桥墩顶梁段检验批质量验收记录表2.9.3 支架上浇筑混凝土主梁检验批质量验收记录表2.9.4 悬臂浇筑混凝土主梁检验批质量验收记录表2.9.5 悬臂拼装混凝土主梁检验批质量验收记录表2.9.6 钢箱梁段制作检验批质量验收记录表2.9.7 悬臂拼装、在支架上安装检验批质量验收记录表2.9.8 结合梁的工字钢梁拼装检验批质量验收记录表2.9.9 结合梁的混凝土板施工检验批质量验收记录表2.9.10 斜拉索安装检验批质量验收记录表2.10 悬索桥2.10.1 现浇混凝土索塔检验批质量验收记录表2.10.2 锚碇锚固系统制作检验批质量验收记录表2.10.3 锚碇锚固系统安装检验批质量验收记录表2.10.4 锚碇混凝土施工检验批质量验收记录表2.10.5 预应力锚索张拉检验批质量验收记录表2.10.6 主索鞍安装检验批质量验收记录表2.10.7 散索鞍安装检验批质量验收记录表2.10.8 主缆架设与防护检验批质量验收记录表2.10.9 索夹和吊索安装检验批质量验收记录表2.10.10 悬索桥钢箱梁段拼装检验批质量验收记录表2.11 顶进箱涵2.11.1 滑板检验批质量验收记录表2.11.2 预制箱涵检验批质量验收记录表2.11.3 箱涵顶进检验批质量验收记录表2.12 桥面系2.12.1 排水设施检验批质量验收记录表2.12.2 桥面防水层检验批质量验收记录表2.12.3 水泥混凝土桥面铺装层检验批质量验收记录表2.12.4 沥青混凝土桥面铺装层检验批质量验收记录表2.12.5 人行天桥塑胶桥面铺装层检验批质量验收记录表2.12.6 伸缩装置检验批质量验收记录表2.12.7 地袱、缘石和挂板检验批质量验收记录表2.12.8 混凝土栏杆预制及安装检验批质量验收记录表2.12.9 金属栏杆、防护网检验批质量验收记录表2.12.10 防撞护栏、防撞墩、隔离墩检验批质量验收记录表2.12.11 人行道检验批质量验收记录表2.13 附属结构2.13.1 隔声装置安装检验批质量验收记录表2.13.2 防眩装置安装检验批质量验收记录表2.13.3 混凝土梯道安装检验批质量验收记录表2.13.4 钢梯道制作与安装检验批质量验收记录表2.13.5 桥头搭板检验批质量验收记录表2.13.6 防冲刷结构检验批质量验收记录表2.13.7 照明系统检验批质量验收记录表2.14 装饰与装修2.14.1 水泥砂浆普通抹面检验批质量验收记录表2.14.2 水磨石装饰抹面检验批质量验收记录表2.14.3 水刷石装饰抹面检验批质量验收记录表2.14.4 剁斧石装饰抹面检验批质量验收记录表2.14.5 镶天然石饰面板检验批质量验收记录表2.14.6 镶人造石饰面板检验批质量验收记录表2.14.7 贴饰面砖检验批质量验收记录表2.14.8 涂饰检验批质量验收记录表2.15 竣工验收2.15.1 工程竣工验收检验批质量验收记录表2.15.2 单位(子单位)工程观感检查记录木模板制作检验批质量验收记录表编号:__________钢模板制作检验批质量验收记录表编号:__________模板、支架和拱架安装检验批质量验收记录表编号:__________钢筋加工检验批质量验收记录表编号:__________钢筋网加工检验批质量验收记录表编号:__________钢筋成形和安装检验批质量验收记录表编号:__________混凝土原材料及配合比检验批质量验收记录表编号:__________预应力材料检验批质量验收记录表编号:__________钢丝、钢绞线先张法施工检验批质量验收记录表编号:__________钢筋先张法施工检验批质量验收记录表编号:__________钢筋后张法施工检验批质量验收记录表编号:__________砌体工程检验批质量验收记录表编号:__________基坑、地基、回填土检验批质量验收记录表编号:__________现浇混凝土基础检验批质量验收记录表编号:__________砌体基础检验批质量验收记录表编号:__________预制桩检验批质量验收记录表编号:__________钢管桩制作检验批质量验收记录表编号:__________沉桩检验批质量验收记录表编号:__________混凝土灌注桩检验批质量验收记录表编号:__________沉井制作检验批质量验收记录表编号:__________沉井浮运下沉与清基封底检验批质量验收记录表编号:__________地下连续墙检验批质量验收记录表编号:__________现浇混凝土承台检验批质量验收记录表编号:__________浆砌块石砌筑墩台检验批质量验收记录表编号:__________浆砌料石、砌块砌筑墩台检验批质量验收记录表编号:__________现浇混凝土墩台检验批质量验收记录表编号:__________现浇混凝土(柱)检验批质量验收记录表编号:__________现浇混凝土挡墙检验批质量验收记录表编号:__________预制安装混凝土柱检验批质量验收记录表编号:__________现浇混凝土盖梁检验批质量验收记录表编号:__________人行天桥钢墩柱检验批质量验收记录表编号:__________台背填土检验批质量验收记录表编号:__________支座检验批质量验收记录表编号:__________支架上浇筑梁(板)检验批质量验收记录表编号:__________混凝土梁(板)预制检验批质量验收记录表编号:__________混凝土梁(板)安装检验批质量验收记录表编号:__________悬臂浇筑混凝土梁检验批质量验收记录表编号:__________。