变速器换挡叉14.2任务书
- 格式:doc
- 大小:644.85 KB
- 文档页数:17
摘要变速器换档叉位于主轴箱。
主要作用是传递扭矩,使变速器获得换档的动力。
优点是可以从一种速度直接变到另一种速度,而不需要经过中间的一系列,因此变速很方便;其缺点是比较复杂。
本课题根据调查研究所提供的数据和有关技术资料,运用机械制造技术理论等相关专业知识对变速器换挡叉零件的作用和工艺进行了分析和计算,并对该换挡叉的加工工艺以及其夹具进行了优化设计。
本论文制定了变速器换挡叉的工艺规程方案,拟定了夹具设计方案并完成了其第五工序的夹具结构设计。
最后通过使用AUTOCAD绘制装配图和零部件图,用PRO/E进行实体建模,生成能够用于实际生产的工程图纸,保证了加工质量的高效、省力、经济合理。
关键字:变速器换档叉,工艺规程,夹具,PRO/E实目录摘要 (I)第1章变速器换挡叉零件工艺分析 (1)1.1 变速器换挡叉零件的作用与工艺分析 (1)1.1.1 变速器换挡叉零件的作用 (1)1.1.2 变速器换挡叉零件的工作原理 (1)1.1.3 变速器换挡叉的工艺分析 (1)1.2 换挡叉的零件关键表面的技术要求 (3)第2章变速器换挡叉零件工艺设计 (4)2.1 换挡叉毛坯生产类型的确定 (4)2.2 变速器换挡叉的毛坯选择与毛坯图说明 (4)2.2.1 确定换挡叉毛坯的制造形式 (4)2.2.2 确定换挡叉毛坯的尺寸公差和机械加工余量 (4)第3章铣14.2缺口夹具设计 (13)3.1 总体方案设计 (13)3.2定位分析及误差计算 (14)3.3 夹紧机构设计与夹紧力计算 (14)3.4 对刀及引导装置设计 (15)3.5 夹紧操作动作说明 (15)参考文献 (16)设计心得 (17)第1章变速器换挡叉零件工艺分析1.1 变速器换挡叉零件的作用与工艺分析1.1.1 变速器换挡叉零件的作用变速器换档叉又叫拨叉,作用是拨动同步器齿环,以实现哥前进档齿轮的结合和分离,倒挡齿轮无同步器,拨叉直接拨动倒挡齿轮,以达到切换倒挡。
目录一、设计任务书 (1)二、零件分析1、零件的作用 (2)2、零件的工艺分析 (2)三、工艺规程的设计1、确定毛坯的设计制造 (3)2、基准的选择 (3)3、制定工艺路线 (4)4、机械加工余量、工序尺寸及毛坯尺寸的确定 (6)5、确定切削用量及基本工时 (7)四、心得体会 (10)参考文献 (11)二、零件分析1、零件的作用:该零件是变速器换挡叉,如零件图所示。
它位于传动轴的端部,主要作用是换档。
使变速器获得换挡的动力。
2、零件的工艺分析:由零件图可知,其材料为35钢,锻造成型,由零件的尺寸公差选择模锻加工成型,保证不加工表面达到要求的尺寸公差。
现分述如下:(1)Φ15.81的孔。
(2)以Φ15.81孔为基准的16×56两侧面和叉口的前后两侧面。
(3)以Φ15.81孔为基准的其它几个平面及槽。
(4)M10×1-7H的螺纹孔。
这几组加工面之间有着一定的位置要求,主要是Φ15.81mm孔的中心线与叉口的前后两侧面的垂直度公差为0.15mm。
三、工艺规程的设计1、确定毛坯的设计制造:零件的材料为35钢,常用的毛坯有铸件、锻件、型材、冲压件和焊接件等。
考虑到零件在工作时要求较高的强度和抗扭性,非加工面的尺寸精度要求较高,以及批量为大批量生产,所以采用锻件,模锻毛坯成型。
2、基准的选择:基面选择是工艺规程设计中的重要工作之一。
基面选择得正确与合理可以使加工质量得到保证,生产率得以提高。
否则,加工工艺过程中回问题百出,更有甚者,还会造成零件的大批报废,使生产无法正常进行。
(1)粗基准的选择:选择定位粗基准是要能加工出精基准,同时要明确哪一方面的要求是主要的。
粗基准的选择应以下面的几点为原则:a.当必须保证加工表面与非加工表面的位置和尺寸时,应选非加工的表面作为基准。
b.应选能加工出精基准的毛坯表面作为粗基准。
c.要保证工件上某重要表面的余量均匀时,应选该表面为定位基准。
d.当全部表面都需要加工时,应选余量最小的表面作为基准,以保证该表面有足够的加工余量。
课程设计说明书设计题目设计“变速器换挡叉”零件的机械加工工艺及铣宽9.65mm槽的夹具设计设计者指导教师摘要本次设计内容涉及了机械制造工艺及机床夹具设计、金属切削机床、公差配合与测量等多方面的知识。
变速换挡叉加工工艺规程及其铣槽的夹具设计是包括零件加工的工艺设计、工序设计以及专用夹具的设计三部分。
在工艺设计中要首先对零件进行分析,了解零件的工艺再设计出毛坯的结构,并选择好零件的加工基准,设计出零件的工艺路线;接着对零件各个工步的工序进行尺寸计算,关键是决定出各个工序的工艺装备及切削用量;然后进行专用夹具的设计,选择设计出夹具的各个组成部件,如定位元件、夹紧元件、引导元件、夹具体与机床的连接部件以及其它部件;计算出夹具定位时产生的定位误差,分析夹具结构的合理性与不足之处,并在以后设计中注意改进。
关键词:工艺、工序、切削用量、夹紧、定位、误差。
ABSTRCTThis design content has involved the machine manufacture craft and the engine bed jig design, the metal-cutting machine tool, the common difference coordination and the survey and so on the various knowledge.The reduction gear box body components technological process and its the processing ¢140 hole jig design is includes the components processing the technological design, the working procedure design as well as the unit clamp design three parts. Must first carry on the analysis in the technological design to the components, understood the components the craft redesigns the semi finished materials the structure, and chooses the good components the processing datum, designs the components the craft route; After that is carrying on the size computation to a components each labor step of working procedure, the key is decides each working procedure the craft equipment and the cutting specifications; Then carries on the unit clamp the design, the choice designs the jig each composition part, like locates the part, clamps the part, guides the part, to clamp concrete and the engine bed connection part as well as other parts; Position error which calculates the jig locates when produces, analyzes the jig structure the rationality and the deficiency, and will design in later pays attention to the improvement.Keywords: The craft, the working procedure, the cutting specifications, clamp, the localization, the error目录序言 (1)一. 零件分析 (2)1.1 零件作用 (2)1.2零件的工艺分析 (3)二. 工艺规程设计 (4)2.1确定毛坯的制造形式 (4)2.2基面的选择传 (5)2.3制定工艺路线 (8)2.4机械加工余量、工序尺寸及毛坯尺寸的确定 (11)2.5确定切削用量及基本工时 (14)三夹具设计 (14)3.1问题的提出 (14)3.2定位基准的选择 (14)3.3切削力及夹紧力计算 (15)3.4定位误差分析 (17)3.5定向键和导向装 (20)3.6夹具设计及操作简要说明 (22)总结 (23)致谢 (24)参考文献 (25)一、零件的分析(一)零件的作用题目所给的零件是变速器换挡叉。
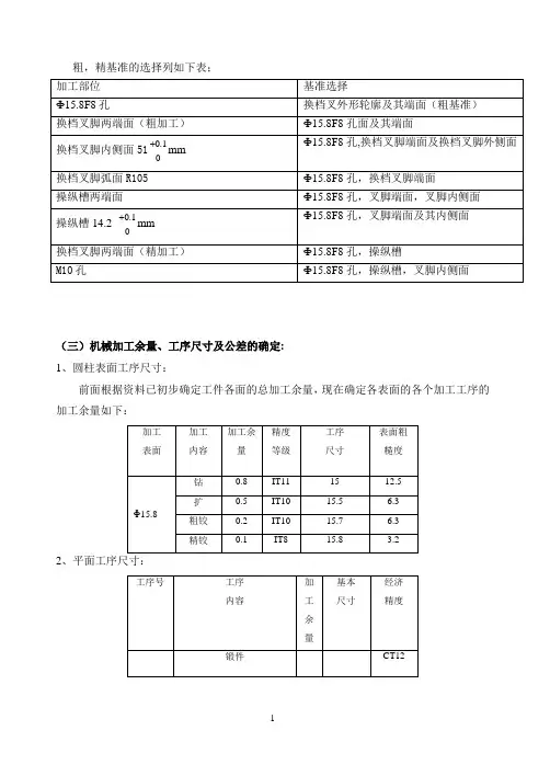
粗,精基准的选择列如下表;(三)机械加工余量、工序尺寸及公差的确定:1、圆柱表面工序尺寸:前面根据资料已初步确定工件各面的总加工余量,现在确定各表面的各个加工工序的加工余量如下:23本零件由于无较好科直接作为基准的无需加工表面,故以互为基准制原则选择2个基准面进行加工。
+槽、粗铣R7.1圆弧、粗铣11端面、粗工序1:以Φ15.8F8心轴定位,粗铣14.21.0铣12.7侧面。
下端面定位,钻Φ15.8F8孔。
工序2:以5.90-.015工序3:以5.90下端面定位,铰Φ15.8F8孔。
-15.0端面,保证其于轴垂直度误差为0.15。
工序4:以Φ15.8F8心轴定位,粗铣5.90-.015工序5:以Φ15.8F8心轴定位,粗铣9.650两端面,粗铣10.3。
-25.0+两侧面,粗铣R28.5圆弧。
工序6:以Φ15.8F8心轴定位,粗铣511.0侧面定位,钻Φ9mm的孔,攻M10螺纹。
工序7:以Φ15.8F8及9.65025-.0工序8:钳工去毛刺,倒脚。
工序9:终检。
四、工序设计1.选择加工设备与工艺装备(1)选择机床根据不同的工序选择机床。
1.工序1、2是钻和铰孔,可用专用夹具在立式钻床上加工,故选用Z525型立式钻床。
2.工序7钻9mm孔,无精度要求,故可同样选取Z525型立式钻床。
3.工序3、4、5、6均为粗铣,应同时选用立式铣床和卧式铣床。
考虑本零件属成批生产,所选机床使用范围较为广宜,故选常用的X52K型立式铣床及X62型卧式铣床能满足加工要求。
(2)选择刀具根据不同的工序选择刀具。
1.在钻床上加工的工序,选用高速钢麻花钻,绞刀则选用高速钢绞刀。
2.铣刀按表5-99选直柄立铣刀(JB/T 6117.1-1996),粗铣511.0+处的尺寸时,选用直径d=5mm的直柄立铣刀,齿数5。
粗铣14.21.0+处的尺寸时,定做直径d=14.2mm的直柄立铣刀;再按表5-105选镶齿三面刃铣刀(JB/T 7953-1999)进行端铣,选用直径d=80mm,宽L=12mm,孔径D=22mm,齿数z=10。
机电及自动化学院机械制造加工工艺课程设计设计题目:变速器换挡叉专业:08机械电子工程学号: **********姓名:指导老师:2011年7月4日目录第一章:零件分析————————————————————- 3 1.1、零件的作用———————————————————— 3 1.2.零件的工艺分析—————————————————— 3 1.3、尺寸和粗糙度的要求———————————————— 3 1.4、位置公差要求——————————————————— 4 第二章:毛坯的设计———————————————————- 4 2.1选择毛坯—————————————————————-- 4 2.2确定机加工余量、毛坯尺寸和公差——————————-- 5 2.3 确定机械加工加工余量———————————————- 6 2.4 确定毛坯—————————————————————- 6 2.5 确定毛坯尺寸公差—————————————————- 6 2.6设计毛坯图————————————————————-- 6 第三章:选择加工方法,拟定工艺路线———————————- 7 3.1、基面的选择———————————————————— 7 3.2、粗基准的选择——————————————————— 7 3.3、精基准的选择——————————————————— 8 3.4、制定机械加工工艺路线——————————————— 8 第四章机械加工余量——————————————————— 9 4.1、各种加工方法加工余量——————————————— 9 4.2、各种加工方法的加工经济精度和表面粗糙度—————— 9 第五章机床设备的选择—————————————————— 9 5.1、生产过程概念——————————————————— 9 5.2、生产类型概念——————————————————— 10 5.3、生产纲领概念——————————————————— 10 5.4、机床设备的选择—————————————————— 10 第六章确定切削用量—————————————————— 11 第七章基本时间的确定—————————————————- 12 第八章设计总结————————————————————- 12 第九章参考文献—————————————————————13第一章:零件分析1.1、零件的作用题目所给定的零件是变速器换档叉,如下图所示。
1 引言机械制造技术基础课程设计是我们在学完了大学的全部基础课,专业基础课以及专业课后进行的,这是我们在进行毕业设计之间对所学的各科课程一次深入的综合性复习,也是一次理论联系实际的训练。
因此,他在我们的大学四年生活中占有重要的地位。
就我个人而言,我希望通过这次课程设计对自己未来将从事的工作进一步适应性的训练,希望自己在设计中能锻炼自己的分析问题、解决问题、查资料的能力,为以后的工作打下良好的基础。
由于能力有限,设计尚有很多不足之处,希望各位老师给予指导。
2 零件分析2.1 零件的功用题目所给的零件是变速器换挡叉材料为35钢,生产纲领设计为5000件/ 年。
要求设计加工该零件用的毛坯图或零件与毛坯合图 1 张,机械加工工艺过程卡片1套,主要工序的机械加工工序卡片1~2份,以及设计说明书 1 份。
它位于车床变速机构中,主要起换挡,使主轴回转运动按照工作者的要求工作,获得所需的速度和扭矩的作用。
该零件是以© 15.8F8孔套在轴上,并用螺栓经M10X1-7H孔与轴定位,拨叉脚卡在双联齿轮的槽中,变速操纵机构通过拨叉头部的操纵槽带动拨叉与轴一起在变速箱中滑动,拨叉脚拨动双联齿轮在花键轴上滑移,从而实现变速。
2.2 零件的工艺分析通过对该零件图的重新绘制,知道图样的视图正确、完整,尺寸、公差及技术要求齐全,零件最高表面粗糙度要求仅为 6.3卩m表面质量要求较低。
拨叉的主要工作表面为操纵槽及拨叉脚两端面。
主要配合面为© 15.8F8孑L> M10X1-7H 孔和拨叉脚内侧面51 。
该零件属特殊形状零件,但复杂程度一般。
由于拨叉在工作时承受一定的力,因此要求有一定的强度、刚度和韧性。
2.3 零件的生产类型依设计题目知:Q=5000件/年,n=1件/次;结合生产实际,备品率a和废品率B分别取为10%口1%代入公式(2-1 )得该零件的生产纲领N=2000X1X(1+10%)X(1+1%)=555件/ 年零件是车床上的变速机构,质量为 0.8Kg,查表2-1可知其属轻型零件,生 产类型为中批生产。
机械制造工程原理课程设计任务书
信息工程学院机械设计制造及其自动化专业2009年级学生姓名:
题目:变速器换挡叉加工工艺及夹具设计(单件生产、中批量生产和大量生产,任选一种)
主要内容:
1.绘制零件的毛坯图或零件—毛坯综合图(A4)。
2.设计零件的机械加工工艺规程,并填写:
(1)整个零件的机械加工工艺过程卡(A4);
(2)所设计夹具对应工序的机械加工工序卡(A4)。
3.设计某工序的夹具一套,绘出总装图(A3)。
4.编写设计说明书。
指导教师:
班级:09 机械
学生:
2012年4 月20日
附一:零件图。
机械制造技术课程设计说明书课程名称:机械制造技术题目名称:变速器换挡叉加工工艺及夹具设计班级:姓名:学号:指导教师:评定成绩:指导老师签名:2009年12月10日目录第一章:零件分析—————————————————————1 1.1、零件的作用———————————————————11.2.零件的工艺分析——————————————————1 1.3、尺寸和粗糙度的要求————————————————2 1.4、位置公差要求——————————————————第二章:毛坯的设计——————————————————2.1选择毛坯—————————————————————2.2确定机加工余量、毛坯尺寸和公差——————————2.3 确定机械加工加工余量———————————————2.4 确定毛坯————————————————————2.5 确定毛坯尺寸公差————————————————2.6设计毛坯图————————————————————第三章:选择加工方法,拟定工艺路线———————————3.1、基面的选择————————————————————3.2、粗基准的选择———————————————————3.3、精基准的选择———————————————————3.4、制定机械加工工艺路线———————————————第四章:加工设备及道具、夹具、量具的选择———————第五章:确定切削用量—————————————————第六章:基本时间的确定————————————————第七章:夹具设计———————————————————第八章:总结—————————————————————第一章:零件分析1.1、零件的作用题目所给定的零件是变速器换档叉,如下图所示。
它位于传动轴的端部,主要作用是换挡。
使变速器获得换档的动力。
1.2.零件的工艺分析由零件图可知,该零件的材料为35#钢,锻造成型,由零件的尺寸公差选择模锻加工成型,保证不加工表面达到要求的尺寸公差。
变速器换挡叉设计这是一个典型的锻造结构件,通过设计这个零件,可以了解CAXA实体设计软件对于机械构件的设计处理方法,并延伸开来,起到举一反三的效果。
充分理解图纸后,我们可以重图纸中提取到两个重要的轮廓,如图所示。
这两个轮廓的重要意义,在接下来的三维建模中会体现出来。
接下来进入正题,打开CAXA实体设计2009软件,新建设计,在“特征”中选择“拉伸”,绘制草图选择X-Y平面。
在草图绘制界面右键,在弹出的菜单选“输入”,如图所示找到我们之前保存的轮廓(之前说过有重要意义的那两个),先开一个,如图所示输入拉伸高度100,OK,成型如下图到这里已经完成了一半了,另一半就看我们另一位仁兄了,到了它出场的时候了:跟前一步不同的是,我们要在拉伸的时候,先选择我们已经成型的那一半,而不要把它作为独立的零件来处理,选择成型的那一半大正面平坦的面作为草绘基准面。
导入后不是如下的位置,通过曲面移动命令,让它出现在这个位置。
拉伸主要参数为:减料(跟另一半相反),两个方向高度都为60。
得到如下形状:这个造型已经有了,只不过还是粗枝大叶,还有一些地方需要修剪,也有一些地方需要加点料。
首先,我们来出来两个叉位置的上凹下凸的圆弧部分。
我们将用CAXA实体设计中的三维球和智能图素来完成这部分的设计。
我们从图素库里拖出一个孔类圆柱体放在目标上表面上,点下面的手柄编辑包围盒,分别输入210、210、,确定。
按下F10,唤出三维球工具并定位到叉口上圆弧的圆心,然后沿叉口正方向平移70,OK。
完成如下图另外凸的那一部分参照前面的做法,做到下图所示的程度:处理这个大圆盘,我们依然采用智能如素来解决。
第一步,从图素库中拉出一个孔类长方形,把圆盘割到下图所示的位置剩下的部分怎么办呢?很简单,这是我们的第二步,在结构树中,把第二次做的拉伸,就是顺数第二个白色的那个,拉到当前最后一个(左键按住,一直拖到最后),搞定之后,如下图这时候,我们注意到,在某个位置,有一个螺纹孔,在等着我们去设计呢。
变速器换挡叉说明书-CAL-FENGHAI.-(YICAI)-Company One1课程设计说明书课程名称机械制造技术基础题目设计变速器换挡叉机械加工工艺工装专业班级机设1094学生姓名罗成学号 16指导老师倪小丹审批设计完成日期 2012年1月8日设计内容与设计要求目录1 零件的分析 (1)零件的作用 (1)零件的工艺分析 (1)2 工艺规程设计 (3)确定毛坯的制造形式 (3)确定毛坯的尺寸公差和机械加工余量 (3)锻件形状复杂系数与锻件材质系数的确定 (3)锻件分模线形状与零件表面粗糙度 (3)基面的选择 (4)制定工艺路线 (4)机械加工余量、工序尺寸及毛坯尺寸确定 (6)确定切削余量 (8)3 夹具设计 (9)问题的提出 (9)夹具设计 (9)参考文献 (11)总结 (11)附录:变速器换挡叉机械加工工序卡 (12)1 零件的分析零件的作用题目所给定的零件是变速器换档叉(如下图所示),它位于传动轴的端部。
主要作用是传递扭矩,使变速器获得换档的动力。
该零件是以∅孔套在轴上,并用M10×1-7H螺纹孔与轴定位,换挡叉脚卡在双联齿轮的轴中,变速操作机构通过换挡叉头部的操纵槽带动换挡叉与轴一起在变速箱中滑动,换挡叉脚拨动双联齿轮在花键轴上滑动,就可实现变速功能,从而实现变速器变速。
换挡叉的主要工作面为操纵槽换挡叉脚两端面,主要配合面为Φ孔,M10×1-7H螺纹孔和换挡叉脚侧面.该零件属于特殊形状零件,但复杂程度一般。
由于换挡叉在工作是表面承受一定的压力,因此,要求有一定的强度和韧度。
零件的工艺分析(1)该变速器换档叉需要加工的表面可大致分为四类:1)∅孔;2)以∅为基准的两侧面和叉口的上下两侧面;3)以∅为基准的其它几个平面以及槽;4)M10⨯1-7H螺纹。
且主要是:∅8 mm孔的中心线与叉口的前后两侧面的垂直度公差为0.15mm。
(2)换挡叉技术要求表2-1 换挡叉技术要求加工表面尺寸及偏差(mm )公差及精度等级表面粗糙度Ra 形位公差叉脚两端面 015.09.5-IT12 叉口两内侧面 1.0051+ IT12 Φ内孔 Φ043.0016.0++IT8 M10螺纹孔 M10×1IT7 叉头凸台两端面025.065.9-IT12⨯端面IT13 叉头上端面11IT13该变速器换挡叉结构简单,属于典型的叉杆类零件。
2011 级专业课程设计说明书设计题目:变速器换挡叉的机械加工工艺规程及钻Φ15.8F8孔夹具设计学生姓名:范宇学号:03111305专业:机械制造及其自动化指导教师:钱济国中国矿业大学2014年12 月10 日前言课程设计是机械制造及其自动化专业教学计划所设的重要实践性教学环节,也是理论联系实际的重要环节,学生能利用所学的基础知识,专业基础知识和设计手册等资料,设计中等复杂程度零件的制造工艺过程,通过课程设计,巩固所学的知识,掌握机械制造设计的一般方法和程序,熟悉设计过程即注意事项,在设计的过程中,学习一些专业前沿知识和设计经验,具体要求如下:1、培养学生综合运用所学基础课,专业基础和专业课及知识,分析和解决加工过程技术问题的工作能力。
2、巩固,深化和扩大学生所学基本理论,基本知识和基本技能。
3、培养学生查阅文献和收集资料的能力,理论分析和能力,制定设计或实验方案的能力,设计计算和绘图能力,计算机应用能力,撰写论文和设计说明书的能力等。
4、培养学生的创新能力和团队精神,树立良好的学术思想和工作作风。
编者2014年12月目录1.零件的工艺分析 (1)1.1零件的功用结构及特点 (1)1.2主要的加工表面及要求 (1)2.毛坯的选择 (1)2.1确定毛坯的类型,制造的方法和尺寸及其公差 (1)2.2确定毛坯的技术要求 (1)2.3绘制毛坯图 (2)3.基准选择 (2)4.拟订机械加工路线 (2)4.1确定各表面的加工方法 (2)4.2拟订加工路线 (2)5.确定机械加工余量 (3)6选择机床设备和工艺设备 (4)6.1选择机床 (4)6.2刀具选择..................................................... .. (4)6.3选用夹具..................................................... . (4)6.4选择量具...................................................... (4)7.确定切削用量及基本工时.......................................... . (5)7.1工序10....................................................... . (5)7.2 工序40........................................................ (7)7.3工序50...................................................... .. (8)7.4 工序60 (9)7.5 工序70 (9)7.6 工序80 (10)7.7 工序90 (10)7.8 工序100 (11)8.填写工艺文件 (11)9.机床夹具设计 (22)9.1 定位方案及定位元件的选择和设计 (22)9.2 导向方案及导向元件的选择和设计 (22)9.3 夹紧装置设计 (22)9.4 夹具装配图 (23)9.5 夹具零件图 (24)10.总结 (24)参考文献 (25)1.零件的工艺分析1.1零件的功用,结构及特点该零件是以φ15.8F8孔套在轴上,并用螺钉径M10×1-7H螺纹孔与轴定位,换挡叉脚卡在双联齿轮中的轴中,变速操作机构通过换挡叉头部的操纵槽带动换挡叉与轴一起在变速箱中滑动,换挡叉脚拨动双联齿轮在花键轴上滑动,就可实现变速功能,从而实现变速器变速。
机械制造工艺学课程设计任务书题目: “变速器换档叉”的机械加工工艺规程设计内容: 1.零件图1张2.毛坯图1张3. 机械加工工艺过程综合卡片2张4.工序卡1份5. 课程设计说明书1份学号:学生:指导教师:时间:2008年7月9日目录前言 (3)一.零件的分析 (3)1.1零件的作用 (3)1.2零件的工艺分析 (3)二.工艺规程设计 (4)2. 1 毛坯的制造形式 (4)2.2基准面的选择 (4)2.3制定工艺路线 (4)2.4机械加工余量、工序尺寸及毛坯尺寸的确定 (6)2.5选择加工机床,刀具 (7)三.附件 (8)3.1零件图3. 2毛坯图四.小结 (8)五.参考文献 (8)前言机械制造工艺学课程设计是我们学完了机械制造工艺学,及大部分专业课之后进行的.这是我们在进行毕业设计之前对所学各课程的一次深入的综合性的总复习,也是一次理论联系实际的训练,因此,对我们大学期间的理论知识学习有很好的实践检验作用。
我希望能通过这次课程设计对自己未来将从事的工作进行一次适应性训练,从中锻炼自己分析问题、解决问题的能力。
由于能力所限,设计尚有许多不足之处,恳请老师给予批评指导。
一.零件分析零件的作用所给的方案图是变速器换档叉,它位于变速器机构中,主要起换档作用,使主轴回转运动按照工作者的要求工作,获得所需的速度和扭矩。
零件上方的Ф的孔与操纵机构相连,下方,*19mm 的夹状机构则是用于与所控制齿轮所在的轴接触,变速操纵机构通过换档叉头部的操纵槽带动换档叉与轴一起在变速箱中滑动,从而实现变速。
零件的工艺分析变速器换档叉这个零件图上可以看出,它共有两组加工表面,而这两组加工表面之间有一定的位置要求,现将这两组加工表面分述如下: 1. 以Ф15.8mm 孔为中心的加工表面这一组加工表面包括:Ф的孔,孔壁上有一个M10的螺纹孔。
操纵槽:宽度为0.10+mm,深度为,对称面与换档叉安装孔端面的距离为,表面粗糙度为..2.以换档叉内侧面为中心的加工表面 换档叉内侧面:宽度尺寸为510.10+mm,表面粗糙度为.换档叉脚两端面:厚度为5900.15-mm.这两组表面有一定的位置要求:(1) 换档叉脚上下端面与Ф15.8F8mm 孔的垂直度误差为.(2) 换档叉脚的上下端面以及操纵槽两端面的表面粗糙度误差为. (3) Ф15.8F8mm 孔的内表面的粗糙度误差为,精度为IT8.二. 工艺规程设计确定毛坯的制造形式零件为钢制零件,考虑到汽车在运行中经常加速减速或正反向行车,故零件在工作过程中经常承受正反向冲击性负荷。
课程名称机械制造技术基础题目设计变速器换挡叉机械加工工艺工装专业班级机设1094学生姓名学号16指导老师倪小丹审批设计完成日期 2012年1月8日设计内容与设计要求一.设计内容1、设计机械加工工艺规程;2、对指定工序进行工序设计;3、设计指定工序的专用夹具。
二.设计要求1、编制零件的机械加工工艺规程,填写工艺过程卡;2、按教师要求设计指定工序,填写工序卡;3、设计专用夹具装配图;4、设计专用夹具夹具体的零件工作图;5、撰写设计计算说明书。
生产类型:中批说明书内容1.课程设计封面;2.任务书(插入零件图);3.说明书目录;4.设计计算过程;5.参考文献;6.总结与体会;7.附录。
进度安排第一周:熟悉零件结构及加工要求;设计零件机加工工艺规程,填写工艺过程卡片;设计指定工序,填写工序卡片。
第二周:设计指定工序的专用夹具,画出夹具装配图。
第二周:设计专用夹具夹具体的零件工作图;整理设计说明书。
参考文献1、李洪主编《机械加工工艺手册》2、王绍俊主编《机械制造工艺设计手册》3、倪小丹主编《机械制造技术基础》4、王益民主编《机械制造工艺课程设计指导书》5、王永康主编《机械制造技术课程设计指导书》6、杨黎明主编《机床夹具设计手册》目录1 零件的分析 (1)1.1零件的作用 (1)1.2零件的工艺分析 (1)2 工艺规程设计 (3)2.1确定毛坯的制造形式 (3)2.2确定毛坯的尺寸公差和机械加工余量 (3)2.3锻件形状复杂系数与锻件材质系数的确定 (3)2.4锻件分模线形状与零件表面粗糙度 (3)2.5基面的选择 (4)2.6制定工艺路线 (4)2.7机械加工余量、工序尺寸及毛坯尺寸确定 (6)2.8确定切削余量 (8)3 夹具设计 (9)3.1问题的提出 (9)3.2夹具设计 (9)参考文献 (11)总结 (11)附录:变速器换挡叉机械加工工序卡 (12)1 零件的分析1.1 零件的作用题目所给定的零件是变速器换档叉,如下图所示。
它位于传动轴的端部,主要作用是换挡。
使变速器获得换档的动力。
1.2 零件的工艺分析由零件图可知,该零件的材料为35#钢,锻造成型,由零件的尺寸公差选择模锻加工成型,保证不加工表面达到要求的尺寸公差。
(1)该变速器换档叉需要加工的表面可大致分为四类:1)∅15.81F8孔;2)以∅15.81F8为基准的9.650-0.25两侧面和叉口5.90-0.15的上下两侧面;3)以∅15.81F8为基准的其它几个平面以及槽; 4)M10⨯1-7H 螺纹。
且主要是:∅15.81F8 mm 孔的中心线与叉口的前后两侧面的垂直度公差为0.15mm 。
(2)换挡叉技术要求表2-1 换挡叉技术要求加工表面 尺寸及偏差(mm ) 公差及精度等级 表面粗糙度Ra 形位公差叉脚两端面 015.09.5-IT12 6.3叉口两内侧面 1.0051+ IT12 6.3 Φ15.81内孔 Φ15.81043.0016.0++IT8 3.2 M10螺纹孔 M10×1IT7 叉头凸台两端面 025.065.9-IT12 6.3 16.5⨯26.5端面 IT13 12.5 叉头上端面11IT1312.5该变速器换挡叉结构简单,属于典型的叉杆类零件。
为实现换挡、变速的功能,其叉轴孔和变速叉轴有配合要求,因此加工精度要求高。
叉脚两端面在工作中需承受冲击载荷,为增强耐磨性,采用局部淬火,硬度为180HBS 左右,为保证换挡叉换挡时叉脚受力均匀,要求叉脚两端面与孔Φ15.8垂直度要求为0.15mm 。
换挡叉用螺钉定位,螺纹孔为M10。
综上所述,该零件得各项技术要求制订较合理,符合在变速箱中的功用。
(3)审查换挡叉的工艺性分析零件图可知,该换挡叉叉脚两端面厚度薄于连接的表面,但减少了加工面积,使用淬火处理提供局部的接触硬度。
叉脚两端面面积相对较大,可防止加工过程中钻头钻偏,保证孔的加工精度及叉脚两端面的垂直度。
其它表面加工精度较低,通过铣削、钻床的粗加工就可达到加工要求;而主要工作表面虽然加工精度相对较高,但也可以在正常得生产条件下,采用较经济得方法保质保量地加工出来。
2 工艺规程设计2.1 确定毛坯的制造形式零件的材料为35钢。
常用的毛坯件有铸件、锻件、型材、冲压件和焊接件等。
考虑到零件在加工过程中经常承受交变载荷及冲击性载荷,因此应该选用锻件,以使金属纤维尽量不被切断,保证零件工作可靠,且零件的轮廓尺寸不大。
2.2 确定毛坯的尺寸公差和机械加工余量公差等级:由换挡叉的功用和技术要求,确定该零件的的公差等级为普通级。
锻件重量:已知机械加工后换挡叉的重量为3kg,由此可初步估计机械加工前锻件毛坯的重量为3.5kg。
2.3 锻件形状复杂系数与锻件材质系数的确定(1)锻件形状复杂系数对换挡叉零件图分析计算,可大概确定锻件外轮廓包容体出该换挡叉锻的长度、宽度和高度,即l=136mm,b=76mm,h=72mm,ρ=7.8×10-6kg/mm3由文献[2]公式2-3可计算件的形状复杂系数S=mt/mn=3.5/(136×76×72×7.8×10-6)=3.5/5.8=0.6故属于S 2级。
(2)锻件材质系数由于该换挡叉材料为35钢,是碳的质量分数少于0.65%的碳素钢,故该锻件的材质系数属M级。
12.4 锻件分模线形状与零件表面粗糙度根据该换挡叉的形位特点,以对称平分面为分模面,属平直分模线。
由零件图可知,该换挡叉各加工表面粗糙度Ra 均大于等于3.2um 。
2.5 基面的选择基面选择是工艺规程设计中的重要工作之一。
基面选择得正确和合理,可以使加工质量得到保证,生产率得以提高。
否则,加工工艺过程会问题百出,更有甚者,还会造成零件大批报废,使生产无法正常进行。
(1)粗基准的选择选择定位粗基准是要能加工出精基准,同时要明确哪一方面的要求是主要的。
粗基准的选择应以下面的几点为原则:a.应选能加工出精基准的毛坯表面作粗基准。
b.当必须保证加工表面与不加工表面的位置和尺寸时,应选不加工的表面作为粗基准。
c.要保证工件上某重要表面的余量均匀时,则应选择该表面为定位粗基准。
d.当全部表面都需要加工时,应选余量最小的表面作为基准,以保证该表面有足够的加工余量。
在铣床上加工变速器换档叉时,以R10.5为半径的圆作为粗基准。
满足粗基准的选择原则。
(2)精基准的选择精基准的选择应从保证零件加工精度出发,同时考虑装夹方便,夹具结构简单。
选择时应遵循以下原则:①尽量选零件的设计基准作精基准,可以避免因基准不重合引起的定位误差,这一原则称为“基准重合”原则。
②尽可能使工件各主要表面的加工,采用统一的定位基准,这是“基准统一”原则。
③当零件主要表面的相互位置精度要求很高时,应采用互为基准,反复加工的原则。
④选择加工表面本身作为定位基准,即“自为基准”。
⑤选择的定位精基准,应保证工件定位准确,夹紧可靠,夹具结构简单,操作方便[3]。
该零件加工时,采用Φ15.81043.0016.0++mm 内孔作为精基准来加工换档叉叉口前后两侧面。
2.6 制定工艺路线工艺路线的拟订是制定工艺规程的关键,其主要任务是选择各个表面的加工方法和加工方案,确定各个表面的加工顺序和工序的组合内容,它与定位基准的选择密切相关。
制定工艺路线的出发点,应当是使零件的几何形状,尺寸精度及位置精度等技术要求能得到合理的保证。
在生产纲领已确定的条件下,应考虑机床的夹具,并尽量使工序集中来提高生产率。
除此以外,还应当考虑经济效果,以便使生产成本尽量降低。
工艺方案分析:由于零件表面精度要求较高,所以安排了粗铣和精铣。
考虑到∅15.81mm 孔的精度要求较高,安排为钻并扩铰加工。
精铣时以∅15.81mm 孔定位能保证端面与轴心的位置精度要求。
综上分析,确定的大致加工路线如下, 方案一:工序Ⅰ 粗铣叉口5.9019.0-两内侧面。
工序Ⅱ 钻并扩铰∅15.8mm 孔和车其下端面。
工序Ⅲ 粗铣025.065.9-两侧面。
工序Ⅳ 粗铣叉口510+0.1的两内端面。
工序Ⅴ 精铣叉口5.9019.0-两内侧面。
工序Ⅵ 精铣叉口头025.065.9-两内侧面。
工序Ⅶ 精铣叉口510+0.1的两内端面。
工序Ⅷ 铣16.5⨯26.5端面。
工序Ⅸ 铣拨槽的上端面。
工序Ⅹ 铣14.20+0.1的两端面。
工序Ⅺ 钻螺纹底孔M9 mm 及攻M10⨯1-7H 螺纹。
工序Ⅻ 去毛刺、倒角并检查。
方案二:工序Ⅰ 钻并扩铰∅15.81mm 孔和车其下端面。
工序Ⅱ 铣拨槽的上端面。
工序Ⅲ 铣14.20+0.1的两端面 工序Ⅳ 粗铣叉口5.9019.0-两内侧面。
工序Ⅴ 粗铣025.065.9-两侧面。
工序Ⅵ 粗铣叉口510+0.1的两内端面。
工序Ⅶ 精铣叉口5.9019.0-两内侧面. 工序Ⅷ 精铣025.065.9-两侧面。
工序Ⅸ 精铣叉口510+0.1的两内端面。
工序Ⅹ 铣16.5⨯26.5端面。
工序Ⅺ 钻螺纹底孔M9 mm 及攻M10⨯1-7H 螺纹。
工序Ⅻ 去毛刺、倒角并检查。
方案二工艺过程详见“机械加工工艺过程卡片”。
工艺方案的比较与分析:上述两个工艺方案的特点在于:方案二是先将定位孔加工出来以便于其他面的加工;方案一则先将叉口内侧面加工出来,然后再加工其它平面,而且为了节省装卸时间将一些粗精加工放在了一个工序中。
两相比较可以看出,先加工孔再加工其它平面可以更好的保证各个平面的位置及方向误差,而且需要把粗精加工分开才能保证零件的粗糙度。
因此决定用方案二进行加工。
2.7 机械加工余量、工序尺寸及毛坯尺寸确定变速器换档叉”零件为35钢,硬度180-201HBS ,采用在锻锤上合模模煅毛坯。
根据上述原始资料及加工工艺,分别确定各加工表面的机械加工余量、工序尺寸及毛坯尺寸如下:(1)∅15.81F8内孔毛坯为实心,不冲出孔。
内孔精度要求IT7,查阅机械制造工艺设计简明手册表2.3-8确定孔的加工余量分配:钻孔:Φ14扩钻:Φ15.5㎜ 2Z b =1.5㎜ 粗铰:Φ15.7㎜ 2Z b =0.2㎜精铰:Φ15.81043.0016.0++mm 2Z b =0.1㎜(2)叉口510+0.1两内侧面.由于两内侧面对于R28.5中心线有平行度等位置要求,所以可以将其看作内孔来确定加工余量,即∅0.1051+的孔。
毛坯为实心,已经有孔,精度要求为IT8,参照文献[1]表2-3.9确定加工余量分配:为简化模煅毛坯的外形,先直接取叉口尺寸为46㎜。
表面粗糙度要求 6.3z R m μ,因而需要精铣,此时粗铣时单边余量z=2㎜,精铣时时单边余量z=0.25㎜。
(3)叉头025.065.9-两侧面由于是在立式铣床上两把刀组合同时铣,所以可以把两侧面的余量用双边余量来计算。