特种设备专项检查表
- 格式:docx
- 大小:24.35 KB
- 文档页数:10
起重机械安全检查表检查人签字:检查时间:年月日序号检查项目检查标准检查方法检查评价符合不符合及主要问题1技术文件和外观检查1)是否有额定起重量标志和有效的检验合格标志,并固定在醒目位置。
2)是否有特种设备岗位操作、防护措施和管理制度,并固定在醒目位置。
3)消防设施是否有效、可靠。
4)是否有自查和运行、维护保养记录。
5)特种作业人员的资格和数量。
6)安全距离和警示标志。
7)起重机械现场不得有任何杂物8)起重机械现场应定期清扫,保持整洁。
9)停止作业时是否按规定停放10)各设备是否按照规定进行润滑检查档案、记录及现场现场直观检查2钢丝绳1)钢丝绳每月必须进行二次及以上的润滑。
2)钢丝绳在一个捻距内钢丝断丝10%必须报废或更换。
3)吊运熔化或灼热的钢丝绳应采用石棉芯等耐高温的钢丝绳及其生产许可证。
4)钢丝绳应相匹配、楔快、绳卡固定应正确可靠。
5)钢丝绳磨损使其直径相对于公称直径减少7%及以上时,即使未断丝也必须报废或更换。
现场检查及档案检查3卷筒1)卷筒上钢丝绳的尾端的固定装置压板数和应有放松或自紧的性能,且每月至少检查一次。
2)卷筒出现裂纹或筒壁磨损达原壁厚的20%时应报废。
3)吊钩处于最低点时卷筒上至少留有三圈钢丝绳。
现场检查检查记录4滑轮1)无裂纹缺损,且转动灵活。
2)滑轮槽应光洁平滑,不得有损伤钢丝绳的缺陷。
3)滑轮应有防止钢丝绳跳出轮槽的装置。
用10倍放大镜检查现场检查5吊钩1)检查吊钩危险断面磨损和变形、防脱钩装置。
2)吊钩不许有裂纹,不许补焊。
用10倍放大镜检查6制动器1)制动器必须灵敏可靠。
2)控制制动器的操纵部位,应有防滑性能。
3)制动器对摩擦垫片应有补偿能力。
现场检查现场测试4)摩擦片磨损超过原厚度的50%,弹簧出现塑性变形,有裂纹等情况时必须报废。
5)通道口联锁保护装置是否可靠有效。
6)制动器制动轮摩擦面应接触均匀,不得有影响制动性能的缺陷或油污7安全防护系统1)上升限位器应完好可靠。
特种设备安全检查
表汇编
目录
1.起重机械安全检查表 (1)
2.锅炉安全检查表 (5)
3.压力容器安全检查表 (9)
4.压力管道安全检查表 (11)
5.电梯安全检查表 (13)
6.客运索道安全检查表 (17)
7.大型游乐设施安全检查表 (19)
8.高压气瓶安全检查表 (21)
9.溶解乙炔气瓶安全检查表23
1. 起重机械安全检查表
2. 锅炉安全检查表
3. 压力容器安全检查表
4. 压力管道安全检查表
5. 电梯安全检查表
零线与接地线分开
导线与导线、导线对地间的绝缘电阻应大于1000/V 动力电路与安全装置电路的绝缘电阻不得小于0.5M
其他(控制、照明、信号等)电路的绝缘电阻应不小于0.25M
6. 客运索道安全检查表
7. 大型游乐设施安全检查表
8. 高压气瓶安全检查表
9. 溶解乙炔气瓶安全检查表。
附件3特种设备大检查现场检查表类别检查编号检查内容检查要求使用单位安全管理1是否设置安全管理机构或配备专兼职管理人员符合《特种设备使用管理规则》(TSG08-2017)2.3、2.4的要求2是否按规定建立安全管理制度和岗位安全责任制度符合《特种设备使用管理规则》(TSG08-2017)2.4、2.6的要求3是否制定事故应急专项预案并有演练记录针对在用的各类特种设备,均制定事故应急专项预案,每年至少演练一次并进行记录。
4是否建立设备档案,档案是否齐全对在用的每台特种设备局建立“安全与节能技术档案”,并做到一机一档,档案内容符合符合《特种设备使用管理规则》(TSG08-2017)2.5的要求。
5所抽查设备是否在定期检验有效期内查验所抽查设备的定期检验报告,应在报告所注明的下次检验期内;新安装设备应检查监督检验报告(压力容器除外,可查验注册登记表中注明的下次检验时间)6所抽查的设备是否按规定进行日常维护保养或者定期自行检查并有记录使用单位应当根据设备特点和使用状况,对特种设备进行经常性维护保养,应符合有关安全技术规范和产品使用维护保养说明要求;定期自行检查的时间和内容应当符合有关安全技术规范。
(固定式压力容器为月检、年检,具体内容详见《固定式压力容器安全技术监察规程》;电梯为日检;大型游乐设施为每日运营前空载试运行检查等,具体详见设备使用维护说明书)7抽查安全管理人员和作业人员证件是否在有效期内查看是否在证件注明的有效期内(证件每4年复审一次)。
8是否有特种设备作业人员培训记录查看是否制定针对使用特种设备的安全培训计划、以及填写相应培训记录。
商场、超市等单位是否针对扶梯附近的员工和商铺人员进行培训。
锅炉9现场作业人员是否具有有效证件是否有附件2中所列相应项目的持证作业人员,且证件是否在注明的有效期内(司炉人员、锅炉水处理人员、安全管理人员)。
10是否有使用登记证,是否在检验有效期内检查是否有锅炉使用登记证;检查锅炉的监督检验报告(新安装锅炉)或锅炉的内部检验报告及外部检验报告是否在检验期内。
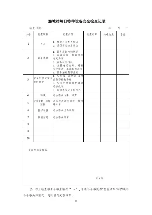
检查日期:年月日序号检查项目检查内容检查结果处理结果备注1人员1、作业人员是否持证2、是否存在违章作业2设备本体1、设备定期检验情况2、设备本体、接口部位有无异常3、设备运行情况4、支撑有无变形,螺栓有无松动,基础有无沉降5、设备接地是否正常3安全附件或安全保护装置1、安全阀、压力表等附件是否检验合格2、安全附件或保护装置是否投运3、压力表有无上限红线4环境是否存在污染、噪声5政府监督、通报、预警是否存在政府通报、整改通知单6投诉举报是否存在投诉举报7舆情信息是否存在舆情8910采取的防范措施:安全员:注:以上检查结果合格直接打“√”若有不合格则在“检查结果”栏内填写检查日期:年月日序号检查项目检查内容检查结果处理结果备注1人员1、作业人员是否持证2、是否存在违章作业2设备本体1、设备定期检验情况2、设备本体、接口部位有无异常3、设备运行情况4、支撑有无变形,螺栓有无松动,基础有无沉降5、设备接地是否正常3安全附件或安全保护装置1、安全阀、压力表等附件是否检验合格2、安全附件或保护装置是否投运3、压力表有无上限红线4环境是否存在污染、噪声5政府监督、通报、预警是否存在政府通报、整改通知单6投诉举报是否存在投诉举报7舆情信息是否存在舆情8910采取的防范措施:安全员:注:以上检查结果合格直接打“√”若有不合格则在“检查结果”栏内填写。
特种设备专项使用安全检查表一、设备信息
- 设备名称:
- 设备型号:
- 设备编号:
- 设备厂家:
- 设备安装日期:
二、操作人员信息
- 操作人员姓名:
- 操作人员工号:
- 操作人员培训情况:
三、安全检查项目
四、安全检查结果
- 检查人员签名:
- 检查日期:
- 检查结论:
五、安全检查意见和建议
- 安全检查意见和建议:
请注意填写以上信息,并逐一确认检查项目的情况。
如发现任何问题或隐患,请及时整改和处理,确保特种设备的安全使用。
填写结果后,由检查人员签名并记录检查日期,最后填写检查结论和提出的意见和建议。
特种设备安全检查表
2. 检查表
特种设备安全检查表如下:
项目检查内容是否合格
1 设备名称
2 设备型号
3 设备编号
4 安全阀压力
5 压力表指针是否正常
6 水位是否正常
7 温度是否正常
8 设备是否清洁
9 设备是否有异常声音
10 设备周围是否有杂物堆积
11 设备是否有漏水现象
12 设备是否有明显损坏
13 设备是否有异味
14 设备接地是否良好
15 设备使用人员是否熟悉操作规程
16 设备是否存在紧急切断装置
17 设备是否有警示标识
18 设备电源是否正常
19 设备接线是否规范
20 设备运行是否稳定
4. 总结
特种设备的安全检查是确保设备安全运行的重要环节,在生产过程中需要高度重视。
通过合理的安全检查措施,可以及时发现并解决潜在的设备问题,减少事故的发生。
本文档提供了一份简单明了的特种设备安全检查表,希望能够为特种设备安全管理工作提供一些参考。
注:本文档仅为示例,实际的特种设备安全检查表应根据具体设备的特点和要求进行适当修改和完善。
特种设备使用单位现场安全监督检查项目表(表1——使用单位安全管理情况检查项目表)
特种设备使用单位现场安全监督检查项目表(表2——锅炉使用情况检查项目表)
(表3——压力容器使用情况检查项目表)
(表4——电梯使用情况检查项目表)
(表5——起重机械使用情况检查项目表)
(表6——场(厂)内机动车辆使用情况检查项目表)
1
附件3
特种设备检验检测机构发现重大问题告知(报告)表
检验员签名及日期:检验员联系电话:
市级安全监察机构接收传真电话、人员姓名:接收时间:年月日时分县级安全监察机构接收传真电话、人员姓名:接收时间:年月日时分(注:本表一式四份,市、县级安全监察机构、检验检测机构、受检单位各一份)
特种设备现场安全监督检查原始记录表
检查人员:年月日
特种设备现场安全监督检查记录。
特种设备使用单位现场安全监督检查项目表(表1——使用单位安全管理情况检查项目表)
特种设备使用单位现场安全监督检查项目表(表2——锅炉使用情况检查项目表)
(表3——压力容器使用情况检查项目表)
(表4——电梯使用情况检查项目表)
(表5——起重机械使用情况检查项目表)
(表6——场(厂)内机动车辆使用情况检查项目表)
1
附件3
特种设备检验检测机构发现重大问题告知(报告)表
检验员签名及日期:检验员联系电话:
市级安全监察机构接收传真电话、人员姓名:接收时间:年月日时分县级安全监察机构接收传真电话、人员姓名:接收时间:年月日时分(注:本表一式四份,市、县级安全监察机构、检验检测机构、受检单位各一份)
特种设备现场安全监督检查原始记录表
检查人员:年月日
特种设备现场安全监督检查记录。