非金属密封件材料规范标准
- 格式:doc
- 大小:95.50 KB
- 文档页数:5
非金属垫圈标准一、标准介绍非金属垫片是一种常见的密封元件,由于其具有耐高低温、耐化学腐蚀、耐磨损、遮挡电磁波等特点,在航空、航天、汽车等领域都有广泛应用。
在非金属垫片的生产和使用过程中,根据国家标准,需要遵循如下标准:1. GB/T 9122-2010非金属片垫 -型式、尺寸及供货技术条件:该标准规定了非金属垫片的类型、尺寸、技术要求和试验方法,以及交货状态和包装标记。
2. GB/T 3452.1-2005非金属片垫 -剪切材料的相互评定、选择和定量:该标准规定了非金属垫片的剪切性能的测试方法,以及不同材料之间相互评定、选择和定量的方法和标准。
3. GB/T 13927-2008非金属片垫 -密封性能的测试方法:该标准规定了非金属垫片的密封性能测试方法,内容包括氧化耐受性和压缩氧化耐受性测试等。
二、分类介绍非金属垫片的分类主要根据其材料和用途来区分。
按照材料分类,主要有以下几类:1. 纤维素板:由纤维素纤维制成,具有良好的耐热、耐油、耐酸碱等特性。
2. 氟橡胶板:由氟橡胶制成,具有超强耐磨、耐挠曲、耐老化、耐辐射等特性,适用于高温、高压、强腐蚀等恶劣环境。
3. 石墨板:由天然石墨制成,具有较好的热传导性、化学稳定性、耐高温、耐腐蚀等特性,适用于航空、航天、核工业等领域。
按照用途分类,非金属垫片主要包括以下几种:1. 汽车用密封垫片:一般采用聚酯纤维、毡、橡胶、聚四氟乙烯等材料,用于汽车发动机底部、缸盖、排气管等部位密封。
2. 电子行业用垫片:用于手机、电脑、智能家居等电子产品的密封,采用氟橡胶、硅胶、三元乙丙橡胶等材料,具有防水、防尘、隔热、遮挡电磁波等特性。
3. 航空、航天用垫片:应用范围广泛,可用于火箭发动机、航空发动机、船舶、桥梁、机械、液压设备、管路等强度、密封要求高的场合。
总之,非金属垫片具有良好的密封性、耐腐蚀性和耐高低温性,其材料和用途的分类具有多样性,应用范围也较广泛,但不同类型的非金属垫片具有不同的特点和适用范围,必须根据具体的情况合理选择使用。
密封垫片标准
密封垫片是以金属或非金属板状材质,经切割,冲压或裁剪等工艺制成,用于管道之间的密封连接,机器设备的机件与机件之间的密封连接。
按材质可分为金属密封垫片和非金属密封垫片。
金属的有铜垫片,不锈钢垫片,铁垫片,铝垫片等。
非金属的有石棉垫片,非石棉垫片,纸垫片,橡胶垫片等。
密封垫片,是一种用于机械、设备、管道等内部,起密封作用的材料。
密封垫片标准
1、GB4622.2-93 缠绕式垫片管法兰尺寸系列
2、GB9126.1-88 平面型钢制管法兰用石棉橡胶片
3、GB9126.2-88 凸面型钢制管法兰用石棉橡胶片
4、GB9126.3-88 凹凸面钢制管法兰用石棉橡胶片
5、GB9129-88 钢制管法兰用石棉橡胶垫片技术条件
6、GB9130-88 钢制管法兰连接用金属环垫技术条件
;.
7、HGJ70-91 钢制管法兰用柔性石墨复合垫片;.。
阀门密封材料标准阀门密封材料标准一、引言阀门密封材料是阀门的关键组成部分,它直接影响阀门的使用寿命、可靠性和使用性能。
为了规范阀门密封材料的选用,提高阀门的使用质量,保证阀门的工作安全,制定相应的阀门密封材料标准是非常必要的。
二、阀门密封材料的种类阀门密封材料一般分为金属密封材料和非金属密封材料两大类。
1.金属密封材料金属密封材料是以金属作为主要成分的密封材料,其主要特点是具有良好的耐高温、耐压力和耐腐蚀性能。
常见的金属密封材料有不锈钢、铜、铝、钛等。
金属密封材料适用于高温高压和强腐蚀介质的阀门,如化工阀门、高温阀门等。
2.非金属密封材料非金属密封材料是以非金属材料为主要成分的密封材料,具有良好的弹性和可塑性,能够在较低温度下起到密封作用。
常见的非金属密封材料有橡胶、塑料、聚四氟乙烯等。
非金属密封材料适用于一般工况下的阀门,如给水阀门、排水阀门等。
三、阀门密封材料的标准要求为了统一阀门密封材料的质量要求,保证阀门的使用性能,需要制定相应的标准。
阀门密封材料的标准主要包括以下几个方面的内容:1.物理性能要求阀门密封材料应具有一定的物理性能,如拉伸强度、硬度、耐磨性、耐冲击性等。
标准中应明确各项物理性能指标的要求,并规定相应的检测方法。
2.化学性能要求阀门密封材料应具有一定的耐腐蚀性,能够在不同的介质中保持稳定的性能。
标准中应明确各种介质的化学性能指标要求,并规定相应的检测方法。
3.耐热性能要求阀门密封材料应具有一定的耐高温性能,能够在高温环境下长时间使用而不发生变形或熔化。
标准中应明确各种温度下的耐热性能要求,并规定相应的检测方法。
4.耐压性能要求阀门密封材料应具有一定的耐压性能,能够承受预定压力下的工作环境,保持其密封性能不受影响。
标准中应明确各种压力下的耐压性能要求,并规定相应的检测方法。
5.耐磨性能要求阀门密封材料应具有一定的耐磨性能,能够在长时间的使用过程中,不因接触摩擦而损坏或磨损。
标准中应明确各种摩擦条件下的耐磨性能要求,并规定相应的检测方法。
常用的非金属材料介绍常用非金属材料可分为陶瓷、磨料、碳和石墨、石棉等无机材料及塑料、橡胶、胶粘剂等有机材料两大类。
1、塑料塑料的强度及刚度远低于金属材料,只适于制造承受载荷不大、对刚度要求不高的零件,如壳体、支架、手柄、手轮、防护挡板、仪表盖或框、覆盖板等,可以选用聚苯乙烯、酸性聚乙烯、聚碳酸酯、聚苯醚、有机玻璃等。
传动零件一般承受载荷不大,低速时可用低压聚乙烯、聚乙烯、聚氯乙烯,大的齿轮、齿条、凸轮、蜗轮、带轮等也可用塑料制造。
要求稍高一些的框架类零件且工作条件相对苛刻一些时,可选择的塑料有尼龙、MC尼龙、聚甲醛、聚碳酸酯、聚氯醚(氯化聚醚)、夹布酚醛等。
受力较小的滑动轴承、轴套、导轨和某些密封圈,以及对材料的力学性能要求不高,但要求有良好的自润滑性能、低的摩擦系数和一定的耐油性及耐热性的,可以选用低压聚乙烯、尼龙1010、MC尼龙、聚氯醚、聚甲醛、聚四氟乙烯等。
在载荷不大的情况下,与无机耐蚀材料相比,塑料具有一定的优越性,因此塑料的应用比重日益增大。
由于不同的塑料品种,有的耐酸、有的耐碱、有的耐溶剂,因此要针对腐蚀条件选择塑料品种。
一般腐蚀条件可选用聚烯烃类塑料,若同时还要求有较高的力学性能时,可选聚气醚;既要求耐强酸、强氧化酸,又要求耐强碱时,采用氟塑料(如聚四氟乙烯)。
要求耐蚀的容器或其他零件,可采用塑料衬里结构、加强复合结构和涂层结构。
塑料因其优异的绝缘性能,也常用来制造电器零件。
普通电器元件要求绝缘、耐弧、耐燃及具有一定的强度和耐热性,可选用聚烯烃塑料、酚醛塑料、胺烃和环氧塑料等。
高压绝缘件选用交联聚乙烯、聚碳酸酯、氟塑料和环氧塑料。
高频绝缘件选用聚烯烃、氟塑料、聚酰亚胺、有机硅、聚丙醚、聚苯乙烯和聚丙烯等。
2、合成橡胶合成橡胶按用途分为通用橡胶和特种橡胶。
通用橡胶用来生产轮胎、传送带、传动带、胶管、胶辊、密封装置、减振装置等。
特种橡胶用来制造在特殊条件(如高温、低温,需要耐碱、耐酸、耐油及防辐射等)下使用的橡胶产品。
法兰非金属软垫片通常用于管道、阀门、泵和其他工业设备的密封应用。
这些软垫片的标准和规范可以根据不同的行业和应用领域而有所不同。
以下是一些常见的标准组织和标准,用于规定和制定法兰非金属软垫片的设计、材料和性能要求:1. **ASTM标准**:美国材料与试验协会(ASTM)发布了一些标准,用于规定非金属软垫片的材料和性能测试方法。
一些相关的ASTM标准包括:- ASTM F104:用于非金属软垫片的标准规范。
- ASTM F104-03a:关于非金属软垫片的标准规范的更新版本。
- ASTM F104M:用于米制尺寸的非金属软垫片的标准规范。
2. **ASME标准**:美国机械工程师协会(ASME)发布了与法兰和密封件相关的标准。
例如,ASME B16.21 标准规定了非金属垫片的尺寸、材料和设计要求,用于管道法兰和法兰联接。
3. **EN标准**:欧洲标准(EN)包括一系列与非金属软垫片相关的标准。
EN 1514 标准系列规定了管道、阀门和法兰联接的非金属垫片的要求。
4. **ISO标准**:国际标准化组织(ISO)发布了一些关于非金属软垫片的标准,例如ISO 11298-1 和ISO 11298-2,这些标准规定了用于压力设备的非金属软垫片的要求。
5. **行业标准**:某些特定行业可能会制定自己的非金属软垫片标准,以满足其特定需求。
例如,石油和化工行业通常制定符合其需求的标准。
请注意,不同的国家和地区可能会采用不同的标准,因此在购买和使用非金属软垫片时,应根据所在地区的法规和标准来选择合适的产品。
此外,具体的应用和要求也会影响非金属软垫片的选择。
因此,建议在选择和使用非金属软垫片时咨询专业工程师或根据具体项目的需求来确定合适的标准和规范。
一、丙烯腈-丁二烯-苯乙烯〔ABS〕改性工程塑料1.丙烯腈-丁二烯-苯乙烯〔ABS〕改性工程塑料。
具有很好的力学性能、热学性能、耐电性能及加工性能。
收缩率在0.3~0.8 (%) 的一种工程塑料。
适用于汽车空调系统中设计、制造空调的顶蒸壳体、边盖、控制面板、开关、电器插接件等塑料外观有要求的零部件。
2.技术要求性能指标3. 标注示例标注示例为;丙烯腈-丁二烯-苯乙烯〔ABS〕改性工程塑料二、改性聚丙稀〔PP〕1. 改性聚丙稀〔PP〕工程塑料。
具有力学性能、热学性能、耐电性能及优良的加工性能。
收缩率在1~1.5(%)的一种工程塑料。
适用于汽车空调系统中设计、制造空调暖风壳体、鼓风机壳体、边盖、风门等塑料零部件。
2. 技术要求性能指标注: 根据不同零部件的使用情况,检测指标可作相应调整。
3. 标注示例标注示例为:改性聚丙稀〔PP〕三、软质聚氨酯泡沫塑料〔JM〕、〔JZ〕类1.软质聚氨酯泡沫塑料〔JM〕、〔JZ〕类,颜色可分为黄色,黑色或其它颜色。
适用于汽车空调系统中的密封件、隔热、隔音、防震、回弹率要求高的泡沫塑料零部件。
2.技术要求指标执行GB/T10802—1989《软质聚氨酯泡沫塑料》表1 物理机械性能要求指标表2 燃烧性能分级技术性能指标执行GA 303—2001《软质阻燃聚氨酯泡沫塑料》汽车用软质阻燃聚氨酯泡沫塑料燃烧性能及分级3. 标注示例标注示例为:软质聚氨酯泡沫塑料〔JZ 〕(聚酯型)软质聚氨酯泡沫塑料〔JM〕(聚醚型)四、聚苯乙烯泡沫塑料包装材料〔PS〕1.聚苯乙烯泡沫塑料材料.适用于汽车空调系统中作包装材料。
即可隔热、隔音、防震轻便等优点。
如:纸箱中的白色硬质聚苯乙烯泡沫塑料衬垫。
2.技术要求执行QB/T1649—1992《聚苯乙烯泡沫塑料包装材料》物理机械性能要求指标3. 标注示例标注示例为:聚苯乙烯泡沫塑料包装材料。
〔PS〕五、柔性泡沫橡塑绝热制品1. 柔性泡沫橡塑绝热制品材料空调系统中使用有以下几种:a. 〔PVC/NBR〕柔性泡沫橡塑绝热制品;b. 〔SBR〕(三元乙丙橡胶)柔性泡沫橡塑绝热制品;c. 〔ER〕柔性泡沫橡塑绝热制品;2. 适用于汽车空调系统中的密封、隔热、隔音、防震、回弹率要求一般,表面要求有皮层的泡沫塑料零部件。
密封材料检测标准密封材料测试标准世界建筑密封材料的总趋势是用量持续增加,产品向高功能的弹性体密封膏方向发展,而低档油性嵌缝膏的使用比例不断下降,逐步退出市场,中档密封膏将有适度的发展。
随着优质防水材料的采用和对防不机理认识的深化,防水系统的使用期大大延长,SBS 改性油毡屋面使用20年后变化很小,PVC防水片材已有成功使用30年的记录,EPDM和金属屋面的使用期可达40年~50年以上,实行防水保证期制度的条件已经成熟。
英国、法国、德国对屋面防水实行10年保证期。
美国分别实行5年、10年、15年、20年的屋面保证期。
日本规定,屋面、阳台、走廊、浴室叠层油毡防水的保证期为10年。
检测产品防震缓冲包装材料:用聚苯乙烯、低密度聚乙烯、聚氨酯和聚氯乙烯制成的泡沫塑料。
密封材料:密封剂和瓶盖衬、垫片等,用作桶、瓶、罐的封口材料。
检测项目1、阻隔性能:有机气体透过率、包装膜高低温气体透过率、氧气透过率、二氧化碳气体透过率、氮气透过率、空气透过率等;2、机械性能:拉伸强度与伸长率、剥离强度、热合强度、冲击强度、撕裂强度、摩擦系数、耐蒸煮测试、包装密封性能;3、卫生性能:溶剂残留、邻苯类增塑剂、重金属含量、相容性、高锰酸钾消耗量等;4、缓冲材料的缓冲性能:静压力、动态冲击、振动传递率、永久变形特性密封材料一般应具有良好的物理和机械性能、回弹性高、压缩永久变形小、密封可靠、加工方便和使用寿命长。
硅橡胶密封剂能耐高温和低温、耐辐射、耐真空、无污染、无毒;聚硫橡胶密封剂具有优异的耐航空燃料性能,还有就是耐高温、耐高压、耐摩擦、耐压,这些都是密封行业的主导方向,密封材料的质量直接影响机械身设备的生产效率,假如买到不合适的产品,对设备的使用效率有很大的影响。
建议各位领导及各位同仁在选择密封材料的时候慎重选择,尽量使用品牌产品,因为品牌产品代表的是一个责任,也是一个生产厂家的实力。
应用航空航天工业还要求密封材料能适应一些特殊的环境要求,硅橡胶密封剂能耐高温和低温如耐真空、耐辐射、无污染、无毒、耐高低温和耐航空燃料和火箭推进剂等介质的腐蚀。
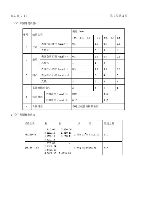
1“○”形圈外观质量:
2“○”形圈标准规格
4“Y
5
阀杆直径
组合填料尺寸
D d D1 d1 H h
Φ20 Φ32.2 Φ20.5 Φ34 Φ18.5 9.5 0.5
Φ22 Φ34.6 Φ22.4 Φ36.6 Φ20.4 6.5 0.5
Φ25 Φ41.3 Φ25.5 Φ43.4 Φ23.5 9.5 0.5
Φ28 Φ42.5 Φ28.5 Φ44.5 Φ26.5 11.4 1
Φ32 Φ47 Φ32.5 Φ49 Φ30.5 11.4 1
Φ36 Φ50.5 Φ36.5 Φ52.5 Φ34.5 11.4 1
Φ38 Φ53.5 Φ38.5 Φ55.5 Φ36.5 12.7 1
Φ40 Φ54.5 Φ40.5 Φ56.5 Φ42.5 11.4 1
6检验规则
6.1尺寸和公差按NSI/ASWCZ1.4Ⅱ级2.5AQL等同于GB2828-87抽样AQL=2.5一般检查水平Ⅱ级。
6.2每批材料进行拉伸强度、扯断伸长率、永久变形、撕袭强度、100%定伸强度以及硬度试验。
6.3试验结果不合格,应抽双倍试样对不合格项目进行复检;如复试不合格,则该材料应修炼一次,再进行复验;若复验仍不合格,则该批材料逐个检验。
6.4 生产厂每批对产品检验,提供质量保证书。
YHS/JS 东营市恒胜石化机械
有限责任公司技术文件
苏恒阀业
YHS/JS-G-14
版本号:A/0 API G 非金属密封件技术要求规范
2002/12/25发布2003/01/01实施
有限责任公司发布
东营市恒胜石化机械
苏恒阀业。
密封材料检测标准密封材料测试标准世界建筑密封材料的总趋势是用量持续增加,产品向高功能的弹性体密封膏方向发展,而低档油性嵌缝膏的使用比例不断下降,逐步退出市场,中档密封膏将有适度的发展。
随着优质防水材料的采用和对防不机理认识的深化,防水系统的使用期大大延长,SBS改性油毡屋面使用20年后变化很小,PVC防水片材已有成功使用30年的记录,EPDM和金属屋面的使用期可达40 年~50 年以上,实行防水保证期制度的条件已经成熟。
英国、法国、德国对屋面防水实行10 年保证期。
美国分别实行5年、10年、15年、20年的屋面保证期。
日本规定,屋面、阳台、走廊、浴室叠层油毡防水的保证期为10 年。
检测产品防震缓冲包装材料:用聚苯乙烯、低密度聚乙烯、聚氨酯和聚氯乙烯制成的泡沫塑料。
密封材料:密封剂和瓶盖衬、垫片等,用作桶、瓶、罐的封口材料。
检测项目1 、阻隔性能:有机气体透过率、包装膜高低温气体透过率、氧气透过率、二氧化碳气体透过率、氮气透过率、空气透过率等;2 、机械性能:拉伸强度与伸长率、剥离强度、热合强度、冲击强度、撕裂强度、摩擦系数、耐蒸煮测试、包装密封性能;3 、卫生性能:溶剂残留、邻苯类增塑剂、重金属含量、相容性、高锰酸钾消耗量等;4 、缓冲材料的缓冲性能:静压力、动态冲击、振动传递率、永久变形特性密封材料一般应具有良好的物理和机械性能、回弹性高、压缩永久变形小、密封可靠、加工方便和使用寿命长。
硅橡胶密封剂能耐高温和低温、耐辐射、耐真空、无污染、无毒;聚硫橡胶密封剂具有优异的耐航空燃料性能,还有就是耐高温、耐高压、耐摩擦、耐压,这些都是密封行业的主导方向,密封材料的质量直接影响机械身设备的生产效率,假如买到不合适的产品,对设备的使用效率有很大的影响。
建议各位领导及各位同仁在选择密封材料的时候慎重选择,尽量使用品牌产品,因为品牌产品代表的是一个责任,也是一个生产厂家的实力。
应用航空航天工业还要求密封材料能适应一些特殊的环境要求,硅橡胶密封剂能耐高温和低温如耐真空、耐辐射、无污染、无毒、耐高低温和耐航空燃料和火箭推进剂等介质的腐蚀。
非金属堵盖设计指南非金属堵盖设计指南1范围本标准介绍了**汽车非金属堵盖的材料,制造工艺,成本,种类规格,设计要求。
本标准适用于**汽车非金属堵盖设计要求。
2规范性引用文件下列文件对于本文件的应用是必不可少的。
凡是注日期的引用文件,仅注日期的版本适用于本文件。
凡是不注日期的引用文件,其最新版本(包括所有的修改单)适用于本文件。
Q/B 07.005 汽车密封用EPDM材料要求Q/B 07.030 TPE材料技术要求Q/B 07.022 丁腈橡胶材料(NBR)技术要求Q/B 03.017 车用PVC泡沫人造革3术语和定义3.1 热塑性弹性体TPE一种常温下具有橡胶的物理特性,高温下又具有可注塑加工特征的材料。
3.2 三元乙丙橡胶EPDM是一种乙烯、丙烯和少量的非共轭二烯烃共聚物的乙丙橡胶4非金属堵盖的材料特性5、非金属堵盖的成本非金属堵盖的成本主要包括:1、人工成本2、原材料成本 3、模具成本 4其他成本(能耗费、包装运输费+生产管理费+销售成本+税费)。
以∅20孔用的堵盖为例,如表3所示,TPE堵盖的价格设为单位价格,EPDM堵盖相对TPE堵盖的厚度增加,重量为TPE堵盖3.8倍,原材料的价格相对TPE高出很多,由于EPDM硫化模压成型工艺效率相对较低,人工成本较TPE高2.6倍,其他基本相当,单件价格是TPE的2.2倍。
TPE+EVA堵盖由于额外增加了EVA材料,重量增加了1.7倍,原材料价格相对高些,TPE+EVA堵盖由于需要增加机器人用于快速二次注塑,因此模具费相对较高。
贴片的价格最为便宜。
原材料成本在整个单件的成本中的占比一般为15%~60%,占比随着堵盖尺寸的加大而加大。
表2堵盖的相对成本规格材质重量原材料价格人工成本模具成本其他成本单件价格∅20孔TPE 1.0 1.0 1.0 1.0 1.0 1.0EPDM 3.8 2.9 2.6 0.9 1.3 2.2TPE+EVA 1.7 1.5 0.9 4.7 0.9 1.3贴片0.2 0.8 0.3 0.4 0.2 0.46、非金属堵盖的成型工艺6.1塑料堵盖成型工艺塑料堵盖采用注塑成型工艺,如图1所示图16.2橡胶堵盖的成型工艺塑料堵盖采用硫化模压成型工艺,如图2所示图26.3双组份堵盖成型工艺双组份堵盖采用二次注塑成型工艺,即在普通TPE注塑成型基础上利用机器人将尚未完全冷却的堵盖迅速放入第二套注塑模中,继续注塑EVA材料,使两种材料相互粘合。
编号:(X)XK08-004摩擦材料及非金属密封制品产品生产许可证实施细则(三)(非金属密封制品产品部分)2018-××-××公布 2018-××-××实施国家市场监督管理总局目录第一章总则 (1)第二章发证产品及标准 (1)第三章企业申请生产许可证的基本条件和资料 (4)第四章产品检验报告 (10)第五章证书许可范围 (11)第六章获证企业后置现场审查 (12)第七章附则 (12)附件1 非金属密封制品产品检验项目及依据标准 (13)附件2 非金属密封制品产品生产许可证获证企业后置现场审查办法 (20)附件3 生产许可证获证企业后置现场审查报告 (25)附件4 本实施细则与旧版细则主要内容对比表 (26)摩擦材料及非金属密封制品产品生产许可证实施细则(三)(非金属密封制品产品部分)第一章总则第一条依据《中华人民共和国工业产品生产许可证管理条例》、《国务院关于进一步压减工业产品生产许可证管理目录和简化审批程序的决定》、《中华人民共和国工业产品生产许可证管理条例实施办法》、《市场监管总局关于贯彻落实〈国务院关于进一步压减工业产品生产许可证管理目录和简化审批程序的决定〉有关事项的通知》、《质检总局关于发布〈工业产品生产许可证试行简化审批程序工作细则〉的公告》、《工业产品生产许可证实施细则通则》(以下简称通则)等规定,制定本工业产品生产许可证实施细则(以下简称细则)。
第二条本细则适用于非金属密封制品产品生产许可的后置现场审查等工作,应与通则一并使用。
第三条非金属密封制品产品由各省级生产许可证主管部门或其委托的下级生产许可证主管部门发证。
第二章发证产品及标准第四条本细则发证产品定义、范围及单元划分:(一)定义非金属密封制品产品一般由非金属材料或非金属和金属材料通过复合、编织、辊压或抄制等方式生产,主要对气体或液体的动静密封。
非金属非摩擦式防水密封节技术规范书1、工程项目材料的性能、参数等技术描述性文件1)安装条件直埋管道过孔防水采用防水密封节,非金属非摩擦式过孔防水密封节的安装设计、制造及检验符合中华人民共和国城镇建设行业标准CJJ28-2021的要求,并考虑非金属非摩擦式过孔防水密封节在工厂做的补偿结构,需提供非金属非摩擦式过孔防水密封节的安装技术资料。
2)非金属非摩擦式过孔防水密封节的防水压力设计压力:0.3MPa静水压;工作压力:0.01-0.3 MPa静水压3)轴向位移吸收量:±10~±50mm*N倍(可根据实际位移数据设计)4)环向位移吸收量:±2~±50mm (可根据实际位移数据设计)5)温度:设计最高温度:120℃;设计最低温度:-30℃环境温度:-20~100℃6)适用介质:地下污水、污水、海水7)材质质量要求:非金属复合材料A.防水密封补偿单元材质为:采用耐高温高分子复合材料。
最小壁厚处≥12㎜;单向位移量<110㎜时,采用单波设计;单向位移量>110㎜时,采用双波设计;不得采用多波形式的薄壁结构。
B.安装固定单元材质为:采用耐高温高分子复合材料。
最小壁厚处>15㎜。
C.连接A单元和B单元的连接紧固件,可采用304不锈钢材质外,避免采用金属性质的材料作为主体件、配件或增强件,以免影响整体使用寿命。
D.设备外壳部分:采用耐高温高分子复合材料。
设备外护壳厚度>5㎜。
8)结构形式:采用刚性固定安装和非摩擦式柔性补偿连接相结合的复合结构形式;非金属非摩擦式过孔防水密封节的连接,不与供水管网的工作钢管产生改变性接触。
9)工作条件和性能要求:(1)工作条件A:介质条件非金属非摩擦式过孔防水密封节可在地下水、地下污水、海水被加热(小于100℃)工况下长期使用。
B:环境条件a、室外存放条件:避免长期裸露存放。
b、温度: -30℃~50℃c、相对湿度: 10%~90%(2)使用条件A、地下直埋敷设,整套产品与地埋管道串联使用。
目录Table of Contents1双面胶带 (7)1.1双面胶带材料质量要求 (7)1.2双面胶带粘接工艺要求 (10)1.3双面胶带组装质量要求 (10)2泡棉 (11)2.1泡棉材料质量要求 (11)2.2泡棉自带的背胶性能要求 (13)2.3泡棉组装质量要求 (14)3铜箔 (14)3.1铜箔材料质量要求 (14)3.2铜箔组装质量要求 (15)4导电布材料 (15)4.1导电布材料质量要求 (15)4.2导电布组装质量要求 (17)5导电双面胶带 (17)5.1导电双面胶带材料质量要求 (17)5.2导电双面胶带组装质量要求 (18)6导电泡棉 (19)6.1导电泡棉材料质量要求 (19)6.2导电泡棉组装质量要求 (21)7膜类材料 (21)7.1膜类材料质量要求 (21)7.2膜类材料组装质量要求 (24)8防尘网 (24)8.1防尘网材料质量要求 (24)8.2防尘网组装质量要求 (25)9吸波材料 (25)9.1吸波材料质量要求 (25)9.2吸波材料组装质量要求 (27)表目录 List of Tables表 1 双面胶带材料性能要求 (7)表 2 其他性能要求 (9)表 3 泡棉材料性能要求 (11)表 4 其他性能要求 (12)表 5 泡棉自带的背胶性能要求 (13)表 6 铜箔材料性能要求 (14)表 7 其他性能要求 (14)表 8 导电布材料性能要求 (16)表 9 其他性能要求 (16)表 10 导电双面胶带材料性能要求 (17)表 11 其他性能要求 (17)表 12 全方位导电泡棉材料性能要求 (19)表 13 异形电泡棉材料性能要求 (19)表 14 其他性能要求 (20)表 15 膜类材料性能要求 (21)表 16 其他性能要求 (22)表 17 防尘网材料性能要求 (24)表 18 其他性能要求 (24)表 19 吸波材料性能要求 (25)终端非金属材料质量要求第2部分:结构辅料Terminal Requirements for Nonmetallic Materials Part 2:Structure Auxiliary Material 范围 Scope:本规范规定了华为终端非金属材料结构辅料的质量要求(包括双面胶带、泡棉、铜箔、导电布、导电双面胶、导电泡棉(含异形导电泡棉)、膜类材料、防尘网、吸波材料九类材料)。