电气试验(第二版)职业技能鉴定指导书职业标准试题库(仅高级工) 精品
- 格式:doc
- 大小:2.24 MB
- 文档页数:54
电气专业需订的书籍目录序号书名出版社作者数量 1 DL/T596-1996 电力设备预防性试验规程中国电力出版社 6 2 交联聚乙烯电力电缆线路(第二版) 中国电力出版社江日洪 3 11-054 职业技能鉴定指导书职业标准试题库直流设备检修(第二版) 中国电力出版社 6 4 11-035 职业技能鉴定指导书电机检修(第二版) 中国电力出版社 6 511-055 职业技能鉴定指导书职业标准试题库变电检修(第二版) 中国电力出版社 6 6 《防止电力生产重大事故的二十五项重点要求》中国电力出版社 6 7 11-053 职业技能鉴定指导书职业标准试题库变压器检修(第二版) 中国电力出版社司 6 8 《电力企业学习型班组长培训系列教材班组管理基础》中国电力出版社主编张景霞主审张伟 6 9 《电力企业学习型班组长培训系列教材班组文化建设》中国电力出版社主编沈思牧主审李学广 6 10 《电力企业学习型班组长培训系列教材班组管理实务》中国电力出版社主编李长军副主编侯加文刘晓敏 6 11 变压器检修技术中国电力出版社张学武 6 12 变压器油气相色谱分析实用技术中国电力出版社李孟超王允平张洪波 6 13 电力电缆岗位技能培训教材中国电力出版社杨德林 6 14 GB1094.11-2007代替GB6450-1986 电力变压器第11部分: 干式变压器中国标准出版社 6 15 汽轮发电机故障检查分析及预防(第二版) 中国电力出版社李伟清 6 16 DL/T573-2010代替DL/T573-1995 电力变压器检修导则中国电力出版社 6 17 Q/GDW459-2010 电容式电压互感器、耦合电容器状态检修导则中国电力出版社 6 18 Q/GDW453-2010 金属氧化物避雷器状态检修导则中国电力出版社 64 19 火电厂生产岗位技术问答电气检修中国电力出版社20 300MW热电联产机组技术丛书发电机及电气设备中国电力出版社 6 21Q/GDW172-2008 SF6高压断路器状态检修导则中国电力出版社 6 22。
电气试验职业技能鉴定试题库目录:选择题判断题简答题计算题绘图题论述题一、选择题下列每道题都有4个答案,其中只有一个正确答案,将正确答案填在括号内。
La5A1001在电场中,正电荷受电场力的作用总是(A)移动。
A.从高电位向低电位;B.从低电位向高电位;C.垂直于电力线的方向;D.保持原位。
La5A1002电路中之所以有电流流动,是由于电源两端的电位差造成的,这个电位差通常称之为(C)。
A.电压源;B.电流源;C.电压;D.电位。
La5A1003将一根电阻等于8Q的均匀导线,对折起来并联使用时,则电阻变为(D)。
A.16Ω;B.8Ω;C.4Ω;D.2Ω。
La5A2004导体电阻的大小与(D)无关。
A.导体的电阻率;B.导体的截面和长度;C.导体的温度;D.导体电位的高低。
La5A2005两只阻值不等的电阻并联后接入电路,则阻值大的发热量(B)。
A.大;B.小;C.等于阻值小的电阻发热量;D.与其阻值大小无关。
La5A3006在一个由恒定电压源供电的电路中,负载电阻R增大时,负载电流(B)。
A.增大;B.减小;C.恒定;D.基本不变。
La5A3007电源力将1C正电荷从电源负极移到正极所做的功为1J时,则电源的(C)。
A·电能是1kW·h;B.有功功率是1kW;C.电动势是1V;D.电流是1A。
La5A4008欧姆定律阐述的是(D)。
A·导体电阻与导体长度、截面及导体电阻率的关系;B.电流与电压的正比关系;C.电流与电压的反比关系;D.电阻、电流和电压三者之间的关系。
La5A5009已知:i=100·sin(ωt°+30°)A,t=0时,i等于(D)A。
A.-100;B.86.6;C.-50;D.50。
La4A1010将一根电阻等于R的均匀导线,对折起来并联使用时,则电阻变为(A)。
A.R/4;B.R/2;C.R;D.2R。
La4A1011阻值分别为R和2R的两只电阻串联后接入电路,则阻值小的电阻发热量是阻值大的电阻发热量的(B)A.1;B.1/2;C.2;D.1/3。
电气试验职业技能鉴定题库(高级工)第049套一、选择题【1】沿脏污表面的闪络不仅取决于是否能产生局部电弧,还要看流过脏污表面的泄漏电流是否足以维持一定程度的( B ),以保证局部电弧能继续燃烧和扩展。
A.碰撞游离B.热游离C.光游离D.滑闪放电【2】几个电容器并联连接时,其总电容量等于( B )。
A.各并联电容量的倒数和B.各并联电容量之和C.各并联电容量的和之倒数D.各并联电容量之倒数和的倒数【3】电容器的电容量C=Q/U(Q为电荷量,U为电压),由此得出( C )。
A.Q上升,C变大B.Q下降C变小C.C是常量,不随Q、U而变D.U下降C变大【4】电容器电容量的大小与施加在电容器上的电压( C )。
A.的平方成正比B.的一次方成正比C.无关D.成反比【5】理想电流源是指内阻为( D ),能输出恒定电流I的电源。
A.零B.很小C.很大D.无限大【6】三相变压器的短路阻抗Zk、正序阻抗Z1与负序阻抗Z2三者之间的关系是( A )。
A.Z1=Z2=ZkB.Zk=Z1=1/2Z2C.Z1=Zk=√3Z2D.Z1=Z2=1/2Zk【7】在不均匀电场中,棒一板间隙的放电电压与棒电压极性的关系是( C )。
A.与棒的极性无关B.正棒时放电电压高C.负棒时放电电压高D.负棒时放电电压低【8】三相变压器的零序阻抗大小与( D )有关。
A.其正序阻抗大小B.其负序阻抗大小C.变压器铁心截面大小D.变压器绕组联结方式及铁心结构【9】用末端屏蔽法测量220kV串级式电压互感器的tanδ,在试品底座法兰对地绝缘,电桥正接线、Cx引线接试品x、xD及底座条件下,其测得值主要反映( C )的绝缘状况。
A.—次绕组及下铁心支架对二次绕组及地B.处于下铁心下心柱的1/4一次绕组及下铁心支架对二次绕组及地C.处于下铁心下心柱的1/4一次绕组端部对二次绕组端部之间的及下铁心支架对壳之间D.上下铁心支架【10】滤波电路滤掉的是整流输出的( A )。
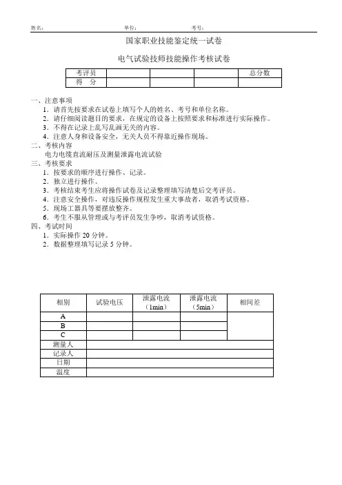
国家职业技能鉴定统一试卷电气试验技师技能操作考核试卷一、注意事项1.请首先按要求在试卷上填写个人的姓名、考号和单位名称。
2.请仔细阅读题目的要求,在规定的设备上按照要求和标准进行实际操作。
3.不得在记录上乱写乱画无关的内容。
4.注意人身和设备安全,无关人员不得靠近操作现场。
二、考核内容电力电缆直流耐压及测量泄露电流试验三、考核要求1.按要求的顺序进行操作、记录。
2.独立进行操作。
3.考核结束考生应将操作试卷及记录整理填写清楚后交考评员。
4.注意安全操作,对违反操作规程发生重大事故者,取消考试资格。
5.现场工器具等要摆放整齐。
6.考生不服从管理或与考评员发生争吵,取消考试资格。
四、考试时间1.实际操作20分钟。
2.数据整理填写记录5分钟。
L-101型微机厂用变保护装置整定及整组试验评分标准:总分:60分实际得分:考评员(签字):2003 年月日国家职业技能鉴定统一试卷继电保护技师技能操作考核试卷1、请首先按要求在试卷上填写个人的姓名、考号和单位名称。
2、请仔细阅读题目的要求,在规定的设备上按照要求和标准进行实际操作。
3、不得在记录上乱写乱画无关的内容。
4、注意人身和设备安全,无关人员不得靠近操作现场。
二、考核内容LBD-MRT-301微机电动机保护装置整定及整组试验。
考试要求:1、需他人协助进行操作试验;2、利用闲置设备在实验室进行试验;3、注意安全,操作过程符合《电业安全工作规程》;4、电动机微机保护装置已调试完毕,接线正确。
工具材料设备等:1、继电保护试验仪;2、常用电工工具;3、保护定值:过流高值25A(0S);过流低值10A(0.1S);接地保护零序过流10A(0S);不平衡保护负序电流5A(2S)。
4、主要保护配置:(1)过流高值保护,(2)过流低值保护,(3)接地保护,(4)不平衡保护。
5、相关资料(厂家微机保护说明书)。
三、考核要求1、按要求的工艺顺序进行操作、记录。
2、独立进行操作。
( 11-0571 ) 电力职业技能鉴定考试 《电气试验工(第二版)》技师理论题库 一、选择题(共41题) 1. 下列描述电感线圈主要物理特性的各项中,( )项是错误的。
(A) 电感线圈能储存磁场能量; (B) 电感线圈能储存电场能量; (C) 电感线圈中的电流不能突变; (D) 电感在直流电路中相当于短路,在交流电路中,电感将产生自感电动势,阻碍电流的变化。
答案:B 2. 下列描述电容器主要物理特性的各项中,( )项是错误的。
(A) 电容器能储存磁场能量; (B) 电容器能储存电场能量; (C) 电容器两端电压不能突变; (D) 电容在直流电路中相当于断路,但在交流电路中,则有交流容性电流通过。
答案:A 3. 半导体的电导率随温度升高而( )。
(A) 按一定规律增大; (B) 呈线性减小; (C) 按指数规律减小; (D) 不变化。
答案:A 4. 在电场作用下,电介质所发生的极化现象中,多发生于采用分层介质或不均匀介质的绝缘结构中;极化的过程较缓慢,极化时间约几秒、几十秒甚至更长,发生于直流及低频(0~1000Hz )范围内,需消耗能量的极化,称为( )式极化。
(A) 离子; (B) 偶极子; (C) 夹层; (D) 电子。
答案:C 5. 所谓对称三相负载就是( )。
(A) 三个相电流有效值相等; (B) 三个相电压相等,相位角互差120°; (C) 三相电流有效值相等,三个相的相电压相等且相位角互差120°; (D) 三相负载阻抗相等,且阻抗角相等。
答案:D 6. 如测得变压器铁心绝缘电阻很小或接近零,则表明铁心( )。
(A) 多点接地; (B) 绝缘良好; (C) 片间短路; (D) 运行时将出现高电位。
答案:A单位___________________考生姓名_________准考证号___________________考试时间_____________考评员签名__________考评组长签名__________(A)电导; (B)离子极化; (C)电子极化; (D)夹层式极化。
理论知识(含技能笔试)试题4.1.1选择题技能鉴定试题库2 La5A1001在三相交流电路中所谓三相负载对称是指(C)A、各相阻抗值相等;B、各相阻抗值不等;C、电阻相等、电抗相等、电抗性质相同;D、阻抗角相等。
La5A1002交流电路中常用P、Q、S表示有功功率、无功功率、视在功率,而功率因数是指(B)。
A、Q/P;B、P/S;C、Q/S;D、P/Q。
La5A1003磁场力的大小与(A)有关。
A、磁感应强度;B、磁力线方向;C、通过导体的电流;D、外加电压。
La5A2004如负载的有功功率为P,无功功率为Q,电压为U,电流为I,确定电抗X大小的关系式是(A)。
A、X = Q/I.2;B、X=Q/I ;C、X= I.2/ Q2;D、X=U I.2/QLa5A2005有一个三相电动机,当绕组联成星行接于U L =380V的三项电源上,或绕组联成三角形接于U L= 220V的上相电源上,这两种情况下,从电源输入功率(A)A、相等;B、差V 3倍;C、差1/V3倍;D、差3倍。
La5A2006在交流电流i通过某电阻,在一定时间内产生的热量,与某直流电流I 在相同时间内通过该电阻所产生的热量相等,那么就把此直流I定作为交流电流i的(A)A、有效值;B、最大值;C、最小值;D、瞬时值。
La5A3007测量50Hz交流电半波整流器的平均值选用(D)式仪表。
A、电磁式;B、热电式;C、感应式;D、磁电式。
La5A3008磁电式仪表用于测量(B )。
A、交流电;B、直流电;C瞬时值;D、平均值。
La5A3009电动式仪表用于测量(B )。
A、直流电;B、交流电;C、平均值;D、有效值。
La5A 4010导体的电阻与导体的长度关系为(A )。
A、正比;B、反比;C、随之增加;D、无关。
La5A 4011导体的电阻与导体的截面积关系为(B).A、正比;B、反比;C、随之减少;D、无关。
La5A 4012长度为1m,截面积是1mm2的导体所具有的电阻值称为(C)。
电气试验职业技能鉴定试题库目录:一、选择题下列每道题都有4个答案,其中只有一个正确答案,将正确答案填在括号内。
La5A1001在电场中,正电荷受电场力的作用总是(A)移动。
A.从高电位向低电位;B.从低电位向高电位;C.垂直于电力线的方向;D.保持原位。
La5A1002电路中之所以有电流流动,是由于电源两端的电位差造成的,这个电位差通常称之为(C)。
A.电压源;B.电流源;C.电压;D.电位。
La5A1003将一根电阻等于8Q的均匀导线,对折起来并联使用时,则电阻变为(D)。
A.16Ω;B.8Ω;C.4Ω;D.2Ω。
La5A2004导体电阻的大小与(D)无关。
A.导体的电阻率;B.导体的截面和长度;C.导体的温度;D.导体电位的高低。
La5A2005两只阻值不等的电阻并联后接入电路,则阻值大的发热量(B)。
A.大;B.小;C.等于阻值小的电阻发热量;D.与其阻值大小无关。
La5A3006在一个由恒定电压源供电的电路中,负载电阻R增大时,负载电流(B)。
A.增大;B.减小;C.恒定;D.基本不变。
La5A3007电源力将1C正电荷从电源负极移到正极所做的功为1J时,则电源的(C)。
A·电能是1kW·h;B.有功功率是1kW;C.电动势是1V;D.电流是1A。
La5A4008欧姆定律阐述的是(D)。
A·导体电阻与导体长度、截面及导体电阻率的关系;B.电流与电压的正比关系;C.电流与电压的反比关系;D.电阻、电流和电压三者之间的关系。
La5A5009已知:i=100·sin(ωt°+30°)A,t=0时,i等于(D)A。
A.-100;B.86.6;C.-50;D.50。
La4A1010将一根电阻等于R的均匀导线,对折起来并联使用时,则电阻变为(A)。
A.R/4;B.R/2;C.R;D.2R。
La4A1011阻值分别为R和2R的两只电阻串联后接入电路,则阻值小的电阻发热量是阻值大的电阻发热量的(B)A.1;B.1/2;C.2;D.1/3。
电气试验职业技能鉴定题库(高级工)第033套一、选择题【1】绝缘电阻表输出的电压是( C )电压。
A.直流B.正弦交流C.脉动的直流D.非正弦交流【2】已知R=3Ω,XL=5Ω,将它们串联连接时,总阻抗Z等于( C )。
A.9ΩB.7ΩC.5ΩD.1Ω【3】在变压器高、低压绕组绝缘纸筒端部设置角环,是为了防止端部绝缘发生( C )。
A.电晕放电B.辉光放电C.沿面放电D.局部放电【4】稳压管在稳压范围内,流过管子的电流称为( C )电流。
A.额定B.整流C.稳定D.滤波【5】L、C串联电路的谐振频率f0等于( A )。
A.1/(2π√LB.C.2π√LCD.1/√LCE.√(L/F.【6】阻容耦合或变压器耦合的放大电路可放大( B )。
A.直流信号B.交流信号C.交、直流信号D.反馈信号【7】放大电路的静态工作点,是指输入信号为( A )时管子的工作点。
A.零B.正C.负D.额定值【8】测量介质损耗因数,通常不能发现的设备绝缘缺陷是( D )。
A.整体受潮B.整体劣化C.小体积试品的局部缺陷D.大体积试品的局部缺陷【9】钻头的规格标号一般标在钻头的( B )。
A.柄部B.颈部C.导向部分D.切削部分【10】电容器的电容量C=Q/U(Q为电荷量,U为电压),由此得出( C )。
A.Q上升,C变大B.Q下降C变小C.C是常量,不随Q、U而变D.U下降C变大【11】调相机作为系统的无功电源,在电网运行中它通常处于( D )的状态。
A.向系统送出有功功率B.从系统吸收视在功率C.从系统吸收有功功率D.向系统输送无功功率,同时从系统吸收少量有功功率以维持转速【12】产生串联谐振的条件是( C )。
A.XL>XCB.XL<XCC.XL=XCD.L=C【13】在不均匀电场中,电晕起始电压( D )击穿电压。
A.远高于B.略高于C.等于D.低于【14】系统短路电流所形成的动稳定和热稳定效应,对系统中的( C )可不予考虑。
二、判断题(正确的请在括号内打"√",错误的打"³",共70题)1.对三相四线制系统,不能用两只功率表测量三相功率。
(√ )2.R、L、C串联电路,其复导纳表示公式:。
(×)3.用支路电流法列方程时,所列方程的个数与支路数目相等。
( √ )4.理想电压源与理想电流源的外特性曲线是垂直于坐标轴的直线,两者是不能进行等效互换的。
( √ )5.复数形式的基尔霍夫两定律为:。
( √ )答案:√6.恒流源的电流不随负载而变,电流对时间的函数是固定的,而电压随与之连接的外电路不同而不同。
( √ )7.物体失去电子后,便带有负电荷,获得多余电子时,便带有正电荷。
(× )答案:×8.电场力在单位时间里所做的功,称为电功率,其表达式是P=A/t,它的基本单位是W(瓦)。
(√ )9.热力学温标的温度用K表示。
热力学温度以绝对零度为零度。
绝对零度是表示物体的最低极限温度。
绝对零度时,物体的分子和原子停止了运动。
(√ )10.直导体在磁场中运动一定会产生感应电动势。
( × )11.表示绝对零度时:0K=-273℃;表示温差和温度间隔时:1K=1℃。
( √ )12.在中性点直接接地的电网中,发生单相接地时,健全相对地电压绝不会超过相电压。
(× )13.在真空介质中,两点电荷之间的作用力与两点电荷电量的乘积成正比,与它们之间的距离平方成反比。
( √ )14.在气体中,任何电极的负极性击穿电压都比正极性击穿电压低。
(× )15.金属氧化物避雷器总泄漏电流主要由流过阀片的电容电流、电阻电流和流过绝缘体的电导电流三部分组成。
( √ )16.对于线性的三相电路,可以利用叠加原理,将不对称的三相电压(或电流)分解成正序、负序和零序三相对称分量来计算,这种方法称为对称分量法。
(√) 17.电压、电流的波形发生畸变时,通常用其基波有效值F1与整个波形的有效值F的比值来描述其畸变程度,称为该波形的畸变率k d,即k d=F1/F。
( 11-0571 ) 电力职业技能鉴定考试 《电气试验工(第二版)》高级技师理论题库 一、选择题(共48题) 1. 一个线性电感元件的感抗决定于( )。
(A) 电路电压; (B) 电路电流; (C) 自感系数; (D) 自感系数和频率。
答案:D 2. 三相变压器的零序电抗大小与( )有关。
(A) 其正序电抗大小; (B) 其负序电抗大小; (C) 变压器导线截面大小; (D) 变压器绕组联结方式及铁心结构。
答案:D 3. 300MW 及以上发电机接地故障电流允许值是( )。
(A) 10A ; (B) 3A ; (C) 2A ; (D) 1A 。
答案:D 4. 氧化锌避雷器进行工频参考电压测量时,是以一定的( )为参考电流。
(A) 阻性电流有效值; (B) 阻性电流峰值; (C) 全电流有效值; (D) 全电流峰值。
答案:B 5. 对220/110/10kV 三绕组分级绝缘变压器进行空载冲击合闸试验时,变压器必须( )。
(A) 220、110kV 侧中性点均接地; (B) 110kV 侧中性点接地; (C) 220kV 侧中性点接地;(D) 中性点与地绝缘。
答案:A6. 大气过电压作用于中性点直接接地的变压器绕组时,对变压器绕组的( )危害最严重。
单位___________________考生姓名_________准考证号___________________考试时间_____________考评员签名__________考评组长签名__________(A)主绝缘;(B) 末端匝间绝缘;(C) 首端匝间绝缘;(D) 首端主绝缘。
答案:C7. 国产600MW机组冷却方式是()。
(A)空冷;(B) 双水内冷;(C) 水氢氢;(D) 水水氢。
答案:C8. 造成变压器油流带电最主要的因素是()。
(A)油流速度;(B) 油路导向;(C) 油品质量;(D) 油的温度。
答案:A9. 标准雷电冲击电压波是指()。
职业技能鉴定-电气试验考考评标准(高级工、技师、高级技师)川电职鉴〔2008〕31号各有关单位和鉴定站:为统一和规范四川电力行业工种电气试验高级工、技师、高级技师职业技能鉴定培训计划和考核评分标准,四川省电力行业职业技能鉴定中心组织培训单位及专业人员对现行的考核和评分标准进行修订和完善。
现印发给你们,请遵照执行。
附件:四川省电力公司电气试验高级工、技师、高级技师职业技能培训计划和考核标准1(此页无正文)二??八年十一月二十六日主题词:印发高级工技师高级技师考核标准通知四川省电力公司总经理工作部 2008年1月26日2附件:根据《电力工人技术等级标准》和《电气试验职业技能鉴定规范》的要求,特制定电气试验高级工职业技能鉴定预备培训与鉴定考核实施方案如下:一、通过对电力系统一次高压设备试验和诊断技术的培训,使受培人员掌握电气试验的项目、原理、特性和方法,熟悉和掌握电气试验规程和国家标准,掌握各种试验仪器的使用方法,正确的分析各种试验项目的结果并编写试验报告,通过技能鉴定考核,使受培人员顺利通过高级工鉴定,让合格的电气试验人员持证上岗。
二、符合高级工申报条件的电气试验人员。
高级工职业技能鉴定培训和考核共18天。
1、职业道德,班组管理2、电路基础知识(1)、掌握直流电路基本概念及分析计算;(2)、掌握交流电路的基本概念及电路的计算;(3)、了解磁场的基本知识,掌握电磁感应的基本原理;(4)、掌握正弦交流电路功率概念(视在功率、有功功率、无功功率、3功率因数)及计算;(5)、掌握三相电路的连接方式及对称三相电路的功率计算;(6)、了解非正弦交流电路、线性电路的基本知识。
3、高电压基础知识(1)、了解气体放电,固体、液体介质击穿机理,老化机理等概念;(2)、掌握大气过电压及防雷器具;(3)、掌握内部过电压及防护措施;(4)、了解冲击电压测量,局部放电试验及串联谐振试验等高电压技术的一般知识。
1、熟悉DL/T 596—1996《电力设备预防性试验规程》;2、掌握GB 50254~259—1996《电气设备安装和工程施工及验收规范》的电气设备交接试验标准;3、掌握500kV交流电气设备交接和预防法试验规程;4、了解高压电气设备绝缘配合和高电压技术中与本专业有关条文的规定;5、掌握各种试验方法的试验接线图;6、了解绝缘油的色谱分析的基本知识;7、了解SF气体的基本知识; 68、基本掌握高压电气设备的结构、原理、性能、运行及检修情况;9、掌握变压器的工作原理和绝缘结构;10、掌握断路器的工作原理和绝缘结构;11、掌握电流互感器的工作原理和绝缘结构;12、掌握电压互感器的工作原理和绝缘结构;13、掌握避雷器的工作原理和绝缘结构;14、掌握耦合电容器的工作原理和绝缘结构;415、了解高电压试验技术、试验设备、仪器发展动态。
电气试验(第二版)职业技能鉴定指导书职业标准试题库(仅高级工)精品电气试验工高级工技能鉴定理论题库一、选择题1、几个电容器并联连接时,其总电容量等于( B )。
(A )各并联电容量的倒数和;(B )各并联电容量之和;(C )各并联电容量的和之倒数;(D )各并联电容量之倒数和的倒数。
2、已知R=3Ω,L X =5Ω,C X =1Ω,将它们串联连接时,总阻抗Z 等于( C )。
(A )9Ω;(B )7Ω;(C )5Ω;(D )1Ω。
3、电容器电容量的大小与施加在电容器上的电压( C )。
(A )的平方成正比;(B )的一次方成正比;(C )无关;(D )成反比。
4、在R 、L 、C 串联的交流电路中,如果总电压相位落后于电流相位,则( D )。
(A )R=L X =C X ;(B )L X =C X ≠R ;(C )L X >C X ;(D )L X <C X 。
5、已知A 点对地电位是65V ,B 点对地电位是35V ,则BA U 等于( D )。
(A )100V ;(B )30V ;(C )-100V ;(D )-30V 。
6、交流电路中,分别用P 、Q 、S 表示有功功率、无功功率和视在功率,而功率因数则等于( A )。
(A )P/S ;(B )Q/S ;(C )P/Q ;(D )Q/P 。
7、对均匀带电的球面来说,球内任何点的场强( A )。
(A )等于零;(B )小于零;(C )大于零;(D )与球面场强相等。
8、试验电荷在静电场中移动时,电场力所做的功与该试验电荷的( C )。
(A )大小及距离有关;(B )大小有关;(C )大小及位移有关;(D )大小及位移无关。
9、两个大小不等的金属球,球面带有等值同性电荷时,则两球之电动势( B )。
(A )相等;(B )不相等;(C )可能相等;(D )均为零。
10、在电路计算中,电流的参考方向通常是( A )。
(A )任意选定的;(B )由正极指向负极;(C )由负极指向正极;(D )与实际的电流方向一致。
( 11-0571 ) 电力职业技能鉴定考试 《电气试验工(第二版)》技师理论题库 一、选择题(共41题) 1. 下列描述电感线圈主要物理特性的各项中,( )项是错误的。
(A) 电感线圈能储存磁场能量; (B) 电感线圈能储存电场能量; (C) 电感线圈中的电流不能突变; (D) 电感在直流电路中相当于短路,在交流电路中,电感将产生自感电动势,阻碍电流的变化。
答案:B 2. 下列描述电容器主要物理特性的各项中,( )项是错误的。
(A) 电容器能储存磁场能量; (B) 电容器能储存电场能量; (C) 电容器两端电压不能突变;(D) 电容在直流电路中相当于断路,但在交流电路中,则有交流容性电流通过。
答案:A 3. 半导体的电导率随温度升高而( )。
(A) 按一定规律增大; (B) 呈线性减小; (C) 按指数规律减小; (D) 不变化。
答案:A 4. 在电场作用下,电介质所发生的极化现象中,多发生于采用分层介质或不均匀介质的绝缘结构中;极化的过程较缓慢,极化时间约几秒、几十秒甚至更长,发生于直流及低频(0~1000Hz )范围内,需消耗能量的极化,称为( )式极化。
(A) 离子; (B) 偶极子; (C) 夹层; (D) 电子。
答案:C 5. 所谓对称三相负载就是( )。
(A) 三个相电流有效值相等; (B) 三个相电压相等,相位角互差120°; (C) 三相电流有效值相等,三个相的相电压相等且相位角互差120°; (D) 三相负载阻抗相等,且阻抗角相等。
答案:D 6. 如测得变压器铁心绝缘电阻很小或接近零,则表明铁心( )。
(A) 多点接地; (B) 绝缘良好; (C) 片间短路; (D) 运行时将出现高电位。
答案:A单位___________________考生姓名_________准考证号___________________考试时间_____________考评员签名__________考评组长签名__________(A)电导; (B)离子极化; (C)电子极化; (D)夹层式极化。
电气试验职业技能鉴定题库(高级工)第013套一、选择题【1】系统短路电流所形成的动稳定和热稳定效应,对系统中的( C )可不予考虑。
A.变压器B.电流互感器C.电压互感器D.断路器【2】电容式电压互感器电气试验项目( D )的测试结果与其运行中发生二次侧电压突变为零的异常现象无关。
A.测量主电容C1的tanδ和CB.测量分压电容C2及中间变压器的tanδ、C和电阻C.电压比试验D.检查引出线的极性【3】滤波电路滤掉的是整流输出的( A )。
A.交流成分B.直流成分C.交直流成分D.脉动直流成分【4】在电路计算中,电流的参考方向通常是( A )。
A.任意选定的B.由正极指向负极C.由负极指向正极D.与实际的电流方向一致【5】对一台LCWD2—110电流互感器,根据其主绝缘的绝缘电阻10000Ω、tanδ值为0.33%;末屏对地绝缘电阻60MΩ、tanδ值为16.3%,给出了各种诊断意见,其中( A )项是错误的。
A.主绝缘良好,可继续运行B.暂停运行,进一步做油中溶解气体色谱分析及油的水分含量测试C.末屏绝缘电阻及tanδ值超标D.不合格【6】几个电容器并联连接时,其总电容量等于( B )。
A.各并联电容量的倒数和B.各并联电容量之和C.各并联电容量的和之倒数D.各并联电容量之倒数和的倒数【7】试验电荷在静电场中移动时,电场力所做的功与该试验电荷的( C )。
A.大小及距离有关B.大小有关C.大小及位移有关D.大小及位移无关【8】在正弦电路中R、L串联,且R≠0,L≠0时,以电流?为参考相量,其与总电压相位差φ的范围是( A )。
A.0<φ<90°B.φ=90°C.φ=-90°D.-90°<φ<0°【9】系统发生A相金属性接地短路时,故障点的零序电压( B )。
A.与A相电压同相B.与A相电压相位差180°C.超前于A相电压90°D.滞后于A相电压90°【10】绝缘油击穿电压的高低与油自身( A )有关。
电力职业技能鉴定考试《电气试验工(第二版)》中级工技能试卷评分记录表1.题目名称:用万用表测量不同阻值电阻2.题目名称:测量变压器绕组的绝缘电阻和吸收比3.题目名称:配电变压器交流耐压试验评分记录表:4.题目名称:电力电容器电容量测量5.题目名称:测量氧化锌避雷器75溢流1mA电压下的泄漏电流6.题目名称:10kV电压互感器的伏安特性曲线测量评分记录表:7.题目名称:测量110kV油浸式电流互感器介质损耗因数评分记录表:8.题目名称:测量110kV电容套管的介质损耗因数值9.题目名称:断路器分合闸时间的测定10.题目名称:电流互感器的励磁特性试验11.题目名称:110kV隔离开关主回路电阻测量评分记录表:12.题目名称:变电所地网接地电阻测试(以模拟操作方式演示)13.题目名称:对10kV双母线进行核相工作评分记录表:14.题目名称:运行中带电监测避雷器工频电导(或泄漏)电流的全电流和阻抗电流分15.题目名称:变压器空载试验设备准备及接线评分记录表:16.题目名称:发电机定子绕组工频谐振耐压试验17.题目名称:三相电力变压器的变比测试18.题目名称:绝缘油tand测量19.题目名称:110kV三相三绕组电力变压器进行直流泄漏试验评分记录表:20.题目名称:测量串级式电压互感器支架介质损耗满分66 5 4 4 5扣分错一项扣2分错一项扣1分错误扣3分未按加压过程作扣3分未采取此措施扣分未进行放电扣3分|2放电方法不对扣分放电不充分扣221.题目名称:采用直流脉冲放电寻找电缆非金属性接地点评分记录表:22.题目名称:电力电缆泄漏电流及直流耐压试验评分记录表:24.题目名称:有串联间隙的氧化锌避雷器工频放电试验。
电气试验职业技能鉴定试题库目录:选择题判断题简答题计算题绘图题论述题一、选择题下列每道题都有4个答案,其中只有一个正确答案,将正确答案填在括号内。
La5A1001在电场中,正电荷受电场力的作用总是(A)移动。
A.从高电位向低电位;B.从低电位向高电位;C.垂直于电力线的方向;D.保持原位。
La5A1002电路中之所以有电流流动,是由于电源两端的电位差造成的,这个电位差通常称之为(C)。
A.电压源;B.电流源;C.电压;D.电位。
La5A1003将一根电阻等于8Q的均匀导线,对折起来并联使用时,则电阻变为(D)。
A.16Ω;B.8Ω;C.4Ω;D.2Ω。
La5A2004导体电阻的大小与(D)无关。
A.导体的电阻率;B.导体的截面和长度;C.导体的温度;D.导体电位的高低。
La5A2005两只阻值不等的电阻并联后接入电路,则阻值大的发热量(B)。
A.大;B.小;C.等于阻值小的电阻发热量;D.与其阻值大小无关。
La5A3006在一个由恒定电压源供电的电路中,负载电阻R增大时,负载电流(B)。
A.增大;B.减小;C.恒定;D.基本不变。
La5A3007电源力将1C正电荷从电源负极移到正极所做的功为1J时,则电源的(C)。
A·电能是1kW·h;B.有功功率是1kW;C.电动势是1V;D.电流是1A。
La5A4008欧姆定律阐述的是(D)。
A·导体电阻与导体长度、截面及导体电阻率的关系;B.电流与电压的正比关系;C.电流与电压的反比关系;D.电阻、电流和电压三者之间的关系。
La5A5009已知:i=100·sin(ωt°+30°)A,t=0时,i等于(D)A。
;B.86.6;C.-50;D.50。
La4A1010将一根电阻等于R的均匀导线,对折起来并联使用时,则电阻变为(A)。
A.R/4;B.R/2;C.R;D.2R。
La4A1011阻值分别为R和2R的两只电阻串联后接入电路,则阻值小的电阻发热量是阻值大的电阻发热量的(B)A.1;B.1/2;C.2;D.1/3。
电气试验职业技能鉴定试题库目录:选择题判断题简答题计算题绘图题论述题一、选择题下列每道题都有4个答案,其中只有一个正确答案,将正确答案填在括号内。
La5A1001在电场中,正电荷受电场力的作用总是(A)移动。
A.从高电位向低电位;B.从低电位向高电位;C.垂直于电力线的方向;D.保持原位。
La5A1002电路中之所以有电流流动,是由于电源两端的电位差造成的,这个电位差通常称之为(C)。
A.电压源;B.电流源;C.电压;D.电位。
La5A1003将一根电阻等于8Q的均匀导线,对折起来并联使用时,则电阻变为(D)。
A.16Ω;B.8Ω;C.4Ω;D.2Ω。
La5A2004导体电阻的大小与(D)无关。
A.导体的电阻率;B.导体的截面和长度;C.导体的温度;D.导体电位的高低。
La5A2005两只阻值不等的电阻并联后接入电路,则阻值大的发热量(B)。
A.大;B.小;C.等于阻值小的电阻发热量;D.与其阻值大小无关。
La5A3006在一个由恒定电压源供电的电路中,负载电阻R增大时,负载电流(B)。
A.增大;B.减小;C.恒定;D.基本不变。
La5A3007电源力将1C正电荷从电源负极移到正极所做的功为1J时,则电源的(C)。
A·电能是1kW·h;B.有功功率是1kW;C.电动势是1V;D.电流是1A。
La5A4008欧姆定律阐述的是(D)。
A·导体电阻与导体长度、截面及导体电阻率的关系;B.电流与电压的正比关系;C.电流与电压的反比关系;D.电阻、电流和电压三者之间的关系。
La5A5009已知:i=100·sin(ωt°+30°)A,t=0时,i等于(D)A。
A.-100;B.86.6;C.-50;D.50。
La4A1010将一根电阻等于R的均匀导线,对折起来并联使用时,则电阻变为(A)。
A.R/4;B.R/2;C.R;D.2R。
La4A1011阻值分别为R和2R的两只电阻串联后接入电路,则阻值小的电阻发热量是阻值大的电阻发热量的(B)A.1;B.1/2;C.2;D.1/3。
电气试验工高级工技能鉴定理论题库一、选择题1、几个电容器并联连接时,其总电容量等于( B )。
(A )各并联电容量的倒数和;(B )各并联电容量之和;(C )各并联电容量的和之倒数;(D )各并联电容量之倒数和的倒数。
2、已知R=3Ω,L X =5Ω,C X =1Ω,将它们串联连接时,总阻抗Z 等于( C )。
(A )9Ω;(B )7Ω;(C )5Ω;(D )1Ω。
3、电容器电容量的大小与施加在电容器上的电压( C )。
(A )的平方成正比;(B )的一次方成正比;(C )无关;(D )成反比。
4、在R 、L 、C 串联的交流电路中,如果总电压相位落后于电流相位,则( D )。
(A )R=L X =C X ;(B )L X =C X ≠R ;(C )L X >C X ;(D )L X <C X 。
5、已知A 点对地电位是65V ,B 点对地电位是35V ,则BA U 等于( D )。
(A )100V ;(B )30V ;(C )-100V ;(D )-30V 。
6、交流电路中,分别用P 、Q 、S 表示有功功率、无功功率和视在功率,而功率因数则等于( A )。
(A )P/S ;(B )Q/S ;(C )P/Q ;(D )Q/P 。
7、对均匀带电的球面来说,球内任何点的场强( A )。
(A )等于零;(B )小于零;(C )大于零;(D )与球面场强相等。
8、试验电荷在静电场中移动时,电场力所做的功与该试验电荷的( C )。
(A )大小及距离有关;(B )大小有关;(C )大小及位移有关;(D )大小及位移无关。
9、两个大小不等的金属球,球面带有等值同性电荷时,则两球之电动势( B )。
(A )相等;(B )不相等;(C )可能相等;(D )均为零。
10、在电路计算中,电流的参考方向通常是( A )。
(A )任意选定的;(B )由正极指向负极;(C )由负极指向正极;(D )与实际的电流方向一致。
11、如果流过电容C=100μF 的正弦电流C i =15.72sin (100πt-45°)A 。
则电容两端电压的解析式为( C )。
(A )C u =5002sin (100πt+45°)V ;(B )C u =5002sin (100πt-90°)V ;(C )C u =5002sin (100πt-135°)V ;(D )C u =5002sin100πtV 。
12、在R 、L 、C 并联的交流电路中,如果总电压相位落后于总电流相位时,则表明( B )。
(A )R X X ==C L ;(B )L X >C X ;(C )C X >L X ;(D )L X =C X 。
13、在不均匀电场中,棒一板间隙的放电电压与棒电压极性的关系是( C )。
(A )与棒的极性无关;(B )正棒时放电电压高;(C )负棒时放电电压高;(D )负棒时放电电压低。
14、在不均匀电场中,电晕起始电压( D )击穿电压。
(A )远高于;(B )略高于;(C )等于;(D )低于。
15、在电场极不均匀的空气间隙中加入屏障后,在一定条件下,可以显著提高间隙的击穿电压,这是因为屏障在间隙中起到了( D )的作用。
(A )隔离电场;(B )分担电压;(C )加强绝缘;(D )改善电场分布。
16、电场作用下,电介质发生的极化现象中,极化时间不超过1011-~1013-s ;极化几乎是完全弹性的,外电场消失后,会立即复原;极化发生在离子式结构的固体介质中,能在各种电工频率下发生,几乎不消耗能量,这种极化称为( A )式极化。
(A )离子;(B )偶极子;(C )夹层;(D )电子。
17、电场作用下,电介质发生的极化现象中,发生于偶极子结构的电介质中,极化时间约102-~1010-S :而且是非弹性的;需消耗一定能量的极化,称为( B )式极化。
(A )离子;(B )偶极子;(C )夹层;(D )电子。
18、R 、L 、C 串联电路中,已知R U =100V ,L U =100V ,C U =100V ,则总电压有效值是( A )。
(A )100V ;(B )1002V ;(C )300V ;(D )1003V 。
19、产生串联谐振的条件是( C )。
(A )L X >C X ;(B )L X <C X ;(C )L X =C X ;(D )L=C 。
20、在正弦电路中R 、L 串联,且R ≠O ,L ≠0时,以电流∙I 为参考相量,其与总电压相位差ϕ的范围是( A )。
(A )0<ϕ<90°;(B )ϕ=90°;(C )ϕ=-90°;(D )-90°<ϕ<0°。
21、在正弦电路中R 、C 串联,且R ≠0,C ≠0时,以电流∙I 为参考相量,其与总电压相位差ϕ的范围是( D )。
(A )0<ϕ<90°;(B )ϕ=90°;(C )ϕ=-90°;(D )-90°<ϕ<0°。
22、在R 、L 、C 串联电路中,当电流与总电压同相时,( B )成立。
(A )C L 2ω=1;(B )LC 2ω=1;(C )LC ω=1;(D )ω=LC23、理想电压源是指具有一定的电源电压E ,而其内阻为( D )的电源。
(A )无限大;(B )很大;(C )很小;(D )零。
24、理想电流源是指内阻为( D ),能输出恒定电流I 的电源。
(A )零;(B )很小;(C )很大;(D )无限大。
25、沿脏污表面的闪络不仅取决于是否能产生局部电弧,还要看流过脏污表面的泄漏电流是否足以维持一定程度的( B ),以保证局部电弧能继续燃烧和扩展。
(A )碰撞游离;(B )热游离;(C )光游离;(D )滑闪放电。
26、已知:e=100·sin ( t-60°)V ,t=0时,e 等于( B )V 。
(A )100;(B )-86.6;(C )86.6;(D )-50。
27、滤波电路滤掉的是整流输出的( A )。
(A )交流成分;(B )直流成分;(C )交直流成分;(D )脉动直流成分。
28、整流器的工作是利用整流元件的( D )。
(A )稳压特性;(B )稳流特性;(C )线性;(D )单向导电性。
29、稳压管在稳压范围内,流过管子的电流称为( C )电流。
(A )额定;(B )整流;(C )稳定;(D )滤波。
]30、下列各种形式的电测仪表中,不能反映被测量真实有效值的是( C )仪表。
(A )电磁式;(B )电动式;(C )磁电式;(D )静电式。
31、单相弧光接地过电压主要发生在( D )的电网中。
(A )中性点直接接地;(B )中性点经消弧线圈接地;(C )中性点经小电阻接地;(D )中性点不接地。
32、电容器的电容量C=Q/U (Q —电荷量,U —电压),由此得出( C )。
(A )Q 上升,C 变大;(B )Q 下降C 变小;(C )C 是常量,不随Q 、U 而变;(D )U 下降C 变大。
33、电源频率增加时,电流互感器的( A )。
(A )比值差和相位差均减小;(B )比值差和相位差均增大;(C )比值差增大、相位差减小;(D )比值差减小、相位差增大。
34、变压器空载损耗试验结果主要反映的是变压器的( B )。
(A )绕组电阻损耗;(B )铁芯损耗;(C )附加损耗;(D )介质损耗。
35、电容C 经电阻R 放电时,电路放电电流的变化规律为( C )。
(A )按正弦函数变化;(B )按指数规律递增;(C )按指数规律递减;(D )恒定不变。
36、R 、L 、C 并联,接入一个频率可变的电源,开始时R I =10A ,L I =15A ,C I =15A 总电路呈阻性,当频率上升时,电路( A )。
(A ) 呈容性;(B )呈感性;(C )呈阻性;(D )性质不变。
37、R 、L 、C 串联,接入一个频率可变的电源,开始1/0ωC=0ωL ,当频率变高时,电路( C )。
(A )呈阻性;(B )呈容性;(C )呈感性;(D )性质不变。
38、工频高压试验变压器的特点是额定输出( A )。
(A )电压高,电流小;(B )电压高,电流大;(C )电压低,电流小;(D )电压低,电流大。
39、在220kV 变电设备现场作业,工作人员与带电设备之间必须保持的安全距离是( C )m 。
(A )1.5;(B )2;(C )3;(D )4。
40、测量绝缘电阻及直流泄漏电流通常不能发现的设备绝缘缺陷是( D )。
(A )贯穿性缺陷;(B )整体受潮;(C )贯穿性受潮或脏污;(D )整体老化及局部缺陷。
41、测量介质损耗因数,通常不能发现的设备绝缘缺陷是( D )。
(A )整体受潮;(B )整体劣化;(C )小体积试品的局部缺陷;(D )大体积试品的局部缺陷。
42、额定电压220~330kV 的油浸式变压器,电抗器应在充满合格油,静置一定时间后,方可进行耐压试验。
其静置时间如无制造厂规定,则应是( C )。
(A )≥12h ;(B )≥24h ;(C )≥48h ;(D )≥72h 。
43、110~220kV 电磁式电压互感器,电气试验项目( D )的测试结果与其油中溶解气体色谱分析总烃和乙炔超标无关。
(A )空载损耗和空载电流试验;(B )绝缘电阻和介质损耗因数tg δ测量;(C )局部放电测量;(D )引出线的极性检查试验。
44、电容式电压互感器电气试验项目( D )的测试结果与其运行中发生二次侧电压突变为零的异常现象无关。
(A )测量主电容1C 的tg δ和C ;(B )测量分压电容2C 及中间变压器的tg δ、C 和M Ω;(C )电压比试验;(D )检查引出线的极性。
45、测量局部放电时,要求耦合电容( D )。
(A )tg δ小;(B )绝缘电阻高;(C )泄漏电流小;(D )在试验电压下无局部放电。
46、用末端屏蔽法测量110kV 串级式电压互感器的tg δ时,在试品底座法兰接地、电桥正接线、x C 引线接试品x 、D x 端条件下,其测得值主要反映的是( D )的绝缘状况。
(A )一次绕组对二次绕组及地;(B )处于铁芯下芯柱的1/2一次绕组对二次绕组之间;(C )铁芯支架;(D )处于铁芯下芯柱的1/2一次绕组端部对二次绕组端部之间。
47、用末端屏蔽法测量220kV 串级式电压互感器的tg δ,在试品底座法兰对地绝缘,电桥正接线、x C 引线接试品x 、x 及底座条件下,其测得值主要反映( C )的绝缘状况。
(A )一次绕组及下铁芯支架对二次绕组及地;(B )处于下铁芯下芯柱的1/4一次绕组及下铁芯支架对二次绕组及地;(C )处于下铁芯下芯柱的1/4一次绕组端部对二次绕组端部之间的及下铁芯支架对壳之间;(D )上下铁芯支架。