水泥混凝土面层、水泥砂浆面层分项工程检验批质量验收记录TJ4.3.5
- 格式:doc
- 大小:49.00 KB
- 文档页数:2
50209 建筑地面工程施工质量验收规范1 总则1.0.1为了加强建筑工程质量管理,统一建筑地面工程施工质量的验收,保证工程质量,制定本规范。
1.0.2 本规范适用于建筑工程中建筑地面工程(含室外散水、明沟、踏步、台阶和坡道等附属工程)施工质量的验收。
不适用于保温、隔热、超净、屏蔽、绝缘、防止放射线以及防腐蚀等特殊要求的建筑地面工程施工质量验收。
1.0.3 建筑地面工程施工中采用的承包合同文件、设计文件及其他工程技术文件对施工质量验收的要求不得低于本规范的规定。
1.0.4 本规范应与现行国家标准《建筑工程施工质量验收统一标准》GB50300配套使用。
1.0.5建筑地面工程施工质量验收除应执行本规范外,尚应符合国家现行有关标准规范的规定。
2 术语2.0.1建筑地面 building ground建筑物底层地面(地面)和楼层地面(楼面)的总称。
2.0.2面层 surface course直接承受各种物理和化学作用的建筑地面表面层。
2.0.3结合层 combined course面层与下一构造层相联结的中间层。
2.0.4基层 base course面层下的构造层,包括填充层、隔离层、找平层、垫层和基土等。
2.0.5填充层 filler course在建筑地面上起隔声、保温、找坡和暗敷管线等作用的构造层。
2.0.6隔离层 isolating course防止建筑地面上各种液体或地下水、潮气渗透地面等作用的构造层;仅防止地下潮气透过地面时,可称作防潮层。
2.0.7找平层 troweling course在垫层、楼板上或填充层(轻质、松散材料)上起整平、找坡或加强作用的构造层。
2.0.8垫层 under layer承受并传递地面荷载于基土上的构造层。
2.0.9基土 foundation earth layer底层地面的地基土层。
2.0.10缩缝 shrinkage crack防止水泥混凝土垫层在气温降低时产生不规则裂缝而设置的收缩缝。
GB50209-2002
GB50209-2002
GB50209-2002
GB50209-2002
GB50209-2002
说明
030102 检验数量:按自然间(或标准间)检验,抽查数量应随机检验不应少于3间;不足3间,应全数检查;
其中走廊(过道)应以10延长米为一间,工业厂房(按单跨计)、礼堂、门厅应以两个轴线为
一间计算。
有防水要求的施工质量每检验批抽查数量按其房间总数随机检验不应少于4间,不足4间
应全数检查。
主控项目:
检验方法:1.观察检查和检查材质合格证明文件及检测报告。
2.检查配合比通知单及检测报告。
强度试块的组数:按每一层(或检验批)建筑地面工程不应少于1组,且每1000m2应做试块
1组,当改变配合比时,亦应相应地制作试块组数。
3.用小锤轻击检查。
注:空鼓面积不应大于400cm2,且每自然间(标准间)不多于2处可不计。
一般项目:
检验方法:1.观察检查。
2.观察和采用泼水或用坡度尺检查。
3.用小锤轻击、尺量检查和观察检查。
注:局部空鼓长度不应大于300mm,且每自然间(标准间)不多于2处可不计。
4.观察和尺量检查。
5.用2m靠尺和楔形塞尺检查。
6.拉5m线(不足5m拉通线)和用钢尺检查。
7.同上。
砂浆、混凝土找平层分项工程检验批质量验收记录 TJ4.3.3工程名称江苏省常州高级中学新北校区新建工程教学实验楼检验批部位教学楼南屋面施工执行标准名称及编号GB50209-2002施工单位常州第一建筑集团有限公司项目经理谢跃星专业工长董和增分包单位分包项目经理施工班组长序号GB50209 – 2002的规定施工单位检查评定记录监理(建设)单位验收记录主控项目1找平层采用碎石或卵石的粒径不应大于其厚度的2/3,含泥量不应大于2%;砂为中粗砂,其含泥量不应大于3%。
/2水泥砂浆体积比或水泥混凝土强度等级应符合设计要求,且水泥砂浆体积比不应小于1:3(或相应的强度等级);水泥混凝土强度等级不应小于C15。
20厚1:3水泥砂浆找平层,符合要求3有防水要求的建筑地面工程的立管、套管、地漏处严禁渗漏,坡向应正确、无积水。
/一般项目1 找平层与其下一层结合牢固,不得有空鼓。
符合要求2 找平层表面应密实,不得有起砂、蜂窝和裂纹等缺陷。
符合要求3项次项目允许偏差(mm)1表面平整度毛地板拼花实木(复合)地板面层 3其它种类面层 5用沥青马蹄脂做结合层铺设拼花木板、板块面层3用水泥砂浆做结合层铺设板块面层5用胶粘剂做结合层铺设拼花木板、塑料板、强化复合地板、竹地板面层22标高毛地板拼花实木(复合)地板面层±5其它种类面层±8用沥青马蹄脂做结合层铺设拼花木板、板块面层±5用水泥砂浆做结合层铺设板块面层±8用胶粘剂做结合层铺设拼花木板、塑料板、强化复合地板、竹地板面层±43 坡度不大于房间相应尺寸的2/1000,且不大于304 在个别地方不大于设计厚度的1/10。
2 1 2 1 1 1 2 0 1 2 施工单位检查评定结果主控项目合格,一般项目符合要求项目专业质量检查员:年月日监理(建设)单位验收结论监理工程师(建设单位项目专业技术负责人):年月日砂浆、混凝土找平层分项工程检验批质量验收记录 TJ4.3.3工程名称江苏省常州高级中学新北校区新建工程教学实验楼检验批部位教学楼南一至五层卫生间楼地面施工执行标准名称及编号GB50209-2002施工单位常州第一建筑集团有限公司项目经理谢跃星专业工长董和增分包单位分包项目经理施工班组长序号GB50209 – 2002的规定施工单位检查评定记录监理(建设)单位验收记录主控项目1找平层采用碎石或卵石的粒径不应大于其厚度的2/3,含泥量不应大于2%;砂为中粗砂,其含泥量不应大于3%。
水泥砂浆地面分项工程质量验收记录一、项目基本信息:工程名称:XXX项目项目地点:XXX建设单位:XXX施工单位:XXX监理单位:XXX验收日期:XXXX年X月X日二、验收内容:1.砂浆材料的验收情况a.水泥的型号、厂家、产品合格证明是否齐全并符合设计要求;b.砂子的质地、筛分曲线、含泥量是否符合设计要求;c.外加剂和黏结剂的型号、厂家、产品合格证明是否齐全并符合设计要求。
2.现场施工记录a.砂浆配合比:记录砂浆的配合比是否符合设计要求,包括水泥、砂子、外加剂和黏结剂的用量;b.施工工艺:记录砂浆的搅拌、运输、浇筑、抹平、养护等施工工艺是否符合规范要求;c.砂浆浇注和抹平情况:记录砂浆浇注和抹平的水平度、垂直度是否符合设计要求;d.养护情况:记录砂浆养护的时间、养护措施是否符合设计要求;e.砂浆防撞墙角部位的处理:记录防撞墙角部位的处理情况,包括型号、尺寸、质量等。
a.砂浆地面平整度测量:记录砂浆地面的平整度测量值和偏差,是否符合设计要求;b.砂浆地面强度检测:记录砂浆地面的抗压强度检测值和标准值比较,是否符合设计要求;c.砂浆地面的附着力检测:记录砂浆地面的附着力检测值和标准值比较,是否符合设计要求;d.其他质量检测指标:根据设计要求和行业标准,进行相应的质量检测,并记录检测值和比较结果。
4.问题和整改情况a.记录施工过程中发现的问题和整改措施,例如砂浆地面品质不佳、开裂、起泡等问题;b.记录整改后的效果,并经相关责任人签字确认。
5.验收结论根据以上质量验收结果和整改情况,综合评定砂浆地面工程的质量是否合格。
若合格,则验收通过;若不合格,则提出整改要求,并确定重新验收的时间和责任人。
以上是一个水泥砂浆地面工程质量验收记录的范例,具体内容可以根据实际工程情况进行调整和补充。
在编写过程中需要注意准确记录施工过程中的关键信息,并进行充分核实和证明。
水泥混凝土面层检验批质量验收记录编制单位:_____________________施工单位:_____________________监理单位:_____________________验收单位:_____________________一、工程概况工程名称:_____________________工程地点:_____________________工程编号:_____________________工程施工日期:_____________________二、施工原材料1.水泥:_____________________2.骨料:_____________________3.砂:_____________________4.水:_____________________5.外加剂:_____________________三、施工工艺1.基层备份:_____________________2.布孔:_____________________3.喷撒乳胶石英砂浆:_____________________4.抛铺水泥砂浆:_____________________5.刮平水泥砂浆:_____________________6.养护:_____________________四、施工设备及工具1.水泥混凝土喷撒机:_____________________2.水泥混凝土抛铺机:_____________________3.水平仪:_____________________4.地坪刮刀:_____________________5.压路机:_____________________五、施工质量控制1.施工前验收:_____________________2.施工中验收:_____________________3.施工后验收:_____________________4.细部验收:_____________________六、质量验收数据记录日期检验项目检验标准检验方法检验结果基层备份结构层基准应满足±5mm 丈量高度差合格布孔检验孔间距应符合设计要求丈量孔距合格乳胶石英砂浆喷撒厚度应满足设计要求丈量厚度合格水泥砂浆抛铺平整度应满足设计要求视觉检查、丈量合格水泥砂浆刮平平整度应满足设计要求视觉检查、丈量合格养护养护期间无破损视觉检查合格七、施工过程中存在的问题及处理意见1.基层备份存在波浪状,需重新修复。
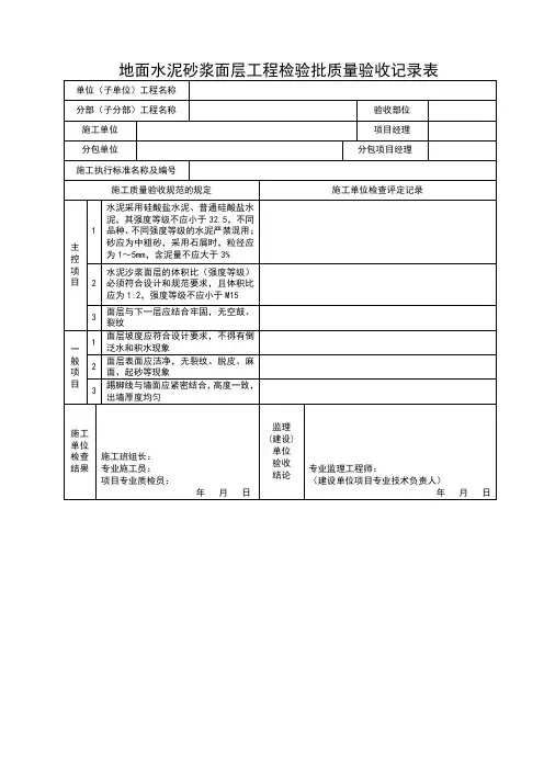
水泥砂浆面层检验批施工质量验收记录(doc 61页)水泥砂浆面层检验批施工质量验收记录工程名称检验部位施工单位分包单位总包项目经理分包项目经理专业工长(施工员)施工班组长施工执行标准名称及编号验收项目及要求施工单位检验意见监理单位验收意见主控项目1 材料应符合设计要求2 体积比(强度等级)必须符合设计要求3面层与下一层结合应牢固、无空鼓、裂纹一般项目1面层坡度应符合设计要求,不得有倒泛水、积水2面层表面应洁净,无裂纹、脱皮、麻面、起砂3踢脚线与墙面应紧密结合,高度一致,出墙厚度均匀4 楼梯踏步高度、宽度应符合设计要求5 止水线条应闭合,且不小于10mm项目允许偏差(mm) 实测偏差(mm)合格率(%)水泥砂浆面层 1 2 3 4 5 6 7 8 9 106 表面平整度 47 踢脚线上口平直 38 缝格平直 3H030103( ) 0 1一般项目1面层坡度应符合设计要求,不得有倒泛水、积水符合要求2面层表面应洁净,无裂纹、脱皮、麻面、起砂符合要求3踢脚线与墙面应紧密结合,高度一致,出墙厚度均匀4 楼梯踏步高度、宽度应符合设计要求5 止水线条应闭合,且不小于10mm项目允许偏差(mm) 实测偏差(mm)合格率(%)水泥砂浆面层 1 2 3 4 5 6 7 8 9 106 表面平整度 4 3 2 1 4 2 3 1 4 1 2 1007 踢脚线上口平直 3 2 1 2 1 3 1 2 2 2 2 1008 缝格平直 3 3 1 2 2 2 1 3 1 2 3 100施工单位检验结果符合设计要求及黑龙江农垦建工集团企业标准的合格规定项目质量检查员:(签字盖章)年月日监理单位验收结论监理工程师:(签字盖章)年月日水泥砂浆面层检验批施工质量验收记录工程名称检验部位施工单位农垦建工有限公司分包单位H030103( ) 0 3第五分公司总包项目经理王念国分包项目经理专业工长(施工员)施工班组长施工执行标准名称及编号黑龙江农垦建工集团企业标准NKJGQB—01验收项目及要求施工单位检验意见监理单位验收意见主控项目1 材料应符合设计要求水泥、砂二次复试报告、出厂合格证共4份,符合要求2 体积比(强度等级)必须符合设计要求20厚1:2水泥砂浆,强度等级为3面层与下一层结合应牢固、无空鼓、裂纹符合要求一般项目1面层坡度应符合设计要求,不得有倒泛水、积水符合要求2面层表面应洁净,无裂纹、脱皮、麻面、起砂符合要求3踢脚线与墙面应紧密结合,高度一致,出墙厚度均匀符合要求4 楼梯踏步高度、宽度应符合设计要求符合要求5 止水线条应闭合,且不小于10mm 符合要求项目允许偏差(mm) 实测偏差(mm)合格率(%)水泥砂浆面层 1 2 3 4 5 6 7 8 9 106 表面平整度 4 2 2 1 4 3 2 1 4 2 2 1007 踢脚线上口平直 3 2 1 2 2 1 3 1 1 2 3 1008 缝格平直 3 2 1 3 1 2 2 2 1 3 1 100施工单位检验结果符合设计要求及黑龙江农垦建工集团企业标准的合格规定项目质量检查员:(签字盖章)年月日监理单位验收结论监理工程师:(签字盖章)年月日水泥砂浆面层检验批施工质量验收记录工程名称检验部位施工单位农垦建工有限公司第五分公司分包单位总包项目经理王念国分包项目经理专业工长(施工员)施工班组长施工执行标准名称及编号黑龙江农垦建工集团企业标准NKJGQB—01验收项目及要求施工单位检验意见监理单位验收意见主控项目1 材料应符合设计要求水泥、砂二次复试报告、出厂合格证共4份,符合要求2 体积比(强度等级)必须符合设计要求20厚1:2水泥砂浆,强度等级为3面层与下一层结合应牢固、无空鼓、裂纹符合要求一1 面层坡度应符合设计要求,不得有倒泛水、积水符合要求H030103( ) 0 4般项目2面层表面应洁净,无裂纹、脱皮、麻面、起砂符合要求3踢脚线与墙面应紧密结合,高度一致,出墙厚度均匀符合要求4 楼梯踏步高度、宽度应符合设计要求符合要求5 止水线条应闭合,且不小于10mm 符合要求项目允许偏差(mm) 实测偏差(mm)合格率(%)水泥砂浆面层 1 2 3 4 5 6 7 8 9 106 表面平整度 4 2 1 4 3 2 1 2 2 2 3 1007 踢脚线上口平直 3 2 1 2 3 1 2 2 2 3 1 1008 缝格平直 3 2 1 2 3 2 2 1 3 1 2 100施工单位检验结果符合设计要求及黑龙江农垦建工集团企业标准的合格规定项目质量检查员:(签字盖章)年月日监理单位验收结论监理工程师:(签字盖章)年月日水泥砂浆面层检验批施工质量验收记录工程名称检验部位施工单位农垦建工有限公司第五分公司分包单位总包项目经理王念国分包项目经理专业工长(施工员)施工班组长H030103( ) 0 5施工执行标准名称及编号黑龙江农垦建工集团企业标准NKJGQB—01验收项目及要求施工单位检验意见监理单位验收意见主控项目1 材料应符合设计要求水泥、砂二次复试报告、出厂合格证共4份,符合要求2 体积比(强度等级)必须符合设计要求20厚1:2水泥砂浆,强度等级为3面层与下一层结合应牢固、无空鼓、裂纹符合要求一般项目1面层坡度应符合设计要求,不得有倒泛水、积水符合要求2面层表面应洁净,无裂纹、脱皮、麻面、起砂符合要求3踢脚线与墙面应紧密结合,高度一致,出墙厚度均匀符合要求4 楼梯踏步高度、宽度应符合设计要求符合要求5 止水线条应闭合,且不小于10mm 符合要求项目允许偏差(mm) 实测偏差(mm)合格率(%)水泥砂浆面层 1 2 3 4 5 6 7 8 9 106 表面平整度 4 3 2 4 1 2 3 4 1 2 1 1007 踢脚线上口平直 3 2 1 3 2 2 1 3 1 2 1 1008 缝格平直 3 2 2 3 1 1 2 2 1 2 3 100施工单位检验结果符合设计要求及黑龙江农垦建工集团企业标准的合格规定项目质量检查员:(签字盖章)年月日监理单位验收结论监理工程师:(签字盖章)年月日水泥砂浆面层检验批施工质量验收记录工程名称检验部位施工单位农垦建工有限公司第五分公司分包单位总包项目经理王念国分包项目经理专业工长(施工员)施工班组长施工执行标准名称及编号黑龙江农垦建工集团企业标准NKJGQB—01验收项目及要求施工单位检验意见监理单位验收意见主控项目1 材料应符合设计要求水泥、砂二次复试报告、出厂合格证共4份,符合要求2 体积比(强度等级)必须符合设计要求20厚1:2水泥砂浆,强度等级为3面层与下一层结合应牢固、无空鼓、裂纹符合要求一1 面层坡度应符合设计要求,不得有倒泛水、积水符合要求H030103( ) 0 1般项目2面层表面应洁净,无裂纹、脱皮、麻面、起砂符合要求3踢脚线与墙面应紧密结合,高度一致,出墙厚度均匀符合要求4 楼梯踏步高度、宽度应符合设计要求符合要求5 止水线条应闭合,且不小于10mm 符合要求项目允许偏差(mm) 实测偏差(mm)合格率(%)水泥砂浆面层 1 2 3 4 5 6 7 8 9 106 表面平整度 4 2 1 4 3 2 3 2 2 3 4 1007 踢脚线上口平直 3 2 1 2 2 3 2 3 1 2 1 1008 缝格平直 3 3 1 2 2 3 1 4 2 3 1 100施工单位检验结果符合设计要求及黑龙江农垦建工集团企业标准的合格规定项目质量检查员:(签字盖章)年月日监理单位验收结论监理工程师:(签字盖章)年月日水泥砂浆面层检验批施工质量验收记录工程名称检验部位施工单位农垦建工有限公司第五分公司分包单位总包项目经理王念国分包项目经理专业工长(施工员)施工班组长H030103( ) 0 2施工执行标准名称及编号黑龙江农垦建工集团企业标准NKJGQB—01验收项目及要求施工单位检验意见监理单位验收意见主控项目1 材料应符合设计要求水泥、砂二次复试报告、出厂合格证共4份,符合要求2 体积比(强度等级)必须符合设计要求20厚1:2水泥砂浆,强度等级为3面层与下一层结合应牢固、无空鼓、裂纹符合要求一般项目1面层坡度应符合设计要求,不得有倒泛水、积水符合要求2面层表面应洁净,无裂纹、脱皮、麻面、起砂符合要求3踢脚线与墙面应紧密结合,高度一致,出墙厚度均匀符合要求4 楼梯踏步高度、宽度应符合设计要求符合要求5 止水线条应闭合,且不小于10mm 符合要求项目允许偏差(mm) 实测偏差(mm)合格率(%)水泥砂浆面层 1 2 3 4 5 6 7 8 9 106 表面平整度 4 4 2 2 3 3 2 1 4 2 3 1007 踢脚线上口平直 3 2 2 1 3 1 2 3 1 2 2 1008 缝格平直 3 3 2 2 3 2 1 1 3 2 1 100施工单位检验结果符合设计要求及黑龙江农垦建工集团企业标准的合格规定项目质量检查员:(签字盖章)年月日监理单位验收结论监理工程师:(签字盖章)年月日水泥砂浆面层检验批施工质量验收记录工程名称检验部位施工单位农垦建工有限公司第五分公司分包单位总包项目经理王念国分包项目经理专业工长(施工员)施工班组长施工执行标准名称及编号黑龙江农垦建工集团企业标准NKJGQB—01验收项目及要求施工单位检验意见监理单位验收意见主控项目1 材料应符合设计要求水泥、砂二次复试报告、出厂合格证共4份,符合要求2 体积比(强度等级)必须符合设计要求20厚1:2水泥砂浆,强度等级为3面层与下一层结合应牢固、无空鼓、裂纹符合要求一1 面层坡度应符合设计要求,不得有倒泛水、积水符合要求H030103( ) 0 3般项目2面层表面应洁净,无裂纹、脱皮、麻面、起砂符合要求3踢脚线与墙面应紧密结合,高度一致,出墙厚度均匀符合要求4 楼梯踏步高度、宽度应符合设计要求符合要求5 止水线条应闭合,且不小于10mm 符合要求项目允许偏差(mm) 实测偏差(mm)合格率(%)水泥砂浆面层 1 2 3 4 5 6 7 8 9 106 表面平整度 4 2 1 3 3 2 4 1 2 3 2 1007 踢脚线上口平直 3 3 2 1 2 3 2 1 1 2 3 1008 缝格平直 3 3 2 1 2 3 1 2 2 3 2 100施工单位检验结果符合设计要求及黑龙江农垦建工集团企业标准的合格规定项目质量检查员:(签字盖章)年月日水泥砂浆面层检验批施工质量验收记录工程名称检验部位施工单位农垦建工有限公司第五分公司分包单位总包项目经理王念国分包项目经理专业工长(施工员)施工班组长H030103( ) 0 4施工执行标准名称及编号黑龙江农垦建工集团企业标准NKJGQB—01验收项目及要求施工单位检验意见监理单位验收意见主控项目1 材料应符合设计要求水泥、砂二次复试报告、出厂合格证共4份,符合要求2 体积比(强度等级)必须符合设计要求20厚1:2水泥砂浆,强度等级为3面层与下一层结合应牢固、无空鼓、裂纹符合要求一般项目1面层坡度应符合设计要求,不得有倒泛水、积水符合要求2面层表面应洁净,无裂纹、脱皮、麻面、起砂符合要求3踢脚线与墙面应紧密结合,高度一致,出墙厚度均匀符合要求4 楼梯踏步高度、宽度应符合设计要求符合要求5 止水线条应闭合,且不小于10mm 符合要求项目允许偏差(mm) 实测偏差(mm)合格率(%)水泥砂浆面层 1 2 3 4 5 6 7 8 9 106 表面平整度 4 3 2 4 2 3 2 4 1 2 3 1007 踢脚线上口平直 3 3 2 1 2 2 3 2 1 2 2 1008 缝格平直 3 2 1 2 3 2 2 3 1 2 3 100施工单位检验结果符合设计要求及黑龙江农垦建工集团企业标准的合格规定项目质量检查员:(签字盖章)年月日监理单位验收结论监理工程师:(签字盖章)年月日水泥砂浆面层检验批施工质量验收记录工程名称检验部位施工单位农垦建工有限公司第五分公司分包单位总包项目经理王念国分包项目经理专业工长(施工员)施工班组长施工执行标准名称及编号黑龙江农垦建工集团企业标准NKJGQB—01验收项目及要求施工单位检验意见监理单位验收意见主控项目1 材料应符合设计要求水泥、砂二次复试报告、出厂合格证共4份,符合要求2 体积比(强度等级)必须符合设计要求20厚1:2水泥砂浆,强度等级为3面层与下一层结合应牢固、无空鼓、裂纹符合要求一1 面层坡度应符合设计要求,不得有倒泛水、积水符合要求H030103( ) 0 5般项目2面层表面应洁净,无裂纹、脱皮、麻面、起砂符合要求3踢脚线与墙面应紧密结合,高度一致,出墙厚度均匀符合要求4 楼梯踏步高度、宽度应符合设计要求符合要求5 止水线条应闭合,且不小于10mm 符合要求项目允许偏差(mm) 实测偏差(mm)合格率(%)水泥砂浆面层 1 2 3 4 5 6 7 8 9 106 表面平整度 4 2 3 2 3 3 1 4 1 1 4 1007 踢脚线上口平直 3 3 2 1 2 3 2 2 3 2 1 1008 缝格平直 3 3 2 1 2 3 1 2 3 2 2 100施工单位检验结果符合设计要求及黑龙江农垦建工集团企业标准的合格规定项目质量检查员:(签字盖章)年月日水泥砂浆面层检验批施工质量验收记录工程名称检验部位施工单位农垦建工有限公司第五分公司分包单位总包项目经理王念国分包项目经理专业工长(施工员)李广宏施工班组长H030103( ) 0 1施工执行标准名称及编号黑龙江农垦建工集团企业标准NKJGQB—01验收项目及要求施工单位检验意见监理单位验收意见主控项目1 材料应符合设计要求水泥、砂二次复试报告、出厂合格证各1份,符合要求2 体积比(强度等级)必须符合设计要求砂浆抗压试验报告编号为符合要求3面层与下一层结合应牢固、无空鼓、裂纹符合要求一般项目1面层坡度应符合设计要求,不得有倒泛水、积水符合要求2面层表面应洁净,无裂纹、脱皮、麻面、起砂符合要求3踢脚线与墙面应紧密结合,高度一致,出墙厚度均匀符合要求4 楼梯踏步高度、宽度应符合设计要求5 止水线条应闭合,且不小于10mm项目允许偏差(mm) 实测偏差(mm)合格率(%)水泥砂浆面层 1 2 3 4 5 6 7 8 9 106 表面平整度 4 2 4 1 3 2 4 1 2 3 2 1007 踢脚线上口平直 3 3 2 2 3 1 2 3 1 2 3 1008 缝格平直 3 2 1 3 2 1 3 1 2 2 2 100施工单位检验结果符合设计要求及黑龙江农垦建工集团企业标准NKJGQB—01的合格规定项目质量检查员:(签字盖章)年月日监理单位验收结论监理工程师:(签字盖章)年月日水泥砂浆面层检验批施工质量验收记录工程名称检验部位施工单位农垦建工有限公司第五分公司分包单位总包项目经理王念国分包项目经理专业工长(施工员)李广宏施工班组长施工执行标准名称及编号黑龙江农垦建工集团企业标准NKJGQB—01验收项目及要求施工单位检验意见监理单位验收意见主控项目1 材料应符合设计要求水泥、砂二次复试报告、出厂合格证各一份,符合要求2 体积比(强度等级)必须符合设计要求砂浆抗压试验报告编号为符合要求3面层与下一层结合应牢固、无空鼓、裂纹符合要求一般项目1面层坡度应符合设计要求,不得有倒泛水、积水符合要求2面层表面应洁净,无裂纹、脱皮、麻面、起砂符合要求3踢脚线与墙面应紧密结合,高度一致,出墙厚度均匀4 楼梯踏步高度、宽度应符合设计要求5 止水线条应闭合,且不小于10mm项目允许偏差(mm) 实测偏差(mm)合格率(%)水泥砂浆面层 1 2 3 4 5 6 7 8 9 106 表面平整度 4 3 4 1 2 1 2 2 3 3 4 1007 踢脚线上口平直 2 3 1 2 2 2 3 3 1 2 1 100H030103( ) 0 28 缝格平直 3 2 2 1 1 2 1 2 3 2 2 100施工单位检验结果符合设计要求及黑龙江农垦建工集团企业标准的合格规定项目质量检查员:(签字盖章)年月日监理单位验收结论监理工程师:(签字盖章)年月日水泥砂浆面层检验批施工质量验收记录工程名称检验部位施工单位农垦建工有限公司第五分公司分包单位总包项目经理王念国分包项目经理专业工长(施工员)施工班组长施工执行标准名称及编号黑龙江农垦建工集团企业标准NKJGQB—01验收项目及要求施工单位检验意见监理单位验收意见主控项目1 材料应符合设计要求水泥、砂二次复试报告、出厂合格证共4份,符合要求2 体积比(强度等级)必须符合设计要求20厚1:2水泥砂浆,强度等级为H030103( ) 0 33 面层与下一层结合应牢固、无空鼓、裂纹符合要求一般项目1面层坡度应符合设计要求,不得有倒泛水、积水符合要求2面层表面应洁净,无裂纹、脱皮、麻面、起砂符合要求3踢脚线与墙面应紧密结合,高度一致,出墙厚度均匀符合要求4 楼梯踏步高度、宽度应符合设计要求符合要求5 止水线条应闭合,且不小于10mm 符合要求项目允许偏差(mm) 实测偏差(mm)合格率(%)水泥砂浆面层 1 2 3 4 5 6 7 8 9 106 表面平整度 4 2 3 4 1 3 2 2 4 1 3 1007 踢脚线上口平直 3 3 1 2 1 3 2 3 1 2 2 1008 缝格平直 3 3 2 3 1 3 2 1 2 2 3 100施工单位检验结果符合设计要求及黑龙江农垦建工集团企业标准的合格规定项目质量检查员:(签字盖章)年月日监理单位验收结论监理工程师:(签字盖章)年月日水泥砂浆面层检验批施工质量验收记录工程名称检验部位施工单位农垦建工有限公司分包单位H030103( ) 0 4第五分公司总包项目经理王念国分包项目经理专业工长(施工员)施工班组长施工执行标准名称及编号黑龙江农垦建工集团企业标准NKJGQB—01验收项目及要求施工单位检验意见监理单位验收意见主控项目1 材料应符合设计要求水泥、砂二次复试报告、出厂合格证共4份,符合要求2 体积比(强度等级)必须符合设计要求20厚1:2水泥砂浆,强度等级为3面层与下一层结合应牢固、无空鼓、裂纹符合要求一般项目1面层坡度应符合设计要求,不得有倒泛水、积水符合要求2面层表面应洁净,无裂纹、脱皮、麻面、起砂符合要求3踢脚线与墙面应紧密结合,高度一致,出墙厚度均匀符合要求4 楼梯踏步高度、宽度应符合设计要求符合要求5 止水线条应闭合,且不小于10mm 符合要求项目允许偏差(mm) 实测偏差(mm)合格率(%)水泥砂浆面层 1 2 3 4 5 6 7 8 9 106 表面平整度 4 2 1 3 4 2 3 1 4 2 4 1007 踢脚线上口平直 3 2 1 2 3 2 1 3 2 1 3 1008 缝格平直 3 2 1 3 2 2 2 3 1 2 2 100施工单位检验结果符合设计要求及黑龙江农垦建工集团企业标准的合格规定项目质量检查员:(签字盖章)年月日监理单位验收结论监理工程师:(签字盖章)年月日水泥砂浆面层检验批施工质量验收记录工程名称检验部位施工单位农垦建工有限公司第五分公司分包单位总包项目经理王念国分包项目经理专业工长(施工员)施工班组长施工执行标准名称及编号黑龙江农垦建工集团企业标准NKJGQB—01验收项目及要求施工单位检验意见监理单位验收意见主控项目1 材料应符合设计要求水泥、砂二次复试报告、出厂合格证共4份,符合要求2 体积比(强度等级)必须符合设计要求20厚1:2水泥砂浆,强度等级为3面层与下一层结合应牢固、无空鼓、裂纹符合要求一1 面层坡度应符合设计要求,不得有倒泛水、积水符合要求H030103( ) 0 5般项目2面层表面应洁净,无裂纹、脱皮、麻面、起砂符合要求3踢脚线与墙面应紧密结合,高度一致,出墙厚度均匀符合要求4 楼梯踏步高度、宽度应符合设计要求符合要求5 止水线条应闭合,且不小于10mm 符合要求项目允许偏差(mm) 实测偏差(mm)合格率(%)水泥砂浆面层 1 2 3 4 5 6 7 8 9 106 表面平整度 4 2 3 4 1 2 2 3 2 3 3 1007 踢脚线上口平直 3 2 1 3 2 3 2 2 3 2 2 1008 缝格平直 3 3 2 1 1 1 2 2 2 3 1 100施工单位检验结果符合设计要求及黑龙江农垦建工集团企业标准的合格规定项目质量检查员:(签字盖章)年月日监理单位验收结论监理工程师:(签字盖章)年月日水泥砂浆面层检验批施工质量验收记录工程名称检验部位施工单位农垦建工有限公司第五分公司分包单位总包项目经理王念国分包项目经理专业工长(施工员)施工班组长H030103( ) 0 1施工执行标准名称及编号黑龙江农垦建工集团企业标准NKJGQB—01验收项目及要求施工单位检验意见监理单位验收意见主控项目1 材料应符合设计要求水泥、砂二次复试报告、出厂合格证共4份,符合要求2 体积比(强度等级)必须符合设计要求20厚1:2水泥砂浆,强度等级为3面层与下一层结合应牢固、无空鼓、裂纹符合要求一般项目1面层坡度应符合设计要求,不得有倒泛水、积水符合要求2面层表面应洁净,无裂纹、脱皮、麻面、起砂符合要求3踢脚线与墙面应紧密结合,高度一致,出墙厚度均匀符合要求4 楼梯踏步高度、宽度应符合设计要求符合要求5 止水线条应闭合,且不小于10mm 符合要求项目允许偏差(mm) 实测偏差(mm)合格率(%)水泥砂浆面层 1 2 3 4 5 6 7 8 9 106 表面平整度 4 4 3 3 2 1 2 2 4 1 3 1007 踢脚线上口平直 3 3 2 2 1 3 3 1 2 2 2 1008 缝格平直 3 2 1 3 2 1 3 2 1 3 3 100施工单位检验结果符合设计要求及黑龙江农垦建工集团企业标准的合格规定项目质量检查员:(签字盖章)年月日监理单位验收结论监理工程师:(签字盖章)年月日水泥砂浆面层检验批施工质量验收记录工程名称检验部位施工单位农垦建工有限公司第五分公司分包单位总包项目经理王念国分包项目经理专业工长(施工员)施工班组长施工执行标准名称及编号黑龙江农垦建工集团企业标准NKJGQB—01验收项目及要求施工单位检验意见监理单位验收意见主控项目1 材料应符合设计要求水泥、砂二次复试报告、出厂合格证共4份,符合要求2 体积比(强度等级)必须符合设计要求20厚1:2水泥砂浆,强度等级为3面层与下一层结合应牢固、无空鼓、裂纹符合要求一1 面层坡度应符合设计要求,不得有倒泛水、积水符合要求H030103( ) 0 2般项目2面层表面应洁净,无裂纹、脱皮、麻面、起砂符合要求3踢脚线与墙面应紧密结合,高度一致,出墙厚度均匀符合要求4 楼梯踏步高度、宽度应符合设计要求符合要求5 止水线条应闭合,且不小于10mm 符合要求项目允许偏差(mm) 实测偏差(mm)合格率(%)水泥砂浆面层 1 2 3 4 5 6 7 8 9 106 表面平整度 4 2 3 4 4 2 3 2 1 2 3 1007 踢脚线上口平直 3 2 3 1 2 1 2 2 3 2 1 1008 缝格平直 3 3 2 2 1 3 2 3 2 1 2 100施工单位检验结果符合设计要求及黑龙江农垦建工集团企业标准的合格规定项目质量检查员:(签字盖章)年月日监理单位验收结论监理工程师:(签字盖章)年月日水泥砂浆面层检验批施工质量验收记录工程名称检验部位施工单位农垦建工有限公司第五分公司分包单位总包项目经理王念国分包项目经理专业工长(施工员)施工班组长H030103( ) 0 3施工执行标准名称及编号黑龙江农垦建工集团企业标准NKJGQB—01验收项目及要求施工单位检验意见监理单位验收意见主控项目1 材料应符合设计要求水泥、砂二次复试报告、出厂合格证共4份,符合要求2 体积比(强度等级)必须符合设计要求20厚1:2水泥砂浆,强度等级为3面层与下一层结合应牢固、无空鼓、裂纹符合要求一般项目1面层坡度应符合设计要求,不得有倒泛水、积水符合要求2面层表面应洁净,无裂纹、脱皮、麻面、起砂符合要求3踢脚线与墙面应紧密结合,高度一致,出墙厚度均匀符合要求4 楼梯踏步高度、宽度应符合设计要求符合要求5 止水线条应闭合,且不小于10mm 符合要求项目允许偏差(mm) 实测偏差(mm)合格率(%)水泥砂浆面层 1 2 3 4 5 6 7 8 9 106 表面平整度 4 4 2 2 3 3 2 4 1 2 3 1007 踢脚线上口平直 3 3 1 2 2 3 1 2 3 1 2 1008 缝格平直 3 2 1 2 2 1 3 2 1 2 2 100施工单位检验结果符合设计要求及黑龙江农垦建工集团企业标准的合格规定项目质量检查员:(签字盖章)年月日水泥砂浆面层检验批施工质量验收记录工程名称检验部位施工单位农垦建工有限公司第五分公司分包单位总包项目经理王念国分包项目经理专业工长(施工员)施工班组长施工执行标准名称及编号黑龙江农垦建工集团企业标准NKJGQB—01验收项目及要求施工单位检验意见监理单位验收意见主控项目1 材料应符合设计要求水泥、砂二次复试报告、出厂合格证共4份,符合要求2 体积比(强度等级)必须符合设计要求20厚1:2水泥砂浆,强度等级为3面层与下一层结合应牢固、无空鼓、裂纹符合要求一1 面层坡度应符合设计要求,不得有倒泛水、积水符合要求H030103( ) 0 4。