学校消防安全检查表
- 格式:xls
- 大小:17.00 KB
- 文档页数:3
学校消防安全隐患检查标准表1. 检查目的本标准表旨在帮助学校进行消防安全隐患的检查,确保学校的消防设施和措施符合相关法规和标准,提高学校的消防安全水平,保护师生员工的生命财产安全。
2. 检查内容2.1 消防设施- 检查学校内是否配备了灭火器、消防栓、火灾报警器等基本消防设施,并确保其数量、位置、维护情况符合消防法规要求。
- 检查消防设施的有效性,包括灭火器是否在有效期内,消防栓是否正常工作等。
2.2 消防通道和疏散设施- 检查学校内的消防通道是否畅通无阻,是否有易燃易爆物品阻塞,是否有车辆或其他障碍物妨碍疏散通道的使用。
- 检查学校内的疏散设施是否齐全,包括安全出口、紧急疏散通道、应急照明等。
2.3 电气设备和线路- 检查学校内的电气设备和线路是否符合安全要求,是否存在过载、短路、漏电等安全隐患。
- 检查电气设备和线路的维护情况,包括定期检查、保养和维修记录。
2.4 火灾风险区域- 检查学校内可能存在的火灾风险区域,如实验室、食堂、宿舍等,确保这些区域的消防设施和措施符合标准,并采取必要的防火措施。
- 检查火灾风险区域的火灾预防措施,包括燃气、电器使用是否符合安全规定,是否设置了自动灭火装置等。
3. 检查方法- 检查人员应按照相关的消防法规和标准进行检查,对学校各个区域进行逐一检查。
- 检查人员应记录检查过程中发现的问题和隐患,并及时向学校管理部门汇报。
4. 检查周期- 学校应定期进行消防安全隐患检查,具体周期根据学校的规模和消防安全风险确定。
- 学校应制定消防安全隐患整改计划,并按计划进行整改,确保隐患得到及时有效的处理。
5. 检查结果- 检查人员应将检查结果进行记录,包括发现的问题和隐患、整改计划和整改进展情况等。
- 学校管理部门应根据检查结果及时采取必要的整改措施,并进行跟踪督促,确保问题得到解决。
6. 总结本标准表为学校消防安全隐患检查提供了基本的指导原则和内容,学校应根据实际情况进行具体的检查和整改工作,确保学校消防安全工作的有效实施。
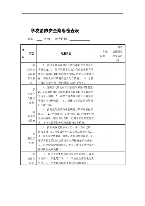
【学校消防安全检查表】学校消防检查记录表范本学校消防安全检查表单位:自查日期:序号项目检查内容存在问题整改措施1消防安全知识的普及教育 1、通过多种形式对学生进行消防安全知识的普及教育;2、在安全教育课中安排“自救及逃生”必练课目;3、组织开展学生逃生自救安全教育活动并进行消防器材实际操作演练,达到全员受训目标,增强火灾时的避险能力与自救能力。
2学生餐厅及伙房安全 1、使用燃气灶具必须安装燃气泄漏报警装置;2、烹饪操作间的排油滤罩及烹饪部位应设置厨房专用灭火装置;3、在燃气或燃油管道上设置紧急事故自动切断装置;4、操作人员经过消防培训后才能上岗。
3照明和电气设施 1、按规定配备消防应急照明灯具和疏散指示标志;2、严禁乱拉、乱接电线;3、严禁中小学生活动场所、宿舍使用电炉、电熨斗和电热毯等设备。
4、电气装置经专业检测机构定期检测.4重要教学场所 1、按相关规定摆放灭火器,2、按要求管理存放易燃品和危险物品;3、按要求安装电器,电线无老化和破损现象;4、化学实验室的防火防毒设计应严格遵守相关规范;5、对化学危险品的购买、贮存、使用及销毁要严格按照相关规定执行。
5学生宿舍安全1、制定有学生宿舍消防安全管理规定,规范学生用火、用电等行为;2、学生宿舍应指定专人管理;3、学生住宿期间不得封闭疏散通道。
6疏散通道及安全出口1、保证疏散通道通畅、上下楼分道线明显;2、确保教室、图书室、礼堂、学生宿舍等场所任意地点必须具备两个以上符合规定的疏散出口;3、每学期至少进行一次应急疏散演练;4、人员密集地方(图书馆、礼堂、学生公寓)具有明显的出口标志;5、窗户不应加装全封闭防盗窗,如果必要可装半窗防护栏。
6、严禁在疏散通道门口加装铁栅栏。
7责任制落实1、学校有消防安全制度;2、组织机构建全、责任分工明确。
3、制定有灭火应急疏散预案,自查自修记录完整。
4、对全体教职员工定期进行消防安全培训。
整改要求及建议强化消防安全教育,加强安全隐患检查力度。
表一
消防安全情况检查表
单位:年月日
注:1、各校先做好自查工作,自查内容包括安全隐患及整改措施,若表格空间不够用可另附纸(表二、三、
四同)。
2、安全检查表请在每次检查完成后,以直属学校、镇为单位上交区教育局服务窗口。
表二
教学设施、用电、用水安全情况检查表单位:年月日
表三
校园治安保卫情况检查表
单位:年月日
表四
学校的交通安全及其它安全教育检查表单位:年月日
学校安全隐患整改情况呈报表
单位(盖章):日期:年月日
注:1、根据安全隐患类别在“类别”栏对应项目上打“√”。
2、一事一表,每表一式两份,一份学校自留,一份送上级教育主管部门。
学校安全隐患整改通知书学校名称:
注:1、安全隐患的整改情况请填写《学校安全隐患整改情况呈报表》,
及时报上级教育部门。
2、此表一式两份,上级教育部门和学校各持一份。
学生宿舍安全消防检查表一、消防设施检查
二、电器安全检查
三、用火安全检查
四、窗户和门安全检查
五、其他安全检查
六、总结和建议
经过检查,宿舍的消防设施和电器安全状况良好。
然而,需要注意的是【列出需要注意的事项】。
希望宿舍的每一位学生都能认真履行消防安全责任,在平时生活中注意用火和用电安全,保持宿
舍整洁,避免堆放可燃物品。
同时,建议宿舍定期进行安全检查,以确保宿舍的安全环境。
以上报告仅供参考,具体的安全检查要根据实际情况进行。
学校消防安全隐患检查标准表为了确保学校师生的生命财产安全,保障学校教育教学工作的正常进行,根据国家相关法律法规和消防安全要求,特制定本消防安全隐患检查标准表。
一、检查项目1.1 消防设施设备- 1.1.1灭火器:数量充足,放置在明显且易于取用的位置,定期检查,确保处于良好状态。
- 1.1.2消防栓:设置合理,标识清晰,水压正常,附件齐全。
- 1.1.3自动喷水灭火系统:定期检查,确保系统正常运行。
- 1.1.4火灾报警器:安装到位,连接正常,定期测试。
- 1.1.5疏散指示标志:清晰可见,无损坏。
- 1.1.6应急照明灯:正常工作,无损坏。
1.2 消防安全管理- 1.2.1消防安全制度:建立健全,内容包括火灾预防、应急响应等。
- 1.2.2消防安全责任制:明确各级各类人员的消防安全职责。
- 1.2.3消防安全培训:定期对教职员工进行消防安全培训。
- 1.2.4消防安全演练:定期举行消防安全演练,提高师生应对火灾的能力。
1.3 消防通道和安全出口- 1.3.1通道畅通:无堵塞,无杂物,保证消防车顺利通行。
- 1.3.2安全出口:数量充足,标识清晰,易于识别和使用。
- 1.3.3紧急疏散图:张贴于显眼位置,指导师生正确疏散。
1.4 火源和电源管理- 1.4.1火源管理:严格控制火源,禁止非法使用明火。
- 1.4.2电源管理:合理布线,电气设备定期检查维修,预防电气火灾。
二、检查方法- 2.1实地查看:对消防设施设备、消防通道等进行逐一检查。
- 2.2文档审查:查看消防安全管理相关文档,如制度、培训记录等。
- 2.3功能测试:对消防设施设备进行测试,如灭火器、报警器等。
三、整改措施- 对于检查中发现的问题,应立即采取措施进行整改,确保消防安全。
- 对于重大隐患,应立即停用相关设施设备,直至整改合格。
四、检查频率- 消防安全隐患检查应定期进行,至少每学期一次。
- 对于重点部位和关键设施,应增加检查频率。
学校消防安全检查表学校消防检查记录表
一、检查时间
检查时间:2021年5月1日
二、检查单位
检查单位:XXX消防中队
三、检查对象
检查对象:XXX中学
四、检查内容
(一) 消防基础设施
1.【√】灭火器材齐全,存放位置明显;
2.【√】逃生设备完备;
3.【×】灭火器和消火栓维修记录不完善;
4.【×】消防通道有杂物堆放,阻碍疏散;
5.【√】疏散指示标志齐全、完好;
6.【×】消防应急照明不足;
7.【√】消防水源充足。
(二) 消防安全管理
1.【√】学校有消防安全专职负责人,制定和实施消防安全管理制度;
2.【√】学校定期组织消防安全培训;
3.【√】学校工作人员消防安全意识较高,存在个别学生违反学校消防安全规定;
4.【√】学校定期进行消防演习。
五、问题整改
(一) 整改时间
2021年5月30日前完成整改。
(二) 整改措施
1.更新灭火器和消火栓的维修记录,确保其完善;
2.清理消防通道杂物,保证畅通;
3.更换消防应急照明,提高安全度;
4.对违规学生进行警示教育。
六、检查人员
检查人员:XXX、XXX、XXX
七、结论意见
根据检查情况,学校的消防基础设施配备较完备,但部分设备未
能得到及时维护和管理,存在安全隐患;学校消防安全管理工作组织
得较为完善,但存在一些被发现的消防安全管理问题和学生违规现象。
建议学校整改完善消防安全管理制度,加强对学生的消防安全教育和
监管,确保学校消防安全工作稳步向前推进。