软管接头规格书
- 格式:docx
- 大小:9.07 MB
- 文档页数:32
金属软管规格总则( Z% I8 N E4 h" B9 \/ {3 d' R0 H2 f1.1 范围1.1.1 本规定对金属软管在设计、材料选用、检验/试验、标注、涂漆和运输准备等方面提出了详细的要求。
% P: @2 r7 z3 P2 j0 w' J, e1.1.2 本规定内容若与1.2条款中引用的文件有矛盾时,应按照较严格的规定执行。
* k" V/ n" p$ l1.1.3 在金属软管的询价/订货过程中,本规定应作为技术文件,和金属软管数据表(金属软管规格书)一并提交给供应商。
6 r# T) o5 `6 ^% C- U注:金属软管数据表包括:位号、尺寸、数量和详细要求。
1.1.4 本规定适用于SEI(买方)对金属软管的设计、采购工作。
1 h3 s) x0 z! E: @: `6 V) F+ _1.2 规范性引用文件下列文件中的条款通过本规定的引用而成为本规定的条款,其最新版本适用于本规定。
1)ASME 规范和标准B31.3 工艺配管B1.1 统一英制螺纹# `( N/ h1 ]. c# \0 w6 `B1.20.1 管螺纹(一般用途)) T2 A' G/ _1 ]B16.5 钢制管法兰和法兰管件0 O) ?) B$ _; P1 BB16.25 对焊端部B46.1 表面粗糙度" j! r5 F% P Q! U" R2)MSS 标准SP-25 阀门、管件、法兰和活接头用标准标记系统3)ASTM 标准4)工程的相关规定6 o8 n' { y6 v; s7 \( K9 k2 金属软管的设计2.1 金属软管的工艺条件5 /8 F( u2 U# j4 /$ f6 z金属软管的工艺数据,详见金属软管规格书。
2.2 金属软管的结构1)金属软管的结构,详见金属软管规格书。
2)金属软管的弯曲半径至少为公称直径的10倍。
7 G- K( T( f; l% r6 J6 Z2.3 金属软管的端部连接' T# D1 X# k- ^0 _: @1)金属软管的端部连接要求,详见金属软管规格书;& t3 b; v& M# Z2 d. J) w# S3 r7 d 2)金属软管的端部连接应执行的标准如下:$ [ M4 U$ Z; ]$ f4 m8 /法兰连接: ASME B16.5 (24”及以下)承插焊连接: ASME B16.11螺纹连接: ASME B1.20.13)密封面加工粗糙度; y1 Y6 y& M2 H; i5 z2 }通常,法兰的密封面加工粗糙度为125μin~250μin(3.2微米~6.3微米)。
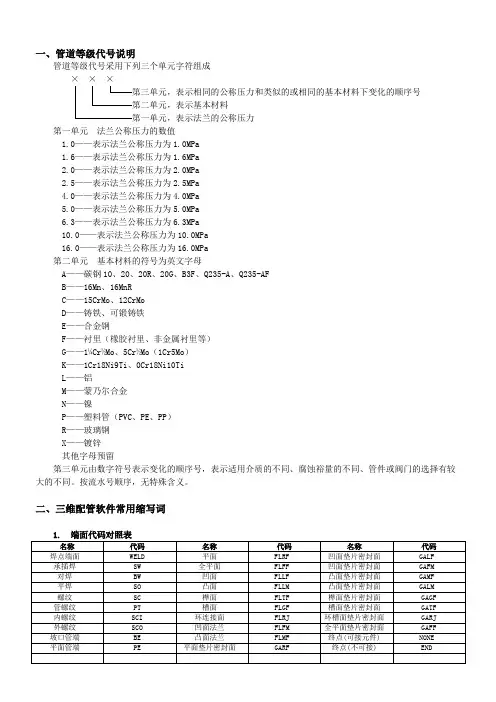
一、管道等级代号说明管道等级代号采用下列三个单元字符组成×××第三单元,表示相同的公称压力和类似的或相同的基本材料下变化的顺序号第二单元,表示基本材料第一单元,表示法兰的公称压力第一单元法兰公称压力的数值1.0——表示法兰公称压力为1.0MPa1.6——表示法兰公称压力为1.6MPa2.0——表示法兰公称压力为2.0MPa2.5——表示法兰公称压力为2.5MPa4.0——表示法兰公称压力为4.0MPa5.0——表示法兰公称压力为5.0MPa6.3——表示法兰公称压力为6.3MPa10.0——表示法兰公称压力为10.0MPa16.0——表示法兰公称压力为16.0MPa第二单元基本材料的符号为英文字母A——碳钢10、20、20R、20G、B3F、Q235-A、Q235-AFB——16Mn、16MnRC——15CrMo、12CrMoD——铸铁、可锻铸铁E——合金钢F——衬里(橡胶衬里、非金属衬里等)G——1¼Cr½Mo、5Cr½Mo(1Cr5Mo)K——1Cr18Ni9Ti、0Cr18Ni10TiL——铝M——蒙乃尔合金N——镍P——塑料管(PVC、PE、PP)R——玻璃钢X——镀锌其他字母预留第三单元由数字符号表示变化的顺序号,表示适用介质的不同、腐蚀裕量的不同、管件或阀门的选择有较大的不同。
按流水号顺序,无特殊含义。
二、三维配管软件常用缩写词1. 端面代码对照表2. 阀门代码对照表3. 管件代码对照表三、管道分支表HEADER 主管B BOSS(HCOUPL)接缘(单头管箍)W WELD 焊接RT REDUCING TEE 异径三通BW BRANCH WELD 补强焊接T TEE 等径三通四、管道规格书项目设计时需填写管道规格书,管道规格书分首页和副页。
首页按项目实际需要列入所需等级及应用的介质代号和介质名称,填写操作条件。
在副页中将对应的管道等级列出,并按项目实际需要填写设计温度和设计压力。
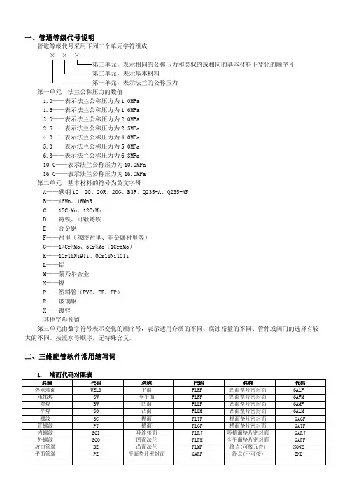
一、管道等级代号说明管道等级代号采用下列三个单元字符组成×××第三单元,表示相同的公称压力和类似的或相同的基本材料下变化的顺序号第二单元,表示基本材料第一单元,表示法兰的公称压力第一单元法兰公称压力的数值1.0——表示法兰公称压力为1.0MPa1.6——表示法兰公称压力为1.6MPa2.0——表示法兰公称压力为2.0MPa2.5——表示法兰公称压力为2.5MPa4.0——表示法兰公称压力为4.0MPa5.0——表示法兰公称压力为5.0MPa6.3——表示法兰公称压力为6.3MPa10.0——表示法兰公称压力为10.0MPa16.0——表示法兰公称压力为16.0MPa第二单元基本材料的符号为英文字母A——碳钢10、20、20R、20G、B3F、Q235-A、Q235-AFB——16Mn、16MnRC——15CrMo、12CrMoD——铸铁、可锻铸铁E——合金钢F——衬里(橡胶衬里、非金属衬里等)G——1¼Cr½Mo、5Cr½Mo(1Cr5Mo)K——1Cr18Ni9Ti、0Cr18Ni10TiL——铝M——蒙乃尔合金N——镍P——塑料管(PVC、PE、PP)R——玻璃钢X——镀锌其他字母预留第三单元由数字符号表示变化的顺序号,表示适用介质的不同、腐蚀裕量的不同、管件或阀门的选择有较大的不同。
按流水号顺序,无特殊含义。
二、三维配管软件常用缩写词1. 端面代码对照表2. 阀门代码对照表3. 管件代码对照表三、管道分支表HEADER 主管B BOSS(HCOUPL)接缘(单头管箍)W WELD 焊接RT REDUCING TEE 异径三通BW BRANCH WELD 补强焊接T TEE 等径三通四、管道规格书项目设计时需填写管道规格书,管道规格书分首页和副页。
首页按项目实际需要列入所需等级及应用的介质代号和介质名称,填写操作条件。
在副页中将对应的管道等级列出,并按项目实际需要填写设计温度和设计压力。
一次性使用输注延长管
使用说明书
〖名称〗:一次性使用输注延长管
〖用途〗:适用于电子注射泵、电子输液泵、电子镇痛泵等泵类产品在临床输注时可起延长作用。
〖性能〗:由无毒PVC软管二端连接内、外圆锥接头组成。
经灭菌后一次性使用,产品无菌、无热原。
〖使用方法〗:产品从无菌包装袋取出,将延长管的内圆锥接头与输注泵的外圆锥接头连接;延长管的外圆锥接头与注射针或静脉输液针针座连
接。
按输注常规操作。
〖规格〗:软管外径≥φ2.1㎜;壁管≥0.30㎜;总长≥1000㎜;
〖提示〗:1.本产品已灭菌,一次性使用,用后销毁。
初包装破损,配件脱落禁止使用。
2.产品有效期:见初包装封口处。
3.产品应存放在防潮、防尘、防鼠、空气流通、无腐蚀性气体、相对
湿度不超过70%的库房中。
网站首页 / 产品目录 / 铜管端子 / 日成窥口接线端头 CSC日成窥口接线端头 CSC日成窥口接线端头 CSC接线端子冷压端子铜管端子型号Item No.尺寸 DIMENSIONE DΦdΦW B LCSC1.5-4 4.2 3.3 1.88.0 5.016.0 CSC1.5-5 5.2 3.3 1.810.0 5.017.0 CSC1.5-6 6.5 3.3 1.810.0 5.018.0 CSC2.5-4 4.2 3.6 2.48.07.018.0 CSC2.5-5 5.2 3.6 2.410.07.020.0 CSC2.5-6 6.5 3.6 2.410.07.020.0 CSC2.5-88.4 3.6 2.412.57.023.0CSC4-4 4.2 4.4 3.110.07.020.0CSC4-5 5.2 4.4 3.110.07.020.0CSC4-6 6.5 4.4 3.110.07.020.0CSC4-88.4 4.4 3.112.57.023.0CSC6-4 4.2 5.1 3.810.09.023.0CSC6-5 5.2 5.1 3.810.09.024.0产品规格CSC6-6 6.5 5.1 3.812.09.024.0 CSC6-88.4 5.1 3.812.59.026.0 CSC6-1010.5 5.9 4.015.09.028.0 CSC10-5 5.2 5.8 4.512.09.025.0 CSC10-6 6.5 5.8 4.512.09.025.0 CSC10-88.4 5.8 4.512.59.027.0 CSC10-1010.5 5.8 4.515.09.029.0 CSC10-1213.0 5.8 4.517.09.031.0 CSC16-5 5.2 6.6 5.412.012.030.0 CSC16-6 6.5 6.6 5.412.012.030.0 CSC16-88.4 6.6 5.412.512.030.0 CSC16-1010.5 6.6 5.416.012.033.0 CSC16-1213.0 6.6 5.417.012.035.0 CSC25-5 5.28.3 6.813.012.033.0 CSC25-6 6.58.3 6.813.012.033.0 CSC25-88.48.3 6.815.012.033.0 CSC25-1010.58.3 6.818.012.034.0 CSC25-1213.08.3 6.818.012.035.0 CSC25-1415.08.3 6.820.012.038.0 CSC35-5 5.210.08.216.014.038.0 CSC35-6 6.510.08.216.014.038.0 CSC35-88.410.08.216.014.038.0 CSC35-1010.510.08.218.014.039.0 CSC35-1213.011.68.219.014.040.5 CSC35-1415.011.68.220.014.042.0 CSC50-6 6.511.69.517.816.045.0 CSC50-88.411.69.517.816.045.0 CSC50-1010.511.69.517.816.045.0 CSC50-1213.011.69.520.016.045.0 CSC50-1415.011.69.522.016.046.0 CSC50-1617.011.69.524.016.047.0 CSC70-88.413.811.220.420.052.0 CSC70-1010.513.811.220.420.052.0 CSC70-1213.013.811.220.420.052.0 CSC70-1415.013.811.220.420.052.0 CSC70-1617.013.811.225.020.053.0 CSC95-88.416.413.524.023.058.0 CSC95-1010.516.413.524.023.058.0 CSC95-1213.016.413.524.023.058.0 CSC95-1415.016.413.524.023.058.0 CSC95-1617.016.413.524.023.058.0 CSC120-88.418.215.027.022.063.0 CSC120-1010.518.215.027.022.063.0 CSC120-1213.018.215.027.022.063.0 CSC120-1415.018.215.027.022.063.0 CSC120-1617.018.215.027.022.063.0 CSC120-2021.018.215.027.022.063.0 CSC150-88.419.916.529.526.070.0 CSC150-1010.519.916.529.526.070.0 CSC150-1213.019.916.529.526.070.0CSC150-1415.019.916.529.526.070.0 CSC150-1617.019.916.529.526.070.0 CSC150-2021.019.916.529.526.070.0 CSC185-1010.522.118.532.532.075.0 CSC185-1213.022.118.532.532.075.0 CSC185-1415.022.118.532.532.075.0 CSC185-1617.022.118.532.532.075.0 CSC185-2021.022.118.532.532.075.0 CSC240-1010.525.521.037.038.090.0 CSC240-1213.025.021.037.038.090.0 CSC240-1415.025.021.037.038.090.0 CSC240-1617.025.021.037.038.090.0 CSC240-2021.025.021.037.038.090.0 CSC300-1010.528.223.541.542.098.0 CSC300-1213.028.223.541.542.098.0 CSC300-1415.028.223.541.542.098.0 CSC300-1617.028.223.543.042.098.0 CSC300-2021.028.223.543.042.098.0 CSC400-1010.534.328.550.544.0110.0 CSC400-1213.034.328.550.544.0110.0 CSC400-1415.034.328.550.544.0110.0 CSC400-1617.034.328.550.544.0110.0 CSC400-2021.034.328.550.544.0110.0 CSC500-1010.536.530.053.548.0120.0 CSC500-1213.036.530.053.548.0120.0 CSC500-1415.036.530.053.548.0120.0 CSC500-1617.036.530.053.548.0120.0 CSC500-2021.036.530.053.548.0120.0 CSC630-1010.542.235.062.556.0140.0 CSC630-1213.042.235.062.556.0140.0 CSC630-1415.042.235.062.556.0140.0 CSC630-1617.042.235.062.556.0140.0 CSC630-2021.042.235.062.556.0140.0图片介绍规格书下载PDF PDF PDF PDF PDF 接线端子UL日成端子镀锡环保证书日成端子材料环保证书日成接线端子CE证书日成端子CE证书产品目录相关产品JY1-2连接接线端子1 JY1-2连接接线端子JWD9框式螺钉接线端子1 JWD9框式螺钉接线端子 SA…JWD1框式螺钉接线端子1 JWD1框式螺钉接线端子 UK…日成收缩中间端子 B HS日成收缩中间端子 BHS日成收缩绝缘端子 YF-HS日成收缩绝缘端子 YF-HS日成尼龙双线管形端子 EWN日成尼龙双线管形端子 EWN日成尼龙管形绝缘端子 ETN日成尼龙管形绝缘端子 ETN日成收缩绝缘端子 PV-HD日成收缩绝缘端子 PV-HD日成收缩绝缘端子 LVB -HD日成收缩绝缘端子 LVB-HD日成收缩绝缘端子 LVA-HD日成收缩绝缘端子 LVA-HD日成收缩绝缘端子 RF-HS日成收缩绝缘端子 RF-HS日成圆形尼龙绝缘端子 RFN日成圆形尼龙绝缘端子 RFN日成叉形尼龙绝缘端子 YFN日成叉形尼龙绝缘端子 YFN日成尼龙中间端子 B N日成尼龙中间端子 BN日成尼龙旗形端子 FN日成尼龙旗形端子 FN日成尼龙全绝缘公端子 PNB日成尼龙全绝缘公端子 PNB日成尼龙全绝缘母端子 PNA日成尼龙全绝缘母端子 PNA日成易进绝缘端子 ERF日成易进绝缘端子 ERF日成易进绝缘端子 EYF日成易进绝缘端子 EYF日成片形易进绝缘端子 ED…日成片形易进绝缘端子 EDBF日成针型易进绝缘端子 EP…日成针型易进绝缘端子 EPINF日成针型裸端子 PI N日成针型裸端子 PIN日成针型预绝缘端子 PI NF日成针型预绝缘端子 PINF日成片形裸端子 DB N日成片形裸端子 DBN日成片形绝缘尼龙端子 DB F日成片形绝缘尼龙端子 DBF日成型钩形接线端子 MF日成型钩形接线端子 MF日成母全绝缘端子 PV日成母全绝缘端子 PV日成中间裸端子 B C日成中间裸端子 BC日成全绝缘中间端子 B F日成全绝缘中间端子 BF日成子弹型母绝缘端子 FA日成子弹型母绝缘端子 FA更多返回铜管端子 >环保线槽电缆接头金属接头尼龙扎带尼龙软管接线端子铜管端子金属软管热收缩管护线套固定座配线标志结束带尼龙铆钉尼龙螺丝接线头隔离柱夹线套工具新品&配件网站首页 / 产品目录 / 铜管端子日成铜管端子 SC日成铜管端子 SC日成铜管端子 ASC日成铜管端子 ASC日成铜管端子 B SC日成铜管端子 BSC日成窥口接线端头 CSC日成窥口接线端头 CSC日成铜管端子 HUP日成铜管端子 HUP日成铜管端子 DT日成铜管端子 DT日成铜管端子 T日成铜管端子 T日成铜管端子 TL日成铜管端子 TL日成铜管端子 AES日成铜管端子 AES日成喇叭口铜管端子 HES日成喇叭口铜管端子 HES日成加长铜管端子 HESL日成加长铜管端子 HESL日成喇叭口铜管端子 FC日成喇叭口铜管端子 FC日成铜管端子 TT日成铜管端子 TT日成窄头铜管端子 K L90日成窄头铜管端子 KL90日成窄头铜管端子 SG日成窄头铜管端子 SG日成铜管端子 LYF日成铜管端子 LYF日成加厚铜管裸端子 LYF90日成加厚铜管裸端子 LYF90日成铜管裸端子 LYF45日成铜管裸端子 LYF45日成铜管裸端子 GC90日成铜管裸端子 GC90日成铜管裸端子 GC45日成铜管裸端子 GC45日成铜管端子 DI N 日成铜管端子 DIN 日成圆形裸端子 DI N日成圆形裸端子 DIN日成铜管端子 DTS日成铜管端子 DTS日成铜管端子 C45日成铜管端子 C45日成铜管端子 TPE 日成铜管端子 TPE 日成扁形铜管端子 CP日成扁形铜管端子 CP日成铜管端子 HP日成铜管端子 HP日成喇叭口铜管端子 TU日成喇叭口铜管端子 TU日成美规铜管端子 AWG 日成美规铜管端子 AWG 日成铜管端子 CL-H日成铜管端子 CL-H日成铜管端子 CL-H2日成铜管端子 CL-H2日成铜管端子 HUP90日成铜管端子 HUP90日成双孔铜管端子 AD 日成双孔铜管端子 AD 日成高压中间祼铜端子 B L日成高压中间祼铜端子 BL日成裸端子 K S日成裸端子 KS日成加厚针形绝缘端子 K SN日成加厚针形绝缘端子 KSN共45条记录, 1/1页首页上一页1下一页末页日成OT 圆形开口接线端子日成OT 圆形开口接线端子日成铜管端子 HUPD日成铜管端子 HUPD日成铜管端子 HUPD90特点:90度端头日成铜管端子 HUPD45日成铜管端子 HUPD45日成3M 电工胶带日成3M 电工胶带日成3M 自粘橡胶防水胶带日成3M 自粘橡胶防水胶带日成高压黄腊带日成高压黄腊带日成接线端子盒套装日成接线端子盒套装日成绝缘子日成绝缘子2016/11/14产品目录 - 线槽 扎带 接头 软管 端子 线束 上海日成电子有限公司RCCN环保线槽电缆接头金属接头尼龙扎带尼龙软管接线端子铜管端子金属软管热收缩管护线套固定座配线标志结束带尼龙铆钉尼龙螺丝接线头隔离柱夹线套工具新品&配件环保线槽电缆接头金属接头尼龙扎带尼龙软管接线端子铜管端子金属软管热收缩管护线套固定座配线标志网站首页 / 产品目录日成环保粗齿线槽 VDRF 日成环保细齿线槽 HVDRF 日成环保闭口线槽 VDRC 日成密封阻燃线槽 SDR 日成粗齿阻燃线槽 VDR 日成细齿阻燃线槽 HVDR 日成细齿阻燃线槽 HVDRT4日成细齿阻燃线槽 HVDRT 日成粗齿阻燃线槽 VDRT日成公制电缆接头 AG 日成德制电缆接头 PG 日成美制电缆接头 NPT 日成英制电缆接头 G 日成公制电缆防水接头 ST-M 日成公制电缆接头 MGA 日成德制电缆接头 PGA 日成公制电缆接头 MGB 日型电缆防水接头PGB NPT防电磁金属电缆接头日成半爪加厚金属电日成全爪加厚金属电日成耐高温金属电缆防电磁金属电缆接头防电磁金属电缆接头日成半爪金属电缆防日成耐扭金属电缆防日成双锁式金属电缆日成自锁式尼龙扎线带 G 日成超宽型尼龙扎线带 GEHD 日成抗紫外线扎带 GUV 日成耐候性超宽尼龙线带 GUV 日成耐寒型尼龙扎带 GCS 日成耐热型尼龙扎线带 GHS 日成防火级尼龙扎线带 GV0日成彩色尼龙扎线带日成标牌尼龙扎线带 MCV日成PA 尼龙波纹管日成PA 尼龙阻燃波纹管日成PA 尼龙剖开式波纹管日成PA 阻燃尼龙剖开软管日成HDPE 波纹管日成HDPEV0阻燃波纹管日成HDPE 剖开式波纹管日成HDPEV0阻燃黑色波纹管日成LDPE 波纹管日成圆形预绝缘端子日成R 型圆形裸端子日成叉形预绝缘端子日成Y 型裸端子日成欧式管形预绝缘日成双线管形预绝缘日成管形裸端子 EN日成母预绝缘端子 L日成公预绝缘端子 L日成铜管端子 SC 日成铜管端子 ASC 日成铜管端子 BSC 日成窥口接线端头 CSC 日成铜管端子 HUP 日成铜管端子 DT 日成铜管端子 T 日成铜管端子 TL 日成铜管端子 AES日成金属软管接头 NBG 日成铜制金属软管接头 TNBG 日成金属软管防水接头 NBL 日成90度金属软管接头 NBW 日成45度金属软管接头 NBN 日成内螺纹金属软管接头 NBF 日成锁紧式金属软管接头 NBE 双头固定式金属软管接头 NBK 日成外牙镀锌管接头 ELZ日成热收缩管 HST日成超薄热收缩管 H日成黄绿热收缩管2日成含胶热收缩套管日成高压母排保护套日成含胶热收缩套管日成耐老化冷缩管 E日成硅橡胶耐高温套日成硅树脂黄腊管 S日成电源线扣-新 SR 日成线扣钳 KT-1日成电源线扣 SR 日成光纤孔塞 HP 日成直角型电源线扣日成耐扭式电源线扣日成直角耐扭式电源线扣日成扣式护线套 SB 日成开口扣式护线套 OSB日成粘式扎线固定座 HC 日成锁式扎线固定座 HC 日成插鞘式扎线固定座 PHC 日成配线固定钮 UC 日成闭口连接环 CR 日成可调式配线固定座 AC 日成粘式配线固定座 JS 日成插鞘式固定座 LWC 日成可调式配线固定座 AP日成配线标志 EC日成彩色配线标志 E 日成扁型配线标志 E日成配线标志箱 EC 日成标志靶 号码带日成电缆牌 MS 日成空白胶管 OMR 电脑线号机 LM-380日成配线标志 OM2016/11/14产品目录 - 线槽 扎带 接头 软管 端子 线束 上海日成电子有限公司RCCN/products_rccn_2.html 2/2结束带尼龙铆钉尼龙螺丝接线头隔离柱夹线套工具新品&配件日成卷式结束带 KS/S 日成卷式结束带 KS日成阻燃卷式结束带 KSV0/S 日成阻燃卷式结束带 KSV0日成开口式结束带 KP 日成可扩充编织网 PET 日成开口编织网 PETO 日成彩色编织网 PET-X 日成防电磁编织网带 EMC日成尼龙铆钉 SR日成公母可退式尼龙铆钉 SG 日成旋转式尼龙铆钉 SRC 日成尼龙铆钉 SRT 日成平头尼龙铆钉 SRH 日成耐高温尼龙铆钉 SRHR 日成长型捶式尼龙铆钉 SR 日成短型捶式尼龙铆钉 SRS 日成脚垫 FF日成螺丝/尼龙螺丝日成塑胶螺母 PN 日成塑胶垫片 PW日成尼龙螺丝 NCRS日成尼龙螺丝 NSPH日成尼龙螺丝 NSCS日成尼龙螺丝 NSCH日成尼龙螺丝 NSOH日成尼龙螺丝 NSCR日成闭端端子 CE 日成阻燃闭端端子 CEV0日成弹簧螺式接线头 SWB 日成翅膀螺式接线头 SWY 日成耐高温螺式接线头 SWHB 日成电线接线夹 KW 日成端子台 PA日成端子台底部垫高 PAH 日成阻燃端子台 PAV0日成六角隔离柱 HTS 日成六角内螺纹隔离柱 HTP 日成直通圆体隔离柱 LED 日成PC 板尼龙轨道 BT 日成隔离柱 CS 日成PC 板隔离柱 SP 日成隔离柱 CS 1日成平底隔离柱 RS 平底隔离柱 RLS日成PC 板夹线套 MW日成PC 板夹线套 NW日成PC 板夹线套 LW日成PC 板夹线套 SO日成PC 板夹线套 BH日成PC 板夹线套 MW日成PC 板夹线套 MW 日成PC 板隔离柱 CB日成尼龙铆钉 MP扎线枪 TG-9日成美制扎线枪 TG-1日成扎线枪TG-2日成扎线枪TG-3日成扎线枪TG-4日成扎线枪TG-5日成不锈钢带扎线枪TG-6日成不锈钢带扎线枪TG-7日成不锈钢带扎线枪TG-82.8插簧端子 DJ621-E2.8A-B 2.3插簧端子DJ621-2.3A-B 6.3插簧端DJ622-D6.3A-D 新品:各类硅胶密封产品展示3新品:各类硅胶密封产品展示2新品:各类硅胶密封产品展示1新品:线束集成产品003新品:线束集成产品002新品:线束集成产品001。
杭燃气〔2012〕35号关于下发《杭州市燃气(集团)有限公司户内燃气金属软管质量技术标准》的通知(集团)公司属各单位、各部室:为规范公司户内用燃气金属软管采购管理,明确金属软管采购的质量要求,提高采购质量,促进金属软管的推广应用,现将《杭州市燃气(集团)有限公司户内燃气金属软管质量技术标准》予以下发,望遵照执行.附件:杭州市燃气(集团)有限公司户内燃气金属软管质量技术标准杭州市燃气(集团)有限公司二○一二年三月十一日主题词:杭州燃气质量技术标准通知杭州市燃气(集团)有限公司2012年3月12日印发校对:程喜兵附件:杭州市燃气(集团)有限公司户内燃气金属软管质量技术标准1 为规范(集团)公司户内用燃气金属软管采购管理,明确金属软管采购的质量要求,提高采购质量,促进金属软管的推广应用,特制定本技术标准。
2本标准适用于公称尺寸DN≤32,公称压力PN≤0。
01Mpa固定安装的燃气灶具、燃气热水器等与燃气管道连接用不锈钢波纹软管。
3 金属软管的检验应符合CJ/T 197-2010《燃气用具用连接用不锈钢波纹软管》的要求及其引用规范的要求。
4 软管按其用途可分为以下2种:a)灶具连接用软管,见图1、图2、图3;1—螺纹阀, 2—软管, 3-密封圈, 4-灶具螺纹接头图1灶具用螺纹连接式软管1-胶管阀,2—软管,3—灶具胶管接头a)灶具用插入连接式软管b)Φ9。
5胶管连接接头图2 灶具用插入连接式软管1—胶管阀,2—软管,3—灶具螺纹接头图3 灶具用组合连接式软管b) 燃气热水器连接用软管,见图4;1―燃气热水器,2―连接接头,3―密封圈,4―被覆管,5—螺纹阀图4 燃气热水器用螺纹连接式软管5 金属软管的规格按公称尺寸分为DN10、DN15、DN20。
灶具连接用软管常用长度尺寸宜为800mm、1000mm、1200mm、1500mm、1800mm、2000mm;燃气热水器连接用软管常用长度尺寸宜为300mm、400mm、500mm。
胶管接头标准胶管接头是工业生产中常用的连接元件,其性能直接影响着整个管道系统的安全运行。
为了确保胶管接头的质量和可靠性,制定了一系列的标准规范,以便在生产和使用过程中进行指导和监督。
本文将对胶管接头标准进行详细介绍,包括标准的分类、主要内容和应用范围等方面。
胶管接头标准主要分为国际标准、行业标准和企业标准三个层次。
国际标准是由国际标准化组织(ISO)制定的,通常适用于全球范围内的生产和贸易活动。
行业标准是由行业协会或组织制定的,针对特定行业的需求和特点,具有一定的权威性和可操作性。
企业标准是由企业自行制定的,通常用于规范内部生产和管理活动。
胶管接头标准的主要内容包括尺寸、材质、连接方式、试验方法和质量要求等方面。
尺寸是指胶管接头的外形尺寸和连接尺寸,包括直径、长度、螺纹规格等参数。
材质是指胶管接头所采用的材料,通常包括金属材料和非金属材料两大类,具体的材质标准由相关标准组织或行业协会制定。
连接方式是指胶管接头的连接方式,包括螺纹连接、法兰连接、对焊连接等多种形式,不同的连接方式适用于不同的工作环境和工作要求。
试验方法是指对胶管接头进行性能和质量检测的方法,包括压力试验、泄漏试验、硬度测试等多种测试项目。
质量要求是指对胶管接头质量的具体要求,包括外观质量、内在质量、使用寿命等方面的要求。
胶管接头标准的应用范围涵盖了各个领域的生产和使用,包括石油化工、电力、冶金、造船、航空航天等多个行业。
在石油化工行业,胶管接头主要用于输送各种液体和气体介质,如石油、化工品、天然气等,因此对胶管接头的标准要求较高。
在电力行业,胶管接头主要用于输送冷却水、蒸汽等介质,因此对胶管接头的密封性和耐压性要求较高。
在冶金行业,胶管接头主要用于输送高温高压的金属熔融物料,因此对胶管接头的耐热性和耐腐蚀性要求较高。
总的来说,胶管接头标准是保障工业生产安全和质量的重要依据,只有严格遵守标准规范,才能保证胶管接头在生产和使用过程中的可靠性和稳定性。
胶管接头标准胶管接头是一种常见的连接元件,用于连接两根胶管或将胶管连接到其他设备上。
它在工业生产、农业灌溉、家庭生活等领域都有广泛的应用。
为了确保连接的安全和可靠,胶管接头需要符合一定的标准,下面将介绍胶管接头的标准及相关知识。
首先,胶管接头的材质应符合相关标准要求。
通常情况下,胶管接头的材质包括塑料、金属、橡胶等。
不同材质的胶管接头适用于不同的工作环境和介质,因此在选择胶管接头时,需要根据具体情况进行选择。
例如,在耐高温、耐腐蚀的场合,应选择耐酸碱的材质制成的胶管接头,以确保连接的安全和可靠。
其次,胶管接头的尺寸也是非常重要的。
胶管接头的尺寸需要与胶管的尺寸相匹配,否则会导致连接不紧密或者漏水等问题。
因此,在购买胶管接头时,需要确认胶管的尺寸,并选择相应尺寸的胶管接头。
此外,还需要注意胶管接头的螺纹规格,确保与其他设备或管道的螺纹匹配,避免出现螺纹不合适而无法连接的情况。
另外,胶管接头的密封性能也是需要重点考虑的。
在一些特殊场合,如高压、高温、腐蚀性介质等情况下,胶管接头的密封性能显得尤为重要。
因此,需要选择具有良好密封性能的胶管接头,并在安装时注意加装密封垫片或密封胶,以确保连接处不会出现泄漏的情况。
此外,胶管接头的耐压性能也是需要考虑的因素。
在一些需要承受较大压力的场合,如工业生产中的液压系统、气动系统等,需要选择耐压性能较高的胶管接头,以确保连接处不会因压力过大而发生破裂或漏水的情况。
最后,对于一些特殊要求的场合,如耐高温、耐腐蚀、防静电等,需要选择具有相应特性的胶管接头,以满足特殊工作环境的需求。
综上所述,胶管接头的标准涉及材质、尺寸、密封性能、耐压性能等多个方面,需要根据具体的工作环境和要求进行选择。
只有选择合适的胶管接头,并严格按照相关标准进行安装和使用,才能确保连接的安全、可靠。
希望本文能对胶管接头的选择和使用提供一定的帮助。
一、管道等级代号说明管道等级代号采用下列三个单元字符组成×××第三单元,表示相同的公称压力和类似的或相同的基本材料下变化的顺序号第二单元,表示基本材料第一单元,表示法兰的公称压力第一单元法兰公称压力的数值1.0——表示法兰公称压力为1.0MPa1.6——表示法兰公称压力为1.6MPa2.0——表示法兰公称压力为2.0MPa2.5——表示法兰公称压力为2.5MPa4.0——表示法兰公称压力为4.0MPa5.0——表示法兰公称压力为5.0MPa6.3——表示法兰公称压力为6.3MPa10.0——表示法兰公称压力为10.0MPa16.0——表示法兰公称压力为16.0MPa第二单元基本材料的符号为英文字母A——碳钢10、20、20R、20G、B3F、Q235-A、Q235-AFB——16Mn、16MnRC——15CrMo、12CrMoD——铸铁、可锻铸铁E——合金钢F——衬里(橡胶衬里、非金属衬里等)G——1¼Cr½Mo、5Cr½Mo(1Cr5Mo)K——1Cr18Ni9Ti、0Cr18Ni10TiL——铝M——蒙乃尔合金N——镍P——塑料管(PVC、PE、PP)R——玻璃钢X——镀锌其他字母预留第三单元由数字符号表示变化的顺序号,表示适用介质的不同、腐蚀裕量的不同、管件或阀门的选择有较大的不同。
按流水号顺序,无特殊含义。
二、三维配管软件常用缩写词2. 阀门代码对照表3. 管件代码对照表三、管道分支表HEADER 主管B BOSS(HCOUPL)接缘(单头管箍)W WELD 焊接RT REDUCING TEE 异径三通BW BRANCH WELD 补强焊接T TEE 等径三通四、管道规格书项目设计时需填写管道规格书,管道规格书分首页和副页。
首页按项目实际需要列入所需等级及应用的介质代号和介质名称,填写操作条件。
在副页中将对应的管道等级列出,并按项目实际需要填写设计温度和设计压力。
软管接头标准软管接头是工业生产中常见的一种连接元件,它主要用于连接软管与设备或管道之间,起着传递流体、气体或液体的作用。
软管接头的标准化对于保障生产安全、提高工作效率至关重要。
本文将介绍软管接头标准的相关内容,包括标准的制定依据、标准的分类、标准的应用范围等,以期为相关行业提供参考。
软管接头标准的制定依据主要包括国际、国家和行业标准。
国际标准是全球范围内通用的标准,例如ISO标准;国家标准是某个国家制定并实施的标准,例如中国的GB标准;行业标准是某个特定行业内部制定的标准,例如石油、化工、航空等行业的标准。
这些标准的制定依据是对软管接头的使用环境、工作压力、材料要求等进行综合考量后得出的,具有权威性和可操作性。
软管接头标准根据其结构、材料、用途等不同特点,可以分为多种类型。
例如,按照连接方式的不同,可以分为螺纹连接、法兰连接、卡箍连接等;按照材料的不同,可以分为铜、铝、不锈钢、塑料等材质的软管接头;按照用途的不同,可以分为液压软管接头、气动软管接头、液化气软管接头等。
各种类型的软管接头标准都有其独特的特点和适用范围,用户在选择和使用时应根据实际情况进行合理搭配。
软管接头标准的应用范围涵盖了多个领域,如工程机械、石油化工、航空航天、船舶制造等。
在这些领域中,软管接头的使用频率和重要性都非常高。
例如,在工程机械领域,液压软管接头承担着传递液压油的重要任务,其标准化可以确保液压系统的可靠性和安全性;在石油化工领域,化工软管接头的标准化可以保障化工生产过程中的化学品输送安全。
因此,软管接头标准的应用范围十分广泛,对于相关行业的发展和安全生产具有重要意义。
总之,软管接头标准是保障工业生产安全、提高工作效率的重要保障。
标准的制定依据、分类、应用范围等方面的内容都对软管接头的选择和使用具有指导意义。
希望相关行业能够重视软管接头标准的执行,确保生产过程中软管接头的质量和安全性,为工业生产的发展贡献力量。
金属软管规范金属软管规范金属软管是一种由金属材质制成的柔软管道,具有耐高温、耐压、耐腐蚀等特点,广泛应用于石油、化工、航空航天等领域。
为了确保金属软管的质量和安全性能,制定了一系列的规范,以下是金属软管规范的内容。
一、材料要求1. 金属材料应符合国家相关标准,如GB/T 14976不锈钢无缝钢管、GB/T 4226不锈钢钢球、GB/T 12771焊接不锈钢管等。
2. 金属软管的保护层可采用一般钢丝套管、钢丝绳加弹性管螺旋缠绕等形式。
二、结构要求1. 金属软管应采用不锈钢带或不锈钢丝进行螺旋缠绕,并经过热处理和表面抛光处理,确保软管的强度和表面光滑度。
2. 金属软管的接头应采用焊接或高强度螺纹连接,确保接头的密封性和安全性。
3. 金属软管内部应清洗干净,无杂质和金属屑,以确保流体通畅和不对系统造成损害。
三、技术要求1. 金属软管应具备一定的软性和可弯曲性,以适应不同场合的使用需求。
2. 金属软管的爆破压力应高于实际使用压力的2倍以上,以确保安全使用。
3. 金属软管的工作温度范围应符合实际使用条件,同时具备耐高温、耐腐蚀等性能。
4. 金属软管的长度和尺寸应根据实际需求进行设计制造,避免出现过长或过短的情况。
5. 金属软管的安装和连接应符合相关的安全要求和标准,确保软管的稳固和密封性。
四、检测要求1. 金属软管在出厂前应进行严格的质量检测,包括外观检查、压力测试、泄漏测试等。
2. 金属软管应配备相应的检测设备和工具,以及相关的质量检测记录和报告。
3. 金属软管在使用过程中应定期进行检查和维护,确保软管的性能和安全性。
五、安装和维护1. 金属软管的安装应由专业人员进行,确保软管的正确连接和安装位置。
2. 金属软管在使用过程中应避免过度拉伸和弯曲,以免造成软管的破损或泄漏。
3. 金属软管在长期存放的过程中,应储存在干燥、通风的环境中,避免与湿度和腐蚀性物质接触。
4. 金属软管在使用过程中如发现异常情况,应及时停止使用并进行检修或更换。
日成波纹管&软管接头Wire Conduits日成软管接头&配件Conduit Connector规格 内径 I.D. 外径 静态 动态 包装O.D. 弯曲 弯曲PackingSizesABStat.r Dyn.rM1/4" 6.5 10.0 13 35 100M 5/16" 10.0 13.0 20 45 100M - 12.0 15.8 35 55 100M 3/8" 14.3 18.5 40 65 100M 1/2" 17.0 21.2 45 75 100M 3/4" 23.0 28.5 55 100 50M 1" 29.0 34.5 65 120 50M 1 1/4" 36.0 42.5 90 150 50M 2" 48.0 54.5 100 190 25M 9/32" 8.0 11.5 13 25 100M - 11.0 14.0 20 45 100M - 14.5 20.0 45 75 100M - 20.0 25.0 50 85 50M -25.531.55011050M150℃ in short time Color:blackBG-07NB BG-07NG 1/4" 6.5 1BG-10NB BG-10NG 5/16" 10.0 1Characheristics:good luster ofexterior,stronger machinism loading,BG-12N BG-15N 12.0 14.3 15.8 18.5 35 40 55 65 100M 100MRCCNPolyethylene Corrugated Tubing日成PA尼龙波纹管 PA 尼龙阻燃波纹管RCCN 日成PA 尼龙波纹管 Polyethylene Corrugated TubingRal9005Ral7037无卤 Halogen freeRoHS耐候性UVWeather resistant UV单位/Unit:mm材质: 进口PA6 尼龙(Polyamide)Material:PA (Polyamide)型号 Item No.规格 内径 I.D.外径 静态 O.D. 弯曲 半径动态 包装 弯曲Packing 半径温 度:-40℃-125℃,短时达到150℃ 产品认证: 美国UL,欧洲CE, 欧洲环保 ROHS,REACH.防火等级:94HB 。
日成波纹管&软管接头Wire Conduits日成软管接头&配件Conduit Connector规格 内径 I.D. 外径 静态 动态 包装O.D. 弯曲 弯曲PackingSizesABStat.r Dyn.rM1/4" 6.5 10.0 13 35 100M 5/16" 10.0 13.0 20 45 100M - 12.0 15.8 35 55 100M 3/8" 14.3 18.5 40 65 100M 1/2" 17.0 21.2 45 75 100M 3/4" 23.0 28.5 55 100 50M 1" 29.0 34.5 65 120 50M 1 1/4" 36.0 42.5 90 150 50M 2" 48.0 54.5 100 190 25M 9/32" 8.0 11.5 13 25 100M - 11.0 14.0 20 45 100M - 14.5 20.0 45 75 100M - 20.0 25.0 50 85 50M -25.531.55011050M150℃ in short time Color:blackBG-07NB BG-07NG 1/4" 6.5 1BG-10NB BG-10NG 5/16" 10.0 1Characheristics:good luster ofexterior,stronger machinism loading,BG-12N BG-15N 12.0 14.3 15.8 18.5 35 40 55 65 100M 100MRCCNPolyethylene Corrugated Tubing日成PA尼龙波纹管 PA 尼龙阻燃波纹管RCCN 日成PA 尼龙波纹管 Polyethylene Corrugated TubingRal9005Ral7037无卤 Halogen freeRoHS耐候性UVWeather resistant UV单位/Unit:mm材质: 进口PA6 尼龙(Polyamide)Material:PA (Polyamide)型号 Item No.规格 内径 I.D.外径 静态 O.D. 弯曲 半径动态 包装 弯曲Packing 半径温 度:-40℃-125℃,短时达到150℃ 产品认证: 美国UL,欧洲CE, 欧洲环保 ROHS,REACH.防火等级:94HB 。
特性:柔软有韧性,抗扭曲;机械, 强度好可以承受重的负载;耐酸,耐切 Work T emperature:-40℃ to125℃, Certificates: CE,ROHS,REACH.黑色 Black Ral9005深灰色 Gray Ral7037SizesABStat.r Dyn.rM 屑液,润滑油,冷却液等;表面有光泽, perfect flexible耐摩擦;黑色耐紫外线,机械强度高;用 途:可保护电线电缆不受外力磨损及绝缘承载能力:可以承受脚踩和更高强度的重压,不变形,但可以迅速恢复并且本身无任何损伤.应用场合:风电发电, 地铁轨道,电力机车Functions:insulated,protect cablesand wiresLoading ability:uneasy to changeshape,reshape speedly without hurtbodyWhere to use:Equipment,machines,electricity sets,and so on.BG-17NB BG-17NG 1/2" 17.0 21.2 45 75 100M BG-23NB BG-23NG 3/4" 23.0 28.5 55 100 50M BG-29NB BG-29NG 1" 29.0 34.5 65 120 50M BG-36NB BG-36NG 1 1/4" 36.042.5 90 150 50M BG-48NB BG-48NG 2" 48.0 54.5 100 190 25M BG-08NB BG-08NG 9/32" 8.0 11.5 13 25 100M 的车厢内使用;机械制造,电气绝缘保护, How to use:insert cables or wires to BG-11NB BG-11NG - 11.0 14.0 20 45 100M 公共交通 设备;照明设备;汽车制造;航空设备; 使用方法:将电线电缆穿入管内,再配合 日成系列软管接头使用即可. RCCN flexible conduit Remarks: special packing lengthcome with MOQ work temperature tested according to RCCN factory BG-16NB BG-16NG - 14.5 20.0 45 75 100M BG-20NB BG-20NG - 20.0 25.0 50 85 50M BG-25NBBG-25NG-25.531.55011050M备注:特殊按包装长度有起订量要求。
test machinesRCCN 日成PA 尼龙阻燃波纹管 Polyethylene Corrugated TubingRal9005Ral7037阻燃94V0Fireproof无卤选购品 Halogen free 耐候性UVWeather resistant UV材质: 进口PA6 尼龙(Polyamide)温 度:-40℃-125℃,短时达到150℃Material:PA (Polyamide)Work T emperature:-40℃ to125℃,150℃ in short time型号 Item No.RoHS单位/Unit:mm产品认证: 美国UL,欧洲CE, 欧洲环保ROHS,REACH. Color:black 黑色 BlackRal9005深灰色 GrayRal7037防火等级:94V0。
特 性:柔软有韧性,抗扭曲;机械, 强度好可以承受重的负载;耐酸,耐切 屑液,润滑油,冷却液等;表面有光泽,耐摩擦;黑色耐紫外线,机械强度高;用 途:可保护电线电缆不受外力磨损及绝缘承载能力:可以承受脚踩和更高强度的重压,不变形,但可以迅速恢复并且本身无任何损伤.应用场合:风电发电, 地铁轨道,电力机车 Certificates: CE,ROHS,REACH.Characheristics:good luster ofexterior,stronger machinism loading,perfect flexibleFunctions:insulated,protect cablesand wiresLoading ability:uneasy to changeshape,reshape speedly without hurtbodyWhere to use:Equipment,machines,electricity sets,and so on.BG-07NBV0 BG-07NGV0 BG-10NBV0 BG-10NGV0 BG-12NBV0 BG-12NGV0 BG-15NBV0 BG-15NGV0 BG-17NBV0 BG-17NGV0 BG-23NBV0 BG-23NGV0 BG-29NBV0 BG-29NGV0 BG-36NBV0 BG-36NGV0 的车厢内使用;机械制造,电气绝缘保护, How to use:insert cables or wires to BG-48NBV0BG-48NGV0公共交通设备;照明设备;汽车制造;航空设备; 使用方法:将电线电缆穿入管内,再配合 日成系列软管接头使用即可. RCCN flexible conduit Remarks:special packing lengthcome with MOQ work temperature tested according to RCCN factoryBG-08NBV0 BG-08NGV0 BG-11NBV0 BG-11NGV0 BG-16NBV0BG-16NGV0BG-20NBV0 BG-20NGV0A51备 注:特殊按包装长度有起订量要求。
test machinesBG-25NBV0BG-25NGV0A52Ral7037Ral7001Ral9012型号 Item No. 规格 内径 外径 静态 动态 包装I.D.O.D.弯曲 弯曲Packing黑色 Black Ral9005 深灰色 Gray Ral7037 Sizes A B Stat.r Dyn.r M BGR-07NB BGR-07NG 1/4" 6.5 10.0 15 35 100M BGR-10NB BGR-10NG 5/16" 10.0 13.0 20 45 100MBGR-12NB BGR-12NG - 12.0 15.8 25 55 100M 材 质: 进口PA6 尼龙(Polyamide) BGR-15NB BGR-15NG 3/8" 14.3 18.5 35 65 100M 温 度:-40℃-125℃,短时达到150℃BGR-17NB BGR-17NG 1/2" 17.0 21.2 40 75 100M RoHSBGR-23NB BGR-23NG 3/4" 23.0 28.5 45 100 50M 下表型号数据参考BG 系列无卤BGR-29NB BGR-29NG 1" 29.0 34.5 55 120 50M Mate r ial:PAHalogen free BGR-36NB BGR-36NG 1 1/4" 36.0 42.5 65 150 50M Certificate: CE, ROHS BGR-48NB BGR-48NG 2" 48.0 54.5 80 190 25M How to use:input the cables or wires BGR-08NB BGR-08NG 9/32" 8.0 11.5 13 25 100M Datas,please refer to BG seriesBGR-11NB BGR-11NG - 11.0 14.0 20 45 100M BGR-16NB BGR-16NG - 14.5 20.0 25 55 100M BGR-20NB BGR-20NG - 20.0 25.0 50 85 50M BGR-25NBBGR-25NG-25.531.55011050MGrayRal7037WhiteRal9012 WhiteRal9012 WhiteRal9012 OrangeRal2003 OrangeRal2003Sizes BGR-07NGV0BG-07NW BG-07NWV0 BGR-07NW BG-07NO BGR-07NO 1/4" BGR-10NGV0 BG-10NW BG-10NWV0 BGR-10NW BG-10NO BGR-10NO 5/16" BGR-12NGV0 BG-12NW BG-12NWV0 BGR-12NW BG-12NO BGR-12NO - BGR-15NGV0 BG-15NW BG-15NWV0 BGR-15NW BG-15NO BGR-15NO 3/8" BGR-17NGV0 BG-17NW BG-17NWV0 BGR-17NW BG-17NO BGR-17NO 1/2" BGR-23NGV0 BG-23NW BG-23NWV0 BGR-23NW BG-23NO BGR-23NO 3/4" BGR-29NGV0 BG-29NW BG-29NWV0 BGR-29NW BG-29NO BGR-29NO 1" BGR-36NGV0 BG-36NW BG-36NWV0 BGR-36NW BG-36NO BGR-36NO 1 1/4" BGR-48NGV0 BG-48NW BG-48NWV0 BGR-48NW BG-48NO BGR-48NO 2" BGR-08NGV0 BG-08NW BG-08NWV0 BGR-08NW BG-08NO BGR-08NO 9/32" BGR-11NGV0 BG-11NW BG-11NWV0 BGR-11NW BG-11NO BGR-11NO - BGR-16NGV0 BG-16NW BG-16NWV0 BGR-16NW BG-16NO BGR-16NO - BGR-20NGV0 BG-20NW BG-20NWV0 BGR-20NW BG-20NO BGR-20NO - BGR-25NGV0 BG-25NWBG-25NWV0BGR-25NWBG-25NOBGR-25NO-RCCNPolyethylene Corrugated Tubing日成彩色尼龙波纹管剖开尼龙波纹管RCCN 日成PA 尼龙剖开式波纹管 Polyethylene Corrugated TubingRal7037Ral9012Ral2003单位/Unit:mm产品认证: 欧洲CE, 欧洲环保ROHS,REACH.Features:easy to stall ,suitabel to wire fixed in both terminalsRCCN 日成PA V0尼龙阻燃及剖开波纹管 Polyethylene Corrugated TubingRal9005RoHSRal2003材质:PA产品认证: 欧洲CE, 欧洲环保ROHSMaterial:PA Certificate: CE, ROHS特 性:安装容易,适合于两端线头已固定 Features:easy to stall ,suitabel to wire使用方法:将电线电缆放入管内即可下表型号数据参考 BG 系列fixed in both terminals How to use:input the cables or wiresDatas,please refer to BG series单位/Unit:mm黑色阻燃剖开 BlackRal9005深灰阻燃剖开白色白色阻燃白色剖开桔红色桔红色剖开规格 内径 I.D. A外径 O.D. B静态 弯曲 半径 Stat.r动态弯曲 半径Dyn.r包装 Packing MBGR-07NBV0 BGR-10NBV0 BGR-12NBV0 BGR-15NBV0 BGR-17NBV0 BGR-23NBV0 BGR-29NBV0 BGR-36NBV0 BGR-48NBV0 BGR-08NBV0 BGR-11NBV0 BGR-16NBV0 BGR-20NBV0 BGR-25NBV06.5 10.0 15 35 100M 10.0 13.0 20 45 100M 12.0 15.8 25 55 100M 14.3 18.5 35 65 100M 17.0 21.2 40 75 100M 23.0 28.5 45 100 50M 29.0 34.5 55 120 50M 36.0 42.5 65 150 50M 48.0 54.5 80 190 25M 8.0 11.5 13 25 100M 11.0 14.0 20 45 100M 14.5 20.0 25 55 100M 20.0 25.0 50 85 50M 25.531.55011050M黑色 Black 深灰色 Gray SizesRal9005 Ral7037 A B 半径 Stat.r 半径 Dyn.r M BG-07B BG-07G 1/4" 6.5 10.0 15 35 100M BG-10B BG-10G 5/16" 10.0 13.0 20 45 100M BG-12BBG-12G - 12.0 15.8 25 55 100M BG-15B BG-15G 3/8" 14.3 18.5 35 65 100M BG-17B BG-17G 1/2" 17.0 21.2 40 75 100M BG-23B BG-23G 3/4" 23.0 28.5 45 100 50M BG-29B BG-29G 1" 29.0 34.5 55 120 50M BG-36B BG-36G 1 1/4" 36.0 42.5 65 150 50M BG-48B BG-48G 2" 48.0 54.5 80 190 25M BG-08B BG-08G 9/32" 8.0 11.5 13 25 100M BG-11B BG-11G - 11.0 14.0 20 45 100M BG-16B BG-16G - 14.5 20.0 25 55 100M BG-20B BG-20G - 20.0 25.0 50 85 50M BG-25B BG-25G- 25.5 31.5 50 110 50M BG-56B - - 56.0 68.0 - - 10M BG-63B - 2 1/2" 63.0 74.0 - - 10M BG-67B - 2 1/2" 67.0 80.0 - - 10M BG-76B - 3" 76.0 88.0 - - 10M BG-94B-4"94.0108.0 --10MRCCNPolyethylene Corrugated Tubing日成HDPE黑色波纹管HDPE 阻燃黑色波纹管RCCN 日成HDPE 波纹管 Polyethylene Corrugated TubingRal9005Ral7037单位/Unit:mm型号 Item No. 规格 内径 I.D.外径 静态 O.D. 弯曲动态 包装 弯曲 Packing材 质:HDPE 聚乙烯 (Polyethylene) Material:HDPE (Polyethylene)温 度:-30℃-100℃,短时110℃结 构:内部和外表均为波浪型。