空调水系统安装(设备)检验批质量验收记录
- 格式:docx
- 大小:8.47 KB
- 文档页数:2
空调水系统检验批质量验收记录1. 引言本文档详细记录了对空调水系统进行的质量验收过程。
本次质量验收的目的是确保空调水系统的设计、制造、安装和调试符合相关标准和规范要求,并使其功能正常、稳定可靠。
2. 检验内容本次质量验收的检验内容包括但不限于以下几个方面: - 空调水系统的设计方案和施工图纸的合规性; - 各组件的合格证明文件; - 各组件的安装质量; - 各组件的连接和密封情况; - 系统的工作性能和稳定性; - 相关参数的调整和测试结果。
3. 检验步骤及结果记录3.1 设计方案和施工图纸检查在本步骤中,对空调水系统的设计方案和施工图纸进行检查,确保其符合相关标准和规范要求。
同时,对图纸中的关键参数进行核对。
结果:设计方案和施工图纸符合相关标准和规范要求,关键参数核对无误。
3.2 组件合格证明文件检查在本步骤中,对空调水系统的各组件的合格证明文件进行检查,包括但不限于设备出厂合格证、产品质量检验报告等。
结果:各组件的合格证明文件齐全,符合标准和规范要求。
3.3 组件安装质量检查在本步骤中,对空调水系统各组件的安装质量进行检查,包括但不限于设备的支撑、固定和对中情况。
结果:各组件的安装质量满足标准和规范要求,无松动、倾斜和变形等情况。
3.4 连接和密封情况检查在本步骤中,对空调水系统的连接和密封情况进行检查,包括但不限于管道的连接、阀门的密封情况等。
结果:空调水系统的连接和密封情况符合相关标准和规范要求,无泄漏和渗漏情况。
3.5 工作性能和稳定性测试在本步骤中,对空调水系统的工作性能和稳定性进行测试,包括但不限于各组件的工作状态、水流量和温度等参数。
测试过程中,记录测试结果。
结果:空调水系统的工作性能和稳定性满足相关要求,各组件正常工作,水流量和温度稳定可靠。
3.6 参数调整和测试结果记录在本步骤中,对空调水系统的相关参数进行调整,并记录调整后的参数。
同时,对空调水系统进行最终测试,记录测试结果。
空调水系统安装检验批质量验收记录(Ⅱ)(非金属管道)注:本表内容的填写需依据《现场验收检验批检查原始记录》。
本检验批质量验收的规范依据见本页背面。
填写说明一、填写依据1 《通风与空调工程质量验收规范》GB50243-2002。
2 《建筑工程施工质量验收统一标准》GB50300-2013。
二、检验批划分可按系统、区域、施工段划分为若干个检验批。
三、GB50243-2002规范摘要主控项目9.2.1 空调工程水系统的设备与附属设备、管道、管配件及阀门的型号、规格、材质及连接形式应符合设计规定。
检查数量:按总数抽查10%,且不得少于5件。
检查方法:观察检查外观质量并检查产品质量证明文件、材料进场验收记录。
9.2.2 管道安装应符合下列规定:1 通风与空调工程中的隐蔽工程,在隐蔽前必须经监理人员验收及认可签证。
2 焊接钢管、镀锌钢管不得采用热煨弯。
3 管道与设备的连接,应在设备安装完毕后进行,与水泵、制冷机组的接管必须为柔性接口。
柔性短管不得强行对口连接,与其连接的管道应设置独立支架。
4 冷热水及冷却水系统应在系统冲洗、排污合格(目测:以排出口的水色和透明度与入水口对比相近,无可见杂物),再循环试运行2h以上,且水质正常后才能与制冷机组、空调设备相贯通。
5 固定在建筑结构上的管道支、吊架,不得影响结构的安全。
管道穿越墙体或楼板处应设钢制套管,管道接口不得置于套管内,钢制套管应与墙体饰面或楼板底部平齐,上部应高出楼层地面20~50mm,并不得将套管作为管道支撑。
保温管道与套管四周间隙应使用不燃绝热材料填塞紧密。
检查数量:系统全数检查。
每个系统管道、部件数量抽查10%,且不得少于5件。
检查方法:尺量、观察检查,旁站或查阅试验记录、隐蔽工程记录。
9.2.3 管道系统安装完毕,外观检查合格后,应按设计要求进行水压试验。
当设计无规定时,应符合下列规定:1 冷热水、冷却水系统的试验压力,当工作压力小于等1.0MPa时,为1.5倍工作压力,但最低不小于0.6MPa;当工作压力大于1.0MPa时,为工作压力加0.5MPa。
空调水系统安装工程检验批质量验收记录一、项目概况1.1项目名称:空调水系统安装工程1.2工程地点:(填写详细地址)1.4工程验收日期:(填写日期)二、验收标准2.1本次验收按照《空调水系统安装工程质量验收规范》进行。
2.2各项检验指标以设计图纸、合同规定的技术参数以及行业标准为准。
2.3检验结果记录需具备客观性、实用性、可操作性及可追溯性。
三、验收内容3.1空调水系统安装工程验收内容包括但不限于以下几个方面:(1)冷冻水系统的水箱、水泵、冷冻机组、水源的布置和安装;(2)冷却水系统的冷却塔、水泵、冷却机组、水源的布置和安装;(3)冷冻水系统和冷却水系统的管道安装,包括主管道、阀门、支管道等;(4)冷冻水系统和冷却水系统的防腐保温措施;(5)管道支架安装及固定;(6)其他相关设备及配件的安装。
4.1管道安装检验(1)检查冷冻水系统和冷却水系统的管道安装工艺是否符合设计要求,是否采用了合适的防腐保温措施;(2)检查管道的材质和规格是否符合设计要求;(3)检查管道的连接是否牢固,有无泄漏现象;(4)测量管道的尺寸和坡度是否符合要求;(5)检查管道支架安装的牢固性及间距是否符合设计要求。
4.2设备安装检验(1)检查冷冻机组、冷却塔、水泵等设备的布置位置和安装高度是否符合设计要求;(2)检查设备的水平度及固定是否稳固;(3)检查设备与管道连接的紧密性;(4)检查设备的运行、停机、报警等功能;(5)检查设备外观是否完好,有无损坏及漏水现象。
4.3水系统功能检验(1)检查水泵的启动、停机、转速调节等功能;(2)检查冷冻机组和冷却塔的启动、停机、制冷量调节等功能;(3)检查冷冻水和冷却水的供水、回水温差是否在设计范围内;(4)检查水系统的水流量是否满足设计要求。
4.4系统运行试验(1)进行系统正常运行试验,包括启动、停机、运行稳定等环节;(2)设置不同的运行工况,进行试验,检查系统各项指标是否稳定可靠。
4.5现场工作检验(1)检查现场施工记录是否规范,施工材料是否符合要求;(2)检查施工图纸是否符合实际施工情况;(3)检查现场的清理工作是否彻底,有无危险隐患。
空调水系统系统安装工程检验批质量验收记录一、项目基本信息项目名称:空调水系统系统安装工程验收日期:XXXX年XX月XX日施工单位:XXXX有限公司监理单位:XXXX有限公司二、项目背景三、验收内容1.施工方案的验证2.执行工艺的验证3.施工材料与设备的质量验证4.施工过程的质量验证5.安全防护措施的验收6.施工图纸和标示牌的合规验证7.验收资料的完整性和准确性四、施工方案的验证施工方案按照设计要求进行编制,包括主要构件的选材和安装方法。
经验证,施工方案与设计方案相符,施工方案的可行性得到了确认。
五、执行工艺的验证1.冷水机组的安装工艺验证冷水机组安装在机房内,经检查,机组的水平度符合要求,机组底座与地基连接处安全可靠。
机组的冷却水管路、冷冻水管路和电气接线符合相应的规范要求。
2.冷却塔的安装工艺验证冷却塔安装在室外,经检查,塔体结构稳固,塔内填料整齐排列,通风口和进出风口位置合理。
冷却塔与冷水机组之间的主管道系统连接紧密,阀门操作灵活可靠。
3.泵站的安装工艺验证泵站安装在机房内,经检查,水泵与电机的连接紧密,泵的吸水管道和出水管道连接正确。
泵房内的管道安装整齐,与冷水机组和冷却塔之间的连接完好。
4.风机盘管的安装工艺验证风机盘管安装在室内,经检查,盘管的安装位置合理,与冷水机组和冷却塔之间的连接紧密。
盘管的水平度符合要求,水管和风管的连接处密封完好。
六、施工材料与设备的质量验证经核验,施工材料和设备的质量均符合国家和行业标准,材料符合技术规范,设备有合格出厂证明,并且未发现明显的质量问题。
七、施工过程的质量验证施工过程中,施工单位严格按照施工方案和技术要求进行施工,施工人员操作规范,施工现场整洁有序,未发现重大施工质量问题。
八、安全防护措施的验收施工现场设置了必要的安全警示标志,并配备了必要的安全防护设施,如安全帽、防护眼镜、防滑鞋等,工人们遵守相关安全规定,未发生任何安全事故。
九、施工图纸和标示牌的合规验证施工图纸和标示牌与实际施工情况相符,维护保养标示牌及警示标志的设置合理、清晰,易于识别。
空调水系统安装检验批质量验收记录一、项目基本信息项目名称:空调水系统安装工程编号:施工单位:验收日期:二、安装单位信息单位名称:安装人员:三、验收依据1.相关设计文件:空调水系统设计图纸、设备配置表等;四、验收内容1.安装质量检查:对空调水系统安装是否符合设计要求,包括管道布置、管道材质、管道连接等进行检查;2.设备安装检查:对空调水系统设备的安装位置、固定方式、接线是否正确进行检查;3.安装工艺检查:对空调水系统安装过程中的防腐、保温、声、振动等工艺情况进行检查;4.安全防护检查:对空调水系统安装过程中的安全防护措施是否到位进行检查。
五、验收结果1.空调水系统安装质量检查情况:(1)管道布置是否合理,是否存在交叉、拐角过多等情况;(2)管道材质是否符合规定,是否存在腐蚀、变形、漏水等现象;(3)管道连接是否紧密,是否存在漏气、漏水等现象。
2.空调水系统设备安装检查情况:(1)设备安装位置是否符合设计要求,是否存在振动、噪音等问题;(2)设备固定是否牢固可靠,是否存在松动、脱落等现象;(3)设备接线是否正确,是否存在接反、短路等问题。
3.安装工艺检查情况:(1)防腐、保温处理是否到位,是否存在松脱、开裂等现象;(2)声、振动控制是否有效,是否存在噪音、振动过大等问题。
4.安全防护检查情况:(1)施工现场是否设置安全警示标志;(2)作业人员是否佩戴必要的安全防护用具。
六、存在问题及整改要求1.存在问题:(1)管道布置不合理,存在交叉、拐角过多等情况;(2)部分管道材质存在腐蚀、变形、漏水等现象;(3)部分管道连接不紧密,存在漏气、漏水等现象;(4)设备安装位置不符合设计要求,存在振动、噪音等问题;(5)部分设备固定不牢固可靠,存在松动、脱落等现象;(6)部分设备接线存在接反、短路等问题;(7)部分防腐、保温处理存在松脱、开裂等现象;(8)部分声、振动控制措施无效,存在噪音、振动过大等问题。
2.整改要求:(1)重新布置管道,确保管道交叉、拐角的合理性;(2)更换腐蚀、变形、漏水的管道材质;(3)重新连接松散、漏气、漏水的管道;(4)调整设备的安装位置,消除振动、噪音问题;(5)加固松动、脱落的设备固定件;(6)重新检查设备接线,确保正确连接;(7)加强防腐、保温处理的质量控制;(8)改进声、振动控制措施,降低噪音、振动水平。
空调水系统安装检验批质量验收记录1. 引言本文档为对空调水系统安装的一次质量验收记录,旨在确保空调水系统安装符合相关标准和要求。
本次安装检验批质量验收记录对项目的可靠性和安全性负有重要责任,以确保空调水系统顺利运行。
2. 系统概述空调水系统是将冷却水通过循环管路供应给空调设备的系统。
其主要包括水泵、冷却塔、水箱、水分离器、阀门等组件。
此次安装检验批的范围涵盖了整个空调水系统,包括系统的设计、设备的安装和连接、管路的布置和连接、水泵的调试等。
3. 安装验收准备工作在进行空调水系统安装的质量验收前,我们做了如下准备工作:•召开安装验收前的准备会议,明确安装验收的标准和要求。
•准备了相关的验收标准和设计图纸,供验收人员参考。
•将安装人员培训和技术资料整理完善。
4. 系统安装验收4.1 设备安装根据系统设计图纸和相关标准,我们对水泵、冷却塔、水箱、水分离器等设备进行了安装。
安装过程中要求操作人员具备相应的资格和经验,并严格按照相关标准进行操作。
我们对每个设备进行了安装记录和检查。
•水泵安装:水泵安装平稳、牢固,各紧固件连接紧密可靠。
•冷却塔安装:冷却塔安装位置合理,通道畅通,无遮挡物,做好了排水和溢水管道。
•水箱安装:水箱连接管路无渗漏现象,安装平稳。
•水分离器安装:水分离器安装垂直且固定,连接管路完好。
4.2 管道布置和连接我们对空调水系统的管道布置和连接进行了验收,确保其满足相关的标准和要求。
•管道布置:根据设计要求,我们对管道进行了合理布置,保证了空调水系统的畅通和高效工作。
•管道连接:对管道连接进行了仔细检查,确保连接处没有漏水和渗漏现象。
4.3 系统调试在完成设备安装和管道布置后,我们对整个空调水系统进行了系统调试,以确保其安装质量和工作效果。
•水泵调试:检查水泵启动和运行情况,确保其工作正常。
•冷却塔调试:检查冷却塔的风机和水泵运转情况,确保其工作正常。
•系统运行:对整个空调水系统进行运行测试,确保其冷却效果和工作稳定。
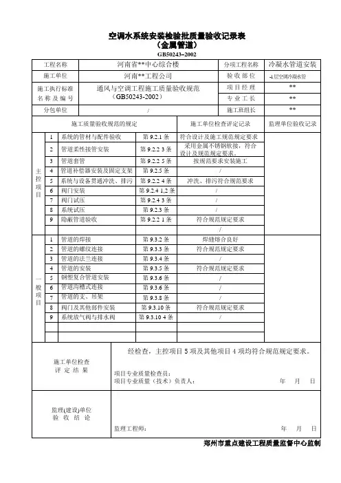
空调冷热(冷却)水系统安装检验批质量验收记录(金属管道)06130101单位(子单位)工程名称分部(子分部)工程名称通风与空调/土壤源热泵换热系统分项工程名称管道系统及部件安装施工单位项目负责人检验批容量分包单位/分包单位项目负责人/检验批部位施工依据《通风与空调工程施工规范》GB50738-2011验收依据《通风与空调工程施工质量验收规范》 GB 50243-2016主控项目设计要求及质量验收规范的规定施工单位质量评定记录监理(建设)单位验收记录单项检验批产品数量(N)单项抽样样本数(n)检验批汇总数量∑N抽样样本汇总数量∑n单项或汇总∑抽样检验不合格数量评判结果备注1系统的管材与配件验收(第9.2.1条)2管道的连接安装(第9.2.2条第2、3、5款)3隐蔽管道的验收(第9.2.2条第1款)4系统的冲洗、排污(第9.2.2条第4款)5系统的试压(第9.2.3条)6阀门的安装(第9.2.4条)7阀门的检验,试压(第9.2.4条第1款)8管道补偿器安装及固定支架(第9.2.5条)一般项目1管道的焊接(第9.3.2条)2管道的螺纹连接(第9.3.3条)3管道的法兰连接(第9.3.4条)4钢制管道的安装(第9.3.5条)5沟槽式连接管道的安装(第9.3.6条)6风机盘管,冷排管等设备管道连接(第9.3.7条)7金属管道的支、吊架(第9.3.8条)8阀门及其他部件的安装(第9.3.10条)9补偿器安装(第9.3.14条)施工单位检查结果评定专业工长:项目专业质量检查员:年月日监理单位验收结论专业监理工程师:年月日。
通风与空调设备安装检验批质量验收记录一、引言通风与空调设备是建筑物中维持室内空气质量的重要设备。
为了确保设备的安装质量和运行效果,进行质量验收是十分必要的。
本文档记录了通风与空调设备安装质量验收的过程和结果。
二、验收标准根据相关国家标准和设计要求,通风与空调设备的安装质量验收应包括以下内容: 1. 设备的基础和支架安装是否符合要求; 2. 设备的连接管道、风道及绝缘材料是否符合要求; 3. 设备与电源的连接是否正确可靠; 4. 设备的控制系统是否正常运行; 5. 设备的性能参数是否符合设计要求; 6. 设备的安全保护装置是否完好有效;7. 设备的噪音和振动是否在规定范围内;8. 设备的外观是否整洁、无损坏。
三、验收过程1. 设备基础和支架安装验收检查通风与空调设备的基础和支架是否符合设计要求和相关标准。
包括支架的固定是否牢固、基础的平整度是否合理等。
2. 连接管道、风道及绝缘材料验收检查设备的连接管道、风道及绝缘材料的安装是否符合要求。
包括管道的连接是否紧密、绝缘材料的覆盖是否完整等。
3. 设备与电源连接验收检查设备与电源的连接是否正确可靠。
包括电源线的接线是否规范、接线盒的密封是否良好等。
4. 控制系统验收测试设备的控制系统是否正常运行。
包括设备的启停、温度调节、风量调节等功能是否正常。
5. 性能参数验收测试设备的性能参数是否符合设计要求。
包括设备的制冷/制热效果、换气量等参数是否达标。
6. 安全保护装置验收检查设备的安全保护装置是否完好有效。
包括温度保护器、过载保护装置等是否能够正常工作。
7. 噪音和振动验收测试设备的噪音和振动是否在规定范围内。
通过测量设备的噪声水平和振动幅度来评估其运行状态。
8. 外观验收检查设备的外观是否整洁、无损坏。
包括设备表面是否存在划痕、变形等问题。
四、验收结果经过以上的验收过程,我们对通风与空调设备的安装质量进行了全面的评估。
根据检查结果,设备的安装质量符合设计要求和相关标准,各项性能指标均达到预期要求。
空调水系统安装(金属管道)检验批质量验收记录(GB50243-2002)表C.2.7-1 编号:080701□□□080701□□□说明主控项目9.2.1 空调工程水系统的设备与附属设备、管道、管配件及阀门的型号、规格、材质及连接形式应符合设计规定。
检查数量:按总数抽查10%,且不得小于5件。
检查方法:观察检查外观质量并检查产品质量证明文件、材料进场验收记录。
9.2.2 管道安装应符合下列规定:(1) 隐蔽管道必须按本规范第3.0.11条的规定执行。
(2) 焊接钢管、镀锌钢管不得采用热煨弯;(3) 管道与设备的连接,应在设备安装完毕后进行,与水泵、制冷机组的接管必须为柔性接口。
柔性短管不得强行对口连接,与其连接的管道应设置独立支架;(4) 冷热水及冷却水系统冲洗、排污合格(目测:以排出口的水色和透明度与入水口对比相近,无可见杂物),再循环试运行2h以上,且水质正常后才能与制冷机组、空调设备相贯通;(5) 固定在建筑结构上的管道支、吊架,不得影结构的安全。
管道穿越墙体或楼板处应设钢制套管,管道接口不得置于套管内,钢制套管应与墙体饰面或楼板底部平齐,上部应高出楼层地面20~50mm,并不得将套管作为管道支撑。
保温管道与套管四周间隙应使用不燃绝热材料填塞紧密。
检查数量:系统全数检查。
每个系统管道、部件数量抽查10%,且不得少于5件。
检查方法:尺量、观察检查,旁站或查阅试验记录、隐蔽工程记录。
9.2.3 管道系统安装完毕,外观检查合格后,应按设计要求进行水压试验。
当设计无规定时,应符合下列规定:(1) 冷热水、冷却水系统的试验压力,当工作压力小于等于1.0MPa时,为1.5倍工作压力,但最低不小于0.6MPa;当工作压力大于1.0MPa时,为工作压力加0.5MPa。
(2) 对于大型或高层建筑垂直位差较大的冷(热)媒水,冷却水管道系统宜采用分区、分层试压和系统试压相结合的方法。
一般建筑可采用系统试压方法。
空调水系统安装检验批质量验收记验收目的本文档旨在记录空调水系统安装的检验批质量验收过程,确保安装工作符合相关标准和要求,保证空调系统的正常运行和安全使用。
验收范围本次质量验收的范围包括空调水系统的安装工作,涵盖以下关键要素: - 主机安装 - 风管安装 - 给排水管道安装 - 冷却塔安装验收标准根据国家相关标准和规定,以及项目合同要求,进行以下方面的检查和评估:1. 安装设备的固定和支撑是否牢固可靠;2. 风管系统是否按照设计要求进行布置,并保证通风顺畅; 3. 给排水管道系统是否合理布局和连接,以确保水的流动畅通;4. 冷却塔的基础是否牢固,塔冷却脚是否安全可靠;5. 安装工作是否符合相关安全和环保要求。
验收过程第一阶段:主机安装验收步骤1:固定检查检查主机的固定情况,确保固定螺栓牢固可靠,无松动现象。
步骤2:电气连接检查检查电气连接是否正确,包括主机与电源的连接,确保电气线路安全可靠。
步骤3:主机设置调试根据设备要求进行主机的设置配置,确保主机可以正常工作。
第二阶段:风管安装验收步骤1:风管连接检查检查风管连接是否紧固,无漏风现象,确保风管系统的密封性。
步骤2:风管布局检查检查风管布局是否符合设计要求,确保通风顺畅。
第三阶段:给排水管道安装验收步骤1:给水管道安装检查检查给水管道的连接是否牢固,无漏水现象。
步骤2:排水管道安装检查检查排水管道的布局和连接是否合理,确保水的流动畅通。
第四阶段:冷却塔安装验收步骤1:冷却塔基础检查检查冷却塔的基础施工情况,确保基础牢固。
步骤2:冷却塔脚安装检查检查冷却塔的脚安装情况,确保脚固定可靠。
第五阶段:安装工作总体验收步骤1:检查合同要求对以上各个方面的验收结果进行整体评估,确保安装工作符合合同要求。
步骤2:检查安全和环保要求检查安装工作是否符合相关安全和环保要求,确保使用过程中安全可靠。
验收结论根据以上的验收过程和评估,空调水系统的安装工作符合相关标准和要求,达到验收标准,可以投入使用。