(完整版)主动防护网技术交底
- 格式:doc
- 大小:174.52 KB
- 文档页数:6
一、交底目的为确保防护网施工过程中的安全,预防事故发生,提高施工人员的安全意识,特进行本次安全技术交底。
二、工程概况1. 工程名称:___________2. 施工单位:___________3. 施工地点:___________4. 施工内容:___________5. 施工期限:___________三、安全注意事项1. 人员资质要求- 施工人员必须持有相关岗位操作证书,并经过专业培训,熟悉防护网施工工艺和安全操作规程。
- 严禁未经过培训或未取得上岗证的工人参与施工。
2. 施工前的准备工作- 施工前,应对施工现场进行全面检查,确保施工环境安全,无安全隐患。
- 检查施工工具、设备是否完好,并做好保养工作。
3. 施工过程中的安全措施- 施工人员必须佩戴安全帽、安全带等个人防护用品。
- 施工现场设置警示标志,明确危险区域和作业区域。
- 施工过程中,严禁酒后作业、疲劳作业、违章作业。
- 高处作业时,必须使用安全带,并确保安全带正确佩戴。
- 上下立体交叉作业时,应设置隔离防护措施,防止坠落物伤人。
4. 材料及设备安全- 防护网材料应选用符合国家标准的产品,并经检验合格。
- 机械设备运行前,应检查其性能是否正常,确保运行安全。
5. 现场环境安全- 施工现场应保持整洁,及时清理施工垃圾,防止绊倒、滑倒事故发生。
- 施工现场应设置消防设施,确保消防通道畅通。
四、应急处理1. 发生安全事故时,应立即停止施工,组织人员救治受伤人员,并报告相关部门。
2. 对事故现场进行保护,不得擅自移动事故现场物品。
3. 对事故原因进行调查分析,制定整改措施,防止类似事故再次发生。
五、交底内容1. 施工人员应认真学习本交底内容,了解施工过程中的安全风险和预防措施。
2. 施工单位应加强对施工人员的安全教育,提高安全意识。
3. 施工现场应严格执行安全技术交底内容,确保施工安全。
六、交底人及接受交底人1. 交底人:___________2. 接受交底人:___________3. 交底时间:___________4. 交底地点:___________七、备注本安全技术交底为模板,具体施工过程中,应根据实际情况进行调整。
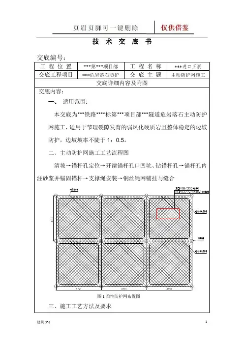
技术交底书工程位置***第***项目部工程名称***进口正洞交底工程项目***危岩落石防护交底主题主动防护网施工交底详细内容及附图交底内容:一、适用范围:本交底为***铁路****标第***项目部***隧道危岩落石主动防护网施工,适用于节理裂隙发育的弱风化硬质岩且整体稳定的边坡防护,边坡坡率不陡于1:0.5。
二、主动防护网施工工艺流程图清坡→锚杆孔定位→开凿锚杆孔口凹坑、钻锚杆孔→锚杆孔内注砂浆并锚固锚杆→支撑绳安装→钢丝绳网铺挂与缝合图1柔性防护网布置图三、施工工艺方法及要求1、清坡自上而下彻底清理坡面,将坡面防护区域内威胁施工安全的浮土及浮石清除,对不利于施工安装和影响系统安装后正常功能发挥的局部地形(局部堆积体和凸起体等)进行适当修整加固,避免施工中落石伤人。
2、锚杆孔定位按设计的位置结合现场实际地形对锚杆孔位进行放线测量定位,由于坡面的起伏,依据地形条件,孔间距可有0.3m的调整量,否则,支撑绳和防护网可能连接不上。
3、开凿锚杆孔口凹坑、钻锚杆孔锚杆孔定位以后,先在每一个孔位处开凿一个深度部小于锚杆外露环套长度的凹坑,一般口径20cm,深20cm,使系统安装后尽可能紧贴坡面。
再按锚杆设计长度(单根长3m)垂直边坡岩面钻出锚杆孔,按设计深度钻凿锚杆孔并清孔,孔深应比设计锚杆长度长5 cm 以上,孔径不小于Φ42mm。
当受凿岩设备限制时,构成每根锚杆的两股钢绳可分别锚入两个孔径不小于Φ35mm的锚孔内,形成人字形锚杆,两股钢绳间夹角为15º~30º,以达到同样的锚固效果。
4、锚杆孔内注砂浆并锚固锚杆钻孔后,由孔底注浆并插入锚杆(锚杆外露环套顶端不能高出地表,且环套段不能注浆,以确保支撑绳张拉后尽可能紧贴地表),一般环境下采用M35水泥砂浆,化学侵蚀环境下,根据环境作用等级注浆材料选用M35水泥砂浆或水泥浆,并按耐腐蚀相关规范要求掺入水泥重量一定比例的粉煤灰。
注浆时,应确保所用砂浆标号满足设计要求且孔内浆液饱满。
一、交底目的为确保防护网安装过程中人员安全及工程质量,特制定本安全交底,对参与施工人员进行详细的安全技术交底。
二、交底内容1. 施工人员安全注意事项(1)施工前,所有人员必须参加安全培训,了解防护网安装的安全生产要求。
(2)施工人员应穿戴好个人防护用品,如安全帽、工作服、安全鞋等。
(3)施工过程中,不得擅自离开工作岗位,确保施工区域安全。
(4)施工人员应严格遵守操作规程,严禁违章操作。
2. 防护网材料及设备安全(1)防护网材料应选用合格产品,确保其质量符合国家标准。
(2)施工前,对施工设备进行安全检查,确保其性能良好。
(3)施工现场应保持整洁,不得乱堆乱放材料及设备。
3. 现场施工安全措施(1)施工前,对施工现场进行安全评估,制定相应的安全防护措施。
(2)施工现场设置安全警示标志,明确警示范围。
(3)施工过程中,应确保施工区域周围环境安全,防止意外事故发生。
4. 防护网安装操作步骤(1)施工人员应按照施工图纸和技术规范进行施工。
(2)安装防护网时,应先固定立柱,然后安装横杆和网片。
(3)安装过程中,应确保各部件连接牢固,避免因松动导致安全隐患。
(4)施工完成后,应对防护网进行检查,确保其牢固可靠。
5. 高处作业安全(1)高处作业人员应具备相关资质,并穿戴安全带等防护用品。
(2)高处作业时,应使用安全绳,确保作业人员安全。
(3)高处作业区域下方不得有人行走或停留。
三、应急处理1. 发生安全事故时,立即停止施工,并组织人员进行救援。
2. 及时上报相关部门,按照事故处理程序进行处理。
3. 对事故原因进行调查,制定整改措施,防止类似事故再次发生。
四、交底人(此处填写交底人姓名及职务)五、施工人员签字确认(此处填写施工人员姓名及签字)六、生效日期(此处填写交底生效日期)七、备注本安全交底自生效之日起,施工人员必须严格遵守,确保施工安全。
如有违反,将依法追究责任。
---请注意,以上模板仅供参考,具体安全交底内容应根据实际工程情况和现场环境进行调整。
交底编号:XXXXXX高速公路工程主动防护网施工技术交底XXXXXXXXX有限公司XXXXXX高速XXXX标项目经理部20XX年X月XX日技术(安全)交底书不利于施工安装和影响系统安装后正常功能发挥的局部地形(局部堆积体和凸起体等)进行适当修整加固,避免施工中落石伤人。
(2)锚杆孔定位按设计的位置结合现场实际地形对锚杆孔位进行放线测量定位,由于坡面的起伏,依据地形条件,孔间距可有0.3m的调整量,否则,支撑绳和防护网可能无法连接。
(3)开凿锚杆孔口凹坑、钻锚杆孔锚杆孔定位以后,先在每一个孔位处开凿一个深度不小于锚杆外露环套长度的凹坑,一般口径20cm,深20cm,使系统安装后尽可能紧贴坡面。
再按锚杆设计长度(单根长3~4m或6m)垂直边坡岩面钻出锚杆孔,按设计深度钻凿锚杆孔并清孔,孔深应比设计锚杆长度长50mm以上,孔径不小于70mm。
图1 锚杆大样图(4)锚杆孔内注砂浆并锚固锚杆钻孔后,由孔底注浆并插入锚杆(锚杆外露环套顶端不能高出地表,且环套段不能注浆,以确保支撑绳张拉后尽可能紧贴地表),采用M30水泥砂浆。
注浆时,应确保所用砂浆标号满足设计要求且孔内浆液饱满。
砂浆应搅拌均匀,随拌随用,一次搅拌的砂浆应在初凝前用完,并严防石块、杂物混入。
锚杆插入后应居中固定,杆体外露部分应避免敲击、碰撞,等砂浆强度达到要求后再挂网。
注浆过程中若漏浆现象严重,则采用封堵措施及间歇多次注浆法,每次注浆管口均需置于前次注浆砂浆所达顶面,以保证注浆饱满,砂浆初凝收缩后,应进行补浆。
灌浆完成28h内不得敲击和碰撞锚杆,锚杆固定后至少养护3天。
锚杆长度大于3m时,注浆宜采用机械注浆。
(5)支撑绳安装纵、横向支撑绳(Φ16mm)应穿过沿程各锚杆的外露环套,形成纵横交错的网格。
支撑绳两端固定前应张紧,支撑绳张拉紧后两端各用2~4个绳卡将支撑绳卡死固定,固定后绳端应保留长度不小于20cm的自由尾绳。
(6)钢丝绳网铺挂与缝合在各挂网单元内从上向下铺设钢丝绳网并缝合,由纵横交错的Φ16纵、横向支撑绳与4.5m×4.5m或2.5m×4.5m(实际施工中可根据地形条件及锚杆位置可在±0.3m 作适当调整)模式布置的锚杆相联结,支撑绳构成的每个4.5m×4.5m或2.5m×4.5m 网格内铺设一张或两张(根据设计的单层或双层钢绳网确定)4m×4m或4m×2m的D0/08/300型钢绳网,每张钢绳网与四周支撑绳间用缝合绳缝合联结并进行预张拉,该张拉工艺能使系统对坡面施以一定的法向预紧压力,从而提高表层危岩体的稳定性,并在钢绳网下铺设小网孔的S0/2.2/50型格栅网,阻止小尺寸岩块的塌落。
一、交底目的为确保施工现场安全,防止高处坠落、物体打击等事故发生,提高施工人员的安全意识和操作技能,特制定本技术交底。
二、适用范围本技术交底适用于施工现场各类安全防护网的搭设、拆除、维护及使用。
三、交底内容1. 安全防护网的基本要求(1)安全防护网应选用符合国家标准、具有足够强度和耐久性的材料制作。
(2)安全防护网应设置在施工现场的临边、洞口、孔洞等危险部位。
(3)安全防护网应安装牢固,不得松动、倾斜。
(4)安全防护网应定期检查、维护,确保其安全性能。
2. 安全防护网的搭设(1)搭设前,应了解施工现场的实际情况,确定安全防护网的位置、高度和范围。
(2)搭设人员应穿戴好个人防护用品,如安全帽、安全带等。
(3)搭设时应严格按照操作规程进行,确保安全防护网的安装牢固、平整。
(4)搭设过程中,应随时检查安全防护网的连接部位,发现问题及时处理。
3. 安全防护网的拆除(1)拆除前,应确认施工现场无人员作业,并通知相关人员。
(2)拆除时应由专业人员操作,严禁无关人员参与。
(3)拆除时应按照从上到下的顺序进行,确保安全防护网的拆除过程安全有序。
(4)拆除后的材料应妥善存放,不得乱堆乱放。
4. 安全防护网的维护(1)定期检查安全防护网的完好情况,发现问题及时修复或更换。
(2)检查安全防护网的连接部位,确保连接牢固。
(3)检查安全防护网的网面,如有破损应及时修补或更换。
(4)保持安全防护网的清洁,避免影响其使用效果。
5. 安全注意事项(1)搭设、拆除安全防护网时,必须严格遵守操作规程,确保安全。
(2)严禁酒后操作,确保操作人员精神状态良好。
(3)施工现场应设置警示标志,提醒人员注意安全。
(4)施工过程中,应随时关注安全防护网的使用情况,发现问题及时处理。
四、交底责任(1)施工项目负责人负责组织本项目的安全防护网技术交底。
(2)施工技术负责人负责对施工人员进行安全防护网操作技能培训。
(3)施工现场管理人员负责监督安全防护网的搭设、拆除和维护工作。
技术交底书
主动防护网施工技术交底编号
项目名称蒙华铁路煤运通道工程MHTJ-9标段MHTJ-9-5-SD-WS-20
1909-20 工程名称隧道工程
设计文件图号蒙华浩三段施隧52变-17~24
施工部位高家山隧道出口洞门上方危石
交底日期 2019年9月20日
一、交底范围
交底内容:高家山隧道出口洞门上方危石主动防护网施工。
二、设计要求
(1)钢丝绳网、支撑绳及钢丝绳锚杆所用钢丝绳应符合GB/T 8918-1996的规定,其钢
丝强度不应低于1770MPa,热镀锌等级不低于AB级。
(2)钢丝格栅编织用钢丝应符合GB/T 343-1994的规定,其热镀锌等级不低于AB级。
(3)钢丝绳网:应采用抗错动抗脱落十字卡扣编织而成的菱形网,十字卡扣抗错动拉力
不应小于5kN ,十字卡扣抗脱落拉力不小于10kN ,编制成网的钢丝绳不应有断丝、脱
丝现象,网的形状平整,网绳无打结和明显扭曲现象。
(4)钢丝格栅:钢丝不应有明显机械损伤和锈蚀现象。
三、施工工艺
1、机械配置
表1-1 机械配置表
机械名称规格型号数量单位备注
空压机 4.5m³ 2 台钻孔用
风镐YO-18型 3 台
安装支撑绳及缝紧线器BQ20B 4 把
合器
切割机J3GB-400 1 台切割材料
电钻DZ-25A 4 把。
XXXXXXXXXXXXXXXXXXXXXXXX项目A14-1安全技术交底记录表孔内应确保浆液饱满,在进行下一道工序前注浆体养护不少于三天。
6.撑绳安装安装纵横向支撑绳,张拉紧后两端各用2~4个(支撑绳长度小于15m时为2个,大于30m时为4个,其间为3个)绳卡与锚杆外露环套固定连接。
7.铺挂格栅网从上向下铺挂格栅网,格栅网间重叠宽度不小于5cm,两张格栅网间的缝合以及格栅网与支撑绳间用φ1.2铁丝按1m间距进行扎结(有条件时本工序可在前一工序前完成即将格栅网置于支撑绳之下)。
8.铺设钢绳网从上向下铺设钢绳网并缝合,缝合绳为φ8钢绳,每张钢绳网均用一根长约31m的缝合绳与四周支撑绳进行缝合并预张拉,缝合绳两端用两个绳卡与网绳进行固定联结。
9.施工技术要求及注意事项①施工过程中要求各道施工工序必须有详细记录。
②施工所用材料(防护网、水泥)必须有出厂证明和合格证,SNS主动防护网为GPS2型。
③钻机固定牢靠,在岩层钻进反推力作用下仍能保证钻机稳定。
④在钢绳网下铺设小网孔的SO/2.2/50型格栅网,以阻止小尺寸岩块的塌落。
⑤施工中如发现地质条件与设计有较大出入时,及时与设计人员联系。
主动柔性防护网施工流程图三、危险因素及预防措施主动防护网的施工因地形和地质水文条件的复杂,从业人员的素质较低,因此它是高风险和易发生安全事故的施工作业。
从人、机、料、法、环境六个因素综合分析,识别确认有5个可能造成人员伤害、财产损失的危险源为:机械伤害、坍塌和滑坡、触电伤害、高处坠落、物体打击。
1.综合预防、控制措施(1)对重大危险要采取“两个控制”,即前期控制,施工过程控制。
①前期控制:工程开工前在编制施工组织设计或专项方案时,针对工程的各种危险源,制定出防控措施。
②施工过程控制:在工程施工过程中,严格按照各项操作规程和专项安全施工方案施工和监督检查,认真落实整改。
(2)加强安全生产的综合管理。