S0521_下回转塔式起重机安装验收单(参考表)
- 格式:xls
- 大小:12.00 KB
- 文档页数:1
塔式起重机拆装统一检查验收表格
一、起重机基础安装
检查项目是否合格备注
基础平整度√
模板、鹅卵石或砖块等填料√
基础与土壤接触面积√
基础是否与其他结构物联接√
二、塔式起重机主要部件安装
检查项目是否合格备注上旋平台、臂架、基臂等部件是否牢固√
钢丝绳张力是否适宜√
吊钩的运行轨迹是否顺畅√
牵引绳、缆绳是否正确使用√
三、塔式起重机开机前检查
检查项目是否合格备注开关柜、操作室的电气安全是否符合标准√
操作手柄、踏板是否完好无损√
环境温度是否适宜√
润滑油是否足够√
四、塔式起重机使用中的检查
检查项目是否合格备注
起重机转动摆动是否平稳√
吊物时是否符合操作规程√
起重机与周围环境是否保持安全距离√
操作人员是否按照标准流程操作√
五、塔式起重机停机后检查
检查项目是否合格备注
停机前是否有指示灯或声音预警√
刮刀、膜片闸片等部件是否有损坏或缺失√
钢丝绳是否整齐,吊钩是否固定处于初始位置√
开关柜门是否关闭,停机灵敏度是否符合标准√
以上是塔式起重机拆装统一检查验收表格,使用该表格可以降低塔式起重机的安全风险。
每次使用前都请认真查看该表格中列出的检查项目,确保每个检查项目都符合标准。
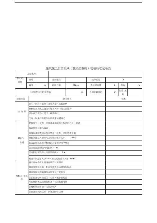
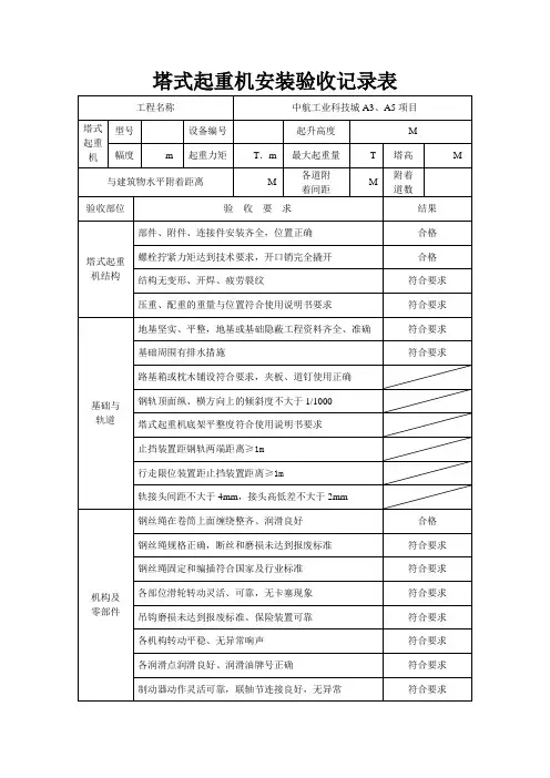
塔式起重机安装安全安全验收表塔吊型号:建筑高度:安装单位:生产厂家:最大提升高度:安装日期:出厂日期:最终附着数量:使用日期:出厂编号:最大起重力矩:统一编号:起重臂长度:验收项目序号验收内容验收结果自验项目部验公司验塔吊基础(轨道路基)1 地基允许承载能力值(N/㎡)2 塔吊基础和周围基坑之间距离(m)3 基础下方有无暗沟,防空洞4 附近有无高压电线,距离为多少米。
5 地基有无排水沟;6 基础混凝土强度等级不低于C357 基础表面平整度偏差是否≤1‰;轨道铺设8 道渣石子厚度>25㎝,石子粒径4-6㎝9轨道枕木不得断裂和腐朽,枕木间距≤60㎝;每隔6m之间是否设一道拉杆1钢轨顶面纵横方向倾斜度不大于1‰11止档装置距离距钢轨两端距离是否大于等于1m;行走限位是否距止档装置距离≥1.5m12钢轨接头间距≯4㎜;接头高度差≤2㎜;轨距误差≤0.001,两条钢轨接头错开距≥1.5m13接地装置组数(每隔20m设1组)接地电阻≤4Ω14地脚螺栓是否按本机要求预埋锚固,螺栓尺寸是否正确;15塔吊砼基础承压值;砼基础的水平误差是否≤1‰塔吊结构部件、附件、联结件安装是否齐全,位置是否正确螺栓拧紧力距是否达到技术要求,开口销是否安全撬开结构是否变形、开焊、疲劳裂纹压重、配重重量、位置是否达到说明书要求强轮吊钩系统钢丝绳在卷筒上面缠绕是否整齐,润滑是否良好钢丝绳规模是否正确,断丝和磨损是否达到报废标准钢丝绳固定是否符合国标各部位滑轮转动是否灵活可靠;有无卡塞现象员钩磨损是否达到报废标准,吊索钢丝是否达到报废传动系统各机构运转是否平稳,有无异常响声各润滑点是否润滑良好,润滑油牌号是否正确。
制动器、离合器动作是否灵活可靠电气系统是否单独供电,电压是否正常380±5%控制、操作装置动作是否灵活可靠;仪表、照明报警系统是否完好可靠电气各种安全保护装置是否齐全、可靠。
电报系统对塔吊的绝缘电阻不小于0.5兆欧安全装置力距限制器是否灵敏可靠,其误差不大于额定值的5%重量限制器是否灵敏可靠,其误差不大于额定值的5%回转限位器是否灵敏可靠行走限位器是否灵敏可靠变幅限位器是否灵敏可靠超高限位器是否灵敏可靠吊钩保险是否灵敏可靠卷筒保险是否灵敏可靠附着框架附着道数、各附着之间距离和塔机的自由高度是否符合说明书上的规定。
塔式起重机安装验收表1. 安装单位基本信息•名称:_______________________•地址:_______________________•联系人:_______________________•联系电话:_______________________2. 安装标准及要求•安装符合国家及地方有关部门颁布的法律法规、规范和标准要求;•安装符合制造厂家提供的技术标准、技术规格及其它有关文件的要求;•安装进行了必要的计算、对接、固定和调试,可以正常使用及可靠运行。
3. 安装验收内容3.1 安装设备基础•设备基础符合设计要求,基础开挖、回填和压实符合规范及施工图要求;•设备基础预埋件设置正确、设备基础水平度符合要求,无明显扭转或偏移。
3.2 安装主要构件3.2.1 塔身•塔身的制造、销售和安装符合有关标准的规定;•塔身组装连接牢固,线缆、钢丝绳及吊货绳索的连接牢固;•承载架全部安装完毕,承载架紧固件齐全、紧固扭矩符合要求。
3.2.2 起重机构•卷钢筒、制动器完好可靠;•传动、制动和安全保护装置完整、可靠;•钢丝绳无破损、扭曲和扭结,未接口处套管覆盖完好;•起重机构载荷高度限制、载荷限制器和限位器完好可靠。
3.2.3 固定和支撑系统•固定和支撑系统安装符合规范和制造厂家要求,无偏差和变形;•固定和支撑系统紧固件齐全、使用正常。
3.3 安装电气设备•全部电气设备符合规范和制造厂家要求;•操作盘、强迫运行按钮、过载保护器、接地或零线保护装置等全部装置完好,接线牢固可靠。
4. 安全注意事项1.在塔式起重机运行过程中,应严格遵守有关安全规定和制造厂家的操作和维护规程。
2.电气挂锁应随时锁好,有人操作时,锁孔不得敞开,挂锁应称重检验。
3.起重机钢丝绳的磨损量超过制造厂家规定量时,应及时更换。
4.严禁夜间使用,若需使用,应增加照明设备并在现场加强安全管理。
5. 签字确认安装单位领导:_______________________安装单位负责人:_______________________安装单位安全负责人:_______________________制造厂家代表:_______________________ 验收机构代表:_______________________。