涂膜防水层工程检验批质量验收记录—
- 格式:doc
- 大小:45.50 KB
- 文档页数:3
SGT120屋面卷材、涂膜防水层工程检验批质量验收记录一、工程概述本工程为SGT120屋面卷材、涂膜防水层工程,位于XXX市某建筑项目工地。
该工程包括屋面卷材贴铺、防水涂膜施工等流程。
工程总工期为XX天。
本次验收为第X批次验收。
二、检验批量本次验收共检验了XX批次,每批次材料规格齐全、数量合格。
三、材料质量检查1. SGT120屋面卷材材料名称生产厂家批号规格数量检验结果SGT120屋面卷材XXX公司20210101 2mm x 1m x 10m 10卷合格SGT120屋面卷材XXX公司20210120 2mm x 1m x 15m 10卷合格2. 涂膜防水层材料名称生产厂家批号规格数量检验结果涂膜防水层XXX公司20210110 2mm x 1m x 100m²5卷合格涂膜防水层XXX公司20210115 2mm x 1m x 90m²5卷合格四、构造检查1. SGT120屋面卷材SGT120屋面卷材铺设构造应符合以下要求:1.铺设前应将基层表面进行清洁、处理后,铺设SBS自粘卷材。
2.SGT120屋面卷材应按顺序正确铺设并与相邻卷材留出不小于10cm重叠,接缝处不得开裂、有泡、漏涂。
3.破损处应及时修补,并做好防水处理。
本次铺设验收结果表明,铺设合格率为100%,符合要求。
2. 涂膜防水层涂膜防水层应符合以下要求:1.应在SGT120屋面卷材铺设后进行防水涂膜施工。
2.涂膜应均匀涂布,厚薄一致,未出现气泡、流挂、流淌现象。
3.涂层应符合下垂要求及制定的配方。
4.破损处应及时修补,并做好防水处理。
本次涂膜施工验收结果表明,涂膜合格率为100%,符合要求。
五、验收结论根据上述检查结果,本次SGT120屋面卷材、涂膜防水层工程检验批质量验收合格,符合设计和规范要求,可以进行下一步施工工作。
六、批准人职位姓名工程负责人张三施工队长李四验收人王五。
涂膜防水层检验批质量验收记录一、项目概述二、质量验收标准1.涂膜防水层的厚度应符合设计要求,且平均厚度应在允许范围内波动。
2.涂膜防水层应均匀、平整,无明显的不平整、开裂、鼓泡等现象。
3.涂膜防水层应与基层牢固粘结,无空鼓、粉化、剥离等现象。
4.涂膜防水层应具备较好的耐乙烷和耐酸碱性能。
5.涂膜防水层应符合施工规范要求,无禁用物质。
三、质量验收过程1.预验收施工单位在施工完成后,应邀请监理工程师进行预验收。
验收内容包括涂膜防水层的厚度、平整度、粘结强度等方面。
2.取样检测从施工现场随机选取若干涂膜防水层样品,并送往第三方实验室进行检测。
检测项目包括涂膜厚度、粘结强度、耐乙烷性能等。
3.实地检查验收人员对涂膜防水层进行实地检查,观察有无鼓泡、裂缝、剥落等现象,并用特定工具轻敲涂膜表面,检查是否有空鼓声音。
记录涂膜防水层的质量验收结果,包括涂膜厚度、平整度、粘结强度、耐乙烷性能等方面,以及发现的问题和建议。
四、质量验收结果1. 涂膜厚度测试结果为平均厚度7mm,符合设计要求。
2.涂膜表面平整度良好,无开裂、鼓泡等现象。
3.涂膜与基层粘结牢固,无空鼓、粉化、剥离等现象。
4.实验室检测结果显示涂膜具备良好的耐乙烷和耐酸碱性能。
5.涂膜防水层符合施工规范要求,无禁用物质。
6.在实地检查中未发现明显质量问题。
五、问题和建议1.建议施工人员在施工时选用专用涂料刷具,以保证涂膜的均匀性。
2.建议增加涂膜厚度的监控措施,确保涂膜厚度的允许范围内波动。
3.建议施工单位加强施工人员的培训,提高涂膜防水层施工质量。
六、总结本次涂膜防水层的质量验收结果良好,符合设计要求和施工规范要求。
但在质量验收过程中也发现了一些问题,施工单位应针对问题进行改进和加强,以提高涂膜防水层的施工质量。
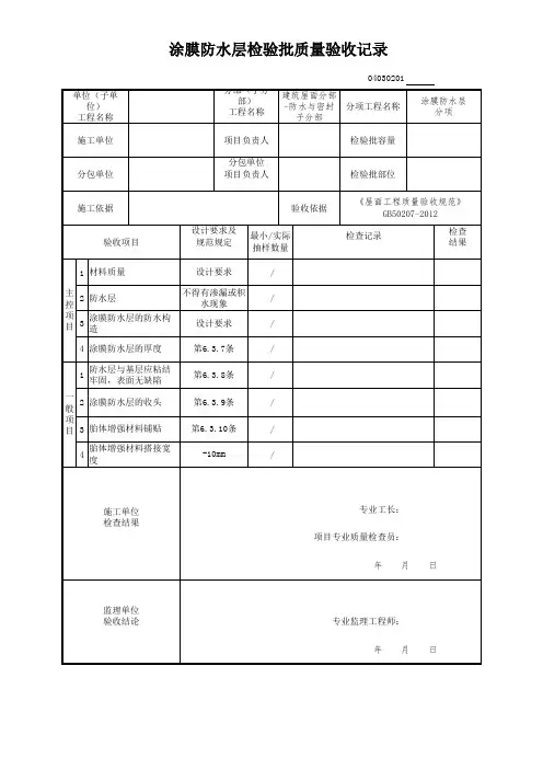
工程名称×××××分项工程名称××××验收部位××××施工单位×××××专业工长×××项目经理×××施工执行标准名称及编号×××××分包单位/分包项目经理/施工班组长×××主控项目质量验收规范的规定施工单位检查评定记录监理(建设)单位验收记录1防水涂料和胎体增强材料必须符合设计要求(第5.3.9条)复试编号×××符合要求2涂膜防水层不得有渗漏或积水现象(第5.3.10条)√符合要求3涂膜防水层在天沟、檐沟、檐口、水落口、泛水、变形缝和伸出屋面管道的防水构造、必须符合设计要求(第5.3.11条)√符合要求涂膜防水层的平均厚度应符合123涂膜防水层与基层应粘结牢固,表面平整,涂刷均匀,无流淌、皱折、鼓泡、露胎体和翘边等缺陷 (第5.3.13条)一般项目1设计要求,最小厚度不应小于设计厚度的80%(第5.3.12条)符合要求2√ 符合要求3涂膜防水层上的撒布材料或浅色涂料保护层应铺撒或涂刷均匀,粘结牢固;水泥砂浆、块材或细石混凝土保护层与涂膜防水层间应设置隔离层;刚性保护层的分格缝留置应符合设计要求 (第5.3.14条)√ 符合要求施工单位检查 评定结果合格,共测×点,合格×点,合格率×%项目专业质量检查员:××× ××××年×月×日监理(建设)单位 验收结论同 意 验 收监理工程师×××(建设单位项目专业技术负责人) ××××年×月×日表7.3.4 涂膜防水层检验批质量验收记录 GB50207-2002。
地下涂料防水层质量检验批质量验收记录一、项目基本信息:项目名称:地下涂料防水层施工项目地点:xxx地区验收日期:xxxx年xx月xx日验收单位:xxx公司二、验收前准备工作1.本次验收的地下涂料防水层包括防水材料、施工工艺及施工质量三个方面的验收。
2.验收前,施工方提供施工材料、施工方法、施工方案、验收标准等相关文件。
3.验收前,施工方提供施工记录和材料检测报告等相关资料。
三、防水材料验收1.材料种类:(列举所采用的地下涂料防水材料及材料规格)2.材料验收项目及合格标准:(根据相关标准列举验收项目及合格标准)3.验收结果:(根据材料抽样检测报告,列举每个材料的验收结果,如合格、不合格等)四、施工工艺验收1.施工工艺:(根据施工方提供的施工工艺进行验收)2.验收项目及合格标准:(根据相关标准列举验收项目及合格标准)3.验收结果:(根据施工记录,列举每个施工工艺的验收结果,如合格、不合格等)五、施工质量验收1.施工质量验收项目及合格标准:(根据相关标准列举验收项目及合格标准)2.验收结果:(根据施工记录,列举每个施工质量的验收结果,如合格、不合格等)六、验收结论1.经过对地下涂料防水层的材料、施工工艺和施工质量进行检验,结果如下:(列举每个方面的验收结果,如合格、不合格等)2.依据相关标准及验收结果,地下涂料防水层质量达到或超过了规定的验收标准。
七、存在的问题及处理意见1.根据验收情况,列举存在的问题及处理意见。
2.要求施工方进行整改,并对整改措施进行记录。
八、本次验收的监督人员签字监督人员姓名:(签字)监督人员职务:(签字)。
厨房卫生间涂膜防水层工程检验批质量验收记录一、项目背景建筑工程项目需要对厨房和卫生间进行涂膜防水层工程施工。
为了确保工程质量,进行了检验批质量验收。
二、检验批质量验收内容1.施工材料的验收2.防水层涂膜施工工艺的验收3.涂膜防水层工程的质量验收三、施工材料验收情况1.防水涂料:防水涂料的颜色、质地、包装等是否符合施工图要求。
2.配套材料:防水涂料使用的底漆、加固材料等是否符合规范要求。
四、防水层涂膜施工工艺验收情况1.施工前准备:工程施工前的准备工作是否合理,如清洁施工面、检修损坏部位等。
2.底漆施工:底漆施工是否均匀,涂覆层是否达到厚度要求。
3.加固层施工:加固层的施工是否扎实,质量是否符合要求。
4.防水涂料施工:防水涂料施工是否均匀、密实,厚度是否符合规范要求。
5.剪切部位施工:剪切部位的处理是否平整、无明显起泡、空鼓等缺陷。
五、涂膜防水层工程质量验收情况1.防水层的平整度:防水层表面是否平整,无起泡、空鼓、裂缝等缺陷。
2.防水层的附着力:防水层与基层的附着力是否牢固,无明显剥离现象。
3.防水层的密实性:防水层是否密实,无渗漏现象。
4.相关工程质量验收:如厨房、卫生间墙地砖贴贴面,通电、通水等验收工作。
六、检验批质量验收结果经检验批质量验收,涂膜防水层工程达到了规范要求和设计要求,通过验收。
七、存在的问题和整改措施在检验批质量验收过程中,发现以下问题:1.部分剪切部位存在起泡现象,需要将其剪开重新处理。
2.部分底漆施工不均匀,需要进行二次涂覆。
针对以上问题,制定了相应的整改措施:1.剪切部位起泡现象处理:剪开起泡部分,重新涂抹底漆和防水涂料,确保剪切部位涂层的平整度和附着力。
2.底漆施工不均匀处理:对涂覆不均匀的部分,进行二次涂覆,确保底漆的涂覆层厚度均匀。
八、工程质量验收结论经过整改,涂膜防水层工程达到了规范要求和设计要求,符合项目建设验收标准,可进行工程质量的最终验收。
以上是厨房、卫生间涂膜防水层工程检验批质量验收记录。
外墙涂膜防水检验批质量验收记录一、工程概况本次外墙涂膜防水工程是为了提高墙体防水性能、保护墙体结构,并增加墙体的美观程度。
涂膜防水层为聚合物涂料,双组份,厚度约为1-3mm。
本次验收共涉及XX平方米的工程面积,工程周期为XX天。
二、验收项目及要求1. 防水层厚度:防水层厚度应符合设计要求,要求在1-3mm之间。
2.防水层附着力:涂膜防水层应对墙体有较好的附着力,不得有剥离现象。
3.防水层施工质量:涂膜防水层表面应平整、无起泡、裂痕等缺陷。
4.防水层颜色:涂膜防水层颜色应与设计要求一致,色差不得超过2级。
三、验收方法1.防水层厚度测量:使用涂膜厚度计在不少于5个随机选取的位置测量涂膜防水层厚度,取平均值作为防水层厚度。
2. 防水层附着力测试:使用胶液剥离试验法进行测试,剥离的长度不得超过50mm。
3.防水层施工质量检查:用肉眼观察防水层表面是否平整,是否有起泡、裂痕等现象。
4.防水层颜色检查:使用色差仪对涂膜防水层的颜色进行检测比对。
四、验收结果1. 防水层厚度:经测量,防水层厚度为1.5mm,符合设计要求。
2. 防水层附着力:经剥离试验,剥离的长度为0mm,符合要求。
3.防水层施工质量:经检查,涂膜防水层表面平整、无起泡、裂痕等缺陷。
4.防水层颜色:经检测,涂膜防水层颜色与设计要求一致,色差不超过2级。
五、不合格处理及整改意见本次外墙涂膜防水工程验收结果均合格,未发现不合格项,无需进行不合格处理和整改。
六、验收结论本次外墙涂膜防水工程的质量验收合格,可以进行下一步施工工序。
七、备注1.本次验收记录仅针对涂膜防水工程,不包含其他外墙工程验收。
2.涂膜防水层的材料及施工人员应符合相关标准和规定。
涂膜防水层检检验批质量验收记录及检验规定和说明编号:单位工程名称分部工程分项工程名称验收部位施工总承包单位项目经理专业工长专业承包单位项目经理施工班长施工执行标准名称及编号施工质量验收规范的规定施工单位检查评定记录监理(建设)单位验收记录主控项目1所用材料及配比符合设计及规范要求2 细部做法符合设计要求一般项目1 基层、基面牢固,清洁、平整、圆顺2 防水层与基层粘结牢固,涂刷均匀、表面平整3 防水层厚度平均厚度符合设计要求,最小厚度不小于设计厚度的95%4 保护层与防水层粘结牢固、结合紧密、厚度均匀施工单位检查评定结果:质量检查员:年月日监理或建设单位验收结论:监理工程师或建设单位项目专业技负责人:年月日检验规定和说明适用范围:本表适用地下涂膜防水层土的质量验收。
检验批的划分:每施工段。
检查数量:按涂层面积每100m2抽查一处,每处10m2,且不得少于3处。
主控项目:1 涂膜防水层所用材料及配合比必须符合设计及规范要求。
检验数量:施工单位、监理单位全数检查。
检验方法:检查出厂合格证、质量检验报告、计量措施和现场抽样试验报告。
2 涂膜防水层及其转角处、变形缝、穿墙管道等细部做法均须符合设计要求。
检验数量:施工单位、监理单位全数检查。
检验方法:观察检查和检查隐蔽工程验收记录。
一般项目:1 涂膜防水层的基层应牢固,基面应洁净、平整,不得有空鼓、松动、起砂和脱皮现象;基层阴阳角处应做成圆弧形。
检验数量:施工单位全数检查,监理单位抽查10%。
检验方法:观察检查和检查隐蔽工程验收记录。
2 涂膜防水层应与基层粘结牢固,表面平整、涂刷均匀,不得有流淌、皱折、鼓泡、露胎体和翘边等缺陷。
检验数量:施工单位全数检查,监理单位抽查10%。
检验方法:观察检查。
3 涂膜防水层的平均厚度应符合设计要求,最小厚度不得小于设计厚度的95%。
检验数量:施工单位全数检查,监理单位抽查10%。
检验方法:针测法或割取20mm×20mm实样用卡尺测量。
涂膜防水层工程检验批质量验收记录一、工程基本情况:工程名称:涂膜防水层工程工程地点:xx市xx区xx路xx号施工单位:xx建筑有限公司监理单位:xx监理有限公司质检单位:xx检测有限公司二、质检人员及时间:质检人员:xxx质检时间:xxxx年xx月xx日三、施工情况:1.施工单位按照施工图纸和技术要求,进行了涂膜防水层工程施工。
2.施工过程中,按照国家相关规定和技术标准进行施工操作,并严格保护现场环境。
四、检验项目:根据涂膜防水层工程的施工要求和验收标准,确定了以下验收项目:1.涂膜防水层的厚度及均匀性2.涂膜防水层的粘结强度3.涂膜防水层的遮蔽性4.涂膜防水层的耐水性5.涂膜防水层的耐候性五、检验方法:1.厚度及均匀性测量:采用涂膜厚度仪进行测量,每个测试点进行三次测量并取平均值。
2. 粘结强度测试:采用拉伸试验机进行测试,测试样品长度为100mm,宽度为50mm,测试速度为10mm/min。
3.遮蔽性测试:采用针孔检查仪进行测试,在阳光直射下观察涂膜表面是否有明显缺陷。
4.耐水性测试:采用水冲洗法进行测试,每个测试区域用水冲洗10分钟,观察涂膜表面是否有起泡、剥落等现象。
5.耐候性测试:采用人工加速老化测试,将涂膜样品放置在恒温恒湿箱中,温度为60℃,湿度为70%。
检测涂膜表面是否出现剥落、气泡等现象。
六、检验结果:经过以上检验方法的检测,得到以下结果:1.涂膜防水层的厚度及均匀性符合施工要求,厚度在规定范围内且均匀。
2.涂膜防水层的粘结强度符合施工要求,达到了设计要求。
3.涂膜防水层的遮蔽性良好,无明显缺陷。
4.涂膜防水层的耐水性良好,经过冲洗测试后无起泡、剥落现象。
5.涂膜防水层的耐候性良好,经过加速老化测试后无剥落、气泡等现象。
七、质检结论:根据以上检验结果,涂膜防水层工程达到了设计要求和验收标准,质量合格。
八、质检意见:在质检过程中发现施工单位在施工过程中存在一些小问题,如施工现场的清洁程度有待加强,施工人员的技术操作有待改进等。
屋面涂膜防水层检验批质量验收记录验收日期:XXXX年XX月XX日工程名称:XXX项目工程地点:XXX位置一、验收目的为了确保屋面涂膜防水层的质量,按照相关规范和要求进行验收,以确保工程质量符合设计要求,达到防水效果和使用寿命的要求。
二、验收依据1.《屋面涂膜防水层工程验收规范》2.设计图纸和技术文件3.供货合同和技术规范4.施工合同和技术规范三、验收人员1.业主代表:XXX2.监理工程师:XXX4.相关技术人员四、检查内容本次验收主要检查以下内容:1.涂膜层的厚度和均匀性2.涂膜层的附着力3.涂膜层中的气泡、缺陷和裂纹4.涂膜层的白度、颜色和光泽度5.系统各组成部分的连接和封边6.排水系统的正常工作和排水能力五、验收结果根据现场检查和测试结果,现将验收结果分述如下:1.涂膜层厚度和均匀性:经测量,涂膜层平均厚度符合设计要求,无异常现象。
2.涂膜层附着力:进行剥离试验,试样全部达到设计要求,符合相关规范。
3.涂膜层缺陷和裂纹:经过仔细检查,未发现明显的气泡、缺陷和裂纹。
4.涂膜层白度、颜色和光泽度:与供货合同要求的颜色和光泽度一致,符合设计要求。
5.系统各组成部分连接和封边:连接部位和封边工艺均符合设计要求,无渗水现象。
6.排水系统工作和排水能力:进行水压试验,排水系统正常工作,排水能力满足设计要求。
六、验收结论根据上述检查结果,经与业主代表协商一致,认为本次屋面涂膜防水层的质量验收合格。
本次验收过程中,施工单位积极配合,工程质量较好,不存在质量问题。
屋面涂膜防水层达到设计要求,可正式投入使用。
七、验收意见和建议根据现场验收情况和施工经验,对屋面涂膜防水层施工进行以下建议:1.对涂膜层的后续维护提出具体措施和要求,以延长屋面涂膜防水层的使用寿命。
2.加强施工过程的质量控制,特别是涂膜层厚度和均匀性的控制,以确保涂膜层质量的稳定性。
3.对涂膜层的检测和验收方法进行总结和总结经验,提高屋面涂膜防水层的质量验收效率。
涂膜防水工程检验批质量验收记录序号:项目名称:涂膜防水工程项目地点:施工单位:监理单位:检验单位:检验时间:一、项目概况二、施工情况1.施工方案:根据设计方案和施工要求制定的涂膜防水工程施工方案。
2.材料准备:涂膜防水工程所使用的涂膜材料符合国家标准并经过了合格验收。
3.施工过程:施工单位在合理的时间内按照施工方案进行了施工工作。
4.施工质量:对施工过程进行了检查,无明显的施工缺陷和质量问题。
三、检验情况在施工结束后,我们进行了涂膜防水工程的质量验收工作,主要包括以下内容:1.浸水检验:将涂膜防水层浸泡在水中,观察一定时间后是否发生渗漏现象。
经过浸水检验,涂膜防水层无渗漏现象。
2.压力测试:在涂膜防水层上施加一定的压力,观察一定时间后是否发生渗漏现象。
经过压力测试,涂膜防水层无渗漏现象。
3.弯曲性能测试:对涂膜防水层进行弯曲处理,观察是否产生开裂和脱落现象。
经过弯曲性能测试,涂膜防水层表现良好,无开裂和脱落现象。
4.施工规范性检查:检查施工单位是否按照施工方案进行施工,是否存在施工缺陷和质量问题。
经过检查,施工单位按照施工方案进行施工,没有发现明显的施工缺陷和质量问题。
四、质量验收结论根据对涂膜防水工程的检验工作,结合施工情况和质量要求,判断涂膜防水工程的质量符合要求,达到验收标准。
五、质量整改意见和要求在涂膜防水工程的施工过程中,虽然没有发现明显的质量问题,但仍然需要施工单位进行巡检和维护保养,确保涂膜防水层的长期稳定性和防水效果。
六、项目签字施工单位:监理单位:检验单位:项目责任人:。
涂膜防水层分项工程检验批质量验收记录工程名称:涂膜防水层分项工程工程地点:XX市XX区XX路XX号工程验收日期:XXXX年XX月XX日一、工程概况:二、验收要求:1、检验批合格率要求:每个检验批的合格率不得低于95%;2、涂膜防水层厚度要符合设计要求,不得有疏漏、起泡、抹灰等缺陷;3、施工工艺应符合国家规范和设计要求;4、材料要合格,并符合国家标准;5、施工规范要合理、完整,无重大瑕疵。
三、验收程序和内容:1、验收程序:(1)施工单位对已完成的涂膜防水层分项工程进行自检;(2)施工单位通知监理单位进行初验;(3)监理单位组织工程质量监督员进行初验;(4)初验合格后,通知建设单位进行验收;(5)建设单位组织有关人员进行验收。
2、验收内容:(1)施工单位提供的资料、材料齐全、合格;(2)施工单位按照设计要求进行施工;(3)涂膜防水层厚度符合要求,无明显的起泡和抹灰等缺陷;(4)施工单位所做的标志、标牌、警示线等设置合理;(5)工程施工记录和质量检测报告齐全。
四、验收结果:1、工程质量验收合格。
2、问题及处理情况:(1)在初验时发现涂膜防水层厚度有一处不符合设计要求,施工单位立即进行整改,重新测量后合格;(2)涂膜防水层施工过程中出现了轻微的起泡,经过施工人员处理后起泡消除;(3)施工单位提供的工程施工记录不全,要求提交完整的记录。
五、责任追究:1、对施工单位:(1)对涂膜防水层厚度不符合设计要求的问题,责令施工单位进行整改,并在规定时间内重新测量;(2)对涂膜防水层施工中出现的起泡问题,施工单位应进行整改,并设置严格的施工质量控制措施,确保不再出现同类问题;(3)对施工单位提供的不完整的工程施工记录,责令其重新整理并补齐。
2、对监理单位:监理单位应加强对施工单位的监督,对施工单位提交的资料和材料进行审核,确保施工质量符合设计要求。
六、验收意见:经过对涂膜防水层分项工程的质量验收,发现工程质量合格,能够达到设计要求和国家标准。
涂膜防水层工程检验批质量验收记录表
GB50207—2002
说明
040203
主控项目:
1、防水涂料和胎体增强材料必须符合设计要求,同时应符合第5.3.2条、第5.3.6条、第
5.3.7条规定。
检查出厂合格证、质量检验报告和现场抽样复验报告。
2、涂膜防水层不得有渗漏或积水现象。
雨后或淋水、蓄水检验。
3、涂膜防水层在天沟、檐沟、檐口、水落口、泛水、变形缝和伸出屋面管道的防水构造,
必须符合设计要求。
同时应配合第9章细部构造的有关规定。
观察检查和检查隐蔽工程验收记录。
一般项目:
1、涂膜防水层施工应符合第5.3.3条规定。
与基层应粘结牢固,表面平整,涂刷均匀,无
流淌、皱折、鼓泡、露胎体和翘边等缺陷。
观察检查。
2、涂膜防水层上的撒布材料或浅色涂料保护层应铺撒或涂刷均匀,粘结牢固;水泥砂浆、
块材或细石混凝土保护层与涂膜防水层间应设置隔离层;刚性保护层的分格缝留置应符合设计要求。
成品保护应符合第4.3.14条规定。
观察检查。
3、涂膜防水层的平均厚度应符合设计要求,尚应符合第5.3.4条规定,最小厚度不应小于
设计厚度的80%。
针测法或取样量测。