样品登记表格
- 格式:xls
- 大小:16.00 KB
- 文档页数:1
样品管理规范(ISO9001-2015)1.0目的对样品的接收、流转、贮存、处置以及样品的识别等各个环节实施有效的质量控制,以确保检测样品的有效性和完整性,从而保证检测结果的准确性。
2.0使用范围适用于实验室样品的接收、流转、贮存、处置、识别等管理。
3.0职责样品管理员应按照作业指导书对样品实行流转。
4.0工作程序4.1 样品来源4.1.1由客户方或业务部提供的样品。
4.1.2由现场测试人员提供的样品。
4.2 样品的流转4.2.1样品的接收4.2.1.1 对于“4.1.1”类样品由客户方或业务部交接到样品管理员手中,样品管理员核对样品信息(外观、数量、规格、资料的完整性等),参照《样品采集和保存作业指导书》检查采用的包装或容器是否符合要求,并按照《实验室内部编号规则》进行统一编号并贴上《样品标签》(用“待检”“未检”“检毕”加以标识),无误后将样品信息登记到《样品流转记录表》并在接样人一栏签字确认。
4.2.1.2 对于“4.1.2”类样品由现场测试人员交接到样品管理员处,样品编号由现场采样人员按照《实验室内部编号规则》进行编号,样品管理员接到样品后进行核查,核对样品信息(样品性状、数量、规格、唯一性标识等),无误后将样品信息登记到《样品流转记录表》并在接样人一栏签字确认,并在《土壤采样和交接记录》或《底质(底泥、沉积物)采样和交接记录》或《大气环境采样和交接记录表》或《地表水采样和交接记录》记录表中接样人处签字。
4.2.2样品分发4.2.2.1样品管理员填写《检测任务单》,主要对样品分发的样品数量,检测方法,状态及实验完成时间等信息进行填写,填写完后样品分发到各岗位,并要求收样人员在《检测任务单》上签字确认已收到所需样品数量及检测方法,样品状态,实验完成时间等信息。
4.2.2.2 各岗位收样员在收到样品时,应检查样品名称、规格数量等信息,确认无误后在《检测任务单》签字。
4.3 样品的贮存4.3.1检测人员在样品试验完毕后,应在试验完毕样品上标明“检毕”状态,以示完成。
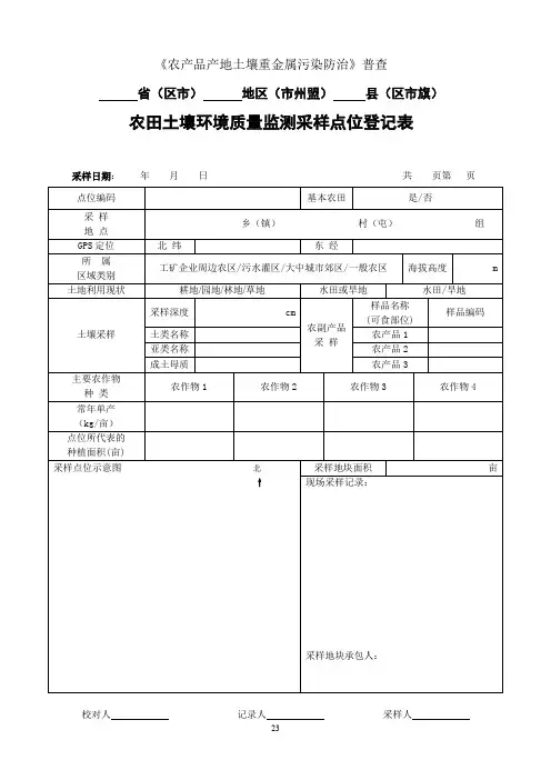
《农产品产地土壤重金属污染防治》普查省(区市)地区(市州盟)县(区市旗)农田土壤环境质量监测采样点位登记表采样日期:年月日共页第页校对人记录人采样人农田土壤环境质量监测采样点位登记表指标解释与填表说明一、总体要求1.本表为农田土壤环境质量监测点位登记表,每个监测点位填写一张。
各省分配多少个监测点位,就必须填写多少张。
2.本表由采样人在田间采样时实际填写,填写后将原表交与省级环保站汇总,不得采样后将誊写表汇交省级环保站。
3.若本表中填写错误需要更改,在表项中用单实线条划掉,在旁边重新填写,不得利用涂改液、摸涂等方式进行修改。
4.省级农业环保站将本表汇总后,装订成册,作为原始档案留存,不得随意丢弃;5.本表需复制一份提交项目执行组备份。
二、指标解释与填表说明【表头】填写采样点所在省(自治区、直辖市)、地区(市、州、盟)和县(区、市、旗)名称。
【采样日期】按年月日进行填写,如2012年05月03日。
【点位编码】根据本次工作的样品编码规则,采样点位编码按县域单元进行编码,每个采样点位赋予唯一流水号,采样点位编码不得重复。
【基本农田】按照《基本农田保护条例》,基本农田是指按照一定时期人口和社会经济发展对农产品的需求,依据土地利用总体规划确定的不得占用的耕地。
可从地方国土资源部门确认所调查耕地是否为基本农田。
【采样地点】准确填写该采样点位所属的乡(镇)、村(屯)、组,有明确到组的填写到村组,没有明确村组的,填写到村。
【GPS定位】要求对每个采样点位进行GPS定位,选择WGS 84坐标系,填写经、纬度坐标。
经度、纬度填写时要用十进制格式填写,小数点后保留4位。
如果GPS上是以度、分、秒或者度、分等各式显示的,要将GPS中的显示格式进行转换,以度的十进制格式显示,并将GPS上的定位结果抄录到本表格项中。
填写格式如:北纬:30.2422、东经:114.3345。
【所属区域类别】本表项要求填写该采样点位所属的区域类别,要求在工矿企业周边农区/污水灌区/大中城市郊区/一般农区四个选项中钩选1项,只能选择1项,不能多选。
检测任务通知单编号样品名称检验性质要求完成时间月日组成执行标准样品室负责人项目分析方法养分含量%承检者任务完成时间承检者签字品制备要求备注经办人:任务通知日期:年月日仅供个人学习参考样品领取、返还登记表表07编号样品名称领样人领用日期样品用量返还人返还时间样品保管人备注仅供个人学习参考注:一律用签字笔或钢笔黑体字填写。
仅供个人学习参考试剂使用台帐表08试剂名称(纯度)试剂用途领用人时间保管人备注领用量返还量说明:一律用签字笔或钢笔黑体字填写。
仅供个人学习参考称量瓶.坩埚恒重原始记录表10恒重日期天平编号干燥时间烘干温度℃容器编号测定次数12345仅供个人学习参考表11被标定溶液名称及配制浓度基准物(液)名称及浓度标定方法依据计算公式标定日期年月日温度℃湿度%天平(基准液滴定管)编号被标定溶液滴定管编号简要标定操作过程重复测定次数基准物质量m(g)或基准液体积ml起始读数ml最后读数ml滴定管补正ml空白补正ml温度补正ml真实体积Vml被标液浓度mol/L平均值mol/L最后定值mol/L标定1 2 3 4复标1 2 3 4标定质量控制方法允差实标误差结论备注标定人:复标人:审核人:仅供个人学习参考(烘箱法)表14样品名称样品编号检验性质检验依据检验日期年月日天平编号烘箱编号室内温度℃,湿度%真空度MPa烘箱温度干燥时间分测定次数项目1234干燥前称量瓶+试样m2g干燥前称量瓶m3g干燥前试样质量m=m2-m3g干燥后称量瓶+试样m4g干燥后试样的质量m1=m4-mg计算结果H2O%平均值H2O%计算公式:H2O%=m-m1×100 m空称量瓶恒重记录1234平均重m检验人:复合人:日期:日期:仅供个人学习参考滴定法测定原始记录表21样品名称样品编号检验项目引用标准:检验日期年月日室内温度℃,湿度%样品质量12空白(g)定容体积(ml)吸取体积(ml)标准溶液浓度(mol/L)标准溶液体积(ml)被测溶液浓度(%)平均值(%)前处理及分取过:程简述::计算公式天平编号:滴定管编号:允许误差检验人:复核人:日期:日期:比色法测定原始记录仅供个人学习参考表22样品名称样品编号检测项目室内温度℃,湿度%检验日期年月日12空白样品质量(g)水浸体积(ml)定容体积(ml)分取体积(ml)稀释倍数显色体积(ml)吸光度查曲线浓度样品含量(%)平均值(%)标准曲线浓度mg/L r=A=B=吸光度E值前处理及分取简要过程:引用标准:分光光度计编号:规定允差:天平编号:滴定管编号:实测误差:检验人:复核人:日期:日期:甲亚胺—H酸分光光度法表23仅供个人学习参考样品名称样品编号检测项目室内温度℃、湿度%检验日期年月日12空白称样质量(g)溶解定容体积(ml)吸取体职(ml)定容体积(ml)吸光度查工作曲线得硼的质量(ug)硼的含量(%)平均值(%)工作曲线硼标准溶液体积ml相应硼含量ug吸光度前处理及定容分取简要过程001.0202.0404.0806.01208.016010.0200引用标准:天平编号:分光光度计编号:标准溶液编号:规定允差:实测误差:检验人:复验人:仅供个人学习参考检验报告检验单号:TXZY/JB-31-**-***检验序号:QC/JB-0001品名检验日期批号报告日期规格请验部门数量检验项目全检检验依据《中国药典》2015年版一部检验项目标准规定检验数据检验结果【性状】应具铁皮石斛的性状特征具有铁皮石斛的性状特征符合规定【鉴定】符合规定显微镜符合规定薄层色谱符合规定【杂质】不得过3.0% 符合规定【检查】水分不得过12.0% 符合规定总灰分不得过6.0% 符合规定多糖不得少于25.0% 符合规定甘露糖应为13.0%~38.0% 符合规定二氧化硫不得过150mg/kg 未检出未检出【浸出物】不得少于6.50% 符合规定结论:本品按《中国药典》2015年版一部检验上述项目,结果符合规定。
实验室样品存贮条件记录表在科研实验中,样品是非常重要的一个环节。
要保证实验结果准确可靠,首先要确保实验所使用的样品质量和保存状态良好,即样品不能发生质量变化和损失。
实验室的样品存储条件对样品的保存至关重要,因此实验室样品存储条件记录表就成为了实验室保障样品质量的重要工具。
记录表包括哪些信息?实验室样品存储条件记录表是一个详细的记录表格,主要记录样品的名称、数量、储存位置、进库时间、储存温度、湿度和有效期等信息,以及检测人和负责人的签字、日期等。
表格的设计为了使样品存储条件记录表更为直观和易于操作,表格需要设计合理。
在表格布局上,应将重要信息放在突出位置,使操作者一目了然。
表格的填写要有一定的规范性和标准化,如填写单位、日期等需要注明具体标准单位和时间格式。
记录表的应用实验室样品存储条件记录表是实验室管理中的一项重要工作。
通过记录表,实验室管理者可以清晰地掌握实验室各类样品库存状态,及时发现和解决储存问题。
对于实验人员来说,还可以看到实验所需样品的详细信息,比如储存温度和湿度,便于实验设计和实验结果的准确性。
记录表的重要性实验室样品存储条件记录表的重要性不仅在于样品储存状态的管理,更在于其对实验室管理工作的规范化和标准化作用。
记录表的使用可以强化实验室工作的流程化和标准化,规范员工的行为,提高实验室管理的效率和合理性,并且有效减少样品浪费和损失。
总之, 实验室样品存贮条件记录表是一项行之有效的管理工具,可以确保实验所使用的样品质量稳定、准确。
它将实验人员和管理人员联系在一起,通过记录信息使管理和操作更加标准和流程化,建立起高效的实验室管理和质量保证体系,为实验研究的成功提供了有力的保障。
样品记录流程1. 引言本文档旨在介绍样品记录的流程,以确保样品的准确记录和保存。
2. 样品登记2.1 登记表格样品登记表格是记录样品信息的基本工具。
每个样品都应有一个唯一的样品编号,并在登记表格中填写样品名称、来源、数量和其他相关信息。
2.2 填写样品登记表格填写样品登记表格时,请确保准确记录各项信息。
包括样品名称、来源(如供应商或实验室内部制备)、数量、规格、存储条件等。
填写过程中应注意书写清晰,不得使用涂改液。
2.3 样品验证在填写样品登记表格后,对样品进行验证。
验证过程包括确认样品名称与实际样品一致,以及验证样品数量与登记数量相符。
如有差异,应及时纠正并记录在备注栏。
3. 样品存储3.1 存储条件根据样品的特性,确定适当的存储条件,包括温度、湿度、光照等。
在样品存储区域,应明确标识各类样品的存放位置,并确保符合相应的存储条件。
3.2 样品存储盒每个样品应保存在专用的样品存储盒中。
样品存储盒应具备足够的密封性和耐候性,以防止样品受到外界环境的影响。
3.3 样品标识在样品存储盒上标识样品编号、名称和存储日期,以便于样品的查找和识别。
3.4 样品存储记录建立样品存储记录,包括样品编号、名称、存储位置和存储日期等信息。
记录应及时更新,以确保样品的准确记录和追踪。
4. 样品取用4.1 样品领取申请当需要使用某个样品时,填写样品领取申请表。
申请表应包含样品编号、名称、领取日期、领取人等信息。
4.2 样品领取审核样品领取申请应由上级审核,确保领取申请的合理性和准确性。
审核通过后方可领取样品。
4.3 样品领取记录在样品领取记录中,记录领取样品的相关信息,包括样品编号、名称、领取日期、领取人和归还日期等。
记录应及时更新,以便追踪样品的使用情况。
5. 样品归还5.1 样品归还申请当使用完某个样品后,填写样品归还申请表。
申请表应包含样品编号、名称、归还日期、归还人等信息。
5.2 样品归还确认样品归还申请应由上级进行确认,确保归还申请的准确性。
样品出货管理程序(ISO9001-2015)1.目的:规范公司样品制作、检验、签样、登记及出货管理,使样品出货流程予以规范化、标准化。
2.范围:公司样品制作申请、评估、制作、检测及送样等过程。
3.职责3.1业务部:打样申请、客户签样跟进.3.2研发部:样品制作、登记管理。
3.3品保部:样品可靠性测试与保存管理。
4.定义4.1普通样品:本公司已在生产的产品,此类产品送样为“普通样品”,因普通样品为在制产品,无需另出BOM等技术资料。
4.2特殊样品:需对本公司现有产品进行修改的产品或公司自主开发设计的产品,此类产品送样为“特殊样品”,需另行出BOM等技术资料。
5.程序5.1样品制作申请当有样品制作需求时,由业务部作成“样品申请单”,经总经理批准后,移交研发部制作。
5.2样品种类及制作责任单位样品由研发部统一安排制作与自检,品保部安排样品验证性检验。
若是从现有产品修改制作,则由研发按要求进行样品制作并送检;若需立项进行新产品开发,则由研发部按《设计开发管理程序》进行新品开发。
5.3样品检验样品制作好后,研发部需进行样机测试。
检测需作成“样品检测记录”上,并将结果及检验人员详细记录在申请单上。
5.4可靠性实验研发测试通过后,需进行可靠性实验,同时品保部也需进行可靠性实验验证,并留下记录。
5.5当所有验证通过后,由研发制作《样品承认书》交业务给客户送样。
5.6业务部将样品及《样品承认书》送给客户,并跟进客户回签样品,回签之样品由品保部保存。
5.7样品管理:样品由研发部按仓库物料管理方法管理,建立帐卡。
业务部以“样品申请单”为样品领用依据,研发部需确保帐物卡一致。
5.8打样留样打样人员需多打一个样,以避免客户未回签样品需导致我司无样品情况发生。
5.9样品编号登记样品打样好后,对样品进行编号,编号格式为:S1*******-0001(150428为日期;01为第1款样品;0001样品总流水号)。
样品做好后,打样人员对样品编号,编号后登录到“样品登记表”上,以便跟进签样。