简支T型梁桥课程设计
- 格式:docx
- 大小:226.77 KB
- 文档页数:11
装配式钢筋混凝土简支T梁桥计算一 .基本设计资料(一).跨度及桥面宽度二级公路装配式简支梁桥,双车道,计算跨径为13m,桥面宽度为净 7.0+2×2+2×0.5=12m,主梁为钢筋混凝土简支T 梁,桥面由7片T梁组成,主梁之间的桥面板为铰接,沿梁长设置3道横隔梁。
(二).技术标准设计荷载:公路—Ⅱ级,人群荷载3.0KN/m2。
汽车荷载提高系数1.3(三).主要材料钢筋:主筋用HRB335级钢筋,其他用R235级钢筋。
混凝土:C50,容重26kN/m3;桥面铺装采用沥青混凝土;容重23kN/m3;(四).设计依据⑴《公路桥涵设计通用规范》(JTJ D60—2004)⑵《公路钢筋混凝土及预应力混凝土桥涵设计规范》(JTJ D62—2004);(五).参考资料⑴结构设计原理:叶见曙,人民交通出版社;⑵桥梁工程:姚玲森,人民交通出版社;⑶混凝土公路桥设计:⑷桥梁计算示例丛书《混凝土简支梁(板)桥》(第三版) 易建国主编.人民交通出版社(5)《钢筋混凝土及预应力混凝土简支梁桥结构设计》闫志刚主编.机械工业出版社(六).构造形式及截面尺寸1. 主梁截面尺寸:根据《公路桥涵设计通用规范》(JTGD60-2004),梁的高跨比的经济范围在1/11到1/16之间,此设计中计算跨径为13m,拟定采用的梁高为1.0m,翼板宽2.0m。
腹板宽0.18m 。
2. 主梁间距和主梁片数:桥面净宽:7.0+2×2+2×0.5=12m ,采用7片T 型主梁标准设计,主梁间距为2.0m 。
全断面7片主梁,设3道横隔梁,横隔板厚0.15m,高度取主梁高的3/4,即0.75m 。
路拱横坡为双向2%,由C50沥青混凝土垫层控制,断面构造形式及截面尺寸如图所示。
二 .主梁的计算(一).主梁的荷载横向分布系数计算1.跨中荷载弯矩横向分布系数(按G —M 法)(1)主梁的抗弯及抗扭惯矩x I 和Tx I 求主梁界面的的重心位置x a (图2): 平均板厚:()11913112h cm =+= 主梁截面的重心位置:cma x 568.261810011)18200(50181005.511)18200(=⨯+⨯-⨯⨯+⨯⨯-=主梁抗弯惯矩:)(10487.3)(229.3486992)568.262100(1001810018121)211568.26(11200112001214242323m cm I x -⨯==-⨯⨯+⨯⨯+-⨯⨯+⨯⨯=主梁抗扭惯矩: 31ii mi i T t b c I ∑==对于翼板:1.0055.02001111≤==b t 查表得 1/3c =对于肋板:18.01001822==b t 由线性内插 295.0=c)(10608.2)(3.26077718100295.0112003143433m cm I T -⨯==⨯⨯+⨯⨯=单位宽度抗弯及抗扭惯矩:)(10304.120010608.2)(10744.120010487.3453442cm m b I J cm m b I J Tx Tx xx ----⨯=⨯==⨯=⨯== (2)横梁的抗弯及抗扭惯矩 翼板有效宽度λ的计算,计算图3所示横梁长度取两边主梁的轴线间距,即:cmb cm h cmc cmb l 15753052)15625(8004='='=-===381.0800305==l c 查表得当 381.0=l c 时 531.0=cλ 则 cm 162531.0305=⨯=λ横隔梁界面重心位置ya : cm a y 178.1315751116222751575211111622=⨯+⨯⨯⨯⨯+⨯⨯⨯=横隔梁抗弯惯矩:)(10007.8)178.13275(75157515121)5.5178.13()111622(11)1262(12143323--⨯=-⨯⨯+⨯⨯+-⨯⨯⨯+⨯⨯⨯=m I y 横隔梁的抗扭惯矩:33111222Ty I c b h c b h =+由1.00176.06251111≤==b h , 故 11/3c =,由于连续桥面板的单宽抗扭惯矩只有独立宽扁板的一半,可取11/6c =。
简支t梁桥课程设计一、课程目标知识目标:1. 让学生掌握简支梁桥的基本结构特点,理解其力学原理。
2. 使学生了解简支梁桥在设计过程中应考虑的因素,如材料选择、受力分析、跨度与承载力的关系等。
3. 帮助学生掌握简支梁桥的计算方法,包括弯矩、剪力、挠度等基本计算。
技能目标:1. 培养学生运用所学知识进行简支梁桥设计和计算的能力。
2. 提高学生运用CAD软件绘制简支梁桥图纸的技能。
3. 培养学生通过团队合作,解决实际工程问题的能力。
情感态度价值观目标:1. 培养学生对桥梁工程的兴趣,激发其探索精神。
2. 培养学生严谨的科学态度,注重实际与理论相结合。
3. 增强学生的团队合作意识,培养其沟通协调能力。
课程性质:本课程为工程专业课程,旨在让学生将理论知识与实际工程相结合,提高解决实际问题的能力。
学生特点:学生具备一定的力学基础,具有较强的求知欲和动手能力,但缺乏实际工程经验。
教学要求:结合学生特点,注重理论与实践相结合,强调动手实践,提高学生的工程素养。
通过课程目标分解,使学生在掌握基本知识的基础上,能够独立完成简支梁桥的设计与计算,培养其实际操作能力。
同时,注重培养学生的团队合作精神和沟通协调能力,为未来从事相关工作奠定基础。
二、教学内容1. 简支梁桥基本概念:介绍简支梁桥的结构特点、分类及适用范围,对应教材第一章第一节。
- 结构特点:简支梁桥的构成、支座类型、受力特点。
- 分类及适用范围:不同类型的简支梁桥及其适用场景。
2. 简支梁桥设计原理:讲解简支梁桥设计的基本原理,对应教材第一章第二节。
- 材料选择:介绍常用桥梁材料及其性能。
- 受力分析:阐述简支梁桥的受力特点及分析方法。
3. 简支梁桥计算方法:学习简支梁桥的基本计算方法,对应教材第二章。
- 弯矩、剪力、挠度计算:介绍简支梁桥的弯矩、剪力、挠度计算方法。
- 跨度与承载力的关系:分析跨度与承载力之间的关系,指导设计过程中的合理选型。
4. 简支梁桥设计实例:结合实际工程案例,进行设计实践,对应教材第三章。
目录桥梁工程Ⅰ课程设计任务书 ....................................................................................................................... - 2 -一、桥面板的弯矩计算 ............................................................................................................................... - 3 -1、桥面板恒载内力计算 ......................................................................................................................... - 3 -2、桥面板活载内力 ................................................................................................................................. - 3 -3、内力组合 ............................................................................................................................................. - 4 -二、1#梁恒载内力(弯矩和剪力)计算 ................................................................................................... - 5 -1、恒载集度 ............................................................................................................................................. - 5 -2、恒载内力 ............................................................................................................................................. - 5 -三、1#梁的荷载横向分布系数(按刚性横梁法计算) ........................................................................... - 6 -1、求1#梁横向分布影响线 .................................................................................................................... - 6 -2、车载布置 ............................................................................................................................................. - 7 -3、汽车荷载横向分布系数 ..................................................................................................................... - 8 -5 ........................................................................................................... - 8 -4、求人群荷载横向分布系数四、1#梁活载内力(弯矩和剪力)计算 ................................................................................................... - 8 -1、求汽车荷载作用下的荷载横向分布系数分布图 ............................................................................. - 8 -2、求人群荷载作用下的荷载横向分布系数分布图 ............................................................................. - 9 -3、荷载组合 ........................................................................................................................................... - 14 -(1)、按承载能力极限状态进行组合 ........................................................................................... - 14 -(2)、按正常使用极限状态进行组合 ........................................................................................... - 15 -桥梁工程Ⅰ课程设计任务书一、设计资料预应力混凝土简支T梁桥,计算跨径L=29.5m,桥面净宽:净7+2×1.0m人行道,全宽9.6m;设计荷载:公路-I级,人群荷载3.0kN/m。
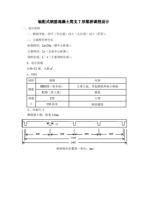
装配式钢筋混凝土简支T形梁桥课程设计一、设计资料一、桥面净宽:净-7(车行道)+2×(人行道)+2×(栏杆)。
二、主梁跨径和全长标准跨径:Lb=25m(墩中心距离)。
计算跨径:L=(支座中心距离)。
预制长度:L’=(主梁预制长度)。
3、设计荷载公路-II级,人群m2。
4、材料五、结构尺寸横隔梁5根,肋宽15cm。
桥梁纵向布置图(单位:cm)桥梁横断面图(单位:cm )T 型梁尺寸图(单位:cm )六、计算方式 极限状态法 7、设计依据(1) 《公路桥涵设计通用标准》(JTG –D60-2004)。
(2) 《公路桥涵钢筋混凝土和预应力混凝土桥涵设计标准》(JTG –D60-2004)。
二、行车道板的计算 (一)计算模式行车道板依照两头固定中间铰接的板来计算 (二)荷载及其效应1.每延米板上的恒载个g桥面铺装:m kN g /4.2240.11.01=⨯⨯=T 梁翼缘板自重:m kN g /75.2250.111.02=⨯⨯=每延米跨宽板恒载合计:m kN g g g /15.575.24.221=+=+= 2.永久荷载产生的效应弯矩:kNm gl M sg 65.1)22.08.1(15.52121220-=-⨯⨯-=-= 剪力:kN gl Q sg 12.4)22.08.1(15.50=-⨯==3.可变荷载产生的效应以重车后轮作用于绞缝轴线上为最不利布置,现在两边的悬臂板各经受一半的车轮荷载依照《公路桥涵设计通用标准》条后轮着地宽度2b 及长度2a 为:m a 2.02= m b 6.02=顺行车方向轮压散布宽度:m H a a 4.01.022.0221=⨯+=+= 垂直行车方向轮压散布宽度:m H b b 8.01.026.0221=⨯+=+=荷载作用于悬臂根部的有效散布宽度:m l a a 4.38.024.14.024.101=⨯++=++= 单轮时:m l a a 0.28.024.02'01=⨯+=+=依照《公路桥涵设计通用标准》条,局部加载冲击系数:3.11=+μ 作用于每米宽板条上的弯矩为:m kN b l a P M sp /06.16)48.08.0(4.342803.1)4(4)1(10-=-⨯⨯⨯-=-+-=μ 单个车轮时:m kN b l a P M sp /65.13)48.08.0(0.241403.1)4('4)1('10-=-⨯⨯⨯-=-+-=μ 取最大值:m kN M sp /06.16-=作用于每米宽板条上的剪力为:kN a P Q sp 76.264.342803.14)1(=⨯⨯=+=μ 4.大体组合依照《公路桥涵设计通用标准》条 恒+汽:m kN M M sp sg /46.24)06.16(4.1)65.1(2.14.12.1-=-⨯+-⨯=+ kN Q Q sp sg 41.4276.264.112.42.14.12.1=⨯+⨯=+ 故行车道板的设计作用效应为:m kN M sj /46.24-= kN Q sj 41.42=(三)截面设计、配筋与强度验算1.界面设计与配筋悬臂板根部高度14h cm =,净爱惜层2a cm =。
课程设计题目:钢筋混凝土简支T型梁桥主梁设计1设计资料:1.1桥面净空7+2×0.75m人行横道1.2主梁跨径和全长学号:40712039(按照规则及学号确定)标准主梁计算跨径:L=16.40m(支座中心距离)标准主梁全长:L=16.96m(主梁预制长度)按学号计算规则:学号最后一位为奇数,调整后的主梁计算跨径,全长分别为准值减去修正值(取学号最后两位数值乘以0.03)计算修正后的主梁计算跨径:L=16.40-39×0.03=15.23m计算修正后主梁全长:L=16.96-39×0.03=15.79m1.3设计荷载设计荷载为公路-II级1.4人群荷载人群荷载为3kN•m31.5材料钢筋:主筋用HRB335级钢,其它用R235级钢;混凝土标号:C301.6计算方法计算方法为极限状态法1.7结构尺寸纵向主梁和横隔梁布置图如图1.1所示,其中横梁用5根。
图1.1混凝土简支梁示意图2计算采用的技术规范和参考书目2.1中华人民共和国行业标准《公路桥涵设计通用规范》JTG D60-2004,人民交通出版社,2004年9月;2.2中华人民共和国行业标准《公路钢筋混凝土及预应力混凝土桥涵设计规范》JTG D62-2004,人民交通出版社,2004年9月;2.3易建国,《混凝土简支梁(板)桥》,人民交通出版社;2.4佋旭东,《桥梁工程》,人民交通出版社;2.5范立础,《桥梁工程》,人民交通出版社。
3主梁内力计算3.1恒载内力计算3.1.1恒载集度计算主梁:g1=[0.18×1.30+1/2×(0.08+0.14)×(1.6-0.18)]×25=9.76kN/m对于边主梁:g2=1×(0.15+0.16)/2×{[(1-0.08)+(1-0.14)]×(1.6-0.18)/4}×25×5/15.23=0.80kN/m 对于中主梁:g2’=2×g1=1.6kN/m桥面铺装层g3=[0.02×7×23+1/2×(0.12+0.06)×7×24]/5=3.67kN/m栏杆和人行道g4=(4×0.75+1)×2/5=1.6kN/m合计:边主梁g=∑g1=9.76+0.8+3.67+1.6=15.83kN/m中主梁g=∑g’=9.76+1.6+3.67+1.6=16.63kN/m3.1.2边主梁恒载内力支座处x=0剪力:Q=15.83×15.23/2=120.5kN弯矩:M=0kN·m四分点处截面x=1/4剪力:Q=120.5-15.83×15.23/4=60.2kN弯矩:M=120.5×15.23/4-15.83×15.232/32=344.1kN·m 跨中处截面x=1/2剪力:Q=0kN弯矩:M=1/8×15.83×15.23×15.23=459.0kN·m3.1.3中主梁恒载内力支座处x=0剪力:Q=16.63×15.23/2=126.6kN弯矩:M=0kN·m四分点处截面x=1/4剪力:Q=126.6-16.63×15.23/4=63.3kN弯矩:M=126.6×15.23/4-16.63×15.232/32=361.5kN·m 跨中处截面x=1/2剪力:Q=0kN弯矩:M=1/8×16.63×15.23×15.23=482.2kN·m3.2活载计算3.2.1计算支座处横向分布系数图3.1由图3.1所示,求出相应荷载位置的影响线数标值后,可得各个梁荷载横向分布系数,如下:1号梁汽车—20级:m0q=0.438人群荷载:m0r=1.4222号梁汽车—20级:m0q=0.5人群荷载:m0r=03号梁汽车—20级:m0q=0.594人群荷载:m0r=03.2.2计算跨中处横向分布系数图3.2如图3.2所示,对于1号梁:求荷载横向分布影响线竖标Ŋ11=1/5+3.20×3.20/25.60=0.60Ŋ15=1/5-2×1.60×2×1.60/25.60=-0.20绘出荷载横向分布影响线,如上图所示。
装配式钢筋混凝土简支T形梁桥课程设计一、设计资料1、桥面净宽:净-7(车行道)+2×1.0(人行道)+2×0.25(栏杆)。
2、主梁跨径和全长标准跨径:Lb=25m(墩中心距离)。
计算跨径:L=24.50m(支座中心距离)。
预制长度:L’=24.95m(主梁预制长度)。
3、设计荷载公路-II级,人群3.5kN/m2。
5、结构尺寸横隔梁5根,肋宽15cm。
桥梁纵向布置图(单位:cm)桥梁横断面图(单位:cm)T 型梁尺寸图(单位:cm )6、计算方法 极限状态法7、设计依据(1) 《公路桥涵设计通用规范》(JTG –D60-2004)。
(2) 《公路桥涵钢筋混凝土和预应力混凝土桥涵设计规范》(JTG –D60-2004)。
二、行车道板的计算 (一)计算模式行车道板按照两端固定中间铰接的板来计算 (二)荷载及其效应1.每延米板上的恒载个g桥面铺装:m kN g /4.2240.11.01=⨯⨯=T 梁翼缘板自重:m kN g /75.2250.111.02=⨯⨯=每延米跨宽板恒载合计:m kN g g g /15.575.24.221=+=+=2.永久荷载产生的效应弯矩:kNm gl M sg 65.1)22.08.1(15.52121220-=-⨯⨯-=-=剪力:kN gl Q sg 12.4)22.08.1(15.50=-⨯==3.可变荷载产生的效应以重车后轮作用于绞缝轴线上为最不利布置,此时两边的悬臂板各承受一半的车轮荷载根据《公路桥涵设计通用规范》4.3.1条后轮着地宽度2b 及长度2a 为:m a 2.02= m b 6.02=顺行车方向轮压分布宽度:m H a a 4.01.022.0221=⨯+=+= 垂直行车方向轮压分布宽度:m H b b 8.01.026.0221=⨯+=+=荷载作用于悬臂根部的有效分布宽度:m l a a 4.38.024.14.024.101=⨯++=++= 单轮时:m l a a 0.28.024.02'01=⨯+=+=根据《公路桥涵设计通用规范》4.3.2条,局部加载冲击系数:3.11=+μ 作用于每米宽板条上的弯矩为:m kN b l a P M sp /06.16)48.08.0(4.342803.1)4(4)1(10-=-⨯⨯⨯-=-+-=μ 单个车轮时:m kN b l a P M sp /65.13)48.08.0(0.241403.1)4('4)1('10-=-⨯⨯⨯-=-+-=μ 取最大值:m kN M sp /06.16-=作用于每米宽板条上的剪力为:kN a P Q sp 76.264.342803.14)1(=⨯⨯=+=μ 4.基本组合根据《公路桥涵设计通用规范》4.1.6条 恒+汽:m kN M M sp sg /46.24)06.16(4.1)65.1(2.14.12.1-=-⨯+-⨯=+ kN Q Q sp sg 41.4276.264.112.42.14.12.1=⨯+⨯=+故行车道板的设计作用效应为:m kN M sj /46.24-= kN Q sj 41.42=(三)截面设计、配筋与强度验算1.界面设计与配筋悬臂板根部高度14h cm =,净保护层2a cm =。
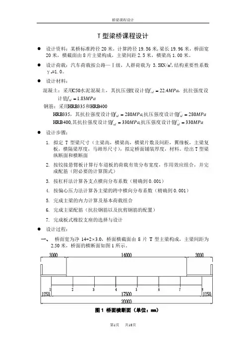
T 型梁桥课程设计● 设计资料:某桥标准跨径20米,计算跨径19.56米,梁长19.96米,桥面宽20米,横截面由8片主梁构成,主梁间距2.5米,横梁高1.00米。
● 设计荷载:汽车荷载按公路—Ⅰ级,人群荷载为3.5KN/m 2,结构重要性系数γo =1.0。
● 设计材料:MPaf MPa f MPa f MPa f MPa f MPa f sd sd sd sd td cd 330,330,400HRB 280,280HRB335HRB400HRB33583.14.2250C ''======抗压强度设计值其抗拉强度设计值抗压强度设计值,其抗拉强度设计值和钢筋:采用计值,抗拉强度设度设计值水泥混凝土,其抗压强混凝土:采用● 设计步骤:1. 拟定T 型梁尺寸(主梁高,横梁高,横梁片数及间距,翼缘板,主梁复板,横隔梁厚度,马蹄形尺寸),拟定桥面铺装厚度,材料。
绘出T 型梁纵断面和横断面2. 按铰接悬臂板计算行车道板的荷载有效分布宽度,作用效应组合,并完成配筋(附必要的计算图式)3. 按杠杆法计算各支点横向分布系数(精确到0.001)4. 按偏心压力法计算各主梁的跨中横向分布系数(精确到0.001)5. 完成主梁的内力计算及基本荷载组合6. 完成主梁配筋(抗拉钢筋以及抗剪钢筋的配置)7. 完成板式橡胶支座的选择与设计 ● 设计过程:一、 桥面宽为净14+2⨯3.0,桥面横截面由8片T 型主梁构成,主梁间距为2.50米,桥面的横断面如图1所示。
图1 桥面横断面(单位:mm )根据相关规范的规定以及工程实际的情况,T 型梁的尺寸如图2所示。
图2 T 型梁截面尺寸图(单位:mm )T 型梁横断面如图3所示,纵断面如图4所示。
图3 T 型梁横截面(单位:mm )图4 T 型梁纵断面(单位:mm )二、 桥面铺装为3cm 厚的沥青混凝土面层,重度为24kN/m 3垫层为12cm 厚的C50水泥混凝土,6cm 厚防水层,重度为25 kN/m 3 T 型梁翼缘板的重度为24 kN/m 3(1) 恒载及内力计算(以纵向1米宽的板条进行计算):每米宽板条的恒载内力合计:型梁翼板自重:水泥混凝土垫层:防水混凝土防水层:沥青混凝土面层:m kN g g g g g g mkN g T mkN g C m kN g m kN g i /1.1094.40.344.172.0/94.4260.1222.016.0/0.3250.112.050/44.1240.106.0/72.0240.103.043214321=+++=+++===⨯⨯+==⨯⨯==⨯⨯==⨯⨯=∑kNgl Q mkN gl o ag o ag 615.11150.11.1068.6150.11.102121M 22=⨯==∙-=⨯⨯-=-=剪力:弯矩:(2) 按铰接板计算行车道板(如图5)的有效宽度及车辆荷载产生的内力图5 铰接悬臂行车道板 图6 悬臂板计算图式将车轮作用于铰缝轴线上,如图6所示,轴重力标准值为P=140kN,轮压分布宽度如图7所示mH b b mH a a m m b m a 02.121.0260.0262.021.0220.0221.012.006.003.0H ,60.020.0212122=⨯+=+==⨯+=+==++===则:装层厚度桥面铺,宽度为载后轮着地长度为由《桥规》得:车辆荷图7 车辆荷载计算图式(单位:m )kN a P Q m kN b l a P M m l d a a ap ap 06.2132.441402.3142)1(85.18)402.1150.1(32.4414023.1)4(42)1(.31132.4150.124.162.021001=⨯⨯⨯=+=∙-=-⨯⨯⨯-=-+-==+=⨯++=++=μμμ力:作用于每米宽板上的剪弯矩:作用于每米宽板条上的冲击系数采用效分布宽度为:荷载对于悬臂根部的有(3) 内力组合(承载能力极限状态内力组合)kNQ Q Q m kN M M M ap ag j ap ag j 43.4306.214.162.112.14.12.1406.3485.184.168.62.14.12.1=⨯+⨯=+=∙-=⨯-⨯-=+=(4) 行车道板的配筋所示。
学院建筑工程学部课程设计装配式钢筋混凝土T型梁桥专业:道路与桥梁课程:《桥梁工程》装配式钢筋混凝土简支型梁桥计算一、设计资料(-)桥面净空净-7+2x 0. 75m人行道(二)主梁跨径和全长标准跨径l b =20. 00m(墩中心距离)计算跨径219. 50m(支座中心距离)主梁全长/全=19.96m(主梁预制长度)(三)设计荷载公路II级荷载,人群荷载3kN/m(四)材料十亠-—•L *93 丄4 4 ^95 I 111钢筋:HRB335①335M/M H235 0235M/M混凝土:C3O(五)计算方法极限状态法(六)结构尺寸参考原有标准图尺寸,选用如图1所示,其中横梁用五根。
(七)设计依据(1)《公路桥涵设计通用规》(JTG D60-2004),简称“桥规”(2)《公路钢筋混凝土及预应力混凝土桥涵设计规》(JTG 62-2004),简称“公预规”(3)《公路工程技术标准》(JTG B01-2003)二、主梁的计算(一)主梁的荷载横向分布系数1 •跨中荷载横向分布系数(按G-M法)(1)主梁的抗弯及抗扭惯矩lx和I TX求主梁截面的重心位置(图2)心平均板厚^=1/2(8+14)=1100111 13(160-18)x1 lx — + 130xl8x —2 2(160-18)x11 + 130x18=41. 2cin/ = J_x 142x113 +142x11X (41.2-―)2 + J-x 18x 1303 + 18x 130x (― -41.2)2 * 12 2 12 2= 6627503〃』=6.6275 xl0-2m4T形抗扭惯矩近似等于各个矩形截面的抗扭惯矩之和,即:1TX吃c血:式中:G 为矩形截面抗扭刚度系数(查附表1);附表-1 b,、t.—为相应各矩形的宽度与厚度- t/b 1 0.9 0.8 0.7 0.6 0.5 0.4 0.3 0.2 0.1 <0.1C0.141 0.155 0. 171 0.189 0.209 0. 229 0.250 0.270 0.291 0.312 1/3査表可知11/1. 60=0. 069, ci=l/3t2/M. 18/(1. 3-0.11)=0.151,C2=0. 301故A F I. 6x0.1173+0.301x1.19x0.183=0.71X10*3=2.80X1 0V单位抗弯及抗扭惯矩:XlJb毛.628x10'7160=4. 142x10 W/cm m/b2 280x10 7160=1. 75x10 5m7cm(2)横梁抗弯及抗扭惯矩翼板有效宽度入计算(图3)橫梁长度取为两边主梁的轴线间距,即1=4b=4Xl • 6=6. 4mc=l/2(4. 85-0.15)=2. 35mh x=100m, b x=0.15m=15cmc/ 1=2. 35/6. 40=0. 367根据c//比值可査(附表1)求得Z/C=O. 548所以X =0. 548xc=0. 548x2. 35=1. 29m求横梁截面重心位置a、22 - h. △+ ” b仏= ____ 丄____________ 2_2 也+hb'2xl.29x2LL + 丄xO」5xl.()22 2~ 2x1.29x0.11 + 0.15x1.0=0.21横梁的抗弯和抗扭惯矩Iy和InI 、= — X22X hf + 2Ah A (a v -^-)2 +—b h' ' +b'h (-—a y )12 2 122=±x2x 1.29x0. Il 5 + 2x1.29x0.11(0.21-^H)2 12 2+ 丄 x0・15xl ・0‘ +0.15xl.0x(—-0.21)212 2.= 3・22xl (r2〃r】T、= 5bjX +c 2b 2h^h. /b. =0.1 1/4.85 = 0.031<0.1査表得5=1/3,但由于连续桥面板的单宽抗扭惯矩只有独立宽扁板者的一 半,可取c } =1/6h 2/b 2 =0. 15(1.00-0. 11)=0. 1705,査表得c 2 =0.298/ =lxO.ll 3 x 4.85 + 0.298 x 0.89 xO.153756故 =1.076x107+0.895x10-3= 1.971xl0_3/n 4单位抗弯及抗扭惯矩J 、•和JryJ Y =/y/h { = 3.22 xl0-2/4.85x 100 = 0.664 x IO -4/zz 4/CZH J iy = l iy /b x =1.971 x 10*74.85x100 = 0.406 x IO"5ZH 4/cw(3)计算抗弯参数0和抗弯参数a :=0.324附表2 :桥梁工程(1982年2月)表2-8-4c/l 0. 05 0.10 0. 15 0.20 0.25 0. 30 0. 35 0.40 0.450. 50 A/c0.9880. 9360.. 8670.7890.7100. 6350. 5680. 5090.4590.416式中:B z桥宽的一半—G (厶+厶)/2£、匝4,0 ^I4.142X 10"4 19^5^0.664x10^0.40 x (1.75 + 0.406) x 10“n心a =——• = 0.022 J4.142 x 1 (T4 x 0.664 x 10"按公预规3.1.6条取G=0.4E则= Vo.026 =0.161(4)计算荷载弯矩横向分布影响线坐标已知0=0.324,査G-M图表,可得表中数值- 表1用插法求各梁位处值(图4)1* '5*梁0. 2K X=K3b/4+(Kb-K3b/4)x=0. 2Kb+0. 8K3b/42#、/梁K z=Kb/2-(Ki^-K.v4)x0.4=0. 6Kb/2+0. 4Kb/4C72八 .WQ一rr-r,-Go?・卜-«83#梁K Z =K (. (Ko 系梁位在0点的K 值)列表计算各梁的横向分布系数影响线坐标〃值(表2)(5)绘制横向分布系数图,求横向分布系数。
桥梁工程课程设计t型简支梁的计算桥梁工程是现代城市建设中非常重要的一部分,桥梁工程课程是土木工程专业中非常重要的基础课程之一。
T型简支梁是桥梁工程中常见的构造形式,因其结构简洁、制造过程简单、承受力优越,广泛应用于高速公路、城市道路、地铁路等场所。
本文将对T型简支梁的设计计算进行详细讲解。
一、T型简支梁的概念和分类T型简支梁是由一根横梁和两根立柱组成的构造形式,如图1所示。
其结构简单,承受力强,广泛应用于各类桥梁工程中,是桥梁工程中非常重要的一种结构形式。
根据受力情况和模型形状,T型简支梁可以分为两种类型:● 跨径方向受力型这种类型的梁主要承受横向荷载和斜向荷载。
多见于宽度大于长度的矩形截面梁和T形截面梁。
● 竖向受力型这种类型的梁主要承受竖向荷载,也称为直梁型。
多见于宽度小于长度的矩形截面梁和T形截面梁。
二、T型简支梁的设计原则设计T型简支梁需要考虑以下几个原则:● 强度原则强度是指梁在荷载作用下不产生破坏的能力。
在设计中,必须满足桥梁的强度要求,即荷载作用下梁的内力不超过材料的抗拉、抗压、弯曲等强度极限。
● 刚度原则刚度是指在荷载作用下,梁形式不会产生过度位移和变形的能力。
在设计时必须保证梁的刚度足够,以遵循桥梁的安全。
● 稳定原则稳定性是指工程结构在荷载作用下不发生失稳的能力。
在设计中,必须保证梁具有足够的稳定性,以确保桥梁的安全性。
三、T型简支梁的计算方法设计T型简支梁需要考虑荷载作用下的内力大小,在此基础上确定梁的尺寸、形状和材料。
具体计算方法如下:1.荷载计算荷载计算是确定T型简支梁尺寸和形状的第一步。
荷载会产生三种内力,分别是弯矩、剪力和轴力。
在计算荷载时需考虑以下因素:● 梁的跨距:跨越的距离。
● 荷载类型:荷载类型包括移动荷载和静止荷载,两者不同,荷载计算也不同。
● 荷载分布情况:荷载在梁上的分布情况。
2.梁的尺寸和断面计算在确定内力后,需要计算T型简支梁的尺寸和断面形状。
通常采用截面分析法或解析法,计算力学基本方程,得出梁的截面形状、尺寸和材料。
桥梁施工课程设计某简支T型梁桥施工方案设计目录一、简支T型梁桥施工方案设计任务指导书------------------------------ 011.1工程概况---------------------------------------------------------------------------011.2编制依据---------------------------------------------------------------------------01二、工程施工组织结构---------------------------------------------------------02三、桥梁主要部位施工工艺、施工方案------------------------------------- 021、基础施工-------------------------------------------------------------- -----------021、1明挖扩大基础施工工艺--------------------------------------------------021.1.1作业准备--------------------------------------------------------------021.1.2施工程序及流程-----------------------------------------------------031.1.3施工方法--------------------------------------------------------------031、2钻孔桩基础施工工艺--------------------------------------------------051.2.1施工准备--------------------------------------------------------------051.2.2施工方法--------------------------------------------------------------051.2.3施工工艺--------------------------------------------------------------072、墩台施工--------------------------------------------------------------------------072.1桥梁承台施工---------------------------------------------------------------072.2桥墩施工---------------------------------------------------------------------082.3盖梁施工---------------------------------------------------------------------093、预应力砼30mT梁制作工艺--------------------------------------------------094、桥面铺装--------------------------------------------------------------------------13四、施工安全---------------------------------------------------------------------14五、文明施工---------------------------------------------------------------------14六、环境保护措施---------------------------------------------------------------15七、参考文献---------------------------------------------------------------------17一、某简支T型梁桥施工方案设计任务指导书学生姓名学号班级指导教师职称讲师系部课程设计题目某简支T型梁桥施工方案设计工程概况:某简支T型梁桥全桥分为左右幅,即该桥为双向车道,桥梁左幅0#台、1号墩,右幅0#台、1号、2号墩位于JD38(R=620m)缓和曲线上。
五.行车道板的计算(一)永久荷载效应计算由于主梁翼缘板在接缝处沿全长设置连接钢筋,故行车道板可按两端固定和中间铰接的板计算,如图13所示。
①.每延米板上沥青面层: g 1=0.03×1×23=0.69 KN/mC50混凝土垫层: g 2=0.09×1×24=2.16 KN/mT 形梁翼缘板自重: g 3=0.11×1×26=2.86 KN/m每延米跨宽板的恒载总计:g= i g ∑=0.69+2.16+2.86=5.71 KN/m②.永久荷载效应计算 弯矩:2011 5.710.76 1.65.22g M gl KN m =-=-⨯⨯=- 剪力:0 5.710.76 4.34g V gl KN ==⨯=图14 行车道板计算图式(单位:cm )③.可变荷载效应公路—I 级:以重车后轮作用于铰缝轴线上为最不利布置,此时两边的悬臂板各承受一半的车轮荷载,如图15所示。
车辆荷载后轮着地宽度b 2及长度a 2分别为a 2=0.2mb 2=0.6m沿着行车方向轮压分布宽度为a 1= a 2+2H=0.2+2×0.11=0.42m垂直行车方向轮压分布宽度为b 1= b 2+2H=0.6+2×0.11=0.82m荷载作用于悬臂根部的有效分布宽度a=a 1+d+2l 0=3.05m单轮时:a '=a 1+2 l 0=1.65m>1.4m局部加载冲击系数取1.38,则作用于每米宽板条上的弯矩为单个车轮时:11400.82(1)() 1.3(0.765)444 1.65416.4APbpM laKkNmμ'=-+-=-⨯-'⨯=-取两者中最不利情况,则M p= -17.74KN·m作用于每米宽板条上的剪力为④.作用效应基本组合根据作用效应组合的规定,基本组合计算如下:恒载+汽车荷载:弯矩:1.2M g+1.4M p= -(1.2×1.65+1.4×17.74)= -26.861KN·m剪力:1.2V g+1.4V p=1.2 ×4.34+1.4×31.7=-49.59KN故行车道板的设计作用效应为:(二) 截面设计,配筋与强度验算悬臂板跟高度h=14cm,净保护层厚度a=3cm。
30米预应力混凝土T型简支梁桥课程设计1. 引言本文档旨在介绍一个关于设计30米预应力混凝土T型简支梁桥的课程设计。
设计的主要目标是满足承载能力、稳定性和耐久性要求,同时考虑施工可行性和经济性。
2. 桥梁参数•梁长:30米•梁宽:3米•梁高:1.5米•荷载要求:根据设计要求和规范确定3. 结构设计3.1 梁截面设计根据桥梁的跨度和荷载要求,选择适当的梁截面形式。
本设计选择T型梁截面,可以提供足够的强度和刚度,同时便于施工。
T型梁的下翼缘和上翼缘由3层混凝土构成,钢筋混凝土梁板和纵向预应力钢筋共同工作。
采用预应力设计可以提高梁的承载能力和延性,确保桥梁的安全性。
3.2 荷载分析根据设计要求和规范,确定桥梁的荷载特性和组合荷载。
荷载分析是桥梁设计的重要部分,需要考虑静力和动力荷载以及其组合。
静力荷载包括自重、活荷载和永久荷载等。
动力荷载包括风荷载和地震荷载等。
组合荷载需按照规范要求进行合理组合。
3.3 预应力设计预应力设计是为了提高桥梁的承载能力和延性,减小变形和裂缝。
预应力可以通过施加预应力钢筋或预应力束来实现。
预应力设计需要确定预应力钢筋的数量、强度和布置方式。
预应力筋的预应力张拉和锚固需要注意施工的可行性和安全性。
4. 施工可行性和经济性考虑在桥梁设计中,施工可行性和经济性也是需要考虑的重要因素。
设计应该遵循合理、规范的施工要求,确保桥梁的安全性和质量。
施工可行性考虑方面包括施工工艺、材料选用、施工方法和设备等。
经济性考虑方面包括成本控制、材料节约和工期等。
5. 结论本文档详细介绍了30米预应力混凝土T型简支梁桥的课程设计。
设计中考虑了梁截面设计、荷载分析、预应力设计以及施工可行性和经济性的要求。
通过合理的设计和施工,可以确保桥梁的安全性和可靠性。
装配式简支T形梁桥课程设计一、设计内容根据结构图所示的一孔标准跨径为L b=25m的T形梁的截面尺寸,要求对作用效应组合后的最不利的主梁(一根)进行下列设计与计算:1、行车道板的内力计算;2、主梁内力计算;二、设计资料1、桥面净宽:净-7(车行道)+2×1.0(人行道)+2×0.25(栏杆)。
2、设计荷载:公路-Ⅱ级,人群3.5kN/m2。
3、材料:表1 钢筋技术指标表2 混凝土技术指标4、结构尺寸图:主梁:标准跨径L b=25m(墩中心距离)。
计算跨径L=24.50m(支座中心距离)。
预制长度L’=24.95m(主梁预制长度)。
横隔梁5根,肋宽15cm。
主梁横截面细部尺寸如图。
桥梁纵向布置图(单位:cm)桥梁横断面图(单位:cm)T型梁尺寸图(单位:cm)本桥为公路简支梁桥,双车道,行车道宽度为7m,人行道宽度为1.0m,主梁为装配式钢筋混凝土简支T 梁,桥面由五片主梁组成,主梁之间的桥面板为铰接,沿梁长设置5道横隔梁,横隔梁的平均厚度为15.0cm 。
设计方案:一、主梁内力计算(一)、恒载内力计算: 1、恒载集度计算:主梁截面面积:[(0.08+0.14)×0.8]/2×2+0.2×1.4=0.456 m 2 主梁自重:g 1边=g 1中=0.456×25=11.4 KN/m 横隔梁折算荷载:kN/m 335.150.24251015.08.0208.014.02.1g 中2=÷⨯⎥⎦⎤⎢⎣⎡⨯⨯⨯⎪⎭⎫ ⎝⎛+-= 7kN/m 66.050.2425515.08.0208.014.02.1g 2边=÷⨯⎥⎦⎤⎢⎣⎡⨯⨯⨯⎪⎭⎫ ⎝⎛+-=桥面铺装:()kN/m 50.352525.308.012.021g 3=÷⎥⎦⎤⎢⎣⎡⨯⨯⨯+=栏杆和人行道:kN/m 60.3592g 4=÷⨯=合计:边主梁:kN/m 167.1960.350.3667.040.11g g g g g 432边1边边=+++=+++= 中主梁:kN/m 835.1960.350.3335.140.11 g g g g g 4321=+++=+++=中中中 2、恒载内力计算结果如表3:表3 恒载内力计算(二)、活载内力计算: 1、冲击系数: (1)主梁的抗弯惯性矩: 行车道板的平均厚度为:11cm 2148h =+= 截面重心位置:cm 11.452014011)20180(2/140201402/1111)20180(d x =⨯+⨯-⨯⨯+⨯⨯-=惯性矩:()()42323x cm 576.908706911.452140140201402012121111.4511201801120180121I =⎪⎭⎫ ⎝⎛-⨯⨯+⨯⨯+⎪⎭⎫ ⎝⎛-⨯⨯-+⨯-⨯= 总抗弯惯性矩:44x 8cm 45435347.86cm 9087069.5755I I =⨯== (2)冲击系数ω:3115.104102167.193835.1910510576.9087069101085.224.50πm EI l πω33864=⨯⨯+⨯⨯⨯⨯⨯⨯⨯==- 60.612πf ==ϖ因为, 50.4μ 14Hz 时4f => 所以, 1.45μ1=+2、荷载横向分布系数计算:按《桥规》规定,汽车荷载距人行道不小于0.5米,针对各主梁进行最不利位置布载,可计算出各主梁荷载横向分布系数。
桥梁工程课程设计
土木工程专业本科(四年制)适用
指导教师: 李小山 班 级: 10土木一班 学生姓名: 董帅 设计时间:
浙江理工大学建筑工程学院土木系
土木工程专业
桥梁工程课程设计任务书
浙江理工大学建筑工程学院土木系
2013年4月
一、设计题目:钢筋混凝土简支T 型梁桥设计 二、设计资料:
1. 桥面宽度:净m m m 25.025.127⨯+⨯+
2. 设计荷载:公路-I 级
3. 桥面铺装:4cm 厚沥青混凝土(3/23m KN ),6cm 厚水泥混凝土(3/24m KN ),
主梁混凝土为3/24m KN
4. 主梁跨径及全长:标准跨径:m l b 00.25=,计算跨径m l 96.24=,净跨m l 60.240=
5. 结构尺寸图,根据钢筋混凝土简支T 型梁桥的构造要求设计,也可参照下图选用:
桥梁横断面布置图
[1] JTGD60-2004 公路桥涵设计通用规范[S]
[2] JTGD62-2004 公路钢筋混凝土及预应力混凝土桥涵设计规范[S] [3] 邵旭东.桥梁工程[M].第二版.北京:人民交通出版社,2007
四、设计内容:
主梁、横隔梁和行车道板的内力计算
五、设计成果要求:
设计计算书。
设计计算说明书制作成Word 文档或手写。
整个说明书应满足计算过程完整、 计算步骤清楚、文字简明、符号规范的要求。
封面、任务书和计算说明书用A4纸张打印,按封面、任务书、计算说明书的顺序一起装订成册,交指导老师评阅。
六、提交时间:
第14周周五前提交,过期不候。
设计计算书
基本设计资料
1. 桥面宽度:净m m m 25.025.127⨯+⨯+
2. 设计荷载:公路-I 级
3. 桥面铺装:4cm 厚沥青混凝土(3/k 23m N ),6cm 厚水泥混凝土(3/k 24m N ), 主梁混凝土为3k 24m N
4. 主梁跨径及全长:标准跨径:m l b 00.25=,计算跨径m l 96.24=,净跨 m l 60.240=
5. 主梁截面尺寸:
拟定采用的梁高为,腹板宽18cm 。
主梁间距:,主梁肋宽度:18cm 。
结构尺寸如图
行车道板计算 结构自重及其内力
每延米板上的结构自重
每米宽板条恒载内力 1)汽车车辆荷载计算图示
车辆后轮着地宽度为2a =,宽度为2b = H a a 221+==+2×= H b b 221+==+2×=
荷载对于悬臂根部的有效分布宽度: 012l d a a ++==++2×=
由于这是汽车荷载局部加载在T 梁的翼板上,故冲击系数取 1.31=+μ 作用于每米宽板条上的弯矩为:
作用于每米宽板条上的剪力为:kN 46.2472
.3421403.14)
1(=⨯⨯⨯=+=a P Q Ap μ 内力组合
承载能力极限状态内力组合计算:
所以行车道板的设计内力为:m -29.57KN •=ud M 40.57KN =ud Q
正常使用极限状态内力组合计算:
主梁内力计算
计算结构自重集度如下表所示:
边主梁自重产生的内力
荷载位于支点处时,1、2、3号粱的横向分布系数 求得1,2,3号梁荷载横向分布系数为: 1号梁:2.02
42.00==q m ,19.10=r m ;
2号梁:57.00=q m 3号梁:78.00=q m
荷载位于跨中时荷载横向分布系数cq m 和cr m
238.21
.2596.24>=⨯=B l 且设有刚度强大的横隔粱,故可按偏心压力法计算 求荷载横向分布影响线竖标
本桥各根主梁的横截面均相等,梁数n=5,梁间距为,有
1、2、3号梁在两个边主梁除横向影响线的竖标值
绘出荷载横向分布影响线,并按最不利位置布置,如下图所示
1)
2)
3)
a)
0.200
0.200
0.200
0.200
0.200
ηr ηq
3
公路-Ⅰ级
ηq
3
ηq
3
ηq
3
计算荷载横向分布系数c m
1号梁: 2号梁:
cr m =r η=
3号梁:0.44/20.22
=⨯==∑
q
cq m η 0.2==r cr m η
均布荷载和内力影响线面积计算 公路—I 级中集中荷载k P 计算
计算弯矩效应时:259.84KN 5-24.965-50/180-360180=⨯+
=)()()(k P 计算剪力效应时:311.81KN 259.841.2=⨯=k P 计算冲击系数μ
20.5556A m = 4m 0.1504=c I G=×24= KN/m
C25混凝土E 取 2
10/108.2m N ⨯
c
c m EI l f 2
2π=
,Hz 97.210
359.11504
.0108.296.24214
.33
102
=⨯⨯⨯⨯=
f 1+μ= 跨中弯矩
2
l
M 、跨中剪力
2
l
Q 计算:
因双车道不折减,故ε=1,各数据见表
计算支点截面汽车荷载最大剪力
绘制荷载横向分布系数沿桥纵向的变化图形和支点剪力影响线如下图所示:
5
1号梁
2号梁
m 0
=0.215
0.505
m c =m 0
=0.572
0.453
m c =1
Q 0影响线
横向分布系数变化区段的长度: m 变化区荷载重心处的内力影响线坐标为 1号梁:y =1×()/= 2号梁:y = 3号梁:y = 1号梁:
=×1××[×+×则,公路—I 级作用下,1号梁支点的最大剪力为:
0Q =集均00Q Q +=+=
同理得2、3号梁0Q 分别为、 计算支点截面人群荷载最大剪力
1号梁:
=××+2×号梁:or Q= 3号梁:or Q=
主梁内力组合
1号梁:
2号梁:
3号梁:
横隔梁内力计算
确定作用在中横隔梁上的计算荷载 对于跨中横隔梁的最不利荷载布置如下图:
纵向一列车轮对于中横隔梁的计算荷载为: 计算弯矩时: 计算剪力时:
绘制中横隔梁的内力影响线:
按偏心压力法可得1、2号梁的荷载横向分布影响线竖坐标值如下图所示:
绘制剪力影响线
对于1号主梁处截面的右1Q 影响线可计算如下: P=1作用在计算截面以右时,右1Q =1R ,即i 11ηη=右i P=1作用在计算截面以左时,右1Q =1R -1,即i 11ηη=右i -1 绘成右1Q 影响线如上图所示。
截面内力计算
将求得的计算荷载oq P 在相应的影响线上按最不利荷载位置加载,对于汽车荷载并计入冲击影响力(1+μ),则得到下表所示结果:
内力组合(鉴于横隔梁的结构自重内力甚小,计算中可略去不计)。