室内消火栓系统安装检验批质量验收记录
- 格式:xlsx
- 大小:14.34 KB
- 文档页数:2
2
(1)(2)(3)
共计检验
批数:施工单位 检查评定 综合结果监理(建 设)单位验 收综合结论
项目专业监理工程师(建设单位项目专业负责人)签名:年 月 日
量验收记录/
(7) 与质量控制相关的其他管理(技术)文件、资料(注
明)
合格
项目专业技术负责人签名:
年 月 日
产品进场见证检验(复验)检测报告/ 现场试件(系统实体)检测报告/ 产品质
量证明文件/(4) 施工过程的自检、调试等施工记录/
(5) 隐蔽工程验收记录/(6) 检验批质备注:1.与本分项包括的全部检验批所对应相关的下列文件资料均为真实、准确、齐全、有效、符合要求:GC-C5-712300449套X号楼X单元1层~屋顶层主控项目合格,一般项目符合要求GC-C5-7123005
49套
X号楼X单元1层~屋顶层
主控项目合格,一般项目符合要求
GC-C5-712300249套X号楼X单元1层~屋顶层主控项目合格,一般项目符合要求GC-C5-712300346套X号楼X单元1层~屋顶层主控项目合格,一般项目符合要求检验批
编号检验批容量
检验批所在的施工部位施工单位检 查评定结果
监理(建设) 单位验收结论
GC-C5-712300149套X号楼X单元1层~屋顶层主控项目合格,一般项目符合要求分包单位XXX有限公司
项目负责人
张XX 项目技术 负责人
罗XX
施工单位XXX有限公司项目负责人刘XX 项目技术 负责人金XX 单位(子单位)工程名称
XXX项目
分部/子分部 (系统/子系统)建筑给水排水及采暖/室内给水系统
分项工程量10批室内消火栓安装
分项工程质量验收记录
GD-C5-721。
室内消火栓系统安装检验批质量验收记录一、安装单位信息:安装单位名称:项目名称:施工日期:竣工日期:验收日期:二、安装检验批质量验收内容:1.消火栓系统安装工程验收记录:施工过程中是否按照国家规范和相关标准进行施工?(是/否)消火栓系统的设计是否满足建筑消防设计规范要求?(是/否)安装单位是否具备相应的施工资质和人员证书?(是/否)消火栓设施的安装位置是否合理、方便使用?(是/否)消火栓系统安装工程是否符合消防设施工程验收规范要求?(是/否)2.消火栓系统管道安装工程验收记录:消火栓系统管道连接是否牢固、紧密?(是/否)管道是否采用防腐措施,并保证耐久性和使用寿命?(是/否)现场焊接接头是否符合相关标准和规范要求?(是/否)管道的走向和布置是否合理、美观?(是/否)3.消火栓系统设施安装工程验收记录:喷头和喷洒设备是否按照设计要求进行安装?(是/否)储水罐等消防设施是否防水、防漏,并具备良好的密封性能?(是/否)消火栓系统的控制设备是否安装牢固、正常工作?(是/否)消火栓系统的相关配件是否齐全、完好?(是/否)消火栓系统的消防栓是否符合相关标准和规范要求?(是/否)4.消火栓系统工程竣工验收记录:消火栓系统施工质量是否符合验收标准和要求?(是/否)消火栓系统是否操作正常、可靠?(是/否)施工单位是否提供了消防设施的技术资料和维护保养手册?(是/否)施工单位是否进行了完善的安全交底和保养保修知识培训?(是/否)三、质量验收结论:经过对室内消火栓系统安装工程的检查和测试,各项施工质量均符合国家规范和相关标准的要求,满足了建筑消防设计规范要求。
因此,对消火栓系统的安装检验批质量进行结论。
结论:合格四、存在的问题和改进措施:在安装过程中,未发现明显的施工缺陷和质量问题。
但建议施工单位在今后的工程中进一步加强施工质量管控,确保整个消防设施安装过程的质量可控和可靠。
以上为室内消火栓系统安装检验批质量验收记录,请按照验收检查结果进行处理和决策。
建筑消防安装工程施工质量检查验收记录交工资料汇总表目录建筑消防安装工程施工质量检查验收记录交工资料汇总表目录1、单位(子单位)工程质量竣工验收记录---------- G.0.1-12、单位(子单位)工程质量控制资料核查记录------G.0.1-23、单位(子单位)工程安全和功能检验资料核查及主要功能抽查记录--------------------------------------G.0.1-34、单位(子单位)工程观感质量检查记录---------G.0.1-4消火栓系统分部工程------------------------------F.0.1 自动喷水灭火系统分部工程------------------------F.0.1 火灾自动报警系统分部工程------------------------F.0.1 通风与空调(防排烟)系统分部工程----------------F.0.1 注:分项工程的检验批划分方法说明:1、分项工程可由一个或若干检验批组成,检验批可根据施工及质量控制和专业验收需要,原则上检验批应先确定部位划分,可按系统或区段、楼层、单元及施工时间等因素考虑实施,但应注意检验批范围不宜相差过大。
2、检验批编号从0 0 1~1 9 9号。
一、消火栓系统施工质量检查验收记录用表1、建筑消火栓系统分部工程质量验收记录----------------------------------------- -F.0.12、消火栓系统子分部工程质量验收记录-------------------------------------F.0.1-05-013、室内给水管道及配件安装分项工程质量验收记录---------------------------F.0.1-0501014、室内给水管道及配件安装工程检验批质量验收记录---------------------------------0501015、室内消火栓系统安装分项工程质量验收记录----------------------------------F.0.1-0501026、室内消火栓系统安装工程检验批质量验收记录---------------------------------------0501027、室内给水设备安装分项工程质量验收记录------------------------------------F.0.10-501038、室内给水设备安装工程检验批质量验收记录------------------------------------------0501039、室外给水管网子分部工程验收记录--------------------------------------F.0.1-050610、室外给水管道安装分项工程质量验收记录--------------------------------------------05060111、室外给水管道安装工程检验批质量验收记录-----------------------------------------05060112、室外消防水泵接合器、消火栓安装分项工程质量验收记录-----------------------05060213、室外消防水泵接合器、消火栓安装工程检验批质量验收记录-----------F.0.1-050602二、自动喷水灭火系统施工过程质量检查记录用表1、自动喷水灭火系统分部工程验收记录----------------------------------------------表F.0.12、供水设施安装与施工子分部消防水泵和稳压泵安装分项工程质量验收表-------表C.0.13、供水设施安装与施工子分部消防水箱和消防水池施工分项工程质量验收表---表C.0.14、供水设施安装与施工子分部消防气压给水设备和稳压泵安装分项工程质量验收表----------------------------------------------------------------------------------------------------------表C.0.15、供水设施安装与施工子分部消防水泵接合器安装分项工程质量验收表---------表C.0.16、管网及系统组件安装子分部工程、管网安装分项工程质量验收表---------------表C.0.17、管网及系统组件安装子分部工程、喷头安装分项工程质量验收表----------------表C.0.18、管网及系统组件安装子分部工程、报警阀组安装工程质量验收表---------------表C.0.19、管网及系统组件安装子分部工程、其他组件安装工程质量验收表---------------表C.0.110、系统试压和冲洗子分部工程、水压试验分项工程质量验收表--------------------表C.0.111、系统试压和冲洗子分部工程、冲洗分项工程质量验收表--------------------------表C.0.112、系统调试子分部工程、水源测试分项工程质量验收表-----------------------------表C.0.113、系统调试子分部工程、消防水泵调试分项工程质量验收表-----------------------表C.0.114、系统调试子分部工程、稳压泵调试分项工程质量验收表--------------------------表C.0.115、系统调试子分部工程、报警阀组调试分项工程质量验收表-----------------------表C.0.116、系统调试子分部工程、排水设施调试分项工程质量验收表-----------------------表C.0.117、系统调试子分部工程、联动调试分项工程质量验收表-----------------------------表C.0.1三、智能建筑自动报警系统施工质量检查验收记录用表1、建筑电气(智能)系统分部工程质量验收记录------------------------------F.0.1-0 62、电气动力安装工程子分部工程质量验收记录------------------------------F.0.1-06043、电缆桥架安装和桥架内电缆敷设分项工程质量验收记录--------------------E.0.1-0604044、电缆桥架安装和桥架内电缆敷设检验批质量验收记录------------------------------0604045、电气照明安装子分部工程质量验收记录-------------------------------------F.0.1-06056、成套配电柜、动力照明配电箱、盘安装分项工程质量验收记录-----------E.0.1-0605017、成套配电柜、动力照明配电箱、盘安装检验批质量验收记录---------------------0605018、电线导管、电缆导管和线槽敷设分项工程质量验收记录--------------------E.0.1-0605029、电线导管、电缆导管和线槽敷设检验批质量验收记录------------------------------06050210、电线、电缆穿管和线槽敷设安装分项工程质量验收记录--------------------E.0.1-06050311、电线、电缆穿管和线槽敷设安装检验批质量验收记录------------------------------06050312、建筑照明通电试运行分项工程质量验收记录-----------------------------------E.0.1-06051013、建筑照明通电试运行检验批质量验收记录---------------------------------------------06051014、防雷及接地安装子分部工程质量验收记录----------------------------------F.0.1-060715、接地装置安装分项工程质量验收记录--------------------------------------------E.0.1-06070116、接地装置安装检验批质量验收记录------------------------------------------------------06070117、火灾自动报警及消防联动系统子分部工程质量验收记录-------------F.0.1-070418、火灾自动报警及消防联动系统分项工程质量验收记录-----------------------E.0.1-07040119、火灾自动报警及消防联动系统检验批质量验收记录---------------------------------070401四、通风与空调系统施工质量检查验收记录用表1、通风与空调分部工程验收记录----------------------------------F.0.1-0 82、送排风系统子分部工程质量验收记录-------------------------F.0.1-08013、风管与配件制作分项工程质量验收记录-----------------------------------------E.0.1-0801014、风管与配件制作(金属风管)检验批质量验收记录------------------------------------ -0801015、风管与配件制作(非金属、复合材料风管)检验批质量验收记录--------------- 0801026、风管部件与消声器制作分项工程质量验收记录--------------------------------- E.0.1-0801037、风管部件与消声器制作检验批质量验收记录-------------------------------------------0801038、风管系统安装(送排风、排烟系统)分项工程质量验收记录---------------E.0.1-0801049、风管系统安装(送排风、排烟系统)检验批质量验收记录-------------------------08010410、通风机安装分项工程质量验收记录------------------------------------------------E.0.1-08010811、通风机安装检验批质量验收记录----------------------------------------------------------08010812、通风与空调设备安装(通风系统)分项工程质量验收记录----------------E.0.1-08010513、通风与空调设备安装(通风系统)检验批质量验收记录---------------------------08010514、防腐与绝缘热施工(风管系统)分项工程质量验收记录-----------------------E.0.1-08010715、防腐与绝缘热施工(风管系统)检验批质量验收记录------------------------------08010716、工程系统调试分项工程质量验收记录--------------------------------------------E.0.1-08010917、工程系统调试检验批质量验收记录------------------------------------------------------08010918、防排烟系统子分部工程质量验收记录----------------------------------------F.0.1-080219、风管与配件制作分项工程质量验收记录-----------------------------------------F.0.1-08020120、风管与配件制作(金属风管)检验批质量验收记录----------------------------------08020121、风管与配件制作(非金属、复合材料风管)检验批质量验收记录---------------08020222、风管部件与消声器制作分项工程质量验收记录------------------------------- E.0.1-08010323、风管部件与消声器制作检验批质量验收记录------------------------------------------08010324、风管系统(送、排风、排烟系统)分项工程质量验收记录---------------- E.0.1-08020425、风管系统(送、排风、排烟系统)检验批质量验收记录-----------------------------08020426、防腐与绝热施工(风管系统)分项工程质量验收记录-----------------------E.0.1-08020727、防腐与绝热施工(风管系统)检验批质量验收记录---------------------------------08020728、通风机安装分项工程质量验收记录-----------------------------------------------E.0.1-08020629、通风机安装检验批质量验收记录---------------------------------------------------------08020630、工程系统调试分项工程质量验收记录--------------------------------------------E.0.1-08020931、工程系统调试检验批质量验收记录------------------------------------------------------080209单位(子单位)工程质量竣工验收记录工程名称结构类型框架层数/建筑面积12/1.6万m2施工单位技术负责人开工日期项目经理项目技术负责人竣工日期序号项目验收记录(施工单位填写)验收结论(监理或建设单位填写)1 分部工程共 4 分部,经查 4 分部符合标准及设计要求 4 分部2 质量控制资料核查共 4 项,经审查符合要求 4 项3 分部工程有关安全和功能检测资料共核查22 项,符合要求22 项4 主要功能和安全项目抽查共抽查9 项,符合要求9 项, 其中经处理后符合要求0 项5 观感质量验收共抽查10 项,符合要求10 项,不符合要求0 项6 综合验收结论(建设单位填写)参加验收单位建设单位勘察单位设计单位施工单位监理单位(公章)单位(项目)负责人:年月日(公章)单位(项目)负责人:年月日(公章)单位(项目)负责人:年月日(公章)单位负责人:年月日(公章)总监理工程师年月日注:验收记录由施工单位填写,验收结论由监理(建设)单位填写。
火灾自动报警系统消火栓系统消防泵控制箱柜调试检测检验批质量验收记录一、工程概况项目名称:火灾自动报警系统消火栓系统消防泵控制箱、柜调试、检测检验批质量验收项目地点:XX市XX区XX街道XX号建设单位:XX公司施工单位:XX公司监理单位:XX公司验收时间:20xx年xx月xx日二、质量验收内容1.质量验收项目:a.消火栓系统调试b.消防泵控制箱调试c.消防泵控制柜调试d.消防泵检测检验2.消火栓系统调试a.调试设备:XX消火栓系统调试设备b. 调试时间:20xx年xx月xx日c.调试内容:对消火栓系统进行全面调试和测试,包括主控制器、传感器、喷淋装置等功能的测试。
d.测试结果:消火栓系统各项功能正常,运行稳定可靠。
达到设计要求。
3.消防泵控制箱调试a.调试设备:XX消防泵控制箱调试设备b. 调试时间:20xx年xx月xx日c.调试内容:对消防泵控制箱进行功能测试,包括控制器、电源、开关、指示灯等功能。
d.测试结果:消防泵控制箱各项功能正常,操作便捷,符合设计要求。
4.消防泵控制柜调试a.调试设备:XX消防泵控制柜调试设备b. 调试时间:20xx年xx月xx日c.调试内容:对消防泵控制柜进行功能测试,包括控制器、电源、开关、指示灯等功能。
d.测试结果:消防泵控制柜各项功能正常,操作简单明确,达到设计要求。
5.消防泵检测检验a.检测设备:XX消防泵检测检验设备b. 检测时间:20xx年xx月xx日c.检测内容:对消防泵进行性能测试,包括流量、压力、运行状态等参数的检测。
d.检测结果:消防泵流量、压力等参数满足设计要求,运行稳定可靠。
三、质量验收结论经对火灾自动报警系统消火栓系统消防泵控制箱、柜的调试、检测检验批质量验收工作进行检查,达到了设计要求和规范标准,可以正式投入使用。
验收合格。
四、存在的问题及改进措施1.在调试过程中,发现消防泵控制箱的一些指示灯显示不正常,需要及时检修和更换。
2.调试时发现一些消火栓的水压偏低,需要进一步检查消火栓系统的管道和阀门。
单位(子单位)工程名称 2所属子分部(系统)工程名称 /分项(子系统)工程名称相关的施工部位(层、区、段、房、室)总承包施工单位项目负责人专业承包安装单位项目负责人施工执行的技术标准(含企业的工艺规程、工法等) 名称及编号与调试性能指标相关的设计文件(图)名称及编号检查调试的起止日期:年月日起至年月日止调试(检查)项目调试(检查)内容及要求调试(检查)结果(符合 / 不符合要求)1.系统设备、管道及组件的功能及安装质量检查1.1 系统管道及组件安装质量符合相关规范及设计要求1.2 室内、外消火栓布置符合图纸设计要求1.3 水泵、接合器安装符合相关规范及设计要求1.4 水泵的数量、流量、压力、泄压装置、自灌引水措施等均符合相关规范和设计要求1.5 系统的压力符合设计要求,并满足《高层民用建筑设计防火规范》GB 50045(相对于高层建筑)或《建筑设计防火规范》GBJ 16(相对于低层建筑)中最不利点处灭火所需压力的要求2.水泵启停和切换试验2.1 手动启停泵、消防中心启停泵符合相关规范及设计要求2.2 远控信号启停泵符合相关规范及设计要求2.3 稳压装置自动启停符合相关规范及设计要求2.4 主、备泵切换的可靠性符合相关规范及设计要求3.水源及其水量检测3.1 高位(屋面)水箱(池)有效容积符合设计要求3.2 低位消防水箱 (池) 有效容积符合设计要求( )( ) 3.3 消防水源与市政水源的连通符合相关规范及设计要求4.模拟喷水试射试验4.1 布设水枪符合相关规范及设计的流量要求4.2 喷水试射充实水柱符合相关规范及设计对充实水柱 (压力)的要求专业承包安装单位检查评定结果专业工长(施工员)(签名) 调试负责人(签名)主控项目全部符合要求,一般项目满足规范要求,本检验符合要求。
项目专业质量检查员 (签名): 年月日。
A—4
室内消火栓系统安装报验申请表工程名称:门源县国税局职工周转房工程编号:
由承包单位填写,经监理审批后,建设单位、承包单位、监理单位各存档。
室内消火栓系统安装工程检验批质量验收记录表
GB50242-2002
A—4
室内消火栓系统安装报验申请表工程名称:门源县国税局职工周转房工程编号:
由承包单位填写,经监理审批后,建设单位、承包单位、监理单位各存档。
室内消火栓系统安装工程检验批质量验收记录表
GB50242-2002
A—4
室内消火栓系统安装报验申请表工程名称:门源县国税局职工周转房工程编号:
由承包单位填写,经监理审批后,建设单位、承包单位、监理单位各存档。
室内消火栓系统安装工程检验批质量验收记录表
GB50242-2002
A—4
室内消火栓系统安装报验申请表工程名称:门源县国税局职工周转房工程编号:
由承包单位填写,经监理审批后,建设单位、承包单位、监理单位各存档。
室内消火栓系统安装工程检验批质量验收记录表
GB50242-2002。
消火栓灭火系统消火栓箱安装检查记录1. 引言消火栓作为消防安全设施之一,是在火灾时提供可靠供水的设施之一。
而消火栓箱是安装在消火栓旁便于存放和保护消火栓的出水口设备。
本文记录了对消火栓箱安装的检查记录,以确保其使用安全可靠。
2. 检查标准本次检查采用了如下的检查标准:1.消火栓箱是否安装在规范的消火栓栓口旁。
2.消火栓箱是否能够完整地遮盖消火栓栓口,并且能够灵活方便地打开和关闭。
3.消火栓箱是否安装固定牢固,不能摇晃或变形。
4.消火栓箱内的消防设备是否完好,并且在需要时能够方便地取出。
3. 检查流程本次检查按照如下流程进行:1.检查所有消火栓箱的安装位置,并且检查是否符合安装标准。
2.打开所有消火栓箱,检查是否完好,包括锁扣,钥匙,开启门的机械部件等。
3.验证消火栓箱是否能够完整地遮盖消火栓栓口,并且能够灵活方便地打开和关闭。
4.检查消火栓箱的固定是否稳定,消火栓箱是否使用扎带或者金属制品进行固定。
5.检查消火栓箱内的消防设备是否完好,包括消防栓、消防水枪、消防道钩、接合器等。
6.验证消火栓箱的标识是否齐全,包括使用标识、安全标识、消防用水标识等。
4. 检查结果经过检查,发现如下情况:•消火栓箱安装位置不规范,有少部分箱体离消火栓栓口存在一定距离。
•部分消火栓箱内的消防设备受到污染,不完全干净。
•部分消火栓箱的标识不齐全。
•检查过程中,未发现安装不固定,或遮盖不完好等问题。
5. 处理措施针对检查中发现的问题,采取了如下处理措施:1.重新进行消火栓箱安装,使其符合安装标准。
2.将被污染的消防设备,进行清理,确保其完好无损。
3.完善消火栓箱的标识。
4.对消火栓箱进行更加稳定的固定,确保其使用安全可靠。
6.本次消火栓灭火系统消火栓箱安装检查记录确定,对于保障消防安全有积极意义,同时发现问题及时处理,确保消火栓系统的可用性和可靠性。
我们也应该意识到在日常管理中,应在消火栓灭火系统消火栓箱的安装,标示,设备清洗及更新,以及设备保养,替换等方面进行严格管理,确保消防设备的可靠性和有效性。
消防给水及消火栓系统工程质量控制资料检查记录消防给水及消火栓系统工程是建筑工程中非常重要的一项工程,其质量直接关系到建筑物的防火安全。
为了确保工程的质量达到规定的标准,需要进行质量控制,对工程的施工过程和施工结果进行检查记录。
以下是一份消防给水及消火栓系统工程质量控制资料检查记录。
一、检查时间:2024年10月1日二、检查人员:质量检查人员A、B、C、D等共4人三、检查内容及结果:1.检查消防给水设备安装情况,包括水罐、水泵、水管等。
经检查发现,安装位置符合设计要求,设备固定稳定,无松动现象。
水罐、水泵与管道之间的连接牢固,无漏水现象。
2.检查消火栓设备安装情况,包括消火栓、水枪等。
经检查发现,消火栓和水枪安装位置合理,与楼层平面图相符,无歪斜和破损现象。
检查消火栓的水龙头,发现操作灵活,无卡阻现象。
3.检查给水管道施工情况,包括材料、焊接质量、支架等。
经检查发现,给水管道采用符合国家标准的材料,并经过焊接连接,焊缝牢固、均匀。
给水管道支架固定牢固,无松动现象。
4.检查消防主管道施工情况,包括材料、焊接质量、支架等。
经检查发现,主管道采用符合规定的材料,并经过焊接连接,焊缝牢固、均匀。
主管道的固定支架牢固可靠,无松动现象。
5.检查消防给水及消火栓系统的电气接线情况,包括电源线、开关等。
经检查发现,电线绝缘良好,接线牢固,开关操作灵活,无异常情况。
6.检查消火栓系统的水力工况,包括水泵出口压力、管道流量等。
经检查发现,水泵出口压力符合设计要求,管道流量稳定,无堵塞和渗漏现象。
四、问题整改要求:1.对于消防给水设备安装中发现的设备松动问题,要立即进行紧固处理,确保设备连接稳固。
2.对于给水管道和消防主管道支架中的松动现象,要重新固定支架,确保管道稳固不动。
3.对于发现的其他问题,如焊接质量不符合要求或电气接线存在异常情况,要及时更换或修复,并经验收合格后使用。
五、检查结论:经过本次检查,消防给水及消火栓系统工程质量良好,符合设计要求。
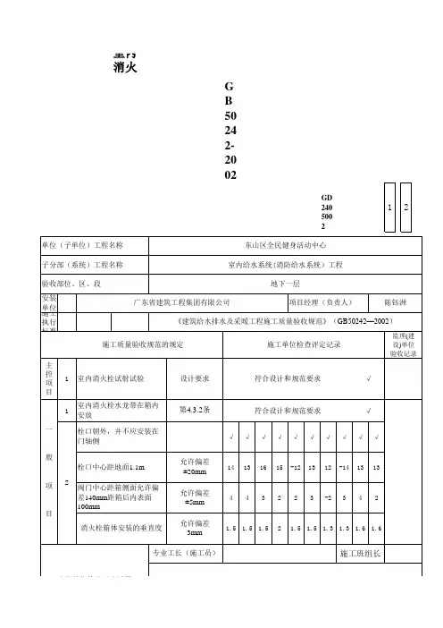
陕西省建设工程质量验收技术资料统一用表室内消火栓系统安装检验批质量验收记录陕西省建设工程质量安全监督总站编印编写说明:一、验收依据:1、《建筑给排水及采暖工程施工质量验收规范》GB50242-2002二、规范摘要:4.3 室内消火栓系统安装主控项目4.3.1 室内消火栓系统安装完成后应取屋顶层(或水箱间内)试验消火栓和首层取二处消火栓做试射试验,达到设计要求为合格。
检验方法:实地试射检查。
说明:4.3.1 室内消火栓给水系统在竣工后均应作消火栓试射试验,以检验其使用效果,但不能逐个试射,故选取有代表性的三处:、屋顶(北方一般在屋顶水箱间等室内)试验消火栓和首层取两处消火栓。
屋顶试验消火栓试射可检验两股充实水柱同时到达本消火栓应到达的最远点的能力。
一般项目4.3.2 安装消火栓水龙带,水龙带与水枪和快速接头绑扎好后,应根据箱内构造将水龙带挂放在箱内的挂钉、托盘或支架上。
检查方法:观察检查。
说明:4.3.2 施工单位在竣工时往往不按规定把水龙挂在消火栓箱内挂钉或水龙带卷盘上,而将水龙带卷放在消火栓箱内交工,建设单位接管后必须重新安装,否则失火时会影响使用。
4.3.3 箱式消火栓的安装应符合下列规定:1 栓口应朝外,并不应安装在门轴侧。
2 栓口中心距地面为1.1m,允许偏差±20mm。
3 阀门中心距箱侧面料140mm,距箱后内表面为100mm,允许偏差±5mm。
4 消火栓箱体安装的垂直度允许偏差为3mm.检验方法:观察和尺量检查。
说明:4.3. 箱式消火栓的安装,其栓口朝外并不应安装在门轴侧主要是取用方便;栓口中心距地面为1.1m符合现行防火设计规范规定。
控制阀门中心距侧面及后内表面距离,规定允许偏差,给出箱体安装的垂直度允许偏差均为了确保工程质量和检验方便。