施工尺寸专项检查表格(试行)
- 格式:pdf
- 大小:57.28 KB
- 文档页数:2
附件2 -1 施工、监理公司质量大检查系列用表建筑工程原材料及构配件检查状况表第1页共1页附件2 -2 施工、监理公司质量大检查系列用表建筑工程资料抽查状况表第1页共3页附件2 -2 施工、监理公司质量大检查系列用表第2页共3页附件2 -2 施工、监理公司质量大检查系列用表第3页共3页附件2 -3 施工、监理公司质量大检查系列用表建筑工程实体质量检查状况表第1页共3页附件2 -3 施工、监理公司质量大检查系列用表注:1、在建工程实体质量检查,按形象进度相应检查部位□处打√,并对检查状况中符合项在□处打√、不符合项在□处打×、空缺项在□打/。
2、参照《关于加强我市建筑工程实体质量控制关于事项告知》、《珠海市蒸压加气混凝土填充墙工程专项技术办法》和《抗震设防阐明》进行检查。
第2页共3页附件2 -3 施工、监理公司质量大检查系列用表抗震设防说明1、抗震级别一、二级划分:2、涉及柱净高两端加密箍筋和节点内箍筋3、拉结筋间距在有水平构造腰梁或系梁时可依照详细状况进行调节为600mm;4、钢筋锚固长度la应按混凝土强度级别不同而变化,详细应按设计文献规定执行。
可以参照下表:纵向受拉钢筋最小锚固长度lae注:1、B335斜线以上数字为钢筋直径≤25mm,斜线如下为钢筋直径>25mm时锚固长度;2、任何状况下锚固长度不得不大于250mm;3、钢筋在混凝土施工中易受扰动时,其锚固长度应乘以修正系数1.1。
第3页共3页附件2 -4 施工、监理公司质量大检查系列用表建筑安装工程实体质量检查状况表注:1、在建工程实体质量检查,按形象进度相应检查部位□处打√,并对检查状况中符合项在□处打√、不符合项在□处打×、空缺项在□打/。
第1页共1页附件2 -5 施工、监理公司质量大检查系列用表建筑工程竣工验收前实体质量检查状况表第1页共2页附件2 -5 施工、监理公司质量大检查系列用表注:1、在建工程竣工验收前实体质量检查,按相应检查部位□处打√,并对检查状况中符合项在□处打√、不符合项在□处打×、空缺项在□打/。
住建部城市轨道交通工程质量安全监督检查表城市轨道交通工程受检项目基本情况表督查组成员(签字):督查日期:填表说明➢针对参建单位督查表(共九张)评价标准分为2个级别,分别是符合和不符合。
一、符合:受检单位(部门)结合本地区特点,开展了督查项目所列工作。
二、不符合:受检单位(部门)未开展督查项目所列工作,或有违反法律法规及工程建设强制性标准的行为。
不涉及:受检单位(部门)所提供资料或工程现场未在督查项目所列工作的相关阶段,无法进行督查检查。
不做统计。
城市轨道交通工程质量安全督查表(省级建设行政主管部门)单位名称(省、自治区):督查组成员(签字):督查日期:城市轨道交通工程质量安全督查表(市级建设行政主管部门)单位名称(直辖市、地级市):督查组成员(签字):督查日期:城市轨道交通工程质量安全督查表(建设单位)单位名称:工程名称:督查组成员(签字):督查日期:城市轨道交通工程质量安全督查表(勘察单位)督查组成员(签字):督查日期:城市轨道交通工程质量安全督查表(设计单位)督查组成员(签字):督查日期:城市轨道交通工程质量安全督查表(监理单位)城市轨道交通工程质量安全督查表(第三方监测)城市轨道交通工程质量安全督查表(施工单位管理行为)督查组成员(签字):督查日期:城市轨道交通工程质量安全督查表(土建施工单位)督查组成员(签字):督查日期:城市轨道交通工程质量安全督查表(设备专业)单位名称:工程名称:督查组成员(签字):督查日期:城市轨道交通工程质量安全督查表(轨道专业)单位名称:工程名称:住建部检查表(供参考)督查组成员(签字):督查日期:21 / 21。
建筑施工质量检查标准混凝土工程质量检查记录表(模板拆除后)注:1、基础、地下室底层、地上首层、标准层第一层、顶层砼模板拆除后完成本表检查,检查部位不少于该层工作面的30%;2、表中未列出项在其他栏说明 .基础钢筋质量检查验收记录表注:1、表中未列出项在其他问题栏说明,凡表中资料类“有□”“是□”的均须提供附件资料以便验证。
2、基础钢筋绑扎完成浇筑砼前,进行本表内容检查。
梁板钢筋质量检查验收记录表注:1、表中未列出项在其他问题栏说明,凡表中资料类“有□"“是□”的均须提供附件资料以便验证。
2、基础模板完成,砼浇筑前进行本表内容检查。
2、地下室底层、地上首层、标准层第一层、顶层模板支设完成浇筑砼前,进行本表内容检查.砖砌体工程质量检查验收记录表(多层)注:1、表中未列出项在其他栏说明,凡表中资料类“有□"“是□”的均须提供附件资料以便验证。
2、检查节点:一层砌体样板完成,三层、五层墙体砌筑完成一个单元后各检查一次;每次抽检一户,所有房间全检;每标段抽检楼栋不少于30%.注:1、表中未列出项在其他栏说明,凡表中资料类“有□”“无□”的均须提供附件资料以便验证.2、粉刷样板作业前完成本表第一次检查,以后对每栋多层大面积施工前、四层抹灰作业前至少抽查一户;对每栋高层建筑大面积施工前抽查一次,以后需保证每栋楼至少再抽查三次,每次一户。
注:1、表中未列出项在其他栏说明。
2、粉刷样板作业完成后进行本表第一次检查,以后对每栋多层建筑在大面积施工后二层、四层至少各抽查一户;对每栋高层建筑在大面积施工后在不同楼层至少再抽查三次,每次一户。
饰面涂料(漆)施工质量检查验收记录表2、样板完成,进行一次检查;每个立面大面积涂饰完成1/2,进行一次检查.建筑施工安全检查评分汇总表建筑施工质量检查评分汇总表工程签证审核要点(一)签证不合理1、签证既签量又签价格例如:一些施工单位利用建设单位对定额费用组成不了解或者是对材料市场价格不清楚,在工程签证中采用既签量又签价格的手段多计造价,虚高材料价格。
房建工程【2 】平行检讨记载表格汇编平行磨练记载为扶植厅检讨内容;下表仅供参考,请根据项目现实情形选用!平行检讨记载(测量放线)编号:解释:项目监理机构根据工程监理计划及细则,对工程症结掌握点及隐藏工程进行检讨时填写此表.土方开挖平行检讨记载编号:解释:项目监理机构根据工程监理计划及细则,对工程症结掌握点及隐藏工程进行检讨时填写此表.土方回填平行检讨记载解释:项目监理机构根据工程监理计划及细则,对工程症结掌握点及隐藏工程进行检讨时填写此表.钻孔灌注桩监理平行磨练表工程名称:施工单位:时间:施工方代表(签字):监理单位代表(签字):人工挖孔灌注桩监理平行磨练表工程名称:施工单位:日期:施工方代表(签字):监理单位代表(签字):静压预制桩监理平行磨练表工程名称:日期:监理工程师:施工方代表:模板工程平行检讨记载解释:项目监理机构根据工程监理计划及细则,对工程症结掌握点及隐藏工程检讨时填写此表钢构造预埋螺栓安装平行检讨记载解释:项目监理机构根据工程监理计划及细则,对工程症结掌握点及隐藏工程检讨时填写此表钢筋工程平行检讨记载解释:项目监理机构根据工程监理计划及细则,对工程症结掌握点及隐藏工程检讨时填写此表砖砌体平行检讨记载解释:项目监理机构根据工程监理计划及细则,对工程症结掌握点及隐藏工程进行检讨时填写此表.混凝土外不雅平行检讨记载解释:项目监理机构根据工程监理计划及细则,对工程症结掌握点及隐藏工程进行检讨时填写此表.塑料门窗安装平行检讨记载解释:项目监理机构根据工程监理计划及细则,对工程症结掌握点及隐藏工程检讨时填写此表抹灰工程平行检讨记载解释:项目监理机构根据工程监理计划及细则,对工程症结掌握点及隐藏工程检讨时填写此表平行检讨记载(外墙保温)解释:项目监理机构根据工程监理计划及细则,对工程症结掌握点及隐藏工程检讨时填写此表饰面砖平行检讨记载(与材料出场.见证取样台帐内容根本雷同,做好台帐即可,但须有响应的记载项)混凝土试验平行检验表工程名称:施工单位:砂浆试验平行检验表工程名称:施工单位:出场材料质量平行磨练表工程名称:施工单位:回弹法测试原始记载表工程名称:施工单位:测试人:记载人:测试日期:年月日焊接平行检讨记载解释:项目监理机构根据工程监理计划及细则,对工程症结掌握点及隐藏工程进行检讨时填写此表.建筑物垂直度.标高.全高监理抽测表工程名称:施工单位:室内标高.轴线.楼板厚度监理抽测表工程名称:施工单位:注:实测误差超过许可误差时,在表中直接将该值圈出.钢构造安装平行检讨记载解释:项目监理机构根据工程监理计划及细则,对工程症结掌握点及隐藏工程进行检讨时填写此表.X射线探伤平行检讨记载解释:项目监理机构根据工程监理计划及细则,对工程症结掌握点及隐藏工程进行检讨时填写此表.钢构造防火涂料平行检讨记载解释:项目监理机构根据工程监理计划及细则,对工程症结掌握点及隐藏工程进行检讨时填写此表.沥青玻璃布防腐平行检讨记载解释:项目监理机构根据工程监理计划及细则,对工程症结掌握点及隐藏工程进行检讨时填写此表.给水安装平行检讨记载解释:项目监理机构根据工程监理计划及细则,对工程症结掌握点及隐藏工程进行检讨时填写此表.线路绝缘电阻监理平行磨练表工程名称:施工单位:防雷接地监理平行磨练表工程名称:施工单位:室内.外给水.排水预留孔洞地位(标高.安装高度)监理平行磨练记载表工程名称:施工单位:插座监理平行磨练表工程名称:施工单位:。
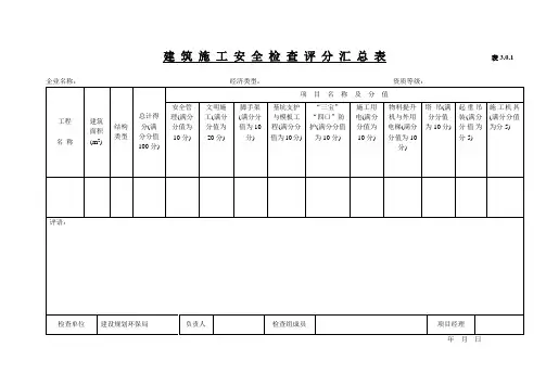
建筑施工安全检查评分汇总表表3.0.1
安全管理检查评分表表3.0.2
文明施工检查评分表表
落地式外脚手架查评分表表
悬挑式脚手架检查评分表表3.0.4-2
附着式升降脚手架(整体提升架或爬架)检查评分表表
基坑支护安全检查评分表表3.0.5
模板工程安全检查评分表表3.0.6
“三宝”、“四口”防护检查评分表表3.0.7
施工用电检查评分表表3.0.8
物料提升机(龙门架、井字架)检查评分表表3.0.9
外用电梯(人货两用电梯)检查评分表表3.0.10
塔吊检查评分表表3.0.11
起重吊装安全检查评分表表3.0.12
施工机具检查评分表表3.0.13
与安全检查标准相关的规范、标准及规定。
建筑施工质量检查标准混凝土工程质量检查记录表(模板拆除后)56注:1、基础、地下室底层、地上首层、标准层第一层、顶层砼模板拆除后完成本表检查,检查部位不少于该层工作面的30%;2、表中未列出项在其他栏说明。
基础钢筋质量检查验收记录表56注:1、表中未列出项在其他问题栏说明,凡表中资料类“有□”“是□”的均须提供附件资料以便验证。
2、基础钢筋绑扎完成浇筑砼前,进行本表内容检查。
梁板钢筋质量检查验收记录表56注:1、表中未列出项在其他问题栏说明,凡表中资料类“有□”“是□”的均须提供附件资料以便验证。
2、地下室底层、地上首层、标准层第一层、顶层梁板钢筋绑扎完成,浇混凝土前进行本表内容检查。
基础模板质量检查验收记录表56注:1、表中未列出项在其他问题栏说明,凡表中资料类“有□”“是□”的均须提供附件资料以便验证。
2、基础模板完成,砼浇筑前进行本表内容检查。
56楼层模板质量检查验收记录表56注:1、表中未列出项在其他问题栏说明,凡表中资料类“有□”“是□”的均须提供附件资料以便验证。
2、地下室底层、地上首层、标准层第一层、顶层模板支设完成浇筑砼前,进行本表内容检查。
56砖砌体工程质量检查验收记录表(多层)56注:1、表中未列出项在其他栏说明,凡表中资料类“有□”“是□”的均须提供附件资料以便验证。
2、检查节点:一层砌体样板完成,三层、五层墙体砌筑完成一个单元后各检查一次;每次抽检一户,所有房间全检;每标段抽检楼栋不少于30%。
抹灰工程质量检查验收记录表(抹灰层作业前)56注:1、表中未列出项在其他栏说明,凡表中资料类“有□”“无□”的均须提供附件资料以便验证。
2、粉刷样板作业前完成本表第一次检查,以后对每栋多层大面积施工前、四层抹灰作业前至少抽查一户;对每栋高层建筑大面积施工前抽查一次,以后需保证每栋楼至少再抽查三次,每次一户。
抹灰工程质量检查验收记录表(抹灰层作业后)56抽查一户;对每栋高层建筑在大面积施工后在不同楼层至少再抽查三次,每次一户。
建筑工程施工检验表格项目名称:__________________施工单位:__________________检验单位:__________________项目地址:__________________检验日期:__________________施工日期:__________________一、基础工程1. 地基平整度- 地基打底后,检验地基平整度是否符合设计要求。
2. 基础开挖- 检验基础开挖是否符合设计要求,深度和尺寸是否满足要求。
3. 基础底槽- 检验基础底槽的深度和宽度是否符合设计要求,槽内是否清理干净。
4. 基础混凝土浇筑- 检验基础混凝土浇筑的质量和强度是否符合设计要求,是否存在裂缝和漏浆情况。
5. 地基处理- 检验地基处理的方式和材料是否符合设计要求,处理后的地基是否平整。
二、主体结构1. 钢筋工程- 检验主体结构的钢筋工程是否符合设计要求,包括数量、规格和安装位置。
2. 混凝土浇筑- 检验主体结构混凝土浇筑的质量和强度是否符合设计要求,是否存在裂缝和漏浆情况。
3. 结构安装- 检验结构安装的精度和准确度是否符合设计要求,结构连接是否牢固。
4. 结构验收- 检验主体结构的验收情况,包括结构的水平和垂直度、尺寸和位置是否符合设计要求。
三、建筑设备1. 电气安装- 检验电气设备的安装位置和接线是否符合设计要求,接地线是否良好接地。
2. 水暖设备- 检验水暖设备的安装位置和连接是否符合设计要求,水管接头是否牢固。
3. 通风设备- 检验通风设备的安装位置和通风效果是否符合设计要求,是否存在漏风和噪音情况。
四、外观装饰1. 墙面装饰- 检验墙面装饰的平整度和颜色是否符合设计要求,是否存在开裂和脱落情况。
2. 地面装饰- 检验地面装饰的平整度和防滑性是否符合设计要求,是否存在起泡和开裂情况。
3. 外墙涂料- 检验外墙涂料的颜色和附着力是否符合设计要求,是否存在开裂和脱落情况。
五、安全设施1. 消防设备- 检验消防设备的安装位置和使用情况是否符合设计要求,是否存在故障和磨损情况。
项目名称:监督登记编号:7.2 文明施工措施7.2.1 现场是否设置五牌一图、工程管理信息牌。
7.2.2 现场围挡是否符合要求。
7.2.3 安全警示标志:在临时用电场所、施工机具使用场所、基坑临边、基坑及脚手架的安全通道等具有危(wei)险因素的生产场所、设施、设备等部位有无按规定设置明显的安全警示标志。
7.2.4 工地路面、车行道路是否硬化并做降尘处理,且措施是否落实;运输车辆驶出场区的除泥、冲洗措施是否落实;泥土暂时堆放场的设置是否合理。
7.2.5 施工现场有无根据施工作业条件制订消防制理配备场有无度。
度或者消防措施,合灭火器材,施工现建立动火审批制12项目法人: 检查时间: 7.3.1 基坑或者边坡堆置 土、 停放料具等荷载或者安 全距 离是否符合设计要 求。
7.3.2 临边 安全 防护措施 制作是否符合要求。
7. 3 基 坑及边 坡安全 措施7.4 临时用电7.3.4 深基坑或者高边坡是否按规范或者设计要求落实第三方安全监测。
7.4.1 是否做到“三级配电两级保护”。
7.4.2 分配电箱与开关箱的距离是否超过30m,开关箱与其控制的固定式用电设备的水平距离是否超过3m。
7.4.3 是否落实“一机、一闸、一漏、一箱”规定。
7.4.4 保护零线(即PE 线,绿/黄双色线)是否重复接地。
7.4.5 现场配电路线架 (敷)设是否符合规定。
7.4.6 配电箱、开关箱的垂直高度是否符合规定。
7.4.7 现场照明安全是否符合规定。
7.5.1 圆盘锯的锯片及传动部位是否按规定设置防护罩、保险档、分料器。
347.5.2 氧气、乙炔瓶安全使 用是否符合规定。
7.5.3 交流弧焊机安 全使 用是否符合规定。
7.5.4 蛙式打夯机安全使 用是否符合规定。
7.5.5 潜水泵安全使用是 否符合规定。
7.6.1 使用单位是否 与出 租单位签订出租协 议,是 否明确双方的安 全责任。
7.6.2 起重吊装机械是否 有年检合格报告、驾驶员 和信号指挥工是否持有效 上岗证件上岗。