火灾探测器保护面积及半径要求
- 格式:doc
- 大小:382.50 KB
- 文档页数:15
火灾探测器一、火灾探测器的分类(一)根据检测的火灾特性不同,火灾探测器可分为感烟、感温、感光、复合和可燃气体等五种类型,每个类型又根据其工作原理的不同而分为若干种。
火灾探测器具体可分为感烟火灾探测器、感温火灾探测器、感光火灾探测器、复合火灾探测器、可燃气体探测器,而其中感烟火灾探测器分为点型和线型,点型分为离子型和光电型,离子型有单源型和双源型组成,光电型有减光型和放射型,线型主要有激光型和红外光束型;感温火灾探测器也有点型和线型组成,点型由差温、差定温和定温组成,而线型有定温、差温、差定温型组成;感光火灾探测器主要有紫外型和红外型组成;复合火灾探测器主要有感温感烟型、感温感光型、感烟感光型、红外光束感温型;可燃气体探测器主要有催化燃烧型和光电型固体电解质型。
(二)根据感应元件的结构不同,可分为:1、点型火灾探测器。
对警戒范围中某一点周围的火灾参数作出响应。
2、线型火灾探测器。
对警戒范围中某一线路周围的火灾参数作出响应。
(三)根据操作后是否能复位,可分为:1、可复位火灾探测器。
在产生火灾报警信号的条件不再存在的情况下,不需要更换组件即能从报警状态恢复到监视状态。
根据复位的方式不同,又可分为以下三种:(1)自动复位火灾探测器。
能自动地恢复到监视状态。
(2)遥控复位火灾探测器。
通过遥控操作能恢复到监视状态。
(3)手动复位火灾探测器。
通过手动调节能恢复到监视状态。
2、不可复位火灾探测器。
(四)根据其维修保养时是否可拆,可分为:1、可拆式火灾探测器。
2、不可拆火灾探测器。
二、感烟火灾探测器。
感烟火灾探测器分为点型感烟火灾探测器和线型感烟火灾探测器。
(一)点型感烟火灾探测器1、离子感烟火灾探测器。
2、光电式感烟火灾探测器。
(二)线型感烟火灾探测器1、红外光束火灾探测器。
2、激光感烟火灾探测器。
由于激光感烟探测器涉及到光学问题,所以使用中必须特别注意如下事项:(1)在被监测的区域内不得有任何可能遮断光束的障碍物存在;(2)当工作人员进行监视区域内并有可能遮断光束时,必须预先关断激光探测器的电源,以避免探测器动作而发出误报警;(3)安装时,应当仔细地对准(校准),以确保激光发射器与接收器在同一条直线上。
前言本规范是根据原建设部《关于印发<2006年工程建设标准规范制订、修订计划(第一批)>的通知》(建标[2006]77号)的要求,由公安部沈阳消防研究所会同有关单位对原国家标准《火灾自动报警系统设计规范》GB 50116-98进行全面修订的基础上编制而成。
本规范在修订过程中,修订组遵循国家有关法律、法规和技术标准,进行了广泛深入的调查研究,认真总结了火灾事故教训和我国火灾自动报警系统工程的实践经验,参考了国内外相关标准规范,吸取了先进的科研成果,广泛征求了设计、监理、施工、产品制造、消防监督等各有关单位的意见,最后经审查定稿。
本规范共分12章和7个附录。
主要内容包括:总则、术语、基本规定、消防联动控制设计、火灾探测器的选择、系统设备的设置、住宅建筑火灾自动报警系统、可燃气体探测报警系统、电气火灾监控系统、系统供电、布线、典型场所的火灾自动报警系统等。
本次规范修订是一次全面修订。
在维持原规范基本框架、保留合理内容的基础上作了必要的补充和修改,主要体现在以下四个方面:1.补充了有关线型火灾探测器、吸气式感烟火灾探测器、可燃气体探测器、区域显示器、消防应急广播、气体灭火控制器、消防控制室图形显示装置、消防专用电话、火灾警报装置,以及模块等设备或部件的工程设计要求,使规范内容更加全面,更加符合实际需要。
2.增加了电气火灾监控系统、住宅建筑火灾报警系统、可燃气体探测报警系统的工程设计要求。
3.增加了道路隧道、油罐区、电缆隧道等典型场所使用的火灾自动报警系统的工程设计要求。
4.细化了消防联动控制的工程设计要求,使规范更具有可操作性。
本规范中以黑体字标志的条文为强制性条文,必须严格执行。
本规范由住房城乡建设部负责管理和对强制性条文的解释,由公安部消防局负责日常管理工作,由公安部沈阳消防研究所负责具体技术内容的解释。
在本规范执行过程中,希望各单位结合工程实践认真总结经验,注意积累资料,随时将有关意见和建议反馈给公安部沈阳消防研究所(地址:辽宁省沈阳市皇姑区文大路218-20号甲,邮政编码:110034),以供今后修订时参考。
(3)火灾探测器和手动火灾报警按钮的设置
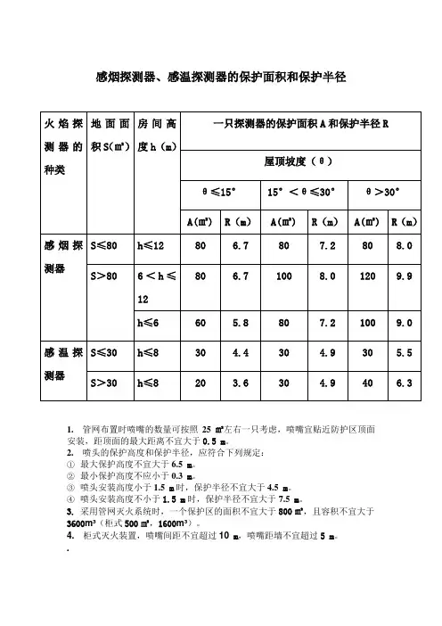
(1)感烟探测器、感温探测器的保护面积和保护半径见表15-62
表15-62 感烟探测器、感温探测器的保护面积和保护半径
(2)感烟探测器下表面至棚顶或屋顶的距离(见表15-63)
表15-63 感烟探测器下表面至棚顶或屋顶的距离
(3) 感烟探测器、感温探测器安装要求(见表15-64)
表15-64感烟探测器、感温探测器安装要求
安装场所要求安装场所要求走廊感温探测器间距<10m距电风扇净距≧1.5m 走廊内感烟探测器间距<15m距不突出的扬声器净距≧0.1m 探测器至墙壁、梁边的水平距离≧0.5m距多孔送顶棚孔净距≧0.5m 至调、送风口边水平距离≧1.5m与各种自动喷水灭火喷头净距≧0.3m 与照明灯具水平距离≧0.2m
距高温光源灯具≧0.5m与防火门、防火卷帘间距1-2m。
火灾探测器保护面积及半径要求
2009-09-29 12:31
火灾探测器:对发生火灾后的某种火灾现象的响
应并将其
转变为电信号报警的监测器件。
1、温感探测器:是对温度升高时响应的探测器,
是将温度的变化转为电信号报警。
分为定温、差
温、定差温探测器;当空间高度小于8m时一般
保护场所单只探测器的保护面积20㎡-30㎡,保
护半径为3.6m。
2、烟感探测器:是对可见或不可见的烟雾粒子响
应的探测器,由于烟雾粒子的干扰变化转为电信
号报警。
分为光电、离子、激光等;当空间高度
为6m-12m时一般保护场所单只探测器的保护面
积80㎡,空间高度为6m以下保护面积为60㎡。
保护半径为5.8 m。
3、红外线探测器:是对火焰中可见或不可见的光
辐射响应的探测器。
可分为红外火焰型、紫外火
焰型。
探测器的最大保护面积为14X100=1400㎡,最大宽度14m。
4、燃气探测器:是对单一或多种可燃气体浓度变
化响应的探测器。
可分为点型、线型(分布型)
燃气探测器安装间距,室外是每隔15米安装一只,即保护半径是7.5米;封闭和半封闭的室内场所是7米间距安装一只,即保护半径是3.5米。
有毒性气体探测器须安装在可能泄漏源1米范围内。
小型防爆区内可燃气体探测器也须安装在可能泄漏源1米范围内。
比重大于0.975即比空气重的可燃气体探头如LPG,安装在距地面0.3~1米高度内;比重比空气小的可燃气体探头如氢气安装在距吊顶0.3~2米范围内。
感烟探测器、感温探测器的保护面积和保护半径
1.管网布置时喷嘴的数量可按照25㎡左右一只考虑,喷嘴宜贴近防护区顶面安装,距顶面的最大距离不宜大于0.5 m。
2.喷头的保护高度和保护半径,应符合下列规定:
①最大保护高度不宜大于6.5 m。
②最小保护高度不应小于0.3 m。
③喷头安装高度小于1.5 m时,保护半径不宜大于4.5 m。
④喷头安装高度不小于1.5 m时,保护半径不宜大于7.5 m。
3.采用管网灭火系统时,一个保护区的面积不宜大于800㎡,且容积不宜大于3600m³(柜式500㎡,1600m³)。
4. 柜式灭火装置,喷嘴间距不宜超过10 m,喷嘴距墙不宜超过5 m。
.。
前言本规范是根据原建设部《关于印发<2006年工程建设标准规范制订、修订计划(第一批)>的通知》(建标[2006]77号)的要求,由公安部沈阳消防研究所会同有关单位对原国家标准《火灾自动报警系统设计规范》GB 50116-98进行全面修订的基础上编制而成。
本规范在修订过程中,修订组遵循国家有关法律、法规和技术标准,进行了广泛深入的调查研究,认真总结了火灾事故教训和我国火灾自动报警系统工程的实践经验,参考了国内外相关标准规范,吸取了先进的科研成果,广泛征求了设计、监理、施工、产品制造、消防监督等各有关单位的意见,最后经审查定稿。
本规范共分12章和7个附录。
主要内容包括:总则、术语、基本规定、消防联动控制设计、火灾探测器的选择、系统设备的设置、住宅建筑火灾自动报警系统、可燃气体探测报警系统、电气火灾监控系统、系统供电、布线、典型场所的火灾自动报警系统等。
本次规范修订是一次全面修订。
在维持原规范基本框架、保留合理内容的基础上作了必要的补充和修改,主要体现在以下四个方面:1.补充了有关线型火灾探测器、吸气式感烟火灾探测器、可燃气体探测器、区域显示器、消防应急广播、气体灭火控制器、消防控制室图形显示装置、消防专用电话、火灾警报装置,以及模块等设备或部件的工程设计要求,使规范内容更加全面,更加符合实际需要。
2.增加了电气火灾监控系统、住宅建筑火灾报警系统、可燃气体探测报警系统的工程设计要求。
3.增加了道路隧道、油罐区、电缆隧道等典型场所使用的火灾自动报警系统的工程设计要求。
4.细化了消防联动控制的工程设计要求,使规范更具有可操作性。
本规范中以黑体字标志的条文为强制性条文,必须严格执行。
本规范由住房城乡建设部负责管理和对强制性条文的解释,由公安部消防局负责日常管理工作,由公安部沈阳消防研究所负责具体技术内容的解释。
在本规范执行过程中,希望各单位结合工程实践认真总结经验,注意积累资料,随时将有关意见和建议反馈给公安部沈阳消防研究所(地址:辽宁省沈阳市皇姑区文大路218-20号甲,邮政编码:110034),以供今后修订时参考。
目录术语 (4)2.0.3 探测区域:将报警区域按探测火灾的部位划分的单元。
(4)2.0.4 保护面积:一只火灾探测器能有效探测的面积。
(4)2.0.5 安装间距:两只相邻火灾探测器中心之间的水平距离。
(4)2.0.6 保护半径:一只火灾探测器能有效探测的单向最大水平距离。
(4)2.0.9 联动触发信号:消防联动控制器接收的用于逻辑判断的信号。
(4)基本规定 (4)1.1 系统形式的选择和设计要求 (4)3.2.1 火灾自动报警系统形式的选择,应符合下列规定: (4)3.2.2 区域报警系统的设计,应符合下列规定: (4)3.2.3 集中报警系统的设计,应符合下列规定: (5)3.2.4 控制中心报警系统的设计,应符合下列规定: (5)1.2 报警区域和探测区域的划分 (5)3.3.1 报警区域的划分应符合下列规定: (5)3.3.2 探测区域的划分应符合下列规定: (5)3.3.3 下列场所应单独划分探测区域: (5)1.3 消防控制室 (5)4.1 一般规定 (6)4.2 自动喷水灭火系统的联动控制设计 (6)4.2.1 湿式系统和干式系统的联动控制设计,应符合下列规定: (6)4.2.2 预作用系统的联动控制设计,应符合下列规定: (7)4.2.3 雨淋系统的联动控制设计,应符合下列规定: (7)4.2.4 自动控制的水幕系统的联动控制设计,应符合下列规定: (7)4.3 消火栓系统的联动控制设计 (7)4.4 气体灭火系统、泡沫灭火系统的联动控制设计 (8)2 选择阀的动作信号。
(9)3 压力开关的动作信号。
(9)4.5 防烟排烟系统的联动控制设计 (9)4.6 防火门及防火卷帘系统的联动控制设计 (9)4.7 电梯的联动控制设计 (10)4.8 火灾警报和消防应急广播系统的联动控制设计 (10)4.9 消防应急照明和疏散指示系统的联动控制设计 (11)4.10 相关联动控制设计 (11)5.1 一般规定 (11)5.1.1 火灾探测器的选择应符合下列规定: (11)5.2 点型火灾探测器的选择 (12)1 相对湿度度经常大于95% 。
各种消防设备(施)的设置要求一、感烟探测器、感温探测器的保护面积和保护半径二、消火栓启泵按钮每个室内消火栓必须设置起泵按钮。
消火栓按钮按下时能达致一可直接启泵,不需经由报警系统就能直接启泵。
因为,报警系统毕竟有因故障而报不了警或联动失败的可能,二可向消防中心报警,当然如报警控制器处于自动位时也能联动启泵。
三、手动报警按钮的设置每个防火分区要至少设一个,如果这些场所是独立的防火分区,那就要设。
四、声光报警器的设置原则1、每个防火分区的安全出口处应设置火灾声光警报器,其位置宜设在各楼层走道靠近楼梯出口处。
2、具有多个报警区域的保护对象,宜选用带有语音提示的火灾声警报器,语音应同步。
3、同一建筑中设置多个火灾声警报器时,应能同时启动和停止所有火灾声警报器工作。
五、区域显示器:区域显示器就是通常所说的楼层显示器,又称火灾显示盘、层显等,今天将为大家讲解区域显示器如何设置。
1、宾馆、饭店等场所宜在每个报警区域设置一台区域显示器(火灾显示盘)。
当一个报警区域包括多个楼层时,可在每个楼层设置一台仅显示本楼层的区域显示器(火灾显示盘)。
2、火灾显示盘应设置在明显的和便于操作部位。
当安装在墙上时,其底边距地高度宜为 1.3~1.5m。
六、消防电话5.6.1 消防专用电话网络应为独立的消防通信系统。
5.6.2 消防控制室应设置消防专用电话总机,且宜选择共电式电话总机或对讲通信电话设备。
5.6.3 消防电话分机或电话塞孔的设置,应符合下列要求:5.6.3.1 下列部位应设置消防专用电话分机:(1)消防水泵房、备用发电机房、配变电室、主要通风和空调机房、排烟机房、消防电梯机房及其他与消防联动控制有关的且经常有人值班的机房。
(2)灭火控制系统操作装置处或控制室。
(3)企业消防站、消防值班室、总调度室。
5.6.3.2 设有手动火灾报警按钮、消火栓按钮等处宜设置电话塞孔。
消防电话塞孔在墙上安装时,其底边距地面高度宜为1.3~1.5m。
火灾探测器的选择与布置摘要:在火灾自动报警系统中,探测器的选择是否合理,关系到系统能否正常运行,合理的选择探测器很重要.关键词: 火灾探测器选择与布置火灾自动报警系统中,探测器起到关键的作用.它的工作稳定性、可靠性和灵敏度等技术指标直接影响整个消防系统的运行。
探测器的选择应根据探测区域内的环境条件、火灾特点、房间高度、安装场所的气流状况等因素考虑。
一.根据火灾特点、环境条件及安装场所确定探测器的类型火灾受可燃物质的类别、着火的性质、可燃物质的分布、着火场所的条件、火灾荷重、新鲜空气的供给程度以及环境温度等因素的影响。
把火灾的发生和发展一般分为四个阶段:前期、早期、中期和晚期。
根据以上对火灾特点的分析选择探测器:(1)火灾初期有阴燃阶段,即产生大量的烟和少量的热,很少或没有火焰辐射的火灾,如棉、麻织物的引燃等,应选用感烟探测器。
不适合选用的场所:正常情况下有烟的场所,经常有粉尘及水蒸气等固体。
(2)感温型探测器作为火灾形成早期(早期、中期)报警非常有效。
因其工作稳定,不受非火灾性烟雾汽层等干扰。
凡无法应用感烟探测器、允许产生一定的物质损失非爆炸性的场合都可采用感温型探测器,特别适用于经常存在大量粉尘、烟雾、水蒸气的场所及相对湿度经常高于95%的房间,但不宜用于有可能产生阴燃火的场所。
(3)离子感烟与光电感烟探测器的适用场合基本相同,但应注意它们各有不同的特点。
离子感烟探测器对人眼看不到的微小颗粒同样敏感,例如人能嗅到的油漆味、烤焦味等都能引起探测器动作,甚至一些分子量大的气体分子,也会使探测器发生动作,在风速过大的场合(例如大于6M/S)将引起探测器不稳定,且其敏感元件的寿命较光电感烟探测器的短。
(4)对于有强烈的火焰辐射而仅有少量烟和热产生的火灾,如轻金属及它们的化合物的火灾,应选用感光探测器,但不宜在火焰出现前有浓烟扩散的场所及探测器的镜头易被污染、遮挡、以及受电焊、X射线等影响的场所中使用。
一级消防工程师考点火灾探测器的设置火灾探测器的设置1)点型感烟、感温火灾探测器的保护面积和半径点型感烟火灾探测器和Al、A2、B型感温火灾探测器的保护面积和保护半径,应按下表确定;C、D、E、F、G型感温探火灾测器的保护面积和保护半径,应根据生产企业设计说明书确定,但不应超过下表规定。
2)点型感烟感温火灾探测器的安装间距要求3)①感烟火灾探测器、感温火灾探测器的安装间距,应根据探测器的保护面积A和保护半径R确定,并不应超过相关规定的范围;②在宽度小于3m的内走道顶棚上设置点型探测器时,宜居中布置。
感温火灾探测器的安装间距不应超过1om;感烟火灾探测器的安装间距不应超过15m;探测器至端墙的距离,不应大于探测器安装间距的1/2。
③点型探测器至墙壁、梁边的水平距离,不应小于0.5m。
④点型探测器周围0.5m内,不应有遮挡物。
⑤点型探测器至空调送风口边的水平距离不应小于1.5m,并宜接近回风口安装。
探测器至多孔送风顶棚孔口的水平距离不应小于0.5m。
⑥当屋顶有热屏障时,点型感烟火灾探测器下表面至顶棚或屋顶的距离,应符合下表的规定。
3)点型感烟、感温火灾探测器的设置数量①探测区域的每个房间应至少设置一只火灾探测器。
②一个探测区域内所需设置的探测器数量,应经计算确定。
③在有梁的顶棚上设置点型感烟火灾探测器、感温火灾探测器时,应符合下列规定:探测器下表面至屋顶最高处的距离,应符合相关规定。
⑤房间被书架、设备或隔断等分隔,其顶部至顶棚或梁的距离小于房间净高的5%时,每个被隔开的部分应至少安装一只点型探测器。
4)火焰探测器和图像型火灾探测器的设置①应考虑探测器的探测视角及最大探测距离,可通过选择探测距离长、火灾报警响应时间短的火焰探测器,提高保护面积要求和报警时间要求。
②探测器的探测视角内不应存在遮挡物。
③应避免光源直接照射在探测器的探测窗口。
④单波段的火焰探测器不应设置在平时有阳光、白炽灯等光源直接或间接照射的场所。
一、总则1、为了合理设计火灾自动报警系统,防止和减少火灾危害,保护人身和财产安全,制定本规范。
2、本规范适用于工业与民用建筑内设置的火灾自动报警系统,不适用于生产和贮存火药、炸药、弹药、火工品等场所设置的火灾自动报警系统。
3、火灾自动报警系统的设计,必须遵循国家有关方针、政策,针对保护对象的特点,做到安全适用、技术先进、经济合理。
4、火灾自动报警系统的设计,除执行本规范外,尚应符合现行的有关强制性国家标准、规范的规定。
二、术语1、报警区域Alarm Zone 将火灾自动报警系统的警戒范围按防火分区或楼层划分的单元。
2、探测区域Detection Zone 将报警区域按探测火灾的部位划分的单元。
3、保护面积Monitoring Area 一只火灾探测器能有效探测的面积。
4、安装间距Spacing 两个相邻火灾探测器中心之间的水平距离。
5、保护半径Monitoring Radius 一只火灾探测器能有效探测的单向最大水平距离。
6、区域报警系统Local Alarm System 由区域火灾报警控制器和火灾探测器等组成,或由火灾报警控制器和火灾探测器等组成,功能简单的火灾自动报警系统。
7、集中报警系统Remote Alarm System 由集中火灾报警控制器、区域火灾报警控制器和火灾探测器组成,或由火灾报警控制器、区域显示器和火灾探测器等组成,功能较复杂的火灾自动报警系统。
8、控制中心报警系统Control Center Alarm System 由消防控制室的消防控制设备、集中火灾报警控制制器、区域火灾报警控制器和火灾探测器等组成,或由消防控制室的消防控制设备、火灾报警控制器、区域显示器和火灾探测器等组成,功能复杂的火灾自动报警系统。
三、系统保护对象分级及火灾探测器设置部位3.1 系统保护对象分级3.1.1火灾自动报警系统的保护对象应根据其使用性质、火灾危险性、疏散和扑救难度等分为特级、一级和二级,并宜符合表的规定。
点蚁灾探测器设置要求规范解读目录1.导语 (1)2.点型火灾探测器 (1)3.火灾探测器安装规范 (1)4.设置场所 (2)5.吸气式感烟火灾探测器的设置要求 (4)6.点型火灾探测器的设置要求 (6)6.1.探测器的保护面积和保护半径 (7)6.2.探测器安装间 (8)6.3.探测器的设置数量 (9)6.4.实例 (10)7.附录一点型感温火灾探测器分类 (11)8.附录二火灾探测器的具体设置部位 (11)1 .导语今日消防工程为小伙伴们推送一篇,点型火灾探测器设置要求规范解读。
如你看完后仍然有不解或者专业上的问题,请加胡主编微信,让您与专家进行直线交流!2 .点型火灾探测器火灾探测器根据其探测火灾特征参数的不同,可以分为感烟、感温、感光、气体、复合等5种基本类型。
火灾探测器类型的选择,要根据探测区域内可能发生的初期火灾的形成和发展特征、房间高度、环境条件,以及可能引起误报的原因等因素来决定。
新《火规》第5章火灾探测器的选择进行了规定,在此不赘述。
结合火灾探测器产品发展现状,新《火规》在98版的基础上增加了目前已有运用的火灾探测器,设计人员应依据规范正确设计选用,对于新?火规?未涉及的其他火灾探测器应按企业提供的设计手册或使用说明书进行设置。
3 .火灾探测器安装规范要看具体的类型,不同类型的火灾探测器,安装规范是不一样的。
1)线型火灾探测器安装规范1.1)光束轴线在大空间安装时,光束轴线距离地面须大于二十米,到顶棚的高度应该0.3至1米。
1.2)接收器与发射器的光路距离须小于一百米。
1.3)探测器的安装距离须小于十四米。
探测器距离侧墙应小于七米,大于零点五米。
1.4)接收器与发射器间必须无干扰源或遮挡物。
1.5)安装发射器与接收器时,为防止移动,应固定住。
2)点型火灾探测器安装规范1.1)探测器到墙面的距离大于零点五米。
2.2)探测器四周的零点五米范围内,不得有其它遮挡物体。
3.3)探测器到空调风口边或多孔的送风顶棚孔品的距离应大于一点五米。
火灾自动报警系统探测器设置规范探测区域的每个房间至少应设置一只火灾探测器.感烟探测器、感温探测器的保护面积和保护半径.烟感:(1)当地面面积<80平方时,屋顶高度<12米,保护面积为80平方,保护半径米;(2)当地面面积>80平方时,屋顶高度<6米,保护面积为60平方,保护半径为米.例:1500平方面积空间高度在6-12米的时候,的保护面积按照80㎡计算.在6025米的地方,首先算出总面积1500㎡,然后根据总面积除以802算出,所以数量是19个.按照米的保护半径来说的话,烟感之间最大间距是米按照米的保护半径来说的话,烟感之间最大间距是米小于3米的走道,设置感烟不应该超过10米一个的距离.感烟、感温探测器与灯具的水平净距应大于;与自动喷淋头的净距应大于;与嵌入式扬声器的净距应大于;与空调送风口的净距应大于;与墙壁、梁边及其他遮挡物的距离应大于,温感:1当地面面积<30平方时,屋顶高度<8米,保护面积为30平方,保护半径为米;2当地面面积>30平方时,屋顶高度<8米,保护面积为20平方,保护半径为米.感温探测器从温度范围分类有20来种,常见的是A1和A1R,A2和A2R,A1动作温度下限是54℃,动作温度上限是65℃;A2动作温度下限是54℃,动作温度上限是70℃.A1R和A2R等带“R”标志的,多了一个差温报警,就是一定时间内,温度骤升一定℃比如℃/m就会报警.探测温度一般是54℃-70℃,按照国家的标准,探测温度最高的可达到160℃. 温感定温报警温度一般是设置在57度左右.3一个探测区域内所需设置的探测器数量N,不应小于下式的计算值:在有梁的顶棚上设置感烟探测器、感温探测器时,应符合下列规定:当梁突出顶棚的高度小于200mm时,可不计深对探测器保护面积的影响.1当梁突出顶棚的高度为200~600mm时,应按本规范附录B、附录C确定梁对探测器保护面积的影响和一只探测器能够保护的梁间区域的个数.2当梁突出顶棚的高度超过600mm时,被梁隔断的每个梁间区域至少应设置一只探测器.3当被梁隔断的区域面积超过一只探测器的保护面积时,被隔断的区域应按本规范条规定计算探测器的设置数量.4当梁间净距小于1m时,可不计梁对探测器保护面积的影响.5在宽度小于3m的内走道顶棚上设置探测器时,宜居中布置.感温探测器的安装间距不应超过10m;感烟探测器的安装间距不应超过15m;探测器至端墙的距离,不应大于探测器安装间距的一半.6探测器至墙壁、梁边的水平距离,不应小于.7探测器周围内,不应有遮挡物.8房间被书架、设备或隔断等分隔,其顶部至顶棚或梁的距离小于房间净高的5%时,每个被隔开的部分至少应安装一只探测器.9探测器至空调送风口边的水平距离不应小于,并宜接近回风口安装.探测器至多孔送风顶棚孔口的水平距离不应小于.10当屋顶有热屏障时,感烟探测器下表面至顶棚或屋顶的距离,应符合表的规定.锯齿型屋顶和坡度大小15°的人字型屋顶,应在每个屋脊处设置一排探测器,探测器下表面至屋顶最高处的距离.11探测器宜水平安装.当倾斜安装时,倾斜角不应大于45°.12在电梯井、升降机井设置探测器时,其位置宜在井道上方的机房顶棚上.手动火灾报警按钮的设置1每个防火分区应至少设置一个手动火灾报警按钮.从一个防火分区内的任何位置到最邻近的一个手动火灾报警按钮的距离不应大于30m.手动火灾报警按钮宜设置在公共活动场所的出入口处.2手动火灾报警按钮应设置在明显的和便于操作部位.当安装在墙上时,其底边距地高度宜为13~15m,且应有明喷淋头的间距表管道规定直径下可安装喷淋头DN25:1个 DN32:2个 DN40:4个 DN50:8个 DN65:16个 DN80:32个 DN100:64个管道支架间距管道耐压试验(1)喷头溅水盘与吊顶、楼板、屋面板的距离,不宜小于厘米,并不宜大于15 厘米,当楼板、屋面板为耐火极限等于或大于小时的非燃烧体时,其距离不宜大于 30 厘米.注:吊顶型喷头可不受上述距离的限制.(2)3布置在有坡的屋面板、吊顶下面的喷头应垂直于斜面,其间距按水平投影计算.当屋面板坡度大于1:3 并且在距屋脊 75 厘米范围内无喷头时,应有屋脊处增设一排喷头.(3)4喷头溅水盘布置在梁侧附近时喷头与梁边的距离,应按不影响喷洒面积的要求确定.(4)5 在门窗口处设置喷头时,喷头距洞口上表面的距离不应大于 15 厘米;距墙面的距离不宜小于厘米,并不宜大于15 厘米.(5)仓库的喷头布置,喷头溅水盘与其下方被保护物的垂直距离,应符合下列要求:(6)1距可燃物品的堆垛,不应小于 90 厘米;(7)2距难燃物品的堆垛,不应小于 45 厘米;(8)3 在可燃物品或难燃物品堆垛之间应设一排喷头,且堆垛边与喷头的垂线水平距离不应小于 30 厘米.(9)4设置在屋面板下的喷头,间距不应大于 2 米;(10)5货架内应分层布置喷头.分层布置喷头的垂直高度,当储存可燃物品时,不应大于4 米;当储存难燃物品时,不应大于6 米;6喷头间一般不超过,距墙一般不超过,但是施工图上是要标注距离的分层板上如有孔洞、缝隙,应在该处喷头上方设置集热板.1 室内净空高度超过 8 米的大空间建筑物,在其顶板或吊顶下可不设喷头.装有自动喷水灭火系统的建筑物,其吊顶至楼板或屋面板的净距大于80 厘米的闷顶和技术夹层,当其内有可燃物或装设电缆、电线时,应在闷顶或技术夹层内设置喷头.2在自动扶梯、螺旋梯穿过楼板的部位,应设置喷头或采用水幕分隔.3装有自动喷水灭火系统的建筑物、构筑物,与其相连的下列部位应布置喷头;运送可燃物品的通廊存放、装卸可燃物品的货棚;1 装有自动喷水灭火系统的建筑物、构筑物内,有下列情况的部位应布置喷头:2宽度大于 80 厘米的挑廊下面;3宽度大于 80 厘米的矩形风道或直径大于1 米的圆形风道下面.4除吊顶型喷头及吊顶下安装的喷头外,直立型、下垂型标准喷头,其溅水盘与顶板的距离,不应小于75mm,不应大于150mm.5当在梁或其他障碍物底面下方的平面上布置喷头时,溅水盘与顶板的距离不应大于300mm,同时溅水盘与梁等障碍物底面的垂直距离不应小于25mm,不应大于1OOmm.6在梁间布置喷头时,应符合本规范7.2.1条的规定.确有困难时,溅水盘与顶板的距离不应大于550mm.梁间布置的喷头,喷头溅水盘与顶板距离达到550mm仍不能符合7.2.1条规定时,应在梁底面的下方增设喷头.7密肋梁板下方的喷头,溅水盘与密肋梁板底面的垂直距离,不应小于25mm,不应大于1OOmm.8净空高度不超过8m的场所中,间距不超过4×4m布置的十字梁,可在梁间布置1只喷头,但喷水强度仍应符合表5.0.1的规定.图书馆、档案馆、商场、仓库中的通道上方宜设有喷头.喷头与被保护对象的水平距离,不应小于;净空高度大于800mm的闷顶和技术夹层内有可燃物时,吊顶内有可燃物时需使用上下喷直立式边墙型喷头,其溅水盘与顶板的距离不应小于1OOmm,且不宜大于150mm,与背墙的距离不应小于50mm,并不应大于1OOmm.水平式边墙型喷头溅水盘与顶板的距离不应小于150mm,且不应大于300mm.防火分隔水幕的喷头布置,应保证水幕的宽度不小于6m.采用水幕喷头时,喷头不应少于3排;采用开式洒水喷头时,喷头不应少于2排.防护冷却水幕的喷头宜布置成单排.消火栓系统1室外消火栓系统用水量为30l/s,建筑物150米范围内应不少于2只的市政消火栓,否则应增加.室内消火栓系统用水量为20l/s.2.消火栓选用:室内消火栓采用Φ19水枪,25m长水龙带,DN65栓口及启泵按钮各一只,a.水平干管检修时停止使用的消火栓每层不应超过5个.b.消火栓布置可根据现场情况作适当调整. 室内消火栓的保护半径为30m,二次装修时不能影响消火栓的使用.应急照明灯应急照明灯电源采用自带蓄电池做备用电源,连续供电时间不小于30分钟,疏散走道照度不低于,线路采用耐火导线穿金属管暗敷.排烟风机排烟风机排烟量按各最大防烟分区建筑面积不小于120m3/h计算.排烟防火阀为常开,该阀应与排烟风机联锁,当烟气温度大于280℃时该阀关闭.。
火灾探测器保护面积及半径要求火灾探测器:对发生火灾后的某种火灾现象的响应并将其转变为电信号报警的监测器件。
1、温感探测器:是对温度升高时响应的探测器,是将温度的变化转为电信号报警。
分为定温、差温、定差温探测器;当空间高度小于8m时一般保护场所单只探测器的保护面积20㎡-30㎡,保护半径为3.6m。
2、烟感探测器:是对可见或不可见的烟雾粒子响应的探测器,由于烟雾粒子的干扰变化转为电信号报警。
分为光电、离子、激光等;当空间高度为6m-12m时一般保护场所单只探测器的保护面积80㎡,空间高度为6m以下保护面积为60㎡。
保护半径为5.8 m。
3、红外线探测器:是对火焰中可见或不可见的光辐射响应的探测器。
可分为红外火焰型、紫外火焰型。
探测器的最大保护面积为14X100=1400㎡,最大宽度14m。
4、燃气探测器:是对单一或多种可燃气体浓度变化响应的探测器。
可分为点型、线型(分布型)燃气探测器安装间距,室外是每隔15米安装一只,即保护半径是7.5米;封闭和半封闭的室内场所是7米间距安装一只,即保护半径是3.5米。
有毒性气体探测器须安装在可能泄漏源1米范围内。
小型防爆区内可燃气体探测器也须安装在可能泄漏源1米范围内。
比重大于0.975即比空气重的可燃气体探头如LPG,安装在距地面0.3~1米高度内;比重比空气小的可燃气体探头如氢气安装在距吊顶0.3~2米范围内。
3.4 火灾自动报警设备安装要求:3.4.1 进厂火灾自动报警设备应根据设计图纸的要求,对型号、数量、规格、品种、外观等进行检查,并提供给国家消防电子产品,质量监督检测中心有效的检测检验合格的报告,及其它有关安装接线要求的资料,同时与提供设备的单位办理进厂设备检查手续。
3.4.2点型火灾探测器、气体火灾探测器、红外光束火灾探测器的安装要求。
3.4.2.1感烟感温探测器的保护面积和保护半径应符合要求,见表6-3。
3.4.2.2感烟感温探测器的安装间距不应超过图6-5中的极限曲线D1-D11(含D9’)所规定的范围,并由探测器的保护面积A和保护半径R确定探测器的安装间距的极限曲线。
感烟感温探测器的保护面积和保护半径表6-33.4.2.3一个探测器区内需设置的探测器数量应按下式计算:N=S/K·A式中N——一个探测区域内所需设置的探测器数量(只),并取整数。
S——一个探测区域的面积(m2):A——一个探测器的保护面积(m2);K——修正系数,重点保护建筑取O.7~0.9,其余取1.0。
3.4.2.4在顶棚上设置感烟、感温探测器时,梁的高度对探测器安装数量影响。
a 梁突出顶棚高度小于200mm的顶棚上设置感烟、感温探测器时,可不考虑对探测器保护面积的影响。
b 当梁突出顶棚的高度在200mm~600mm时,应按图6-6和表6-4来确定梁的影响和一只探测器能保护的梁间区域的个数。
C 当梁突出顶棚的高度超过600mm,被染隔断的每个梁间区域应至少设置一只探测器;d 当被梁隔断区域面积超过一只探测器的保护面积时,应视为一个探测区域,计算探测器的设置数量。
3.4.2.5当房屋顶部有热屏障时,感烟探测器下表面至顶棚距离应符合表6-5的规定。
锯齿型屋顶和坡度大于15°的人字型屋顶,应在每个屋脊处设置一排探测器,探测器下表西距屋顶最高处的距离应符合表6-5的规定。
3.4.2.6探测器宜水平安装,如必须倾斜安装时,倾斜角不应大于45°。
3.4.2.7 房间被书架、设备或隔断等分隔,其顶部至顶棚或梁的距离小于房间净高的5%,则每个被隔开的部分应设置探测器。
3.4.2.8探测器周围O.5m内,不应有遮挡物,探测器至墙壁、梁边的水平距离,不应小于0.5m,见图6-7。
3.4.2.9探测器至空调送风口边的水平距离不应小于1.5m,见图6-8,至多孔送风顶棚孔口的水平距离不应小于0.5m(是指在距离探测器中心半径为0.5m范围内的孔洞用非燃烧材料填实,或采取类似的挡风措施)。
按梁区域面积确定一只探测器能够保护的梁间区域的个数表6-4测器下表面距顶棚(或屋顶)的距离表6-53.4.2.10在宽度小于3m的走道顶上设置探测器时,宜居中布置。
感温探测器的安装间距不应超10m,感温探测器的安装间距不应超过15m,探测器至端墙的距离,不应大于探测器安装间距的一半。
3.4.2.11在电梯井、升降机井设置探测器时其位置宜在井道上方的机房顶棚上。
3.4.2.12下列场所可不设火灾探测器:a 厕所、浴室等潮湿场所:b 不能有效探测火灾的场所:C 不便于使用、维修的场所(重点部位除外)。
3.4.2.13 可燃气体探测器应安装在气体容易泄漏出来,气体容易流经的场所,及容易滞留的场所,安装位置应根据被测气体的密度、安装现场气流方向、温度等各种条件来确定。
见图6-9。
a 密度大、比空气重的气体,如液化石油气应安装在下部,一般距地0.3m。
且距气灶小于4mm的适当位置。
b 人工煤气密度小且比空气轻,可燃气体探测器应安装在上方,距气灶小于8m的排气口旁处的顶棚上。
如没有排气口应安装在靠近煤气灶梁的一侧,梁高与探测器的关系见3.4.2.4条规定。
C 其它种类可燃气体,可按厂家提供的并经国家检测合格的产品技术条件来确定其探测器的安装位置。
3.4.2.14红外光束探测器的安装位置,应保证有充足的视场,发出的光柬应与顶棚保持平行,远离强磁场,避免阳光直射,底座应牢固地安装在墙上,安装高度见图6-10。
3.4.2.15其它类型的火灾探测器的安装要求应按设计和厂家提供的技术资料进行安装。
3.4.2.16探测器的底座应固定可靠,在吊顶上安装时应先把盒子固定在主龙骨上或在顶棚上生根作支架,其连接导线必须可靠压接或焊接,当采用焊接时不得使用带腐蚀性的助焊剂,外接导线应有0.15m的余量,入端处应有明显标志。
3.4.2.17探测器确认灯应面向便于人员观察的主要入口方向。
3.4.2.18探测器底座的穿线孔宜封堵,安装时应采取保护措施(如装上防护罩)。
3.4.2.19探测器的接线应按设计和厂家要求接线,但“+”线应为红色,“一”线应为兰色,其余线根据不同用途采用其它颜色区分,但同一工程中相同的导线颜色应一致。
3.4.2.20探测器的头在即将调试时方可安装,安装前应妥善保管,并应采取防尘、防潮、防腐蚀等措施。
3.4.3手动火灾报警按钮的安装。
3.4.3.1 报警区内的每个防火分区应至少设置一只手动报警按扭,从一个防火分区内的任何位置到最近一个手动火灾报警按扭的步行距离不应大于30m。
3.4.3.2手动火灾报警按钮应安装在明显和便于操作的墙上,距地高度1.5m,安装牢固并不应倾斜。
3.4.3.3 手动火灾报警按钮外接导线应留有0.10m的余量,且在端都应有明显标志。
3.4.4端子箱和模块箱安装。
3.4.4.1 端子箱和模块箱一般设置在专用的竖井内,应根据设计要求的高度用金属膨胀螺栓固定在墙壁上明装。
且安装时应端正牢固,不得倾斜。
3.4.4.2用对线器进行对线编号,然后将导线留有一定的余量,把控制中心来的干线和火灾报警器及其它的控制线路分别绑扎成束。
分别设在端子板两侧,左边为控制中心引来的干线,右侧为火灾报警探测器和其它设备来的控制线路。
3.4.4.3压线前应对导线的绝缘进行摇测,合格后再按设计和厂家要求压线。
3.4.4.4模块箱内的模块按厂家和设计要求安装配线,合理布置,且安装应牢固端正,并有用途标志和线号。
3.4.5火灾报警控制器安装。
3.4.5.1火灾报警控制器(以下简称控制器)接收火灾探测器和火火报警按钮的火灾信号及其它报警信号,发出声、光报警,指示火灾发生的部位,按照预先编制的逻辑,发出控制信号,联动各种灭火控制设备,迅速有效的扑灭火灾。
为保证设备的功能必须做到精心施工,确保安装质量。
火灾报警器一般应设置在消防中心、消防值班室、警卫室及其它规定有人值班的房间或场所。
控制器的显示操作面板应避开阳光直射,房间内无高温、高湿、尘上、腐蚀性气体;不受振动、冲击等影响。
见图6-11。
3.4.5.2设备安装前土建工作应具备下列条件:a 屋顶、楼板施工已完毕,不得有渗漏。
b 结束室内地面、门窗、吊顶等安装。
C 有损设备安装的装饰工作全部结束。
3.4.5.3区域报警控制器在墙上安装时;其底边距地面高度不应小于1.5m,可用金属膨胀螺栓或埋注螺栓进行安装,固定要牢同、端正,安装在轻质墙上时应采取加固措施。
靠近门轴的侧面距离不应小于0.5 m,正面操作距离不应小于1.2m。
3.4.5.4 集中报警控制室或消防控制中心设备安装应符合下列要求:a落地安装时,其底宜高出地面0.05-0.2 m,一般用槽钢或打水台作为基础,如有活动地板时使用的槽钢基础应在水泥地面生根固定牢固。
槽钢要先调直除锈,并刷防锈漆,安装时用水平尺、小线找好平直度,然后用螺栓固定牢固。
b 控制柜按设计要求进行排列,根据柜的固定孔距在基础槽钢上钻孔,安装时从一端开始逐台就位。
用螺丝固定、用小线找平找直后再将各螺栓紧固。
c控制设备前操作距离,单列布置时不应小于1.5 m ,双列布置时不应小于2 m ,在有人值班经常工作的一面,控制盘到墙的距离不应小于3m,盘后维修距离不应小于1 m ,控制盘排列长度大于4m时,控制盘两端应设置宽度不小于l m 的通道。
d 区域控制室安装落地控制盘时,参照上述的有关要求安装施工。
3.4.5.5引入火灾报警控制器的电缆、导线接地等应符合下列要求:a 对引人的电缆或导线,首先应用对线器进行校线。
按图纸要求编号,然后摇测相间、对地等绝缘电阻,不应小于20МΩ,全部合格后按不同电压等级、用途、电流类别分别绑扎成束引到端子板,按接线图进行压线,注意每个接线端子接线不应超过二根,盘圈应按顺时针方向。
多股线应涮锡,导线应有适当余量,标志编号应正确且与图纸一致,字迹清晰,不易褪色、配线应整齐,避免交叉,固定牢固。
b 导线引入线完成后,在进线管处应封堵,控制器主电源引入线应直接与消防电源连接,严禁使用接头连接,主电源应有明显标志。
c凡引入有交流供电的消防控制设备,外壳及基础应可靠接地,一般应压接在电源线的Pe线上。
d 消防控制室一般应根据设计要求设置专用接地装置作工作接地(是指消防控制设备信号地域逻辑地)。
当采用独立工作接地时电阻应小于4Ω,、当采用联合接地时,接地电阻应小于1Ω,控制室引至接地体的接地干线应采用一根不小于16 m m2绝缘铜线或独芯电缆,穿人保护管后,两端分别压接在控制设备工作按地板和室外接地体上。
消防控制室的工作接地板引至各消防设备和火灾报警控制器的工作接地线应采用不小于4mm2铜芯绝缘线穿人保护管构成一个零电位的接地网络,以保证火灾报警设备的工作稳定可靠。
接地装置施工过程中,分不同阶段做电气接地装置隐检,接地电阻摇测。