规范化预防接种门诊评审标准
- 格式:doc
- 大小:125.50 KB
- 文档页数:17
规范化预防接种门诊评审标准(总分100分)被评审单位:(盖章)第一部分硬件部分(40分)一、房屋及设施配置(22分)、人员配置(5分)四、消毒设施与接种器材管理(4分)五、健教设备(3分)六、儿童预防接种信息化设备(3分)第二部分软件部分(60分)一、人员技术要求(3分)、冷链管理(3分)四、消毒与接种器材管理(3分)五、免疫接种服务(21分)六、注射器管理(2分)七、资料管理(8分)八、人员技术要求(3分)九、AEFI监测(4分)十、儿童预防接种信息化管理(3分)评审时间:年月日评审员签字:接种人员预防接种知识调查表地址:市(州)县(区)乡(镇、街道)1扩大国家免疫规划疫苗是免费的吗?1)是2)否2扩大国家免疫规划后,新列入免疫规划的疫苗都有哪些?(可多选)1)乙肝疫苗2)脊髓灰质炎疫苗3)卡介苗4)白白破疫苗5)白破疫苗6)麻风疫苗7)麻腮风疫苗8)麻腮疫苗9)乙脑疫苗10) A群流脑疫苗11) A+C流脑疫苗12)甲肝减蠹活疫苗13)出血热疫苗14)炭疳疫苗15)钩体疫苗3需要在2-8C保存的疫苗有哪几种?(可多选)1)乙肝疫苗2)脊髓灰质炎疫苗3)卡介苗4)白白破疫苗5)白破疫苗6)麻风疫苗7)麻腮风疫苗8)麻腮疫苗9)乙脑灭活疫苗10) A群流脑疫苗11) A+C流脑疫苗12)甲肝减蠹活疫苗4麻疹疫苗基础免疫的起始月龄是?1) 6个月2) 8个月3) 1岁4) 1岁半5 乙肝疫苗接种程序是?1) 1、2、3 2) 0、1、6 3) 2、3、46脊髓灰质炎疫苗在几岁时需要加强?1) 1个月2) 2个月3) 3岁4) 4岁7白白破疫苗是预防哪三种疾病的联合疫苗?(可多选)1)白日咳2)破伤风3)白喉4)白瘢风8 A群流脑疫苗应在哪个年龄阶段接种?1) 5-8个月2) 6个月-1岁3) 6个月-1岁半4) 6个月-2岁9 A群流脑疫苗2剂次间隔不得少丁几个月?1) 1个月2) 2个月3) 3个月4) 4个月10甲肝疫苗是预防哪种疾病的?1)甲型肝炎2)乙型肝炎3)丙型肝炎4)其他11麻风腮疫苗在哪个年龄段接种?1) 8个月-1岁2) 1岁-2岁3) 1岁半-2岁12卡介苗应采取哪种注射方式?1)皮内2)皮下3)肌注13使用完的注射器应该怎样处理?1)随意扔掉2)和生活垃圾扔到一起3)由专门的回收机构进行回收4)集中到一起进行焚烧5)深埋14下列届丁疑似预防接种异常反应的是?(多选)1)一般反应2)接种事故3)偶合症4)心因性反应15发生疑似预防接种异常反应后,受种方或其监护人、接种单位、疫苗生产企业对预防接种异常反应的诊断有争议时,可以向申请进行预防接种异常反应鉴定。
规范化预防接种门诊1. 介绍规范化预防接种门诊是指按照国家卫生健康委员会的相关规定和标准,为儿童和成人提供规范、安全、有效的疫苗接种服务的医疗机构。
本文将详细介绍规范化预防接种门诊的要求和标准,包括门诊设施、疫苗管理、接种程序、人员培训等方面。
2. 门诊设施2.1 接种室规范化预防接种门诊应设有专门的接种室,面积不小于XX平方米,能够容纳一定数量的接种患者,设有充足的坐位和接种区域。
接种室应保持清洁、通风良好,有合适的温度和湿度,设有洗手设施和医疗废物处理设备。
2.2 储存设施规范化预防接种门诊应设有符合国家标准的冷藏设备和冷冻设备,用于储存各类疫苗。
冷藏设备和冷冻设备应有温度记录仪,并定期校准,确保温度稳定在所需范围内。
储存设施应设在专门的储存区域,远离热源和阳光直射。
3. 疫苗管理3.1 采购和储存规范化预防接种门诊应从正规渠道采购疫苗,并保留采购记录和疫苗合格证明。
疫苗应按照规定的温度和湿度要求储存,并定期进行温度记录和检查。
过期或者受损的疫苗应及时处理并做好记录。
3.2 疫苗接种记录规范化预防接种门诊应建立完善的疫苗接种记录系统,记录每位接种者的个人信息、接种疫苗的名称、批号、接种日期等信息。
接种记录应保存至少5年,并能够提供给接种者或者其监护人查询。
4. 接种程序4.1 预约和登记规范化预防接种门诊应提供预约接种服务,接种者可通过电话、网上或者现场预约。
预约时应获取接种者的基本信息,并告知接种时间和注意事项。
接种者到达门诊后,应进行登记并核对个人信息。
4.2 接种前评估接种前,接种者应接受医务人员的评估,包括问询接种者的过敏史、疾病史和其他相关信息。
根据评估结果,医务人员将判断是否适合接种,并提供相关建议。
4.3 疫苗接种医务人员应按照国家疫苗预防接种程序和技术规范,正确接种疫苗。
接种时,应采用一次性注射器和针头,并按照规定的部位和方法进行接种。
接种后,应观察接种者一定时间,确保没有浮现异常反应。
规范化预防接种门诊引言概述:规范化预防接种门诊是指根据国家相关规定和标准,对接种门诊的管理、服务、操作等方面进行规范化,以确保接种工作的质量和安全性。
规范化预防接种门诊对于保障公众的健康、预防传染病的传播以及提高接种效果具有重要意义。
本文将从四个方面详细阐述规范化预防接种门诊的相关内容。
一、门诊管理的规范化1.1 门诊人员的培训与资质要求规范化预防接种门诊要求门诊工作人员具备相关专业知识和技能,他们需要接受系统的培训,包括疫苗知识、接种技术、安全操作等方面的培训。
同时,门诊人员需要持有相关资质证书,如接种技术培训证书、医疗从业资格证等,以确保他们具备合格的接种能力。
1.2 门诊设施与设备的要求为了保障接种工作的质量和安全性,规范化预防接种门诊需要具备一定的设施和设备。
门诊需要有干净整洁的接种室,设有专门的接种台和储存疫苗的冰箱。
此外,门诊还需要配备必要的消毒设备和器具,以确保接种过程的无菌操作。
1.3 门诊记录与信息管理规范化预防接种门诊要求门诊建立完善的接种记录和信息管理系统。
门诊需要详细记录每位接种者的个人信息、接种疫苗的种类和批号、接种日期和剂次等信息,并及时更新和保存。
这样可以方便门诊进行疫苗追溯和接种效果评估,同时也为接种者提供个人疫苗接种记录的查询和证明。
二、服务质量的规范化2.1 接种前的咨询与告知规范化预防接种门诊要求门诊提供专业的咨询和告知服务。
门诊工作人员应当向接种者和家长详细介绍接种疫苗的种类、适应症和禁忌症、接种程序和注意事项等内容,解答他们的疑问,匡助他们做出明智的决策。
2.2 接种过程的规范操作规范化预防接种门诊要求门诊工作人员在接种过程中严格按照操作规程进行操作。
他们需要正确选择和准备疫苗,按照规定的程序进行接种,确保疫苗的质量和安全性。
同时,门诊工作人员需要做好接种者的观察和监测工作,及时处理接种过程中浮现的异常情况。
2.3 接种后的随访与评估规范化预防接种门诊要求门诊对接种者进行接种后的随访与评估工作。
山东省示范化预防接种门诊考核验收标准
预防接种门诊总分
②每一小项分数,扣完为止。
评审者签名:
被评审者单位(盖章):
评审日期:年月日
山东省规范化预防接种门诊考核验收标准
预防接种门诊总分
②每一小项分数,扣完为止。
评审者签名:
被评审者单位(盖章):
评审日期:年月日
山东省合格预防接种门诊考核验收标准
预防接种门诊总分
②每一小项分数,扣完为止。
评审者签名:
被评审者单位(盖章):
评审日期:年月日
山东省医疗机构产科新生儿预防接种室考核验收标准
预防接种室总分
②每一小项分数,扣完为止。
评审者签名:
被评审者单位(盖章):
评审日期:年月。
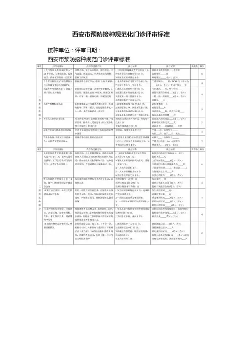
西安市预防接种规范化门诊评审标准接种单位:评审日期:西安市预防接种规范门诊评审标准附件2西安市预防接种规范(示范)门诊评审审批表申报单位(章)申报时间填表说明1、请用钢笔填写,字迹清晰、工整,语言简明,内容准确,不得涂改。
2、需逐项填写,不得漏项,如无法填写需加以说明。
3、申请表所列项目如资料过多,可以另加页,盖公章后生效。
4、申请表一式三份,市、县卫生行政部门和申报单位各留一份存档。
5、申报单位对填报内容及提供的门诊场地、设备等资料均真实、可靠。
如有虚假承担相应责任。
附件3 预防接种市级示范门诊必备条件1、门诊面积不小于60平方米,“四室”(预检室、接种室、留观室、资料室)分开,冬季采取适当保暖措施。
2、每月实施接种日不少于8天。
3、实施儿童预防接种信息化档案管理,配备计算机和打印机,并有宽带接入。
4、门诊负责防保工作的专职人员不得少于2人,接种人员有处理接种反应或事故的能力。
5、提供人性化服务,门诊留观室有电视机、DVD机等宣传设备,门诊内摆放预防接种知识和疫苗针对传染病的宣传资料。
6、2年内无接种事故发生。
附件4 预防接种省级示范门诊必备条件预防接种省级示范门诊在具备市级示范门诊条件的基础上还应具备以下条件。
1、门诊位置应方便群众前往接种疫苗(房屋如果为多层,接种门诊应设置在一楼),门诊面积不小于80平方米,“四室”(预检室、接种室、留观室、资料室)分开,有保暖降温设施。
2、每月实施接种日不少于15天。
3、门诊负责防保工作的专职人员不得少于3人。
4、负责接种前预检和处理不良反应的人员必须是具有临床执业医师资格证的临床医生。
5、接种日有专人管理秩序和引导接种,能够保证接种工作有序开展。
6、门诊环境布置安全温馨,留观室环境适合儿童游戏逗留,要求地面软化保证儿童安全,提供安全的儿童玩具,备有自动饮水机等基本服务设施。
附件5 预防接种规范(示范)门诊建设一览表填报单位:市(县、区)卫生局(加盖公章)。
预防接种门诊考核验收标准预防接种门诊是社区卫生服务的重要组成部分。
为了确保门诊服务的质量和安全,门诊的验收和考核成为了一个必不可少的环节。
本文将介绍预防接种门诊考核验收标准,包括门诊基本要求、医疗卫生设备、业务技术能力、药品管理、信息管理等方面。
一、门诊基本要求1.门诊环境卫生要求高,有防止感染的措施,工作间距离要足够。
2.门诊前台与疫苗接种间要物理分离,并设置检疫区和接种间。
3.门诊应当有专人进行管制监测等必要的制度,及时发现接种疫苗后的不良反应等情况。
二、医疗卫生设备1. 注射器、针头:注射器、针头要符合规定,易于操作,不会漏气、漏水。
2. 消毒:门诊应当配备生物消毒设备,并定期检查消毒设备的消毒效果。
3. 储存和运输:疫苗应在规定的温度下储存,并按规定运输,以确保疫苗的品质。
三、业务技术能力1.门诊的医务人员应当熟练掌握疫苗接种的常识、接种程序和注意事项,有良好的沟通能力和服务意识。
2.熟悉疫苗预防接种的禁忌证。
3.要求门诊医生要满足专业知识、技能、品德等要求。
四、药品管理1.门诊应当有统一规定的疫苗接种台帐和疫苗接种记录的管理制度,并要求医务人员认真填写疫苗接种记录表。
2.门诊要有定期的疫苗理货和盘点,确保疫苗数量和品质符合标准。
3.按规定处置过期、损坏或QC不合格的疫苗产品。
五、信息管理1.门诊应当建立完善的信息管理系统,妥善保管和传输疫苗接种记录、疫苗预约及追踪服务等信息。
2.建立完善的疫苗管理信息系统。
六、考核验收1.门诊应当定期进行考核验收,检查门诊的各项条件是否达标,持续促进行业务技术能力提升和安全加强。
2.考核验收前需合理安排时间,保证工作人员的稳定性及时性。
3.根据不同情况及时对不同问题进行整改,以保证门诊的质量和安全。
通过对预防接种门诊考核验收标准的介绍,可以使门诊的工作人员更加清楚疫苗接种工作的要求,服务质量得到提高,疫苗接种越来越安全、专业、可靠。
《峡江县规范化预防接种门诊评审标准》为认真贯彻落实《疫苗流通和预防接种管理条例》、《预防接种工作规范》,进一步加强我县预防接种单位规范化接种门诊的建设管理,提高对免疫接种服务机构的管理和服务质量,特制定我县规范化预防接种门诊评审标准,现将有关要求通知如下:一、我县的规范化接种门诊分为规范、示范接种门诊二类。
各预防接种单位,在开展预防接种工作中,应当按照《疫苗流通与预防接种管理条例》、《预防接种工作规范》的要求,提供规范化的预防接种服务,创建规范、示范预防接种门诊。
二、各接种单位要大力推进规范化门诊创建工作,不断加大投入,充实高素质专业技术人员,强化技术培训,全面推进免疫规划工作信息化建设和管理工作。
原则上至2010年年底前,全县所有接种单位预防接种门诊达到规范化、示范化门诊要求。
三、预防接种门诊评审标准具备示范或规范预防接种门诊必备条件(见附件1)的门诊,按预防接种门诊评审标准,从基本条件(30分)、设备器械配置(15分)、接种实施(20分)、疫苗及冷链管理(15分)、资料管理及工作指标的完成(20分)等5个方面进行考核与验收(标准见附件)。
考核验收得分在90分以上的分别命名为示范或规范预防接种门诊。
四、评审程序1、2010年10月底以前,各乡镇卫生院、县疾控中心需申报验收的预防接种门诊完成自评工作,并向县卫生局申2、2010年11月15日至30日,县卫生局对本辖区内申报验收的预防接种门诊进行评审验收。
3、建立示范化接种门诊经县卫生局初步评审验收合格后,向市卫生局报送申报表和自评报告。
附件一申报必备条件(一)示范预防接种门诊必备条件:1、接种门诊总使用面积≥100m2,其中接种室面积≥50m2,另外必须设置预诊室和侯诊室及狂犬疫苗伤口处理室;2、卡介苗专台,一苗一室一人接种:除OPV外,其他第一类疫苗必须一苗一室(台)一人接种;3、接种时做到一苗一冷藏包;4、实施儿童免疫接种个案信息化管理;5、开展按日接种;6、接种室配备足够数量和规格的冷暖空调;7、预防接种专(兼)职人员不少于5人,且具备预防接种服务资格。
安徽省规范化预防接种门诊评审标准
安徽省规范化预防接种门诊评审标准•、基本条件(20分)
四、资料管理(20分)
完整,整理人口资料。
2、查冷链设备(包0.6 分。
装订成册。
2、冷链设备和接种器括冰箱说明书、合2、装订归档情况材资料格证、调拨单及冷1分。
3、疫苗领发、使用资藏包、冰排等)和
料接种器材登记册。
4、免疫接种资料(基3、查疫苗领发、使
础免疫、加强免疫、强用帐册。
化免疫、零剂次儿童人4、查常规免疫和强
数等)化免疫报表。
5、相关疾病发病资料。
5、查传染病登记
注:按卫生部《规程》册、个案调查表、
下流动儿童管
理
协助学校2
查验接种
证
异常反应2发生接种事故或出现1、查预防接种副反及事故记
计免针对1
分。
1、发生异常反应
异常反应,应详细登记,及时报告当地疾控机构,并积极配合上级做好现场调查处理。
不良反应报告率90% 注:及时报告指城市在应或接种事故登记或事故未登记全
册。
扣。
2、查电话(书面)2、不及时报告扣报告记录。
3、结合县疾控中心
掌握资料。
了解与
1
分。
3、报告率不至U
90%每少2%扣
6小时内,农村在12之配合情况。
0.5
分。
小时
内。
免疫规划疫苗针对疾查疫情资料查疫情报告记录、
五、工作完成指标(20分)
注:首针登记卡:为《新生儿首针乙肝疫苗和卡介苗接种登记卡》每个项目扣完为止,没有负分。
重庆市规范化预防接种门诊标准(试行)根据《中华人民共和国传染病防治法》和《全国疾病预防控制机构工作规范(2001版)》以及卫生部有关文件规定,结合重庆实际情况,特制定本标准。
一、预防接种门诊的设施、人员配置(一)合格预防接种门诊1、房屋(1)预防接种门诊总面积不低于25cm2,室内地面积硬化,清洁明亮,空气流通。
(2)预防接种门诊与医院的病房、门诊用房分开,避免交叉感染。
(3)预防接种门诊应设置预诊室/区(登记查体)、接种室、观察室/区、冷链室/区和资料档案室/区。
单独设立接种室,其面积不低于总面积的1/2,其它各室/区根据实际情况合理布局,完成功能。
接种室内,按疫苗类别分设接种工作区或接种工作台,并有醒目的标志;卡介苗应设专门接种台(区)。
2、设备(1)预防接种门诊配齐桌椅、档案资料柜。
接种室内配置污物桶,操作台上依次摆设疫苗冷链包(保温瓶)、接种盘、接种器材以及醒目的疫苗名称标牌等。
(2)预防接种门诊配备冰箱和5个以上的冷链包,冰箱装配脚架,置于干燥通风的房间,冰排按照每只冷链包所需数量的2倍配备。
(3)配备足够的接种器材、体检及急救药品(体温表、听诊器、血压计、肾上腺素、葡萄糖注射液、抗过敏药物、氧气袋)。
注射器材配备量为一次门诊接种人次数的1.2倍。
卡介苗使用专用注射器。
(4)接种室内采用消毒剂和紫外灯定期消毒。
3、人员(1)预防接种人员具备医学卫生专业中专以上学历(或初级职称)职业道德良好,责任心强,受过专业培训,持有效预防接种上岗证。
(2)负责接种的工作人员相对固定,专职计免人员1名,其它兼职卫生专业人员不少于2人。
(3)熟悉《计划免疫技术管理规程》,掌握预防接种的途径、部位、剂量、适应症、禁忌症以及一般反应的处理方法。
(4)预防接种人员穿戴整齐正规,持证佩戴标志上岗,每名工作人员固定接种特定种类的疫苗,最多不超过3种。
卡介苗固定专人接种。
(二)规范预防接种门诊规范预防接种门诊除达到上述合格预防接种门诊的全部标准外,还必须达到下列标准:1、预防接种门诊总面积不低于35cm2。
规范化预防接种门诊评审标准(总分100分)
被评审单位:(盖章)
第一部分硬件部分(40分)
1 / 17下载文档可编辑
四、消毒设施与接种器材管理(4分)
2 / 17下载文档可编辑
3 / 17下载文档可编辑
第二部分软件部分(60分)
4 / 17下载文档可编辑
5 / 17下载文档可编辑
6 / 17下载文档可编辑
7 / 17下载文档可编辑
8 / 17下载文档可编辑
1
九、AEFI监测(4分)
9 / 17下载文档可编辑
10 / 17下载文档可编辑
评审员签字:评审时间:年月日
11 / 17下载文档可编辑
附表1
接种人员预防接种知识调查表
地址:市(州)县(区)乡(镇、街道)
1 扩大国家免疫规划疫苗是免费的吗?1)是2)否
2 扩大国家免疫规划后,新列入免疫规划的疫苗都有哪些?(可多选)1)乙肝疫苗 2)脊髓灰质炎疫苗 3)卡介苗 4)百白破疫苗 5)白破疫苗 6)麻风疫苗 7)麻腮风疫苗 8)麻腮疫苗 9)乙脑疫苗 10)A群流脑疫苗 11)A+C流脑疫苗 12)甲肝减毒活疫苗 13)出血热疫苗14)炭疽疫苗 15)钩体疫苗
3 需要在2-8℃保存的疫苗有哪几种?(可多选)1)乙肝疫苗 2)脊髓灰质炎疫苗 3)卡介苗 4)百白破疫苗 5)白破疫苗 6)麻风疫苗 7)麻腮风疫苗 8)麻腮疫苗 9)乙脑灭活疫苗 10)A群流脑疫苗 11)A+C流脑疫苗 12)甲肝减毒活疫苗
4 麻疹疫苗基础免疫的起始月龄是?1)6个月 2)8个月 3)1岁 4)1岁半
5 乙肝疫苗接种程序是? 1)1、2、3 2)0、1、
6 3)2、3、4
6 脊髓灰质炎疫苗在几岁时需要加强?1)1个月 2)2个月 3)3岁 4)4岁
7 百白破疫苗是预防哪三种疾病的联合疫苗?(可多选) 1)百日咳 2)破伤风
3)白喉 4)白癜风
8 A群流脑疫苗应在哪个年龄阶段接种?1)5-8个月 2)6个月-1岁 3)6个月-1岁半 4)6个月-2岁
9 A群流脑疫苗2剂次间隔不得少于几个月?1)1个月 2)2个月 3)3个月 4)4个月
10 甲肝疫苗是预防哪种疾病的?1)甲型肝炎 2)乙型肝炎 3)丙型肝炎 4)其他
11 麻风腮疫苗在哪个年龄段接种? 1)8个月-1岁 2)1岁-2岁 3)1岁半-2岁
12 卡介苗应采取哪种注射方式?1)皮内 2)皮下 3)肌注
13 使用完的注射器应该怎样处理?1)随意扔掉 2)和生活垃圾扔到一起3)由专门的回收机构进行回收 4)集中到一起进行焚烧 5)深埋
14 下列属于疑似预防接种异常反应的是?(多选)1)一般反应 2)接种事故 3)偶合症 4)心因性反应
15 发生疑似预防接种异常反应后,受种方或其监护人、接种单位、疫苗
生产企业对预防接种异常反应的诊断有争议时,可以向申请进行预防接种异常反应鉴定。
1)所在地县级以上卫生行政部门 2)所在地县级以上疾病预防控制中心3)市级医学会 4)省级医学会
得分:分
评分标准:答对,得一题得10分;答错不得分。
附表2
儿童监护人员预防接种知晓率调查表
地址:市(州)县(区)乡(镇、街道)
1、您知道孩子出生后需要打预防针吗?①知道②不知道
2、您孩子接种疫苗时是否需要携带接种证?①需要②不需要
3、接种国家免疫规划疫苗是否免费?①是②否
4、您能否说出3种国家免疫规划疫苗?①能②否
5、你知道应该带孩子去哪里打预防针吗?①卫生院/社区医院②不知道
6、打预防针能不能预防相应的传染病?①能②不能
7、乙肝疫苗第一针应该何时接种?①出生后24小时内②不知道
8、脊灰糖丸能预防哪种疾病?①小儿麻痹症②
脑膜炎
9、患传染病的病人会把疾病传染给健康人吗?①会②不会
10、麻疹是不是有传染性的疾病?①是②不是
得分:分知晓率:1、知晓; 2、不知晓
评分标准:
1、题1-10,选①得10分;选②得分0。
2、80分以上评为“知晓”,80分以下评为“不知晓”。
附表3
信息化专业人员操作技能调查表
地址:市(州)县(区)乡(镇、街道)
操作技能(评估人员现场测试)
1 如何利用客户端软件快速录入接种日期①会操作②不会操作
2 如何根据出生日期查找儿童①会操作②不会操作
3 如何录入疫苗的批号和生产企业①会操作②不会操作
4 如何生成常规免疫接种率报表(表6-1)①会操作②不会操作
5 如何录入儿童接种记录①会操作②不会操作
6 如何给新建卡的儿童打印近1个月的预约单①会操作②不会操作
7 如何在客户端软件查找重卡①会操作②不会操作
8 如何备份数据并能拷贝到U盘①会操作②不会操作
9 如何设置预约日期(接种日为每月的12-15日)①会操作②不会操作
10 如何正确打印接种证①会操作②不会操作
得分:分
评分标准:
1、题1-10,选①得10分;选②得分0。
调查人:
调查时间:年月日
附表4
儿童监护人满意度调查表
地址:市(州)县(区)乡(镇、街道)
1、你的小孩是否在被调查的卫生院/社区卫生服务中心接种疫苗?A、是 B、否(如选A,直接跳转3题;如选B,则完成2随后结束调查。
)
2、如否,主要原因是:A、觉得该卫生院/社区卫生服务中心接种技术不好。
B、觉得该卫生院/社区卫生服务中心服务态度不好。
C、觉得该卫生院/社区卫生服务中心所在位置不好,不方便前往。
D、其他(请注明)。
(如选D,则该问卷不做统计)
3、你觉得该卫生院/社区卫生服务中心所在位置是否方便你前往?A、方便 B、一般 C、不方便
4、你对该卫生院/社区卫生服务中心的院内卫生情况满意吗?A、满意 B、一般 C、不满意
5、你对该卫生院/社区卫生服务中心接种门诊的环境满意吗?A、满意 B、一般 C、不满意
6、你对该卫生院/社区卫生服务中心接种人员的态度满意吗?A、满意 B、一般 C、不满意
7、你对该卫生院/社区卫生服务中心接种人员的业务技术满意吗?A、满意 B、一般
C、不满意
得分:分满意度:1、满意;2、不满意
评分标准:
1、题1选B且题2选A/B/C/,则得分0分;题1选B且题2选D,则该份问卷不做统计。
2、题3-7,选A、B、C,分别得20分、10、0分。
3、80分以上评为|“满意”,80分以下评为“不满意”。
附件5
规范化预防接种门诊评审资质证书(模板)
规范化预防接种门诊标牌(模板)。