汽车维护作业流程及要求
- 格式:ppt
- 大小:1.94 MB
- 文档页数:85
汽车修理厂管理制度及工作流程汽车维修质量承诺制度(汽修厂管理制度相关)1、在车辆维修作业中,严格执行作业规和三级检验制度。
2、认真填写、整理车辆技术档案和维修档案,按规定签发竣工出厂合格证。
3、维修中坚决杜绝使用假冒伪劣配件。
4、对维修车辆实行质量保证期制度,自竣工出厂之日起:一级维护、小修及零件修理质量保证期为汽车行驶2000公里或者10日;二级维护质量保证期为汽车行驶5000公里或者30日;整车修理或者总成修理质量保证期为汽车行驶20000公里或100日。
质量保证期中行驶里程和日期指标,以先达到者为准。
汽修厂维修服务承诺书格式本厂热情为用户服务,承诺做到以下各点,请广大顾客监督执行.1. 二级维护车辆24小时以竣工出厂,大修车辆一星期出厂.2. 维修车辆使用配件不以假充真,以旧充新,以副品充正品.3. 合理收费.4. 车辆竣工出厂后质量保证期为:小修:一级维护:二级维护:大修:汽车维修质量管理制度为提高车辆的维修质量,加强全厂职工的质量意识,杜绝质量事故的发生,制定如下制度。
1. 质量管理机构本厂成立质量管理领导小组,由分管厂长负责。
具体质量管理工作由生产技术部门负责。
2. 质量机构职责全面负责全厂质量管理工作,贯彻执行国家和行业主管部门有关《汽车维护工艺规》、《汽车维护出厂技术条件》、交通部《汽车维修质量管理办法》等有关规定,贯彻执行有关汽车维修质量的规章制度,确定质量方针,制定质量目标,对全厂维修车辆进行监督、检查、考核,对维修技术、质量问题进行分析,并提出整改方案。
(1)建立健全部质量保证体系,加强质量检验,进行质量分析。
(2)收集保管汽车维修技术资料及工艺文件,确保完整有效,及时更新。
(3)制定维修工艺和操作规程。
(4)负责车辆档案管理工作。
(5)负责标准计量工作。
(6)负责设备管理维修工作。
(7)负责汽车的检验工作。
提高汽车维修质量。
(8)负责质量纠纷的质量分析工作。
3. 对维修车辆一律进行三级检验,严格进行汽维护前检验、过程检验、竣工检验,严格执行竣工出厂技术标准,未达标准不准出厂。
篇一:小型车辆维修保养作业指导书汽车维修保养作业指导书1 一级维护工艺规程1.1 按照一汽-大众的规定,一汽-大众汽车一级维护间隔里程为7500公里。
1.2 汽车一级维护工艺流程:1.4一级维护竣工检验项目:1.4.1 发动机舱内各部油水液面正常,无泄漏。
1.4.2 发动机、变速器支架及螺栓、进排气歧管、水箱、轮胎、驱动轴、车身等外露螺栓、螺母齐全、坚固,无泄漏、损伤。
1.4.3 转向节、转向臂、球头、上下悬挂臂、稳定杆、拉杆、制动操纵机构可靠,锁销齐全有效,传动万向节不松旷。
1.4.4 各有相对运动的部件活动自如,各润滑脂油嘴齐全,安装位置正确,无遗漏。
1.4.5 空气格、机油格清洁,工作正常。
1.4.6 轮胎气压符合要求,胎面无嵌石。
1.4.7离合器、制动器踏板自由行程符合标准。
1.4.8 灯光、仪表、喇叭、信号装置齐全有效。
1.4.9 蓄电池液面正常,接头清洁、牢固。
1.4.10车轮轴承无松旷。
2 二级维护工艺规程2.1按照一汽-大众的规定二级维护间隔里程为15000公里。
2.2 汽车二级维护工艺流程:2.3二级维护作业项目:篇二:1、盘车检修作业指导书ics备案号: q/cdt大唐鲁北发电有限责任公司企业标准大唐鲁北发电有限责任公司发布i目次1、范围????????????????????????????????????????12、本指导书涉及的文件、技术资料和图纸?????????????????????????13、职责分工??????????????????????????????????????44、安全措施??????????????????????????????????????45、备品备件及材料准备?????????????????????????????????56、工器具准备?????????????????????????????????????57、检修工艺要求????????????????????????????????????58、检修步骤程序????????????????????????????????????69、检修记录卡?????????????????????????????????????810、备品备件检验记录 ?????????????????????????????????811、对本作业指导书的修订建议 ?????????????????????????????912、设备检修不符合项目处理单??????????????????????????????1013、完工报告单?????????????????????????????????????1114、质量签证单?????????????????????????????????????1211号汽轮机盘车检修作业指导书1、范围本指导书适用于大唐鲁北发电有限公司汽轮机盘车检修本指导书以及涉及的文件、技术资料和图纸n330-17.75-540/540型汽轮机设备技术标准。
车辆维修作业标准车辆维修作业是指对汽车进行维护和修理的工作。
为了确保维修作业的质量和效率,制定一套标准是非常重要的。
本文将介绍车辆维修作业的标准,包括对技术要求、安全操作、工作流程等方面的规定。
一、技术要求1. 车辆维修人员应具备相关的专业知识和技能,并持有相关维修技术证书。
2. 在进行维修作业前,需要仔细检查车辆的故障情况并进行正确的诊断。
3. 维修工具和设备应处于良好的工作状态,以确保维修作业的质量和安全性。
4. 车辆维修应严格按照车辆制造商的维修手册和技术要求进行操作。
二、安全操作1. 在进行车辆维修作业前,必须戴上符合规定的个人防护装备,如手套、安全眼镜、防护面具等。
2. 在维修过程中,必须确保车辆周围的工作环境干燥、整洁,并严禁吸烟和使用明火。
3. 维修人员必须熟悉相关的安全操作规程,并定期接受安全培训和教育。
4. 维修作业中涉及到的化学品和润滑油必须妥善存放,防止泄漏和污染环境。
三、工作流程1. 接受车主的维修委托后,维修人员需要详细记录车辆的基本信息、故障描述和车主的要求。
2. 进行初步诊断后,维修人员应向车主报告维修方案和估计的维修费用,并征得其同意。
3. 在开始维修之前,应向车主说明维修过程中可能遇到的问题和风险,并征得其同意。
4. 维修过程中,需要做好记录,包括维修步骤、使用的零部件和所花费的时间等。
5. 维修完成后,维修人员应向车主详细介绍维修情况并进行试车和测试,以确保问题已经解决,并征得车主的反馈和满意。
6. 维修作业完成后,要对维修过程中的废弃物进行正确处理,如废旧零件、化学品容器等。
四、质量评估1. 维修作业完成后,维修人员应对维修结果进行自我评估,并确保维修质量符合相关的标准和要求。
2. 维修人员需要及时向车主回访,了解维修后车辆的使用状况,并做好后续跟踪服务。
3. 维修作业出现纠纷时,应按照相关的规定和程序进行协商、调解,并及时解决问题。
总结:车辆维修作业标准是确保维修质量和安全性的重要依据。
车辆维修内部控制管理制度及流程全文共5篇示例,供读者参考车辆维修内部控制管理制度及流程篇1为加强车辆的`维修保养管理,实现车辆管理的规范化和制度化,按照公司设备管理的要求,本着“安全、高效、节约、及时”的原则,确保车辆正常行驶和使用安全,做到有计划地安排车辆维修,减少维修费用,降低成本,提高效益,特制定本规定:一、适用范围:本规定适用于公司所有车辆。
二、管理责任:办公室是此规定的主要责任部门,车队队长为管理办法的执行与监督人,负责本规定的贯彻实施。
三、主要内容:3.1办公室管理:维修项目进行审核;签订维修协议;对维修质量进行验证;并保存维修质量、维修记录等资料。
3.2车辆保养、维修:3.2.1车辆使用人或驾驶员必须依照交通规则安全驾驶,凡违章驾驶致遭罚款处分者,其费用由各车辆负责人或司机人员自行负担。
3.2.2车辆检验。
办公室需提醒或安排车辆使用人或司机人员于规定日期,前往指定监理所受检,如办公室未尽到管理责任,需负担相应管理责任;车辆使用人或司机人员应于规定日期,前往指定监理所受检,车辆使用人或如逾期未受检验致遭罚款处分者,其费用由车辆负责人或司机人员自行负担。
3.2.3日常维护。
车辆使用人或驾驶员应每日检查、维护(如补充机油、加冷却液、轮胎的维护)、保持车辆清洁,并处理简单的车辆故障。
办公室随时监督检查。
如发现未维护、未检查、清洁差导致车辆损坏由车辆使用人或使用部门负责(例如缺水、缺机油引起发动机损坏等),认真填写《车辆日常保养维护记录》。
办公室将对直接负责人给予处罚。
3.2.4定期检查、正常保养。
办公室计划安排车辆使用人或驾驶员负责定期检查车辆状况或将车辆送合约检修单位进行定期保养。
公司车辆每行驶公里(或三个月)进行一次保养。
检查调整制动片间隙,更换机油滤芯、燃油滤芯、机油,紧固各部件连接螺栓,检查、保养电路系统。
——每行驶/运行公里/小时,清理吹扫或更换空气滤芯。
如需缩短保养间隔里程或时间,应视车辆本身状况和工作量、使用状况及工作环境等来确定,由使用人申报,办公室负责审批。
车辆各级维护操作规程为了更好地执行车辆的定期维护工作,确保行车安全,特制订本操作规程。
车辆维护分为日常、一级、二级维护。
一、日常维护日常维护由驾驶员负责执行。
日常维护的主要内容:1 .坚持“三检”即出车前,行车中,收车后,检视车辆的安全部件连接的紧固情况。
2. 保持“四清”即机油、空气、燃油滤清器和蓄电池的清洁。
3. 防“四漏”即漏水、漏油、漏气和漏电。
4. 保持车容整洁。
对车辆外观、发动机外表进行清洁,保持车容整洁。
对车辆各部润滑油(脂)、燃油、冷却液、制动液、各种工作介质、轮胎气压进行检视补给。
5. 对车辆制动、转向、传动、悬挂、灯光、信号等安全部位和位置以及发动机运转状态进行检视、校紧,确保行程安全。
二、一级维护一级维护由修理厂负责进行,是指除日常维护作业外,以清洁、润滑、紧固为主,并检查有关制动、操纵等安全车辆维护作业。
一级维护作业主要内容为:发动机1、检查润滑、冷却、排气系统及燃油系统是否渗漏或损坏;2、更换发动机机油及机油滤清器滤芯3、检查冷却系液面高度及防冻能力,必要时添加冷却液或调整冷却液浓度4、清洗空气滤清器,必要时更换滤芯;5、检查清洗火花塞,必要时更换火花聲6、检查V型传动带状况及张紧度,视礪整张紧度或更换V型传动带;7、检查调整点火正时,怠速转速及一氧化碳含量。
底盘1、检査离合器踏板行程;2、检查变速箱是否渗漏或损坏;3、检查等速万向节防尘套是否损坏;4、检查转向横拉杆球头固定情况、间隙及防尘套是否损坏;5、检查制动系统是否渗漏或损坏;6、检查制动液液面高度,必要时添加制动液;7、检查制动蹄摩擦衬片或衬块的厚度;8、检查调整手制动装置;9、检查轮胎气压、磨损及损坏情况;10、检查车轮螺栓扭紧力矩;11、检查轮胎花纹深度。
车身1、润滑发动机舱盖及行李箱盖钗链;2、润滑门皎链及车门限位拉条;。
车辆维修作业指导书尊敬的员工:为了确保车辆维修工作的质量和安全性,我们特编写了本车辆维修作业指导书,旨在供您在维修作业过程中参考和遵循。
请在进行任何维修作业之前,详细阅读本指导书,并严格按照指导书中的要求进行操作。
1. 维修前的准备工作在进行维修作业前,必须进行以下准备工作:1.1 检查车辆维修记录:查看车辆维修记录,了解车辆维修历史,以便针对已有问题进行维修。
1.2 获取正确的维修工具和设备:根据维修任务,准备并确保拥有适当的工具和设备,以减少维修过程中的风险。
1.3 保证工作环境安全:确保维修工作区域的安全性,及时清除障碍物,确保工作空间整洁,以减少意外伤害的风险。
2. 维修作业流程以下是车辆维修作业的基本流程,但请注意,具体维修作业根据不同车辆和维修需求可能会有所不同,请根据实际情况进行调整。
2.1 问题诊断与分析:根据车辆主人提供的故障描述,进行初步的问题诊断并分析可能的原因。
2.2 维修计划制定:根据问题诊断结果,制定维修计划,包括所需时间、所需材料和维修步骤等信息。
2.3 材料和工具准备:根据维修计划的需求,准备相应的材料和工具。
2.4 维修作业执行:按照维修计划和操作规范,进行维修作业执行。
2.4.1 安全操作:在进行维修作业时,务必遵循安全操作规范,如穿戴个人防护装备,确保工作环境通风良好等。
2.4.2 操作技巧:根据各项维修任务的要求,使用正确的工具和正确的方法进行操作。
2.4.3 故障排除:根据问题诊断结果,采取逐步排除的方法来解决各项故障。
2.4.4 维修记录:在维修过程中,及时记录维修步骤、使用的材料以及出现的问题等,以便后续参考和追溯。
3. 维修后的工作完成维修作业后,还需要进行一些后续工作:3.1 清理和整理工作区域:清理并整理工作区域,清除维修过程中产生的废弃材料和工具,保持工作区域的整洁和安全。
3.2 维修报告编制:根据维修记录和维修结果,编制维修报告,详细记录维修过程、所用材料和解决的问题等信息,以便后续查询和参考。
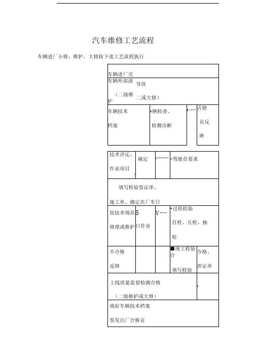
汽车二级维护流程汽车二级维护是由维修企业负责执行,作业中心内容除了以及维护作业外,以检查、调整转向节、转向节臂、制动蹄摩擦片、悬架等经过一定时间的使用容易磨损或变形的安全部件为主,并拆检轮胎,进行轮胎换位,检查发动机高速工作状况和排气污染控制装置等。
二级维护作业流程如图:1、汽车进维修厂2、汽车技术档案和驾驶员描述车辆存在问题3、检测4、诊断并确定附加作业项目5、维护作业,包括基本作业项目及附加项目(中间环节)6、竣工检测7、填写竣工出厂表格8、填写汽车技术维护表格9、出厂汽车二级维护内容汽车二级维护的目的是以检查、调整为主,除应执行一级维护全部项目外,还要进行如下内容的操作:(1)、更换机油盘的机油,并用煤油清洗机油盘、机油泵及集滤器。
(2)、检查并调整气门间隙。
(3)、紧固气缸盖,进、排气岐管和消声器等的螺栓。
并检查上述部位衬垫是否完好,如果发现衬垫有问题应及时进行更换。
(4)、检查离合器并按需要调整离合器踏板自由行程。
(5)、检查变速器及换档机构各部位的紧固情况。
添加或更换齿轮油,清洗通气塞。
(6)、检查传动轴万向节及中间支撑的松旷情况,视需要可解体检查和调整,并调换十字轴万向一节的方向。
(7)、检查并紧固驱动桥各部件的螺栓。
如有漏油现象应及时进行排除。
根据情况添加或更换驱动桥减速器中的齿轮油,并疏通减速器通气孔。
(8)、检查减振器的减振情况,视需要进行添加减振液。
(9)、拆检和润滑钢板弹簧。
(10)、检查转向节有无损伤和裂纹。
如检查出有损伤或裂纹,应更换新的转向节。
检查主销与转向节的配合情况。
拆检纵、横拉杆和转向臂各接头的磨损情况。
按规定调整前轮前束。
(11)、根据需要拆检转向传动万向节,并加注润滑脂。
(12)、检查转向器固定情况,添加或更换润滑油;对于动力转向的转向器,须检查储液罐油量并检查转向盘的自由转动量,若超过t 150,应重新调整。
(13)、检查车架、牵引装置及散热器悬置的完好情况。
汽车修理工安全操作规程范文一、入场前准备1. 着装规范:在进入工作区域前必须正确穿戴防护服、安全鞋、安全帽等个人防护装备,确保身体被全面保护。
2. 工具检查:仔细检查所需使用的工具和设备是否完好无损,如有异常应及时通知主管或维修主管。
3. 安全策划:在进行具体修理操作前,应对工作区域进行安全评估和规划,并制定相应的安全措施。
二、车辆移动操作1. 安全检查:在开动车辆前,必须检查车辆的刹车系统、轮胎、灯光等关键部位是否正常运行,确保车辆能够正常行驶。
2. 启动和停车:在启动车辆前,必须确保车辆处于空挡并且手刹已牢牢拉紧,启动后应稳定车速,确保行车安全。
停车时,应将车辆完全熄火和拉上手刹。
三、工作区域安全1. 设备检查:在工作前,必须检查所使用的工作设备是否正常运行,确保设备能够安全使用。
2. 工作区域清洁与整理:工作区域必须保持整洁,并且工具、零部件等必须放置在固定的位置上,防止绊倒或其他危险情况发生。
3. 警示标识:工作区域内应明确标识危险区域,并设置相应的警示标识,以提醒人员注意安全。
4. 环境保护:进行车辆维修时,应保护环境不受损害,如液体的回收处理,废弃物的分类处理等。
四、电气设备安全1. 电气设备检查:使用电气设备前必须检查线路是否正常、接口是否接触良好,以防止电气设备引发电击或火灾。
2. 动力开关操作:启动和关闭电气设备时,操作人员必须确保设备停止运行、设备断电的情况下进行操作。
五、高空作业安全1. 安全措施:进行高空作业时,应进行安全评估并制定相应的安全措施,使用稳定的登高工具,并使用安全带和防护网等必要的防护设备。
2. 工具使用:在高空作业时,必须确保所使用的工具、材料等不会掉落,以防止伤害其他人员或损坏车辆。
六、紧急情况处理1. 火灾应急:在发生火灾时,应立即使用灭火器进行扑救,同时通知其他人员撤离,并报警求助。
2. 事故处理:在发生事故时,应立即采取相应的救援措施,并及时报警求助,确保受伤人员得到及时救治。
汽车修理作业流程1.客户接待和车辆检查首先,客户将他们的汽车带到修理店并接受客户接待员的接待。
客户接待员会记录客户的投诉和要求,并安排技师进行车辆检查。
技师会对车辆进行全面检查,包括车身、发动机、悬挂、电气系统等方面。
他们可以使用电脑诊断设备来帮助他们检测车辆的故障。
2.问题分析和报价3.零件订购和备齐一旦客户同意修理建议书,技师会将需要更换的零件订购到修理店,并记录下零件的到货时间。
在等待零件到货的期间,技师可以继续检修其他车辆或进行其他维护工作。
4.修理和更换零件一旦零件到货,技师会开始进行修理工作。
他们会按照修理建议书上的说明,按照标准工时进行修理和更换零件。
同时,技师会记录每个修理项目的进展和所使用的材料。
在完成修理工作后,技师会对车辆进行质量检验和自我检查,确保所做的修理达到标准。
5.车辆试验和故障排除一旦修理完成,技师会进行车辆试验,检查修理的效果。
他们将确保车辆的性能正常,并消除任何未修复的问题。
如果在试验过程中发现其他问题,技师可能需要进行额外的修理工作或重新调整车辆。
6.清理和交付在试验和故障排除后,修理工会对车辆进行清洁,并返回给客户。
他们会向客户解释所做的修理工作,并提供任何可能的维护建议。
此外,技师还需要记录完成的修理工作和总结。
这些记录对于将来的维护和可能的保修要求非常重要。
7.结算和满意度调查最后,客户会根据修理建议书上的价目表支付修理费用。
修理店可能还会要求客户填写满意度调查表,以评估服务质量,并听取客户的反馈和建议。
总结:汽车修理作业流程通常包括客户接待和车辆检查、问题分析和报价、零件订购和备齐、修理和更换零件、车辆试验和故障排除、清理和交付、结算和满意度调查等步骤。
这些步骤的顺序和详细程度可能会根据修理店的规模和服务要求而有所不同,但总体上都涵盖了从接受客户投诉到修理工作完成的整个过程。
技能大赛汽车维护与底盘拆装检修作业流程嘿,伙计们,今天我们来聊聊一个非常有趣的话题——技能大赛汽车维护与底盘拆装检修作业流程!这个话题可是关乎到我们的爱车能否长久保持良好状态的哦,所以一定要认真听讲!我们来说说汽车维护。
你知道吗,汽车就像是我们的好朋友,需要我们定期给它“保养”一下。
就像我们的身体一样,如果不注意保养,就会生病。
汽车的保养也是如此,如果不定期检查和维修,就会出现各种问题。
我们要学会如何给汽车做“保养”。
我们要做的是更换机油和机滤。
这就像是给我们的身体输液一样,让汽车的“血液”更加畅通。
换机油的时候要注意不要买假货,否则可能会对发动机造成损害。
就像我们在生活中要注意不要买假货一样,要做到心中有数。
我们要检查一下轮胎。
轮胎就像是汽车的脚,如果脚受伤了,走路就会费劲。
我们要定期检查轮胎的气压和磨损情况。
如果发现有问题,要及时更换新轮胎。
这样一来,我们的爱车就能跑得更加轻松愉快啦!除了这些基本的保养之外,我们还要学会一些高级技巧。
比如说,如何更换刹车片和刹车油。
这就像是我们在生活中学会了一些新的技能一样,让我们的生活变得更加丰富多彩。
学习这些高级技巧的时候要注意安全,遵守操作规程,避免发生意外。
我们来说说底盘拆装检修作业流程。
这个流程就像是我们在生活中遇到问题时,需要找到问题所在并解决它一样。
在汽车维修过程中,我们需要先了解汽车的各个部件,然后再根据故障现象进行排查。
这样一来,我们就能找到问题的根源,并进行相应的维修。
我们要拆卸汽车的发动机。
这就像是我们在生活中遇到问题时,需要先找到问题的根源一样。
在拆卸发动机的过程中,我们要小心谨慎,避免损坏零件。
拆卸完成后,我们可以对发动机进行清洗和检查,确保其正常工作。
我们要拆卸汽车的变速器。
变速器就像是我们在生活中的“齿轮”,负责将发动机的力量传递到车轮上。
在拆卸变速器的过程中,我们要注意保护好齿轮和轴承等关键部件。
拆卸完成后,我们可以对变速器进行清洗和检查,确保其正常工作。
技能大赛汽车维护与底盘拆装检修作业流程下载提示:该文档是本店铺精心编制而成的,希望大家下载后,能够帮助大家解决实际问题。
文档下载后可定制修改,请根据实际需要进行调整和使用,谢谢!本店铺为大家提供各种类型的实用资料,如教育随笔、日记赏析、句子摘抄、古诗大全、经典美文、话题作文、工作总结、词语解析、文案摘录、其他资料等等,想了解不同资料格式和写法,敬请关注!Download tips: This document is carefully compiled by this editor. I hope that after you download it, it can help you solve practical problems. The document can be customized and modified after downloading, please adjust and use it according to actual needs, thank you! In addition, this shop provides you with various types of practical materials, such as educational essays, diary appreciation, sentence excerpts, ancient poems, classic articles, topic composition, work summary, word parsing, copy excerpts, other materials and so on, want to know different data formats and writing methods, please pay attention!1. 概述汽车维护与底盘拆装检修是一项关键的技能,在汽车保养与修理领域中扮演着重要角色。
汽车维修服务工作流程一、接待服务1、接待准备(1)服务顾问按规范要求检查仪容、仪表.(2)准备好必要的表单、工具、材料。
(3)环境维护及清洁。
2、迎接顾客(1)主动迎接,并引导顾客停车.(2)使用标准问候语言。
(3)恰当称呼顾客。
(4)注意接待顺序。
3、环车检查(1)安装三件套.(2)基本信息登录。
(3)环车检查。
(4)详细、准确填写接车登记表。
4、现场问诊了解顾客关心的问题,询问顾客的来意,仔细倾听顾客的要求及对车辆故障的描述。
5、故障确认(1)可以立即确定故障的,根据质量担保规定,向顾客说明车辆的维修项目和顾客的需求是否属于质量担保范围内。
如果当时很难确定是否属于质量担保范围,应向顾客说明原因,待进一步进行诊断后做出结论。
如仍无法断定,将情况上报一汽轿车服务部待批准后做出结论。
(2)不能立即确定故障的,向顾客解释须经全面仔细检查后才能确定。
6、获得、核实顾客、车辆信息(1)向顾客取得行驶证及车辆保养手册。
(2)引导顾客到接待前台,请顾客坐下。
7、确认备品供应情况查询备品库存,确定是否有所需备品。
8、估算备品/工时费用(1)查看DMS系统内顾客服务档案,以判断车辆是否还有其它可推荐的维修项目。
(2)尽量准确地对维修费用进行估算,并将维修费用按工时费和备品费进行细化。
(3)将所有项目及所需备品录入DMS系统。
(4)如不能确定故障的,告知顾客待检查结果出来后,再给出详细费用.9、预估完工时间根据对维修项目所需工时的估计及店内实际情况预估出完工时间.10、制作任务委托书(1)询问并向顾客说明公司接受的付费方式。
(2)说明交车程序,询问顾客旧件处理方式。
(3)询问顾客是否接受免费洗车服务。
(4)将以上信息录入DMS系统。
(5)告诉顾客在维修过程中如果发现新的维修项目会及时与其联系,在顾客同意并授权后才会进行维修。
(6)印制任务委托书,就任务委托书向顾客解释,并请顾客签字确认。
(7)将接车登记表、任务委托书客户联交顾客。