nph电梯调试手册(5 27)
- 格式:pdf
- 大小:970.25 KB
- 文档页数:23
NPH电梯规格表参数说明S-3-0422共13页第2页版本号001元件地址软元件代号说明有功能无功能内容D200— HENCODE k** ------ 厅外楼层显示数据显示数字与数显数据的对应关系详见备注1 —D248 HENCODED249 k0 ------ 尚未使用D250 ALPST k30 ------ ALP运行的延时时间(0.3秒)D251— k0 ------ 尚未使用—D286D287 CBUSYCAL k3 ------ 闲驶状态确认运行次数(3次)D288 CBUSYTIM k18000 ------ 闲驶状态确认周期(30分钟)D289 CW3TIME k1800 ------ 无呼3分钟确认时间参数(3分钟)D290 NFLU+0 b** K0 上召不停层层楼设定(1FL—16FL)设定方法详见备注2上召不停层层楼设定(17FL—32FL)对应功能:上召不停层层楼设定(33FL—48FL)不停层功能D291 NFLU+1 b** K0D292 NFLU+2 b** K0D293 NFLD+0 b** K0 下召不停层层楼设定(1FL—16FL)设定方法详见备注2下召不停层层楼设定(17FL—32FL)对应功能:下召不停层层楼设定(33FL—48FL)不停层功能D294 NFLD+1 b** K0D295 NFLD+2 b** K0D296 SPEFL+0 b** K0 报站层层楼设定(1FL—16FL)设定方法详见备注2报站层层楼设定(17FL—32FL)对应功能:报站层层楼设定(33FL—48FL)语音报站功能D297 SPEFL+1 b** K0D298 SPEFL+2 b** K0D299 CACACT K30 ------ 误操作的延时时间(3秒)D300 SPCTABLE b** ------ 电梯功能设定设定方法详见备注3D301— k0 ------ 尚未使用—D305D306 SBFDTA b** ------ 软件最低层设定(1FL—16FL)设定方法详见备注2D307 SMFDTA+0 b** ------ 软件中间层设定(1FL—16FL)设定方法详见备注2软件中间层设定(17FL—32FL)D308 SMFDTA+1 b** ------D309 STFDTA+0 b** ------ 软件最高层设定(1FL—16FL)设定方法详见备注2软件最高层设定(17FL—32FL)软件最高层设定(32FL—48FL)D310 STFDTA+1 b** ------D311 STFDTA+2 b** ------标记处数更改文件号签字日期标记处数更改文件号签字日期NPH电梯规格表参数说明S-3-0422共13页第3页版本号001元件地址软元件代号说明有功能无功能内容D312 HDWS+0 k** ------ 高速减速距离(低位)减速距离详见备注4高速减速距离(高位)计算公式:高速减速距离(mm)´K´I/(p´D)D313 HDWS+1 k** ------D314— k0 ------ 尚未使用—D317D318 GMIDFL+0 b** k0 群管理电梯中间层楼设定(1FL—16FL)设定方法详见备注2群管理电梯中间层楼设定(17FL—32FL)对应功能:群管理电梯中间层楼设定(33FL—48FL)群管理功能D319 GMIDFL+1 b** k0D320 GMIDFL+2 b** k0D321 H105UN+0 K** ------ 上行门区停车距离(低位) (123mm)上行门区停车距离(高位)计算公式:123´K´I/(p´D)D322 H105UN+1 K** ------D323 H105DN+0 k** ------ 下行门区停车距离(低位) (123mm)下行门区停车距离(高位)计算公式:123´K´I/(p´D)D324 H105DN+1 k** ------D325 BSFI b** K0 基站二进制形式设定设定方法详见备注5 对应功能:基站功能D326 B68GI k** K0 基站十进制数计算公式:基站所在层的层楼数对应功能:基站功能D327 MIDFL+0 b** k0 并联中间层楼设定(1FL—16FL)设定方法详见备注2 并联中间层楼设定(17FL—32FL)对应功能:并联功能并联中间层楼设定(33FL—48FL)D328 MIDFL+1 b** k0D329 MIDFL+2 b** k0D330 PKFI+0 b** k0 泊梯层楼设定(1FL—16FL)设定方法详见备注 2 泊梯层楼设定(17FL—32FL)对应功能:泊梯功能泊梯层楼设定(33FL—48FL)D331 PKFI+1 b** k0D332 PKFI+2 b** k0D333 HDMW+0 k** ------ 中速减速距离(低位)减速距离详见备注4中速减速距离(高位)计算公式:中速减速距离(mm)´K´I/(p´D)D334 HDMW+1 k** ------D335 NFL+0 b** k0 内召不停层层楼设定(1FL—16FL)设定方法详见备注2 内召不停层层楼设定(17FL—32FL)对应功能:不停层功能内召不停层层楼设定(33FL—48FL)D336 NFL+1 b** k0D337 NFL+2 b** k0标记处数更改文件号签字日期标记处数更改文件号签字日期NPH电梯规格表参数说明S-3-0422共13页第4页版本号001元件地址软元件代号说明有功能无功能内容D338 Z4FUI k** k0 消防避难层十进制数对应功能:消防功能计算公式:消防避难层所在层的层楼数D339 Z30MI+0 b** k0 消防避难层设定(1FL—16FL)设定方法详见备注2 消防避难层设定(17FL—32FL)对应功能:消防功能消防避难层设定(33FL—48FL)D340 Z30MI+1 b** k0D341 Z30MI+2 b** k0D342 HALLCLDT k50 ------ 基站关门延时时间(5秒)D343 OUTCLDT k30 ------ 外召关门延时时间(3秒)D344 CAGECLDT k30 ------ 内召关门延时时间(3秒)D345 HHDWT k** ------ 高速减速时间减速时间详见备注6计算公式:高速减速时间(sec)´10D346 k0 ------ 尚未使用D347 HMDWT k** ------ 中速减速时间减速时间详见备注6计算公式:中速减速时间(sec)´10D348 H16LNU k** ------ 门区微动平层上行距离(10mm)计算公式:10´K´I/(p´D)对应功能:微动平层功能D349 H16LND k** ------ 门区微动平层下行距离(10mm)计算公式:10´K´I/(p´D)对应功能:微动平层功能D350—CENCODE b** k0 轿内楼层显示数据设定方法详见备注7—D398 CENCODED399 k0 ------ 尚未使用D400 Z43LAU+0 b** ------ 轿内检修上行按钮变址数据(1FL—16FL)设定方法详轿内检修上行按钮变址数据(17FL—32FL)见备注2轿内检修上行按钮变址数据(33FL—48FL)D401 Z43LAU+1 b** ------D402 Z43LAU+2 b** ------D403 Z43LAD b** ------ 轿内检修下行按钮变址数据设定方法详见备注2D404 k0 ------ 尚未使用D405 SPIDT k30 ------ 速度指令延时时间(300ms)D406 N41RI k** ------ 速度0.25m/min时,40ms内的脉冲数计算公式:0.25´40´K´I/(60´p´D)D407 N90HI k** ------ 速度2m/min时,40ms内的脉冲数计算公式:2´40´K´I/(60´p´D)。
日立电梯GVF2/NPH电梯操作和调试手册类总这三个开关分别定义为SW1=MODE SW2=INC/ST SW3 =SETMODE:程序菜单教入INS/ST:菜单选择SET:确定菜单操作说明:7段码示意表:7段码对应示意图:故障代码:E10—E27 A1 停止电梯所有运作功能(*1)E30—E47 A2 停止电梯所有快、慢车运行功能(*2)E50—E57 B1 停止电梯快车、部分慢车运行功能(*3)E60—E67 B2 停止电梯快车运行功能(*4)E70—E77 C2 使电梯运行至最近指令层停车,然后按A2级故障方式处理E80—E87 E 对故障不作处理备注:(1)当电梯同时出现2个以上的故障时,故障的处理级别按高的进行。
(2)当电梯发生A、B类故障时,软件回路安全继电器#50X、运行接触器#10T和抱闸接触器#15B 立即释放,电梯数字显示立即熄灭。
如果电梯发生故障是A2、B1或B2级时,软件回路安全继电器#50X在释放3秒钟后会再次吸合,这时电梯数字显示也恢复正常。
(3)在电梯的这6种级别的故障中,其中A1级故障是具有自动保持性质的。
也就是说当使电梯发生A1级故障的原因被排除或消除后,会继续保持A1级的处理状态,不会自动解除故障状态重新投入正常运行。
而其它级别的故障在故障条件排除或消除后,可以自动使电梯恢复正常运行状态。
*1.当A1级故障条件成立时,FMT微机使电梯进入A1级故障处理的状态—停止电梯所有运作功能。
所停止运作功能包括:电梯快车运行方式、慢车运行方式、电梯开关门功能、电梯显示等功能。
*2.A2级故障处理时,电梯停止快、慢车运行方式,但如果电梯是在门区位置时,可以开门。
*3.B1级故障处理时,电梯停止快车运行方式,只能作自救的慢车运行方式。
*4.B2级故障处理时,电梯停止快车运行方式,可作任何慢车运行方式。
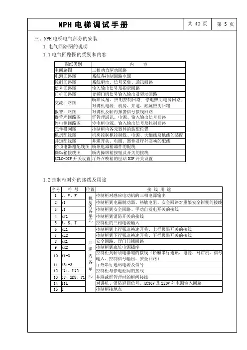
E11 #10T ON、OFF故障E12 #15B ON、OFF故障E14 #97输入信号异常E21 #11输入信号异常E22 #12输入信号异常E26 规格表和数出错E27 重复故障检出E31 #100R输入信号异常E32 门区感应器故障E33 变频器异常运行E35 厅门、轿门动作不一致E36 变频器运行故障E37 电梯逆转故障E40 零速不一致E41 电梯低速超速故障E42 软安全回路继电器ON、OFF故障E43 变频器控制回路失电故障E44 #11动作超时故障E45 #12动作超时故障E46 速度低故障E50 高速超速故障E51 起动速度控制异常E52 瞬时停电故障E53 运行速度偏差故障E55 中速超速故障E56 微动平层超速故障E57 微动平层运行距离异常E60 电梯层高表和数出错E61 电梯同步位置出错E62 电梯层楼位置出错E63 电梯端站位置出错E64 电梯端站减速控制异常E70 变频器故障报警检出E71 变频门机故障E73 门区运行故障E75 通讯检出故障E76 电梯爬行时间异常E77 自救检出故障E80 电梯运行中断门锁检出E81 电梯检修状态异常E82 电梯微动平层超时故障E83 电梯安全回路故障检出E84 微动平层起动故障E85 变频器速度一致信号异常E86 电梯开门超时故障E87 电梯关门超时故障E23是40D继电器异常E2440G继电器异常SCL-C板上的DIP开关设置。
nph电梯调试手册(-)————————————————————————————————作者:————————————————————————————————日期:2五、FMT板使用说明1.FMT板简介FMT板是NPH电梯控制系统中的主微机。
微机FMT(GHE-FMT)是一块具有高集成度的微机板,使用的是32位处理器。
其特点有:存储容量大;运算速度快;能进行浮点、开方、三角等数学运算,并附有高速的逻辑协处理器,能进行高速的逻辑处理运算;体积小,仅有240mm×130mm,是同类型控制电子板的1/4;拥有RS422(进行召唤及指示信号的通讯)、RS485(用于多台电梯间并联和群管理的通讯)两个通讯口和一个总线式扩展口(可扩展功能模块)。
微机上设有2个LED显示,和3个按钮输入,便于工程人员在机房对电梯进行操作。
FMT外观图见图一。
(1) (2) (3)(7) (8) (9)图一(1)通讯模块485BD(多台电梯间并联或群管理通讯用)(2)FXA(3)EEPROM(16K)(4)FXB(5)小键盘按钮2.小键盘介绍 2.1硬件介绍在FMT 板的右上角,有三个按钮和两个7段码显示,称之为小键盘。
通过小键盘,可以方便地在机房对电梯进行一些操作。
小键盘外观图如图二所示:对应图中左中右三个键,分别定义为MODE 、INC/ST 、SET 键。
2.2一般操作为了区别各个状态,定义10个状态号,分别为0、1、2、3、4、8、11、13、14、15。
各状态对应的功能见表二。
在任何状态下,按下MODE 键,显示的就是当前状态的状态号。
要进入某个 状态时,先按下MODE 键,然后用INC/ST 键调状态号,这时的LED 按照0、1、 2、3、4、8、11、13、14、15、0、1、2…依次向后变化显示。
调到需要进入的状态号后,按下SET键即可进入该状态。
2.3各状态解释 1) MODE 0 SET在该状态时,层楼位置和电梯运行状态交替显示。
S-3-0422NPH电梯规格表参数说明共13页第1页版本号001阅 读 说 明NPH电梯FMT微机所用的规格表参数地址的范围是D200—D499,其中D400—D499为和数计算区域,计算结果成为D989(规格表和数结果)的数据。
D200—D399为非和数计算区域,不需对其中的参数进行和数计算。
参数说明中代号说明:“k**”表示其对应数据寄存器的数据是以十进制方式表示,具体数值根据不同的设定而不同。
“b**”表示数据寄存器数据以二进制进行功能设置计算。
“有功能”是指电梯具有某特定功能时数据寄存器的设定值。
“无功能”是指电梯不设定某特定功能时数据寄存器的设定值。
“------”是指设定数据寄存器参数时不需要考虑电梯是否具有某特定功能。
计算公式中符号说明:π为3.1415927。
I为曳引比。
D为绳轮直径(mm)。
K为常数256。
十进制数据处理:FMT微机中一个数据寄存器十进制数值范围为-32768—32767,当计算的数值大于32767时,把该数据减去65536以负值形式表示。
S-3-0422NPH 电梯规格表参数说明共13页第2页 版本号001说 明FMT 元 件地址 SCLA 元 件地址软元件 代号有功能 无功能内 容D200— 20200— HENCODE —D248 —20248 HENCODE k** ------厅外楼层显示数据 显示数字与数显数据的对应关系详见备注1D249 20249 k0 ------尚未使用D250 20250ALPSTk30 ------ALP 运行的延时时间(0.3秒) D251— 20251— —D286 —20286 k0------尚未使用D287 20287 CBUSYCAL k3------闲驶状态确认运行次数(3次) D288 20288 CBUSYTIM k18000 ------闲驶状态确认周期(30分钟) D289 20289 CW3TIME k1800 ------无呼3分钟确认时间参数(3分钟)D290 20290 NFLU+0 b** K0 D291 20291 NFLU+1 b** K0 D292 20292 NFLU+2 b** K0 上召不停层层楼设定(1FL—16FL) 设定方法详见备注2 上召不停层层楼设定(17FL—32FL) 对应功能: 上召不停层层楼设定(33FL—48FL) 不停层功能 D293 20293 NFLD+0 b** K0 D294 20294 NFLD+1 b** K0 D295 20295 NFLD+2 b** K0 下召不停层层楼设定(1FL—16FL) 设定方法详见备注2 下召不停层层楼设定(17FL—32FL) 对应功能: 下召不停层层楼设定(33FL—48FL) 不停层功能 D296 20296 SPEFL+0 b** K0 D297 20297 SPEFL+1 b** K0 D298 20298 SPEFL+2 b** K0 报站层层楼设定(1FL—16FL) 设定方法详见备注2 报站层层楼设定(17FL—32FL) 对应功能: 报站层层楼设定(33FL—48FL) 语音报站功能 D299 20299 CACACTK30------误操作的延时时间(3秒)D300 20300SPCTABLE b**------电梯功能设定 设定方法详见备注3 D301—20301——D305 —20305 k0 ------尚未使用D306 20306 SBFDTAb**------软件最低层设定(1FL—16FL) 设定方法详见备注2D307 20307 SMFDTA+0 b** ------D308 20308 SMFDTA+1 b** ------软件中间层设定(1FL—16FL) 设定方法详见备注2软件中间层设定(17FL—32FL)D309 20309 STFDTA+0 b** ------D310 20310 STFDTA+1 b** ------D311 20311 STFDTA+2 b** ------软件最高层设定(1FL—16FL) 设定方法详见备注2软件最高层设定(17FL—32FL) 软件最高层设定(32FL—48FL)S-3-0422NPH 电梯规格表参数说明共13页第3页 版本号001说 明FMT 元 件地址 SCLA 元件地址 软元件 代号 有功能 无功能内 容D312 20312 HDWS+0 k** ------D313 20313 HDWS+1 k** ------ 高速减速距离(低位) 减速距离详见备注4 高速减速距离(高位)计算公式:高速减速距离(mm)×K ×I/(π×D) D314— 20314 —D317 20317k0------尚未使用D318 20318 GMIDFL+0 b** k0 D319 20319 GMIDFL+1 b** k0 D320 20320 GMIDFL+2 b** k0 群管理电梯中间层楼设定(1FL—16FL) 设定方法详见备注2 群管理电梯中间层楼设定(17FL—32FL) 对应功能: 群管理电梯中间层楼设定(33FL—48FL) 群管理功能 D321 20321 H105UN+0 K** ------D32220322H105UN+1 K** ------上行门区停车距离(低位) (123mm) 上行门区停车距离(高位) 计算公式:123×K ×I/(π×D) D323 20323 H105DN+0 k** ------D324 20324 H105DN+1 k** ------ 下行门区停车距离(低位) (123mm) 下行门区停车距离(高位) 计算公式:123×K ×I/(π×D)D325 20325 BSFI b** K0 基站二进制形式设定 设定方法详见备注5 对应功能:基站功能 D326 20326 B68GI k** K0 基站十进制数计算公式:基站所在层的层楼数 对应功能:基站功能 D327 20327 MIDFL+0 b** k0 D328 20328 MIDFL+1 b** k0 D329 20329 MIDFL+2 b** k0 并联中间层楼设定(1FL—16FL) 设定方法详见备注2 并联中间层楼设定(17FL—32FL) 对应功能:并联功能 并联中间层楼设定(33FL—48FL)D330 20330 PKFI+0 b** k0 D331 20331 PKFI+1 b** k0 D332 20332 PKFI+2 b** k0 泊梯层楼设定(1FL—16FL) 设定方法详见备注2 泊梯层楼设定(17FL—32FL) 对应功能:泊梯功能 泊梯层楼设定(33FL—48FL)D333 20333 HDMW+0 k** ------D334 20334 HDMW+1 k** ------ 中速减速距离(低位) 减速距离详见备注4 中速减速距离(高位)计算公式:中速减速距离(mm)×K ×I/(π×D)D335 20335 NFL+0 b** k0 D336 20336 NFL+1 b** k0 D33720337 NFL+2 b** k0 内召不停层层楼设定(1FL—16FL) 设定方法详见备注2 内召不停层层楼设定(17FL—32FL) 对应功能:不停层功能 内召不停层层楼设定(33FL—48FL)S-3-0422NPH 电梯规格表参数说明共13页第4页 版本号001说 明FMT 元 件地址 SCLA 元 件地址 软元件 代号 有功能 无功能内 容D33820338Z4FUI k** k0消防避难层十进制数 对应功能:消防功能计算公式:消防避难层所在层的层楼数D339 20339 Z30MI+0 b** k0 D340 20340 Z30MI+1 b** k0 D341 20341 Z30MI+2b**k0 消防避难层设定(1FL—16FL) 设定方法详见备注2 消防避难层设定(17FL—32FL) 对应功能:消防功能 消防避难层设定(33FL—48FL) D342 20342 HALLCLDT k50 ------基站关门延时时间(5秒) D343 20343 OUTCLDTk30------外召关门延时时间(3秒) D344 20344 CAGECLDT k30 ------内召关门延时时间(3秒)D345 20345 HHDWT k** ------ 高速减速时间 减速时间详见备注6 计算公式:高速减速时间(sec)×10 D346 20346 k0 ------尚未使用D34720347 HMDWT k** ------中速减速时间 减速时间详见备注6计算公式:中速减速时间(sec)×10 D348 20348 H16LNU k** ------ 门区微动平层上行距离 (10mm)计算公式:10×K ×I/(π×D) 对应功能:微动平层功能D349 20349 H16LND k** ------门区微动平层下行距离 (10mm)计算公式:10×K ×I/(π×D) 对应功能:微动平层功能D350— 20350— CENCODE —D398 —20398 CENCODE b** k0 轿内楼层显示数据 设定方法详见备注7 D399 20399k0------尚未使用D400 20400 Z43LAU+0 b** ------D401 20401 Z43LAU+1 b** ------D402 20402 Z43LAU+2 b** ------轿内检修上行按钮变址数据(1FL—16FL) 设定方法详轿内检修上行按钮变址数据(17FL—32FL) 见备注2 轿内检修上行按钮变址数据(33FL—48FL)D403 20403 Z43LAD b** ------轿内检修下行按钮变址数据 设定方法详见备注2D404 20404 k0 ------尚未使用D405 20405 SPIDT k30 ------速度指令延时时间(300ms) D406 20406 N41RI k** ------ 速度0.25m/min 时,40ms 内的脉冲数 计算公式:0.25×40×K ×I/(60×π×D) D407 20407 N90HI k** ------速度2m/min 时,40ms 内的脉冲数 计算公式:2×40×K ×I/(60×π×D)S-3-0422NPH 电梯规格表参数说明共13页第5页 版本号001说 明FMT 元 件地址 SCLA 元 件地址 软元件 代号 有功能 无功能内 容D408 20408 ZLFNI k** k1 最低层设置 对应功能:不同底层并联功能计算公式: 底层较低的电梯设1底层较高的等于两梯底层相差的隔磁板数+1 D409 20409 NSP08 k** ------ 速度8m/min 时,40ms 内的脉冲数 计算公式:8×40×K ×I/(60×π×D) D410 20410 Z15BDT k40 ------抱闸释放后延时时间 (400ms) D411 20411 NSP30 k** ------ 速度30m/min 时,40ms 内的脉冲数 计算公式:30×40×K ×I/(60×π×D)D412 20412 F150+0 k** ------D413 20413 F150+1 k** ------ 数字平层区间参数(低位) (平层区±150mm) 数字平层区间参数(高位) 计算公式:150×K ×I/ (π×D)D414 20414 F135+0 k** ------D415 20415 F135+1 k** ------数字平层区间参数(低位) (平层区±135mm) 数字平层区间参数(高位) 计算公式:135×K ×I/ (π×D)D416 20416 QOPDODIS b** k0平层预开门距离(60mm) 对应功能:平层预开门功能 计算公式:60×K ×I/(π×D) D417— 20417— —D420 —20420 K0 ------尚未使用D421 20421 F511I+0 b** ------D422 20422 F511I+1 b** ------D423 20423 F511I+2 b** ------内指令服务层设定(1FL—16FL) 设定方法详见备注2内指令服务层设定(17FL—32FL) 内指令服务层设定(33FL—48FL)D424 20424 F711I+0 b** ------D425 20425 F711I+1 b** ------D426 20426 F711I+2 b** ------上召唤指令服务层设定(1FL—16FL) 设定方法详见备注2上召唤指令服务层设定(17FL—32FL) 上召唤指令服务层设定(33FL—48FL)D427 20427 F811I+0 b** ------D428 20428 F811I+1 b** ------D429 20429 F811I+2 b** ------下召唤指令服务层设定(1FL—16FL) 设定方法详见备注2下召唤指令服务层设定(17FL—32FL) 下召唤指令服务层设定(33FL—48FL)D430 20430 TF211+0 b** ------D431 20431 TF211+1 b** ------D43220432TF211+2b**------最高层楼及其以上层置1(1FL—16FL) 设定方法详见备注2最高层楼及其以上层置1(17FL—32FL) 最高层楼及其以上层置1(33FL—48FL)NPH 电梯规格表参数说明 S-3-0422NPH 电梯规格表参数说明 共13页第6页 版本号001说 明 FMT 元 件地址 SCLA 元 件地址 软元件代号 有功能 无功能内 容D433 20433 BF211+0 b** ------D434 20434 BF211+1 b** ------D435 20435 BF211+2 b** ------最低层楼及其以下层置1(1FL—16FL) 设定方法详见备注2最低层楼及其以下层置1(17FL—32FL) 最低层楼及其以下层置1(33FL—48FL) D436 20436 MD2NUI+0 b** k0 D437 20437 MD2NUI+1 b** k0 D438 20438 MD2NUI+2 b** k0并联对方梯上召服务层置1取反(1FL—16FL) 并联对方梯上召服务层置1取反(17FL—32FL) 并联对方梯上召服务层置1取反(33FL—48FL)对应功能:并联功能 设定方法详见备注2D439 20439 MD2NDI+0 b** k0 D440 20440 MD2NDI+1 b** k0 D441 20441 MD2NDI+2 b** k0并联对方梯下召服务层置1取反(1FL—16FL) 并联对方梯下召服务层置1取反(17FL—32FL) 并联对方梯下召服务层置1取反(33FL—48FL)对应功能:并联功能 设定方法详见备注2D442 20442 HSPSBLIM+0 k** ------高速下限减速距离 计算公式:D312*0.5 D443 20443 HSPSTLIM+1 k** ------高速上限减速距离 计算公式:D312*1.5 D444 20444 MSPSBLIM+0 k** ------中速下限减速距离 计算公式:D333*0.4 D445 20445 MSPSTLIM+1 k** ------中速上限减速距离 计算公式:D333*1.6 D446 20446 UPDZBSLM+0 k** ------上行门区下限停车距离 计算公式:D321*0.4 D447 20447 UPDZTSLM+1 k** ------上行门区上限停车距离 计算公式:D321*1.6 D448 20448 DNDZBSLM+0 k** ------下行门区下限停车距离 计算公式:D323*0.4 D449 20449 DNDZTSLM+1 k** ------下行门区上限停车距离 计算公式:D323*1.6 D450 20450 FNI k** ------层高测定层楼确认数 计算公式:隔磁板数+D408-1D451 20451 HPDDCQ+0 k4 ------D452 20452 HPDDCQ+1 k0 ------停电电梯制动距离计算参数1(低位) 停电电梯制动距离计算参数1(高位) D453 20453 HDDMB+0 k200 ------D454 20454 HDDMB+1 k0 ------停电电梯制动距离计算参数2(低位) 停电电梯制动距离计算参数2(高位) D455 20455 NCS1I k6 ------防恶作剧检出层楼数据 (6层) D456 20456 VAR+0 k** ------D457 20457 VAR+1 k** ------ 电梯速度计算常数(低位) 电梯速度计算常数(高位)计算公式:65536×60×π×D/(40×K ×I) D458 20458 k0 ------尚未使用 D459 20459k0 ------尚未使用NPH 电梯规格表参数说明 S-3-0422NPH 电梯规格表参数说明 共13页第7页 版本号001说 明 FMT 元 件地址 SCLA 元 件地址 软元件 代号 有功能 无功能内 容(D460— (20460— —D468) —20468)D460—D468为减速检测曲线的参数 设定方式详见备注9D460 20460 SDSCHSLO k** ------减速检测曲线斜率D461 20461 SDS2TS k** ------减速检测曲线2级始速上限设定 D462 20462 SDS2BS k** ------减速检测曲线2级始速下限设定 D463 20463 SDS1TS k** ------减速检测曲线1级始速上限设定 D464 20464 SDS1BS k** ------减速检测曲线1级始速下限设定 D465 20465 SDS2TSE k** ------减速检测曲线2级上限终极速度设定 D466 20466 SDS2BSE k** ------减速检测曲线2级下限终极速度设定 D467 20467 SDS1TSE k** ------减速检测曲线1级上限终极速度设定 D468 20468 SDS1BSE k** ------减速检测曲线1级下限终极速度设定 D469 20469 k0 ------尚未使用D470 20470 HMRS+0 k** ------D471 20471 HMRS+1 k** ------ 中速最短运行距离(低位) 中速最短运行距离(高位) 计算公式:D333×1.5 D472 20472 HPRS+0 k** ------D47320473HPRS+1 k** ------高速最短运行距离(低位) 高速最短运行距离(高位) 计算公式:D312×2 D474 20474 VAFNCD k** ------ 电梯模拟层楼数 计算公式:参照D450D475 20475 HPPS+0 k** ------D476 20476 HPPS+1 k** ------电梯进门区位置校正数据(低位)(125mm) 电梯进门区位置校正数据(高位) 计算公式:125×K ×I/(π×D) D477 20477 HPMFLN+0 k** ------D478 20478 HPMFLN+1 k** ------ 电梯最短层间距离(低位)(2000mm) 电梯最短层间距离(高位) 计算公式:2000×K ×I/(π×D) D479 20479 HPDDK+0 k** ------D480 20480 HPDDK+1 k** ------ 停电电梯制动距离计算参数3(低位) 停电电梯制动距离计算参数3(高位) 计算公式:60×π×D/(K ×I)NPH 电梯规格表参数说明 S-3-0422NPH 电梯规格表参数说明 共13页第8页 版本号001说 明 FMT 元 件地址 SCLA 元 件地址 软元件代号 有功能 无功能内 容D481 20481 HSTRLN+0k** ------D482 20482 HSTRLN+1k** ------ 电梯出门区位置校正数据(低位)(125mm) 电梯出门区位置校正数据(高位) 计算公式:125×K ×I/(π×D) D483 20483 V*1.15 k** ------ 高速超速速度计算公式:电梯额定速度(m/min)×1.15 D484 20484 HOVRLN+0k** ------D485 20485 HOVRLN+1k** ------ 门区停车位置超出距离(低位)(185mm) 门区停车位置超出距离(高位) 计算公式:185×K ×I/(π×D) D486 20486 MV*1.15 k** ------ 中速超速速度计算公式:电梯中速运行速度(m/min)×1.15 D487 20487 k0 ------尚未使用D488 20488 NGRSHT k30 ------低速超速速度(30m/min) D489 20489 HVNPL+0 k** ------D490 20490 HVNPL+1 k** ------ 高速超前位置切换距离(低位) 高速超前位置切换距离(高位) 计算公式:D312×1.25D491 20491 Z16AV k10 k0 微动平层超速速度(10m/min) 对应功能:微动平层功能D492 20492 F125+0 k** ------D493 20493 F125+1 k** ------ 电梯数字位置区间(低位) (区间范围:±125mm) 电梯数字位置区间(高位) 计算公式:125×K ×I/(π×D)D494 20494 F500+0 k** ------D495 20495 F500+1 k** ------ 数字平层区间参数(低位) (平层区±500mm) 数字平层区间参数(高位) 计算公式:500×K ×I/(π×D)D496 20496 Z16AD+0 k** k0 D497 20497 Z16AD+1 k** k0 微动平层运行距离参数(低位) (200mm)微动平层运行距离参数(高位) 对应功能:微动平层功能计算公式:200×K ×I/(π×D) D498 20498 MVNDL+0 k** ------D499 20499 MVNDL+1 k** ------ 中速超前位置切换距离(低位) 中速超前位置切换距离(高位) 计算公式:D333×1.25D989 20989 OPTSUM k** ------规格表和数结果(D400—D499) 设定方法详见备注8NPH 电梯规格表参数说明 S-3-0422 NPH 电梯规格表参数说明 共13页第9页 版本号001备注1:数显数据寄存器与层楼的对应关系如下: D200:电梯未作层高测定时数字显示的数据,设定值为K1。
刑事附带民事诉讼中附带民事精神损害赔偿孟琦近年来由刑事案件引发的附带民事诉讼呈逐年上升之势,虽然最高人民法院对解决刑事附带民事诉讼问题陆续颁布了一些司法解释,由于立法内容的相对薄弱及司法解释的不完善造成了司法实践中还存在着许多急待解决的问题。
本文现就笔者在审判实践中遇到的附带民事精神损害赔偿问题提出建议及对策供探讨。
笔者认为,既然附带民事部分救济的是对由于违法行为造成的损失的救济,相当于一个民事诉讼(民事赔偿,那就应当将精神损害的赔偿要求纳入附带民事请求范围并制定(依据具体的赔偿标准结合案件情况给与赔偿请求人支持和保护。
本文将从刑事附带民事诉讼请求范围的现状及完善、精神损害赔偿列入刑事附带民事诉讼请求范围的必然性、精神损害赔偿数额的方式及赔偿数额的确定三个方面对精神损害赔偿在刑事附带民事诉讼中应当得到保护进行论述,希望能对相关立法和司法产生一定影响并早日实现对精神损害赔偿的支持和保护。
全文共6644字。
一、刑事附带民事诉讼受案范围的现状及完善(一、刑事附带民事诉讼受案范围的现状《中华人民共和国刑事诉讼法》第七十七条规定,被害人由于被告人的犯罪行为而遭受物质损失的,在刑事诉讼过程中,有权提起附带民事诉讼;《最高人民法院关于刑事附带民事诉讼范围问题的规定》第一条规定因人身权利受到犯罪侵犯而遭受物质损失或者财物被犯罪分子毁坏而遭受物质损失的,可以提起附带民事诉讼。
显然,依照此等规定,能够提起附带民事诉讼的刑事案件必须也只能是被害人遭受了物质损失。
法律法规的规定明确将精神损害排除在刑事法律调整范围之外,被害人由于被告人的犯罪行为遭受的精神损害得不到刑事法律救济,根据民事法律规定,法释[2001]7号《最高人民法院关于确定民事侵权精神损害赔偿责任若干问题的解释》被害人由于民事侵权行为遭受的精神损害,可以通过民事诉讼获得赔偿, 受到广大学者的称赞,称其为“在我国精神损害赔偿制度继《民法通则》以后的第二个里程碑”。
NPH电梯规格表参数说明SNPH电梯规格表参数说明S-3-0422共13页第2页版本号001元件地址软元件代号说明有功能无功能内容D200— HENCODE k** ------ 厅外楼层显示数据显示数字与数显数据的对应关系详见备注1 —D248 HENCODED249 k0 ------ 尚未使用D250 ALPST k30 ------ ALP运行的延时时间(0.3秒)D251— k0 ------ 尚未使用—D286D287 CBUSYCAL k3 ------ 闲驶状态确认运行次数(3次)D288 CBUSYTIM k18000 ------ 闲驶状态确认周期(30分钟)D289 CW3TIME k1800 ------ 无呼3分钟确认时间参数(3分钟)D290 NFLU+0 b** K0 上召不停层层楼设定(1FL—16FL)设定方法详见备注2上召不停层层楼设定(17FL—32FL)对应功能:上召不停层层楼设定(33FL—48FL)不停层功能D291 NFLU+1 b** K0D292 NFLU+2 b** K0D293 NFLD+0 b** K0 下召不停层层楼设定(1FL—16FL)设定方法详见备注2下召不停层层楼设定(17FL—32FL)对应功能:下召不停层层楼设定(33FL—48FL)不停层功能D294 NFLD+1 b** K0D295 NFLD+2 b** K0D296 SPEFL+0 b** K0 报站层层楼设定(1FL—16FL)设定方法详见备注2报站层层楼设定(17FL—32FL)对应功能:报站层层楼设定(33FL—48FL)语音报站功能D297 SPEFL+1 b** K0D298 SPEFL+2 b** K0D299 CACACT K30 ------ 误操作的延时时间(3秒)D300 SPCTABLE b** ------ 电梯功能设定设定方法详见备注3D301— k0 ------ 尚未使用—D305D306 SBFDTA b** ------ 软件最低层设定(1FL—16FL)设定方法详见备注2D307 SMFDTA+0 b** ------ 软件中间层设定(1FL—16FL)设定方法详见备注2软件中间层设定(17FL—32FL)D308 SMFDTA+1 b** ------D309 STFDTA+0 b** ------ 软件最高层设定(1FL—16FL)设定方法详见备注2软件最高层设定(17FL—32FL)软件最高层设定(32FL—48FL)D310 STFDTA+1 b** ------D311 STFDTA+2 b** ------标记处数更改文件号签字日期标记处数更改文件号签字日期NPH电梯规格表参数说明S-3-0422共13页第3页版本号001元件地址软元件代号说明有功能无功能内容D312 HDWS+0 k** ------ 高速减速距离(低位)减速距离详见备注4高速减速距离(高位)计算公式:高速减速距离(mm)´K´I/(p´D)D313 HDWS+1 k** ------D314— k0 ------ 尚未使用—D317D318 GMIDFL+0 b** k0 群管理电梯中间层楼设定(1FL—16FL)设定方法详见备注2群管理电梯中间层楼设定(17FL—32FL)对应功能:群管理电梯中间层楼设定(33FL—48FL)群管理功能D319 GMIDFL+1 b** k0D320 GMIDFL+2 b** k0D321 H105UN+0 K** ------ 上行门区停车距离(低位)(123mm)上行门区停车距离(高位)计算公式:123´K´I/(p´D)D322 H105UN+1 K** ------D323 H105DN+0 k** ------ 下行门区停车距离(低位)(123mm)下行门区停车距离(高位)计算公式:123´K´I/(p´D)D324 H105DN+1 k** ------D325 BSFI b** K0 基站二进制形式设定设定方法详见备注5 对应功能:基站功能D326 B68GI k** K0 基站十进制数计算公式:基站所在层的层楼数对应功能:基站功能D327 MIDFL+0 b** k0 并联中间层楼设定(1FL—16FL)设定方法详见备注2 并联中间层楼设定(17FL—32FL)对应功能:并联功能并联中间层楼设定(33FL—48FL)D328 MIDFL+1 b** k0D329 MIDFL+2 b** k0D330 PKFI+0 b** k0 泊梯层楼设定(1FL—16FL)设定方法详见备注 2 泊梯层楼设定(17FL—32FL)对应功能:泊梯功能泊梯层楼设定(33FL—48FL)D331 PKFI+1 b** k0D332 PKFI+2 b** k0D333 HDMW+0 k** ------ 中速减速距离(低位)减速距离详见备注4中速减速距离(高位)计算公式:中速减速距离(mm)´K´I/(p´D)D334 HDMW+1 k** ------D335 NFL+0 b** k0 内召不停层层楼设定(1FL—16FL)设定方法详见备注2 内召不停层层楼设定(17FL—32FL)对应功能:不停层功能内召不停层层楼设定(33FL—48FL)D336 NFL+1 b** k0D337 NFL+2 b** k0标记处数更改文件号签字日期标记处数更改文件号签字日期NPH电梯规格表参数说明S-3-0422共13页第4页版本号001元件地址软元件代号说明有功能无功能内容D338 Z4FUI k** k0 消防避难层十进制数对应功能:消防功能计算公式:消防避难层所在层的层楼数D339 Z30MI+0 b** k0 消防避难层设定(1FL—16FL)设定方法详见备注2 消防避难层设定(17FL—32FL)对应功能:消防功能消防避难层设定(33FL—48FL)D340 Z30MI+1 b** k0D341 Z30MI+2 b** k0D342 HALLCLDT k50 ------ 基站关门延时时间(5秒)D343 OUTCLDT k30 ------ 外召关门延时时间(3秒)D344 CAGECLDT k30 ------ 内召关门延时时间(3秒)D345 HHDWT k** ------ 高速减速时间减速时间详见备注6计算公式:高速减速时间(sec)´10D346 k0 ------ 尚未使用D347 HMDWT k** ------ 中速减速时间减速时间详见备注6计算公式:中速减速时间(sec)´10D348 H16LNU k** ------ 门区微动平层上行距离(10mm)计算公式:10´K´I/(p´D)对应功能:微动平层功能D349 H16LND k** ------ 门区微动平层下行距离(10mm)计算公式:10´K´I/(p´D)对应功能:微动平层功能D350—CENCODE b** k0 轿内楼层显示数据设定方法详见备注7 —D398 CENCODED399 k0 ------ 尚未使用D400 Z43LAU+0 b** ------ 轿内检修上行按钮变址数据(1FL—16FL)设定方法详轿内检修上行按钮变址数据(17FL—32FL)见备注2轿内检修上行按钮变址数据(33FL—48FL)D401 Z43LAU+1 b** ------D402 Z43LAU+2 b** ------D403 Z43LAD b** ------ 轿内检修下行按钮变址数据设定方法详见备注2D404 k0 ------ 尚未使用D405 SPIDT k30 ------ 速度指令延时时间(300ms)D406 N41RI k** ------ 速度0.25m/min时,40ms内的脉冲数计算公式:0.25´40´K´I/(60´p´D)D407 N90HI k** ------ 速度2m/min时,40ms内的脉冲数计算公式:2´40´K´I/(60´p´D)。