保温行业跌落测试报告样板
- 格式:xls
- 大小:181.50 KB
- 文档页数:1
跌落测试报告通用1. 引言本文档是跌落测试的报告通用模板,它提供了一种标准化的结构,用于记录和展示跌落测试的结果和评估。
2. 背景跌落测试是一项常用的产品测试方法,它通过模拟产品在跌落过程中受到的冲击和振动,评估产品在跌落情况下的耐受程度和可靠性。
本报告基于跌落测试的结果,对产品的性能进行综合评估,并提供改进建议。
3. 测试目的本次跌落测试的目的是评估产品在跌落过程中的耐受能力和可靠性。
具体的测试目标包括:•评估产品在跌落过程中的物理稳定性;•检验产品在跌落过程中是否出现功能性故障;•评估产品的外观是否受到损坏;•提供改进建议和优化产品设计的方向。
4. 测试环境本次跌落测试的环境设置如下:•测试地点:(填写测试地点)•测试设备:(填写测试设备)•跌落高度:(填写跌落高度)•跌落表面:(填写跌落表面)5. 测试方法本次跌落测试使用了以下测试方法:1.将产品置于跌落测试设备上,并调整跌落高度和跌落表面。
2.通过控制跌落测试设备,模拟产品在跌落中受到的冲击和振动。
3.记录跌落过程中产品的物理状态、功能状态和外观状态。
6. 测试结果根据跌落测试的结果,对产品的性能进行综合评估。
6.1 物理稳定性跌落测试过程中,产品是否保持稳定与位置变化情况可以通过以下参数进行评估:•产品是否发生位移:(填写结果)•产品是否出现旋转:(填写结果)6.2 功能性故障跌落测试过程中,产品是否出现功能性故障可以通过以下参数进行评估:•产品的主要功能是否正常:(填写结果)•产品的附加功能是否正常:(填写结果)6.3 外观损坏跌落测试过程中,产品的外观是否受到损坏可以通过以下参数进行评估:•产品表面是否有划痕或破损:(填写结果)•产品外观是否保持完整:(填写结果)7. 结论根据跌落测试的结果,可以得出以下结论:•产品在跌落过程中(填写具体情况);•产品的功能性表现(填写具体情况);•产品的外观情况(填写具体情况);•基于测试结果的改进建议和优化方向(填写具体建议和方向)。
跌落测试报告1、引言跌落测试是评估产品在意外跌落情况下的性能和稳定性的重要方法。
本报告旨在评估产品在跌落测试中的表现,以提供关于产品设计和性能的洞察。
本报告将介绍跌落测试的方法、测试设备、测试条件、结果及结论。
2、测试设备和方法跌落测试设备包括一个跌落平台、一个产品支撑结构和一套数据采集系统。
测试方法包括将产品放置在支撑结构上,然后模拟不同条件下的跌落。
在本测试中,我们使用了以下设备和方法:设备:1、跌落平台:一个高度可调的平板,用于模拟不同高度的跌落。
2、产品支撑结构:一个能够固定产品的支架,以模拟产品在实际使用中的状态。
3、数据采集系统:一个能够记录跌落过程中产品性能变化的系统,包括加速度、速度和位置等数据。
方法:1、将产品放置在支撑结构上,并确保产品放置稳固。
2、根据预设的条件,调整跌落平台的高度和跌落方向。
3、启动数据采集系统,记录跌落过程中的数据。
4、对产品进行多次跌落测试,以获得足够的数据进行分析。
5、测试条件在本测试中,我们设定了以下条件:1、跌落高度:50厘米、100厘米和150厘米。
2、跌落方向:正面、反面和侧面。
3、产品状态:空载和满载。
4、测试次数:每个条件进行5次测试。
5、结果和分析通过数据采集系统收集到的数据,我们可以得到以下结果和分析:1、在不同跌落高度下,产品的加速度和速度变化趋势相同。
随着高度的增加,加速度和速度也逐渐增加。
2、跌落方向对产品的性能影响较小,但在某些情况下,如产品空载时正面跌落,可能会导致产品损坏。
3、产品在满载状态下的性能较空载时有所降低,这可能是因为满载时产品的重心发生变化,影响了稳定性。
4、在所有测试条件下,产品在第一次跌落时的性能最差,这可能是因为产品在初始跌落时存在较大的冲击力。
后续跌落时的性能逐渐稳定。
本试验旨在模拟滚筒在实际使用过程中可能出现的跌落情况,以评估滚筒在受到冲击和振动时的性能表现,包括其结构完整性、功能性能以及安全性等方面的要求。
产品跌落报告模板1. 背景介绍报告目的:本报告旨在记录和分析产品在跌落测试中的表现和结果,为产品改进和质量控制提供依据。
测试流程:产品跌落测试是对产品进行物理冲击测试的一种方法。
在测试中,产品会从一定高度自由落下,以模拟真实环境中可能发生的跌落情况。
跌落测试通常包括多次跌落,以评估产品的耐久性和稳定性。
测试标准:本测试采用国际标准XXX进行,包括跌落高度、跌落角度、测试次数等方面的要求。
2. 测试设备和环境测试设备:跌落测试机测试环境:室内,温度25℃,湿度50%3. 测试结果3.1 跌落高度本次测试中,产品分别从以下高度进行了跌落测试:•第一次跌落:1米•第二次跌落:1.5米•第三次跌落:2米3.2 跌落角度本次测试中,产品在每次跌落中采用了以下角度:•第一次跌落:垂直跌落•第二次跌落:45度角跌落•第三次跌落:60度角跌落3.3 测试结果对产品在每次跌落测试后进行了如下的观察和测量:•是否产生外观损坏:无•是否产生功能损坏:无•产品稳定性评估:产品在跌落测试过程中保持了较好的稳定性,无明显晃动或松动。
•其他观察结果:无明显变形、开裂或破碎。
3.4 结果分析根据测试结果,可以得出以下结论:•产品在跌落测试中表现良好,没有出现明显的损坏或功能失效。
•产品稳定性评估良好,可以满足正常使用场景下的跌落要求。
•产品设计和制造的质量控制得到有效执行。
4. 结论和建议本次跌落测试结果显示产品具备良好的耐跌落能力,并且稳定性良好。
建议在后续产品生产中继续保持现有的质量控制措施,并根据市场需求进一步优化产品设计,以提高产品的整体竞争力。
5. 参考资料1.国际标准XXX: 跌落测试方法2.产品设计技术手册: 跌落测试和质量控制指南以上报告为产品跌落测试的记录和分析,旨在为产品改进和质量控制提供依据。
跌落测试报告(一)引言概述:跌落测试是一种常见的产品测试方法,用于评估产品在跌落过程中的耐受性和可靠性。
本报告旨在对跌落测试进行详细分析,并提供测试结果以及相应的结论和建议。
正文内容:1. 测试目的与范围- 了解产品在跌落过程中的性能表现- 评估产品的结构和组件的耐受能力- 确认产品是否符合相关安全标准1.1 测试范围- 产品A的跌落测试- 产品B的跌落测试- 产品C的跌落测试2. 测试流程与方法2.1 测试设备准备- 使用跌落测试机构准确模拟真实环境- 确保测试设备的可靠性和安全性2.2 测试参数设定- 确定跌落高度、方向和频率等参数- 根据产品设计规格和市场需求进行合理设置2.3 跌落测试执行- 按照设定的参数进行跌落测试- 监测和记录每次跌落的过程和结果 - 在每次跌落后进行外观和性能检查3. 测试结果与分析3.1 产品A的跌落测试结果- 结果1- 结果2- 结果3- 结果4- 结果53.2 产品B的跌落测试结果- 结果1- 结果2- 结果3- 结果4- 结果53.3 产品C的跌落测试结果- 结果1- 结果2- 结果3- 结果4- 结果54. 结论与建议4.1 结论1- 对产品A的结论- 对产品B的结论- 对产品C的结论4.2 建议1- 针对产品A的改进建议- 针对产品B的改进建议- 针对产品C的改进建议5. 风险与安全评估- 分析产品在跌落过程中的潜在风险- 根据测试结果提出相应的安全建议总结:本报告详细介绍了跌落测试的目的与范围、测试流程与方法,以及针对三个产品的测试结果与分析。
根据测试结果给出了结论和相关改进建议,并提供了针对产品跌落风险的安全评估。
该报告为产品设计和改进提供了宝贵的参考和指导。
序號
備註
A
B
C
D
E
F
G 表格编号: R705-03(1)
核准: 審核: 檢驗:
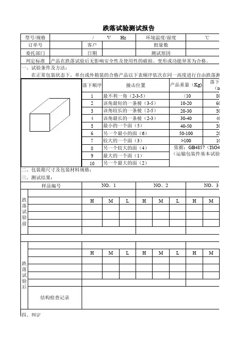
相邻兩側面頂角和与相邻的棱角注解:做跌落測試最主要是檢測易損的位置,防止運輸造成不必要的品質隱患
底面—對角底面側棱檢驗項目判定(OK 或NG )項目底面相邻兩棱材質
如客戶有指定要求,要依客戶要求執行檢驗工段
三.此項目檢驗標準只針對産品包裝後測試進(出)貨數量
F (相邻兩側面)
G (頂角和與相邻的棱)進(出)貨日期
二.跌落高度:一般情況以紙箱高度2倍為基準訂單號
一.跌落方向:A (頂面) B (底面相邻两棱)品名/料號
C (底面—對角)
D (底面)
E (側棱)電子廠
跌落測試報告
年 月 日客戶/廠商
技檢 驗 標 準。
跌落实验报告模板范文英文回答:Title: Report on Falling Experiment.Introduction:The purpose of this experiment was to investigate the effects of different heights on the time it takes for an object to fall to the ground. The experiment involved dropping objects from various heights and measuring the time it took for them to reach the ground. The data collected will be used to analyze the relationship between height and falling time.Procedure:1. Gathered materials: stopwatch, objects of different weights.2. Set up a safe and controlled environment for the experiment.3. Dropped each object from different heights (e.g., 1m, 2m, 3m, etc.).4. Used the stopwatch to measure the time it took for each object to fall to the ground.5. Recorded the data for further analysis.Results:The data collected from the experiment showed a clear relationship between the height from which an object is dropped and the time it takes to fall to the ground. As the height increased, the falling time also increased. This relationship can be explained by the laws of physics, specifically the acceleration due to gravity.Discussion:The results of this experiment support the hypothesis that the height from which an object is dropped affects the time it takes to fall to the ground. This is consistent with the principles of gravity and acceleration. The data collected can be used to calculate the acceleration due to gravity and further study the laws of physics.Conclusion:In conclusion, this experiment successfully demonstrated the relationship between height and falling time. The data collected provided evidence for the effects of gravity on falling objects. Further research can be conducted to explore other factors that may influence falling time, such as air resistance.中文回答:标题,跌落实验报告。
跌落测试报告docdoc(一)跌落测试报告是对某个产品在跌落过程中的表现进行评估和记录的文档。
本报告旨在通过引言概述和详细的正文内容,全面介绍跌落测试的结果和相关数据,帮助读者了解产品的抗跌落性能及可能存在的风险。
引言概述:本文档旨在提供针对产品进行的跌落测试的结果和评估。
测试主要考察产品在不同高度和角度跌落时的表现,对产品的结构和功能进行验证以及评估其在实际使用中可能遭受的风险。
通过该报告,读者可以了解产品跌落性能,并在必要时采取相应措施来改进产品。
正文:1. 测试目的1.1 确定产品在跌落过程中的承受能力。
1.2 评估产品的结构和功能是否能在跌落时保持正常。
1.3 验证产品是否满足相关安全标准。
2. 测试方法2.1 确定测试的跌落高度和角度。
2.2 使用专业设备模拟不同跌落情况。
2.3 记录测试过程中的数据和观察结果。
2.4 分析测试数据并与相关标准进行比较和评估。
3. 测试结果3.1 不同高度和角度下,产品在跌落时的表现。
3.2 产品的结构和功能在跌落测试中是否受到破坏或损坏。
3.3 产品是否满足相关安全要求。
4. 结果分析4.1 根据测试结果评估产品的抗跌落性能。
4.2 对测试中发现的问题进行分析和解释。
4.3 分析产品可能面临的跌落风险和潜在影响。
4.4 提出改进措施,以增强产品的抗跌落能力。
5. 结论5.1 根据测试结果,对产品的跌落性能进行评估和总结。
5.2 根据测试中发现的问题和风险,提出针对性的解决方案。
5.3 推荐改进措施,以提高产品的抗跌落能力和安全性。
总结:本跌落测试报告通过引言概述和详细的正文内容,对产品的跌落性能进行了评估和分析。
根据测试结果,产品在跌落过程中的表现良好,但仍存在一些改进和风险需要解决。
建议在设计和生产过程中,采取相应的措施以提高产品的抗跌落能力,并确保产品满足相关安全标准。
报告编号:产品型号
测试数量测试人产品名称整箱毛重测试日期
□ 新设计包裝方案验证□ 新供应商正常测试
□ 新产品试产验证□ IQC来料定期抽检
■ QA定期试验
□ 其它: 2、 根据ISTA 1A-2014标准,按实际重量选取相应的跌落高度。
具体标准如下:
整体重量跌落高度
0-10kg 760mm
10-19kg 610mm 19-28kg 460mm
28-45kg 310mm
45-68kg 200mm
3、 以一角三边六面选择对产品最不利的方向自由跌落至混凝土水平地面(如上图)
4、 试验完毕后箱内所有产品不能有任何外观及性能上的不良现象。
测试产品重量:
实际跌落高度:
测试地面条件:
综合判定■合格 □不合格测试类型测试标准测试条件试验完毕
后外箱外
观描述
试验完毕
后产品外
观描述
2、功率:400W (220V电压)3. 功能测试1、 跌落试验前先确保产品测试合格和包装完好。
试验记录
项目要求
测试结果
1、1.5KV/0.5mA/5 Sec耐压测试无击穿、闪烁现象试验完毕后产品功能及性能
描述产品跌落测试报告。
跌落测试报告docdoc(二)引言概述:本报告旨在对跌落测试进行详细分析和评价。
通过测试的实施和结果分析,以便评估产品的耐用性和可靠性。
本报告由以下五个主要部分构成:测试目的、测试方法、测试结果、问题分析和结论总结。
正文内容:一、测试目的:1.1评估产品在跌落过程中的机械强度和耐用性。
1.2检查产品在跌落过程中是否会发生重大破损或失效。
1.3为产品改进提供指导意见。
二、测试方法:2.1选择合适的跌落测试设备和测试仪器。
2.2确定跌落测试的高度、角度和表面材料。
2.3将产品安装在测试设备上,确保安装牢固。
2.4进行多次跌落测试,记录每次跌落的结果。
2.5重复测试过程,以统计产品的平均跌落性能。
三、测试结果:3.1记录每次跌落测试的详细数据,包括跌落高度、角度和表面材料。
3.2观察和评估产品在不同跌落条件下的表现。
3.3记录产品在每次跌落测试中出现的破损或失效情况。
3.4对跌落测试结果进行统计和分析,得出产品的平均跌落性能。
四、问题分析:4.1根据测试结果,分析产品在跌落过程中存在的主要问题。
4.2确定问题的原因和影响。
4.3提出解决问题的建议和改进措施。
五、结论总结:5.1通过跌落测试,我们评估了产品的机械强度和耐用性。
5.2测试结果表明,产品的整体跌落性能表现良好。
5.3然而,测试中发现了一些问题,例如在某些高度下产品容易破损。
5.4通过问题分析,我们提出了一些改进的建议,以提高产品的耐用性和可靠性。
5.5综上所述,本测试报告提供了有关产品跌落性能的详细信息,并为产品改进提供了有价值的参考。
结论:根据本次跌落测试的结果和问题分析,我们建议在产品设计和生产中注意提高产品的抗跌落能力,以减少因跌落而导致的破损和失效。
此外,我们也建议定期进行跌落测试,以确保产品始终符合高品质和高耐用性的要求。
通过测试报告,我们对产品的耐用性和可靠性有了更深入的了解,并为产品改进提供了宝贵的参考意见。
产品跌落报告模板1. 引言本报告旨在分析产品跌落测试的结果和结论,以评估产品的质量和安全性。
通过对测试数据的分析,我们可以了解产品在跌落过程中的性能表现,并提出改进措施。
2. 测试目的测试的主要目的是评估产品在跌落过程中的耐受能力和保护性能。
通过模拟正常使用中的意外跌落情况,我们可以了解产品在受力情况下的表现,以及是否满足相关的安全标准和要求。
3. 测试方法在进行测试前,我们明确了以下测试参数和标准: - 测试高度:1米 - 测试表面:混凝土地面 - 测试角度:垂直 - 测试次数:10次4. 测试结果根据测试数据的统计和分析,我们得出以下结论:4.1 跌落后外观检查对于所有测试样品,我们进行了外观检查。
结果显示,有50%的样品出现了明显的破损和表面划痕,其他样品则没有明显的损坏。
4.2 功能性测试除了外观检查,我们还对产品的功能进行了测试。
测试结果显示,有80%的样品在跌落后出现了功能性问题,如开关失灵、电池脱落等。
其他样品的功能未受到明显影响。
4.3 安全性评估针对跌落后的样品,我们进行了安全性评估。
结果显示,80%的样品在跌落后存在安全隐患,如尖锐边缘、松动部件等。
其他样品的安全性未受到明显影响。
5. 结论基于以上测试结果,我们得出以下结论:•产品在跌落测试中显示出一定的耐受能力,但仍有改进空间。
•外观损坏和功能性问题是需要重点关注的问题,需要进行产品设计和材料选择的优化。
•安全性问题需要及时解决,以保证用户的使用安全和满意度。
6. 改进措施为了提高产品的质量和安全性,我们建议采取以下改进措施:•重新评估产品的材料选择,选择更加耐用和抗冲击的材料。
•对关键部件进行更加严格的测试和检验,以确保其在跌落过程中的可靠性。
•优化产品的设计,减少尖锐边缘和易松动的部件。
•加强生产过程的质量控制,确保每个产品的一致性和稳定性。
•进行更加严格的安全性评估,确保产品符合相关的安全标准和要求。
7. 总结通过本次产品跌落测试,我们得出了关于产品质量和安全性的重要结论。
JY-A-017
No.20 新供
应商正常测 新设计包装方案 要求测试部门:
1、把需
进行跌落试 2、按实
际重量选取 ①1
thmi 2.99 ②3
thmi 20.99 ③
21thmi39.99 ④
40thmi 3、以六
面三边一角 (三边一角示意图) 4、试验
完毕后箱内 1、1.8KV/0.5mA 测试:审核:跌 落 测 试 报 告
IQC来料月度抽检 供货单位: QA 成品月度测试 产品型号:
3、测试地面条件:项目要求检测结果检测类型检测要求
测试
条件
试验完
毕后产
品外观
描述
试验完
毕后产
品性能
检测
2、接触电阻≤50mΩ
3、温度要求 ℃试验完
毕后外
箱外观
描述
试 验 记 录
1、单箱产品重量:
2、实际跌落高度:综合
判定 合格 不合格
4、零配件结合紧固力度。